绿化工程土方量对照表
- 格式:docx
- 大小:18.83 KB
- 文档页数:6
总说明《安徽省园林绿化及仿古建筑工程消耗量定额》(以下简称园林仿古消耗量定额)是按照国家标准《建设工程工程量清单计价规范》(GB50500-2003)的要求,适应"政府宏观调控、企业自主报价、市场竞争形成价格"的改革需要,结合安徽实际情况编制的。
一、本园林仿古消耗量定额的适用范围本园林仿古消耗量定额适用于安徽省境内的新建、扩建的城市园林、市政绿化、小品设施、仿古建筑工程,也适用于学校、厂矿、机关、宾馆、居民小区的小品设施和绿化工程等。
二、本园林仿古消耗量定额的作用1.是编制工程量清单计价的依据;2.是编审设计概算、施工图预算、标底价和控制价的依据;3.是调解处理工程造价纠纷的依据;4.是审核和鉴定工程造价的依据;5.是施工企业投标报价、拨付工程价款、竣工结算的参考依据。
三、本园林仿古消耗量定额编制的依据1.《建设工程工程量清单计价规范》(GB50500-2003);2.《仿古建筑及园林工程预算定额》(建设部1988版);3.《安徽省仿古建筑及园林工程估价表》(2000版);4.省内近期补充定额和外省有关资料等。
四、本园林仿古消耗量定额的编制原则1.本园林仿古消耗量定额按照正常的施工条件,依据目前本省多数施工企业机械装备水平、合理的施工工艺、施工工期和劳动组织为基础编制的。
2.本园林仿古消耗量定额贯彻了工程实体消耗和施工措施消耗相分离,以适应按单项工程成本报价,通过市场竞争形成造价和价格的动态调整。
本消耗量定额只列出了园林和仿古特有的施工技术措施项目消耗,其他措施消耗执行《安徽省建筑工程消耗量定额》的相应项目。
3.本园林仿古消耗量定额是依据现行的有关国家产品标准、设计规范、施工验收规范、质量评定标准和安全操作规程等编制的。
五、本园林仿古消耗量定额的工作内容本园林仿古消耗量定额中规定的工作内容,均包括完成该项目过程的全部工作,以及施工过程中所需要的人工、材料、半成品和机械台班数量。
18定额园林部分总说明一、《安徽省园林绿化工程计价定额》以下简称“本园林定额”,是依据国家现行相关工程建设标准、规范及相关定额,并结合近几年我省出现的新工艺、新技术、新材料的应用情况,及园林绿化工程设计与施工特点编制的。
二、本园林定额包括绿化工程和园林景观工程两部分内容。
三、本园林定额适用于安徽省境内的新建、扩建的城市园林、市政绿化、小品设施、景观工程,也适用于学校、厂矿、机关、宾馆、居民小区的小品设施和绿化工程等。
四、本园林定额的作用:1.是编审设计概算、最高投标限价、施工图预算的依据;2.是调解处理工程造价纠纷的依据;3.是工程成本评审,工程造价鉴定的依据;4.是施工企业编制企业定额、投标报价、拨付工程款、竣工结算的参考依据。
五、本园林定额按照正常的施工条件,大多数施工企业采用的施工方法、机械化装备程度、合理的施工工期、施工工艺、劳动组织编制的,反映当前社会平均消耗量水平。
六、本园林定额中人工工日以“综合工日”表示,不分工种、技术等级。
内容包括:基本用工、辅助用工、超运距用工及人工幅度差。
七、本园林定额中的材料:1.本园林定额中的材料包括主要材料、辅助材料、周转材料及其他材料。
2.本园林定额中的材料消耗量包括净用量和损耗量。
损耗量包括:从工地仓库、现场集中堆放地点或者现场加工地点至操作或者安装地点的现场运输损耗、施工操作损耗、施工现场堆放损耗。
凡能计量的材料、成品、半成品均逐一列出消耗量,难以计量的材料以“其他材料费占材料费”或者“其他材料费占人工费”百分比形式表示。
3.本园林定额中消耗量用“()”表示的为该子目的未计价材料用量,基价中不包括其价格。
八、本园林定额中的机械:1.本园林定额中大部分机械台班消耗量列出机械选用型号和消耗量,少量以“其他机械费占人工费”百分比形式表示。
2.大型机械的进(退)场及安装、拆卸,执行《安徽省建设工程计价定额(共用册)》的规定。
九、本园林定额中均包括材料成品、半成品从现场堆放地点、工地仓库或集中加工到施工地点的水平运输和垂直高度(或檐高) 在20m 以内的垂直运输。
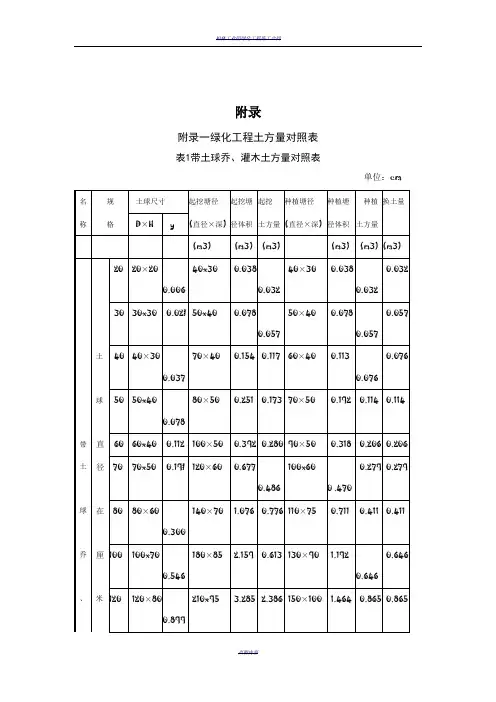
一、树坑规格对照参考表单位:株┌─┬──────────────────┬────────┬───┐│名│规格│挖树坑直径×深度│土方量││称││(cm) │(m3) │├─┼─┬──┬─┬───┬────┬──┼────────┼───┤│││120 ││ 3.75 ││30 │50×40 │0.079 │││├──┤├───┤├──┼────────┼───┤│││150 ││5.00 ││40 │60×40 │0.113 ││带│├──┤├───┤├──┼────────┼───┤│││200 ││ 6.25 ││50 │70×50 │0.192 │││株├──┤胸├───┤├──┼────────┼───┤│土││250 ││7.50 ││60 │90×50 │0.318 │││├──┤├───┤├──┼────────┼───┤││高│300 │径│8.75 ││70 │100×60 │0.471 ││球│├──┤├───┤├──┼────────┼───┤││( │350 │( │10.00 │土球直径│80 │110×80 │0.760 │││cm├──┤cm├───┤(cm以内)├──┼────────┼───┤│乔│以│400 │以│12.50 ││100 │130×90 │1.194 │││内├──┤内├───┤├──┼────────┼───┤││) │500 │) │15.00 ││120 │150×100 │1.766 ││木│├──┤├───┤├──┼────────┼───┤│││550 ││17.50 ││140 │180×110 │2.798 │││├──┤├───┤├──┼────────┼───┤│││650 ││20.00 ││160 │210×120 │4.154 │││├──┤├───┤├──┼────────┼───┤│││700 ││22.50 ││180 │230×130 │5.398 │││├──┤├───┤├──┼────────┼───┤│││800 ││25.00 ││200 │250×130 │6.378 │├─┼─┴──┴─┴───┴────┼──┼────────┼───┤│││4 │40×30 │0.038 │││├──┼────────┼───┤│││6 │50×40 │0.079 │││├──┼────────┼───┤│││8 │60×50 │0.141 ││裸│├──┼────────┼───┤│││10 │80×50 │0.251 │││├──┼────────┼───┤│根││12 │90×60 │0.382 │││胸径├──┼────────┼───┤││(cm以内) │14 │110×60 │0.570 ││乔│├──┼────────┼───┤│││16 │130×60 │0.796 │││├──┼────────┼───┤│木││18 │140×70 │1.077 │││├──┼────────┼───┤│││20 │150×80 │1.413 │││├──┼────────┼───┤│││25 │190×90 │2.550 │││├──┼────────┼───┤│││30 │230×110 │4.568 │└─┴───────────────┴──┴────────┴───┘续表单位:株┌─┬──────────────────┬────────┬───┐│名│规格│挖树坑直径×深度│土方量││称││(cm) │(m3) │├─┼────┬──┬───────┬──┼────────┼───┤│││100 ││30 │50×40 │0.079 ││带│├──┤├──┼────────┼───┤│││150 ││40 │60×40 │0.113 │││├──┤├──┼────────┼───┤│土││200 ││50 │70×50 │0.192 │││├──┤├──┼────────┼───┤││冠丛高│250 │土球直径│60 │90×50 │0.318 ││球│(cm以内)├──┤(cm以内) ├──┼────────┼───┤│││300 ││70 │100×60 │0.471 │││├──┤├──┼────────┼───┤│灌││350 ││80 │110×80 │0.760 │││├──┤├──┼────────┼───┤│││400 ││100 │130×90 │1.194 ││木│├──┤├──┼────────┼───┤│││500 ││120 │150×100 │1.766 │├─┼────┴──┴───────┼──┼────────┼───┤│││100 │30×30 │0.021 ││裸│├──┼────────┼───┤│根│冠丛高│150 │40×30 │0.038 ││灌│(cm以内) ├──┼────────┼───┤│木││200 │60×40 │0.113 │││├──┼────────┼───┤│││250 │80×60 │0.301 │├─┼───────────────┼──┼────────┼───┤│││2 │30×30 │0.021 │││├──┼────────┼───┤│散││4 │40×30 │0.038 │││胸径├──┼────────┼───┤│生│(cm以内) │6 │50×40 │0.079 │││├──┼────────┼───┤│竹││8 │60×50 │0.141 │││├──┼────────┼───┤│││10 │80×50 │0.251 │├─┼───────────────┼──┼────────┼───┤│││30 │50×40 │0.079 │││├──┼────────┼───┤│││40 │60×40 │0.113 ││丛│├──┼────────┼───┤││根盘丛径│50 │70×50 │0.192 │││(cm以内) ├──┼────────┼───┤│生││60 │90×50 │0.318 │││├──┼────────┼───┤│││70 │100×60 │0.471 ││竹│├──┼────────┼───┤│││80 │110×80 │0.760 │├─┼────┬──┬───────┼──┼────────┼───┤│││100 ││40 │60×40 │0.113 ││独│├──┤├──┼────────┼───┤│株│蓬径│150 │土球直径│50 │70×50 │0.192 ││球│(cm以内)├──┤(cm以内) ├──┼────────┼───┤│形││200 ││60 │90×50 │0.318 ││植│├──┤├──┼────────┼───┤│物││250 ││70 │100×60 │0.471 │├─┼────┴──┴───────┴──┼────────┼───┤││ 4 年生│30×30 │0.021 ││攀├──────────────────┼────────┼───┤│缘│ 5 年生│40×30 │0.038 ││植├──────────────────┼────────┼───┤│物│6~8 年生│50×40 │0.079 │└─┴──────────────────┴────────┴───┘二、绿篱沟规格对照参考表单位:m ┌───────┬─────────┬─────────┬─────┐│名称│规格│挖绿篱沟长×宽×深│土方量││││(cm) │(m3) │├───────┼──────┬──┼─────────┼─────┤│││40 │100×25×25 │0.063 │││├──┼─────────┼─────┤│││60 │100×30×25 │0.075 │││篱高├──┼─────────┼─────┤│单排绿篱│(cm以内)│80 │100×35×30 │0.105 │││├──┼─────────┼─────┤│││100 │100×40×35 │0.140 │││├──┼─────────┼─────┤│││120 │100×45×35 │0.158 │││├──┼─────────┼─────┤│││150 │100×45×40 │0.180 │├───────┼──────┼──┼─────────┼─────┤│││40 │100×30×25 │0.075 │││├──┼─────────┼─────┤││篱高│60 │100×35×30 │0.105 ││双排绿篱│(cm以内)├──┼─────────┼─────┤│││80 │100×40×35 │0.140 │││├──┼─────────┼─────┤│││100 │100×50×40 │0.200 │├───────┼──────┼──┼─────────┼─────┤│││40 │100×100×25 │0.250 │││├──┼─────────┼─────┤││篱高│60 │100×100×30 │0.300 ││片植绿篱│(cm以内)├──┼─────────┼─────┤│││80 │100×100×35 │0.350 │││├──┼─────────┼─────┤│││100 │100×100×40 │0.400 │└───────┴──────┴──┴─────────┴─────┘。
土方地形分项工程质量检验评定表工程名称:开阳县环湖新区土地一级整理金家山景观绿化及配套设施建设一期工程注:地下水位深度项中,种植耐水湿树种除外。
年月日栽植土分项工程质量检验评定表(平整和细平整)工程名称:开阳县环湖新区土地一级整理金家山景观绿化及配套设施建设一期工程注:地下水位深度项中,种植耐水湿树种除外。
年月日堤岸、挡土墙分项工程质量检验评定表工程名称:开阳县环湖新区土地一级整理金家山景观绿化及配套设施建设一期工程堤岸、挡土墙分项工程质量检验评定表工程名称:开阳县环湖新区土地一级整理金家山景观绿化及配套设施建设一期工程堤岸、挡土墙分项工程质量检验评定表工程名称:开阳县环湖新区土地一级整理金家山景观绿化及配套设施建设一期工程乔木植物材料分项工程质量检验评定表工程名称:开阳县环湖新区土地一级整理金家山景观绿化及配套设施建设一期工程注:φ- 胸径 D—地径年月日灌木植物材料分项工程质量检验评定表工程名称:开阳县环湖新区土地一级整理金家山景观绿化及配套设施建设一期工程年月日花苗、地被植物材料分项工程质量检验评定表工程名称:开阳县环湖新区土地一级整理金家山景观绿化及配套设施建设一期工程年月日乔木、大灌木栽植分项工程质量检验评定表工程名称:开阳县环湖新区土地一级整理金家山景观绿化及配套设施建设一期工程年月日灌木栽植分项工程质量检验评定表工程名称:开阳县环湖新区土地一级整理金家山景观绿化及配套设施建设一期工程年月日地被栽植分项工程质量检验评定表(各种草坪、地被植物)工程名称:开阳县环湖新区土地一级整理金家山景观绿化及配套设施建设一期工程年月日绿化单位工程质量综合评定表工程名称:开阳县环湖新区土地一级整理金家山景观绿化及配套设施建设一期工程施工单位:贵州建工建筑装饰环境绿化工程有限公司开工日期:年月日竣工日期: 年月日工程地址:贵州省贵阳市开阳县环湖新区东风水库两岸绿化面积: 4。
2万㎡制表人: 年月日绿化种植工程观感质量评定表工程名称:开阳县环湖新区土地一级整理金家山景观绿化及配套设施建设一期工程检查人员:年月日。
省园林绿化工程计价定额(2018)总说明一、《省园林绿化工程计价定额》以下简称“本园林定额”,是依据国家现行相关工程建设标准、规及相关定额,并结合近几年我省出现的新工艺、新技术、新材料的应用情况,及园林绿化工程设计与施工特点编制的。
二、本园林定额包括绿化工程和园林景观工程两部分容。
三、本园林定额适用于省境的新建、扩建的城市园林、市政绿化、小品设施、景观工程,也适用于学校、厂矿、机关、宾馆、居民小区的小品设施和绿化工程等。
四、本园林定额的作用:1.是编审设计概算、最高投标限价、施工图预算的依据;2.是调解处理工程造价纠纷的依据;3.是工程成本评审,工程造价鉴定的依据;4.是施工企业编制企业定额、投标报价、拨付工程款、竣工结算的参考依据。
五、本园林定额按照正常的施工条件,大多数施工企业采用的施工方法、机械化装备程度、合理的施工工期、施工工艺、劳动组织编制的,反映当前社会平均消耗量水平。
六、本园林定额中人工工日以“综合工日”表示,不分工种、技术等级。
容包括:基本用工、辅助用工、超运距用工及人工幅度差。
七、本园林定额中的材料:1.本园林定额中的材料包括主要材料、辅助材料、周转材料及其他材料。
2.本园林定额中的材料消耗量包括净用量和损耗量。
损耗量包括:从工地仓库、现场集中堆放地点或者现场加工地点至操作或者安装地点的现场运输损耗、施工操作损耗、施工现场堆放损耗。
凡能计量的材料、成品、半成品均逐一列出消耗量,难以计量的材料以“其他材料费占材料费”或者“其他材料费占人工费”百分比形式表示。
3.本园林定额中消耗量用“()”表示的为该子目的未计价材料用量,基价中不包括其价格。
八、本园林定额中的机械:1.本园林定额部分机械台班消耗量列出机械选用型号和消耗量,少量以“其他机械费占人工费”百分比形式表示。
2.大型机械的进(退)场及安装、拆卸,执行《省建设工程计价定额(共用册)》的规定。
九、本园林定额中均包括材料成品、半成品从现场堆放地点、工地仓库或集中加工到施工地点的水平运输和垂直高度(或檐高) 在20m 以的垂直运输。
绿化工程施工方案本分部工程根据设计图纸包括:排水层、土壤改良、微地造型、落叶乔木种植、常绿树种植、花灌木种植,其施工工艺流程:如下:测量定位→土方施工→土壤改良(实验检验)→微地造型乔木种植→常绿树种植→花灌木种植→地被植物种植→竣工养护一、土方开挖、回填1、土方量:通过现场踏勘,并根据业主提供的现场标高和园林布局设计标高,现场处于土方亏损状态,主要是微地形需要回填土。
2、回填土选择:需调入适合园林植物生长的园土,对于秋植种植土来说,土质不宜粘重,以砂壤土为好。
园林植物所必需的最低种植土层厚度应符合以下规定:种植土层厚度要求(单位:cm)植被类型草本花卉地被植物小灌木大灌木浅根乔木深根乔木分部深度30 35 45 60 90 200允许偏差<5% <10%3、土方回填:(1)先用水平仪测定主要标高点,并立醒目标桩,土方车运进现场后应每填土300-500mm做分层夯实,并应确保300mm表土是理化性能良好的合成土或砂壤土。
(2)种植地的土壤含有建筑垃圾及其它有害成分,以及强酸性土,强碱性土、盐土、盐碱土、重粘土、沙土等均应根据规范规定,采用客土或采取改良土壤的技术措施。
(3)回填土存放:存放位置应事先征得业主和监理工程师的批准。
4、地形处理:(1)在回填土基本满足的条件下,依园林设计标高整理出相应的地形、缓坡,使所有表土应按等高线做最后处理,避免造成隆起凹陷。
(2)绿地内排水应按设计坡度与起向结合现场及周边情况综合考虑。
二、土壤改良在地形标高整理完成后,依种植品种的不同对表土层做相应厚度的土壤改良,使种植土符合植物对肥力和各种有机物、微量元素的需求。
1、改良深度:(1)树木以树坑为单位,按800—1000mm 的深度做为改良层。
(2)灌木、地被植物改良深度为600mm。
(3)草坪改良深度为125mm。
2、种植土的配制:按上述深度对表土添加腐殖土,3.种植池之合成土(1)种植池应使用轻质土,轻质土应具有以下特征:A、30%珍珠岩或蛭石B、20%细砂/20%已完全分解之岩石(无含盐成份)C、20%泥炭土替代物D、30%现有园土4、标准泥炭土分析必须符合以下规定,形成理化性能良好的种植土。
丹通高速公路桓仁新开岭至丹东古城子段绿化工程第3合同段(K29+140—K30+220)计量支付资料(中间计量表)第一册3月26日-5月10日长春绿地开发建设集团有限责任公司2012年 5 月 10 日承包单位: 长春绿地开发建设集团有限责任公司合同号: DT — 03 监理单位: 辽宁驰通公路工程监理事务所编号: 1制表人:承包人:专项监理工程师:承包单位: 长春绿地开发建设集团有限责任公司合同号: DT — 03 监理单位: 辽宁驰通公路工程监理事务所编号: 2制表人:承包人:专项监理工程师:承包单位: 长春绿地开发建设集团有限责任公司合同号: DT — 03 监理单位: 辽宁驰通公路工程监理事务所编号: 3制表人:承包人:专项监理工程师:承包单位: 长春绿地开发建设集团有限责任公司合同号: DT — 03 监理单位: 辽宁驰通公路工程监理事务所编号: 4制表人:承包人:专项监理工程师:承包单位: 长春绿地开发建设集团有限责任公司合同号: DT — 03 监理单位: 辽宁驰通公路工程监理事务所编号: 5制表人:承包人:专项监理工程师:支表13 中间计量表承包单位: 长春绿地开发建设集团有限责任公司合同号: DT — 03 监理单位: 辽宁驰通公路工程监理事务所编号: 6制表人:承包人:专项监理工程师:支表13 中间计量表承包单位: 长春绿地开发建设集团有限责任公司合同号: DT — 03 监理单位: 辽宁驰通公路工程监理事务所编号: 7制表人:承包人:专项监理工程师:支表13 中间计量表承包单位: 长春绿地开发建设集团有限责任公司合同号: DT — 03 监理单位: 辽宁驰通公路工程监理事务所编号: 8制表人:承包人:专项监理工程师:支表13 中间计量表承包单位: 长春绿地开发建设集团有限责任公司合同号: DT — 03 监理单位: 辽宁驰通公路工程监理事务所编号: 9制表人:承包人:专项监理工程师:支表13 中间计量表承包单位: 长春绿地开发建设集团有限责任公司合同号: DT — 03 监理单位: 辽宁驰通公路工程监理事务所编号: 10制表人:承包人:专项监理工程师:支表13 中间计量表承包单位: 长春绿地开发建设集团有限责任公司合同号: DT — 03 监理单位: 辽宁驰通公路工程监理事务所编号: 11制表人:承包人:专项监理工程师:承包单位: 长春绿地开发建设集团有限责任公司合同号: DT — 03 监理单位: 辽宁驰通公路工程监理事务所编号: 12-1制表人:承包人:专项监理工程师:承包单位: 长春绿地开发建设集团有限责任公司合同号: DT — 03 监理单位: 辽宁驰通公路工程监理事务所编号: 12-2制表人:承包人:专项监理工程师:承包单位: 长春绿地开发建设集团有限责任公司合同号: DT — 03 监理单位: 辽宁驰通公路工程监理事务所编号: 12-3制表人:承包人:专项监理工程师:承包单位: 长春绿地开发建设集团有限责任公司合同号: DT — 03 监理单位: 辽宁驰通公路工程监理事务所编号: 12-4制表人:承包人:专项监理工程师:承包单位: 长春绿地开发建设集团有限责任公司合同号: DT — 03 监理单位: 辽宁驰通公路工程监理事务所编号: 12-5制表人:承包人:专项监理工程师:承包单位: 长春绿地开发建设集团有限责任公司合同号: DT — 03 监理单位: 辽宁驰通公路工程监理事务所编号: 12-6制表人:承包人:专项监理工程师:承包单位: 长春绿地开发建设集团有限责任公司合同号: DT — 03 监理单位: 辽宁驰通公路工程监理事务所编号: 12-7制表人:承包人:专项监理工程师:承包单位: 长春绿地开发建设集团有限责任公司合同号: DT — 03 监理单位: 辽宁驰通公路工程监理事务所编号: 13制表人:承包人:专项监理工程师:承包单位: 长春绿地开发建设集团有限责任公司合同号: DT — 03 监理单位: 辽宁驰通公路工程监理事务所编号: 14制表人:承包人:专项监理工程师:承包单位: 长春绿地开发建设集团有限责任公司合同号: DT — 03 监理单位: 辽宁驰通公路工程监理事务所编号: 15制表人:承包人:专项监理工程师:支表13 中间计量表承包单位: 长春绿地开发建设集团有限责任公司合同号: DT — 03 监理单位: 辽宁驰通公路工程监理事务所编号: 16制表人:承包人:专项监理工程师:承包单位: 长春绿地开发建设集团有限责任公司合同号: DT — 03 监理单位: 辽宁驰通公路工程监理事务所编号: 17制表人:承包人:专项监理工程师:承包单位: 长春绿地开发建设集团有限责任公司合同号: DT — 03 监理单位: 辽宁驰通公路工程监理事务所编号: 18制表人:承包人:专项监理工程师:支表13 中间计量表承包单位: 长春绿地开发建设集团有限责任公司合同号: DT — 03 监理单位: 辽宁驰通公路工程监理事务所编号: 19制表人:承包人:专项监理工程师:支表13 中间计量表承包单位: 长春绿地开发建设集团有限责任公司合同号: DT — 03 监理单位: 辽宁驰通公路工程监理事务所编号: 20制表人:承包人:专项监理工程师:承包单位: 长春绿地开发建设集团有限责任公司合同号: DT — 03 监理单位: 辽宁驰通公路工程监理事务所编号: 21制表人:承包人:专项监理工程师:承包单位: 长春绿地开发建设集团有限责任公司合同号: DT — 03 监理单位: 辽宁驰通公路工程监理事务所编号: 22制表人:承包人:专项监理工程师:承包单位: 长春绿地开发建设集团有限责任公司合同号: DT — 03 监理单位: 辽宁驰通公路工程监理事务所编号: 23制表人:承包人:专项监理工程师:支表13 中间计量表承包单位: 长春绿地开发建设集团有限责任公司合同号: DT — 03 监理单位: 辽宁驰通公路工程监理事务所编号: 24制表人:承包人:专项监理工程师:承包单位: 长春绿地开发建设集团有限责任公司合同号: DT — 03 监理单位: 辽宁驰通公路工程监理事务所编号: 25制表人:承包人:专项监理工程师:承包单位: 长春绿地开发建设集团有限责任公司合同号: DT — 03 监理单位: 辽宁驰通公路工程监理事务所编号: 26制表人:承包人:专项监理工程师:承包单位: 长春绿地开发建设集团有限责任公司合同号: DT — 03 监理单位: 辽宁驰通公路工程监理事务所编号: 27制表人:承包人:专项监理工程师:承包单位: 长春绿地开发建设集团有限责任公司合同号: DT — 03 监理单位: 辽宁驰通公路工程监理事务所编号: 28制表人:承包人:专项监理工程师:承包单位: 长春绿地开发建设集团有限责任公司合同号: DT — 03 监理单位: 辽宁驰通公路工程监理事务所编号: 29制表人:承包人:专项监理工程师:支表13 中间计量表承包单位: 长春绿地开发建设集团有限责任公司合同号: DT — 03 监理单位: 辽宁驰通公路工程监理事务所编号: 30制表人:承包人:专项监理工程师:支表13 中间计量表承包单位: 长春绿地开发建设集团有限责任公司合同号: DT — 03 监理单位: 辽宁驰通公路工程监理事务所编号: 31制表人:承包人:专项监理工程师:支表13 中间计量表承包单位: 长春绿地开发建设集团有限责任公司合同号: DT — 03 监理单位: 辽宁驰通公路工程监理事务所编号: 32制表人:承包人:专项监理工程师:支表13 中间计量表承包单位: 长春绿地开发建设集团有限责任公司合同号: DT — 03 监理单位: 辽宁驰通公路工程监理事务所编号: 33制表人:承包人:专项监理工程师:承包单位: 长春绿地开发建设集团有限责任公司合同号: DT — 03 监理单位: 辽宁驰通公路工程监理事务所编号: 34制表人:承包人:专项监理工程师:承包单位: 长春绿地开发建设集团有限责任公司合同号: DT — 03 监理单位: 辽宁驰通公路工程监理事务所编号: 35制表人:承包人:专项监理工程师:支表13 中间计量表承包单位: 长春绿地开发建设集团有限责任公司合同号: DT — 03 监理单位: 辽宁驰通公路工程监理事务所编号: 36制表人:承包人:专项监理工程师:支表13 中间计量表承包单位: 长春绿地开发建设集团有限责任公司合同号: DT — 03 监理单位: 辽宁驰通公路工程监理事务所编号: 37制表人:承包人:专项监理工程师:承包单位: 长春绿地开发建设集团有限责任公司合同号: DT — 03 监理单位: 辽宁驰通公路工程监理事务所编号: 38制表人:承包人:专项监理工程师:承包单位: 长春绿地开发建设集团有限责任公司合同号: DT — 03 监理单位: 辽宁驰通公路工程监理事务所编号: 39制表人:承包人:专项监理工程师:承包单位: 长春绿地开发建设集团有限责任公司合同号: DT — 03监理单位: 辽宁驰通公路工程监理事务所编号: 1承包人: 监理工程师:注: 1、清单项目编号栏中按章、节填写、计日工、合同外、价格调整、优质优价所有需支付的项目(材料预付款和动员预付款不填),然后分别列明小计和合计承包单位: 长春绿地开发建设集团有限责任公司合同号: DT — 03监理单位: 辽宁驰通公路工程监理事务所编号: 2承包人: 监理工程师:注: 1、清单项目编号栏中按章、节填写、计日工、合同外、价格调整、优质优价所有需支付的项目(材料预付款和动员预付款不填),然后分别列明小计和合计2、“凭证号”填写中间计量表编号。
园林绿化工程量计算(总4页)--本页仅作为文档封面,使用时请直接删除即可----内页可以根据需求调整合适字体及大小--第一节工程量计算规则一、起挖、种植乔木、灌木,分土球直径不同以株计算。
乔木、灌木、棕榈科土球直径的取定:乔木按胸径的7-10倍计;灌木按自然冠幅的倍计;棕榈科:按地径的2倍计。
棕榈科树木以地径换算相应规格土球直径套乔木项目(以下所述乔木均包含棕榈科)。
二、起挖、种植散生竹,分胸径不同以株计算;起挖、种植丛生竹,分每丛株数不同以丛计算。
三、起挖、种植绿篱,5排以内分排数不同以延长米计算;5排以上套用普通花坛以平方米计算。
四、起挖、种植花坛,分每平方米株数不同以平方米计算。
花坛内种植乔木及绿篱以外、土球直径20cm以上的灌木,应另套相应种植项目,计算花坛时不扣除其所占面积。
五、种植水生植物分塘植、盆植以株计算。
六、种植攀缘植物以株计算。
七、起挖、铺种草、喷播草种,按实际面积以平方米计算。
花格嵌草按铺花格砖面积计算,项目内嵌草面积是按35%考虑的,实际嵌草面积不同时可以换算,工料不变。
嵌草不论铺、种均执行该项目。
八、汽车运水灌洒、自动喷淋的水量,按种植相应项目消耗用水量以吨计算。
九、树木支撑,分支撑材料、支撑形式不同以株计算;金属构件支撑制安以吨计算。
十、草绳绕树干,分胸径不同按所绕树干长度以米计算。
十一、人工换土,乔木、灌木、棕榈科分土球直径不同以株计算;大面积换土按设计要求以立方米计算,套用第一章土石方工程相应项目。
十二、土方造形按所需造形土方量以立方米计算,套用第一章土石方工程相应子目乘以。
第二节说明一、本章适用于公园、游览区、市政道路绿化种植和迁移树木工程,以及住宅、厂区、宾馆、酒店、别墅等庭园绿化工程。
二、本章包括苗木起挖、种植、绿化维护措施等项目。
三、起挖、种植树木均以一、二类土为标准测定,如为三类土,人工乘以,如为四类土,人工乘以。
土壤类别标准见第一章《土壤及岩石分类表》。
安徽省园林绿化工程计价定额(2018)总说明一、《安徽省园林绿化工程计价定额》以下简称“本园林定额”,是依据国家现行相关工程建设标准、规范及相关定额,并结合近几年我省出现的新工艺、新技术、新材料的应用情况,及园林绿化工程设计与施工特点编制的。
二、本园林定额包括绿化工程和园林景观工程两部分内容。
三、本园林定额适用于安徽省境内的新建、扩建的城市园林、市政绿化、小品设施、景观工程,也适用于学校、厂矿、机关、宾馆、居民小区的小品设施和绿化工程等。
四、本园林定额的作用:1.是编审设计概算、最高投标限价、施工图预算的依据;2.是调解处理工程造价纠纷的依据;3.是工程成本评审,工程造价鉴定的依据;4.是施工企业编制企业定额、投标报价、拨付工程款、竣工结算的参考依据。
五、本园林定额按照正常的施工条件,大多数施工企业采用的施工方法、机械化装备程度、合理的施工工期、施工工艺、劳动组织编制的,反映当前社会平均消耗量水平。
六、本园林定额中人工工日以“综合工日”表示,不分工种、技术等级。
内容包括:基本用工、辅助用工、超运距用工及人工幅度差。
七、本园林定额中的材料:1.本园林定额中的材料包括主要材料、辅助材料、周转材料及其他材料。
2.本园林定额中的材料消耗量包括净用量和损耗量。
损耗量包括:从工地仓库、现场集中堆放地点或者现场加工地点至操作或者安装地点的现场运输损耗、施工操作损耗、施工现场堆放损耗。
凡能计量的材料、成品、半成品均逐一列出消耗量,难以计量的材料以“其他材料费占材料费”或者“其他材料费占人工费”百分比形式表示。
3.本园林定额中消耗量用“()”表示的为该子目的未计价材料用量,基价中不包括其价格。
八、本园林定额中的机械:1.本园林定额中大部分机械台班消耗量列出机械选用型号和消耗量,少量以“其他机械费占人工费”百分比形式表示。
2.大型机械的进(退)场及安装、拆卸,执行《安徽省建设工程计价定额(共用册)》的规定。
九、本园林定额中均包括材料成品、半成品从现场堆放地点、工地仓库或集中加工到施工地点的水平运输和垂直高度(或檐高) 在20m 以内的垂直运输。
绿化工程总说明一、本章定额由绿地整理、栽植花木、绿地喷灌等内容组成。
二、勘察现场适用于绿化工程施工前的对现场调查,对高压电线、地下电缆、管道等障碍物,以及水源、土质、交通等状况做全面了解,必要时需做到刨验、取样、分析、化验以及做好施工安排。
三、本定额中拆除工程为人工施工,如遇坚硬障碍物需用机械施工时,其机械费用按实际调整。
四、人工整理指地面凸凹高差正、负在30㎝以内,就地挖填找平,绿地整理。
五、机械整理场地,不论地面凸凹高差多少,一律执行本定额。
六、本章定额包括种植前的准备、种植时的用工用料和机械使用费,以及花卉栽培后10天以内的养护工作和树木栽植后1个月内的养护工作。
超过养护期的,养护费另行计算。
七、本章定额不包括种植前清除建筑垃圾及其他障碍物,种植后包括绿化地周围2m内的清理工作。
八、定额中以原土回填为准,如需换土,按相应定额另行计算。
九、起挖或栽植树木均以一、二类土为计算标准,如为三类土,人工乘系数,四类土,人工乘系数。
十、本定额未包括苗木花卉的价格,应另行计算。
十一、栽植技术措施子目中,树木支撑按支撑材料种类和支撑方法编制,在使用应根据实际需要,套用相应定额。
十二、人工换土,在绿化施工过程中,原土不符合种植要求而需换土时发生。
十三、苗木计量应符合下列规定:1.“胸径(干径)”应为地表面向上1.2m高处树干的直径。
2.“株高”应为地表面至树顶端的高度。
3.“冠丛高”应为地表面至乔(灌)木顶端的高度。
4.“篱高”应为地表面至绿篱顶端的高度。
5.“生长期”应为花木种植至起苗的时间。
6.根盘丛径的确定,以丛生植物基础部外围的直径计算。
7.地径指离地0.3m处的树杆直径。
十四、绿化带种植乔木或灌木,当土球直径小于15㎝时:如双排种植按绿篱定额执行;如三排及三排以上种植则按露地花卉(木本)定额执行。
当土球直径大于15㎝时,则按乔木或灌木定额执行。
十五、本定额未包括的项目:1.非适宜地树种的栽植,养护及反季节的栽植、养护。
绿化种植工程土方费用计算方法
土方费用的计算,应根据不同的施工方法逐项分列计算土方量,再匹配相对应的土方单价进行计算,累计之和称之为该绿化种植工程的土方总费用。
一般计算方法如下:
1.当原地形标高、土壤质量符合绿化设计和植物生长要求,不需另行增加土方时,可计算一次绿地整理工程内容。
绿地整理是园林植物种植前一项必不可少的施工工艺,按平方米计算,可套用"九三"园林定额相应子目土方基价。
2.当原地形标高符合设计要求,但少量土方质量不符合植物生长要求时,一般可采用好土深翻到表面,垃圾土深埋到地下的施工方法处理,其土方量的多少,可按实际挖土量(长x宽x深)计算,其单价的选定,可参照"九三"园林定额第二章土石方工程中有关子目基价计算其费用。
3.当原地形标高太低,明显缺土时,一般采用种植土(汽车)内运的方式解决。
其单价依据沪园定(95)第006号文件规定内环线内以45元/立方米,内环线外(包括浦东地区)以30元/立方米为单价,按实际进土方量计算。
4.当原地形标高太高,有多余土外运(或者不采用垃圾土深埋处理方式)时,可套用沪园定(95)第006号文件规定的种植土方单价,按实际外运土方量及相应单价,计算其外运土方费用。
5.当遇到施工现场因设计要求,堆置高低起伏地形时,可参照"九三"园林定额第一章第5节"人工换土、土方造型"子目基价,根据不同的堆置高度,分别计算堆土量,并根据相应的子目基价,计算其土方堆地形费用。
实际施工中,由于情况错综复杂,不单单发生一种情况,则应区别不同情况,按以上介绍的不同的土方费用计算方法,逐项进行土方费用的计算。
景观绿化工程土方平整进度指标说到景观绿化工程,咱们第一个想到的就是那一片片绿色的草坪、郁郁葱葱的大树,还有四季变换中不同花卉的美丽。
这些可不是一朝一夕就能完成的。
背后可是有一大堆工程在悄悄推进着,尤其是土方平整,简直就是绿化工程的“地基工程”。
俗话说,“工欲善其事,必先利其器”。
要想做好景观绿化,首先得把土方平整这块工作搞得妥妥的,不然后面种下去的植物根本立不住脚。
说白了,这就是给大自然的“地面”做个大修,确保它有足够的承载力,才能撑得住后面的种植。
土方平整,这个名字听起来很专业对吧?其实呢,说白了,就是把一块地给弄平了,不能有坑坑洼洼,也不能太高低不平,不然后面的植物栽下去,根本没办法生长。
你想想,如果地面一边高一边低,水一来就积水,那可不是植物该待的地方。
再说了,这地要是不平,种上草或者花,肯定就像“杂乱无章”的地毯,怎么看怎么别扭。
要搞定土方平整,首先得看土质。
有的地方土层松散,有的地方又特别坚硬,这就得根据土壤的特点来调整。
平整的过程中,可得细心哦,不是单纯地推几下铲子就能算完的。
说到土方平整进度,大家肯定最关心的是速度了吧?这也得有个标准,不能拖拖拉拉的,必须要在合理的时间内完成。
就像你看那些施工队,动作又快又准,仿佛一瞬间就能把一块大地平整得像平底锅一样。
你以为他们不累吗?背后可是得心细如发。
每一铲土都得精准到位,不能多一分也不能少一分。
否则的话,真的是“偷工减料”,不但会影响后面的施工进度,还可能影响到后面的绿化效果。
那土方平整到底需要多久呢?其实没有固定答案,因为这得看工程的规模以及地形的复杂程度。
有的地方地势比较平坦,平整起来自然就轻松多了;而有些地方地势起伏不定,工程量大,平整的难度也就更高了。
所以这进度得根据现场的实际情况来定,讲究一个“精准”和“细致”,做到心中有数。
有的地方工程量大,可能几天甚至一个星期才能搞定;但如果是小范围的施工,可能两三天就能完工。
可以说,土方平整这块工作,讲究的是细致入微,不是着急。