盾构接收井钢支撑技术交底
- 格式:doc
- 大小:522.50 KB
- 文档页数:8
西安市轨道交通工程施工质量验收技术资料统一用表施工质量验收技术资料通用表CJ2-5 编号施工技术交底记录合同号D4TJSG15-LW-003地铁里程YDK29+114.750-YDK29+588.250工程名称西安地铁四号线TJSG-15标凤城九路站交底日期2014.11.06施工单位中铁九局集团有限公司分项工程名称钢支撑、钢围檩安装交底提要工程概况、施工准备、施工工艺、安全质量注意事项、安全质量保证措施交底内容:一、工程概况车站设计起终点里程为Y(Z)DK29+114.750~Y(Z)DK29+588.250,有效站台中心里程为Y(Z)DK29+195.200,有效站台中心轨面高程为363.118,车站长度为473.5m。
车站两端设盾构始发井,四次始发,南北两端接盾构区间。
围护结构体系采用钻孔灌注桩+内支撑方案。
凤城九路站为明挖顺作法+全盖挖顺作施工的车站,Y(Z)DK29+184.750~Y(Z)DK29+223.270跨凤城九路路口段38.52m范围采用全铺盖顺作法,其余采用明挖顺作法。
围护结构支撑体系由钢支撑、钢围檩等组成。
车站基坑竖向设三道支撑,第一道采用Φ600mm,t=16mm厚的钢管内支撑,第二、三道支撑均采用Φ600mm,t=16mm厚的钢管内支撑。
钢管支撑设活动端头,以便施加预压力。
第一道支撑水平间距为8m,第二、三道支撑水平间距为4m。
钢围檩采用2I45c组合而成。
二、施工准备施工机具:10t龙门吊1台、千斤顶2台、电焊机2台等。
三、施工工艺3.1钢支撑拼装联接本工程钢支撑采用φ600×16mm钢管拼装,采用螺栓连接。
钢支撑采用一个固定端,一个活动端及中间多节不同长度的钢管通过法兰盘连接而成,每节长度视具体情况而定。
钢支撑分节在现场加工场加工,经监理检验验收合格,整体拼装后吊入坑内使用。
3.2钢支撑安装钢支撑架设与基坑土方开挖是深基坑施工密不可分的两道关键工序,钢支撑架设极具时间性,钢支撑架设的时间、位置及预加轴力的大小直接关系到深基坑稳定,钢支撑架设必须满足设计要求。
一、交底目的为确保盾构掘进施工过程中的安全,提高施工效率,降低事故风险,特制定本安全技术交底。
二、交底对象全体盾构掘进施工人员、管理人员、监理人员。
三、交底内容1. 施工现场安全管理(1)施工现场必须设置明显的安全警示标志,并保持通道畅通。
(2)施工现场严禁吸烟、饮酒,禁止携带火种。
(3)进入施工现场必须按规定佩戴安全帽、劳保鞋、防护眼镜等劳动保护用品。
(4)施工现场严禁擅自拆改安全装置,如有损坏应及时报告。
2. 盾构掘进设备操作(1)操作人员必须取得相关操作资格证书,熟悉设备性能及操作规程。
(2)启动设备前,必须检查设备状态,确认无异常后方可操作。
(3)操作过程中,严格按设备操作规程进行,不得擅自改变操作参数。
(4)设备运行过程中,发现故障或异常情况,应立即停机,并及时报告。
3. 盾构掘进施工安全措施(1)施工前,必须对施工现场进行地质勘察,了解地质情况,制定相应的施工方案。
(2)盾构掘进过程中,加强地层监测,发现异常情况,及时采取措施。
(3)盾构掘进过程中,严格执行同步注浆,防止地层变形、坍塌。
(4)加强盾构机刀盘刀具维护,确保其正常工作。
4. 应急预案(1)制定应急预案,明确应急组织、职责、程序和措施。
(2)定期组织应急演练,提高应急处置能力。
(3)发现险情,立即启动应急预案,确保人员安全。
四、交底要求1. 施工人员、管理人员、监理人员应认真听取安全技术交底,并做好记录。
2. 施工人员应熟悉掌握安全技术交底内容,严格遵守操作规程。
3. 管理人员、监理人员应加强对施工现场的监督检查,确保安全措施落实到位。
4. 施工单位应定期对安全技术交底进行总结、完善,不断提高安全管理水平。
五、交底时间自本交底生效之日起,至盾构掘进施工结束。
六、交底单位(单位名称)七、交底人(姓名)八、审核人(姓名)九、生效日期年月日。
西安市轨道交通工程施工质量验收技术资料统一用表施工质量验收技术资料通用表CJ2-5 编号施工技术交底记录合同号D4TJSG15-LW-003地铁里程YDK29+114.750-YDK29+588.250工程名称西安地铁四号线TJSG-15标凤城九路站交底日期2014.11.06施工单位中铁九局集团有限公司分项工程名称钢支撑、钢围檩安装交底提要工程概况、施工准备、施工工艺、安全质量注意事项、安全质量保证措施交底内容:一、工程概况车站设计起终点里程为Y(Z)DK29+114.750~Y(Z)DK29+588.250,有效站台中心里程为Y(Z)DK29+195.200,有效站台中心轨面高程为363.118,车站长度为473.5m。
车站两端设盾构始发井,四次始发,南北两端接盾构区间。
围护结构体系采用钻孔灌注桩+内支撑方案。
凤城九路站为明挖顺作法+全盖挖顺作施工的车站,Y(Z)DK29+184.750~Y(Z)DK29+223.270跨凤城九路路口段38.52m范围采用全铺盖顺作法,其余采用明挖顺作法。
围护结构支撑体系由钢支撑、钢围檩等组成。
车站基坑竖向设三道支撑,第一道采用Φ600mm,t=16mm厚的钢管内支撑,第二、三道支撑均采用Φ600mm,t=16mm厚的钢管内支撑。
钢管支撑设活动端头,以便施加预压力。
第一道支撑水平间距为8m,第二、三道支撑水平间距为4m。
钢围檩采用2I45c组合而成。
二、施工准备施工机具:10t龙门吊1台、千斤顶2台、电焊机2台等。
三、施工工艺3.1钢支撑拼装联接本工程钢支撑采用φ600×16mm钢管拼装,采用螺栓连接。
钢支撑采用一个固定端,一个活动端及中间多节不同长度的钢管通过法兰盘连接而成,每节长度视具体情况而定。
钢支撑分节在现场加工场加工,经监理检验验收合格,整体拼装后吊入坑内使用。
3.2钢支撑安装钢支撑架设与基坑土方开挖是深基坑施工密不可分的两道关键工序,钢支撑架设极具时间性,钢支撑架设的时间、位置及预加轴力的大小直接关系到深基坑稳定,钢支撑架设必须满足设计要求。
盾构接收技术交底B3.12
奥体中心站北端头井地质剖面图
周边建构筑物
本工程盾构接收位于河海大学站南端头井。
河海大学站位于常州中心城区晋陵北路与河海东路交叉口处,南端头井东侧为7层混凝土框架结构房屋,距离车站南端头井为
区间盾构接收对三座建(构)筑物基本无影响。
始发段地下管线情况
河海大学站南端头井接收段管线统计表
洞门凿除顺序示意图
盾构进洞过程中有洞门范围内1.6m范围及洞门钢环与基座之间的0.8m,此2.4m
内盾构与结构直接存在较大间隙,可能导致盾构机下掉,因此在盾构洞门破除前在洞门钢环
文案大全。
昆明轨道交通工程承包单位:中铁十六局XX公司合同号:DT-J100-a-J1-SG-20__-004监理单位:华铁工程咨询XX公司编号:技术交底记录A3.12工程名称XX市轨道交通6号线二期工程菊华站~东部客运站区间交底部位盾构施工工序名称盾构掘进交底提要:盾构掘进交底内容:一、工程概况本区间线路自东部客运站出站后左、右线以R=650m半径沿着归十路西侧前进,期间下穿红塔集团烟草厂仓库,随后横穿归十路到达1#盾构井,在1#盾构井平移检修并2次始发,接着下穿农垦石油职工住宿大楼、黑土凹西仓库库群、云南外运集XX公司;最后左、右线以R=350m半径右拐至凉亭路,最后进入菊华站。
线路最小线间距6.73m,最大线间距16m。
管片采用通用型衬砌管片,错缝拼装,内径5.5m,厚度0.35m,外径6.2m。
菊华站~2#盾构井区间掘进示意图二、盾构掘进盾构掘进分为洞内运输、掘进施工及管片拼装等工序。
1、洞内运输从土仓排出的碴土通过螺旋输送机的出土闸门落在螺旋输送机下的皮带输送机上,通过皮带传送到后配套台车上的出土口落入电瓶车土箱内。
电瓶车由牵引机车(车头电瓶组)、土箱车、砂浆车、管片车组成。
土箱内装满碴土后,盾构机暂停掘进,螺旋输送机闸门关闭,电瓶车将碴土运至始发井口,由地面50T龙门吊将土箱吊上地面,将碴土倒入地面的碴土池。
EGC龙门吊碴土车洞口垂直运输示意图电瓶车编组示意图2、盾构掘进(1)盾构机掘进控制盾构施工必须根据隧道穿越的地质条件、地表环境等情况,通过试掘进确定合理的掘进参数和碴土改良的方法,确保盾构刀盘前方开挖面的稳定,做好掘进方向的控制,确保隧道轴线符合设计要求。
盾构施工隧道贯通测量中误差应符合以下要求:横向贯通测量中误差(mm)±50高程贯通测量中误差(mm)±25盾构掘进由操作司机在1号台车操作室内进行,由现场技术人员经计算初设正面土压力+水压力值。
土压力值根据隧道埋深、土层性质和地面超载计算。
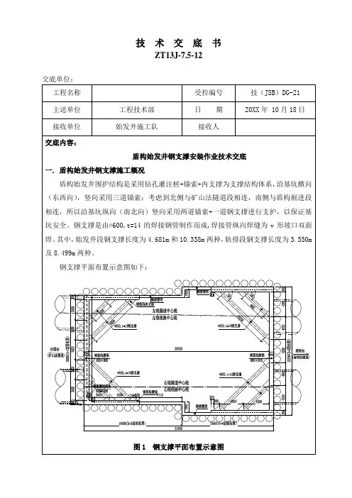
技术交底书ZT13J-7.5-12交底单位:工程名称受控编号技(JSB)DG-21 主送单位工程技术部日期20XX年 10月18日接收单位始发井施工队接收人交底内容:盾构始发井钢支撑安装作业技术交底一.盾构始发井钢支撑施工概况盾构始发井围护结构是采用钻孔灌注桩+锚索+内支撑为支撑结构体系,沿基坑横向(东西向),竖向采用三道锚索;考虑到北侧与矿山法隧道段相连,南侧与盾构掘进段相连,所以沿基坑纵向(南北向)竖向采用两道锚索+一道钢支撑进行支护,以保证基坑安全。
钢支撑是由∅600,t=14的焊接钢管制作而成,焊接管纵向焊缝为v形坡口双面焊。
其中,始发井段钢支撑长度为4.681m和10.338m两种,轨排段钢支撑长度为3.550m 及8.499m两种。
钢支撑平面布置示意图如下:图1 钢支撑平面布置示意图编制者:审核者:第1页共4页技术交底书ZT13J-7.5-12交底单位:工程名称受控编号技(JSB)DG-21 主送单位工程技术部日期20XX年 10月18日接收单位始发井施工队接收人交底内容:二.盾构始发井钢支撑施工方法1.钢管支撑的安装钢支撑运送到现场后提前进行拼装,在钢支撑腰梁及钢支撑斜支座浇筑完成并达到预定强度、钢板焊接完成以后,方可进行钢支撑安装。
安装时采用16t龙门吊进行吊装。
每榀支撑安装时,用2台100t千斤顶对挡土结构施加预应力,千斤顶本身必须附有压力表,使用前需在试验室进行标定,千斤顶施加顶力达到设计值后,塞紧铸铁楔块,回收千斤顶后,观察轴力计,若轴力损失过大,补充轴力后再次观察,直到轴力达到设计要求后才能拆除千斤顶。
安装时,钢支撑斜支座、钢支撑端头、千斤顶各轴线要在同一平面上,为确保平直,钢支撑上法兰螺栓应采用对角和分等分顺序扳紧。
钢支撑在吊装过程中,应尽可能放到较平坦的位置,不得有冲击现象出现。
2.钢支撑安装的容许偏差应符合以下规定:支撑中心标高及同层支撑顶面的标高差:±30mm;支撑两端的标高差:不大于20mm及支撑长度的1/600;支撑挠曲度:不大于支撑长度的1/1000;支撑水平轴线偏差:不大于30mm。
安全交底书交底单位名称:XX期工程土建XX标项目经理部编号:工程部—JSJDS—20130228 第1页共页(2)插入管片起吊销时,销子和管片起吊金属件之间有夹住手指的危险,故操作人员请明确信号、确认操作人员的安全后再操作。
3、管片拼装的注意事项:(1)管片上部组装过程中,落下吊销会使下面的工作人员负伤,故作业时,请勿进入下边。
(2)管片的定位作业时,与管片之间有夹住手足的危险,请确认作业者的安全后,操作拼装机。
(3)为了拼装管片,推进油缸要进行伸缩动作,不注意来到推进油缸和管片之间,会夹住作业者的手足。
拼装机和推进油缸的操作者,请明确信号,确认作业者的安全。
4、电瓶车安全操作规程:(1)电瓶车司机必须经过培训、考试合格后持证上岗。
(2)工作前检查制动器、喇叭(警铃)、灯光、电瓶电压、电流,有异常时,应予修理或更换。
禁止机况不正常时强行作业。
(3)平板车与前后连接应安全、可靠,除了有正规的连接销,下部有螺帽外,还必须装链条作保险连接。
(4)电瓶车在运输管片时,应将管片重心摆在平板车的中心,并用木垫块将管片垫实,防止运送过程中因摇晃而侧翻。
(5)电瓶车车头前必须设置黄色闪光警示灯和警铃。
开车前应打开警灯和鸣警铃,引起电瓶车前后方人员的注意。
(6)电瓶车必须限速,最大速度不得超过10Km/h,接近岔道前限速至3Km/h,下坡时要带制动,在靠近工作面100m距离限速5Km/h,并打铃警示,减速慢行。
(7)司机不准擅自离岗,运行中,司机要集中精力,头、手严禁伸出窗外,要随时观察线路情况和洞内排架或其他设施杂物等到有无侵界;电瓶车上不准搭乘非工作人员,拖挂的车上禁止搭载人员。
(8)交会时,空车让重车,不准抢行。
(9)司机离开电瓶车,必须将电瓶车制动,切断电流;必要时,用铁楔楔紧车轮。
电瓶车的扳手(开关)由司机自己保管,下班时不得遗留在车上,并做好上下交接班的工作。
(10)、建立轨道和轨枕的检查维修制度,经常检查电瓶车的轨枕和轨道,发现异常,及时调整轨距、轨枕,防止发生出轨、翻车事故。
中建隧道建设有限公司安全技术交底1、工程概况和施工参数本区间左线长2319.621m;设定出洞前100m为盾构接收段,接收段平面为直线,线路纵坡度为22‰上坡。
接收段洞身地层:2-5-3中砂,3-4-1粉质黏土。
接收段隧顶埋深约21.1~19.7m,地下水稳定水位埋深介于11.2~12.2m之间。
地下水流速V平均值为0.394m/d。
2、工程数量本次交底范围为区间左线盾构到达接收,计量方式按照合同约定的盾构接收清单项计量,工程数量按实际接收台次计。
3、工序及工艺盾构出洞工作包括盾构机定位及接收洞门位置复核测量、地层加固、洞门处理、安装洞门圈密封设备、安装接收基座等,盾构出洞施工流程如下图所示。
盾构出洞施工流程图3.1 出洞前联系测量(1)盾构机姿态人工复核测量盾构掘进前,测量组需测量盾构机姿态,并对姿态进行校正。
现贯通前的全站仪托架已安装完毕,如果出洞期间出现长时间停机,需重新测量托架高程和最前10环的管片高程,结合以前的托架和管片资料,确定托架是否变化和管片是否上浮或下沉,并结合吊出井洞门中心坐标及底板高程,确定盾构机贯通姿态。
(2)到达洞门复核测量复测吊出井的底板高程,在贯通前二十环必需完成对洞门的测量,确定洞门中心坐标。
实测洞门钢环偏差情况为:水平+30,垂直-30;盾构机出洞水平和垂直姿态控制目标为(+15,-15)。
3.2水平探孔盾构到达施工前应沿洞门圈内加固体范围内打9个水平探孔,水平探孔深2m,孔深进入端头加固体,检查土体及出水量大小,必要时在加固区内进行高压水平注浆或地面注浆加固,确保盾构进洞过程中的工程安全。
探孔过程中如出现涌水、涌砂应立即用木楔子和棉球进行封堵,如流水、流沙量大,应注双液浆进行堵水。
探孔布设图3.3 盾构机托架与洞门帘板安装(1)盾构机托架的安装接收基座的中心轴线应与隧道设计轴线一致,同时还需要兼顾盾构机到达姿态。
接收基座的轨面标高除适应于线路情况外,适当降低20mm,以便盾构机顺利上托架。
技术交底记录表编号:DCJ010项目名称西安地铁6号线TJSG-5标韦斗路站~西部大道站区间交底类别盾构吊出井钢支撑、钢围檩安装及拆除施工技术交底主持人交底人交底时间2016.08.18交底地点交底内容摘要1、钢支撑、钢围檩安装及拆除施工工程特点、重点、难点,施工工艺流程(包括放线、材料吊装、钢支撑及钢围檩安装、钢支撑拆除等)。
2、钢支撑、钢围檩安装及拆除施工中质量、安全及环保措施。
书面资料附件附件:《盾构吊出井钢支撑、钢围檩安装及拆除施工技术交底》记录人记录时间 2016年08月18日附件:盾构吊出井钢支撑、钢围檩安装及拆除施工技术交底1.工程概况1.1工程环境西安地铁6号线工程韦斗路站位于西太路与韦斗路十字沿西太路路中南北向跨路口设置,韦斗路站~西部大道站区间位于韦斗路站往后沿西太路呈南北向全地下布置,在西太路与西部大道路口设置西部大道站。
西太路在本段道路红线宽72m,现状西太路道路周边场地宽阔,西侧为退红线较远的陕西航空电气有限责任公司、西安出口加工区、东侧为西安高新区公共租赁住房发展有限责任公司已建成和在建居住区。
韦~西区间主线隧道采用盾构法施工,在YCK16+723、YCK16+800穿越f①、f①’地裂缝,采用浅埋暗挖法施工,地裂缝暗挖段设置盾构吊出井(中心里程ZDK+662.000处)。
1.2设计概况韦斗路站~西部大道站区间盾构吊出井,为两层两跨箱型框架结构,采用明挖顺筑法施工。
主体基坑平面尺寸约23.6×14.9m,基坑深度约为18.5m,顶板覆土约为3.2m。
主体基坑支撑系统由冠梁、钢支撑、钢围檩等组成。
冠梁采用尺寸1200×800mm、C35混凝土浇筑,钢支撑采用直径609mm,壁厚14(16)mm的Q235钢管,钢围檩为2工45C组合钢腰梁,钢管支撑之间用法兰盘、螺栓连接。
主体基坑竖向设置三道支撑,第一道支撑架设在冠梁上,采用壁厚14mm钢管,其余2道支撑架设在钢围檩上,采用16mm钢管,钢围檩通过三脚架用膨胀螺栓固定在围护桩上。
一、交底目的为确保盾构接收作业的安全,提高施工效率,降低事故风险,特制定本安全技术交底,对盾构接收作业过程中的安全注意事项进行详细说明。
二、适用范围本交底适用于所有盾构接收作业,包括但不限于隧道工程、地铁工程、市政工程等。
三、交底内容1. 作业人员要求- 所有参与盾构接收作业的人员必须经过专业培训,具备相应的操作技能和安全意识。
- 作业人员必须熟悉盾构接收作业流程和安全操作规程。
- 作业人员必须穿戴好个人防护用品,包括安全帽、工作服、防护眼镜、防尘口罩、防滑鞋等。
2. 作业前准备- 确保盾构接收井端头加固区的整体稳定性和止水效果,避免因地层变形或渗漏导致安全事故。
- 检查盾构接收设备,确保其处于良好状态,包括盾构机、接收基座、切割设备、密封装置等。
- 检查洞门混凝土,确保其强度和完整性,避免在切割过程中发生意外。
3. 安全操作规程- 采用陀螺仪定向投点孔进行贯通测量,确保盾构接收精度。
- 采用水钻绳锯切割方式破除洞门混凝土,严格控制切割速度和深度,防止切割过深或过浅。
- 洞门钢环安装双道钢丝刷作为接收洞门密封,防止盾构出洞时发生涌水涌砂现象。
- 盾构接收过程中,密切监控隧道内外的环境变化,如水位、地质情况等,及时调整施工方案。
- 控制台操作工在启动前必须与拼装手、注浆人员、电瓶车司机等有关人员联系,确认安全后方可操作。
4. 应急措施- 制定详细的应急预案,包括火灾、泄漏、机械故障等突发情况的处理措施。
- 配备必要的应急物资,如灭火器、急救包、堵漏材料等。
- 作业人员必须熟悉应急预案,并能在紧急情况下迅速采取行动。
5. 施工记录- 对盾构接收作业过程中的关键环节进行详细记录,包括时间、地点、操作人员、设备状态等。
- 定期对施工记录进行整理和分析,总结经验教训,不断提高施工安全管理水平。
四、交底责任1. 项目部负责组织安全技术交底,确保作业人员充分了解和掌握安全操作规程。
2. 作业人员必须认真听取交底内容,并确保在实际操作中严格执行。
技 术 交 底 记 录ZT20CX11-01 年 月 日 工程名称 GDK38+359~ GDK38+505明挖段兼盾构始发井交底地点 交底组织单位 中铁二十局莞惠城际轨道交通GZH-6标二分部交底负责人 施工单位 接收负责人技术交底内容: 钢支撑施工技术交底1、钢支撑的制作与安装1.1 基坑支撑系统的布臵盾构始发井基坑内支撑采用一道混凝土支撑及三道钢支撑;明挖段采用一道混凝土支撑及三道钢支撑,第一、二、三道钢支撑均采用Φ600mm ,t =16mm 钢管支撑。
1.2 钢支撑安装工艺流程钢支撑安装工艺流程见图1.2-1。
图1.2-1 钢支撑安装流程图测量放线围护结构墙面、桩面修凿找平支撑安装施加支撑预应力施工结束拆除钢支撑结构施工预拼检查锚固钢围檩1.3钢支撑架立1.3.1盾构始发井及明挖段主体基坑支撑系统由钢支撑、钢围檩(I45工字钢)等组成。
1.3.2钢支撑均支顶在钢围檩上。
钢围檩安装三角托架、花篮螺丝上部固定角钢,以M20膨胀螺栓紧固。
1.3.3随着基坑开挖的加深,用墨线弹出支撑中心标高线。
1.3.4根据已知里程,在钻孔桩与地连墙上精确定出支撑中心位臵,量出两支撑点的实际长度。
根据实际长度下料和拼装钢管。
每根钢支撑一端为固定端,另一端为活动端。
钢支撑架设前先在维护结构上安装钢围檩。
1.3.5钢支撑预先在地面上预拼到设计长度,每根总长度(活动段缩进时)比围护结构净距小10~30cm,支撑起吊后两端由人工牵引,以维持支撑的基本稳定。
1.3.6钢支撑吊装就位后,先不松开吊钩,将活络端拉出顶住钢围檩(,再将2台100t 液压千斤顶放入活动端顶压位臵。
为方便施工并保持顶力一致,2台千斤顶制作专用托架固定为一整体,将其骑放在活动端上,接通油管后即可施加预应力。
预应力施加到位后,在活络端中楔紧楔块,然后回油松开千斤顶,解开起吊钢丝绳,即完成整根支撑的安装。
1.3.7为使钻孔桩、地连墙、钢围檩、支撑结合紧密,并有效减少基坑外地层之沉陷及减少围护结构墙体的向内的位移,支撑安设好后,必须施加向外的预加轴力。
技术交底记录DK51+339盾构井钢支撑施工技术交底一、工程概况东莞至惠州城际轨道交通项目GZH-7标位于东莞市常平镇,盾构井位于常平镇霞坑村,由盾构始发井和后配套井两部分组成, 盾构井施工里程为DK51+339至DK51+434,全长97.2米。
始发井宽32.6m,后配套井宽26.309m。
盾构井围护结构为1m厚地下连续墙,墙长26.714~28.714米,基坑开挖深度为20.214~22.214米。
二、支撑体系盾构始发井基坑内竖向设置2道混凝土撑与混凝土圈梁+2道钢支撑+2道钢管倒撑;后配套段基坑内竖向设置1道混凝土支撑+3道钢支撑+1道倒撑。
盾构井端第一道采用2500×1200mm的混凝土圈梁,混凝土支撑采用1200×2000mm,第二道采用2000×1200mm的混凝土圈梁,混凝土支撑采用1200×2000mm的支撑,盾构井后配套端第一道1000×1200mm混凝土圈梁,混凝土支撑采用600×1200mm,其余均采用φ600mm,t=16mm钢管支撑。
钢管支撑设有中间临时支撑柱(梁),临时支撑柱(梁)采用钢结构,其下设桩基础(临时立柱桩)。
地下连续墙在使用期间通过压顶梁(墙顶冠梁)参与车站抗浮,具体布置尺寸详见附图。
三、钢管支撑制作、拼装3.1钢支撑部分在现场进行加工,部分采用租赁形式钢支撑,其加工需满足钢结构以及焊接施工工艺规范。
3.2每根钢支撑长度根据基坑宽度确定,钢支撑标准管按6m/节加工、拼装,分别为固定端、活动端、标准管。
3.3钢支撑在进场前及循环使用时,必须专人进行检查钢支撑的质量,对于变形及局部残缺的需经修整至合格后方可使用。
3.4钢支撑堆放在规定场地内,按其类型分类、分层堆放整齐,高度不超过4层,底部用方木支垫。
3.5钢支撑在架设前先根据现场实际支撑长度进行拼装,根据基坑宽度将活动端、固定端、各段标准管节配好,运至基坑边吊车旁,吊车辅助拼装成整体(局部钢支撑分两节在基坑开挖面上拼装)。
盾构始发、掘进及接收安全技术交底一、危险源辨识盾构始发、掘进及接收施工危险因素辨识及控制要点如下:危险因素辨识及控制措施二、一般安全要求及控制措施1、采用敞开式盾构掘进,土层中有水时,必须采取降水等控制措施。
2、设备的电气接线与拆卸必须由电工操作,使用前应由电工检查,确认合格。
3、穿越铁路、轨道交通、房屋等建(构)筑物时,应采取防护措施,并经管理单位同意方可施工。
4、盾构施工中,渗漏、遗洒的液压油和各种浆液等应及时处理,保持作业环境清洁,且不得堵塞排污管道和污染地下水。
5、盾构进出竖井前应对隧道洞口的土体进行加固,并完成封门施工;土体加固范围应根据地质条件和隧道埋深确定,且长度不得小于盾构长度,宽度不得小于盾构两侧外各2m。
6、盾构及其部件在吊运中应加强保护,不得损坏和变形;盾构设备在现场总装调试合格并形成文件后,应试掘进50m~l00m,待确认正常后,方可正式投入使用;盾构在使用中应定期检查、维修和保养。
7、盾构在保养和维修中严禁自行更换、改装原有配件,配件有损坏时应采用原生产企业提供的备用件或经设计部门、上级主管部门批准使用的加工件,盾构的保养和维修必须在完全停机,并采取安全技术措施情况下进行。
8、施工过程中,必须按监控量测方案的规定,布设监测点,设专人对下列情况进行观察量测并记录,随时分析,确认正常:1)成洞管片隆陷、裂缝和变形。
2)影响区内地面和地下管线等构筑物隆陷。
3)影响区内地上建筑物的隆陷、位移、裂缝、倾斜等。
9、采用盾构机掘进应符合下列要求:1)每一循环进尺长度,应满足安装一环管片的要求。
2)盾构机操作工,必须按照机械使用说明书的规定程序操作。
3)使用泥水平衡盾构机时,应设泥水分离装置和排水设施,不得泥水漫流。
4)掘进过程中,应随时观察密封舱压力,并保持压力稳定,且不得大于控制压力。
5)掘进中应随时观测盾构机切削功率变化情况,并进行控制,保持切削功率稳定,且不得大于额定功率。
6)盾构机运行中,出现故障必须立即报告项目经理部主管领导研究处理。
一、交底对象(姓名)同志:二、交底时间(年月日时分)三、交底内容为确保盾构机施工过程中的安全,现将盾构机安全技术交底如下:1. 盾构机概述盾构机是一种用于地下隧道、管道等工程的大型机械设备,具有掘进速度快、施工质量高、环境影响小等特点。
但在施工过程中,也存在一定的安全隐患,因此必须严格遵守安全技术操作规程。
2. 安全操作规程(1)操作人员要求:操作人员必须经过专业培训,取得相关操作证书,熟悉盾构机的结构、性能及操作规程。
(2)设备检查:每日开工前,必须对盾构机进行全面检查,确保设备状态良好,无安全隐患。
(3)操作步骤:操作人员应严格按照操作规程进行操作,确保每一步骤的正确执行。
(4)紧急情况处理:在施工过程中,如遇紧急情况,应立即采取应急措施,确保人员和设备安全。
3. 常见安全隐患及预防措施(1)机械伤害:操作人员应佩戴好安全帽、防护眼镜等个人防护用品,避免机械伤害。
(2)电气伤害:设备操作人员应严格遵守电气安全操作规程,防止电气伤害。
(3)高处坠落:在高处作业时,必须使用安全带,并设置安全防护设施。
(4)中毒窒息:在有限空间作业时,必须采取通风、检测等措施,防止中毒窒息。
4. 应急措施(1)火灾:发现火灾时,立即报警,并采取灭火措施,确保人员安全。
(2)触电:发现触电事故时,立即切断电源,并采取急救措施。
(3)机械伤害:发生机械伤害时,立即停止作业,并采取相应的急救措施。
5. 培训要求(1)操作人员:必须参加盾构机操作培训,熟练掌握操作技能和安全知识。
(2)管理人员:必须参加盾构机安全管理培训,提高安全管理水平。
四、交底人(姓名)五、接受交底人签字(姓名)六、注意事项1. 本安全技术交底内容仅供参考,具体操作需根据实际情况进行调整。
2. 施工过程中,如发现安全隐患,应立即上报,并采取措施予以消除。
3. 本安全技术交底自发布之日起生效,如有变更,以最新版本为准。
七、结语为确保盾构机施工安全,请各位操作人员认真阅读本安全技术交底,严格遵守操作规程,提高安全意识,共同营造安全、和谐的施工环境。