道路工程检验批质量验收记录文本
- 格式:doc
- 大小:2.31 MB
- 文档页数:88
土方填方路基(路床)检验批质量验收记录范本一:正式风格【文档标题】土方填方路基(路床)检验批质量验收记录【1、引言】本次土方填方路基(路床)检验批质量验收记录,旨在对工程施工过程中土方填方路基(路床)的质量进行验收,确保工程质量达到要求。
【2、验收对象】2.1 工程名称:xxxx2.2 工程位置:xxxx2.3 施工单位:xxxx2.4 监理单位:xxxx【3、检验依据】3.1 《土方工程施工规范》(GB 50029-2019)3.2 《路基与路面工程质量验收规范》(JTG D20-2017)3.3 相关设计文件和规范要求【4、检验内容】4.1 现场勘察和见证4.2 原材料验收4.3 填方土质检验4.4 压实度检查4.5 路基平整度检查4.6 路基坡度检查【5、检验方法】5.1 现场勘察和见证:由监理工程师进行现场勘察和见证,确认施工过程符合设计要求。
5.2 原材料验收:按照规范要求对填方土进行取样,进行化验分析,确保原材料质量符合设计要求。
5.3 填方土质检验:采用现场取样测试、实验室试验等方法,对填方土质进行检验,包括土壤颜色、土壤含水量等指标。
5.4 压实度检查:通过现场动力触探、静力触探等方法,对路基进行压实度检查。
5.5 路基平整度检查:使用平整仪或光纤激光器等工具,对路基平整度进行测量。
5.6 路基坡度检查:使用水平仪、经纬仪等工具,对路基坡度进行测量。
【6、检验结果】根据以上检验方法,对土方填方路基进行检验,结果如下:6.1 原材料验收合格,填方土质符合设计要求。
6.2 压实度达到设计要求。
6.3 路基平整度符合设计要求。
6.4 路基坡度满足设计要求。
【7、质量验收结论】根据上述检验结果,土方填方路基(路床)质量验收合格,符合设计和规范要求。
【8、附件】本文档涉及附件:xxxx(附件名称),详见附件。
【9、法律名词及注释】9.1 土方工程施工规范:国家关于土方工程施工的技术规范,指导土方填方路基(路床)的施工质量要求。
沥青路面检验批质量验收记录沥青路面是指使用沥青作为粘结材料来砂浆混凝土与基层之间的粘结材料的一种道路。
沥青路面的检验批质量验收记录是指在沥青路面施工过程中,对质量检验批的验收情况进行记录的文件。
其目的是保证沥青路面施工质量的合格性,以及对施工过程中的质量问题进行追踪和记录,确保施工质量的可控性。
一、工程基本信息项目名称:项目地址:检验批号:二、施工过程记录1.施工时间:2.施工人员情况:3.施工设备情况:4.施工环境条件:三、材料验收记录1.沥青材料:(1)验收标准:(2)完好情况:(3)存放情况:2.石料材料:(1)验收标准:(2)完好情况:(3)存放情况:四、沥青路面施工记录1.基层处理:(1)基层材料验收情况:(2)基层处理工艺:2.沥青混凝土拌合物:(1)配合比设计:(2)拌合物成分验收情况:3.沥青路面施工过程:(1)铺设方法:(2)摊铺厚度:(3)摊铺速度:(4)摊铺质量控制:4.沥青路面压实:(1)压实设备:(2)压实方法:(3)压实厚度:五、沥青路面检验记录1.材料试验:(1)沥青试验:(2)石料试验:2.施工工艺检验:(1)摊铺厚度和压实质量:(2)沥青路面质量评定:3.施工质量记录和问题整改:(1)施工质量记录:(2)问题整改情况:六、总结与评价1.施工过程记录总结:2.沥青路面施工质量评价:3.改进措施建议:以上是沥青路面检验批质量验收记录的一个大致范本,根据具体工程情况,可对其中的细节进行适当调整和补充。
同时,还要注意将实际的施工过程和质量情况进行客观、准确的记录,以便对工程质量进行评估和改进。
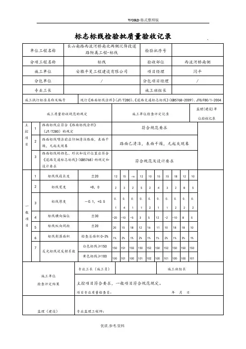
标志标线检验批质量验收记录`单位工程名称长山南路西流河桥南北两侧沉降段道路附属工程-标线检验批序号分项工程名称标线验收部位西流河桥南侧施工单位安徽平昊工程建设有限公司项目经理闫平分包单位/ 分包项目经理/专业工长施工班组长施工执行标准名称及编号现行《路面标线涂料》(JT/T280)、《道路交通标志标线》(GB5768-2009)、JTG F80/1-2004 施工质量验收规范的规定施工单位检查评定记录监理(建设)单位验收记录主控项目1路面标线应符合《路面标线涂料》(JT/T280)的规定符合规范要求2路面标线喷涂前应仔细清洁路面,表面干燥,无起灰现象路面已清洁,表面干燥,无起灰现象3路面标线的颜色、形状和设计位置应符合《道路交通标志标线》(GB5768)的规定和设计要求符合规范及设计要求一般项目1 标线线段长度±20 12 15 -1812 10 15 15 18 12 102 标线宽度+8,0 23 2 5 24 3 2 8 53 标线厚度-0.1,+0.50.10.40.10.10.20.10.10.20.20.24 标线横向偏位±30 -20 -10 -5 3 5 12 -2 -10 8 55 标线纵向间距±20 20 15 18 12 16 11 10 18 18 106 标线剥落面积检查总面积0-3% 1% 2% 1% 2% 1% 1% 2% 1% 3% 1%7反光标线逆反射系数白色标线≥150150 151 155 150 152 150 152 150 150 150黄色标线≥100100 101 100 101 102 100 101 100 100 101施工单位检查评定结果专业工长(施工员)施工班组长主控项目符合要求,一般项目符合规范规定。
项目专业质量检查员:年月日监理(建设)专业监理工程师:单位验收结论(建设单位项目专业技术负责人):年月日标志标线检验批质量验收记录` 单位工程名称长山南路西流河桥南北两侧沉降段道路附属工程-标线检验批序号分项工程名称标线验收部位西流河桥北侧施工单位安徽平昊工程建设有限公司项目经理闫平分包单位/ 分包项目经理/专业工长施工班组长施工执行标准名称及编号现行《路面标线涂料》(JT/T280)、《道路交通标志标线》(GB5768-2009)、JTG F80/1-2004 施工质量验收规范的规定施工单位检查评定记录监理(建设)单位验收记录主控项目1路面标线应符合《路面标线涂料》(JT/T280)的规定符合规范要求2路面标线喷涂前应仔细清洁路面,表面干燥,无起灰现象路面已清洁,表面干燥,无起灰现象3路面标线的颜色、形状和设计位置应符合《道路交通标志标线》(GB5768)的规定和设计要求符合规范及设计要求一般项目1 标线线段长度±20 11 12 -1312 -1514 18 16 12 -162 标线宽度+8,0 6 4 5 5 2 5 6 2 8 43 标线厚度-0.1,+0.50.10.40.10.30.20.10.10.20.40.14 标线横向偏位±30 -20 -16 -56 8 10 -2 -15 8 -85 标线纵向间距±20 15 16 16 12 -9 11 10 12 18 -86 标线剥落面积检查总面积0-3% 3% 2% 1% 2% 3% 1% 2% 0.5% 1% 1%7反光标线逆反射系数白色标线≥150155 151 155 150 152 150 152 150 150 155黄色标线≥100110 101 100 101 102 100 101 100 105 101施工单位检查评定结果专业工长(施工员)施工班组长主控项目符合要求,一般项目符合规范规定。
路基面检验批质量验收记录项目名称:XXX公路改建工程项目编号:XXXXXX工程概况:本项目为改建公路工程,施工单位为XXX公司,总工期预计为X个月,总投资金额为XXXX万元。
质量验收记录旨在对路基面施工进行质量检验,并记录施工过程中的合格情况,以确保工程质量符合相关规范和标准。
施工日期:XXXX年XX月XX日至XXXX年XX月XX日施工地点:XXX公路改建工程1.施工单位:XXX公司2.监理单位:XXX公司3.检验单位:XXX检验中心二、施工工艺及技术要求1.施工工艺:XXX(详细描述施工过程中采用的工艺和方法)2.施工技术要求:(详细描述施工过程中需要满足的技术要求)三、施工材料验收记录1.挖填方工程:(描述工程质量验收记录情况,包括挖方、填方、夯实等环节的验收情况)2.地基处理工程:(描述工程质量验收记录情况,包括处理工艺、施工方法等的验收情况)3.基层处理工程:(描述工程质量验收记录情况,包括层厚、强度、平整度等的验收情况)4.压实工程:(描述工程质量验收记录情况,包括夯实层数、压实度等的验收情况)5.其他工程:(描述非上述工程的质量验收情况,如排水工程、合拢接头等)五、质量验收结论经过路基面工程的质量验收,根据相关规范和标准,结论如下:(根据不同工程的验收情况,给出满足规范要求的验收结论)六、存在问题及整改意见1.问题描述:(描述工程中出现的问题,如质量不达标、工艺不符合规范等)2.整改意见:(针对存在的问题给出整改意见,如重新施工、加强工艺管理等)七、质量验收人员签字1.施工单位:(施工单位人员签字)2.监理单位:(监理单位人员签字)3.检验单位:(检验单位人员签字)以上为路基面检验批质量验收记录,记录了XXX公路改建工程施工过程中的技术要求、施工材料的验收情况、各施工工艺环节的验收情况、质量验收结论以及存在问题和整改意见。
通过本次质量验收,可确保工程质量符合相关规范和标准,提升工程的质量水平。
道路清表检验批质量验收记录摘要:一、引言二、道路清表检验批质量验收记录的定义和作用三、道路清表检验批质量验收记录的内容四、道路清表检验批质量验收记录的填写要求和注意事项五、总结正文:一、引言道路清表检验批质量验收记录是道路施工过程中的一项重要文件,用于记录施工过程中各个检验批的质量验收情况,为道路工程的质量管理提供依据。
本文将对道路清表检验批质量验收记录进行详细介绍。
二、道路清表检验批质量验收记录的定义和作用道路清表检验批质量验收记录,简称验收记录,是在道路工程施工过程中,对已完成的道路清表检验批进行质量验收的记录。
它详细记录了检验批的质量验收结果,包括检验批的工程量、验收标准、验收方法、验收结果等,是施工质量管理的依据,也是工程竣工验收、质量保证的重要资料。
三、道路清表检验批质量验收记录的内容验收记录主要包括以下内容:1.工程名称、工程地点、工程部位、施工单位、监理单位等基本信息。
2.检验批的工程量,包括清表面积、厚度等。
3.验收标准,包括国家相关标准、设计要求、施工方案等。
4.验收方法,包括抽样检验、全数检验等。
5.验收结果,包括合格、不合格的项目及数量,检验批的质量等级等。
四、道路清表检验批质量验收记录的填写要求和注意事项1.验收记录应由施工单位和监理单位共同填写,双方签字盖章。
2.验收记录应真实、完整、准确,不得涂改、伪造。
3.验收记录应随工程进度及时填写,不得滞后。
4.验收记录应与工程实际相符,如发现不符,应及时纠正。
五、总结道路清表检验批质量验收记录是道路工程施工质量的重要管理手段,对保证工程质量具有重要意义。
道路施工工程检验批质量验收记录一、项目基本信息项目名称: [请在这里填写项目名称]施工单位: [请在这里填写施工单位]监理单位: [请在这里填写监理单位]验收日期: [请在这里填写验收日期]编制人: [请在这里填写编制人]二、检验批情况检验批编号: [请在这里填写检验批编号]施工内容: [请在这里填写施工内容]三、施工质量情况1. 施工工序[请在这里填写施工工序,如:压实土方、铺设沥青混凝土等]a)施工细则[请在这里填写施工细则,如:按照设计要求压实土方,每层厚度不超过30厘米,采用振动压路机进行压实等]b)进度完成情况[请在这里填写进度完成情况,如:已完成15%,按计划进度进行施工等]c)质量验收情况[请在这里填写质量验收情况,如:经过检测,土方密实度符合规范要求,未出现空洞、松散等问题]2. 施工材料[请在这里填写施工材料,如:沥青、石子、水泥等]a)材料名称[请在这里填写材料名称,如:沥青]b)供货单位[请在这里填写供货单位名称]c)材料验收情况[请在这里填写材料验收情况,如:经过检测,沥青质量符合规范要求,未发现杂质等问题]四、问题及处理情况1. 存在的问题[请在这里填写存在的问题,如:施工细则不符合设计要求、部分材料不符合规范等]2. 处理措施[请在这里填写处理措施,如:对施工细则进行调整,更换不符合规范的材料等]3. 结果评定[请在这里填写结果评定,如:经过处理后,问题得到解决,达到了设计要求和规范要求]五、结论根据以上的检验批情况、施工质量情况和问题处理情况,结论如下:[请在这里填写结论,如:根据验收结果,该检验批的施工质量符合要求,可以进行下一步施工]编制人签名: [请在这里填写编制人签名]日期: [请在这里填写日期]。
广场园路工程检验批质量检验记录1. 引言广场园路工程检验批质量检验记录是对广场园路工程建设过程中进行的检验批质量检验活动的记录。
该记录旨在准确记录检验批的质量检验情况,为工程质量的控制和验收提供依据。
2. 检验批信息项目名称:广场园路工程检验批名称:xxxxx检验批编号:xxxxx检验批日期:xxxxx3. 检验人员主持人:xxxxx检验员:xxxxx监理工程师:xxxxx4. 检验内容4.1.1 路面平整度检验在本次检验中,对广场园路的路面平整度进行了检验。
检验方法包括使用平整度检测仪器采集数据,并进行分析和评估。
结果显示,广场园路的路面平整度达到了设计要求,没有出现明显的凹凸不平情况。
4.1.2 道路边沟检验在检验中,对广场园路的道路边沟进行了检验。
检验包括检查边沟的深度、宽度和边沟材料的质量等方面。
检验结果显示,广场园路的道路边沟满足设计要求,深度、宽度和材料质量均符合相关标准。
4.1.3 设备安装质量检验本次检验还对广场园路的设备安装质量进行了检验。
检验内容包括设备的固定、接线、安全性等方面。
经检验,广场园路的设备安装质量良好,没有发现明显的安装不合格问题。
4.2 材料质量检验本次检验对广场园路中使用的沥青进行了质量检验。
检验包括沥青的温度、密度、黏度等指标的检测。
检验结果显示,广场园路使用的沥青质量优良,符合相关标准要求。
4.2.2 水泥质量检验在本次检验中,对广场园路中使用的水泥进行了质量检验。
检验内容包括水泥的强度、含水率、细度等指标的检测。
经过检验,广场园路使用的水泥质量良好,各项指标均达到了设计要求。
5. 检验结果根据上述检验内容及方法,广场园路工程检验批质量检验的各项指标均符合设计要求和相关标准,并未发现明显的质量缺陷或不合格项。
工程质量得到有效控制,并可进入下一阶段的验收程序。
6. 结论广场园路工程检验批的质量检验结果表明,该工程的施工质量和材料质量均符合设计要求和相关标准,建设单位和施工方在工程质量控制方面做出了较大的努力。
路基2工程检验批质量验收记录项目名称:XXX公路路基工程2段工程编号:XXX-2024-002项目施工单位:XXX建设有限公司建设单位:XXX交通局监理单位:XXX工程监理有限公司记录时间:2024年5月10日一、工程概况本次工程为XXX公路路基工程2段,工程总长度XXX公里,起点位于XXX,终点位于XXX。
工程内容包括路基填筑、路面铺设、边坡整治等。
施工单位是经过资质审查的正规建设公司,具备丰富的工程经验和技术力量,并按照相关规定组建了施工队伍。
监理单位是经过评标确定的专业工程监理公司,具备相应的资质和经验。
二、检验批质量验收情况本次检验批质量验收范围为路基填筑工程,具体检验内容包括土质试验、填土质量、平整度等。
1.土质试验根据《公路工程施工质量检验规范》及相关标准,对本工程填土的土质进行了试验,并按照试验结果进行填土层次和质量要求的确定。
试验结果显示填土层土质符合设计要求,在密实性、含水率等方面满足要求。
填土层次合理,填土质量良好。
2.填土质量对现场进行了填土质量的抽检。
抽取的土样经实验室测定后,符合设计要求,填土质量良好。
3.平整度对填土后的路基进行了平整度检测。
平整度检测结果显示,路基的平整度在设计范围内,满足施工质量要求。
具体平整度数据记录如下:位置平整度(mm)A段5.2B段4.8C段6.04.其他问题填土过程中没有发现明显的问题,施工单位按照规范要求进行了填土层次的控制和质量的保证。
三、验收结论经过检验批质量验收,路基2工程填土工程质量符合设计要求和相关规范要求,能够满足实际使用需要。
施工单位在工程施工过程中,按照规范要求进行了填土层次的控制和质量的保证。
监理单位对施工单位的施工质量进行了监督,保障了工程的质量。
因此,路基2工程填土工程通过质量验收。
四、问题整改在本次质量验收过程中,没有发现质量问题和不合格项。
施工单位和监理单位应继续加强工程质量监督,及时发现并处理工程质量问题。
五、附图六、其他本次质量验收记录应作为后续工程施工的参考和验收依据,施工单位和监理单位应妥善保管,并根据需要向建设单位提交。
路基检验批质量验收记录第一篇:路基检验批质量验收记录一、背景介绍路基工程是公路建设的重要环节,为保证公路的安全和可靠性,对路基的质量进行检验和验收是必不可少的。
本旨在记录路基检验批质量验收的过程和结果,确保路基质量符合相关要求。
二、验收依据及检验项目根据相关法律法规和规范标准,路基的质量验收依据于以下方面:1. 道路工程技术规范2. 设计图纸和技术要求3. 相关单位的验收标准和要求本次路基工程的验收项目包括但不限于:1. 路基填筑材料的检验2. 路基土工性质的测试3. 路基坡度和平整度的检测4. 路基排水设施的验收5. 路基基础的稳定性和承载力的检验三、检验过程和记录3.1 路基填筑材料的检验路基填筑材料的检验主要包括原材料的检验和成品的检验。
原材料的检验应包括材料的抽样和实验室测试,成品的检验要包括材料的抽样和现场鉴定。
原材料的检验结果如下:- 砂石:符合规范要求- 石头:符合规范要求- 水泥:符合规范要求成品的检验结果如下:- 填埋层:符合规范要求- 碾压层:符合规范要求3.2 路基土工性质的测试路基土的工程性质测试主要包括土壤的含水率、土壤的压实性等。
测试结果如下:- 含水率:10%- 压实性测试:符合规范要求3.3 路基坡度和平整度的检测对路基的坡度和平整度进行检测,测试结果如下: - 坡度:符合要求- 平整度:符合要求3.4 路基排水设施的验收验收路基的排水设施,包括路基的渗水性、雨水的排放等。
验收结果如下:- 渗水性:符合规范要求- 雨水排放:符合规范要求3.5 路基基础的稳定性和承载力的检验对路基基础的稳定性和承载力进行测试,结果如下: - 稳定性:符合规范要求- 承载力:符合规范要求四、验收结论和建议在对以上检验项目进行评价和分析的基础上,得出以下结论和建议:- 本次路基检验批质量验收通过,符合相关要求。
- 需要定期检测路基的稳定性和承载力,并做好记录。
附件:1. 路基工程设计图纸2. 路基填筑材料采购合同3. 路基土工性质测试报告4. 路基排水设施验收记录表法律名词及注释:无第二篇:路基检验批质量验收记录一、背景介绍路基工程是公路建设的关键环节,为确保公路的安全和质量,对路基进行质量检验和验收是必要的。
沥青路面工程检验批质量验收记录一、工程概况本次沥青路面工程位于XX市XX路XX段,工程总面积为XXX平方米,采用XXX厚度的沥青混凝土铺设,施工单位为XX建筑工程有限公司,监理单位为XX监理有限公司。
二、工程材料验收本次工程所使用的沥青材料及矿粉、石子等原材料均属合格材料,并且在施工现场进行了抽样检验。
检验结果符合相关标准要求,无质量问题。
三、施工过程验收1.基层处理:施工单位按照设计要求进行了基层清理和修补工作。
基层清理干净,无杂物和泥土;修补工作均匀细致,无明显凹凸。
2.沥青混凝土摊铺:施工单位在承包人的指导下,进行了沥青混凝土摊铺工作。
摊铺过程中,施工人员按照要求进行了摊铺厚度、坡度和纵横向边角的控制,并采取了适当的压实措施。
摊铺结果平整美观,厚度均匀一致。
3.路缘石安装:路缘石按照设计要求进行了安装,安装过程中保持了良好的水平和垂直度。
路缘石的固定牢固,与沥青路面无明显间隙。
4.油石铺装:按照图纸和施工规范进行了油石铺装工作。
油石铺装过程中,油层均匀、厚度适中,石子分布均匀,没有出现大面积的缺陷和堆积。
5.路面标线:在沥青路面完全干燥后,进行了路面标线的绘制。
标线绘制清晰、均匀,标线之间距离准确。
四、质量验收结果根据施工过程中的现场检验和验收情况,沥青路面工程达到了设计和施工要求,质量合格。
五、存在的问题及处理措施在施工过程中,存在以下几个问题:1.部分路缘石的颜色不符合设计要求,施工单位将重新更换符合要求的路缘石。
2.部分路面标线存在绘制不完整的问题,施工单位将重新进行标线工作,并加强质量监督。
六、工程质量保证措施施工单位将加强质量管控,确保工程质量符合要求。
监理单位将进行全程监督,并及时发现和处理施工中的问题,确保工程质量。
七、质量验收记录员:姓名:XXX职务:XXX日期:XXXX年X月X日八、监理单位意见:XXX监理有限公司对本次沥青路面工程的施工过程进行了全程监督,并对问题及时处理。
路基检验批质量验收记录
一、前言
路基工程是道路建设中重要的一环,其质量直接关系到道路使用的安全性和稳定性。
为了确保路基工程的质量,需要进行质量验收工作。
本文档旨在记录路基检验批质量验收的过程和结果,以便于追溯和总结经验。
以下是路基检验批质量验收记录的详细内容。
二、项目信息
项目名称:XXXX道路工程
项目地点:XXXX
验收日期:XXXX
三、验收人员
本次质量验收由以下相关人员参与:
1. 主持人:XXX(职务)
2. 验收人员:XXX(职务)、XXX(职务)、XXX(职务)
四、检验批信息
1. 检验批编号:XXX
2. 施工单位:XXX公司
3. 检验工程量:XXX(单位:XXX)
4. 检验标准:根据《XX道路工程技术规范》第X章X节的要求进行验收。
五、质量验收内容
本次质量验收主要包括对以下几个方面进行检查和评估:
1. 路基材料的质量:包括土壤、石方等材料的种类、质量和使用情况。
2. 路基的平整度:检查路基表面的平整程度,观察是否存在明显的凹凸不平或坡度过大等问题。
3. 路基的坚实度:通过对路基进行强度测试,评估其承载能力和稳定性。
4. 路基的排水情况:检查路基是否存在积水、渗水等问题,并评估排水设施的效果。
道路工程质量竣工验收记录一、项目概述道路工程质量竣工验收是在道路工程施工完成后,对道路工程质量进行全面评估和验收的过程。
本次竣工验收的道路工程位于XX地区,总面积为XXX平方米,工程包括XX公里道路、XX个路口等。
竣工验收的目的是确保道路工程符合设计要求,达到使用要求,并具有良好的安全性和耐久性。
二、验收指标1.设计合规性:验收人员首先要核实道路工程的施工图纸与设计规范是否一致,包括道路线型、标高、横断面形式、交叉口设计等。
同时还需核实各项特殊构造的设计是否合理、施工质量是否符合设计要求。
2.施工质量:验收人员要对道路工程的施工质量进行全面检查,包括道路基础、路面、排水系统、照明设施、交通标线等方面。
具体需要关注的问题有:-道路基础:是否符合设计的承载力要求,是否存在沉降、裂缝等问题;-路面:采用的材料是否符合标准,是否均匀铺设,是否存在凹凸不平、龟裂等问题;-排水系统:雨水是否能够畅通排放,是否设计合理;-照明设施:照明设备是否正常运行,照度是否符合标准;-交通标线:标线是否清晰,是否存在剥落、褪色等问题。
3.安全性:道路工程的安全性是验收的重点考核指标。
验收人员需要检查道路工程在安全性方面是否存在问题,包括交通设施设置是否合理、路面是否平整、雨天行车是否存在积水等。
根据国家相关标准和规范,对道路的安全性进行评估,确保道路符合安全使用的要求。
4.耐久性:道路工程的耐久性对于长期的使用至关重要。
验收人员需评估道路工程的耐久性,包括道路基础的抗沉降能力、路面的耐久性等方面。
通过对道路工程的材料质量、施工工艺等进行评估,判断道路工程能否满足使用寿命要求。
三、竣工验收过程1.准备工作:验收人员需要准备相关验收仪器设备,如测量仪器、检测设备等。
同时,要事先调查了解道路工程的施工情况和相关材料使用状况。
2.实地勘察:验收人员进行实地勘察,检查道路工程各项指标是否符合要求,包括施工质量、安全性和耐久性等方面。
道路施工工程检验批质量验收记录项目名称:道路施工工程项目地点:XXX地区施工单位:XXX公司监理单位:XXX公司质检单位:XXX公司施工日期:XXXX年X月X日-XXXX年X月X日验收日期:XXXX年X月X日一、工程概况该道路施工工程位于XXX地区,总工程面积XXXX平方米。
施工单位为XXX公司,监理单位为XXX公司。
施工开始日期为XXXX年X月X日,完成日期为XXXX年X月X日。
二、验收前准备工作1.质检单位对施工单位提交的所有相关施工资料进行了审查。
2.质检单位与施工单位、监理单位进行了施工工作的沟通,并协商确定了具体验收时间。
3.质检单位组织人员对施工现场进行了检查,并就施工工艺和材料使用情况进行了评估。
4.质检单位对施工单位提交的材料检验报告和试验数据进行了审核。
三、质量验收内容1.施工单位提交的质量验收资料清单:(1)施工图纸、设计文件(2)各种材料的质量合格证明及试验数据(3)工艺流程及工序报告(4)施工过程中发生的问题及解决方案2.施工方法和质量要求:(1)路面施工:包括基层处理、铺装和养护等。
(2)交通安全设施:包括标志、标线和交通控制设备的设置。
(3)雨污水管道施工:包括管道敷设、接口处理和检修孔的设置。
(4)边坡绿化:包括边坡处理、植被种植和养护等。
四、质量验收过程1.现场检查质检单位组织人员对施工工程现场进行了全面检查,包括施工质量、施工环境等。
检查发现:(1)路面施工质量:路面平整度、厚度、坡度等符合设计要求。
(2)交通安全设施:标志、标线和交通控制设备设置合理。
(3)雨污水管道施工:管道敷设牢固,接口处理完善。
(4)边坡绿化:边坡处理良好,植被种植健康。
2.材料检验质检单位对施工单位提供的材料进行了抽样检验,包括砂石、沥青、水泥等。
检验结果显示,材料符合相关标准要求。
3.施工质量评估根据施工单位提交的工艺流程和质量报告,质检单位对施工过程中可能存在的问题进行了评估,并要求施工单位提出解决方案。
道路标线检验批质量验收记录试一试:道路标线检验批质量验收记录1、前言本文档旨在记录道路标线检验批的质量验收过程,确保道路标线施工的质量符合相关标准和规范。
在施工完成后,施工单位应按照本文档的要求进行自检,并接受监理单位的抽检和验收。
2、施工单位基本信息施工单位名称:施工单位地址:施工单位联系人:联系方式:3、监理单位基本信息监理单位名称:监理单位地址:监理单位联系人:联系方式:4、验收前准备工作4.1 验收人员组成本次道路标线检验批的质量验收由以下人员组成:- 验收组组长:- 验收组成员:- 其他参与人员:4.2 准备的文件和资料- 道路标线施工图纸及设计说明;- 道路标线材料合格证明;- 道路标线施工验收记录;- 其他相关文件和资料。
5、质量验收检查内容验收组将对以下内容进行检查:5.1 道路标线的位置、线形和尺寸是否符合设计要求;5.2 道路标线的颜色是否符合规范要求;5.3 道路标线的附着力、耐久性和反光性能是否达标;5.4 道路标线的施工质量是否符合相关标准;5.5 其他需要检查的内容。
6、验收结果6.1 验收合格标准本次验收的道路标线施工质量符合以下要求:- 位置、线形和尺寸符合设计要求;- 颜色符合规范要求;- 附着力、耐久性和反光性能达标;- 施工质量符合相关标准。
6.2 验收不合格标准如果发现道路标线施工质量不符合验收标准,将被视为不合格,需要进行整改,并重新进行质量验收。
7、附件本文涉及的附件如下:- 道路标线施工图纸;- 道路标线材料合格证明;- 道路标线施工检测报告;- 道路标线施工质量验收报告。
8、法律名词及注释无。
试一试:道路标线检验批质量验收报告1、前言本文档旨在记录道路标线检验批的质量验收结果,用于评估道路标线施工的质量和合格性。
本报告将包括施工单位的基本信息、监理单位的基本信息、验收前的准备工作、质量验收内容、验收结果以及涉及的附件。
2、施工单位基本信息施工单位名称:施工单位地址:施工单位联系人:联系方式:3、监理单位基本信息监理单位名称:监理单位地址:监理单位联系人:联系方式:4、验收前准备工作4.1 验收人员组成本次道路标线检验批的质量验收由以下人员组成:- 验收组组长:- 验收组成员:- 其他参与人员:4.2 准备的文件和资料- 道路标线施工图纸及设计说明;- 道路标线材料合格证明;- 道路标线施工验收记录;- 其他相关文件和资料。
市政道路工程单位工程质量验收记录市政道路工程是城市建设中非常重要的一部分,对于确保道路的安全和便利起着至关重要的作用。
而工程质量验收记录则是对市政道路工程的施工质量进行评估和检验的过程,以确保工程质量符合相关标准和要求。
以下是一份市政道路工程单位工程质量验收记录的范例,供参考。
项目名称:XXXX市X区XX道路工程单位名称:XXXX公司施工单位:XXXX工程建设有限公司质量验收日期:XXXX年XX月XX日一、验收的主要内容1.施工单位按照合同书和工程设计要求进行了施工,并提交了相应的工程质量验收材料。
2.基础工程的实施情况:包括地基处理、路面平整度、施工工艺等。
3.道路硬质面层材料的掺入、配合比的准确性以及硬度测试等。
4.道路软基层材料的压实效果、层间界面的粘结情况等。
5.道路工程的排水系统,包括雨水和污水系统,以及相应设备的安装和运行情况。
6.道路交通安全设施的安装情况,如护栏、交通信号灯等。
7.道路照明设施的安装情况,包括灯具的数量和布局,照明效果等。
8.道路绿化设施的完成情况,如植树、铺草坪等。
二、验收的依据和方法1.依据相应的建设标准和规范进行验收,包括《道路工程质量验收规范》等。
2.采用目测、测量、试验等方法进行验收。
3.对照相关图纸和设计要求,检查施工单位提交的相关工程质量验收材料的完整性和准确性。
三、验收的结果1.施工单位按照设计要求进行了施工,基础工程和硬质面层材料的质量符合要求。
2.软基层材料的压实效果良好,层间界面粘结牢固。
3.排水系统的安装和运行良好,达到相关要求。
4.交通安全设施和照明设施的安装准确,运行正常。
5.道路绿化设施完成情况良好,符合要求。
四、存在的问题和整改意见1.在施工过程中,施工单位未按照设计要求进行部分施工,导致部分工程质量未达到标准要求。
提出整改意见,要求施工单位进行整改并提交相关整改报告。
2.材料配合比不符合要求,提出整改意见,要求施工单位重新配制并提交材料测试报告。
路基3工程检验批质量验收记录工程项目:路基3工程项目地址:***质量验收人员:***验收日期:***一、工程概况二、质量验收依据根据相关规范和合同要求,结合技术文件和合同条款,对路基3工程进行了质量验收。
三、质量验收内容1.施工工序验收a.清理工序:对工程现场进行了清理,清除了堆放杂物,满足了施工要求。
b.试验段验收:进行了试验段施工,结果符合规范要求,达到了设计要求。
c.填方工序验收:填方工序按照设计方案进行,填筑层平整、面积符合要求。
d.非承载层验收:非承载层材料强度达到规范要求,厚度满足设定要求。
e.承载层验收:承载层材料强度达到规范要求,层厚满足设计要求。
f.路基平整度验收:路基平整度满足规范要求,坡度符合设计要求。
2.材料验收a.石料验收:石料强度符合要求,大小分布符合设计要求。
b.水泥验收:水泥强度符合规范要求,水泥外观无明显质量问题。
c.沥青验收:沥青强度符合规范要求,质地饱满,无裂纹和空鼓。
d.土壤验收:土壤指标符合设计要求,具备良好的工程性质。
e.管材验收:管材的规格、型号、长度等符合设计要求。
3.设备验收a.设备是否齐全:施工过程中使用的设备齐全,并符合相关要求。
b.设备安装是否规范:设备安装工艺符合设计要求,安装牢固。
4.质量检测记录质量检测记录显示各项指标均符合规范要求,未发现质量问题。
5.施工日志施工日志记录了工程的施工过程,显示按照设计要求进行了施工。
四、质量验收结论经过对路基3工程的全面检查和抽样检测,质量验收结果如下:1.工程施工工序符合规范要求,质量良好。
2.施工材料符合规范要求,质量良好。
3.设备齐全,并按照要求进行了安装。
4.质量检测结果显示工程符合规范要求。
5.施工过程中记录的施工日志显示工程按照设计要求进行施工。
综上,路基3工程经过质量验收,质量合格。
公路工程施工验收记录项目名称:XX公路改造工程工程地点:XX省XX市施工单位:XX施工公司验收日期:XXXX年XX月XX日一、工程概况1.1 项目概述本工程是对XX公路进行改造升级,主要包括路面整修、路基加固、交通设施更新等内容,旨在提升路网服务水平,改善通行条件。
1.2 工程范围本工程起点为XX路口,终点为XX路口,全长约XX公里,涉及XX个村庄,XX个交叉口,XX个桥梁等。
1.3 技术要求根据设计图纸和技术规范要求,施工单位应严格遵守工程施工技术标准,确保施工质量和安全。
二、施工过程2.1 施工准备施工单位于XXXX年XX月XX日进场施工,立即开展现场勘测和标志桩设置工作,同时组织人员对施工场地进行清理和平整。
2.2 路面整修对XX公路路面进行磨平、打磨、刨宽等工序,确保路面平整、无裂缝、无坑洼,提高路面的平整度和车辆通行的舒适性。
2.3 路基加固在工程中的危险路段进行路基加固,采用石方填筑、土工格栅等方式,加固路基稳定性,确保路基安全可靠。
2.4 交通设施更新对路口交通信号灯、标线、标志牌等进行更新更换,确保交通设施功能正常,提高驾驶员对道路情况的认知度。
2.5 施工安全施工期间严格遵守安全施工规范,设置警戒线、安全带,劝导施工人员戴安全帽、穿反光衣,保障施工人员的人身安全。
三、质量验收3.1 路面质量验收验收人员对路面进行逐段巡视,检查路面平整度、坡度、边沟排水等情况,发现问题及时提出整改意见。
3.2 路基质量验收验收人员对路基进行振动检测、厚度测量等工序,检验路基加固的稳定性和承载能力,符合要求后方可通过验收。
3.3 交通设施验收验收人员对交通信号灯、标线、标志牌等进行检查,确保功能正常、安全可靠,符合交通规范要求。
3.4 安全验收验收人员对施工现场安全措施进行检查,包括警戒线设置是否完备、施工人员安全装备是否到位等,确保施工过程中未发生安全事故。
四、问题整改4.1 验收过程中发现的问题在验收过程中,发现部分路面坑洼、路基未加固完全、标志牌设置不规范等问题。
道路工程检验批验收记录使用说明1、本表为道路工程检验批质量验收记录表,表中检验批验收容根据《城镇道路工程施工与质量验收规》CJJ 1-2008中检验标准相一致(如有不一致的地方,按规规定填写,有新规,按新规要求填写),由技术负责人根据现场检查据实填写。
2、结论一栏由现场监理工程师填写,对质量作出结论,并另附抽检记录表及试验报告单,盖上“监理抽检”红色印章。
3、试验检测报告附在检验批质量验收记录表后面。
4、项目试验检测记录则另采用有关专用试验检测报告表。
5、施工过程中原始记录表可采用各施工单位通常使用的记录表,其格式应能明确反映施工有关操作的全过程和真实记录,并经驻地监理工程师同意认可。
本《基本表格》不再统一施工原始记录的表式。
道路工程检验批质量验收记录目录1、土方路基(路床)工程检验批质量验收记录。
质验表(路)-12、挖石方路基工程检验批质量验收记录。
质验表(路)-23、填石方路基工程检验批质量验收记录。
质验表(路)-34、路肩工程检验批质量验收记录。
质验表(路)-45、软土路基(砂垫层)工程检验批质量验收记录。
质验表(路)-56、软土路基(反压护道)工程检验批质量验收记录。
质验表(路)-67、软土路基(土工材料)工程检验批质量验收记录。
质验表(路)-78、软土路基(袋装砂井)工程检验批质量验收记录。
质验表(路)-89、软土路基(塑料排水板)工程检验批质量验收记录。
质验表(路)-910、软土路基(砂桩)工程检验批质量验收记录。
质验表(路)-1011、软土路基(碎石桩)工程检验批质量验收记录。
质验表(路)-1112、软土路基(粉喷桩)工程检验批质量验收记录。
质验表(路)-1213、软土路基(薄壁管桩)工程检验批质量验收记录。
质验表(路)-1314、石灰土基层检验批质量验收记录。
质验表(路)-1415、石灰、粉煤灰、稳定砂砾(碎石)基层检验批质量验收记录。
质验表(路)-1516、石灰、粉煤灰基层检验批质量验收记录。
质验表(路)-1617、水泥稳定土类基层检验批质量验收记录。
质验表(路)-17 18级配砂砾(砾石)基层检验批质量验收记录。
质验表(路)-1819、级配碎石(碎砾石)基层检验批质量验收记录。
质验表(路)-1920、沥青混合料(碎石)基层检验批质量验收记录。
质验表(路)-2021、沥青贯入式基层检验批质量验收记录。
质验表(路)-2122、沥青表面处治工程检验批质量验收记录。
质验表(路)-2223、沥青贯入式面层工程检验批质量验收记录。
质验表(路)-2324、冷拌沥青混合料面层工程检验批质量验收记录。
质验表(路)-2425、热拌沥青混合料面层工程检验批质量验收记录。
质验表(路)-2526、粘层、透层与封层工程检验批质量验收记录。
质验表(路)-2627、水泥混凝土路面钢筋安装工程检验批质量验收记录。
质验表(路)-2728、水泥混凝土路面钢筋加工工程检验批质量验收记录。
质验表(路)-2830、水泥混凝土路面模板制作工程检验批质量验收记录。
质验表(路)-3031、水泥混凝土面层工程检验批质量验收记录。
质验表(路)-3132、料石面层工程检验批质量验收记录。
质验表(路)-3233、广场、停车场料石面层工程检验批质量验收记录。
质验表(路)-3334、沥青混合料铺筑人行道面层工程检验批质量验收记录。
质验表(路)-3435、沥青混合料铺筑广场与停车场面层工程检验批质量验收记录。
质验表(路)-3536、混凝土预制块铺砌人行道工程检验批质量验收记录。
质验表(路)-3637、预制混凝土砌块面层工程检验批质量验收记录。
质验表(路)-3738、预制混凝土砌块面层工程检验批质量验收记录。
质验表(路)-3839、水泥混凝土面层工程检验批质量验收记录。
质验表(路)-3940、料石铺砌人行道面层工程检验批质量验收记录。
质验表(路)-4041、基坑开挖工程检验批质量验收记录。
质验表(路)-4142、垫层工程检验批质量验收记录。
质验表(路)-4243、混凝土施工检验批质量验收记录。
质验表(路)-4344、混凝土基础工检验批质量验收记录。
质验表(路)-4445、现浇钢筋混凝土人行道地道结构工程检验批质量验收记录。
质验表(路)-4546、人行地道结构工程预制顶板检验批质量验收记录。
质验表(路)-4647、预制安装钢筋混凝土人行地道结构工程检验批质量验收记录。
质验表(路)-4748、预制墙板检验批质量验收记录。
质验表(路)-4849、砌筑墙体、钢筋混凝土顶板结构人行地道工程检验批质量验收记录。
质验表(路)-4950、墙板、顶板安装工程检验批质量验收记录。
质验表(路)-5051、防水混凝土检验批质量验收记录。
质验表(路)-5152、涂料防水层检验批质量验收记录。
质验表(路)-5253、细部构造检验批质量验收记录。
质验表(路)-5354、基础模板安装工程检验批质量验收记录。
质验表(路)-5455、模板拆除工程检验批质量验收记录。
质验表(路)-5556、钢筋安装工程检验批质量验收记录。
质验表(路)-5657、侧墙、顶板模板安装工程检验批质量验收记录。
质验表(路)-5758、钢筋加工工程检验批质量验收记录。
质验表(路)-5859、加筋土挡土墙工程检验批质量验收记录。
质验表(路)-5961、砌体挡土墙工程检验批质量验收记录。
质验表(路)-6162、现浇钢筋混凝土挡土墙工程检验批质量验收记录。
质验表(路)-6263、预制混凝土栏杆检验批质量验收记录。
质验表(路)-6364、栏杆安装工程检验批质量验收记录。
质验表(路)-6465、装配式钢筋混凝土挡土墙工程检验批质量验收记录。
质验表(路)-6566、倒虹吸工程检验批质量验收记录。
质验表(路)-6667、防眩板工程检验批质量验收记录。
质验表(路)-6768、隔离墩工程检验批质量验收记录。
质验表(路)-6869、隔离栅工程检验批质量验收记录。
质验表(路)-6970、涵洞工程检验批质量验收记录。
质验表(路)-7071、护栏工程检验批质量验收记录。
质验表(路)-7172、护坡工程检验批质量验收记录。
质验表(路)-7273、金属声屏障工程检验批质量验收记录。
质验表(路)-7374、路缘石安砌工程检验批质量验收记录。
质验表(路)-7475、排水沟(截水沟)工程检验批质量验收记录。
质验表(路)-7576、砌体声屏障工程检验批质量验收记录。
质验表(路)-7677、雨水支管与雨水口工程检验批质量验收记录。
质验表(路)-7778、检验批质量验收记录。
质验表(路)-7879、分项工程质量检验记录。
质验表(路)-7980、分部(子分部)工程检验记录。
质验表(路)-8081、单位(子单位)工程质量竣工验收记录。
质验表(路)-8182、单位(子单位)工程质量控制资料核查记录、。
质验表(路)-8283、单位(子单位)工程安全和使用功能检验资料核查及抽查记录。
质验表(路)-8384、单位(子单位)工程观感质量检查记录。
质验表(路)-84土方路基(路床)工程检验批质量验收记录质验表(路)—1 建设单位:监理单位:合同号:质验表(路)—2 建设单位:监理单位:合同号:质验表(路)—3 建设单位:监理单位:合同号:路肩工程检验批质量验收记录质验表(路)—4 建设单位:监理单位:合同号:软土路基(砂垫层)工程检验批质量验收记录质验表(路)—5 建设单位:监理单位:合同号:软土路基(反压护道)工程检验批质量验收记录质验表(路)—6 建设单位:监理单位:合同号:质验表(路)—7 建设单位:监理单位:合同号:质验表(路)—8 建设单位:监理单位:合同号:软土路基(塑料排水板)工程检验批质量验收记录质验表(路)—9 建设单位:监理单位:合同号:质验表(路)—10 建设单位:监理单位:合同号:质验表(路)—11 建设单位:监理单位:合同号:质验表(路)—12 建设单位:监理单位:合同号:软土地基(薄壁管桩)工程检验批质量验收记录质验表(路)—13 建设单位:监理单位:合同号:石灰土基层检验批质量验收记录质验表(路)—14 建设单位:监理单位:合同号:石灰、粉煤灰、稳定砂砾(碎石)基层检验批质量验收记录质验表(路)—15 建设单位:监理单位:合同号:石灰、粉煤灰基层检验批质量验收记录质验表(路)—16建设单位:监理单位:合同号:水泥稳定土类基层检验批质量验收记录质验表(路)—17 建设单位:监理单位:合同号:级配砂砾(砾石)基层检验批质量验收记录质验表(路)—18 建设单位:监理单位:合同号:施工单位:编号:级配碎石(碎砾石)基层检验批质量验收记录质验表(路)—19 建设单位:监理单位:合同号:施工单位:编号:沥青混合料(碎石)基层检验批质量验收记录质验表(路)—20 建设单位:监理单位:合同号:沥青贯入式基层检验批质量验收记录质验表(路)—21 建设单位:监理单位:合同号:沥青表面处治工程检验批质量验收记录质验表(路)—22 建设单位:监理单位:合同号:施工单位:编号:沥青贯入式面层工程检验批质量验收记录质验表(路)—23 建设单位:监理单位:合同号:冷拌沥青混合料面层工程检验批质量验收记录质验表(路)—24 建设单位:监理单位:合同号:施工单位:编号:热拌沥青混合料面层工程检验批质量验收记录质验表(路)—25 建设单位:监理单位:合同号:施工单位:编号:粘层、透层与封层工程检验批质量验收记录质验表(路)—26 建设单位:监理单位:合同号:施工单位:编号:水泥混凝土路面钢筋安装工程检验批质量验收记录质验表(路)—27 建设单位:监理单位:合同号:水泥混凝土路面钢筋加工工程检验批质量验收记录质验表(路)—28 建设单位:监理单位:合同号:施工单位:编号:水泥混凝土路面模板安装工程检验批质量验收记录质验表(路)—29 建设单位:监理单位:合同号:水泥混凝土路面模板制作工程检验批质量验收记录质验表(路)—30 建设单位:监理单位:合同号:施工单位:编号:水泥混凝土面层工程检验批质量验收记录质验表(路)—31 建设单位:监理单位:合同号:料石面层工程检验批质量验收记录质验表(路)—32 建设单位:监理单位:合同号:广场、停车场料石面层工程检验批质量验收记录质验表(路)—33 建设单位:监理单位:合同号:沥青混合料铺筑人行道面层工程检验批质量验收记录质验表(路)—34 建设单位:监理单位:合同号:沥青混合料铺筑广场与停车场面层工程检验批质量验收记录质验表(路)—35 建设单位:监理单位:合同号:混凝土预制块铺砌人行道工程检验批质量验收记录质验表(路)—36 建设单位:监理单位:合同号:预制混凝土砌块面层工程检验批质量验收记录质验表(路)—37 建设单位:监理单位:合同号:预制混凝土砌块面层工程检验批质量验收记录质验表(路)—38 建设单位:监理单位:合同号:水泥混凝土面层工程检验批质量验收记录质验表(路)—39 建设单位:监理单位:合同号:料石铺砌人行道面层工程检验批质量验收记录质验表(路)—40 建设单位:监理单位:合同号:基坑开挖工程检验批质量验收记录质验表(路)—41 建设单位:监理单位:合同号:垫层工程检验批质量验收记录质验表(路)—42 建设单位:监理单位:合同号:混凝土施工检验批质量验收记录质验表(路)—43 建设单位:监理单位:合同号:混凝土基础工程检验批质量验收记录质验表(路)—44 建设单位:监理单位:合同号:现浇钢筋混凝土人行地道结构工程检验批质量验收记录质验表(路)—45 建设单位:监理单位:合同号:人行地道结构工程预制顶板检验批质量验收记录质验表(路)—46 建设单位:监理单位:合同号:预制安装钢筋混凝土人行地道结构工程检验批质量验收记录质验表(路)—47 建设单位:监理单位:合同号:。