qb照明标准值
- 格式:doc
- 大小:322.00 KB
- 文档页数:17
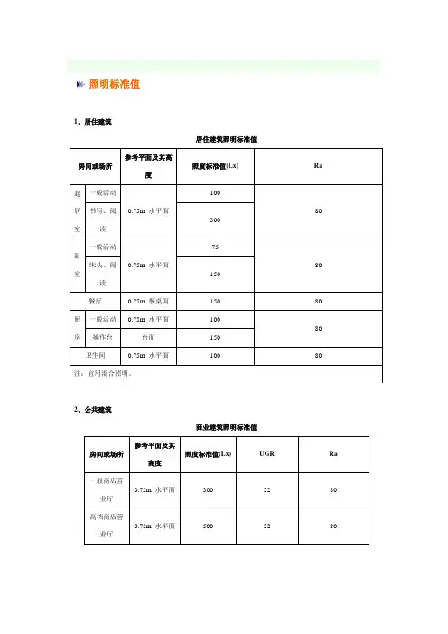
照明标准值1、居住建筑居住建筑照明标准值房间或场所参考平面及其高度照度标准值(Lx)Ra起居室一般活动0.75m 水平面10080 书写、阅读300卧室一般活动0.75m 水平面7580 床头、阅读150餐厅0.75m 餐桌面150 80厨房一般活动0.75m 水平面10080操作台台面150卫生间0.75m 水平面100 80注:宜用混合照明。
2、公共建筑商业建筑照明标准值房间或场所参考平面及其高度照度标准值(Lx)UGR Ra 一般商店营业厅0.75m 水平面300 22 80高档商店营业厅0.75m 水平面500 22 80一般超市营业厅0.75m 餐桌面300 22 80 高档超市营业厅0.75m 水平面500 22 80 收款台台面500 - 80图书馆建筑照明标准值房间或场所参考平面及其高度照度标准值(Lx)UGRRa一般阅览室0.75m 水平面300 19 80 国家、省市及其他重要图书馆的阅览室0.75m 水平面500 19 80老年龄阅览室0.75m 餐桌面500 19 80 珍善本与图书阅览室0.75m 水平面500 19 80 陈列室、目录厅(室)出纳厅0.75m 水平面300 19 80 书库0.25m 水平面50 - 80工作间0.75m 水平面300 19 80办公建筑照明标准值房间或场所参考平面及其高度照度标准值(Lx)UGRRa 普通办公室0.75m 水平面300 19 80 高档办公室0.75m 水平面500 19 80 会议室0.75m 餐桌面300 19 80 接待室、前台0.75m 水平面300 - 80 营业厅0.75m 水平面300 22 80设计室实际工作面500 19 80 文件整理、复印、发行室0.75m 水平面300 - 80资料档案室0.75m 水平面200 - 80旅馆建筑照明标准值房间或场所参考平面及其高度照度标准值(Lx)UGRRa客房一般活动区0.75m 水平面75 - 80 床头0.75m 水平面150 - 80 写字台台面300 - 80 卫生间0.75m 水平面150 - 80 中餐厅0.75m 水平面200 22 80西餐厅、酒吧间、咖啡厅0.75m 水平面100 - 80 多功能0.75m 水平面300 22 80 门厅、总服务台地面300 - 80 休息厅地面200 22 80 客房层走廊地面50 - 80 厨房台面200 - 80 洗衣房0.75m 水平面200 - 80学校建筑照明标准值房间或场所参考平面及其高度照度标准值(Lx)UGRRa 教室课桌面300 19 80实验室实验桌面300 19 80美术教室桌面500 19 90多媒体教室0.75m 水平面300 19 80教室黑板黑板面500 - 80医院建筑照明标准值房间或场所参考平面及其高度照度标准值(Lx)UGRRa 治疗室0.75m 水平面300 19 80化验室0.75m 水平面500 19 80手术室0.75m 水平面750 19 90诊室0.75m 水平面300 19 80 候诊室、挂号厅0.75m 水平面200 19 80病房地面100 22 80护士站0.75m 水平面300 - 80药房0.75m 水平面500 19 80 重症监护房0.75m 水平面300 19 80展览馆展厅照明标准值房间或场所参考平面及其高度照度标准值(Lx)UGRRa 一般展厅地面200 22 80高档展厅地面300 22 80 注:高于6m的展厅Ra可降低到60。
国家照明标准要求一、照度标准照度是指单位面积上所接受的光通量,单位为勒克斯(Lux)。
国家照明标准规定了不同场合的照度要求,以确保人们在不同的环境中能够获得足够的照明,提高视觉舒适度和工作效率。
以下是常见的照度标准:居住区:300 Lux办公室:500 Lux商场:700 Lux医院手术室:1000 Lux工厂:300-500 Lux学校:300-700 Lux图书馆:300-500 Lux美术馆、博物馆:100-300 Lux交通隧道:100-200 Lux二、色温标准色温是指光源发射光的颜色与黑体在某一温度下辐射的光颜色相同时,黑体的温度称为该光源的色温。
国家照明标准要求光源的色温应符合以下规定:室内照明:4000K-5500K室外照明:4500K-6500K阅读照明:4500K-6500K手术室照明:3500K-5000K美术馆、博物馆照明:3500K-4500K商业照明:5500K-7500K体育场馆照明:7500K-10,000K三、显色指数标准显色指数是指光源对物体颜色呈现的逼真程度。
国家照明标准规定,室内照明显色指数不应低于80,室外照明显色指数不应低于65。
四、均匀度标准均匀度是指照明区域内最亮和最暗部分的照度差值与平均照度的比值。
国家照明标准规定,室内照明的均匀度应不小于规定值的85%,室外照明的均匀度应不小于规定值的80%。
五、能耗标准能耗是指照明设备在单位时间内所消耗的能量。
国家照明标准规定了不同场合下照明的功率密度值(W/m²),以限制能耗和减少能源浪费。
以下是常见的能耗标准:居住区:≤11W/m²办公室:≤11W/m²商场:≤18W/m²学校:≤11W/m²(教室),≤14W/m²(图书馆)医院:≤14W/m²(病房),≤20W/m²(手术室)工厂:按实际需要设定交通隧道:≤22W/m²六、噪音标准噪音是指人们不需要的声音干扰,如机械振动、电磁干扰等。
照明标准级别
照明标准级别通常指的是建筑、工业、办公室等不同用途空间所需的照明水平。
照明标准的制定旨在确保在不同环境中有足够的光照度,以满足安全、健康和视觉需求。
以下是一些常见的照明标准级别:
1.建筑照明标准:
•建筑外部:根据用途和环境,建筑外部照明的标准通常在10到100勒克斯之间,例如,道路照明、建筑轮廓照
明等。
•建筑内部:建筑内部的照明标准因房间类型而异。
•一般住宅:150到300勒克斯。
•学校教室:300到500勒克斯。
•办公室:300到500勒克斯。
•商业零售区域:500到1,000勒克斯。
2.工业照明标准:
•一般工业:150到300勒克斯。
•细致工作区域(例如装配线):500到1,000勒克斯。
3.道路照明标准:
•城市道路:根据车速和道路类型,通常在10到50勒克斯之间。
•高速公路:50到150勒克斯。
4.室外运动场标准:
•足球场:200到500勒克斯。
•网球场:300到500勒克斯。
•篮球场:300到500勒克斯。
这些标准可以根据不同的地区、行业和用途有所不同,因此在具体情况下,建议查阅当地或行业特定的照明标准以确保满足特定的需求和法规。
国家规定照度标准 The latest revision on November 22, 2020
国家规定照度标准
民用建筑的照度标准怎样规定
根据各类建筑不同活动或作业类别,将照度标准规定为高、中、低三个值。
设计人员应根据建筑等级、功能要求和使用条件,从中选取适当的标准值,一般情况下应取中间值。
下面几个表给出了不同性质建筑照明的照度标准可供参考。
照明部位参考平面及高度照度标准值(lx)
表1 共用场所照明的照度标准值
表2 住宅建筑照明的照度标准值
表3办公楼建筑照明的照度标准值
表4 商店建筑照明的照度标准
表5 中小学校建筑照明的照度标准。
照明标准值1、居住建筑居住建筑照明标准值房间或场所参考平面及其高度照度标准值(Lx) Ra起居室一般活动 0.75m 水平面 100 80书写、阅读 300卧室一般活动 0.75m 水平面 75 80床头、阅读 150餐厅 0.75m 餐桌面 150 80厨房一般活动 0.75m 水平面 100 80操作台台面 150卫生间 0.75m 水平面 100 80注:宜用混合照明。
2、公共建筑商业建筑照明标准值房间或场所参考平面及其高度照度标准值(Lx) UGR Ra一般商店营业厅 0.75m 水平面 300 22 80高档商店营业厅 0.75m 水平面 500 22 80一般超市营业厅 0.75m 餐桌面 300 22 80高档超市营业厅 0.75m 水平面 500 22 80收款台台面 500 - 80图书馆建筑照明标准值房间或场所参考平面及其高度照度标准值(Lx) UGR Ra一般阅览室 0.75m 水平面 300 19 80国家、省市及其他重要图书馆的阅览室 0.75m 水平面 500 19 80 老年龄阅览室 0.75m 餐桌面 500 19 80珍善本与图书阅览室 0.75m 水平面 500 19 80陈列室、目录厅(室)出纳厅 0.75m 水平面 300 19 80书库 0.25m 水平面 50 - 80工作间 0.75m 水平面 300 19 80办公建筑照明标准值房间或场所参考平面及其高度照度标准值(Lx) UGR Ra普通办公室 0.75m 水平面 300 19 80高档办公室 0.75m 水平面 500 19 80会议室 0.75m 餐桌面 300 19 80接待室、前台 0.75m 水平面 300 - 80营业厅 0.75m 水平面 300 22 80设计室实际工作面 500 19 80文件整理、复印、发行室 0.75m 水平面 300 - 80资料档案室 0.75m 水平面 200 - 80旅馆建筑照明标准值房间或场所参考平面及其高度照度标准值(Lx) UGR Ra 客一般活动区 0.75m 水平面 75 - 80床头 0.75m 水平面 150 - 80房写字台台面 300 - 80卫生间 0.75m 水平面 150 - 80中餐厅 0.75m 水平面 200 22 80西餐厅、酒吧间、咖啡厅 0.75m 水平面 100 - 80多功能 0.75m 水平面 300 22 80门厅、总服务台地面 300 - 80休息厅地面 200 22 80客房层走廊地面 50 - 80厨房台面 200 - 80洗衣房 0.75m 水平面 200 - 80学校建筑照明标准值房间或场所参考平面及其高度照度标准值(Lx) UGR Ra 教室课桌面 300 19 80实验室实验桌面 300 19 80美术教室桌面 500 19 90多媒体教室 0.75m 水平面 300 19 80教室黑板黑板面 500 - 80医院建筑照明标准值房间或场所参考平面及其高度照度标准值(Lx) UGR Ra 治疗室 0.75m 水平面 300 19 80化验室 0.75m 水平面 500 19 80手术室 0.75m 水平面 750 19 90诊室 0.75m 水平面 300 19 80候诊室、挂号厅 0.75m 水平面 200 19 80病房地面 100 22 80护士站 0.75m 水平面 300 - 80药房 0.75m 水平面 500 19 80重症监护房 0.75m 水平面 300 19 80展览馆展厅照明标准值房间或场所参考平面及其高度照度标准值(Lx) UGR Ra 一般展厅地面 200 22 80高档展厅地面 300 22 80注:高于6m的展厅Ra可降低到60。
照明执行标准一、照度标准照度是指单位面积上所接受的光通量,单位为勒克斯(Lux)。
在照明设计中,照度标准是衡量照明质量的重要指标之一。
合适的照度能够提供明亮、清晰、舒适的视觉环境,有利于提高工作效率和保护视力。
以下是照度标准的一些常见规定:1.居住区:普通房间的照度值一般在300-500 Lux之间,卧室则不宜低于200Lux。
2.商业区:商场、办公室等场所的照度值一般在300-700 Lux之间。
3.学校:教室的照度值一般不低于300 Lux,黑板不低于400 Lux。
4.医院:手术室、诊疗室等需要高精度视觉的场所,照度值一般不低于500Lux。
二、色温标准色温是指光源发射光的颜色与黑体在某一温度下辐射的光颜色相同时,黑体的温度称为该光源的色温。
色温是照明设计中重要的参数之一,不同的色温会给人带来不同的心理感受。
以下是色温标准的一些常见规定:1.暖色温(3300-2700K):带红色,给人以温暖、舒适的感觉。
2.中间色温(2700-5000K):带白色,给人以清新的感觉。
3.冷色温(5000-6500K):带蓝白色,给人以凉爽、清新的感觉。
三、显色指数标准显色指数是指光源对物体真实颜色的再现程度。
显色指数越高,表示对物体颜色的再现越真实。
在照明设计中,选择显色指数高的光源能够提高物体的颜色效果,增强视觉体验。
以下是显色指数标准的一些常见规定:1.高显色指数(90以上):能够较好地还原物体真实颜色。
2.中显色指数(60-85):对物体颜色的还原性一般。
3.低显色指数(60以下):对物体颜色的再现偏差较大。
四、均匀度标准均匀度是指照明区域内照度的分布情况。
均匀度好的照明能够提供舒适、柔和的视觉环境,而均匀度差的照明则容易使人产生疲劳和不适。
以下是均匀度标准的一些常见规定:1.照明均匀度要求在0.7以上:表示照度分布较为均匀,视觉效果较好。
2.照明均匀度要求在0.4-0.7之间:表示照度分布一般,视觉效果一般。
办公室照明国家标准引言概述:办公室照明国家标准是为了确保办公室工作环境的舒适度和工作效率而制定的一系列规定。
这些标准包括照明亮度、光色、照明设备的选用等方面。
本文将分四个部分详细阐述办公室照明国家标准的内容。
一、照明亮度:1.1 照明亮度的定义和测量方法:照明亮度是指单位面积上接收到的光的功率,通常用勒克斯(lux)来衡量。
测量照明亮度的方法包括使用光度计和照度计等设备进行实时测量。
1.2 照明亮度的标准数值:根据国家标准,办公室的照明亮度应在300-500勒克斯之间。
这个范围可以保证办公室内的工作环境明亮舒适,同时避免过强的光线对员工眼睛的伤害。
1.3 照明亮度的调节和维护:为了满足不同工作任务的需要,办公室的照明亮度应该可以调节。
此外,定期检查和维护照明设备,确保其正常工作,也是保持合适照明亮度的重要步骤。
二、光色:2.1 光色的定义和分类:光色是指光的颜色特征,常用的分类有暖白光、自然光和冷白光。
暖白光偏黄,适合营造温馨的办公环境;自然光接近自然阳光的颜色,适合需要精细观察的工作;冷白光偏蓝,适合需要高度注意力和警觉性的工作。
2.2 光色的标准选择:根据办公室的不同用途和工作任务的特点,选择合适的光色。
一般来说,办公室的光色应该是自然光或者暖白光,以提供舒适的工作环境。
2.3 光色的调节和应用:照明设备应该具备调节光色的功能,以适应不同工作任务和员工的需求。
此外,合理布置照明设备的位置和角度,可以提供均匀的光照,避免眩光和阴影。
三、照明设备的选用:3.1 照明设备的种类:常见的办公室照明设备包括台灯、吊灯、筒灯等。
不同种类的照明设备适用于不同的办公空间和工作任务。
3.2 照明设备的能效标准:为了节能减排,照明设备应符合国家的能效标准,如能效等级标识等。
选择能效较高的照明设备有助于减少能源消耗和节约成本。
3.3 照明设备的安装和维护:照明设备的安装应符合国家的安全标准,避免电气事故的发生。
定期检查和维护照明设备,及时更换损坏的灯泡和配件,确保其正常工作。
国家照明标准要求(一)国家照明标准1. 简介国家照明标准是指中国制定的用于照明系统设计、产品制造和工程施工的规范和要求。
它旨在确保照明系统的性能、质量和能效达到一定的水平,提高照明质量和人们的生活质量。
2. 相关要求国家照明标准对照明系统的设计、照明设备的选用和使用、光效和色温等方面提出了一系列的要求。
以下是其中的一些要求及其解释。
设计要求•照度要求:国家照明标准明确规定了不同场所的最低照度要求,以确保人们在日常活动中有足够的光线,保证安全和舒适。
–例如,办公室的最低照度要求为300勒克斯(lx),而公共走廊的最低照度要求为50 lx。
•均匀度要求:照明系统应保证光线的均匀分布,避免出现强烈的光斑或暗区,以确保人眼的视觉舒适度和工作效率。
–例如,对于工厂车间,国家照明标准要求均匀度不得小于。
照明设备要求•光效要求:国家照明标准对不同类型的照明设备的光效提出了要求,要求照明设备的能效达到一定水平,减少能源消耗。
–例如,普通LED台灯的光效标准为100流明/瓦,而节能型LED台灯的光效标准为150流明/瓦。
•色温要求:国家照明标准对不同场所的色温提出了要求,以满足不同环境需求和人们的视觉舒适感。
–例如,商业办公场所的色温要求为4000K,而室内居住环境的色温要求为3000K。
3. 示例解释以工厂车间为例,根据国家照明标准,工厂车间的最低照度要求为300 lx,均匀度要求不得小于。
为满足这些要求,设计师可以选择适当数量和位置的照明设备,并根据车间的大小和布局进行合理的布置。
例如,一间1000平方米的工厂车间,设计师可以选择安装40个LED工业灯,每个灯的光效为120流明/瓦。
根据照明计算公式,每个灯的平均照度为750 lx。
通过合理的布局和安装,可以确保车间内光线的均匀分布,避免出现过亮或过暗的区域。
此外,根据国家照明标准,这些LED工业灯的色温应该符合工厂车间的使用需求。
如果工厂车间需要较为清晰明亮的光线,可以选择色温为4000K的灯具;如果需要更加温暖舒适的光线,可以选择色温为3000K的灯具。
灯泡是人类使用最久远的电器产品之一,其起源可以追溯到19世纪初。
随着科技的不断进步,灯泡的种类也不断增多,各种不同的用途和场景对灯泡的性能和规格要求也日益严格。
为了确保灯泡的质量和安全,各国都制定了相应的灯泡执行标准。
一、国际标准国际电工委员会(IEC)是全球范围内最权威的国际标准组织之一,其制定的灯泡执行标准被广泛应用于全球各个国家和地区。
IEC标准中对灯泡的规格和性能进行了详细的规定,主要包括以下几个方面:1.灯泡的功率和电压:灯泡的功率和电压必须符合国际标准,以确保其安全可靠。
2.灯泡的光通量:灯泡的光通量是指单位时间内从灯泡中发出的光的总量,其规定值取决于灯泡的类型和用途。
3.灯泡的颜色温度:灯泡的颜色温度是指灯泡发出的光的颜色,其规定值也取决于灯泡的类型和用途。
4.灯泡的寿命:灯泡的寿命是指其正常使用期限,在IEC标准中对于各种类型的灯泡都有相应的规定。
5.灯泡的尺寸和形状:灯泡的尺寸和形状必须符合国际标准,以保证其能够在各种灯具中正常使用。
二、中国标准中国是世界上最大的灯泡生产国之一,其制定的灯泡执行标准对于全球灯泡市场具有重要的影响力。
目前,中国主要采用GB标准和QB标准对灯泡进行规范。
1.GB标准GB标准是国家标准的缩写,是中国政府颁布的强制性标准,其制定和实施受到政府的监管和管理。
GB标准对灯泡的规格和性能进行了详细的规定,主要包括以下方面:a.灯泡的种类和分类:GB标准将灯泡分为白炽灯、荧光灯、LED 灯等多个种类,并对各种类型灯泡的规格和性能进行了详细的规定。
b.灯泡的电气参数:GB标准对灯泡的额定功率、额定电压、额定电流等电气参数进行了规定,以确保其安全可靠。
c.灯泡的光学参数:GB标准对灯泡的发光效率、光通量、色温等光学参数进行了规定,以保证其符合使用要求。
d.灯泡的寿命和可靠性:GB标准对灯泡的使用寿命、故障率等方面进行了规定,以确保其质量可靠。
2.QB标准QB标准是企业内部标准的缩写,是由中国国家质量监督检验检疫总局颁布的非强制性标准。
消费品质量分级导则照明产品1 范围本文件规定了照明产品质量分级的基础要求、质量分级要求、质量等级标识和判定规则。
本文件适用于以下类型光源和灯具的质量分级。
•非定向自镇流LED灯•LED灯丝灯•装饰照明用LED灯•反射型自镇流LED灯•室内普通照明用将LED模块•双端LED灯(替换直管形荧光灯用)•低气压汞蒸气放电紫外线杀菌灯•普通照明用高压钠灯•LED筒灯•LED平板灯•道路照明用LED灯具•(非装饰用)LED灯带•LED吸顶灯•读写作业台灯2 规范性引用文件下列文件中的内容通过文中的规范性引用而构成本文件必不可少的条款。
其中,注日期的引用文件,仅该日期对应的版本适用于本文件;不注日期的引用文件,其最新版本(包括所有的修改单)适用于本文件。
GB/T 2423.17 电工电子产品环境试验第2部分: 试验方法试验Ka:盐雾GB/T 4208 外壳防护等级(IP等级)GB/T 9473 读写作业台灯性能要求GB/T 13259 高压钠灯性能要求GB/T 17625.1 电磁兼容限值第1部分:谐波电流发射限值(设备每相输入电流≤16A)GB/T 17626.5 电磁兼容试验和测量技术浪涌(冲击)抗扰度试验GB/T 17743 电气照明和类似设备的无线电骚扰特性的限值和测量方法GB/T 18595 一般照明用设备电磁兼容抗扰度要求GB/T 19258.1 杀菌用紫外辐射源第1部分:低气压汞蒸气放电灯GB 19573 高压钠灯能效限定值及能效等级GB/T 24908 普通照明用非定向自镇流LED灯性能要求GB/T 24824 普通照明用LED模块测试方法GB/T 29293 LED筒灯性能测量方法GB/T 29296 反射型自镇流LED灯性能要求GB 30255 室内照明用LED产品能效限定值及能效等级GB/T 31897.201 灯具性能第2-1部分:LED灯具特殊要求GB/T 33721 LED灯具可靠性试验方法GB/T 36949 双端LED灯(替换直管形荧光灯用)性能要求GB 37478 道路和隧道照明用LED灯具能效限定值及能效等级GB 38450 普通照明用LED平板灯能效限定值及能效等级GB/T 39394 LED灯、LED灯具和LED模块的测试方法GB/T 39928 LED灯丝灯性能要求GB/T 42064 普通照明用设备闪烁特性光闪烁计测试法QB/T 5209 装饰照明用集成式LED灯性能要求IEC 62471-7 灯和灯系统光生物安全第7部分:主要发射可见辐射的光源和灯具(Photobiological safety of lamps and lamp systems - Part 7: Light sources and luminaires primarily emitting visible radiation)IEC TR 63158 普通照明用设备照明设备频闪效应的客观试验方法(Equipment for general lighting purposes—Objective test method for stroboscopic effects of lighting equipment)3 术语和定义GB/T 2900.65界定的以及下列术语和定义适用于本文件。
国家规定照度标准
民用建筑的照度标准怎样规定
根据各类建筑不同活动或作业类别,将照度标准规定为高、中、低三个值。
设计人员应根据建筑等级、功能要求和使用条件,从中选取适当的标准值,一般情况下应取中间值。
下面几个表给出了不同性质建筑照明的照度标准可供参考。
照明部位参考平面及高度照度标准值(lx)
表1 共用场所照明的照度标准值
表2 住宅建筑照明的照度标准值
表3办公楼建筑照明的照度标准值
表4 商店建筑照明的照度标准
表5 中小学校建筑照明的照度标准
欢迎您的下载,
资料仅供参考!
致力为企业和个人提供合同协议,策划案计划书,学习资料等等
打造全网一站式需求。
办公室照明国家标准一、引言办公室照明是保障员工工作效率和舒适度的重要因素。
为了确保办公室照明的质量和安全性,国家制定了一系列的标准和规范。
本文将详细介绍办公室照明国家标准的要求和相关数据。
二、照明设计要求1. 照明亮度要求:办公室的照明亮度应符合国家标准,一般要求为500-750勒克斯。
不同工作区域的照明亮度要求有所不同,例如会议室和接待区域的照明亮度要求较高。
2. 照明均匀度要求:办公室的照明均匀度应符合国家标准,一般要求为0.7-0.9。
照明均匀度的计算可以采用照度等值线图进行评估,确保各个工作区域的照明均匀度达到要求。
3. 色温要求:办公室的照明色温应符合国家标准,一般要求为4000-5000K。
色温的选择应根据不同工作任务的需要进行调整,例如需要较高注意力的任务可以选择较高的色温。
4. 色彩还原指数要求:办公室的照明色彩还原指数应符合国家标准,一般要求为80以上。
色彩还原指数越高,照明下物体的颜色还原度越好,有利于员工的工作效率和舒适度。
5. 反射率要求:办公室的墙壁、天花板和地板的反射率应符合国家标准,一般要求为0.5以上。
较高的反射率可以提高照明效果,减少眩光和阴影,提高员工的工作效率。
三、照明设备要求1. 照明设备选用:办公室的照明设备应符合国家标准,选择具有高效、节能、环保的LED照明设备。
LED照明设备的寿命长,光效高,能够满足办公室长时间使用的需要。
2. 照明设备安装:办公室的照明设备应按照国家标准进行安装,保证设备的稳定性和安全性。
照明设备的安装位置应考虑到照明均匀度和眩光控制的要求。
3. 照明设备维护:办公室的照明设备应定期进行维护和保养,确保设备的正常运行和寿命。
维护包括清洁灯具、更换灯泡等工作,维护周期可以根据实际情况进行调整。
四、照明能效要求1. 办公室照明能效:办公室的照明能效应符合国家标准,一般要求为每平方米不超过10瓦。
照明能效的提高可以减少能源消耗和运营成本,同时也有利于环境保护。
亮度统一标准
亮度统一标准在不同领域有所不同,以下是一些常见的亮度统一标准:
1. CVIA流明亮度:国内行业统一的亮度标准,对色温、色坐标、色偏差值、测试点数、测试色彩进行了规定,其中色温要求为6000K-18000K,更适合亚洲人观影习惯,同时还规定了量产机亮度不得低于标称的80%。
2. 建筑照明设计标准:根据GB《建筑照明设计标准》,中国建筑标准化协
会制定的建筑照明设计的统一标准中,小区道路照明的亮度值规定为6-20lx,平均亮度值应不小于10lx。
这意味着小区道路照明的亮度应该在6-20lx之间,不能过高或过低,整体亮度应该维持在10lx以上,以保证行人和车辆
的安全。
如果需要了解其他领域的亮度统一标准,建议查阅相关资料或咨询专业人士。
照明设计在各种情况下的照明标准(一) 医院照明现代化医院拥有良好的照明系统,是医院设备的组成部分.好的照明设备,能够舒缓病人的不良情绪,为治疗带来积极的效果,能够缓解医护人员精神及身体的疲劳,提高工作效率.另外,照明系统选择不当,容易成为细菌,灰尘积淀的场所.医院的照明系统应选择低电磁干扰.这样,对保护仪器设备的寿命是很有好处的. 在实际设计中,年长病人的活动区域照度应不低于500LUX,药房的垂直照度应得到加强. 在门诊部公共区域内,走廊照度应不低于300LUX,而急诊部应不低于500LUX. ,需注意应急和指示照明. 在诊疗室, 照度需不低于500LUX,而急诊室应不低于750LUX. 以上光源建议采用TLD/80荧光灯管. 药房区域建议采用TLD/80荧光灯管,这样易于分辨药品上的标签. 病房区域灯具应带棱晶板.照度控制在200LUX以下. 手术室照度值应在1000LUX-2000LUX区域,建议采用TL5,TLD/90荧光灯管. 血库,检验科,放射室建议采用TLD80荧光灯管,这样才能满足对显色性的要求.(二) 商场照明商场照明的目的是为了吸引顾客并提高他们的购物欲望.因此照明设计要突出商场,更要突出商品. 商场的照明要求一般色温在6000K以上,照度要求在600LUX以上,并且分布均匀,显色性高, 一般来说,在大卖场区域,当高度大于6米时,采用点光源.高度小于6米时,采用线光源(光带). 在肉制品/熟食区,面包房,水果,蔬菜区域,照度要求不低于1000LUX. 商场照明设计是极为复杂的,我们欢迎各界朋友来电共同探讨.(三)宾馆及饭店作为大酒店,所选择的照明必须合乎其特有的地位.针对不同的区域,合理运用照明灯具及光源,精心设计,可以塑造格局特色的气氛.或辉煌,或静谧,或浪漫,或温馨……由于酒店不同区域的多样性,设计空间照明时除了要考虑基本照度外,尚需不同的环境配置不同的照明产品,两者和谐统一,方可营造出一个优秀的整体照明效果。
国家照明标准要求国家照明标准是制定和实施照明产品和照明设施的规范性文件,目的是确保照明产品和照明设施的质量和性能达到国家规定的要求。
在实际的应用过程中,需要根据国家照明标准进行设计、选型、施工和验收。
本文将介绍一些常见的国家照明标准要求的内容,并提供相关参考内容。
1. 照明设施的基本要求:国家照明标准通常对照明设施的基本要求进行规定,例如照明亮度、照明均匀度、照度、光色指数等。
在设计和选型时,应根据照明区域的具体情况来确定相应的数值。
参考内容:照明亮度一般需满足工作区域内不低于300lx的要求,而公共区域和室外照明一般需满足不低于50lx的要求。
照明均匀度一般需满足不低于0.7的要求。
照度一般需根据不同区域的要求来确定,如汽车道路需满足10lx的要求,人行道需满足5lx的要求。
光色指数一般需满足80以上的要求。
2. 照明设施的能效要求:国家照明标准通常对照明设施的能效要求进行规定,旨在提高照明设施的能源利用效率,降低能源消耗。
在选型和施工时,应选择符合能效标准的照明产品和设施。
参考内容:LED照明产品一般需满足GB/T 24825-2009《白光LED灯用电气和光学特性的测量方法》的要求。
照明设施的能效需满足国家能效等级标准,一般为GB/T 25914-2010《室内照明设计与能效评价》的要求。
3. 照明设施的安全要求:国家照明标准通常对照明设施的安全要求进行规定,以确保使用过程中不会对人身安全和设施正常运行造成威胁。
在设计、施工和验收过程中,需要满足相应的安全要求。
参考内容:照明设施的电气部分需满足GB/T 14048.2-2008《低压开关设备和控制设备》和GB 19510.1-2016《光源器具的安全要求第1部分:通用要求和试验》的要求。
照明设施的防护等级需满足GB 7000.1-2015《灯具第1部分:一般要求和试验》的要求。
4. 照明设施的环境要求:国家照明标准通常对照明设施的环境要求进行规定,以确保在特定环境条件下照明设施能正常运行。
灯杆、灯具质量国家验收标准灯杆、灯具质量国家验收标准灯具和灯杆、电器光源的性能说明使用材料说明1。
1灯杆技术参照要求1。
主体杆采用一次成型,钢杆(Q235)焊缝须平整光滑,整根杆体焊缝凸起的部分与本杆体平整误差应不大于±1mm。
灯杆焊接方式为自动亚弧焊接,着色探伤检验达焊接国际GB/T3323-1989111标准要求。
灯杆套接方式采用穿钉加顶丝固定.2、灯杆防腐处理为热镀锌,。
镀锌层表面光滑美观,光泽一致。
无皱皮、流坠及锌瘤、起皮、斑点、阴阳面缺陷存在,锌层厚度达到85um以上,镀锌层附着力应符合GB2694-98标准,保证8年不褪色,灯杆的抗风能力按36.9米/秒设计。
灯杆防腐寿命大于20年。
3.灯杆表面喷塑厚度≧100um,附着力达到GB9286—880级,表面光滑:硬度≧2H,采用室外耐候性材料,喷塑材料为全聚酯塑粉。
4。
灯杆工艺和验收标准按国家标准执行。
设计系数1.8.灯杆的设计寿命大于20年。
5。
灯杆设计应便于导线穿接,手孔门采用背包门形式。
杆门必须平整光滑,与本杆平整误差不大于±1mm,相同灯杆门与门互换性要好,达到防盗防雨要求.杆门切割后局部做加强处理,基本达到原整体杆的强度.6.外观颜色:按业主指定色彩.(效果图色)1。
2灯杆技术标准:执行标准1、GB2694-88 热浸镀锌体镀锌质量2、GB10854—89 钢结构焊接外形尺寸3、GB77-88 碳素结构钢4、GB1591—93 低合众结构钢技术条们5、GB2519—88 热连轧钢板含带钢品种6、DL/T646—98 输电线路钢管杆制造技术条件7、AASHT01994 灯杆、高杆、交通信号杆1.3灯杆技术参数:1、锥度:12:10002、直线度偏差:〈0.2%3、长度偏差:<+5nlm4、对边距偏差:+2mm5、灯体扭曲度:〈5°6、杆体直线度:<1mm7、弯臂扭曲度:<2°8、弯臂部分对边距偏差:〈15°9、法兰盘与杆体垂直度偏差:〈1°10、法兰焊接位置偏差:〈2mm11、镀锌层厚度:≥85um12、灯杆表面喷塑厚度:≥100um13、设计系数:1。
办公室照明国家标准随着现代办公环境的不断发展,办公室照明作为工作环境中不可或缺的一部分,其标准也越来越受到重视。
国家对办公室照明的标准制定有着严格的规定,以确保办公室照明环境的舒适度和工作效率。
本文将详细介绍办公室照明国家标准的相关内容。
一、照明强度要求1.1 照明强度的基本概念照明强度是指单位面积上的光通量,通常用勒克斯(lux)来表示。
在办公室照明中,照明强度的合理设置对于保障员工的视力健康和工作效率至关重要。
1.2 照明强度的标准要求根据国家标准,办公室的照明强度应符合一定的要求,一般来说,办公室工作区域的照明强度应在300-500lux之间,而会议室、走廊等区域的照明强度则有不同的要求。
1.3 照明强度的调节方法为了满足不同工作环境的照明需求,办公室照明系统通常会设置调光功能,以便根据实际情况进行照明强度的调节。
二、照明色温要求2.1 色温的概念色温是指光源的颜色特性,通常用开尔文(K)来表示。
在办公室照明中,色温的选择直接影响到员工的视觉舒适度和工作效率。
2.2 色温的标准要求根据国家标准,办公室照明的色温应在4000-5000K之间,这个范围内的光线色调较为自然,有利于提高员工的警觉性和工作效率。
2.3 色温的调节方法为了适应不同的工作环境和员工需求,办公室照明系统通常会设置色温调节功能,以便根据实际情况进行色温的调节。
三、照明均匀度要求3.1 均匀度的概念照明均匀度是指照明光线在空间中的分布均匀程度,对于减少眩光和保护员工视力健康至关重要。
3.2 均匀度的标准要求根据国家标准,办公室照明的均匀度应在0.7-0.9之间,确保整个工作区域的光线分布均匀,避免出现光线不足或过强的情况。
3.3 均匀度的调节方法为了保证办公室照明的均匀度,照明系统通常会设置照明分区和灯具布局,以确保整个办公室的光线分布均匀。
四、照明色彩要求4.1 色彩还原性的概念色彩还原性是指光源对物体真实颜色的还原能力,对于办公室照明来说,色彩还原性的好坏直接影响员工对物体颜色的认知和工作效率。
qb照明标准值照明标准值1、居住建筑居住建筑照明标准值房间或场所参考平面及其高度照度标准值(Lx) Ra起居室一般活动0.75m 水平面10080 书写、阅读300卧室一般活动0.75m 水平面7580 床头、阅读150餐厅0.75m 餐桌面150 80厨房一般活动0.75m 水平面10080操作台台面150卫生间0.75m 水平面100 80注:宜用混合照明。
2、公共建筑商业建筑照明标准值房间或场所参考平面及其高度照度标准值(Lx) UGR Ra 一般商店营业厅0.75m 水平面300 22 80高档商店营0.75m 水平面500 22 80业厅一般超市营业厅0.75m 餐桌面300 22 80 高档超市营业厅0.75m 水平面500 22 80收款台台面500 - 80图书馆建筑照明标准值房间或场所参考平面及其高度照度标准值(Lx)UGRRa一般阅览室0.75m 水平面300 19 80 国家、省市及其他重要图书馆的阅览室0.75m 水平面500 19 80老年龄阅览室0.75m 餐桌面500 19 80 珍善本与图书阅览室0.75m 水平面500 19 80 陈列室、目录厅(室)出纳厅0.75m 水平面300 19 80 书库0.25m 水平面50 - 80工作间0.75m 水平面300 19 80办公建筑照明标准值房间或场所参考平面及其高度照度标准值(Lx)UGRRa 普通办公室0.75m 水平面300 19 80 高档办公室0.75m 水平面500 19 80 会议室0.75m 餐桌面300 19 80 接待室、前台0.75m 水平面300 - 80 营业厅0.75m 水平面300 22 80设计室实际工作面500 19 80 文件整理、复印、发行室0.75m 水平面300 - 80资料档案室0.75m 水平面200 - 80旅馆建筑照明标准值房间或场所参考平面及其高度照度标准值(Lx)UGRRa客房一般活动区0.75m 水平面75 - 80 床头0.75m 水平面150 - 80 写字台台面300 - 80 卫生间0.75m 水平面150 - 80 中餐厅0.75m 水平面200 22 80西餐厅、酒吧间、咖啡厅0.75m 水平面100 - 80 多功能0.75m 水平面300 22 80 门厅、总服务台地面300 - 80 休息厅地面200 22 80 客房层走廊地面50 - 80 厨房台面200 - 80 洗衣房0.75m 水平面200 - 80学校建筑照明标准值房间或场所参考平面及其高度照度标准值(Lx)UGRRa 教室课桌面300 19 80实验室实验桌面300 19 80美术教室桌面500 19 90多媒体教室0.75m 水平面300 19 80教室黑板黑板面500 - 80医院建筑照明标准值房间或场所参考平面及其高度照度标准值(Lx)UGRRa 治疗室0.75m 水平面300 19 80化验室0.75m 水平面500 19 80手术室0.75m 水平面750 19 90诊室0.75m 水平面300 19 80 候诊室、挂号厅0.75m 水平面200 19 80病房地面100 22 80护士站0.75m 水平面300 - 80药房0.75m 水平面500 19 80 重症监护房0.75m 水平面300 19 80展览馆展厅照明标准值房间或场所参考平面及其高度照度标准值(Lx)UGRRa 一般展厅地面200 22 80高档展厅地面300 22 80 注:高于6m的展厅Ra可降低到60。
体育建筑照明质量标准值类别GR Ra 无彩电转播50 65有彩电转播50 80 注:GR值仅适用于室外体育场地。
3、工业建筑工业建筑一般照明标准值房间或场所参考平面及其高度照度标准值(lx)UGR Ra 备注1.通用房间或场所试验室一般0.75m 水平面300 22 80可另加局部照明精细0.75m 水平500 19 80 可另加局部照面明检验一般0.75m 水平面300 22 80可另加局部照明精细、有颜色要求0.75m 水平面750 19 80可另加局部照明计量室、测量室0.75m 水平面500 25 60可另加局部照明变、配电站配电装置室0.75m 水平面200 19 80平面照度不小于100lx 变压器室地面100 28 20电源设备室、发电机室地面200 25 60控制室一般控制室0.75m 水平面300 22 80盘面照度不小于200lx 主控制室0.75m 水平面300 19 80盘面照度不小于200lx 电话站、网络中心0.75m 水平面500 19 80 计算机站0.75m 水平面500 19 80 防光幕反射动力站风机房、空调机室地面100 28 60泵房地面100 28 60冷冻站地面150 28 60压缩空气站地面150 25 60锅炉房、煤气站的操作层地面100 28 40锅炉水位表照度不小于50lx 大件库(如钢坯、钢材、大成品、气瓶)1.0m水平面50 28 20一般件库 1.0m水平面100 25 60 货架垂直照度不小于50lx 精细件库(如工具、小零件) 1.0m水平面200 25 60货架垂直照度不小于50lx车辆加油站地面100 25 60油表照度不小于50lx 2.机电工业机械加工粗加工0.75m水平面200 22 60可另加局部照明一般加工,工差>=0.1mm0.75m水平面300 22 60可另加局部照明一般加工,工差<0.1mm0.75m水平面500 19 60可另加局部照明机电仪表装配大件0.75m水平面200 25 80可另加局部照明一般件0.75m水平面300 25 80可另加局部照明精密0.75m水平面500 22 80可另加局部照明特精密0.75m水平面750 19 80可另加局部照明电线、电缆制造0.75m水平面300 25 80线圈绕制大线圈0.75m水平面300 25 80 中等线圈0.75m水平面500 22 80 精密线圈0.75m水平面750 19 80 线圈浇注0.75m水平300 25 80面焊接一般0.75m水平面200 25 60 精密0.75m水平面300 25 60 钣金0.75m水平面300 25 60 冲压、剪切0.75m水平面300 25 60 热处理地面至0.5m水平面200 25 20铸造熔化、浇注地面至0.5m水平面25 25 20造型地面至0.5m水平面300 25 60 精密铸造的制模、脱壳地面至0.5m水平面500 25 60 锻工地面至0.5m水平面200 25 20 电镀0.75m水平面300 25 80喷漆一般0.75m水平面25 25 80精细0.75m水平面750 22 80 酸洗、腐蚀、清洗0.75m水平面300 25 80抛光一般装饰性0.75m水平面25 22 80 防频闪精细0.75m水平面500 22 80复合材料加工、铺叠、装饰0.75m水平面500 22 80 防频闪机电修理一般0.75m水平面200 25 60可另加局部照明精密0.75m水平面300 22 60可另加局部照明3.电子和信息产业电子元器件0.75m水平面500 19 80可另加局部照明电子零部件0.75m水平面500 19 80可另加局部照明电子材料0.75m水平面300 22 80可另加局部照明酸、碱、药液及粉配置0.75m水平面300 22 80 4.纺织、化纤工业纺织洗毛0.75m水平面300 22 80 清棉、和毛、梳毛0.75m水平面150 22 80 前纺、梳棉、并条、粗纺0.75m水平面200 22 80 纺纱0.75m水平面300 22 80 织布0.75m水平面300 22 80织袜穿综筘、缝纫、量呢、检验0.75m水平300 22 80 可另加局部照面明修补、剪毛、染色、印花、裁剪、熨烫0.75m水平面300 22 80可另加局部照明化纤投料0.75m水平面100 25 80纺丝0.75m水平面150 22 80卷绕0.75m水平面200 22 80平衡间、中间贮存干燥间、废丝间、油剂高位槽间0.75m水平面75 25 60集束间、后加工间、打包间、油剂调配0.75m水平面100 25 60组件清洗间0.75m水平面150 25 60 拉伸、变形、分级包装0.75m水平面150 25 60操作面可另加局部照明化验、检验0.75m水平面200 22 80可另加局部照明5.药业工业制药生产、配制、清洗灭菌、超滤、制粒、压片、混匀、烘干、灌装、轧盖等0.75m水平面300 22 80制药生产流转通道地面200 25 80 6.橡胶工业炼胶车间0.75m水平面300 22 80 压延压出工段0.75m水平面300 22 80 程兴裁断工程0.75m水平300 22 80面硫化工段0.75m水平面300 22 80 7.电力工业火电厂锅炉房地面100 28 40 火电厂发电机大厅地面20 25 60主控室0.75m水平面500 16 80控制盘面照度200lx8.钢铁工业炼铁炉顶平台、各层平台平台面30 25 40 出铁厂、出铁机室地面100 25 40 卷扬机室、碾泥机室、煤气清洗配水室地面50 25 40炼钢及连铸炼钢主厂房和平台地面150 25 40 连铸浇注平台、切割区、出坯区地面150 25 40 精整清理线地面200 25 60轧刚钢坯台、轧机区地面150 25 40 加热炉周围地面50 25 20 重绕、横剪及纵剪机组0.75m水平面150 25 40 打印、检查、精密分类、验收0.75m水平面200 25 809.制浆造纸工业备料地面150 25 60 蒸煮、选洗、漂白地面200 25 20 纸机网部、压榨部、烘缸、压光、卷取、涂布地面300 25 60 复卷、切纸地面300 25 60涂布、切纸地面300 25 60 选纸地面500 25 60碱回收地面200 25 40 10.啤酒及饮料工业啤酒糖化0.75m水平面200 25 60 发酵0.75m水平面150 25 60 包装0.75m水平面150 25 60 饮料生产0.75m水平面300 25 6011.玻璃工业备料、退火、熔制0.75m水平面150 25 60 窑炉地面100 28 20 12.水泥工业主要生产车间地面100 28 20 储存地面75 28 40 输送走廊地面30 28 20粗坯成型0.75m水平面300 25 60 13.皮革工业原皮、水浴0.75m水平面200 25 60转、整理、成品0.75m水平面200 22 60可另加局部照明干燥地面100 28 20 14.卷烟工业0.75m水平制丝车间200 25 60面0.75m水平300 22 80 卷烟、接过滤嘴、包装面15.化学、石油工业厂区内经常操作的区域、如泵压缩机、操作位高度100 28 20阀门、电操作柱等装置区现场控制和检测点测控点高度75 25 60人行通道、平台、设备顶部地面30 28 20装卸站操作位高度75 28 20装卸站平台地面30 28 2016.木业和家具制造0.75m水平200 22 60一般机器加工面0.75m水平500 19 80 防频闪精密机器加工面0.75m水平锯木区300 25 60 防频闪面0.75m水平木模区750 22 60 防频闪面0.75m水平胶合、组装300 25 60面0.75m水平磨光、异行细木工750 22 60面4、公用场所公用场所照明标准值照度标准值房间或场所参考平面及其高度UGR Ra(Lx)门厅普通地面100 - 60高档地面200 - 80走廊、流动区域普通地面50 - 60 高档地面100 - 80楼梯、平台普通地面30 - 60高档地面75 - 80 自动扶梯地面150 - 60厕所、浴室普通地面75 60高档地面150 80 电梯前厅普通地面75 60高档地面150 80 休息室地面100 22 80 储藏室、仓库地面100 60 车库停车间地面75 28 60检修间地面200 25 60注:居住、公共建筑的动力站、变电站的照明标准值按表选取。