5-照明标准值
- 格式:doc
- 大小:1.93 MB
- 文档页数:17
1、居住建筑照明标准值2图书馆建筑照明标准值办公建筑照明标准值旅馆建筑照明标准值学校建筑照明标准值展览馆展厅照明标准值体育建筑照明质量标准值341.绿色照明绿色照明是节约能源,保护环境,有益于提高人们生产、工作、学习效率和生活质量,保护身心健康的照明。
2.视觉作业在工作和活动中,对呈现在背景前的细部和目标的观察过程。
3.光通量根据辐射对标准光度观察者的作用导出的光度量。
对于明视觉有:式中dΦe(λ)/dλν(λ)Km --辐射通量的光谱分布;--光谱光(视)效率;--辐射的光谱(视)效能的最大值,单位为流明每瓦特(lm/W).在单色辐射时,明视觉条件下的Km值为683lm/W(λm=555nm时)。
该量的符号为Φ,单位为流明(lm),1lm=1cd·1sr4.发光强度发光体在给定方向上的发光强度是该发光体在该方向的立体角元dΩ内传输的光通量dΦ除以该立体角元所得之商,即单位立体角的光能量共公式为:该量的符号为l,单位为坎德拉(cd),lcd=1lm/sr5.亮度由公式dΦ/(dA·cosθ·dΩ)定义的量,即单位投影面积上的发光强度,其公式为: 式中 dΦ dA θ--由给定点的束元传输的并包含给定方向的立体角dΩ内传播的光通量; --包括给定点的射束截面积; --射束截面法线与射束方向间的夹角。
该量的符号为L ,单位为坎德拉每平方米(cd/m2) 6.照度表面上一点的照度是人射在包含该点的面元上的光通量dΦ除以该面元面积dA 所得之商,即:该量的符号为E ,单位为勒克斯(lx),1lx=1lx/m2。
7.维持平均照度规定表面上的平均照度不得低于此数值。
它是在照明装置必须进行维护的时刻,在规定表面上的平均照度。
8.参考平面测量或规定照度的平面。
9.作业面在其表面上进行工作的平面。
10.亮度对比视野中识别对象和背景的亮度差与背景亮度之比,即:式中 C --亮度对比;ΔL --识别对象亮度与背景亮度之差; Lb --背景亮度。
光线标准值
光线标准值是指在特定条件下的光线强度或光照度的参考值。
根据不同的应用和标准,光线标准值可能会有所不同。
以下是一些常见的光线标准值:
1. 室内照明标准值:
- 办公室:一般要求照度在300-500勒克斯(lux)之间。
- 学校教室:照度应在300-500勒克斯(lux)之间。
- 餐厅:照度应在150-300勒克斯(lux)之间。
- 医院病房:照度应在150-300勒克斯(lux)之间。
- 走廊和楼梯:照度应在100-150勒克斯(lux)之间。
2. 室外照明标准值:
- 公共区域:照度应在50-100勒克斯(lux)之间。
- 街道照明:照度应在10-20勒克斯(lux)之间。
- 运动场馆:照度应在300-500勒克斯(lux)之间。
需要注意的是,这些数值只是一般参考值,实际应用中可
能会根据具体情况进行调整。
此外,不同国家和地区可能
有不同的光线标准值,因此在具体项目中应参考当地的相
关标准和规定。
国家规定照度标准
民用建筑的照度标准怎样规定
根据各类建筑不同活动或作业类别,将照度标准规定为高、中、低三个值。
设计人员应根据建筑等级、功能要求和使用条件,从中选取适当的标准值,一般情况下应取中间值。
下面几个表给出了不同性质建筑照明的照度标准可供参考。
照明部位参考平面及高度照度标准值(lx)
表1 共用场所照明的照度标准值
表2 住宅建筑照明的照度标准值
表3办公楼建筑照明的照度标准值
表4 商店建筑照明的照度标准
表5 中小学校建筑照明的照度标准
Welcome To Download
欢迎您的下载,资料仅供参考!。
照度计算方法利用系数法计算平均照度平均照度(Eav) = 光源总光通量(N*Ф)*利用系数(CU)*维护系数(MF) / 区域面积(m2) (适用于室内或体育场的照明计算)利用系数:一般室内取0.4,体育取0.3维护系数:一般取0.7~0.8举例1:室内照明:4×5米房间,使用3×36W隔栅灯9套平均照度=光源总光通量×CU×MF/面积=(2500×3×9)×0.4×0.8÷4÷5=1080 Lux结论:平均照度1000Lux以上举例2:体育馆照明:20×40米场地,使用POWRSPOT 1000W金卤灯60套平均照度=光源总光通量×CU×MF/面积=(105000×60)×0.3×0.8÷20÷40=1890 Lux结论:平均水平照度1500Lux以上某办公室平均照度设计案例:设计条件:办公室长18.2米,宽10.8米,顶棚高2.8米,桌面高0.85米,利用系数0.7,维护系数0.8,灯具数量33套,求办公室内平均照度是多少?灯具解决方案:灯具采用DiNiT 2X55W 防眩日光灯具,光通量3000Lm,色温3000K,显色性Ra90以上。
根据公式可求得:Eav = (33套X 6000Lm X 0.7 X 0.8) ÷ (18.2米X 10.8米)= 110880.00 ÷ 196.56 m2= 564.10Lux备注:照明设计必须必须要求准确的利用系数,否则会有很大的偏差,影响利用系数的大小,主要有以下几个因素:*灯具的配光曲线*灯具的光输出比例*室内的反射率,如天花板、墙壁、工作桌面等*室内指数大小。
照度国家标准值照度国家标准值照度国家标准值照度国家标准值照明光源的利用系数(utilization coefficient) 是用投射到工作面上的光通量( 包括直射光通和多方反射到工作面上的光通)与全部光源发出的光通量之比来表示,即u=φe/nφ推荐照度(Lx)厕所、盥洗室、楼梯间、走道5-15小门厅、库房10-20中频机室、空调机室、调压室20-50食堂、传达室、电梯机房30-75校办工厂、(非专业化一般加工车间)30-75录像编辑室、外台接收室、厨房50-100医务室、准备室、接待室、书库、目录室、借阅室、教师、实验室、教研室、阅览室、办公室、会议室、装订室、报告厅、色谱室、电镜室、磁带磁盘间、穿孔间、电话机房75-150设计室、绘图室、打字室100-200电子计算机房、室内体育馆(非体育专业院校)150-300备注:1 美术室的照度可按100-200Lx选取。
2 当装设黑板照明时,教室黑板上的垂直照度应不低于水平照度的1.5倍,最低不应小于150Lx。
3 电化教师中演播室的演播区内主光的推荐垂直照度宜在2000-3000Lx (文艺演播室应在1000-1500Lx)。
4 书库架上距地15cm处的垂直照度不宜低于30Lx。
1967年法国第十三届国际计量大会规定了以坎德拉、坎德拉/平方米、流明、勒克斯分别作为发光强度、光亮度、光通量和光照度等的单位,为统一工程技术中使用的光学度量单位有重要意义。
1. 烛光、国际烛光、坎德拉(candela)的定义在每平方米101325牛顿的标准大气压下,面积等于1/60平方厘米的绝对“黑体”(即能够吸收全部外来光线而毫无反射的理想物体),在纯铂(Pt)凝固温度(约2042K获1769℃)时,沿垂直方向的发光强度为1 坎德拉。
并且,烛光、国际烛光、坎德拉三个概念是有区别的,不宜等同。
从数量上看,60 坎德拉等于58.8国际烛光,亥夫纳灯的1烛光等于0.885国际烛光或0.919坎德拉。
商业建筑及建筑物立面照明的照度标准商业建筑的照度标准类别推荐照度(Lx)厕所、更衣室、热水间5-15楼梯间、冷库、库房10-20浴池(散座)、脚病治疗室、一般旅客的客房20-50大门厅、售票室、副食店、小吃店、厨房制作间、浴池30-75餐厅、修理商店、菜市场、洗染店、照相馆营业厅、菜店、钟表眼镜店、银行出纳厅、邮电局50-100营业厅理发室、书店、服装商店75-150字画商店、百货商店100-200备注:1对于设计标准较高的百货商场,宜装设重点照明。
当需要检验货架的垂直照度时,推荐的垂直照度不宜低于50Lx。
2银行、邮电局等的工作台及商店的收款台、修理台上应设有局部照明。
3照相摄影专用灯光,当使用一般底片(如感光度为21定的黑白全色底片和彩色底片)时,在照相区内要求不低于500lx。
其灯光主要由光、辅光、背景光和轮廓光等组成。
照个人和合影相时,主要采用活动立杆灯光。
照集体相时,主、辅、发光等主要采用上空固定灯光。
4脚病治疗室内应另设有供局部照明使用的低电压24-36V插座。
5柜台内照明的照度宜为将表中推荐照度提高一级。
6自取商店营业厅宜将表中推荐照度提高一级。
建筑物立面照明的照度标准平均照度(Lx)建筑物或构筑物立面特征环境状况外观颜色反射系数(%)明亮明暗白色70-8575-10050-7530-50明色45-70100-15075-10050-75中间色20-45150-200100-15075-100图书馆、办公楼建筑照明的照度标准值办公楼建筑照明的照度标准值(摘自GBJ133-90)照度标准值(Lx)类别参考平面及其高度低中高办公室、报告厅、会议室、接待室、陈列室、营业厅0.75m水平面100150200有视觉显示屏的作业工作台水平面150200300设计室、绘图室、打字室实际工作面200300500装订、复印、晒图、档案室0.75m水平面75100150值班室0.75m水平面5075100门厅地面305075注:有视觉显示屏的作业,屏幕上的垂直照度不应大于150Lx图书馆建筑照明的照度标准值(摘自GBJ133-90)照度标准值(Lx)类别参考平面及其高度低中高一般阅览室、少年儿童阅览室、研究室、装裱修整间、美工室0.75m水平面150200300老年读者阅读室、善本书和舆图阅读阅读室0.75m水平面200300500陈列室、目录厅(室)、出纳厅(室)、视听室、细微阅读室0.75m水平面75100150读者休息室0.75m水平面305075书库0.75m水平面203050开敞式运输传送设备0.75m水平面5075100。
车间照明亮度的标准是多少
高质量的照明在企业中扮演着重要的角色,它会影响工人的视觉以及生产的安全性。
车间照明亮度的标准:
《建筑照明设计标准-GB50034-2004》第5章规定“照明标准值”,车间相应的照度标准为
1、超精密作业、设计、制图、精密检查照度标准为3000~1500。
2、设计室、分析、组立线、涂装照度标准为1500~750。
3、包装、计量、表面处理、仓库办公室照度标准为750~300。
4、染色、铸造、电气室照度标准为300~150。
5、进出口、走廊、通道、楼梯、化妆室、厕所、附作业场仓库照度标准为150~75。
6、太平梯、仓库、屋外动力设备(装卸货、存货移动作业)照度标准为
75~30。
选择企业照明灯具应遵循以下原则:
1、应考虑维修方便和使用安全。
2、有爆炸性气体或粉尘的厂房内,应选用防尘、防水或led防爆灯,控制开关不应装在同一场所,需要装在同一场所时应采用防爆式开关。
3、潮湿的室内外场所,应选用具有结晶水出口的封闭式灯具或带有防水口的敞开式灯具。
4、灼热、多尘场所应采用投光灯。
5、有腐蚀性气体和特别潮湿的室内,应采用密封式灯具,灯具的各部件应做防腐处理,开关设备应加保护装置。
6、有粉尘的室内,根据粉尘的排出量及其性质,应采用完全封闭式灯具。
7、灯具可能受到机械损伤的厂房内,应采用有保护网的灯具;震动场所(如有锻锺、空压机、桥式起重机的地点),应采用带防震装置的灯具。
8、在密封式灯具内和大于150瓦的灯泡,均不得采用胶木灯头,而应使用瓷灯头。
办公室照明国家标准引言概述:办公室照明是保障员工工作效率和健康的重要环节。
为了确保办公室照明的质量和安全性,各国都制定了相应的国家标准。
本文将详细介绍办公室照明国家标准的相关内容。
一、照明亮度要求1.1 照明亮度的定义和测量方法根据国家标准,办公室照明亮度的定义是指在工作平面上的光照强度。
测量方法一般使用照度计进行,照度计应放置在工作平面上,记录所测得的光照强度数值。
1.2 照明亮度的标准数值根据国家标准,办公室照明亮度的标准数值应根据不同工作环境而定。
一般来说,办公室照明亮度应在300-500勒克斯之间,以确保员工的工作效率和视觉舒适度。
1.3 照明亮度的调节和维护为了满足不同员工的需求,办公室照明亮度应可调节。
一般情况下,照明设备应配备亮度调节装置,以便员工根据自己的需要进行调整。
此外,定期检查和维护照明设备也是确保照明亮度稳定的重要措施。
二、照明色温要求2.1 色温的定义和测量方法色温是指光源发出的光线的颜色,一般用开尔文(K)来表示。
测量方法一般使用色温计进行,将色温计放置在光源附近,记录所测得的色温数值。
2.2 色温的标准范围根据国家标准,办公室照明色温的标准范围应在4000-5000K之间。
在这个范围内,光线的颜色为自然白光,有利于员工的注意力集中和视觉舒适度。
2.3 色温的调节和应用为了满足不同工作环境的需求,办公室照明色温应可调节。
一般情况下,照明设备应配备色温调节装置,以便员工根据自己的需要进行调整。
此外,根据工作任务的不同,也可以选择适合的色温进行应用。
三、照明平均照度要求3.1 照明平均照度的定义和测量方法照明平均照度是指办公室内各个区域的照明亮度的平均值。
测量方法一般使用照度计进行,将照度计分别放置在不同区域,记录所测得的光照强度数值,然后计算平均值。
3.2 照明平均照度的标准数值根据国家标准,办公室照明平均照度的标准数值应在300-500勒克斯之间。
这个范围的照明平均照度可以满足员工的工作需求,提高工作效率。
民用建筑照明设计标准GBJ133-90主编部门:中华人民共和国原城乡建设环境保护部批准部门:中华人民共和国建设部施行日期:1991年3月1日关于发布国家标准《民用建筑照明设计标准》的通知(90)建标字第248号根据国家计委计综[1984]305号文的要求,由中国建筑科学研究院会同有关单位共同制订的《民用建筑照明设计标准》已经有关部门会审。
现批准《民用建筑照明设计标准》GBJ133-90为国家标准,自1991年3月1日起施行。
本标准由建设部负责管理。
具体解释等工作由中国建筑科学研究院负责。
出版发行由建设部标准定额研究所负责组织。
中华人民共和国建设部1990年5月18日编制说明本标准是根据国家计委[1984]〕计综305号文的要求,由中国建筑科学研究院负责主编,并会同有关设计、科研和高等院校等单位共同编制而成。
在本标准的编制过程中,编制组进行了广泛的调查研究,认真总结了我国民用建筑照明设计的实践经验,参考了有关国际标准和国外先进标准,针对主要技术问题开展了科学研究与试验验证工作,并广泛征求了全国有关单位的意见。
最后,建设部会同各有关部门审查定稿。
鉴于本标准系初次编制,在执行过程中,希望各单位结合工程实践和科学研究,认真总结经验,注意积累资料,如发现需要修改和补充之处,请将意见和有关资料寄交中国建筑科学研究院建筑物理研究所《民用建筑照明设计标准》国标管理组(北京车公庄大街19号,邮政编码100044),以供今后修订时参考。
中华人民共和国建设部1990年5月第一章总则第1.0.1条为了使民用建筑照明设计符合建筑功能和保护人们视力健康的要求,做到节约能源、技术先进、经济合理、使用安全和维修方便,特制定本标准。
第1.0.2条本标准适用于新建、改建和扩建的公共建筑和住宅的照明设计。
第1.0.3条民用建筑照明设计,除应遵守本标准外,尚应符合国家现行有关标准和规范的规定。
第二章照度标准第一节一般规定第2.1.1条民用建筑照明照度标准值应按以下系列分级:0.5、1、2、3、5、10、15、20、30、50、75、100、150、200、300、500、750、1000、1500和2000lx。
建筑照明设计标准中华人民共和国国家标准建筑照明设计标准Standard for lighting design of buildingsGB 50034—2004前言本标准系在原国家标准《民用建筑照明设计标准》GBJl33———90和《工业企业照明设计标准》GB 50034——-92的基础上,总结了居住、公共和工业建筑照明经验,通过普查和重点实测调查,并参考了国内外建筑照明标准和照明节能标准经修订、合并而成.其中照明节能部分是由国家发展和改革委员会环境和资源综合利用司组织主编单位完成的。
本标准由总则、术语、一般规定、照明数量和质量、照明标准值、照明节能、照明配电及控制、照明管理与监督共八章和二个附录组成。
主要规定了居住、公共和工业建筑的照明标准值、照明质量和照明功率密度.2 术语3 一般规定3。
1 照明方式和照明种类3.1.1 按下列要求确定照明方式:1 工作场所通常应设置一般照明;2 同一场所内的不同区域有不同照度要求时,应采用分区一般照明;3 对于部分作业面照度要求较高,只采用一般照明不合理的场所,宜采用混合照明;4 在一个工作场所内不应只采用局部照明.3。
1.2 按下列要求确定照明种类:1 工作场所均应设置正常照明2 工作场所下列情况应设置应急照明;1)正常照明因故障熄灭后,需确保正常工作或活动继续进行的场所,应设置备用照明;2)正常照明因故障熄灭后,需确保人员安全疏散的出口和通道,应设置疏散照明。
3 大面积场所宜设置值班照明。
4 有警戒任务的场所,应根据警戒范围的要求设置警卫照明。
5 有危及航行安全的建筑物、构筑物上,应根据航行要求设置障碍照明。
4 照明数量和质量4.1 照度4.1.1 照度标准值应按0.5、1、3、5、10、15、20、30、50、75、100、150、200、300、500、750、1000、1500、2000、3000、5 0001x分级。
4.1.2 本标准规定的照度值均为作业面或参考平面上的维持平均照度值.各类房间或场所的维持平均照度值应符合第5章的规定.4.1.3 符合下列条件之一及以上时,作业面或参考平面的照度,可按照度标准值分级提高一级。
照度标准值按0.5、1、3、5、10、15、20、30、50、75、100、150、200、300、500、750、1000、1500、2000、3000 、5000lx 分级。
lx(勒克斯)为照度单位。
照度标准值分级以在主观效果上明显感觉到照度的最小变化,照度差大约为1.5倍,该分级与CIE国际发光照明委员会标准《室内工作场所照明的分级大体一致。
中华人民共和国国家标准《建筑照明设计标准》规定了新建、改建和扩建的居住、公共和工业建筑的一般照度标准值。
房间(场所)参考平面及其高度照度标准值(lx)居住建筑起居室(一般活动)0.75m水平面100居住建筑起居室(书写阅读)0.75m水平面300宜用混合照明居住建筑餐厅0.75m餐桌面150图书馆一般阅览室0.75m水平面300办公建筑普通办公室0.75m水平面300一般超市营业厅0.75m水平面300医院候诊室、挂号厅0.75m水平面200学校教室课桌面300学校教室黑板黑板面500公用场所普通走廊、流动区域地面50公用场所自动扶梯地面50工业建筑机械加工粗加工0.75m水平面200工业建筑机械加工一般加工公差≥0.1mm0.75m水平面300应另加局部照明工业建筑机械加工精密加工公差<0.1mm0.75m水平面500应另加局部照明符合下列条件之一及以上时,作业面或参考平面的照度,可按照度标准值分级提高一级。
视觉要求高的精细作业场所,眼睛至识别对象的距离大于5 ( X ) nun 时;连续长时间紧张的视觉作业,对视觉器官有不良影响时;识别移动对象,要求识别时间短促而辨认困难时;视觉作业对操作安全有重要影响时;识别对象亮度对比小于0.3时;作业精度要求较高,且产生差错会造成很大损失时;视觉能力低于正常能力时;建筑等级和功能要求高时。
符合下列条件之一及以上时,作业面或参考平面的照度,可按照度标准值分级降低一级。
进行很短时间的作业时;作业精度或速度无关紧要时;建筑等级和功能要求较低时。
建筑照明设计标准》GB50034-2013目录前言1总则2术语3基本规定3.1照明方式和种类3.2照明光源选择3.3照明灯具及其附属装置选择4照明数量和质量4.1照度4.2照度均匀度4.3眩光限制4.4光源颜色4.5反射比5照明标准值5.1一般规定5.2居住建筑5.3公共建筑5.4工业建筑5.5通用房间或场所6照明节能6.1一般规定6.2照明节能措施6.3照明功率密度限值6.4天然光利用7照明配电及控制7.1照明电压7.2照明配电系统7.3照明控制附录A统一眩光值(UGR)附录B眩光值(GR)本标准用词说明引用标准名录前言前言根据住房和城乡建设部《关于印发<2011年工程建设标准规范制订、修订计划>的通知》(建标[2011]17号)的要求,由中国建筑科学研究院会同有关单位对原国家标准《建筑照明设计标准》GB50034-2004进行全面修订而成。
本标准在编制过程中,标准编制组经广泛调查研究,认真总结实践经验,参考有关国际标准和国外先进标准,并在广泛征求意见的基础上,最后经审查定稿。
本标准共分7章2个附录,主要内容包括:总则、术语、基本规定、照明数量和质量、照明标准值、照明节能、照明配电及控制等。
本标准修订的主要技术内容是:修改了原标准规定的照明功率密度限值;补充了图书馆、博览、会展、交通、金融等公共建筑的照明功率密度限值;更严格地限制了白炽灯的使用范围;增加了发光二极管灯应用于室内照明的技术要求;补充了科技馆、美术馆、金融建筑、宿舍、老年住宅、公寓等场所的照明标准值;补充和完善了照明节能的控制技术要求;补充和完善了眩光评价的方法和范围;对公共建筑的名称进行了规范统一。
本标准中以黑体字标志的条文为强制性条文,必须严格执行。
本标准由住房和城乡建设部负责管理和对强制性条文的解释,由中国建筑科学研究院负责具体技术内容的解释。
执行过程中如有意见和建议,请寄送中国建筑科学研究院(地址:北京市朝阳区北三环东路30号,邮编:100013)。
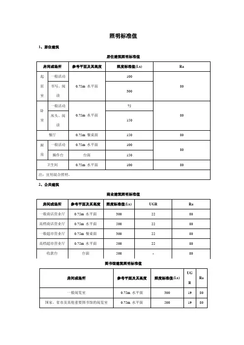
【照明标准】国内照明标准值参考国内照明标准值参考1、居住建筑居住建筑照明标准值房间或场所参考平面及其高度照度标准值(Lx) Ra起居室一般活动0.75m 水平面10080 书写、阅读300卧室一般活动0.75m 水平面7580 床头、阅读150餐厅0.75m 餐桌面150 80厨房一般活动0.75m 水平面10080 操作台台面150卫生间0.75m 水平面100 80 注:宜用混合照明。
2、公共建筑商业建筑照明标准值房间或场所参考平面及其高度照度标准值(Lx) UGR Ra 一般商店营业厅0.75m 水平面300 22 80 高档商店营业厅0.75m 水平面500 22 80 一般超市营业厅0.75m 餐桌面300 22 80 高档超市营业厅0.75m 水平面500 22 80 收款台台面500 - 80 图书馆建筑照明标准值房间或场所参考平面及其高度照度标准值(Lx)UGR Ra一般阅览室0.75m 水平面300 19 80国家、省市及其他重要图书馆的阅览室0.75m 水平面500 19 80 老年龄阅览室0.75m 餐桌面500 19 80 珍善本与图书阅览室0.75m 水平面500 19 80陈列室、目录厅(室)出纳厅0.75m 水平面300 19 80书库0.25m 水平面50 - 80 工作间0.75m 水平面300 19 80 办公建筑照明标准值房间或场所参考平面及其高度照度标准值(Lx) UGR Ra 普通办公室0.75m 水平面300 19 80 高档办公室0.75m 水平面500 19 80 会议室0.75m 餐桌面300 19 80 接待室、前台0.75m 水平面300 - 80 营业厅0.75m 水平面300 22 80 设计室实际工作面500 19 80文件整理、复印、发行室0.75m 水平面300 - 80资料档案室0.75m 水平面200 - 80 旅馆建筑照明标准值房间或场所参考平面及其高度照度标准值(Lx) UGR Ra客房一般活动区0.75m 水平面75 - 80 床头0.75m 水平面150 - 80 写字台台面300 - 80 卫生间0.75m 水平面150 - 80中餐厅0.75m 水平面200 22 80西餐厅、酒吧间、咖啡厅0.75m 水平面100 - 80多功能0.75m 水平面300 22 80 门厅、总服务台地面300 - 80 休息厅地面200 22 80 客房层走廊地面50 - 80 厨房台面200 - 80 洗衣房0.75m 水平面200 - 80 学校建筑照明标准值房间或场所参考平面及其高度照度标准值(Lx) UGR Ra教室课桌面300 19 80 实验室实验桌面300 19 80 美术教室桌面500 19 90 多媒体教室0.75m 水平面300 19 80 教室黑板黑板面500 - 80 医院建筑照明标准值房间或场所参考平面及其高度照度标准值(Lx) UGR Ra 治疗室0.75m 水平面300 19 80 化验室0.75m 水平面500 19 80 手术室0.75m 水平面750 19 90 诊室0.75m 水平面300 19 80 候诊室、挂号0.75m 水平面200 19 80厅病房地面100 22 80 护士站0.75m 水平面300 - 80 药房0.75m 水平面500 19 80 重症监护房0.75m 水平面300 19 80 展览馆展厅照明标准值房间或场所参考平面及其高度照度标准值(Lx) UGR Ra 一般展厅地面200 22 80 高档展厅地面300 22 80 注:高于6m的展厅Ra可降低到60。
5 照明标准值5.1 居住建筑5.1.1 居住建筑照明标准值宜符合表5.1.1的规定。
5.2 公共建筑5. 2. 1 图书馆建筑照明标准值应符合表5.2.1的规定。
5.2 .2 办公建筑照明标准值应符合表5. 2. 2的规定。
5. 2. 5 旅馆建筑照明标准值符合表5.2.5的规定。
5. 2. 6 医院建筑照明标准应符合表5.2.6的规定。
5. 2. 7 学校建筑照明标准值应符合表5.2.7的规定!5. 2. 8 博物馆建筑陈列室展品照明标准值不应大于表5. 2. 8的规定。
5. 2. 9 展览馆展厅照明标准值应符合表5.2.9的规定。
5. 2. 10 交通建筑照明标准值应符合表5.2.10的规定。
5. 2. 11 体育建筑照明标准值应符合下列规定:1 无彩电转播的体育建筑照度标准值应符合表5.2.11-1的规定;2 有彩电转播的体育建筑照度标准值应符合表5.2.11-2的规定;3 体育建筑照度标准值应符合表5.2.11-3的规定。
5. 3 工业建筑5. 3. 1 工业建筑一般照明标准值应符合表5.3.1的规定。
5. 4 公用场所5. 4. 1 公用场所照明标准值应符合表5.4.1的规定。
5.4.2 应急照明的照度标准值宜符合下列规定:1 备用照明的照度值除另有规定外,不低于该场所一般照明照度值的10%;2 安全照明的照度值不低于该场所一般照明照度值的5%;3 疏散通道的疏散照明的照度值不低于0.51x6 照明节能----》》7 照明配电及控制-----》》8 照明管理与监督----》》附录A 统一眩光值(UGR) ----》》附录B 眩光值(GR) ----》》条文说明----》》标签: 各类标准票数:0我顶【发起辩论】[手机订阅][收藏到我的网摘][推荐] | [评论] | [举报] | [打印]本文章被推荐到了0个圈子。
5-照明标准值
5 照明标准值
5.1 居住建筑
5.1.1 居住建筑照明标准值宜符合表5.1.1的规定。
5.2 公共建筑
5. 2. 1 图书馆建筑照明标准值应符合表
5.2.1的规定。
5. 2. 5 旅馆建筑照明标准值符合表5.2.5的规定。
5. 2. 6 医院建筑照明标准应符合表5.2.6的规定。
5. 2. 7 学校建筑照明标准值应符合表5.2.7的规定!
5. 2. 8 博物馆建筑陈列室展品照明标准值不应大于表5. 2. 8的规定。
5. 2. 9 展览馆展厅照明标准值应符合表5.2.9的规定。
5. 2. 10 交通建筑照明标准值应符合表
5.2.10的规定。
5. 2. 11 体育建筑照明标准值应符合下列规定:
1 无彩电转播的体育建筑照度标准值应符合表5.2.11-1的规定;
2 有彩电转播的体育建筑照度标准值应符合表5.2.11-2的规定;
3 体育建筑照度标准值应符合表5.2.11-3的规定。
5. 3 工业建筑
5. 3. 1 工业建筑一般照明标准值应符合表5.3.1的规定。
5. 4 公用场所
5. 4. 1 公用场所照明标准值应符合表5.4.1的规定。
5.4.2 应急照明的照度标准值宜符合下列规定:
1 备用照明的照度值除另有规定外,不低于该场所一般照明照度值的10%;
2 安全照明的照度值不低于该场所一般照明照度值的5%;
3 疏散通道的疏散照明的照度值不低于0.51x
6 照明节能----》》
7 照明配电及控制-----》》
8 照明管理与监督----》》
附录A 统一眩光值(UGR) ----》》
附录B 眩光值(GR) ----》》
条文说明----》》
标签: 各类标准
票数:0
我顶
【发起辩论】[手机订阅][收藏到我的网摘]
[推荐] | [评论] | [举报] | [打印]
本文章被推荐到了0个圈子。