压差表5Pa的来源
- 格式:pdf
- 大小:251.03 KB
- 文档页数:4
编号: 替代:A3S 声光报警式数字压差表标准操作规程 第1页 共10页起草人/日期: 审核人/日期: 批准人/日期:颁发部门: 分发至:实施日期: 年 月 日1. 目的建立A3S 声光报警式数字压差表操作规程,通过对洁净空调系统初效、中效过滤器、洁净区高效过滤器及洁净区房间压差表的监测,使洁净区房间压差控制符合GMP 法规对压差的要求,并采取有效监控方法,确保洁净区压差处于良好受控状态,最终保证洁净区不受外来环境污染或洁净区之间的交叉污染。
2. 编制依据国家药品监督管理局《药品生产质量管理规范》 2010版药品GMP 指南GB/T 14295-2008《空气过滤器》 A3S 声光报警数字式压差表操作手册3. 范围本标准适用于:_______车间______级洁净区房间压差的调整、监控、纠偏处理。
________洁净空调系统初、中、高效过滤器及房间高效过滤器的压差监控、纠偏处理。
4. 责任z生产部:负责对洁净区房间的压差和洁净区高效过滤器压差进行日常监测、记录,并将每天测试结果、压差异常情况及时反馈到工程部人员; z工程部:负责对空调机组初、中效过滤器压差进行监控和对压差异常情况进行纠偏;配合生产部人员对洁净区的压差进行测试与调整,并对洁净区压差超标实行纠偏处理;确保压差计使用前进行必要的校验; z质量部:对本规程实施负责,监督规程正常实施。
5. 正文5.1 压差表安装仪表安装分为表面安装和嵌入式安装,操作规程如下:仪表安装之前应首先确认仪表的规格和尺寸如图5.1所示。
图5.1 仪表规格尺寸因仪表为垂直状态下校准,必须确定仪表安装方式为垂直安装。
5.1.1 表面安装方式在直径为4 1/16"的圆上,钻3个大小相同且等距离的孔,与表背面的3个孔对应连接;确定接线端子位置并预留安装孔;将仪表安装到位后使用螺丝固定。
安装方式如图5.2所示。
图5.2 仪表表面安装方式示意图5.1.2 嵌入式安装方式切下一个直径为 4 9/16"的圆;将表嵌入安装位置,并将仪表与适配器相连;利用仪表所附配件将仪表固定。
在一定空间范围内,将空气中的微粒子、有害空气、细菌等污染物排除,并将室内温度、洁净度、压力、气流速度与气流分布、噪音振动及照明、静电控制在某一需求范围内的工程学科,气流→初效净化→加湿段→加热段→表冷段→中效净化→风机送风→管道→高效净化风口→吹入房间→带走尘埃细菌等颗粒→回风百叶窗→初效净化重复以上过程,即可达到净化目的,即为净化空间。
1.什么是“压差”大家都知道,“人往高处走,水往低处流”,大自然中的空气也是随风流动,实际上这种流体的运动,都离不开“压差”的作用。
在洁净区内,各个房间相对于室外大气的压力差,我们称之为“绝对压差”。
每个相邻房间、相邻区域的压力差,我们称之为“相对压差”,简称“压差”。
我们假设A房间的绝对压差为P1,B房间的绝对压差为P2,那么A-B之间的压差为△P=P2-P1。
有时候因为语言习惯,我们会把“绝对压差”和“相对压差”都简称“压差”,比如我们说“xx 房间的压差”,指的就是房间对室外的“绝对压差”,比如我们说“xx房间和xx房间的压差”指的就是两个房间的“相对压差”。
2.洁净室的换气次数和压差的关系:一个洁净室的换气次数与这个洁净室相对外界的压差大小没有关系的。
换气次数是某洁净空间单位时间内总进风量/该空间容积的商。
空间内的污染物质越多、洁净级别越高需要的换气次数越多。
空间的压力是进风量大于回风量的余量维持某一压力水平。
压差是相邻空间的压力之间的差值。
3.“压差”的作用:因为空气总是从绝对压差高的地方流向绝对压差低的地方,所以,我们必须保证洁净度越高的房间绝对压差越高,洁净度越低的房间绝对压差越低,这样,当洁净室在正常工作或房间的密闭性受到破坏时(比如开门),空气都能从洁净度高的区域流向洁净度低的区域,使高洁净级别的房间的洁净度不受到低级别房间的空气的污染和干扰。
因为这种污染和交叉污染是无形的,被很多人所忽视的,同时,这种污染又是非常严重的、不可逆转的,一旦被污染,后患无穷。
、为了保证洁净室在正常工作或空气平衡暂时受到破坏时,气流都能从空气洁净度高的区域流向空气洁净度低的区域,使洁净室的洁净度不会受到污染空气的干扰,所以洁净室必须保持一定的压差。
在国内外洁净室标准和空气洁净度等级中,对洁净室内压差值的大小都做了明确的规定。
压差值的大小应选择适当。
压差值选择过小,洁净室的压差很容易破坏,洁净室的洁净度就会受到影响。
压差值选择过大,就会使净化空调系统的新风量增大,空调负荷增加,同时使中效、高效过滤器使用寿命缩短,故很不经济。
另外,当室内压差值高于 50Pa时,门的开关就会受到影响,因此,洁净室压差值的大小应根据我国现有洁净室的建设经验,参照国内外有关标准和试验研究的结果合理地确定。
1 我国的建设经验。
自《洁净厂房设计规范》(GBJ 73-84)在 1985年颁布以来,我国按规范设计、建造了数百万平方米的各种洁净级别的洁净室,并且都经过了数年的运行考验,满足了工艺的要求。
实践经验证明,《洁净厂房设计规范》(GBJ 73-84)中有关洁净室内正压值的选择是正确的可行的。
2 国内外标准中对压差值的规定。
最新颁布发行的国际标准 ISO14644-1、美国联邦标准 FS209E、日本工业标准 JIS9920、俄罗斯国家标准ГOCTP50766-95等有关现行的洁净室标准中都明确地规定,为了保持洁净室的洁净度等级免受外界的干扰,对于不同等级的洁净室之间、洁净室与相邻的无洁净度级别的房间之间都必须维持一定的压差。
虽然各个国家规定的最小压差值不尽相同,但最小压差值都在 5Pa以上。
3 试验研究的结果。
通过试验得出,洁净室内正压值受室外风速的影响,室内正压值要高于室外风速产生的风压力。
当室外风速大于 3m/s时,产生的风压力接近5Pa,若洁净室内正压值为 5Pa时,室外的污染空气就有可能渗漏到室内。
但根据我国现行《采暖通风和空气调节设计规范》(GBJ 19)编制组提供的全国气象资料统计,全国 203个城市中有 74个城市的冬夏平均风速大于 3m/s,占总数的 %。
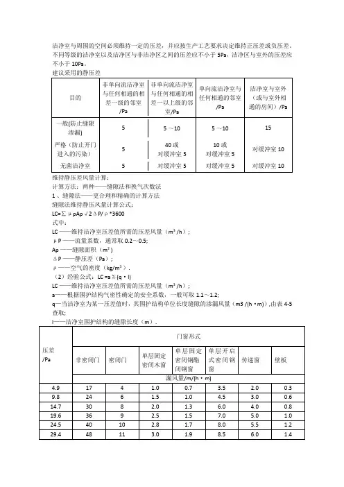
洁净室与周围的空间必须维持一定的压差,并应按生产工艺要求决定维持正压差或负压差。
不同等级的洁净室以及洁净区与非洁净区之间的压差应不小于5Pa,洁净区与室外的压差应不小于10Pa。
建议采用的静压差
维持静压差风量计算:
计算方法:两种——缝隙法和换气次数法
1、缝隙法——更合理和精确的计算方法
缝隙法维持静压风量计算公式:
LC=∑μpAp√2ΔP/ρ*3600
式中:
LC——维持洁净室压差值所需的压差风量(m3/h);
μP——流量系数,通常取0.2~0.5;
Ap——缝隙面积(m2)
ΔP——静压差(Pa);
ρ——空气的密度(kg/m3).
(2)经验公式:LC=aΣ(q·l)
LC——维持洁净室压差值所需的压差风量(m3/h);
a——根据围护结构气密性确定的安全系数,一般可取1.1~1.2;
q—当洁净室为某一压差值时,其围护结构单位长度缝隙的渗漏风量(m3/(h·m)),由表4-5查取;
2、换气次数法——用于估算,较多被采用(1)换气次数法维持静压风量计算公式:Lc=nV 式中:
L C—维持洁净室压差值所需的压差风量(m3/h); n—房间的换气次数(次/ h),由下表查取;
3
(2)换气次数的经验值。
实验室压差标准在实验室中,压差测量是流体动力学研究、气体分析、压力容器检测等领域里一个非常重要的实验项目。
本文将详细介绍实验室压差标准的各个方面。
1.压差测量原理压差测量是基于流体静力学的基本原理,即静止流体中压力与重力等效。
在两个高度不同的参考点上,测量流体静压之差即可得到压差。
一般情况下,压差测量需要使用压力传感器和高精度压力表等设备。
2.压差计量单位在实验室中,压差的计量单位通常为帕斯卡(Pa)或毫巴(mbar)。
1帕斯卡等于10000毫巴,即1Pa=10000mbar。
同时,常用的工程压力单位为大气压(atm)或巴(bar),1大气压等于101325帕斯卡,即1atm=101325Pa。
3.压差测量仪表实验室中常用的压差测量仪表有压力传感器、差压计、微差压计等。
这些仪表的原理各不相同,如压力传感器基于压电效应,差压计则是利用两个开口容器中气体压力平衡的原理。
使用时需要按照实际情况选择合适的仪表并正确安装。
4.压差标准装置建立压差标准装置需要了解装置的设计原理,选择精度高、稳定性好的压力传感器和数据处理系统。
在装置调试完成后,需要定期进行校准和维护以保证其精度和稳定性。
5.压差测量不确定度压差测量不确定度主要来源于传感器误差、环境干扰、测量方法误差等。
这些误差可以通过对各不确定度来源的统计分析来评估,并使用不确定度传播公式计算总不确定度。
6.压差测量系统实验室压差测量系统主要由压力传感器、数据采集器和计算机组成。
在构建系统时,需要选择精度高、稳定性好的传感器,并配备合适的数据采集器。
同时,要合理设计数据传输和存储方式,以便于对大量数据进行处理和分析。
7.压差校准方法实验室压差校准一般采用标准压力发生器作为标准装置,对被校准仪表进行逐级校准。
首先使用高一级的标准压力发生器产生已知压力值,然后通过级联方式逐渐传递至被校准仪表。
在每个压力级上,对被校准仪表的示值进行比对和修正,最终得到被校准仪表的校准结果。
压差表(压差计)介绍及技术参数压差表的介绍及作用:适合于空气的微压差测量,它广泛应用于制药和微电子产业对环境微压差的检测显示。
压差表可采用嵌入方式或悬挂式安装在洁净室的墙体外侧,无需电源,灵敏度高,测量精度较高。
是一种超低量程、廉价、结构牢固的现场指示仪表,它是利用无磨擦的Magnehelic 运动原理,消除了磨损、迟滞和间隙。
无充液,不会汽化和冻结,可迅速指示出低压、非腐蚀气体的压力(正压、负压(真空)和差压)。
有81种量程,最小量程0-60Pa(或0-6mm 水柱或0-0.25英寸水柱)。
这种设计具有防震动、摇动和高抗过压能力。
技术参数:主要技术指标:精度:精度2% FS(后缀0为3% ;后缀00为4% )额定压力:-0.7~1Kg/cm2连接:1/8" NPT内螺纹,两对高、低压接口,分别在侧面和背面过压:约1.75Kg/cm2时泄放口自动打开环境温度:-5℃~60℃重量0.5Kg外壳:铸铝外壳,主体和部件通过168小时喷盐雾试验,外部暗灰色涂层。
标准附件:两个1/8" NPT螺纹接头,用作高、低压接头并可与橡胶管联结;两个1/8" NPT 堵头,用于堵住多余的口;三个带螺纹的埋头安装连接件。
据国家GMP药品生产验证指南对洁净厂房的要求,我们建议选型:1.对车间或房间加正微压(5-10Pa),选用0-60Pa微差压计。
2.检查粗、中、高效空气过滤器的过滤效果,选用2000-125、250Pa、500Pa或1Kpa 等差压计,随时观测过滤网的压差,以便更换过滤器。
特点:1.专用于微压测量的磁螺旋原理2.高精度2%3.无惯性无漂移指针指示,清晰易读4.多种量程可选!工作原理以橡胶膜片作为敏感元件的弹性式压力仪表。
当差压(包括正压,负压)作用于膜片时。
膜片产生变形,使膜片中心位移,通过弹性连接件带动装有磁钢的片簧移动,受磁性感应使装有指针的螺旋轴转动,从而在刻度盘上指示压力的数据,达到测量压力的目的。
压差表的工作原理和正确安装方法
压差表是一种用于测量管道内流体压力差的仪器,广泛应用于化工、石油、制药、食品等行业。
它能够准确地显示管道内的压力差,帮助工程师和操作人员监控流体流动情况,保证系统的正常运行。
本文将介绍压差表的工作原理和正确的安装方法,以帮助读者更好地了解和使用这一仪器。
首先,我们来了解一下压差表的工作原理。
压差表通过测量管道内两点之间的压力差来确定流体的流动情况。
当流体在管道内流动时,会产生一定的阻力,导致管道内的压力发生变化。
压差表通过测量这种压力变化来判断管道内的流体流动状态。
一般来说,压差表会有两个连接管道,分别连接到管道内的两个测压点,通过这两个测压点的压力差来确定流体的流动情况。
正确安装压差表是保证其准确工作的关键。
首先,要选择合适的安装位置。
一般来说,应该选择管道内流速较高的位置,以确保能够准确地测量流体的压力差。
其次,安装时要注意避免管道内的异物对压差表的影响,可以在压差表前后设置过滤器或者阀门来保护压差表。
另外,还需要注意保证连接管道的密封性,避免压力泄漏对测量结果的影响。
最后,安装完毕后,需要对压差表进行校准,以确保其测量结果的准确性。
总的来说,压差表通过测量管道内的压力差来确定流体的流动情况,是一种非常重要的测量仪器。
正确的安装和使用方法能够保证其准确地反映管道内流体的流动状态,帮助工程师和操作人员及时发现问题并进行处理。
希望通过本文的介绍,读者能够更好地了解压差表的工作原理和正确的安装方法,从而更好地应用于实际工程中。
德国Fischer压力表FISCHER Mess- und Regeltechnik GmbH是家族企业,总部位于德国Bad Salzuflen,德国Ostwestfalen-Lippe的中心。
自1950年以来,FISCHER公司一直致力于测量和控制技术领域的新解决方案,每年,将营业额的10%投资于开发和研究。
FISCHER为您提供全面的基于测量、仪表和物理变量控制的解决方案,如压力、压差、温度、液位监测和流量。
FISCHER也可以根据要求在其他测量工艺中添加此类系统。
因此,FISCHER建立了一个系统架构,满足您对机器无故障、平稳运行和经济生产流程的特定要求。
由于使用了FISCHER仪表和控制工程,您可以简化和优化生产流程,并获得以下优势:➢探弱点(带有关联值)➢探测泄漏,减少损失➢减少消耗➢降低运营成本FISCHER专有技术-客户定制解决方案除标准设备外,FISCHER还以OEM形式开发和制造与测控技术相关的解决方案。
OEM产品主要是为直接集成在完整解决方案中而制造。
OEM产品一方面完全符合客户的系统架构,另一方面在经济上很有吸引力。
因此,FISCHER特别强调在OEM设备开发阶段期间与客户的持续沟通。
适用于监控测量仪表,如压力、差压、温度、流量、液位,湿度还有控制系统,数据采集和远程数据传输。
产品从直接读压力开关到复杂网络控制系统。
主要应用于暖通空调、过滤设备、工业窑炉、可再生能源,汽车涂装、泵、风机、室内环境控制等,比如:无尘室/洁净室。
产品的应用1.洁净室,压差测量:完美的压力压差,流体测量设备–来自FISCHER洁净室可以在许多工业领域和临床环境中找到,例如,在制药工业、半导体和太阳能工业、航空航天工程、纳米技术、医学工程、研究、药房,洁净室安装在需要保护产品不受空气颗粒物污染的任何地方。
为了将洁净室与周围房间分开,防止颗粒物渗入,根据洁净室的分类,安装了适当的通风系统,形成压力级联。
关于微压差表的测量2011年3月1日实施的《药品生产质量管理规范》对药品生产区作了明确的规定。
各单位都是使用微压差表这一计量器具来进行环境控制。
而我国没有现行微压差表的检定规程,法定计量检定机构无法对其进行量值传递。
作为计量工作者,现根据其技术指标等,编制测量依据,规定了检定项目、检定方法等内容,保证其溯源到国家标准,供大家探讨。
标签:微压差表计量检定/校准检定项目结果判定检定周期2011年3月1日实施的《药品生产质量管理规范》第四章(厂房与设施)第四十八条对药品生产区作了明确的规定:应当保证药品的生产环境符合要求;洁净区与非洁净区之间、不同级别洁净区之间的压差应当不低于10Pa ;必要时,相同洁净度级别的不同功能区域(操作间)之间也应当保持适当的压差梯度。
《中华人民共和国药品管理法》也明确规定了被污染的药品应作假药论处。
各药厂以及微电子、航天航空、环保工程、生物工程行业是使用微压差表来进行环境控制。
我国没有现行微压差表的检定规程,执法部门无法对其进行监管,法定计量检定机构无法对其进行量值传递。
作为计量工作者,对压差表进行了大量研究和试验以及实际使用情况和技术指标等,编制微压差表的计量测量依据,保证其能溯源到国家测量标准,供大家探讨。
1 调研说明目前市场上微压差表规格型号繁多,作为弹性体其材料也各有不同,如有用橡胶膜片、有用红油等。
但其原理和功能基本一致,都是采用无摩擦的磁性部件,迅速測量出空气或其它气体的微压。
2 编制原则压力计量根据被测压力的高低,对压力仪表进行了分类:微压、低压、中压、高压、超高压,5kPa以下属微压。
编制时。
①能保证微压差表的量值能溯源到国家压力基准(-1.5kPa~1.5kPa,-2.5kPa~2.5kPa;±0.1Pa)和国家压力一等标准(-100kPa~250kPa),保证其先进性、法制性。
②既要考虑被检器具测量范围小,又要考虑现场各种安装环境。
在选用检定标准计量器具和检定方法上对微压差表的结构原理、技术指标进行分析,力求准确适用,满足测量精度要求。
0-60pa压差表的检定证书
摘要:
1.压差表的概述
2.0-60pa 压差表的含义
3.压差表的检定证书
4.0-60pa 压差表的检定过程
5.0-60pa 压差表的检定结果
6.结论
正文:
一、压差表的概述
压差表是一种测量流体压力差的仪器,广泛应用于各种工业领域,如制药、微电子、化工等行业。
它能够测量流体中的微小压力差异,对于保证生产过程的稳定性和产品质量有着重要的作用。
二、0-60pa 压差表的含义
0-60pa 压差表是一款测量范围在0-60pa 之间的压力差表,主要用于测量空气的微压差。
在制药和微电子产业对环境微压差的检测显示方面,有着广泛的应用。
三、压差表的检定证书
压差表的检定证书是由权威的检定机构出具的,证明压差表已经经过检定,并且符合相关标准的证书。
这份证书对于压差表的使用者来说,是保证压差表质量的重要依据。
四、0-60pa 压差表的检定过程
0-60pa 压差表的检定过程主要包括以下几个步骤:
1.检定前的准备:检查压差表的外观,确保无损坏;检查检定设备是否完好。
2.校准:使用标准压力源对压差表进行校准,确保其测量结果准确。
3.测量:使用标准样品对压差表进行测量,记录测量结果。
4.分析:将测量结果与标准样品的理论值进行对比,分析压差表的准确度。
5.检定结束:出具检定证书,记录检定结果。
五、0-60pa 压差表的检定结果
经过检定,0-60pa 压差表的各项指标均符合相关标准,可以正常使用。
六、结论
0-60pa 压差表是一款重要的测量仪器,其检定证书是保证其质量的重要依据。
压差表工作原理
压差表是一种用来测量流体压力差的仪器,它在工业生产中具有非常重要的作用。
压差表的工作原理主要基于流体力学和压力传感器技术,下面我们来详细介绍一下压差表的工作原理。
首先,压差表通过测量流体在管道中的压力差来确定流体的流速和流量。
当流体在管道中流动时,会产生一定的阻力,这个阻力会导致管道两端的压力不同,而这种压力差就是压差表需要测量的对象。
压差表通过安装在管道两端的压力传感器来感知这种压力差,然后将其转化为电信号输出。
其次,压差表的工作原理还涉及到压力传感器的工作原理。
压力传感器是一种能够将压力信号转化为电信号的传感器,它通常采用压阻式、电容式或振动式等原理来实现。
当压力传感器受到流体压力的作用时,会产生相应的变化,这种变化会被传感器转化为电信号输出。
压差表通过采集这些电信号,并经过放大、滤波、数字化等处理,最终将压力差的数值显示在仪表上。
此外,压差表还需要考虑流体的密度和粘度对压力差的影响。
由于不同流体的密度和粘度不同,同样的流速下会产生不同的压力差。
因此,压差表在工作时需要根据流体的性质进行修正,以确保测量结果的准确性。
总之,压差表的工作原理是基于流体力学和压力传感器技术的,通过测量管道中流体的压力差来确定流速和流量。
它通过压力传感器将压力差转化为电信号,并经过处理后显示在仪表上。
在实际应用中,我们需要注意流体性质的影响,并根据需要进行修正,以确保测量结果的准确性和可靠性。
6.2.1、6.2.2为了保证洁净室在正常工作或空气平衡暂时受到破坏时,气流都能从空气洁净度高的区域流向空气洁净度低的区域,使洁净室的洁净度不会受到污染空气的干扰,所以洁净室必须保持一定的压差。
在国内外洁净室标准和空气洁净度等级中,对洁净室内压差值的大小都做了明确的规定。
压差值的大小应选择适当。
压差值选择过小,洁净室的压差很容易破坏,洁净室的洁净度就会受到影响。
压差值选择过大,就会使净化空调系统的新风量增大,空调负荷增加,同时使中效、高效过滤器使用寿命缩短,故很不经济。
另外,当室内压差值高于50Pa时,门的开关就会受到影响,因此,洁净室压差值的大小应根据我国现有洁净室的建设经验,参照国内外有关标准和试验研究的结果合理地确定。
1我国的建设经验。
自《洁净厂房设计规范》(GBJ73-84)在1985年颁布以来,我国按规范设计、建造了数百万平方米的各种洁净级别的洁净室,并且都经过了数年的运行考验,满足了工艺的要求。
实践经验证明,《洁净厂房设计规范》(GBJ73-84)中有关洁净室内正压值的选择是正确的可行的。
2国内外标准中对压差值的规定。
最新颁布发行的国际标准ISO14644-1、美国联邦标准FS209E、日本工业标准JIS9920、俄罗斯国家标准ГOCTP50766-95等有关现行的洁净室标准中都明确地规定,为了保持洁净室的洁净度等级免受外界的干扰,对于不同等级的洁净室之间、洁净室与相邻的无洁净度级别的房间之间都必须维持一定的压差。
虽然各个国家规定的最小压差值不尽相同,但最小压差值都在5Pa以上。
3试验研究的结果。
通过试验得出,洁净室内正压值受室外风速的影响,室内正压值要高于室外风速产生的风压力。
当室外风速大于3m/s时,产生的风压力接近5Pa,若洁净室内正压值为5Pa时,室外的污染空气就有可能渗漏到室内。
但根据我国现行《采暖通风和空气调节设计规范》(GBJ19)编制组提供的全国气象资料统计,全国203个城市中有74个城市的冬夏平均风速大于3m/s,占总数的36.4%。
空气洁净度等级的划分:一般在洁净室内有登记的,采用多种工序操作时,应根据各工序不同的要求,采用不同的空气洁净度等级,依据工序要求确定等级。
医药工业药生产工序的洁净级别和洁净区的划分,应参照《药品生产质量管理规X》中制剂和原料药工艺内容与环境区域划分而定。
药品生产洁净室的空气洁净度划分为四个等级。
在满足生产工艺要求的前提下,首先应采用低洁净等级的洁净湿或局部空气净化;其次可采用局部工作区域空气净化和第等级全市空气净化相结合或采用全面空气净化。
附表:空气洁净度等级表备注:国际通用说法为1—9级,但通俗说法常以0.1UM悬浮粒子数为标准而称为十级,百级等.2 洁净室内洁净新鲜空气量应取下列二项中的最大值:补偿室内排风量和保持室内正压值所需新鲜空气之和.保证供给洁净室内每人每小时的新鲜空气不小于40立方.3 洁净室与周围的空间必须维持一定的压差.不同等级的洁净室以与洁净区与非洁净区之间的压差,应不小于5PA,洁净区与室外的压差应不小于10PA.4 送风、回风和排风系统的启闭应联锁.正压洁净室联锁程序为先启动送风机,再启回风机和排风机;关闭时联锁程序应相反.5 洁净室送风量,应取下列三项中的最大值:为保证空气洁净度等级的送风量,根据热、湿负荷计算确定的送风量,向洁净室风供给的新鲜空气量.室内人员少、热源少时,宜采用下限值,换气次数适用于层高小于4.0米的洁净室.6 单向流洁净室内不宜布置洁净工作台,非单向流洁净室的回风口宜远离洁净工作台.7 需排风的工艺设备宜布置在洁净室的下风侧.8 洁净室内产生粉尘和有害气体的工艺设备,尖设局部排风装置.9 空气洁净度高于6级的洁净室内不应设地漏.一般照明最低照度值是指距墙面1M,距地面为0.75M假定工作面上最低照度.洁净厂房应设置空调系统等的自动控制系统.净化空调系统电加热器,应设置无风、超温断电保护.若采用电加湿器时应设置无水保护.洁净室的空调净化系统要采取防静电接地措施.药品GMP认证检查评定标准一、机构与人员●检查项目*0301—0701共17项●其中关键项目8项,一般项目9项1、〔*0301〕企业应建立药品生产和质量管理机构,明确各级机构和人员的职责。
新版GMP的主要变化及对质量保证体系的要求
陕西省药品不良反应监测中心
王力
2010 .7 南京
主要变化:厂房与设施
•我国现行GMP规定,不同空气洁净度等级相邻洁净室之间的静压差应大于5Pa,洁净区与非洁净区之间的静压差应大于10Pa。
主要变化:厂房与设施
•此规定是人为的,我国执行的计量单位为公制单位,故长度的最小刻度为1mm,1mm 水柱等于10Pa。
专家们经测试认为:人的眼睛最小分辩率为最小刻度的一半,1mm的一半即O.5mm, O.5mm水柱为5Pa。
(1mm 汞柱为133 .322Pa )
主要变化:厂房与设施
•在英、美等国家,执行的是英制单位。
其长度单位的最小刻度为0.1英吋,0.1英吋等于2.54mm。
故规定洁净区与非洁净区的静压差为25.4Pa,相邻洁净室之间的静压差为12.7Pa(10-15Pa)。