圆锥圆柱齿轮减速器设计说明书
- 格式:doc
- 大小:1.77 MB
- 文档页数:35
二级圆锥-圆柱齿轮减速器摘要减速器是各类机械设备中广泛应用的传动装置。
减速器设计的优劣直接影响机械设备的传动性能。
减速器是原动机和工作机之间的独立的闭式传动装置,用来降低转速和增大转矩,以满足工作需要,在某些场合也用来增速,称为增速器。
选用减速器时应根据工作机的选用条件,技术参数,动力机的性能,经济性等因素,比较不同类型、品种减速器的外廓尺寸,传动效率,承载能力,质量,价格等,选择最适合的减速器。
减速器的类别、品种、型式很多,目前已制定为行(国)标的减速器有40余种。
减速器的类别是根据所采用的齿轮齿形、齿廓曲线划分;减速器的品种是根据使用的需要而设计的不同结构的减速器;减速器的型式是在基本结构的基础上根据齿面硬度、传动级数、出轴型式、装配型式、安装型式、联接型式等因素而设计的不同特性的减速器。
齿轮传动是现代机械中应用最广的一种传动形式。
它的主要优点是:○1瞬时传动比恒定,工作平稳,传动准确可靠,可传递空间任意两轴间的运动和动力○2适用的功率和速度范围广○3传动效率高○4工作可靠,使用寿命长○5外轮廓尺寸小,结构紧凑。
1绪论随着社会的发展和人民生活水平的提高,人们对产品的需求是多样化的,这就决定了未来的生产方式趋向多品种、小批量。
在各行各业中十分广泛地使用着齿轮减速器,它是一种不可缺少的机械传动装置. 它是机械设备的重要组成部分和核心部件。
目前,国内各类通用减速器的标准系列已达数百个,基本可满足各行业对通用减速器的需求。
国内减速器行业重点骨干企业的产品品种、规格及参数覆盖范围近几年都在不断扩展,产品质量已达到国外先进工业国家同类产品水平,承担起为国民经济各行业提供传动装置配套的重任,部分产品还出口至欧美及东南亚地区,推动了中国装配制造业发展。
1.1 本设计的目的及意义目的:A 通过设计熟悉机器的具体操作,增强感性认识和社会适应能力,进一步巩固、深化已学过的理论知识,提高综合运用所学知识发现问题、解决问题的能力。
机械课程设计—圆锥-圆柱齿轮减速器一、设计任务1.总体任务布置图:2.设计要求:连续单向运转,载荷较平稳,空载起动,运输带允许误差为5%。
使用期限为10年,小批量生产,两班制工作。
3.原始数据:运输机工作拉力:2400N运输带工作速度:1.5m/s卷筒直径:260mm4.设计内容;1)电动机的选择与参数计算2) 斜齿轮传动设计计算 3) 轴的设计4) 滚动轴承的选择与校核 5) 键和联轴器的选择与校核 6) 转配图、零件图的绘制 7)设计说明书的编号5. 设计任务减速器总装配图一张 齿轮、轴零件图各一个 设计计算一份二、选择电动机1. 电动机类型和结构型式 按工作要求和工作条件,选用一般用途的Y 系列全封闭自扇冷式笼型三相异步电动机,电源电压喂380V 。
2. 电动机容量电动机所需工作功率为: ηwd P P =工作及所需功率为:1000FvP w =传动装置的总效率: 5243241ηηηηηη=按《课程设计》表2-5确定各部分的效率为:滚动轴承效率(一对)98.01=η,圆柱齿轮传动效率98.02=η;圆锥齿轮传动效率97.03=η;弹性联轴器效率99.04=η;卷筒轴滑动轴承效率96.05=η;则83.096.099.097.098.098.024=⨯⨯⨯⨯=ηkW Fv P d 33.483.010005.124001000=⨯⨯==η由第六章,U 系列电动机技术数据,选电动机的额定功率ed P 为5.5kW 。
3. 确定电动机转速查表2-4得二级圆锥-圆柱齿轮减速器的传动比为8~15,而滚筒轴工作转速min /r 18.1102605.1100060100060=⨯⨯⨯=⨯=ππD v n w故电动机转速的可选范围为min /7.1652~47.881min /18.110)15~8(r r in n w d =⨯==4. 选择电动机的型号,由表6-164得由表可知,方案2传动比较小,传动装置结构尺寸较小,因此采用方案2,即选定电动机型号为Y132M2-6。
圆锥-圆柱齿轮减速器设计书指导教师(签字):年月日系(教研室)主任(签字):年月日机械设计设计说明书圆锥—圆柱齿轮减速器起止日期: 2012年10 月 11 日至 2013年 1 月 5 日学生姓名陈达班级机设1001学号10405100111成绩指导教师(签字)机械工程学院(部)2012年01月05日目录1 传动方案的设计 (3)2 电机的选择 (3)3 运动和动力参数的计算 (4)4 V带传动设计计算 (6)5 齿轮设计计算 (7)6 轴的机构设计计算 (17)7 轴承的校核 (23)8 键的选择及校核计算 (26)9 联轴器的选择 (27)10减速器箱体及附件的设计 (27)11 润滑与密封 (29)12 密封的方法 (30)13 窥视及视孔盖 (30)14 放油孔螺栓及油尺 (30)15 启盖螺钉 (31)16 设计小结 (31)17 附图······················1、传动方案的设计在电机与运输带之间布置一台二级圆锥-圆柱齿轮减速器,高速级布置直齿圆锥齿轮传动轴端选择弹性联轴器。
图1-1所以为输送机机传动的系统简图。
图 1-1 2、电动机的选择(1)计算滚筒的工作转速卷筒nmin/81.3914.336060100075.0601000rad D v n =⨯⨯⨯=⨯⨯=π卷筒(2)工作机的功率w Pkw FV P w 025.575.0100067001000=⨯==(3)传动系统的总效率为 设cy η-输送机滚筒效率,取0.9645η-输送机滚筒轴至输送带之间的传动效率,取0.97 c η-联轴器效率,取0.99g η-闭式圆柱齿轮传动效率,取0.97,g η-闭式圆锥齿轮传动效率,取0.97b η-滚动轴承效率,取0.990.95040.96×99.00.98010.99×99.0×0.96030.97×99.0×0.96030.97×99.099.045c 34g 23'1201=============cyb b b g b ηηηηηηηηηηηηη 8504.09504.09801.09603.099.02453442321201=⨯⨯⨯==ηηηηηη(4)电动机所需功率为KW P P w d 911.58504.0/025.5/===η由表12-1可知,满足d e P P ≥条件的Y 系列三相异步电动机额定功率e P 应取7.5KW 。
两级圆锥圆柱齿轮减速器设计说明书设计说明书:两级圆锥圆柱齿轮减速器一、引言1.1 项目背景1.2 目的和范围1.3 参考文献二、需求分析2.1 性能指标2.2 工作原理2.3 系统组成三、设计概述3.1 整体结构布局3.2 齿轮参数计算3.2.1 材料选择3.2.2 齿轮类型选择3.2.3 传动比计算3.2.4 齿轮模数计算3.2.5 齿轮参数设计3.3 装配方式设计3.4 传动效率计算四、设计细节4.1 第一级圆锥齿轮设计4.1.1 主动轮设计4.1.2 从动轮设计4.2 第二级圆柱齿轮设计4.2.1 主动轮设计4.2.2 从动轮设计4.3 强度校核4.3.1 接触疲劳强度校核4.3.2 弯曲疲劳强度校核4.3.3 齿轮脱落强度校核五、制造和装配要求5.1 材料准备5.2 精密加工要求5.3 装配调试六、测试与验证6.1 试验方案6.2 试验结果分析6.3 故障诊断与解决七、维护与保养7.1 定期维护计划7.2 预防性维护措施7.3 故障诊断与排除附件:1、技术图纸2、相关计算表格3、试验数据记录表法律名词及注释:1、材料选择:根据设计参数和工作环境要求,选择齿轮材料。
2、齿轮类型选择:根据传动要求,选择圆锥齿轮和圆柱齿轮的组合形式。
3、传动比计算:根据工作要求和传动规则,计算减速器的传动比。
4、齿轮模数计算:根据传动比和齿轮尺寸要求,计算齿轮的模数。
5、齿轮参数设计:根据齿轮传动要求,设计齿轮的齿数、齿宽等参数。
6、接触疲劳强度校核:根据接触应力和材料疲劳性能,判断齿轮接触面的强度。
7、弯曲疲劳强度校核:根据齿轮弯曲应力和材料弯曲疲劳性能,判断齿轮齿面和齿根的强度。
8、齿轮脱落强度校核:根据齿轮脱落强度计算方法,判断齿轮齿根的强度。
9、精密加工要求:要求对齿轮进行高精度的加工和热处理,确保齿轮的质量和使用寿命。
10、装配调试:对齿轮进行统一的装配和调试,确保减速器的正常运转。
机械设计课程设计计算说明书设计题目圆锥—斜齿圆柱齿轮减速器机械系机械设计与制造专业机02-4 班设计者指导老师目录一、设计任务 (1)二、设计方案分析 (1)三、机构结构分析 (2)四、原动件的选择 (2)五、机构的运动分析及动力参数选择与计算 (3)六、传动零件的计算 (4)七、轴的计算 (11)八、轴承的选择 (21)九、连接件的计算 (28)十、润滑、密封 (29)十一、三维图 (30)十二、小结 (33)参考资料 (34)附录 (35)机械设计课程设计圆锥—斜齿圆柱齿轮减速器一、设计任务要求:该减速器用于港口运输货物双班制工作,工作有轻微震动。
每年按300天计算,轴承寿命为齿轮寿命的三分之一以上。
已知:运输拉力为1140N,速度为2.25m/s。
卷筒直径300mm,使用年限10年。
)M 9550 3.88970⨯=9550 3.61651⨯(2240.8510.85R ϕ-⎫⨯⎪⎭⨯1 12,Z=20,ϕ=初步确定齿轮的主要尺寸。
12 20 80螺旋角()200.56⨯齿轮的作用力计算,m 146d =20︒5296046⨯=2302.6⨯2.25=2.85mmcos12=3.3 1.852.25=5.75cos12因此,斜齿轮应和轴做成一体,以减小工艺要求。
215mm >,mm3l圆锥齿轮、轴承采用轴肩、套筒来轴向定位,锥齿轮用平键31780m N mm=计算,并画当量弯矩图。
根据轴的结构尺寸和当量弯矩图可知,mmmm强度校核:考虑键槽的影响,查()第157页附表39734mm3(10b mm=,m 40.184d =/min,r β=34220.184T d ⨯==Ftg α117200m N mm=计算,并画当量弯矩图。
根据轴的结构尺寸和当量弯矩图可知,a a-截面弯矩最大,且截面积较小,属于危险截面。
其它N mm强度校核:考虑键槽的影响,查(1)第157mm M参考文献文中标号为(1)的表示参考《机械设计》第二版,钟毅芳主编.华中科技大学出版社,2001文中标号为(2)的表示参考《机械设计课程设计》,席伟光主编。
摘要减速器是一种动力传达机构,利用齿轮的速度转换器,将马达的回转数减速到所要的回转数,并得到较大转矩的机构。
一般用于低转速大扭矩的传动设备,把电动机。
内燃机或其它高速运转的动力通过减速机的输入轴上的齿数少的齿轮啮合输出轴上的大齿轮来达到减速的目的。
本设计对二级减速器进行了工艺过程及装配的设计,对减速器各零部件的材料进行了选择和比较,对它的各部分零件加工精度进行了设计计算,然后利用AutoCAD2004软件进行二级减速器箱体中各零件的二维制图;再将各个零件装配在一起形成二维工程装配图;最后,文章对润滑和密封的选择,润滑剂的牌号及装油量计算。
关键词:箱体;工艺;装配;设计;AutoCAD目录第一章绪论 (5)1。
1 设计目的 (5)1。
2 设计任务和要求 (5)第二章题目分析﹑传动方案的拟定……………………………………………………。
. 52.1原始条件和数据…………………………………………………………………………。
52.2 输送带工作拉力 (6)2。
3 结构简图如下........................................................................................ .6 2.4 传动方案的拟定和说明...........................................................................。
6第三章电动机选择,传动系统运动学和动力学计算 (6)3.1 电动机的选择........................................................................................ .6 3.2 确定电动机功率.....................................................................................。
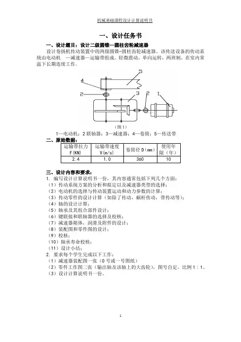
一、设计任务书一、设计题目:设计二级圆锥—圆柱齿轮减速器设计卷扬机传动装置中的两级圆锥-圆柱齿轮减速器。
该传送设备的传动系统由电动机—减速器—运输带组成。
轻微震动,单向运转,两班制,在室内常温下长期连续工作。
(图1)1—电动机;2联轴器;3—减速器;4—卷筒;5—传送带运输带拉力F(KN) 运输带速度V(m/s)卷筒径D(mm)使用年限(年)2.4 1.0 360 10三、设计内容和要求:1. 编写设计计算说明书一份,其内容通常包括下列几个方面:(1)传动系统方案的分析和拟定以及减速器类型的选择;(2)电动机的选择与传动装置运动和动力参数的计算;(3)传动零件的设计计算(如除了传动,蜗杆传动,带传动等);(4)轴的设计计算;(5)轴承及其组合部件设计;(6)键联接和联轴器的选择及校核;(7)减速器箱体,润滑及附件的设计;(8)装配图和零件图的设计;(9)校核;(10)轴承寿命校核;(11)设计小结;2. 要求每个学生完成以下工作:(1)减速器装配图一张(0号或一号图纸)(2)零件工作图二张(输出轴及该轴上的大齿轮),图号自定,比例1︰1。
(3)设计计算说明书一份。
二、传动方案的拟定运动简图如下:(图2)由图可知,该设备原动机为电动机,传动装置为减速器,工作机为运输设备。
减速器为两级展开式圆锥—圆柱齿轮的二级传动,轴承初步选用圆锥滚子轴承。
联轴器2和8选用弹性柱销联轴器。
三、电动机的选择电动机的选择见表3-1四、传动比的计算及分配传动比的计算及分配见表4-1五、传动装置运动、动力参数的计算传动装置运动、动力参数的计算见表5-1六、传动件的设计计算一、高速级锥齿轮传动的设计计算锥齿轮传动的设计计算见表6-1二、低速级斜齿圆柱齿轮的设计计算斜齿圆柱齿轮的设计计算见表6-2七、齿轮上作用力的计算齿轮上作用力的计算为后续轴的设计和校核、键的选择和验算及轴承的选择和校核提供数据,其计算过程见表7-1八、减速器草图的设计一、合理布置图面该减速器的装配图一张A0或A1图纸上,本文选择A0图纸绘制装配图。
目录
设计任务书 (3)
传动方案的拟订及说明 (3)
电动机的选择 (3)
计算传动装置的运动和动力参数 (5)
传动件的设计计算 (7)
轴的设计计算 (16)
滚动轴承的选择及计算 (38)
键联接的选择及校核计算 (42)
联轴器的选择 (43)
减速器附件的选择 (44)
润滑与密封 (44)
设计小结 (44)
参考资料目录 (45)
图一、传动方案简图
a
570
=
1045.3N
图三
图四
3、初步确定轴的最小直径
先初步估算轴的最小直径。
选取轴的材料为40r C (调质),根据《机械设计八版)》表15-3,取0108A =,得
3
0 3.16
min 25.59310d A mm ==,中间轴最
(2)根据轴向定位的要求确定轴的各段直径和长度
1)初步选择滚动轴承。
因轴承同时受有径向力和轴向力,故选用单列深沟球轴承,参照工作要求并根据125625.59d d mm --=>,由《机械设计(机械设计基础)课程设计》表15-7中初步选取0基本游隙组,标准精度级的单列深沟球轴承7206,其尺寸为307220.75d D T mm mm mm ⨯⨯=⨯⨯,
图六。
二级圆锥圆柱齿轮减速器设计说明书一、概述本设计说明书主要介绍二级圆锥圆柱齿轮减速器的设计过程、原理及关键技术。
该减速器采用高效、高精度的圆锥圆柱齿轮设计,结合二级行星减速结构,实现了高效、高扭矩、低噪音的传动效果。
二、设计目标本设计的目标是设计一款高效、高可靠性的二级圆锥圆柱齿轮减速器,满足工业机器人、机械臂等高精度、高扭矩传动要求。
三、设计原理1. 圆锥圆柱齿轮设计:采用高效、高精度的圆锥圆柱齿轮,通过优化齿轮参数和齿形设计,降低齿轮啮合间隙和噪音。
2. 二级行星减速结构:采用二级行星减速结构,通过内、外两组行星齿轮组的协同工作,实现高扭矩输出和优良的负载能力。
3. 润滑与冷却:采用强制润滑和风冷散热设计,保证减速器的正常运行和寿命。
四、关键技术1. 高效齿轮设计技术:通过优化齿轮参数和齿形设计,提高齿轮传动效率,降低噪音。
2. 高精度加工技术:采用高精度数控加工技术,确保齿轮精度和质量。
3. 可靠性设计技术:通过优化结构设计、选用高质量材料和严格的制造工艺,提高减速器的可靠性和稳定性。
五、设计流程1. 需求分析:明确减速器的设计要求、性能指标和使用环境。
2. 初步设计:确定减速器的总体结构、齿轮参数和材料等。
3. 详细设计:完成减速器的详细设计,包括齿轮、轴、轴承等部件的设计和制造工艺。
4. 制造与试验:根据详细设计图纸进行制造,完成减速器的装配和性能试验。
5. 优化与改进:根据试验结果进行优化改进,提高减速器的性能和可靠性。
六、设计结果与结论1. 设计结果:成功设计出一款高效、高精度的二级圆锥圆柱齿轮减速器,满足设计要求。
2. 设计结论:本设计采用高效、高精度的圆锥圆柱齿轮设计,结合二级行星减速结构,实现了高效、高扭矩、低噪音的传动效果。
同时,通过关键技术的应用和优化改进,提高了减速器的性能和可靠性。
本设计对于工业机器人、机械臂等高精度、高扭矩传动领域具有重要的应用价值。
七、参考文献与附录1. 参考文献:列出在设计过程中引用的相关文献。
圆锥圆柱齿轮减速器设计说明书设计说明书:圆锥圆柱齿轮减速器1.引言1.1 编写目的本文档旨在提供一个详细的设计说明书,以便于圆锥圆柱齿轮减速器的设计和制造过程中的参考。
1.2 文档范围本文档涵盖了圆锥圆柱齿轮减速器的各个方面,包括设计原理、结构参数、材料选择等内容。
2.设计原理2.1 齿轮减速器的工作原理2.2 圆锥圆柱齿轮减速器的优势2.3 圆锥圆柱齿轮减速器的应用领域3.结构设计3.1 整体结构布局3.2 齿轮参数的确定3.3 主轴和轴承的设计3.4 衔接部件的设计4.材料选择4.1 齿轮材料的选择4.2 主轴和轴承的材料选择4.3 其他零部件的材料选择5.传动设计5.1 传动比的确定5.2 功率计算和轴强度计算5.3 齿轮的修形设计5.4 传动系统的轴的设计6.加工制造6.1 工艺流程6.2 设备选择6.3 加工精度要求7.试验和验证7.1 试验计划7.2 试验方法7.3 试验结果及分析8.维护与保养8.1 维护周期8.2 维护内容8.3 故障排除方法9.安全注意事项9.1 设备操作时的注意事项9.2 设备维护时的注意事项9.3 设备故障排除时的注意事项10.附件本文档涉及的附件包括:- 圆锥圆柱齿轮减速器的设计图纸- 齿轮减速器生产工艺文件- 产品试验报告11.法律名词及注释- 设计:指根据需要构思并制定出产品的结构、功能、外观等方面的具体要求和规格的活动。
- 减速器:指用来降低机械传动系统的速度、增加扭矩的装置,由减速机构和机壳两部分组成。
- 齿轮:指由两个或多个齿轮相互啮合而具有传动功能的机械零件。
机械设计课程设计计算说明书机械设计课程设计计算说明书设计题目圆锥圆柱齿轮减速器制造学院机械0908班学号20097143设计者蒋经政指导老师龚伟2011年12月29日西南科技大学目录1.题目及总体分析 (3)2.各主要部件选择 (3)3.选择电动机 (4)4.分配传动比 (4)5.传动系统的运动和动力参数计算 (5)6.设计高速级齿轮 (6)7.设计低速级齿轮 (10)8.减速器轴及轴承装置、键的设计 (14)1轴(输入轴)及其轴承装置、键的设计 (14)2轴(中间轴)及其轴承装置、键的设计 (18)3轴(输出轴)及其轴承装置、键的设计 (22)9.润滑与密封 (26)10.箱体结构尺寸 (27)11.设计总结 (28)12.参考文献 (28)一:题目要求及总体分析设计一锥-圆柱齿轮减速器条件:1):用交流电动机驱动,工作机滚筒的工作拉力F=2800N,转速V=1.4m/s,运输机滚筒直径为350mm.2):两班制,连续单项运转,载荷平稳,室内工作,有粉尘,工作寿命为八年,四年一大修,两年一次中修,半年一次小修。
3):一般机械厂制造,小批量生产。
传送带的传输误差为+5%,可用220v或是380v的交流电动机.图示:1为电动机,2及5为联轴器,3为高速级齿轮传动,4为减速器,6为输送机滚筒,7为低速级齿轮传动。
辅助件有:观察孔盖,油标和油尺,放油螺塞,通气孔,吊环螺钉,吊耳和吊钩,定位销,启盖螺钉,轴承套,密封圈等.。
二.各主要部件选择目的过程分析结论动力源电动机高速级做成锥齿,低齿轮直齿传动速级做成直齿轴承此减速器轴承所受轴向力不大球轴承联轴器弹性联轴器三:电动机的选择分析过程结论电动机的输出功率的计算工作机所需有效功率为P w=F×V=2800N×1.4m/s=3.92W310⨯锥齿轮的传动(7级精度)效率为η1=0.97圆柱齿轮传动(7级精度)效率为η2=0.98球轴承传动效率(三对)为η3=0.99 3弹性联轴器传动效率(两个)取η4=0.99 2输送机滚筒效率为η5=0.96要求电动机输出的有效功率为:323212453.92104562.530.970.980.990.990.96wOP WP Wηηηηη⨯===⨯⨯⨯⨯⨯⨯⨯⨯要求电动机输出功率为:P o=4562.5W类型根据有粉尘的要求选用Y(IP44)系列的电动机选用Y(IP44)系列选用查得型号Y132M2-6封闭式三相异步电动机参数如下额定功率P e=5.5KW满载转速n=960 r/min满载时效率η=85.3%功率因数78.0cos=ϕ额定转矩T=2.0满载时输出功率为WPPer5.4691853.05500=⨯=⨯=ηrP略大于oP,在允许范围内选用Y(IP44)系列Y132M2-6型封闭式三相异步电动机四:分配传动比分析过程结论分配传动比传动系统的总传动比为:wmnni=工作机满载时输入轴的转速min/4.7635014.314006060rdvnw=⨯⨯==π电动机的满载转速m in/960rnm=故总传动比56.124.76960==i14.356.1225.025.01=⨯==ii414.356.1212===iii56.12=i14.31=i42=i五:传动装置的运动和动力参数计算分析过程传动系统的运动和动力参数计算设:从电动机到输送机滚筒轴分别为0轴、1轴、2轴、3轴、4轴;对应于各轴的转速分别为、、、、;对应于0轴的输出功率和其余各轴的输入功率分别为、、、、;对应于0轴的输出转矩和其余名轴的输入转矩分别为、、、、;相邻两轴间的传动比分别为、、、;相邻两轴间的传动效率分别为、、、。
题目:设计输送运输机的驱动装置一、课程设计的目的1、通过机械设计课程设计,综合运用机械设计课程和其它有关选修课程的理论和生产实际知识去分析和解决机械设计问题,并使所学知识得到进一步地巩固、深化和发展。
2、学习机械设计的一般方法。
通过设计培养正确的设计思想和分析问题、解决问题的能力。
3、进行机械设计基本技能的训练,如计算、绘图、查阅设计资料和手册,熟悉标准和规范。
二、已知条件(一)圆锥圆柱齿轮减速器(二)工作机转矩:400N.m,不计工作机效率损失。
螺旋轴转速:85r/min。
(三)动力来源:电压为380V的三相交流电源;电动机输出功率P=4.66kw。
(四)工作情况:三班制;每班工作8小时,五年,每年三十天,螺旋输送机效率为0.92。
(五)工作环境:室内。
三、工作要求1、画减速器装配图一张(A1图纸);2、对传动系统进行结构分析、运动分析并确定电动机型号、工作能力分析;3、对传动系统进行精度分析,合理确定并标注配合与公差;4、设计说明书一份。
四、参考资料1、《机械设计》杨恩霞主编哈尔滨工程大学生出版社出版2、《机械设计课程设计指导书》宋宝玉主编高等教育出版社出版3、《机械设计课程设计》唐增宝何永然刘安俊主编华中科技大学出版社出版4、《画图几何及机械制图》(第五版)朱冬梅主编华中理工大学出版社出版目录一、减速器结构分析(一)传动系统的作用(二)传动方案的特点(三)电机和工作机的安装位置二、传动装置的总体设计(一)电动机的选择(二)传动比的设计(三)计算传动装置的运动和动力参数(四)初算轴的直径(五)联轴器的选择(六)齿轮的设计与校核(七)轴的结构设计与校核(八)轴承的校核三、装配图设计(一)装配图的作用(二)减速器装配图的绘制四、零件图设计(一)零件图的作用(二)零件图的内容及绘制五、设计小结一、 减速器结构分析分析传动系统的工作情况1、传动系统的作用:作用:介于机械中原动机与工作机之间,主要将原动机的运动和动力传给工作机,在此起减速作用,并协调二者的转速和转矩。
课程设计--二级圆锥-圆柱齿轮减速器机械设计基础课程设计计算说明书设计题目:二级圆锥-圆柱齿轮减速器设计者:学号:同组者:学院:专业班级:指导教师:二○一四年○六月二十一日目录一、设计任务书 (2)二、总体设计计算 (4)1. 电机型号选择2. 各级传动比分配3. 各轴的运动参数和动力参数计算(转速、功率、转矩)三、传动机构设计计算 (6)1. 直齿圆柱传动2. 圆锥齿轮传动四、轴系零件设计计算 (10)1. 输入轴的设计计算2. 中间轴的设计计算3. 输出轴的设计计算五、滚动轴承的选择与寿命校核计算 (20)六、键连接的强度校核计算 (23)七、润滑和密封方式的选择 (24)八、箱体的设计 (25)九、附件的结构设计和选择 (25)十、设计总结 (26)参考文献 (27)一、设计任务书1、二级圆锥-圆柱设计方案(1)已知条件:输送带牵引力F=3500N带速V=1.7m/s卷筒直径D=200mm(2)整体方案如下:图1-1 二级圆锥-圆柱齿轮减速器整体外观参考图图1-2 二级圆锥-圆柱齿轮减速器内部结构参考图图1-3 二级圆锥-圆柱设计运动方案简图二、总体设计计算1、电机型号选择(1)电动机类型选择:Y系列三相异步电动机(2)电动机功率计算:输出功率:P输出= F×V/1000=5.95KW按《机械设计基础课程设计》P7表2-4 取η联轴器=0.99 轴承的效率的确定:圆锥齿轮处选用圆锥滚P输出=5.95K Wη联轴器=0.991(10.5Φ-R(均按《机械设计基础》1(10.5Φ-R1/ Z1=2.62mm故取d78=50mm,L78=20mm8)轴段89应与高速级小圆锥齿轮配合取d89=45mm,按《机械设计基础》P99L=(1~1.2) d s其中,轴径d s= d89=45mm,故得,L=(45~54)mm 取L=56mm因为轴段89上应有套筒将轴承和齿轮隔开并定位,取套筒长l=20mm综上,L78=78mm(5)输入轴(Ⅰ轴)的强度校核1)轴承的径向支反力根据轴承支反力的作用点以及轴承和齿轮在轴上的安装位置,建立如下图所示的力学模型。
圆锥圆柱减速器设计书设计圆锥圆柱减速器需要进行详细的工程计算和设计分析,因为这是一个相对复杂的机械系统。
以下是一个可能包括的设计书章节和内容的简要概述:1. 引言:- 介绍设计的目的和背景。
- 提供设计减速器的基本参数和要求。
2. 需求分析:- 列出减速器的性能要求,包括输出转速、扭矩、效率等。
- 分析工作环境和使用条件。
3. 传动元件选型:- 选择合适的传动元件,包括齿轮、轴承、轴等。
- 进行传动元件的计算和选型,确保它们能够满足扭矩和转速的要求。
4. 减速比计算:- 根据输入和输出的转速要求,计算减速比。
- 确保减速比的选择符合实际应用需求。
5. 结构设计:- 进行减速器的整体结构设计,包括外壳、轴、支撑结构等。
- 考虑减速器的外形尺寸和安装方式。
6. 齿轮设计:- 进行齿轮的几何参数计算,包括齿数、模数、齿宽等。
- 进行齿轮的受力分析,确保齿轮的强度和耐磨性。
7. 轴承和密封设计:- 选择适当的轴承类型和规格。
- 设计轴承的支撑结构,并确保它能够承受工作负荷。
- 设计减速器的密封系统,确保防尘、防水等性能。
8. 润滑系统设计:- 设计润滑系统,选择适当的润滑方式和油品。
- 考虑润滑系统对减速器寿命和性能的影响。
9. 热设计:- 进行热分析,确保减速器在工作时的温度处于可接受范围内。
- 考虑散热和冷却措施。
10. 制造和装配:- 制定减速器的制造工艺流程。
- 设计减速器的装配过程,确保装配的精度和质量。
11. 性能测试和验证:- 制定性能测试方案,对设计的减速器进行实际测试。
- 验证减速器是否满足设计要求和性能指标。
12. 安全和可靠性分析:- 进行安全和可靠性分析,确保设计的减速器在各种工况下都能够安全可靠地运行。
这只是一个设计书可能包含的一些章节和内容,具体的设计书结构和内容应该根据项目的具体要求和工程需求进行定制。
在进行减速器设计时,请确保符合相关的标准和法规。
机械设计课程设计题目:二级圆锥—圆柱齿轮减速器学院:机电工程学院专业:机械设计制造及其自动化班级:机械081学号:5133姓名:杜笑天指导教师:冯晓宁教授2011年2月21日—2011年3月11日目录一、机械设计课程设计任务书机械设计课程设计的目的机械设计课程设计的内容及要求机械设计课程设计的时间安排二、传动装置总体设计方案传动装置总体设计方案电动机的选择计算传动装置的运动和动力参数三、传动零件的设计圆锥齿轮的设计计算斜齿轮的设计计算四、轴及其上配件的设计低速轴的设计、校核及其上零件的设计高速轴及其上零件的设计中间轴及其上零件的设计五、轴承的校核低速轴上轴承的校核高速轴和中间轴上轴承的校核六、键的强度校核七.箱体的主要结构尺寸八、箱体附件的设计九.设计小结十.参考资料一、机械课程设计任务书机械设计课程设计的目的机械设计课程设计是一次全面设计训练,是重要的综合性、实践性教育环节。
其目的是:1. 综合运用机械设计和其他先修课程的知识,分析和解决机械设计问题。
2. 掌握机械设计的一般方法和步骤,培养学生具备简单机械和零部件的设计能力、培养学生正确设计思想、分析问题和解决工程实际问题的能力。
3. 提高学生设计计算、绘图能力和运用技术标准,查图表、手册及相关资料的能力。
机械设计课程设计内容及要求机械设计课程设计内容包括:传动装置的总体设计;传动件(齿轮、轴等)的设计计算和标准件(轴承、链、联轴器等)的选择及校核;装配图和零件图设计;编写设计计算说明书。
在机械设计课程设计中应完成的任务:工作分成两部分,一部分是方案分析和设计计算,另一部分是绘制图纸。
1. 减速器装配工作图1张(A0或A1);2. 零件工作图2张(齿轮、轴各1张,A2);3. 设计计算说明书一份(A4)图纸先手工绘制草图,再用AutoCAD软件绘制计算机图纸。
设计计算说明书按规范用计算机打印。
机械设计课程设计的时间安排机械设计课程设计的时间为3周。
具体安排如下:1.传动装置总体设计(2天)2. 装配草图设计(4天、包含上机)3. 零件工作图设计(4天、包含上机)4. 编写设计计算说明书(3天、包含图纸和说明书打印)5. 答辩(2天)以上天数不包含双休日。
二、传动装置的总体设计1. 传动装置总体设计方案设计一用于胶带输送机卷筒的传动装置。
图1 胶带输送机工作装置原始条件和数据胶带输送机两班制连续单向运转,载荷平稳,空载起动,室内工作,有粉尘;使用期限10年,大修期3年。
该机动力来源为三相交流电,在中等规模机械厂小批生产。
输送带速度允许误差为±5%。
输送带工作拉力:2000N输送带速度:s卷筒直径:300mm胶带输送机传动方案图2 胶带输送机传动方案2.电动机的选择 (1)电动机类型的选择按已知工作要求和条件选用Y 系列一般用途的全封闭自扇冷鼠笼型三相异步电动机。
(2)确定电动机功率工作装置所需功率P ω按下式计算P w =www v F η1000• kW式中,F w =2000N ,v w =s,取工作装置的效率w η=.带入上式得:P w =w w w v F η1000•=94.010009.02000⨯⨯= kW电动机的输出功率P 0按下式计算P 0=ηwP kW式中,η为电动机轴至卷筒轴的传动装置总效率。
式中,a c g r ηηηηη•••=23;取滚动轴承效率=r η,8精度齿轮传动效率=g η,滑块联轴器效率=c η,圆锥齿轮传动效率=a η则88.094.099.097.0995.023=⨯⨯⨯=η故P 0=ηw P =17.288.091.1= kW 因载荷平稳,电动机额定功率P ω只需略大于P 0即可,按表8-169中Y 系列电动机技术数据,选电动机的额定功率为。
(3)确定电动机转速 卷筒作为工作轴,其转速为:32.573009.010610644=⨯⨯⨯=⨯=ππD v n w w r/mim单级圆柱齿轮传动比'g i =3~5,单级圆锥齿轮传动比'a i =2~动范围为'i =2×~3×5=6~,可见电动机转速的可选分为为:=•=w n i n ''(6~)×=~mim符合这一范围的同步转速有750 r/mim 和1000 r/mim 两种,为减少电动机的重量和价格,由表8-169选常用的同步转速为1000 r/mim 的Y 系列电动机Y112M-6,其满载转速940=w n r/mim 。
由表8-170、表8-172中查得,电动机的中心高为265mm ,总长463mm ,轴直径28mm ,两段轴外伸长度均为60mm 。
3.计算传动装置的总传动比和分配各级传动比 (1)传动装置总传动比40.1632.57940===w m n n i (2)分配传动装置各级传动比由式(2-5),g a i i i •=,取圆锥齿轮69.340.1691.0=⨯=a i 。
44.469.340.16===a g i i i 3.计算传动装置的运动和动力参数 (1)各轴转速由式(2-6)1轴 940194011===m n n r/mim2轴 74.25469.39402===a m i n n r/mim 3轴 37.574.474.25423===g i n n r/mim 工作轴 37.573==n n w r/mim (2)各轴输入功率由式(2-7)1轴 15.299.019.201=⨯=•=c p p η kW2轴 01.294.0995.015.212=⨯⨯=••=a c p p ηη kW 3轴 94.197.0995.001.223=⨯⨯=••=g r p p ηη kW 工作轴 88.198.099.094.13=⨯⨯=••=c r w P P ηη kW (3)各轴输入转矩由式(2-8) 电动机输出 046.2294017.29550955000=⨯=⨯=m n P T N ·m 1轴 84.2194001.295509550111=⨯=⨯=n P T N ·m 2轴 35.7374.25401.295509550222=⨯=⨯=n P T N ·m 3轴 94.32237.5794.195509550333=⨯=⨯=n P T N ·m 工作轴 95.31237.5788.195509550=⨯=⨯=w w w n P T N ·m 将以上算得的运动参数列表如下:三、 传动零件的设计计算1.高速级圆锥齿轮的设计计算 15.21=P kW 9401=n r/mim 齿数比 u= 工作寿命 10年(1) 选择齿轮类型、材料、精度以及参数1)选用圆锥直齿齿轮传动2)选用齿轮材料:选取大小齿轮材料均为45钢,小齿轮调质处理齿面硬度取280HBS ;大齿轮正火处理齿面硬度取240HBS 。
3)选取齿轮为8级精度(GB10095—88) 4)选取小齿轮齿数Z1=20,Z2=i1Z2=×20=73 (2)按齿面接触强度设计1)查表得使用系数A K =1,动载系数v K =2)cos 96.0165.365.31221=+=+=u u σcos 26.0165.3111222=+=+=u σ当量齿数 2196.020cos 111===σz z v 28126.0/73cos 222===σz z v 当量齿数重合度[]636.1)281/121/1(2.388.1)11(2.388.121=+⨯-=+•-=v v v z z αε888.034=-=vz αεε 3)1=αH K4)齿向载荷分布系数βK =所以载荷系数==βαK K K K K H v A ××1×= 5)查取齿宽系数3.0=R φ3 6)查得弹性系数E Z =MPa 7)查得区域系数H Z =8)查取材料接触疲劳强度极限lim H σ:查图得,小齿轮为1lim H σ=600Mpa,大齿轮2lim H σ=550 Mpa 9)计算应力循环次数N91110707.2)1030082(9406060⨯=⨯⨯⨯⨯⨯==h jL n N89210336.769.310707.2⨯=⨯=N []a H HN H MP SK 54016009.01lim 11=⨯==σσ[]2lim220.93550511.51HN H H K MP Sσσ⨯===1t d ≥=51.17mm =11d d ==51.1754.03==mm (3)确定主要参数 1)大端模数1154.032.720d m z ===由于轴径和小圆锥齿轮外形尺寸的限制,需要放大其模数,因此取大端模数为M=32)大端分度圆直径1132060d mz ==⨯= 22373219d mz ==⨯=3)锥距113.54R ===mm 4)齿宽b=40(4)轮齿弯曲疲劳强度验算 1)齿形系数1Fa Y =, YFa2=2)应力修正系数Sa Y 按当量齿数查图得:1Sa Y =,2Sa Y = (3)重合度系数Y ε:Y ε=+avε75.0=+0.751.636= (4)齿间载荷分配系数KFa :KFa=1/ Y ε=1/= 载荷系数K :K=(5)齿根工作应力F δ:1F δ=()15.01423212111+-μϕϕεmZ Y Y Y KT R R Sa Fa=mm 2112212Sa Fa Sa Fa F F Y Y Y Y δδ== 2.06 1.9735.566 2.60 1.595⨯⨯⨯=mm 2 (6)弯曲疲劳极限lim F δ由图查得:1lim F δ=500N/mm 2=2lim F δ380N/mm 2(7)弯曲寿命系数K N :K 1FN = K 2FN =(8)弯曲疲劳强度最小安全系数SFmin 查得:SFmin= (9)许用弯曲疲劳应力[]F δ:[]1F δ=min11lim F FN F S K δ=5000.851.4⨯=mm 2[]2F δ=min22lim F FN F S K δ=3800.881.4⨯=mm 2(10)弯曲疲劳强度校核: 1F δ= mm 2〈[]1F δ 2F δ=mm 2〈[]2F δ所以满足弯曲疲劳强度要求【3】。
(注:本节查表查图见《机械工程及自动化简明设计手册》 叶伟昌 2001)(5)圆锥齿轮尺寸列于下表2.圆柱斜齿轮的设计计算 (1)选精度等级、材料及参数 1)大、小齿轮的材料均为45钢。
2)小齿轮硬度为250HBS ,大齿轮硬度为220HBS ,等级均为8级,大齿轮正火,小齿轮调质处理。
3) 选取小齿轮齿数Z 1=25,Z 2=1i Z 1=×25=110取Z 2=110 (2)按齿面接触强度设计321112⎪⎪⎭⎫⎝⎛±≥H E H d t t z z u u T K d σεφα 1)确定公式内的各计算数值 ①选取齿宽系数d φ=1②由图10-21e 查得1lim H σ=600 MPa ,2lim H σ=570 MPa ③计算接触疲劳许用应力(失效概率为1%,安全系数S=1) ④试取6.1=t K ,螺旋角o 14⑤由图10-30选取区域系数433.2=H Z⑥121111[1.88 3.2()]cos [1.88 3.2()]cos14 1.67225110z z αεβ=-⨯+=-⨯+⨯=⑦选载荷系数6.1=t K⑧计算小齿轮传递的转矩232294T =N ·m⑨由表10-6查得材料的弹性影响系数8.189=E Z MPa ⑩由式10-13计算应力循环次数8116060254.74(2830010)7.33710h N n jL ==⨯⨯⨯⨯⨯=⨯8827.33710 1.834104.4N ⨯==⨯由图10-19取接触疲劳寿命系数120.95,0.99HN HN K K == 计算接触疲劳许用应力[]1lim110.956005701HN H H a K MP S σσ⨯=== []2lim220.99570564.31HN H H a K MP S σσ⨯===[]570564.3567.152H MPa σ+==2)计算①试算小齿轮分度圆直径t d 1,带入[]H σ中的较小的值321112⎪⎪⎭⎫⎝⎛±≥H E H d t t z z u u T K d σεφα53.724mm =②计算圆周速度113.141637.34254.740.50/601000601000t d n v m s π⨯⨯===⨯⨯③计算齿宽b 及模数nt m1137.3437.34d t b d mm ϕ==⨯=111cos 37.34cos14 1.4525ot n d m mm z β⨯===2.25 2.25 1.643.26/37.34/3.2611.45nt h m mm b h ==⨯===④计算纵向重合度010.318tan 0.318125tan14 1.982d z βεϕβ==⨯⨯⨯= ⑤计算载荷系数K根据v=s ,8级精度,由图10-8查得动载荷系数Kv=由表10-3查得 1.4H F K K αα==,从表10-4查得 1.34H K β=,另由图10-13查得 1.28F K β=1 1.02 1.4 1.34 1.91A v H F K K K K K αβ==⨯⨯⨯= ⑥按实际的载荷系数校正所算得的分度圆直径1139.57d d ===mm ⑦计算模数n m11cos 39.57cos14 1.5425n d m z β⨯===mm ,m 取(3)按齿根弯曲强度设计[]32121cos 2F d SaFa n z Y Y Y KT m σεφβαβ≥1)确定计算参数①计算载荷系数1 1.02 1.4 1.28 1.83A v F F K K K K K αβ==⨯⨯⨯= ②由图10-20d 查得齿轮的弯曲疲劳强度极限MPa MPa FE FE 310,33021==σσ,弯曲疲劳系数895.0,88.021==FN FN K K ,安全系数S=③计算弯曲疲劳许用应力 []MPa S K FE FN F 429.2074.133088.0111=⨯==σσ []MPa S K FE FN F 179.1984.1310895.0222=⨯==σσ④计算大小齿轮的[]F SaFa Y Y σ并加以比较[]0202.0429.207582.1646.2111=⨯=F Sa Fa Y Y σ[]0197.0179.198805.1165.2222=⨯=F Sa Fa Y Y σ小齿轮的数值较大(4)几何尺寸计算①计算中心距()()12025110 2.5173.972cos 2cos14n z z m a mmβ++⨯===⨯将中心距取为174mm②按圆整后的中心距修正螺旋角()025110 2.5arccos14.072173.97β+⨯==⨯因β值改变不多,故参数H Z K ,,βαε等不必修正③计算大小齿轮的分度圆直径 11027 2.52564.43cos cos14.07n z m d mm β⨯=== 220110 2.5283.5cos cos14.07n z m d mm β⨯=== ④计算齿轮宽度1151.5551.55d b d mm ϕ==⨯=圆整后取2155,60B mm B mm ==(5)斜齿轮尺寸列于下表四、 轴的设计计算1.低速轴的设计(1)求输出轴上的功率3P ,转速3n 和转矩3T3 1.94p kw =,357.37/min n r =,3322940T =N ·mm (2)求作用在齿轮上的力33223229402847.80226.8T F N d ⨯=== 0tan 201068.57cos14.07t r F F N == tan 747.11a t F F N β==(3)初步确定轴的最小直径。