型钢悬挑防护棚计算书
- 格式:doc
- 大小:172.00 KB
- 文档页数:10
厂房雨棚结构设计计算书一、工程概况本设计是雨棚结构设计,为组合梁悬挑结构,悬挑宽度3.7米,根部为锚固端。
根据实际使用情况,荷载计算不考虑风载;只考虑重力荷载及雨棚雪荷载。
单元格计算宽度按照1m计算。
二、荷载计算1、雪荷载标准值S k =μz S 0=0.3 KN/m22、恒载铝塑板:45.7*2=0.0914 KN/m2钢龙骨及支撑=0.19 KN/m260*30*2方管龙骨:3.7m*2*2.826kg/m=20.90kg30*30*2方管龙骨:15.9m*1.884kg/m=29.96kg相当于均布荷载q=0.0194+(20.9+29.96)*10/1000/3.7=0.157 KN/m2三、荷载组合计算雪荷载按洞口面积占构架轮廓面积的比率取0.7的系数折减并按照均布荷载计算。
恒+活(雪):q=1.2*0.157+1.4*0.3*1=0.608 KN/m四、内力计算1、内力计算模型见附图1。
按照悬臂梁弯矩计算公式:最大弯矩M max=-1/2 ql2=-0.5*0.608*3.72=4.16KN*M最大剪力V max= ql=0.608*3.7=2.25KN五、截面验算60*30*2组合钢梁有关截面特性计算结果如下:断面面积:A=3.44cm2 *2=6.88 cm2截面惯性距(单根龙骨)I0=(60*303-56*263)/12=52978.7mm4I x=2(I0+A*y2)=2(52978.7+344*200*200)=2.76*107 mm4截面抵抗距I x=2.76*107/215=1.28*105mm31、梁强度验算σMAX=M max/(γ*w)=4.16*106/(1.05*128*103)=30.95<[f]=215满足要求。
τmax= V max/A=2.25*1000/688=3.27<[τ]=125N/mm2满足要求。
2、梁刚度验算:根据扰度变形有关计算公式梁变形f=ql4/(8*E*I)=0.125*0.608*37004/(206*1000*2.76*107)=25.05mm<37mm=l*1/100 满足要求。
悬挑架子计算书1、材料自重:<1)杆件自重立杆:20m大横杆<包括扫地杆及防护栏杆):1.5m×19根=28.5m 小横杆:1.5m×9+1m×6=19.5m剪刀撑:2.4m×5=12m总长为:80m38.4N/m×80m=3072N<2)扣件自重15N×32个=480N<3)脚手板自重400N/m2×1.5m2=600N<4)安全网自重5N/m2×30 m2=150N<5)工字钢自重168.9N/m×3.5m=591.2N合计:3072+480+600+150+591.2=4893.2N2、活荷载:按3000N/m2计算,3000 N/m2×1.5 m2=4500N3、验算工字钢R2R2.3m1.2mR1=4893.2×1.2+4500×1.4=12171.84NR2=6350.5 NMmax=12171.84×1.2=14606.2N·m14#工字钢:Wn=102cm3,Wnf=102×215=21930 N·mMmax< Wnf,满足要求。
4、根据工程实际情况,悬挑架遇建筑物阳台需加长工字钢尺寸,为保证结构安全,应保留阳台底部支撑系统。
R2R3.6mR1=5112.7×1.2+4500×1.4=12435.2NR2=4145.1NMmax=12435.2×1.2=14922.2N·m14#工字钢:Wn=102cm3,Wnf=102×215=21930 N·mMmax< Wnf,满足要求。
5、验算元钢:R2取大值进行验算为6350.5N6350.5/2×0.85=3735.6Nφ20元钢抗拉强度为215 N/mm2215×3.14×102=67510N>3735.6N所以满足要求。
3.1计算模型简化3.1.1本工程的防护棚主要起安全防护作用,防止高空附物直接落地,考虑施工荷载、自重及附物荷载。
模型简化如图3.1.1:图3.1.1 计算模型3.1.2简化模型为主梁根部一个固定铰支座,垂直荷载为横向1500范围内的自重和活载,拉杆及钢丝绳仅考虑受拉。
3.1.3、构造参数:防护棚高度H(m):1.3;上下防护层间距h1(m):0.0 ;水平钢管搭设方式:钢管沿纵向搭设;纵水平钢管间距a(m):1.5 ;横向水平钢管b(m):0.75;钢管类型(mm):Φ48 ×3 ;扣件连接方式:单扣件,取扣件抗滑移承载力系数: 0.83.2计算荷载3.2.1脚手板:竹串片脚手板,脚手板自重标准值(kN/m2):0.30;栏杆、挡杆:栏杆、挡板脚手板自重标准值(kN/m2):0.11;施工人员等活荷载(kN/m2):1.0;高空坠落物最大荷载标准值N(kN):0.05 ;模板自重标准值(KN/m2):0.35安全设施与安全网(kN/m2):0.005;钢管自重:33.3N/m。
扣件:14.6N/个。
3.2.2次梁上的简化荷载计算单元的面积:A=1.5*0.75=1.125m2恒荷载:脚手板G1=0.3*1.125=0.34kN模板G2=0.35*1.125=0.39kN安全网G3=0.01*1.125=0.011 kN钢管G4=1.5*0.0333=0.05 kN扣件G5=8*14.6=0.12 kN3.2.3风荷载:3.2.4本工程为B类场地,查《建筑结构荷载规范》该形式视为维护结构面积大于10 m2,故βgz =1.92,μs=0.8x-2=-1.6,Wa=0.25,μz=1.25,Wk=-1.93 KN有利荷载为向上的力不参与组合。
3.2.5冲击荷载冲击荷载按最不利情况作用于跨中,冲击荷载:F=1.4×0.05=0.14 kN;3.2.6主梁上集中荷载设计值,主梁上每根次梁的简化集中荷载,P=1.2*(0.34+0.39+0.011+0.05+0.12) +1.4*1*1.5*0.75= 2.67KN或P=1.2*(0.34+0.39+0.011+0.05+0.12) +1.4*0.7*1*1.5*0.75=2.2KN取最大值F=2.67KN。
防护棚计算书编制依据:《建筑施工高处作业安全技术规范》JGJ80-91、《建筑施工扣件式钢管脚手架安全技术规范》JGJ130-2001。
由于防护棚有双层防护,故只按照承载能力极限状态设计,不考虑正常使用极限状态。
计算书中规定防护棚开间方向为横向,进深方向为纵向,简图如下:一、参数信息1、构造参数立杆横距l b(m):1.8 ;立杆纵距l a(m):2.1 ;防护棚高度H(m):5 ;上下防护层间距h1(m):0.6 ;立杆步距h(m):1.5 ;斜撑与立杆连接点与地面的距离h2(m):1.6 ;斜撑与立杆连接点到下防护层的距离h3(m): 1.5;水平钢管搭设方式:钢管沿纵向搭设;水平钢管间距a(m):0.3 ;钢管类型:Φ48 × 3.5 ;扣件连接方式:双扣件 ,双扣件抗滑承载力调整系数: 0.8 ;2.荷载参数高空坠落物最大荷载标准值N(kN):1 ;脚手板自重(kN/m2):0.35 ;栏杆及挡脚板自重(kN/m):0.15 ;3.地基参数地基土类型:素填土;地基承载力标准值(kPa): 120;立杆基础底面面积(m2): 0.25;地基承载力调整系数: 1。
二、纵向水平支撑钢管计算纵向钢管按照三跨连续梁计算,承受脚手板自重、坠落物冲击集中荷载。
由于防护棚有双层防护,故只按照承载能力极限状态设计,不考虑正常使用极限状态。
截面几何参数如下:截面抵抗矩 W = 5.08 cm3;截面惯性矩 I = 12.19 cm4;纵向钢管计算简图1.荷载的计算(1)脚手板自重(kN/m):q1 = 0.35×0.3 = 0.105 kN/m;(2) 高空坠落物最大荷载标准值(kN):N= 1 kN;2.强度验算纵向支撑钢管按三跨连续梁计算;最大弯矩计算公式如下:M = 0.08ql2 + 0.2Fl均布恒载:q = 1.2 ×0.105 = 0.126 kN/m;冲击荷载:F = 1.4×1 = 1.4 kN;最大弯距 M = 0.08×0.126×2.12 + 0.2×1.4×2.1= 0.632 kN.m;最大应力σ = M / W = 0.632×106 / (5.08×103) = 124.499 N/mm2;支撑钢管的抗压强度设计值 [f]=205 N/mm2;支撑钢管的计算应力 124.499 N/mm2小于钢管的抗弯强度设计值 205 N/mm2,满足要求!三、横向支撑钢管计算横向水平钢管按照承载能力极限状态设计,按照集中荷载作用下的简支梁计算;冲击荷载按最不利情况作用于跨中,上部钢管传递的恒载按等间距步置。
悬挑防护棚设计与验算
1、设计参数
1.1、永久荷载G1K
构配件自重,工字钢自重标准值取0.35kN/m2,可变荷载G2k
施工均布活荷载按装饰脚手架取2kN/m2;
2、悬挑槽钢及拉索设计与验算
2.1、搭设形式
2.2、挑杆受力简图
受力简图如下:
其中:P为外防护栏杆传来的轴向力设计值;
N为钢丝绳拉力;
VS、Vh为支座反力;
W为工字钢自重
2.3、内力计算
由平衡方程得:
P+ VS+W +Nsin45°=0
Vh+ Ncos45°=0
0.85P+1.75P+0.85W=1.75Ncos45°/0.93
防护栏杆的自重设计值P=0.35+0.14+0.003=0.49kN。
悬挑工字钢的自重W=14.223kg/m×6m=85kg=0.85(kN),经求解得:N=12.56kN。
2.4、φ50圆钢受拉校核
φ50圆钢所受拉力为Vs1/2=4.78/2=2.39kN,安全系数取为10,则φ50圆钢的设计拉力值为Ncu=23.9kN。
φ50圆钢许用拉力为3.14×92×205=52.14kN>Ncu,∴φ50圆钢使用安全。
2.5、钢丝绳选用
由前述计算得知,钢丝绳的拉力为12.56kN,按作无弯曲吊索考虑安全系数取为8。
故钢丝绳选用破断拉力总和值取12.56×8=100.48kN。
查五金手册取φ50(6×37)钢丝绳即
可满足要求。
防护棚计算书一、搭设参数计算简图:二、荷载设计格构柱q=1.2(g k1×a+0.033) =1.2×(0.5×0.4+0.033)=0.28kN/mp=1.4P k=1.4×1=1.4kN正常使用极限状态格构柱q1=g k1×a+0.033 =0.5×0.4+0.033=0.233kN/m p1=Pk =1 kN1、抗弯验算M max=0.335 kN·mσ=M max/W=0.335×106/4490=74.711N/mm2≤[f]=205N/mm2满足要求!2、挠度验算νmax=1.36 mm[ν]=min[max{a1,l a,l2-a1}/150,10] = min[max{400,1500,800-400}/150,10] =10mmνmax≤[ν]满足要求!3、支座反力计算承载力使用极限状态R max=1.637 kN四、横向水平杆验算格构柱:F=1.2(g k1a+0.033)(l a+ a1)/2=1.2×(0.5×0.4+0.033)×(1.5+0.4)/2=0.266 kN p=1.4P k=1.4×1=1.4 kN正常使用极限状态格构柱:F1=(g k1a+0.033)(l a+ a1)/2=(0.5×0.4+0.033)×(1.5+0.4)/2=0.222 kNp1=P k=1 kN计算简图如下:1、抗弯验算σ=M max/W=0.59×106/4490=131.392N/mm2≤[f]=205N/mm2 满足要求!2、挠度验算νmax =5.36mm≤[ν]=min[max(l 1-a 1, l b , a 1)/150,10] = min[max(2500-400, 6000, 400)/150,10] =10mm 满足要求! 3、支座反力计算 承载力使用极限状态 R max =3.083 kN五、扣件抗滑承载力验算max 满足要求!六、斜撑稳定性验算斜撑计算长度系数μ2 1.3 钢管抗弯强度设计值 205 钢管截面惯性矩I(mm 4) 107800 钢管弹性模量E(N/mm 2)206000钢管截面抵抗矩W(mm 3)4490α1=arctan( l 1/(H-h 2))=arctan(2500/(5500-3000))=45° 第1层防护层传递给斜撑荷载计算 (1)横向斜撑验算 承载力使用极限状态 格构柱:F=1.2(g k1a+0.033)(l a + a 1)/2=1.2×(0.5×0.4+0.033)×(1.5+0.4)/2=0.266 kNp=1.4P k=1.4×1=1.4 kN横向斜撑计算简图如下:横向斜撑最大支座反力:R2max =2.124 kN横向斜撑轴向力:N21= R2max/cosα1=2.124/cos45°=3.004 kNN=N21=3.004 kN斜撑自由长度:h= h1/cosα1=0.8/cos45°=1.131 m 斜撑计算长度l0=kμ2h=1×1.3×1.131=1.471 m满足要求!轴心受压构件的稳定系数计算:斜撑计算长度l0=kμ2h=1.155*1.300*1.131=1.699m长细比λ= l0/i =1699/15.9=106.84查《规范》JGJ130-2011表A.0.6得,φ= 0.544σ= N/(φA) =3003.791/(0.544×424)=13.023N/mm2σ≤[f]=205N/mm2满足要求!第2层防护层传递给斜撑荷载计算(1)横向斜撑验算承载力使用极限状态格构柱:F=1.2(g k1a+0.033)(l a+ a1)/2=1.2×(0.5×0.4+0.033)×(1.5+0.4)/2=0.266 kN横向斜撑计算简图如下:横向斜撑最大支座反力:R2max =2.066 kN横向斜撑轴向力:N22= R2max/cosα1=2.066/cos45°=2.921 kNN=N21+N22=5.925 kN斜撑自由长度:h= (H-(n-1)h1-h2)/cosα1=(5.5-(2-1)×0.8-3)/cos45°=2.404 m 斜撑计算长度l0=kμ2h=1×1.3×2.404=3.125 m0 满足要求!轴心受压构件的稳定系数计算:斜撑计算长度l 0=kμ2h=1.155*1.300*2.404=3.610m 长细比λ= l 0/i =3610/15.9=227.03查《规范》JGJ130-2011表A.0.6得,φ= 0.141 σ= N/(φA) =5924.897/(0.141×424)=99.105N/mm 2 σ≤[f]=205N/mm 2满足要求!七、立杆稳定性验算 立杆布置格构柱 钢管截面惯性矩I(mm 4)107800 立杆计算长度系数μ1 1.3 钢管截面抵抗矩W(mm 3)4490 立杆截面回转半径i(mm) 15.9 钢管抗弯强度设计值 205 立杆截面面积A(mm 2) 424 立杆荷载计算1、防护棚结构自重N G1k钢管长度:L=n[(l a + a 1) ((l b +2a 1)/a+1)/2+ l b ]+2( l 12+(H- h 2)2)0.5+4H=2×[(1.5+0.4)×((6+2×0.4)/0.4+1)/2+6]+2×(2.52+(5.5-3)2)0.5+4×5.5=75.271m 扣件数量:m=2n[((l b +2a 1)/a-3)/2+1×4]=2×2×[((6+2×0.4)/0.4-3)/2+1×4]=44个 N G1k =0.033L+0.015m=0.033×75.27+0.015×44=3.167kN2、防护棚构配件自重N G2k防护层防护材料自重标准值N G2k1=n×g k1×(l a + a 1)×(l b + 2a 1)/2=2×0.5×(1.5+0.4)×(6+2×0.4)/2=6.46 kN栏杆与挡脚板自重标准值N G2k2=g k2×(l a + a 1)=0.11×(1.5+0.4)=0.209 kN 纵向外侧防护自重标准值N G2k3=g k3×(l a + a 1)=0.2×(1.5+0.4)=0.38 kN N G2k = N G2k1+ N G2k2+ N G2k3=6.46+0.209+0.38=7.049 kN经计算得到,静荷载标准值:N Gk= N G1k + N G2k=3.167+7.049=10.216 kN 3、冲击荷载标准值N QkN Qk=P k=1 kN立杆荷载设计值:N=1.2N Gk+ 1.4N Qk=1.2×10.216+ 1.4×1=13.659 kN立杆的稳定性验算1、立杆长细比验算立杆自由长度h取立杆步距1.2m立杆计算长度l0=kμ1h=1×1.3×1.2=1.56m长细比λ= l0/i=1560/15.9=98.113≤210满足要求!轴心受压构件的稳定系数计算:立杆计算长度l0=kμ2h=1.155*1.300*1.200=1.802m长细比λ= l0/i =1802/15.9=113.32查《规范》JGJ130-2011表A.0.6得,φ= 0.4962、立杆稳定性验算σ= N/4/(φA) =13658.632/4/(0.496×424)=16.237N/mm2σ≤[f]=205N/mm2满足要求!八、立杆地基承载力验算Gk Qk立杆底垫板平均压力P=N/(k c A)=11.216/(1×0.25)=44.862 kPaP≤f g=140 kPa满足要求!。
型钢悬挑脚手架(盘扣式)计算书计算依据1、《建筑施工承插型盘扣式钢管脚手架安全技术标准》JGJ/T 231-20212、《建筑施工扣件式钢管脚手架安全技术规范》JGJ130-20113、《建筑结构荷载规范》GB50009-20124、《钢结构设计标准》GB50017-20175、《混凝土结构设计规范》GB50010-2010架体验算一、脚手架参数风荷载标准值ωk(kN/m2)(连墙件、立杆稳定性) 基本风压ω0(kN/m2) 0.30.379,0.33 风荷载高度变化系数μz(连墙件、立杆稳定性)1.264,1.1风荷载体型系数μs 1搭设示意图盘扣式脚手架剖面图盘扣式脚手架立面图盘扣式脚手架平面图三、横向横杆验算纵横向水平杆钢管类型Φ48×2.5纵横向水平杆钢管每米自重m2(kN/m) 0.028横向横杆抗弯强度设计值(f)(N/mm2) 205 横向横杆截面惯性矩I(mm4) 92800 横向横杆弹性模量E(N/mm2) 206000 横向横杆截面抵抗矩W(mm3) 3860 脚手板类型定型钢脚手板单块脚手板宽度b(mm) 250 单块脚手板一侧爪钩数量j(只) 2 爪钩间距s(mm) 200 承载能力极限状态:q=b(1.3×G kjb+1.5×Q kzj)=0.25×(1.3×0.35+1.5×2)=0.864kN/ml a=1.5m, 脚手板通过爪钩传递给横杆的支座反力为:R=ql a/j=0.864×1.5/2=0.648kN横杆自重设计值:q1=1.3m2=1.3×0.028=0.036kN/m正常使用极限状态:q'=b(G kjb+Q kzj)=0.25×(0.35+2)=0.588kN/ml a=1.5m, 脚手板通过爪钩传递给横杆的支座反力为:R'=q'l a/j=0.588×1.5/2=0.441kN横杆自重标准值:q1'=m2=0.028kN/ml=l b=0.9m,计算简图如下1、抗弯验算弯矩图(kN·m)M max=0.489kN·mσ=γ0M max/W=1×0.489×106/3860=126.801N/mm2≤[f]/γR=205/1=205N/mm2 满足要求。
型钢悬挑防护棚计算书一、构造参数面板自重G k1(kN/m2) 0.39 次梁自重G k2(kN/m) 0.098主梁自重G k3(kN/m) 0.1424 栏杆、挡脚板类型栏杆、冲压钢脚手板挡板栏杆、挡脚板自重G k4(kN/m) 0.15 安全网设置设置密目安全网安全网自重G k5(kN/m2) 0.01 施工活荷载Q k1(kN/m2) 1堆放荷载Pk(kN) 1 堆放荷载作用面积S(m2) 1施工活荷载动力系数 1.3三、设计简图型钢悬挑式防护棚平面布置图型钢悬挑防护棚侧立面图节点一四、面板验算计算简图(kN)取单位宽度1m进行验算q=1.2×G k1×1+1.4×(1.3×Q K1+P k/S)×1=1.2×0.39×1+1.4×(1.3×1+1/1)×1=3.688kN/m 抗弯验算:M max=0.100×q×s2=0.100×3.688×0.62=0.133kN·mσ=M max/ W=0.133×106/(13.5×103)=9.835N/mm2<[f]=15N/mm2面板强度满足要求!五、次梁验算承载能力极限状态:q1=(1.2×G k1+1.4×1.3×Q k1)×s+1.2×G k2=(1.2×0.39+1.4×1.3×1)×0.6+1.2×0.098=1.49kN/mp1=1.4×P k=1.4×1=1.4kN正常使用极限状态:q2=(G k1+Q k1)×s+G k2=(0.39+1)×0.6+0.098=0.932kN/mp2=P k=1kN1、抗弯强度计算简图(kN)M max=q1(L12/8-m2/2)+p1×L1/4=1.49(32/8-02/2)+1.4×3/4=2.727kN.mσ=M max/(γx W X)=2.727×106/(1.05×39.7×103)=65.412N/mm2<[f]=205N/mm2次梁强度满足要求!2、挠度验算计算简图(kN)νmax=q2L14/(384EIx)(5-24(m/L1)2)+p2L13/(48EIx)=0.93×30004/(384×206000×198.3×104)×(5-24(0/3)2)+1×30003/(48×206000×198.3×104)=2.408mm<[ν]=L1/250=3000/250=12m m次梁挠度满足要求!3、支座反力计算承载能力极限状态:R1=q1×B/2=1.49×3/2=2.236kN正常使用极限状态:R2=q2×B/2=0.932×3/2=1.398kN六、主梁验算侧钢丝绳吊点和建筑物上支承点为支座的悬臂简支梁计算(不考虑内侧钢丝绳支点作用):承载能力极限状态:q1=1.2×(G k3+G k4+G k5)=1.2×(0.142+0.150+0.010)=0.363kN/mp1=1.4×P k/2=1.4×1/2=0.7kNR1=2.236kN正常使用极限状态:q2=G k3+G k4+G k5=0.142+0.150+0.010=0.302kN/mp2=P k/2=0.5kNR2=1.398kN1、强度验算计算简图(kN)弯矩图(kN·m)剪力图(kN)R左=7.449KNM max=3.018kN·mN=R左/tanα=R左/(h1/a1)= 7.449/(2.800/2.500)=6.651kNσ=M max/(γx W X)+N/A=3.018×106/(1.05×80.500×103)+6.651×103/18.51×102=39.296 N/mm2<[f]=205.000 N/mm2主梁强度满足要求!2、挠度验算计算简图(kN)变形图(kN·m)νmax=1.005mm<[ν]=a1/250=2500.00/250=10.000mm 主梁挠度满足要求!3、支座反力计算剪力图(kN)R左=7.449KN七、钢丝绳验算花篮螺栓T外=R左/sinα=7.449/0.746=9.986kN[Fg]=aF g/K=0.820×322.000/9.000=29.338kN>T外=9.986kN 钢丝绳强度满足要求!八、拉环验算节点二σ=T外/(2A)=9.986×103/[2×3.14×(20/2)2]=15.902 N/mm2 < [f]= 65N/mm2 拉环强度满足要求!九、焊缝验算节点三σf=T外/(h e×l w)=9.986×103/(2×8.000×120.000)=5.201N/mm2<f f w=160N/mm2拉环焊缝强度满足要求!11。
高层建筑临街底层悬挑长6米防护棚结构计算书一、防护棚架构受力分析1.1、简化模型详图1防护棚主梁采用工字钢,纵距1.5米,两道钢丝绳斜拉到以上两层边梁上,层高4.5米,简化为两跨连续梁计算主梁内力,BC跨搭设2层外加,P=4.35KN,设工字钢为工18#,q1=241N/m=0.24 KN/m,以下分析钢绳和主梁内力。
1.2、工字钢梁及钢丝绳内力计算设坠落物落在防护棚上,折算为均布活载q2=1 KN/㎡,化为线载q2=1.5 KN/m,竹架板q3=0.35×1.5=0.53 KN/m,钢管q4=0.04KN/m,组合后,q=1.2×0.81+1.4×1.5=3.1KN/m.查《建筑结构静力计算手册》,中国建筑工业出版社·1975.N B=-0.125×3.1×32-0.167×4.35×3=-5.7 KN·mM1=0.07×3.1×9+0.278×4.35×3=5.6 KN·mV B=0.625×3.1×3+1.167×4.35=10.9 KNN C=0.375×3.1×3+0.833×4.35=7.10 KNN B= V B=10.9 KNN A=0.375×3.1×3+0.167×4.35=4.20 KN由图(a),设分解到钢丝绳拉力为N1,N2N1= N A/sin57.2°=4.20/0.84=5.0 KNN2= N B /sin58.11°=10.9/ sin58.11°=12.8 KN设分解到主梁轴压力为N AB,N BCN AB= N1cos57.2°=5.0×0.54=2.7 KNN BC = N AB+ N2cos58.11°=2.70+12.8×cos58.11°=6.76 KN二、强度验算2.1、工字钢强度验算选Ⅰ14,A=2152㎜2,W=102000㎜2,按《钢结构设计规范》GB50017-2003,压弯公式.5.2.1,r=1.2,f=205MPa N/A±M/rw=12.8×103/2152±5.7×106/1.2×102000 =5.9±46.6=52.5(40.7)<f=205 MPa(满足)1.5Afv=1.5×2152×125=404 KN>V B=10.9 KN(满足)2.2、钢丝绳直径d选择Fg=12.8 KN,T=15.19 KN, n=1.667[Fg]/(zt)=0.7<3,Pg=9[Fg]/0.85=135.5 KN,d min=( Pg)/0.51/2=16㎜,选⊙16钢丝绳。
防护棚设计计算书-1防护棚设计计算书一、计算依据1、《建筑施工扣件式钢管脚手架安全技术规范》JGJ130-20112、《建筑结构荷载规范》GB50009-20123、《钢结构设计规范》GB50017-20034、《建筑施工临时支撑结构技术规范》JGJ300-20135、《建筑施工高处作业安全技术规范》JGJ80-2011二、计算参数及简图示意简图(图1)正立面图(图2)侧立面图三、防护层纵向水平钢管验算脚手板下为纵向搭设钢管时,钢管主要承受荷载为:恒荷载为钢管自重,脚手板自重;活荷载为高空坠物等产生最大集中荷载;强度验算采用荷载效应基本组合的设计值,按规范恒荷载分项系数取1.2,活荷载取1.4;挠度验算按正常使用极限状态验算变形,分项系数均为1.0。
按单跨简支梁模型计算,结果偏于安全。
1、强度验算恒荷载为:g1=1.2(g+g1k×a)=1.2×(0.035+0.35×0.5)=0.253kN/m活荷载为:F1=1.4F k=1.4×1.5=2.1kN受力简图如下:(图3)简支梁受力简图1(图4)承载能力极限状态下的应力图M max=0.811kN·mσ=M max/W=0.811×106/5130=158.047N/mm2≤[f]=205N/mm2满足要求2、挠度验算恒荷载:g k1=g+g1k×a=0.035+0.35×0.5=0.21kN/m活荷载:F k1=F k=1.5kN(图5)正常使用极限状态下的受力简图(图6)次梁变形图(mm)νmax=6.013mm≤[ν]=10mm满足要求四、防护层横向水平钢管验算横向钢管主要承受纵向钢管传递的集中力及钢管自重,恒荷载为:纵向钢管传递的恒荷载及横向钢管自重,活荷载为纵向钢管传递下来的活荷载;分别按承载能力极限状态和正常使用极限状态进行强度及挠度验算。
1、强度验算恒荷载:g2=1.2g=1.2×0.035=0.043kN/mF21=1.2(g+g1k×a)×l a=1.2×(0.035+0.35×0.5)×2=0.505kN活荷载:F22=1.4F k=1.4×1.5=2.1kN受力简图如下:(图7)横向钢管受力简图(图8)承载能力极限状态下的应力图M max=0.615kN·m;σ=M max/W=0.615×106/5130=119.825N/mm2≤[f]=205N/mm2满足要求2、挠度验算恒荷载:g k2=g=0.035kN/mF k21=(g+g1k×a)×l a=(0.035+0.35×0.5)×2=0.421kN/m活荷载:F k22=F k=1.5kN简图如下:(图9)正常使用极限状态下的受力简图(图10)横向钢管变形图(mm) νmax=2.172mm≤[ν]=10mm满足要求3、支座反力计算承载能力极限状态下支座反力为:R=3.941kN正常使用极限状态下支座反力为:R k=2.996kN五、扣件抗滑移计算由上知最大扣件滑移力为R max==3.941kN≤[R]=8N/mm2满足要求六、立柱验算1、长细比验算防护棚立杆一般只在纵向有水平支撑杆,横向只有地面、斜撑(存在时)及防护层约束,故一般为横向失稳。
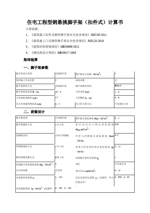
住宅工程型钢悬挑脚手架(扣件式)计算书计算依据:1、《建筑施工扣件式钢管脚手架安全技术规范》JGJ130-20112、《建筑施工门式钢管脚手架安全技术规范》JGJ128-20103、《建筑结构荷载规范》GB50009-20124、《钢结构设计规范》GB50017-2003架体验算一、脚手架参数二、荷载设计单立杆稳定性)计算简图:立面图侧面图三、纵向水平杆验算纵、横向水平杆布置方式纵向水平杆在上横向水平杆上纵向水平杆根数n4横杆抗弯强度设计值[f](N/mm2)205横杆截面惯性矩I(mm4)107800横杆弹性模量E(N/mm2)206000横杆截面抵抗矩W(mm3)4490纵、横向水平杆布置承载能力极限状态q=1。
2×(0.033+G kjb×l b/(n+1))+1.4×G k×l b/(n+1)=1。
2×(0.033+0.1×0。
9/(4+1))+1。
4×3×0.9/(4+1)=0。
818kN/m正常使用极限状态q’=(0。
033+G kjb×l b/(n+1))+G k×l b/(n+1)=(0.033+0。
1×0.9/(4+1))+3×0。
9/(4+1)=0.591kN/m计算简图如下:1、抗弯验算M max=0。
1ql a2=0。
1×0.818×1.52=0.184kN·mσ=M max/W=0。
184×106/4490=40。
969N/mm2≤[f]=205N/mm2满足要求!2、挠度验算νmax=0。
677q'l a4/(100EI)=0.677×0.591×15004/(100×206000×107800)=0.913mmνmax=0。
913mm≤[ν]=min[l a/150,10]=min[1500/150,10]=10mm 满足要求!3、支座反力计算承载能力极限状态R max=1。
1、荷载计算:Φ48钢管:0.038kn/m 木模板:0.12kn/m16#工字钢:0.207kn/m 活荷载:2kn/m2恒荷载分项系数:1.2 活荷载分项系数:1.4动力系数:1.2上层模板:0.12kn/m×12m×18m=25.92kn上层钢管:(16×18m+0.5m×16×6)×0.038kn/m=12.768 kn 下层模板:0.12kn/m×12m×18m=25.92kn下层钢管:27×18m×0.038kn /m=18.468kn16#工字钢:12m×6×0.207kn/m=14.904kn∑=97.98kn活荷载:2kn/m2×12m×18m=432kn综上所述:Q=1.2×97.98kn+1.2×1.4×432kn=843.336kn 即:q=11.73kn/m2、计算模型如图所示:根据矩阵位移法计算得知:跨内最大弯矩:0.08ql2=0.08×11.73kn/m×16m2=15.01kn·mMa=Mb=-0.1×11.73kn/m×16m2=18.768 kn·m 剪力计算:Va=0.4×11.73kn/m×4m=18.76knV b左=-0.6×11.73kn/m×4m=-28.15knV b右=0.5×11.73kn/m×4m=23.46knV c左=-0.5×11.73kn/m×4m=-23.46knV c右=0.6×11.73kn/m×4m=28.15knVd=-0.4×11.73kn/m×4m=18.76kn剪力图:(kn)弯矩图:(kn·m)3、抗弯强度验算:16#工字钢截面特性:惯性矩(I)=1130cm4 强度设计值(f)=205n/mm2 截面抵抗矩:(W)=141cm3 弹性模量(E)=206×103n/mm2б=M/(R X W X)+N/A=126.8+83.1kn/2610mm2=158.6n/mm2<[f]=205n/mm2所以满足要求!4、稳定性验算:б=M/(R X W X)=18.77kn·m/(1.05×141000)=126.8n/mm2<[f]=205n/mm2R X取1.05;满足要求!5、钢丝绳拉力验算:单根¢14钢丝绳拉力为:1373 kn,假设当钢丝绳与拉结体形成450夹角时其拉力为:1373 kn×sin450=970.86 KN﹥∑N=140.556kn远远满足要求。
LB-1矩形板计算(可变荷载控制)项目名称_____________日期_____________设计者_____________校对者_____________一、构件编号: LB-1二、示意图三、依据规范《建筑结构荷载规范》 GB50009-2012《混凝土结构设计规范》 GB50010-2010四、计算信息1.几何参数计算跨度: Lx = 1200 mm; Ly = 1000 mm板厚: h = 120 mm2.材料信息混凝土等级: C30 fc=14.3N/mm2 ft=1.43N/mm2 ftk=2.01N/mm2 Ec=3.00×104N/mm2钢筋种类: HRB400 fy = 360 N/mm2 Es = 2.0×105 N/mm2最小配筋率: ρ= 0.200%纵向受拉钢筋合力点至近边距离: as = 20mm保护层厚度: c = 15mm3.荷载信息(均布荷载)永久荷载分项系数: γG = 1.200可变荷载分项系数: γQ = 1.400准永久值系数: ψq = 0.500永久荷载标准值: qgk = 5.000kN/m2可变荷载标准值: qqk = 2.500kN/m24.计算方法:弹性板5.边界条件(上端/下端/左端/右端):自由/自由/固定/自由6.设计参数结构重要性系数: γo = 1.00泊松比:μ = 0.200五、计算参数:1.计算板的跨度: Lo = 1200 mm2.计算板的有效高度: ho = h-as=120-20=100 mm六、配筋计算(悬臂板计算):1.X向支座钢筋1) 确定左端端支座弯距M o x = (γG*qgk+γQ*qqk)*Lo2/2= (1.200*5.000+1.400*2.500)*1.22/2= 6.840 kN*m2) 确定计算系数αs = γo*M o x/(α1*fc*b*ho*ho)= 1.00*6.840×106/(1.00*14.3*1000*100*100)= 0.0483) 计算相对受压区高度ξ = 1-sqrt(1-2*αs) = 1-sqrt(1-2*0.048) = 0.0494) 计算受拉钢筋面积As = α1*fc*b*ho*ξ/fy = 1.000*14.3*1000*100*0.049/360= 195mm25) 验算最小配筋率ρ = As/(b*h) = 195/(1000*120) = 0.162%ρ<ρmin = 0.200% 不满足最小配筋要求所以取面积为As = ρmin*b*h = 0.200%*1000*120 = 240 mm2用户选择了支座放大系数,系数值为:1.30所以最后面积As = 240*1.30 = 312 mm2采取方案8@150, 实配面积335 mm2七、跨中挠度计算:Mq -------- 按荷载效应的准永久组合计算的弯矩值1.计算准永久组合弯距值M q:Mq = M gk+ψq*M qk = (qgk+ψq*qqk)*Lo2/2= (5.000+0.5*2.500)*1.22/2= 4.500 kN*m2.计算受弯构件的短期刚度 Bs1) 计算按荷载荷载效应的两种组合作用下,构件纵向受拉钢筋应力σsq = Mq/(0.87*ho*As) 混规(7.1.4-3)= 4.500×106/(0.87*100*251) = 206.072 N/mm2) 计算按有效受拉混凝土截面面积计算的纵向受拉钢筋配筋率矩形截面积: Ate = 0.5*b*h = 0.5*1000*120= 60000mm2ρte = As/Ate 混规(7.1.2-4)= 251/60000 = 0.418%3) 计算裂缝间纵向受拉钢筋应变不均匀系数ψψq = 1.1-0.65*ftk/(ρte*σsq) 混规(7.1.2-2)= 1.1-0.65*2.01/(0.418%*206.072) = -0.416因为ψ不能小于最小值0.2,所以取ψq = 0.24) 计算钢筋弹性模量与混凝土模量的比值αEαE = Es/Ec = 2.0×105/3.00×104 = 6.6675) 计算受压翼缘面积与腹板有效面积的比值γf矩形截面,γf=06) 计算纵向受拉钢筋配筋率ρρ = As/(b*ho)= 251/(1000*100) = 0.251%7) 计算受弯构件的短期刚度 BsBsq = Es*As*ho2/[1.15ψq+0.2+6*αE*ρ/(1+ 3.5γf')](混规(7.2.3-1))= 2.0×105*251*1002/[1.15*-0.416+0.2+6*6.667*0.251%/(1+3.5*0.0)] = 9.465×102 kN*m23.计算受弯构件的长期刚度B1) 确定考虑荷载长期效应组合对挠度影响增大影响系数θ当ρ'=0时,θ=2.0 混规(7.2.5)2) 计算受弯构件的长期刚度 BBq = Bsq/θ (混规(7.2.2-2))= 9.465×102/2.0= 4.732×102 kN*m24.计算受弯构件挠度f max = (q gk+Ψq*q qk)*Lo4/(8*B)= 3.423mm5.验算挠度挠度限值fo=2Lo/200=2*1200/200=12.000mmfmax=3.423mm≤fo=12.000mm,满足规范要求!八、裂缝宽度验算:1.左端支座跨中裂缝1) 计算荷载效应M o y = (qgk+ψq*qqk)*Lo2/2= (5.000+0.5*2.500)*1200*1200/2= 4.500 kN*m2) 带肋钢筋,所以取值v i=1.03) 因为C < 20,所以取C = 204) 计算按荷载效应的准永久组合作用下,构件纵向受拉钢筋应力σsq=Mq/(0.87*ho*As) 混规(7.1.4-3)=4.500×106/(0.87*100*314)=164.727N/mm5) 计算按有效受拉混凝土截面面积计算的纵向受拉钢筋配筋率矩形截面积,Ate=0.5*b*h=0.5*1000*120=60000 mm2ρte=As/Ate 混规(7.1.2-4)=314/60000 = 0.0052因为ρte=0.0052 < 0.01,所以让ρte=0.016) 计算裂缝间纵向受拉钢筋应变不均匀系数ψψ=1.1-0.65*ftk/(ρte*σsq) 混规(7.1.2-2)=1.1-0.65*2.010/(0.0100*164.727)=0.3077) 计算单位面积钢筋根数nn=1000/dist = 1000/160=68) 计算受拉区纵向钢筋的等效直径d eqd eq= (∑n i*d i2)/(∑n i*v i*d i)=6*8*8/(6*1.0*8)=89) 计算最大裂缝宽度ωmax=αcr*ψ*σsq/Es*(1.9*C+0.08*Deq/ρte) (混规(7.1.2-1)=1.9*0.307*164.727/2.0×105*(1.9*20+0.08*8/0.0100)=0.0490mm ≤ 0.20, 满足规范要求LB-1矩形板计算(永久荷载控制)项目名称_____________日期_____________设计者_____________校对者_____________一、构件编号: LB-1二、示意图三、依据规范《建筑结构荷载规范》 GB50009-2012《混凝土结构设计规范》 GB50010-2010四、计算信息1.几何参数计算跨度: Lx = 1200 mm; Ly = 1000 mm板厚: h = 120 mm2.材料信息混凝土等级: C30 fc=14.3N/mm2 ft=1.43N/mm2 ftk=2.01N/mm2 Ec=3.00×104N/mm2钢筋种类: HRB400 fy = 360 N/mm2 Es = 2.0×105 N/mm2最小配筋率: ρ= 0.200%纵向受拉钢筋合力点至近边距离: as = 20mm保护层厚度: c = 15mm3.荷载信息(均布荷载)永久荷载分项系数: γG = 1.350可变荷载分项系数: γQ = 0.980准永久值系数: ψq = 0.500永久荷载标准值: qgk = 5.000kN/m2可变荷载标准值: qqk = 2.500kN/m24.计算方法:弹性板5.边界条件(上端/下端/左端/右端):自由/自由/固定/自由6.设计参数结构重要性系数: γo = 1.00泊松比:μ = 0.200五、计算参数:1.计算板的跨度: Lo = 1200 mm2.计算板的有效高度: ho = h-as=120-20=100 mm六、配筋计算(悬臂板计算):1.X向支座钢筋1) 确定左端端支座弯距M o x = (γG*qgk+γQ*qqk)*Lo2/2= (1.350*5.000+0.980*2.500)*1.22/2= 6.624 kN*m2) 确定计算系数αs = γo*M o x/(α1*fc*b*ho*ho)= 1.00*6.624×106/(1.00*14.3*1000*100*100)= 0.0463) 计算相对受压区高度ξ = 1-sqrt(1-2*αs) = 1-sqrt(1-2*0.046) = 0.0474) 计算受拉钢筋面积As = α1*fc*b*ho*ξ/fy = 1.000*14.3*1000*100*0.047/360= 188mm25) 验算最小配筋率ρ = As/(b*h) = 188/(1000*120) = 0.157%ρ<ρmin = 0.200% 不满足最小配筋要求所以取面积为As = ρmi n*b*h = 0.200%*1000*120 = 240 mm2用户选择了支座放大系数,系数值为:1.30所以最后面积As = 240*1.30 = 312 mm2采取方案8@150, 实配面积335 mm2七、跨中挠度计算:Mq -------- 按荷载效应的准永久组合计算的弯矩值1.计算准永久组合弯距值M q:Mq = M gk+ψq*M qk = (qgk+ψq*qqk)*Lo2/2= (5.000+0.5*2.500)*1.22/2= 4.500 kN*m2.计算受弯构件的短期刚度 Bs1) 计算按荷载荷载效应的两种组合作用下,构件纵向受拉钢筋应力σsq = Mq/(0.87*ho*As) 混规(7.1.4-3)= 4.500×106/(0.87*100*251) = 206.072 N/mm2) 计算按有效受拉混凝土截面面积计算的纵向受拉钢筋配筋率矩形截面积: Ate = 0.5*b*h = 0.5*1000*120= 60000mm2ρte = As/Ate 混规(7.1.2-4)= 251/60000 = 0.418%3) 计算裂缝间纵向受拉钢筋应变不均匀系数ψψq = 1.1-0.65*ftk/(ρte*σsq) 混规(7.1.2-2)= 1.1-0.65*2.01/(0.418%*206.072) = -0.416因为ψ不能小于最小值0.2,所以取ψq = 0.24) 计算钢筋弹性模量与混凝土模量的比值αEαE = Es/Ec = 2.0×105/3.00×104 = 6.6675) 计算受压翼缘面积与腹板有效面积的比值γf矩形截面,γf=06) 计算纵向受拉钢筋配筋率ρρ = As/(b*ho)= 251/(1000*100) = 0.251%7) 计算受弯构件的短期刚度 BsBsq = Es*As*ho2/[1.15ψq+0.2+6*αE*ρ/(1+ 3.5γf')](混规(7.2.3-1))= 2.0×105*251*1002/[1.15*-0.416+0.2+6*6.667*0.251%/(1+3.5*0.0)] = 9.465×102 kN*m23.计算受弯构件的长期刚度B1) 确定考虑荷载长期效应组合对挠度影响增大影响系数θ当ρ'=0时,θ=2.0 混规(7.2.5)2) 计算受弯构件的长期刚度 BBq = Bsq/θ (混规(7.2.2-2))= 9.465×102/2.0= 4.732×102 kN*m24.计算受弯构件挠度f max = (q gk+Ψq*q qk)*Lo4/(8*B)= 3.423mm5.验算挠度挠度限值fo=2Lo/200=2*1200/200=12.000mmfmax=3.423mm≤fo=12.000mm,满足规范要求!八、裂缝宽度验算:1.左端支座跨中裂缝1) 计算荷载效应M o y = (qgk+ψq*qqk)*Lo2/2= (5.000+0.5*2.500)*1200*1200/2= 4.500 kN*m2) 带肋钢筋,所以取值v i=1.03) 因为C < 20,所以取C = 204) 计算按荷载效应的准永久组合作用下,构件纵向受拉钢筋应力σsq=Mq/(0.87*ho*As) 混规(7.1.4-3)=4.500×106/(0.87*100*314)=164.727N/mm5) 计算按有效受拉混凝土截面面积计算的纵向受拉钢筋配筋率矩形截面积,Ate=0.5*b*h=0.5*1000*120=60000 mm2ρte=As/Ate 混规(7.1.2-4)=314/60000 = 0.0052因为ρte=0.0052 < 0.01,所以让ρte=0.016) 计算裂缝间纵向受拉钢筋应变不均匀系数ψψ=1.1-0.65*ftk/(ρte*σsq) 混规(7.1.2-2)=1.1-0.65*2.010/(0.0100*164.727)=0.3077) 计算单位面积钢筋根数nn=1000/dist = 1000/160=68) 计算受拉区纵向钢筋的等效直径d eqd eq= (∑n i*d i2)/(∑n i*v i*d i)=6*8*8/(6*1.0*8)=89) 计算最大裂缝宽度ωmax=αcr*ψ*σsq/Es*(1.9*C+0.08*Deq/ρte) (混规(7.1.2-1) =1.9*0.307*164.727/2.0×105*(1.9*20+0.08*8/0.0100) =0.0490mm ≤ 0.20, 满足规范要求。
型钢悬挑防护棚计算书计算依据:1、《建筑施工扣件式钢管脚手架安全技术规范》JGJ130-20112、《建筑结构荷载规范》GB50009-20123、《钢结构设计标准》GB50017-20174、《建筑结构可靠性设计统一标准》GB50068-2018一、基本参数1、防护棚荷载基本参数1 0.15 9 12.32 1.05 9 12.3示意图:剖立面示意图平面图四、次梁验算次梁材料类型钢管次梁材料规格Φ48.3×3.6次梁截面积A(cm2) 5.06 次梁截面惯性矩I x(cm4) 12.71次梁截面抵抗矩W x(cm3) 5.26 次梁自重标准值g k(kN/m) 0.04次梁材料抗弯强度设计值[f](N/mm2) 215 次梁材料抗剪强度设计值[τ](N/mm2) 125次梁弹性模量E(N/mm2) 206000 次梁允许挠度[υ]1/250次梁计算方式三等跨连续梁c c a承载能力极限状态:q=γ0×[1.3×(g k1+g k3)×L b+1.3×g k]=1×[1.3×(0.3+0.01)×0.3+1.3×0.04]=0.173kN/m 横向次梁的集中力:R=γ0×1.3×L b×g k =1×1.3×0.3×0.04=0.016kNP k=γ0×1.5×γL×p k=1×1.5×0.9×1=1.35kN正常使用极限状态:q'=(g k1+g k3)×L b+g k=(0.3+0.01)×0.3+0.04=0.133kN/m 横向次梁的集中力:R'=L b×g k =0.3×0.04=0.012kNP k'=1kN计算简图弯矩图(kN·m)最大弯矩:M=0.437kN.m剪力图(kN) 最大剪力:V=0.973kN变形图(mm) 最大挠度:ν=4.257mm计算简图弯矩图(kN·m) 最大弯矩:M=0.367kN.m剪力图(kN)最大剪力:V=0.813kN变形图(mm)最大挠度:ν=3.089mm1、抗弯验算M max=Max(0.437,0.367)=0.437kN.mσ=M max/W X=0.437×106/(5.26×103)=83.101N/mm2≤[f]=215N/mm2 次梁强度满足!2、抗剪验算V max=Max(0.973,0.813)=0.973kNτmax=2V max/A=2×0.973×1000/506=3.845N/mm2≤[τ]=125N/mm2 满足要求!3、挠度验算νmax=Max(4.257,3.089)=4.257mm≤[ν]=L a/250=1500/250=6mm次梁挠度满足要求!4、支座反力计算极限状态下支座反力:R次梁=R max=Max(1.279,1.078)=1.279kN正常使用状态下支座反力:R'次梁=R'max=Max(0.956,0.807)=0.956kN五、主梁验算1、主梁验算q=γ0×1.3×g k=1×1.3×0.205=0.267kN/mF1=···=F n=R次梁+F下排=1.279+0.283=1.562kN 第一排立杆处:P1=12.3kN第二排立杆处:P2=12.3kN正常使用极限状态:q'=g k=0.205kN/mF'1=···=F'n=R'次梁+F'下排=0.956+0.235=1.191kN第一排立杆处:P'1=9kN第二排立杆处:P'2=9kN计算简图1)抗弯验算弯矩图(kN·m)M max=5.002kN.mσ=M max/W=5.002×106/(141×103)=35.473N/mm2≤[f]=215N/mm2 主梁抗弯度满足!2)抗剪验算剪力图(kN)V max=16.59kNτmax=V max/(8I zδ)[bh02-(b-δ)h2]=16.59×1000×[88×1602-(88-6)×140.22]/(8×11300000×6)=19.60 6N/mm2≤[τ]=125N/mm2满足要求!3)挠度验算变形图(mm)νmax=1.015mm≤[ν]=l/250=2050/250=8.2mm主梁挠度满足要求!4)支座反力计算设计值:R1=-2.229kN;R2=19.22kN;R3=16.521kN;R4=8.177kN;标准值:R'1=-1.632kN;R'2=14.109kN;R'3=12.242kN;R'4=6.318kN;2、支撑杆件设置α1=arctan(n1/m1)= arctan(3300/2000)=58.782°上拉杆件支座力:设计值:R S1=R3=16.521kN标准值:R'S1=R'3=12.242kN由上拉钢丝绳作用造成的主梁轴向力:N SZ1= R S1/tanα1=16.521/tan(58.782°)=10.012kN 上拉钢丝绳轴向力:设计值:N S1= R S1/sinα1=16.521/sin(58.782°)=19.318kN标准值:N'S1= R'S1/sinα1=12.242/sin(58.782°)=14.315kN上拉钢丝绳的最大轴向拉力标准值:N'S=max[N'S1] =14.315kN上拉钢丝绳的最大轴向拉力设计值:N S=max[N S1] =19.318kN查(《建筑施工计算手册》江正荣著2001年7月第一版)表13-4、13-5、13-6得,钢丝绳破断拉力总和:F g=251.298kN由于脚手架所使用的钢丝绳应采用荷载标准值按容许应力法进行设计计算[F g]=α×F g/k=0.85×251.298/9=23.734kN≥N'S=14.315kN符合要求!n=1.667[Fg]/(2T)=1.667×23.734/(2×15.19)=2个≤[n]=3个符合要求!花篮螺栓验算:σ=[F g]/(π×d e2/4)=23.734×103/(π×142/4)=154.179N/mm2≤[ft]=170N/mm2符合要求!拉环验算:σ =[F g]/(2A)=2[F g]/πd2=2×23.734×103/(π×162)=59.022N/mm2≤[f]=65N/mm2注:[f]为拉环钢筋抗拉强度,按《混凝土结构设计规范》9.7.6 每个拉环按2个截面计算的吊环应力不应大于65N/mm2符合要求!拉环详图(主梁为工字钢)角焊缝验算:τf=N S1cosα1/(0.7h f l w)=19.318×103×cos(58.782)/(0.7×8×160)=11.175N/mm2≤f f w=160N/mm2 符合要求!σf=N S1sinα1/(0.7h f×l w)=19.318×103×sinα1/(0.7×8×160)=18.438N/mm2≤βf f f w=1.22×160=195.2N/mm2符合要求![(σf/βf)2+τf2]0.5=[(18.438/1.22)2+11.1752]0.5=18.796N/mm2≤f f w=160N/mm2符合要求!4、下撑杆件验算1)下撑杆件稳定性验算β1=arctan(n1/m1)= arctan(3300/2200)=56.31°下撑杆件支座力:R X1=R4=8.177kN主梁轴向力:N XZ1= R X1/tanα1=8.177/tan(56.31°)=5.452kN下撑杆件轴向力:N X1= R X1/sinα1=8.177/sin(56.31°)=9.828kN下撑杆件的最大轴向压力:N X=max[N X1] =9.828kN下撑杆长度:L1=(m12+n12)0.5= (22002+33002)0.5=3966.106mm下撑杆长细比:λ1=L1/i=3966.106/17.3=229.255查《钢结构设计标准》GB50017-2017表D得,φ1=0.145轴心受压稳定性计算:N X1/(φ1Af)=9828/(0.145×2150×205)=0.154≤1符合要求!2)下撑杆与建筑物下撑部位节点验算①计算参数假设每个螺栓承受下撑杆传来的拉力和剪力均相等。
住宅工程型钢悬挑脚手架(扣件式)计算书计算依据:1、《建筑施工扣件式钢管脚手架安全技术规范》JGJ130-20112、《建筑施工门式钢管脚手架安全技术规范》JGJ128—20103、《建筑结构荷载规范》GB50009—20124、《钢结构设计规范》GB50017-2003架体验算一、脚手架参数二、荷载设计立杆稳定性)计算简图:立面图侧面图三、纵向水平杆验算纵、横向水平杆布置方式纵向水平杆在上横向水平杆上纵向水平杆根数n4横杆抗弯强度设计值[f](N/mm2)205横杆截面惯性矩I(mm4)107800横杆弹性模量E(N/mm2)206000横杆截面抵抗矩W(mm3)4490纵、横向水平杆布置承载能力极限状态q=1.2×(0。
033+G kjb×l b/(n+1))+1。
4×G k×l b/(n+1)=1。
2×(0.033+0.1×0。
9/(4+1))+1.4×3×0。
9/(4+1)=0。
818kN/m正常使用极限状态q'=(0.033+G kjb×l b/(n+1))+G k×l b/(n+1)=(0.033+0。
1×0。
9/(4+1))+3×0.9/(4+1)=0.591kN/m计算简图如下:1、抗弯验算M max=0。
1ql a2=0。
1×0.818×1。
52=0。
184kN·mσ=M max/W=0.184×106/4490=40。
969N/mm2≤[f]=205N/mm2满足要求!2、挠度验算νmax=0.677q’l a4/(100EI)=0。
677×0。
591×15004/(100×206000×107800)=0.913mmνmax=0。
913mm≤[ν]=min[l a/150,10]=min[1500/150,10]=10mm满足要求!3、支座反力计算承载能力极限状态R max=1。
型钢悬挑防护棚计算书
型钢悬挑防护棚计算书一、构造参数
卸料平台名称防护棚卸料平台类型类型一:主梁垂直
建筑外墙
3 3 平台长度A(m) 平台宽度B(m)
3 防护棚与主体结构连接方式 U形钢筋主梁间距L(m) 1
0.6 0 次梁间距s(m) 次梁外伸长度m(m)
0.3 2.5 内侧次梁离墙水平距离a(m) 外侧钢丝绳离墙水平距离a(m) 1
2.8 1 外侧钢丝绳拉绳点与平台垂直距离内侧钢丝绳离墙水平距离a(m) 2h(m) 1
2.8 3 内侧钢丝绳上部拉绳点与平台垂直距钢丝绳夹个数
离h(m) 2
二、荷载参数
20.39 0.098 面板自重G(kN/m) 次梁自重G(kN/m) k1k2
0.1424 栏杆、挡脚板类型栏杆、冲压钢脚手主梁自重G(kN/m) k3
板挡板
0.15 安全网设置设置密目安全网栏杆、挡脚板自重G(kN/m) k4
220.01 1 安全网自重G(kN/m) 施工活荷载Q(kN/m) k5k1
21 1 堆放荷载Pk(kN) 堆放荷载作用面积S(m)
1.3 施工活荷载动力系数
三、设计简图
1
型钢悬挑式防护棚平面布置图2
型钢悬挑防护棚侧立面图
节点一
3
四、面板验算
9 模板类型覆面木胶合板模板厚度t(mm)
3213.5 15 截面抵抗矩W(cm) 抗弯强度设计值[f](N/mm)
面板受力简图如下:
计算简图(kN)
取单位宽度1m进行验算
q=1.2×G×1+1.4×(1.3×Q+P/S)×1=1.2×0.39×1+1.4×(1.3×1+1/1)×1=3 .688kN/m k1K1k
抗弯验算:
22 M=0.100×q×s=0.100×3.688×0.6=0.133kN?m max
6322 σ=M/ W=0.133×10/(13.5×10)=9.835N/mm<[f]=15N/mmmax
面板强度满足要求~
五、次梁验算
次梁类型槽钢次梁型钢型号 10号槽钢
43198.3 39.7 截面惯性矩I(cm) 截面抵抗矩W (cm) xx
22205 206000 抗弯强度设计值[f](N/mm) 弹性模量E(N/mm)
次梁内力按以两侧主梁为支承点的简支梁计算:
承载能力极限状态:
q=(1.2×G+1.4×1.3 1k1
×Q)×s+1.2×G=(1.2×0.39+1.4×1.3×1)×0.6+1.2×0.098=1.49kN/m k1k2 p=1.4×P=1.4×1=1.4kN 1k
正常使用极限状态:
4
q=(G+Q)×s+G=(0.39+1)×0.6+0.098=0.932kN/m 2k1k1k2
p=P=1kN 2k
1、抗弯强度
计算简图(kN)
2222 M=q(L/8-m/2)+p×L/4=1.49(3/8-0/2)+1.4×3/4=2.727kN.m max1111 6322
σ=M/(γW)=2.727×10/(1.05×39.7×10)=65.412N/mm<[f]=205N/mmmaxxX 次梁强度满足要求~
2、挠度验算
计算简图(kN)
24443ν=qL/(384EIx)(5-
24(m/L))+pL/(48EIx)=0.93×3000/(384×206000×198.3×10)max21121 234×(5-
24(0/3))+1×3000/(48×206000×198.3×10)=2.408mm<[ν]=L1/250=3000/250=12 m
m
次梁挠度满足要求~
3、支座反力计算
5
承载能力极限状态:
R=q×B/2=1.49×3/2=2.236kN 11
正常使用极限状态:
R=q×B/2=0.932×3/2=1.398kN 22
六、主梁验算
主梁类型槽钢主梁型钢型号 14a号槽钢
218.51 5.52 截面面积A(cm) 截面回转半径i(cm) x
43563.7 80.5 截面惯性矩I(cm) 截面抵抗矩W (cm) xx
22205 206000 抗弯强度设计值[f](N/mm) 弹性模量E(N/mm)
根据《建筑施工高处高处作业安全技术规范》(JGJ80-91),主梁内力按照外侧钢丝绳吊点和建筑物上支承点为支座的悬臂简支梁计算(不考虑内侧钢丝绳支点作用):
承载能力极限状态:
q=1.2×(G+G+G)=1.2×(0.142+0.150+0.010)=0.363kN/m 1k3k4k5
p=1.4×P/2=1.4×1/2=0.7kN 1k
R=2.236kN 1
正常使用极限状态:
q=G+G+G=0.142+0.150+0.010=0.302kN/m 2k3k4k5
p=P/2=0.5kN 2k
R=1.398kN 2
1、强度验算
6
计算简图(kN)
弯矩图(kN?m)
剪力图(kN)
R=7.449KN 左
M=3.018kN?m max
N=R/tanα=R/(h/a)= 7.449/(2.800/2.500)=6.651kN 左左11
6332
σ=M/(γW)+N/A=3.018×10/(1.05×80.500×10)+6.651×10/18.51×10=39.296 maxxX
22 N/mm<[f]=205.000 N/mm
主梁强度满足要求~
2、挠度验算
7
计算简图(kN)
变形图(kN?m)
ν=1.005mm<[ν]=a/250=2500.00/250=10.000mm max1
主梁挠度满足要求~
3、支座反力计算
剪力图(kN)
R=7.449KN 左
8
七、钢丝绳验算
6×37 21.5 钢丝绳型号钢丝绳直径
2322 1850 钢丝绳的钢丝破断拉力F(kN) 抗拉强度为(N/mm) g 0.82 9 不均匀系数α 安全系数K
花篮螺栓
T=R/sinα=7.449/0.746=9.986kN 外左
[Fg]=aF/K=0.820×322.000/9.000=29.338kN>T=9.986kN 外g
钢丝绳强度满足要求~
八、拉环验算
20 65 拉环直径d(mm) 抗拉强度(N/mm) 2
9
节点二
3222 σ=T/(2A)=9.986×10/[2×3.14×(20/2)]=15.902 N/mm < [f]= 65N/mm 外
拉环强度满足要求~
九、焊缝验算
8 120 钢丝绳下节点拉环焊缝厚度he(mm) 钢丝绳下节点拉环焊缝长度lw(mm)
10
节点三
322 w σ=T/(h×l)=9.986×10/(2×8.000×120.000)=5.201N/mm<f=160N/mm 外fewf
拉环焊缝强度满足要求~
11。