桥梁队CRTS型双块式无砟轨道技术总结
- 格式:doc
- 大小:356.50 KB
- 文档页数:13
浅析高速铁路CRTS双块式无砟轨道智能化施工技术发布时间:2021-02-02T14:47:16.167Z 来源:《基层建设》2020年第27期作者:王平王彦合卢晓亮[导读] 摘要:CRTS型双块式无砟轨道因其具有结构整体性强、弹性逐层递减、轨道结构高度低、经济性好等特点,已先后在武广、兰新、贵广等客运专线实践和应用,本文结合郑万高铁湖北段的CRTS型双块式高速铁路工程,为了实现智能化铁路,采用了智能化的施工技术,有效减少施工劳动力和成本。
中交路桥华南工程有限公司广东中山 528400摘要:CRTS型双块式无砟轨道因其具有结构整体性强、弹性逐层递减、轨道结构高度低、经济性好等特点,已先后在武广、兰新、贵广等客运专线实践和应用,本文结合郑万高铁湖北段的CRTS型双块式高速铁路工程,为了实现智能化铁路,采用了智能化的施工技术,有效减少施工劳动力和成本。
关键词:CRTS 型双块式;智能化;施工技术1工程概况郑万客运专线设计时速为350km/h,全线采用CRTS型双块式无砟轨道,混凝土强度等级为C40。
郑万高铁湖北段4标全长28.384km,仅一座特大桥-汉江双线特大桥,CRTS型双块式无砟轨道单侧延米56.768km。
底座板及道床板结构形式主要有6755mm、6320mm、5610mm三种。
双块式无砟轨道结构由60kg/m钢轨、WJ-8B扣件、SK-II轨枕、道床板、中间隔离层及底座板组成,轨枕间距一般为600~650mm,底座板厚度210mm,道床板厚度260mm。
2智能化无砟轨道施工主要机具设备施工主要设备由表 1可知表 1主要机具设备表3.无砟轨道底座板施工3.1底座板施工工艺施工准备→测量放样→底座钢筋安装(含连接筋安装)→底座钢筋检查→模板安装(含凹槽模板)→模板复测→混凝土浇注→混凝土收面(整平、精平)→混凝土养护→质量检验。
根据施工工艺流程,自动化施工设备主要集中在混凝土浇整平、精平工序。
桥上CRTSⅠ型双块式无砟轨道施工技术研究摘要:双块式无砟轨道在预制厂内预制的是双块式轨枕,其特点是:轨枕通过钢筋桁架将混凝土块连接在一起。
现场利用轨排和螺杆调节器等作为辅助工具将双块式轨枕调整到符合要求的平面位置,最后浇筑混凝土将轨枕连成整体,即完成了双块式轨枕的施工。
关键词:CRTSI型轨道施工、双块式无砟轨道、技术研究一、前言铁路轨道结构从总体上可以分为两大类:一种是以碎石道床、轨枕为基础的有砟轨道;另一种则是以混凝土或沥青混合料为基础的无砟轨道。
实践表明,两种轨道结构均可保证高速列车的安全运营。
但由于两类轨道结构在技术经济性方面的差异,各国应根据自己的国情和铁路的特点进行合理的选用,以取得最佳的技术经济效益。
本文主要是对CRTSI型双块式无砟轨道的施工技术进行了简单的研究,以供相关人员参考。
二、工程概况CRTSI型双块式无砟轨道施工自上而下依次由:钢轨、扣件、轨枕、道床板和底座板构成。
钢轨:采用60kg/m、100m定尺长、非淬火无螺栓孔新轨,钢轨质量符合相关技术要求。
扣件:采用WJ-8A型弹性扣件。
轨枕:采用SK-2型双块式轨枕,由晋中轨枕场提供成品轨。
三、主要技术标准1、桥梁地段轨道结构高度为725mm(内轨顶面至混凝土底座底面),曲线超高在无砟轨道底座上设置。
2、道床板及底座采用C40 混凝土现场浇筑,道床板顶面设置0.7%的横向排水坡。
桥上每块道床板沿线路方向设置两个凸型限位挡台,限位挡台呈四棱台型,倾角为1 :10,上下面的尺寸分别为1022mm×700mm、1000mm×678mm,高为110mm。
3、桥梁底座顶面设置隔离层,隔离层采用4mm厚聚丙烯土工布(700g/m2)。
对应每块道床板,底座设置限位凹槽,凹槽形式尺寸与道床板的限位挡台相匹配,凹槽侧面设弹性垫板和泡沫板。
4、桥梁底座通过梁体预埋套筒植筋与桥梁连接,底座范围内梁面不设防水层和保护层,桥面排水由相邻底座板和道床板板缝(100mm)作为排水通道,梁上两侧设置有泄水孔。
新建合肥至福州铁路闽赣段HFMG- I标(DK343+180〜DK438+883. 24 段)无标准彳会汇报材料二0 一三年八月无酢轨道标准化施工现场推进会汇报材料一、工程概况京福客运专线闽赣I标起止里程DK343+180〜DK438+882.010,正线长度94.930km,其中路基长度7.353km,桥梁31.162km,隧道56.415km。
全线跨江西婺源、德兴、上饶三个县市,设婺源、德兴两个车站。
无祚轨道设计结构型式:CRTS-I型双块式无酢轨道。
截止目前道床板施工已完成31.2km,剩余63.73km,完成32.9%。
(一)无祚轨道施工总体计划我标段承担94.930km的无祚轨道施工任务,计划安排工作面27个,投入轨排16套4710m,工具轨600m,龙门吊30台,精调小车16台,作业队16个,施工人员1706人,目前已到场轨排13套4010m,工具轨600m,龙门吊20台,作业队9个,人员1016人,计划2013年12月31日完成任务。
(二)无祚轨道资源配置见附件《无祚轨道施工计划表》(三)无祚轨道物流组织见无祚轨道物流组织图三、施工准备1、局指成立以项目经理为组长,副经理、总工为副组长,工区经理为组员的无祚轨道施工领导小组,各工区也成立了相应的领导小组,明确了责任主体,保证了无祚轨道的顺利进行。
2、为保证精测网的精度,项目部组织各工区测量人员对精测网进行复测,为保证测量精度一次达标,我标段的经验是组织各工区的业务熟练、责任心强的测量人员组成一个小组, 从标头到标尾复测精测网,并将复测数据报集团公司技术部进行整网平差,复核后报监理、咨询单位审批。
3、为保证CP1II的建网精度、沉降符合要求,邀请评估单位进行培训指导。
4、要求CPIII的建网数据经所在子公司审核后,方可上报评估单位评估;5、项目部每月对沉降观测工作进行检查评比,奖优罚劣,从而调动了沉降观测人员的工作积极性,促进了工作的开展。
桥梁地段CRTSⅠ型双块式无砟轨道道床施工技术作者:何志军来源:《科协论坛·下半月》2013年第04期摘要:CRTSⅠ型双块式无砟轨道道床是一种新型道床型式,目前已被大量使用于高速铁路建设中。
介绍西宝铁路客运专线桥梁地段CRTSⅠ型双块式无砟轨道道床施工工艺、方法等技术要求等,供同行参考。
关键词:客运专线铁路 SK-2型双块式轨枕无砟轨道道床中图分类号:U215 文献标识码:A 文章编号:1007-3973(2013)004-010-021 工程概况西宝铁路客运专线是我国《中长期铁路规划网》中“四纵四横”客运专线东西向主骨架之一徐兰快速客运铁路的重要组成部分,也是国家实施西部大开发战略的重点项目。
工程建成后对提升西安铁路枢纽地位,增强中西部地区铁路运输能力和路网机动性,推动关中-天水经济区和川陕渝经济区快速发展,起到重要的促进作用。
西宝铁路客运专线正线里程长138.107km。
该工程轨道类型设计为CRTSⅠ型双块式无砟轨道道床。
轨道结构设计使用寿命60年,其最高行驶速度250km/h。
桥梁地段 CRTSⅠ型双块式无砟轨道道床由道床板、隔离层、弹性垫层和底座板组成。
道床板为宽2800mm,厚260mm的C40钢筋混凝土结构;隔离层为4mm的聚丙烯土工布;限位凹槽四壁的弹性垫层为880mm的弹性垫板,底座板为与其上道床板等宽等长的C40钢筋混凝土单元板结构,长度在5~8m之间不等,板间设置宽为100mm横向断缝。
直线段道床板顶面设置0.7%的单向排水坡。
曲线超高在混凝土底座板上设置,采用外轨抬高方式。
并在缓和曲线范围内线性过渡。
无砟轨道道床板内的纵横向钢筋交叉处做绝缘处理。
接地钢筋利用道床板内的结构钢筋,单元板内设置3根纵向接地钢筋,一根横向接地钢筋和4个接地端子。
道床板每100m形成一个接地单元,单元内相邻接地端子使用接地钢缆连接,接地单元间的接地端子不连接。
2 主要施工方法底座板采用常规双线同步施工,道床板采用新型轨排框架法单线施工。
双块式无砟轨道试验段总结报告1、工程概况六沾线为设计速度160km/h的客货共线新建双线隧道,铁路等级为国家铁路I级。
乌蒙山一号隧道穿越梅花山主脉,位于梅花山车站与观音河之间,其分界线起讫里程DK269+506〜DK275+986.45 ,线路全长6480.45m (其中隧道正洞进口里程DK269+516,出口里程DK275+967,洞身全长6451m )。
施工地点位于贵州省毕节市二塘镇产底村。
洞内DK269+536〜DK275+947段采用双块式无砟轨道结构,两端各5m设置无砟轨道过渡段,设计内轨顶面至道床面高度为57cm。
DK269+516〜+536 (进口)、DK275+947〜+967 (出口)段设置洞外有砟轨道过渡段,设计轨面至道床底面高度由洞口77cm过渡至57cm。
本次乌蒙山一号隧道双块式无砟轨道试验项目为生产性试验,其试验路段选择在正线DK272+600〜+650(50m)。
2、试验段工期安排我标段根据计划在2011年09月02日〜2011年09月11日之间进行了此次双块式无砟轨道的试验。
3、施工依据(1)《改建铁路贵昆线六盘水至沾益段增建二线工程施工图双块式无砟轨道设计图》(2010年5月);(2)《混凝土结构设计规范》(GB 50010 );(3)《混凝土结构工程施工质量验收规范》(GB 50204 );(4)《客运专线无砟轨道铁路工程施工技术指南》(TZ 216 );(5)《铁路混凝土与砌体工程施工规范》(TB 10210);(6)《铁路工程基本作业施工安全技术规程》(TB 10301 );(7)《铁路轨道工程施工安全技术规程》(TB 10305);(8)《铁路轨道工程施工质量验收标准》(TB 10413);(9)《铁路混凝土工程施工质量验收标准》(TB 10424);(10)《高速铁路工程测量规范》(TB 10601 );(11)《客运专线铁路无砟轨道铺设条件评估指南》(铁建设[2006]158 号);(12)《客运专线无砟轨道铁路工程施工质量验收暂行标准》(2007局部修订)(铁建设[2007]104 号);(13)《CRTS I型双块式无砟轨道时速200-250 公里客运专线铁路(兼顾货运)》(通线[2008]2251 );(14)《CRTS I型板式无砟轨道时速200-250公里客运专线铁路(兼顾货运)》(通线[2008]2201 );(15 )乌蒙山一号隧道施工现场情况及调查资料;(16 )成都铁路局贵阳建设指挥部六沾项目部的有关要求;4、试验目的(1)a、工人熟悉无砟轨道施工流程;b、各个工班各道工序人员设备的最佳组合;c、确定标注化施工流程和施工工艺。
桥梁CRTS I 型双块式无砟轨道“简易工装”施工技术摘要:无砟轨道标准高、工艺复杂、技术难度大,文章结合工程实例,对桥梁双块式无砟轨道“简易工装”施工的施工设备、人员配置、物流组织、现场施工工艺等方面作出了总结,以便于参考。
关键词:无砟轨道 简易工装 施工技术 1 前言无砟轨道具有轨道稳定性高、刚度均匀性好、结构耐久性强、少维修或免维修的特点,满足高速列车运行平稳性、安全性和舒适性的要求,从而使其成为我国高速铁路建设轨道结构采用的主要形式。
CRTS I 型双块式无砟轨道“简易工装”施工是主要采用人工结合一些小型机具将预制的双块式轨枕组装成轨排,以现场浇注混凝土方式将轨枕浇入均匀连续的钢筋混凝土道床内,为混凝土浇注一次性成型的轨道结构。
从施工角度而言,简易工装具有施工设备简单、易于增加作业面、减少施工成本等优点。
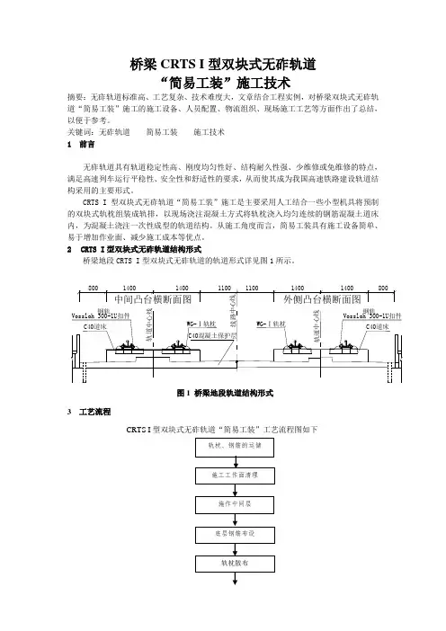
2 CRTS I 型双块式无砟轨道结构形式桥梁地段CRTS I 型双块式无砟轨道的轨道形式详见图1所示。
800800外侧凸台横断面图14001400心线中间凸台横断面图1100110014001400图1 桥梁地段轨道结构形式3 工艺流程CRTS I 型双块式无砟轨道“简易工装”工艺流程图如下3.1 轨枕、钢筋的运储1、提报轨枕、钢筋用料计划计算确定每周所需的轨枕及钢筋数量。
提前两周运抵工地,双线所需轨枕、钢筋一次运输、放置到位。
2、轨枕的运送轨枕层间用10×10 cm方木支撑,枕木垛应绑扎牢固。
可使用卡车运送轨枕,使用汽车吊等卸载轨枕。
3、轨枕的接收轨枕到达现场,移交产品合格证,逐根目视检查外观质量。
重点检查轨枕在运输过程中的损坏、裂缝、钢筋变形等情况,不合格轨枕,拒收并退还。
4、轨枕的现场堆放在施工现场,轨枕及钢筋间隔存放在标识好的指定位置。
轨枕层间用10×10 cm方木支撑,每垛存放3层,枕垛间最小间距为0.5m。
层高以不影响CPIII测设为前提,I线轨枕和钢筋放在II线外侧,中间作为物流通道, II线轨枕和钢筋存放于防撞墙外。
.长昆(段)TA1-3III类施工方案报审表编号:标段名称CKTJ-Ⅳ标段施工单位中交一公局施工方案名称CRTSⅠ型双块式无砟轨道专项施工方案我单位已依据要求编制达成CRTSⅠ型双块式无砟轨道专项施工方案,并经我单位技术负责人审察赞同,请予以审察。
附: CRTSⅠ型双块式无砟轨道专项施工方案施工单位(章)负责人日期监理分站审察建议:监理分站(章 )监理组长日期监理站审批建议:监理站(章 )总监理工程师日期注:本表一式 4 份,施工单位 2 份,企业、监理各 1 份。
新建铁路沪昆客运专线长昆段CKTJ-Ⅳ标CRTSⅠ型双块式无砟轨道专项施工方案编制:复核:审核:中交一公局沪昆客专长昆段Ⅳ标二○一三年十一月.目录1、编制依照 (1)2、合用围 (2)3、工程概略 (2)4、施薪资源配置 (3)4.1 主要施工人员配置 (3)4.2 主要机械配置 (4)4.3 施工技术培训 (5)5、施工进度计划 (5)6、工程运输组织 (6)7、施工工艺 (6)7.1 基本工艺流程 (7)7.2 支承层施工 (7)7.3 端梁施工 (10)7.4 桥上混凝土底座施工 (11)7.5 混凝土道床板施工 (16)7.6 路桥、路隧无砟轨道过渡段施工 (28)8、质量目标、系统及举措 (28)8.1 质量目标 (28)8.2 质量保证系统 (28)8.3 质量管理制度 (30)8.4 质量保证举措 (31)9、安全目标、系统及举措 (33)9.1 安全目标 (33)9.2 安全保证系统 (33)9.3 安全生产管理制度 (34)9.4 安全保证举措 (36)9.5 安全应急营救方案 (37)10、环境保护和文明施工目标及举措 (40)10.1 环境保护目标 (40)10.2 环境保护举措 (40)10.3 文明施工目标 (41)10.4 文明施工举措 (41).CRTSⅠ型双块式无砟轨道专项施工方案1、编制依照(1)国家有关法律、法例;(2)《高速铁路轨道工程施工技术指南》(铁建设【 2010】241);(3)《铁路混凝土工程施工技术指南》(铁建设【 2010】241);(4)《高速铁路轨道工程施工质量查收标准》(TB10754-2010 );(5)《铁路混凝土工程施工质量查收标准》(TB10424-2010 );(6)《铁路轨道工程施工安全技术规程》(TB10305-2009 );(7)《高速铁路工程丈量规》(TB10601-2009 );(8)《客运专线铁路无砟轨道铺设条件评估技术指南》(铁建设【2006 】158);(9)《客运专线高性能混凝土暂行技术条件》(科技基【 2005 】101号);(10)《客运专线 250Km/h 和 350Km/h 钢轨检验及查收暂行标准》(铁建设【 2005 】402 );(11)《客运专线综合接地技术实行方法(暂行)》(铁集成〔2006〕220号);(12)《新建铁路长昆客专()段无砟轨道指导性施工组织设计》;(13)《沪昆客专长昆段指导性施工组织设计 2013 年度动向调整》;(14)《铁路综合接地系统》(通号〔 2009 〕9301 号);(15)《路基地段 CRTSⅠ型双块式无砟轨道构造设计》(长昆客专(长玉段)施轨 01-1-01~12);(16)《地道地段 CRTSⅠ型双块式无砟轨道构造设计》(长昆客专(长玉段)施轨 02-1-01~14);(17)《桥梁地段 CRTSⅠ型双块式无砟轨道构造设计》(长昆客专(长玉段)施修轨 03-1-01~23 );(18)《桥上 CRTS I型双块式无砟轨道预埋件设计》(长昆客专(长玉段)施轨 04-3-01 ~07 );(19)《 CRTSⅠ型双块式无砟轨道过渡段构造设计桥台与路基过渡》(长昆客专(长玉段)施轨 15-1-01~25 );(20 )《CRTSⅠ型双块式无砟轨道工点构造设计》(长昆客专(长玉段)施轨 14-2-01~35 )(21)《CRTSⅠ型双块式无砟轨道工点构造设计》(长昆客专(长玉段)施轨 14-3-01~70 )(22 )《中交一公局沪昆客专 CKTJ-Ⅳ标 CRTSI 型双块式无砟轨道工程实行性施工组织设计》;(23 )《CRTS I型双块式无砟轨道施工技术及管理骨干室培训资料》(24 )《对于明确长昆段曲线超高设置标准的通知》(工管函【 2013】3号);(25 )现场检查有关资料。
CRTSⅠ型双块式桥梁段无砟轨道施工技术总结一、工程概况新建兰新铁路第二双线起始里程为DK682+735.07结束里程为DK800+970.94(其中含施工断链全长为43.896km)实际全长为74.34km。
其中中铁九局一公司参建的无砟轨道施工里程段位DK682+735.07-DK722+952.20,桥梁段无砟轨道部分实际长度为17.4km。
主要有酒泉特大桥、河口1#特大桥、河口2#特大桥、北大河特大桥、南干渠、X301以及黑山湖中桥。
桥梁CRTSI型双块式无砟轨道施工具有工作内容新、作业面不集中、作业空间狭长、流水作业性强、队伍及设备调遣频繁的特点。
我单位在施工技术和质量控制方面精心组织、严格管理,优化工法方案,于2013年4月至2013年9月,完成了CRTS I型双块式无砟轨道桥梁段的施工。
下面就以CRTS I型双块式无砟轨道为例,结合现场对施工过程做一总结。
图1、桥上无砟轨道断面图二、主要施工工序简述1.桥面清理,安装连接筋;2.底座钢筋绑扎,模板支立加固;3.底座混凝土浇筑养生;4.土工布隔离层铺设,凹槽弹性垫板安装;5.道床底层钢筋绑扎,双块式轨枕粗铺;6.轨排安装,轨枕间距调整;7.竖向调节器及轨向调整器安装并粗调;8.道床上层钢筋绑扎,接地钢筋及接地端子焊接;9.模板安装加固,轨道精调;10.道床混凝土浇筑、养护液养生、轨排模板拆除等。
三、施工方法及要点控制1 .底座施工(1)钢筋施工①钢筋绑扎前要对桥面预埋套筒进行验收,合格后方可进行连接筋安装。
②钢筋绑扎必须符合设计要求及规范要求,钢筋表面应洁净,无损伤、油渍、铁锈等,钢筋骨架绑扎应牢固。
③钢筋加工及制作应满足下表钢筋加工允许偏差和检验方法④钢筋应按设计要求绑扎牢固,钢筋节点间不做绝缘处理。
⑤底座板保护层厚度为35mm。
⑥钢筋保护层垫块的抗压强度不应小于结构本体混凝土的设计强度。
底座板侧面和底面的垫块数量不应少于4个/㎡。
(2)模板安装①模板技术性能必须符合相关质量标准,在模板使用前要对模板的变形量进行检查,对变形量超限的模板不准用于工程。
②模板采用组合钢模板,模板内侧面平整,不得有锈蚀,如有锈蚀一定要清除并涂刷脱模剂。
③模板接缝严密,不得漏浆。
④模板及支撑有足够的强度刚度和稳定性,能可靠地承受浇筑混凝土的重量、侧压力以及施工荷载。
⑤模板安装后尺寸偏差应符合下表要求:(3)混凝土浇筑①所有参加施工的工人、混凝土工等必须经过岗前培训,持证上岗。
②混凝土施工过程中使用的各种机械设备必须经过使用状态认可后方准使用。
严禁使用未经状态认可的机具。
③各种原材料水泥、钢筋、砂、碎石必须具有出厂合格证及试验报告;并且经过抽检试验,合格后方准使用。
④混凝土浇筑前检查模板平整度,模板支撑是否牢固,模板与混凝土接触面必须清理干净并涂刷脱模剂。
⑤混凝土采用商品混凝土,拌和站集中拌和后,用混凝土搅拌运输车运输。
(4)混凝土的振捣混凝土浇筑过程中,随时对混凝土进行振捣并使其均匀密实。
浇筑混凝土应分层进行,其分层厚度(指捣实后厚度)应根据拌制能力、运输条件、浇筑速度、振捣能力和结构要求等条件决定。
混凝土的浇筑层厚度(5)底座混凝土的养护①混凝土振捣完成后,在混凝土初凝前后,用抹子搓压表面至少两遍,使之平整后覆盖塑料布及土工布进行养护,此时应注意覆盖物不要直接与混凝土表面接触,直至混凝土终凝为止。
②应采取切实可行的措施减少混凝土的水化热,控制早期强度。
③底座混凝土浇筑后,12h内即应覆盖和洒水,直至规定的养护时间。
操作时,不得使混凝土受到污染和损伤。
当日平均气温低于5℃时应采取保温养护措施,并不得对混凝土洒水养护。
2.道床施工(1)道床钢筋绑扎步骤及方法按照施工图钢筋规格、尺寸在钢筋加工场下料,钢筋截取采用切筋机切断,用弯筋机弯制直角弯钩。
半成品按照同一规格集中堆放、标识。
按照设计图纸绑扎底层钢筋网,纵向和横向设置定位钢筋准确定位,交叉点设置绝缘卡,用尼龙自锁带绑扎。
网片上方用5cm*7cm 方木支垫以方面预铺灰枕轨排。
底层钢筋网用C40同标号垫块进行支垫,垫块梅花型布置,垫块数量4个/m2。
上层钢筋按图纸要求进行布置绑扎,绝缘钢筋要做好绝缘处理。
接地焊接:纵横向接地钢筋采用“L ”型焊接,单面焊接长度不小于100mm ,双面焊长度不小于55mm ,焊缝厚度不少于4mm 。
钢筋绝缘检测:道床板钢筋绑扎和焊接完成后,检测采用欧姆表,非接地钢筋中, 任意两根钢筋的电阻值不小于2M Ω。
工序质量检查标准及验收检验方法:接地钢筋焊接长度不小于100mm 。
接地单元长度不大于100m 。
钢筋安装及接地焊接质量检查项目:按照设计安装钢筋,按照图进行焊接接地连接位置,混凝土保护层两侧和顶部最小厚度符合图纸要求。
防止接地端子污染,做好防护措施。
(2)组装轨排轨道排架在道床底层木方上完成轨枕组装,将双块式轨枕顺序摆放到木方上,正确对位,门吊吊装轨架铺设。
CRTS Ⅰ型双块式无砟轨道扣件系统弹性垫层弹条轨距挡混凝土铁垫板 钢轨垫板 钢轨塑料套管螺纹道钉①方法及步骤吊装:将轨枕用龙门吊吊放在底座上部木方平台上,人工调整枕木间距,吊装时需低速起吊、运行。
均枕:按照组装枕块的定位线均枕,并对轨枕表面进行清理。
为了节省轨排组装时间,要再次检查调整轨枕位置。
上轨道排架:龙门吊将轨排架放在枕木平台上,人工用撬杠移动轨枕,使扣件铁垫板螺栓孔与轨枕上螺栓孔位置对齐,然后安装锚固螺栓。
复查轨枕位置并上紧扣件。
安装扣件注意事项:安装前检查螺栓孔是否有杂物,螺栓螺纹上是否有砂粒等,螺栓涂抹专用油脂,将螺栓放入螺栓孔内,用手试拧螺栓,看是否能顺利旋进,若出现卡住现象,则调整后重新对准、放入,按照扭矩要求用专用扳手上紧螺栓,扣件与轨枕顶、钢轨底必须密贴。
复查轨排的螺栓安装质量及轨枕间距。
(3)粗调先拉水平线,旋转竖向调节螺杆将轨排调整到规定标高。
中线对位:利用直尺找出轨道中心位置,在中心位置吊锤球,用千斤顶调节轨排使锤球与放样中心点重合为止。
粗调精度一般为:中线允许偏差可控制在5mm,轨面高程允许偏差控制在0~-5mm,两个指标最大均不超过1.0cm。
(4)夹板连接粗调完成后,轨道排架间使用钢轨专用夹板,每接头按1-3-4-2顺序拧紧螺栓。
(5)综合接地①道床板板间接地每两块相邻道床板设计有不锈钢接地端子。
纵向接地钢筋的两个端头各设有一个接地端子,端子的接口与道床板侧面面齐平,每两块道床板相邻的接地端子之间的中心距离不得大于30cm(不锈钢连接钢缆设计长度40cm)。
接地端子固定:将端子的尾部钢筋和上层纵向接地钢筋焊接完成。
②单元接地纵向每100m设计一个接地单元,与贯通地线单点“T’型连接一次,“T’型连接设置在接地单元的中部,单元之间的纵向钢筋不连通。
(6)模板安装①工艺方法及步骤无砟道床结构采用组合钢模板施工。
安装轨排后安装钢模,钢模安装后不加固,待轨排精调完毕后进行模板加固。
伸缩缝安装:采用两块钢板夹泡沫,钢板顶部采用角钢加强。
轨排粗调后安装伸缩缝模板,轨排精调完毕将模板调整正确位置后用钢筋卡卡住模板并固定。
表模板安装误差表(7)轨排精调在无砟轨道施工过程中,轨排的精调采用以精调小车为主,人工操作为辅的形式进行调整。
采用轨检小车对轨道进行逐根轨枕连续测量,测量时应尽量速度均匀,待小车放轨枕位置基本处于静止状态时,采集数据。
确定全站仪自由设站点的坐标、方位和全站仪横轴中心的高程。
全站仪与精调小车的距离要保持在10m~80m之间,通过前后各4个连续CPIII基标上的棱镜,自动平差、计算确定位置。
改变测站位置,必须至少交叉观测后方利用过的4个控制点。
减少站与站之间的误差,保证平水性。
①轨排水平精调精调仪器架设完成并复核精度要求后,技术人员采用精调小车进行测量,通过调整螺杆调整器支腿处竖向丝杆精调轨排钢轨顶面高程。
精调过程中,为避免在钢轨垂直向出现硬弯,应首先对偏差较大处进行处理。
对大于10mm的偏差(应该避免,但有个别情况),测量出偏差最大处,对相应7榀调整架同时进行调整;对于大于5mm的偏差,应对5榀调整架同时进行调整;对于大于3mm的偏差,应对3榀调整架进行调整;对于小于3mm的偏差,调整1-3榀调整架即可。
几榀螺杆调整器同时调整时,步调应协调一致。
现场采用在钢轨顶面用精调小车测量的方式,指挥调整,全程监控的方式进行。
对于偏差较大,应在不同位置处测量,避免调整过程中的相互影响。
轨排水平精度控制在2mm,内外轨水平差不大于1mm,注意竖曲线的设置。
②轨排方向精调用精调小车实测轨排方向于设计线路中线的偏差值和轨距偏差值,通过调整轨距拉杆来调整轨距;通过调整轨排螺杆调整器水平丝杠精确调整轨排中线方向。
精调过程中,为避免钢轨出现硬弯,应首先测设出整个轨排的中线偏差情况,并进行分析。
首先应对较大偏差进行处理。
对大于10mm的偏差(因该避免,但有个别情况),测量出偏差最大处的位置,对相应7榀调整架同时进行调整;对于大于5mm的偏差,应对5榀调整架同时进行调整;对于大于3mm的偏差,应对3榀调整架进行调整;对于小于3mm的偏差,调整1-3榀调整架即可。
几榀螺杆调整器同时调整时,步调应协调一致。
轨排中线精度方向控制在2mm内。
考虑轨排水平和方向调整过程中的相互影响,需要再一此对轨排进行调整,方法同上。
根据合武铁路无砟轨道现场的实际情况,在轨排精调后,轨面标高应比设计标高低1mm,轨距应比设计轨距小0.5mm。
精调完成的同时,逐一检查每个支撑及螺杆调节器的受力情况,防止轨排在浇筑混凝土的过程中移动。
③轨排的复测与监控混凝土浇筑施工前,还应进行一次精调复测。
受施工过程中各工序干扰的影响,比如支撑的缺失、混凝土浇筑过程中的振捣或其他不可遇见的因素都会对已调整好的轨排精度产生影响。
浇筑过程中,技术人员应全过程监控,对浇筑前后轨排中线方向、水平方向进行检查,并监督现场对轨排的扰动,发现中线、水平超标必须立即进行处理。
模板安装时用钻孔机在地面安放模板垂直度调整器,然后用膨胀螺栓和连接在模板上的特制的三角固定架固定。
在模板组合时板与板之间夹海绵条;模板衔接处用高强度砂浆在模板内侧填缝找平,其顶面平整度在1mm内并加海绵条,用墨线弹出标高控制线,方便施工。
④精调注意事项所有测量仪器必须按相关标准实行定期标定。
测量区域尽量减少其它施工作业。
轨排精调后就采取防护措施,严禁踩踏和撞击。
轨排精调后应尽早浇筑混凝土,如果轨排受到外部扰动,或放置时间过长。
或环境温度变化超过15℃时,必须重新检查确认仍合格后,方能浇筑混凝土。
在工作方面狭窄的桥上施工,必须加强调度指挥、严格执行安全操作规程。
每次精调测量前,都必须对轨道检测小车的轨距、水平进行检查确认是否需在校核。
为减少误差,测量时应记录精调时的全站仪设站位置和测量段落,以和后期调整时的测量保持一致。