乙醇内控质量标准
- 格式:docx
- 大小:24.38 KB
- 文档页数:3
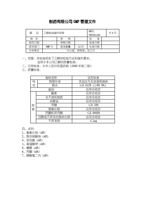
制药有限公司GMP管理文件一、范围:本标准规定了乙醇的检验方法和操作要求;适用于本公司乙醇的质量检测。
二、引用标准:中华人民共和国药典(2000年版二部)三、质量标准:四、试剂:1、氢氧化钠(AR)2、焦亚硫酸钠(AR)3、变色酸(AR)4、高锰酸钾(AR)5、糖醛(AR)6、丙酮(AR)7、磷酸氢二内(AR)8、硫酸(AR)五、仪器和用具1、氏比重秤六、操作步骤:1、性状:1.1 物理外观:本品为无色澄明液体;微有特臭,味灼烈;易挥发,易燃烧,燃烧时显淡黄色火焰;热至约78℃即沸腾。
本品与水、甘油、氯仿或乙醚能任意混溶。
1.2 相对密度2、鉴别:取本品1ml,加水5ml与氢氧化钠试液1ml后,缓缓滴加磺试液2ml,即发生碘仿的臭气,并生成黄色沉淀。
3、检查3.1 酸度:取本品10ml,加水25ml及酚酞指示液2滴,摇匀,滴加氢氧化钠滴定液(0.02mol/L)至显淡红色,再加本品25ml,摇匀,加氢氧化钠滴定液(0.02mol/L)0.50ml,应显淡红色。
3.2 水不溶性物质:取本品,与同体积的水混合后,溶液应澄清;在10℃放置30分钟,溶液仍应澄清。
3.3 杂醇油:取本品10ml,加水5ml与甘油1ml,摇匀后,分次滴加在无臭的滤纸上,使乙醇自然挥散,始终不得发生异臭。
3.4 甲醇:取本品5ml,用水稀释至100ml,摇匀;分取1.0ml,加磷酸溶液(1—10)0.2ml与5%高锰酸钾溶液0.25ml,在30~35℃保温15分钟,滴加10%焦亚酸钠溶液至无色,缓缓加入在冰浴中冷却的硫酸溶液(3—4)5ml,在加入时应保持混合物冷却;再加新制的1%变色酸溶液0.1ml,置水浴中加热20分钟,如显色,与标准甲醇溶液(精密称取甲醇20mg),加水使成200ml)1.0ml用同一方法制成的对照液比较,不得更深0.02%。
3.5易氧化物取50ml具塞量筒,依次用盐酸、水与本品洗净后,加入本品20ml,放冷至15℃,加高锰酸钾滴定液(0.02mol/L)0.10ml,密塞摇匀后,在15℃静置10分钟,粉红色不得完全消失。
工业乙醇质量标准嘿,咱今天就来好好聊聊工业乙醇质量标准这档子事儿!你说这工业乙醇啊,就好比是咱厨房里的盐,看似普通,可没了它还真不行!它在好多行业里那可是起着至关重要的作用呢。
那什么样的工业乙醇才算是好的呢?这就得看质量标准啦!咱先说说纯度吧,这就像是挑苹果,你得要个又大又红又甜的吧,工业乙醇也得纯纯的呀!要是里面杂质太多,那可就麻烦啦,就好像你吃苹果吃到个虫子,多闹心呀!纯度高的工业乙醇,用起来才顺手,效果才好呀。
然后是水分含量,这就跟煮汤似的,水太多了汤就没味啦!工业乙醇里水分太多,那它的性能不就大打折扣了嘛。
咱得要那种水分恰到好处的,这样它才能发挥出最大的作用。
还有酸度呢,你想想,要是酸溜溜的,那能好用吗?就跟喝醋似的,谁也不想用个酸不拉几的乙醇呀。
所以酸度得控制好,不能超标咯。
再来说说外观,这可不能马虎。
要是看起来就浑浊不清的,那能让人放心用吗?咱得要那种清清爽爽、干干净净的工业乙醇,看着就舒服,用着也安心呀。
你说这质量标准重要不?那肯定重要呀!要是没个标准,那市场不就乱套啦?就好比没有交通规则,那路上还不得乱成一锅粥呀!咱平常买东西还得挑挑拣拣呢,更何况是工业乙醇这种重要的东西。
企业生产的时候可得严格按照标准来,可不能偷工减料呀。
不然生产出来的东西质量不行,那不是砸自己招牌嘛!咱消费者在使用的时候也要留个心眼,看看是不是符合质量标准,可别稀里糊涂就用了。
你想想,要是因为用了质量不达标的工业乙醇,导致产品出问题,那得损失多大呀!这可不是闹着玩的。
所以呀,大家都得重视这个工业乙醇质量标准,让我们的生产和生活都能顺顺利利的。
总之,工业乙醇质量标准就是一道关卡,只有符合标准的才能过关斩将,在各个领域发挥它的作用。
咱可不能小瞧了它,要认真对待,这样我们的工业才能越来越好,我们的生活也才能越来越美呀!你说是不是这个理儿呢?原创不易,请尊重原创,谢谢!。
明确乙醇的质量要求,严格按本标准采购、检验、生产,保证产品的质量。
二、范围:
适用于本企业乙醇的检验及质量控制。
三、职责:
1、供应部:严格按本标准要求,从定点供应商采购;
2、仓库:严格按本标准接收、贮存原料;
3、品质部:检验员严格按本质量标准检验,认真、及时、准确地填写检验记录,化验室负责人监督检查检验员执行本标准,QA按本标准放行前审核;
4、生产部:严格按本质量标准生产使用。
四、内容:
【有效期】以生产日期计:三年
【复验期】以生产日期计:距有效期前六个月
五、参考文献:
GB 10343-2008
六、相关文件:
乙醇检验操作规程
七、相关记录:
乙醇检验记录
八、变更记录及原因:
第 1 页共 1 页。
文件编号页码共3页第1页文件名称乙醇质量标准版次01制定人制定日期审核人审核日期批准人批准日期颁发部门GMP办公室颁发日期执行部门质管部、供应部、生产部、仓储部生效日期分发部门:GMP办公室、质管部、供应部、生取代:产部、仓储部【药品名称】乙醇【汉语拼音】yichun【产品代号】)、中国药典2015年版四部通则【依据】中国药典2015年版二部(P13【性状】本品为无色澄清液体;微有特臭;易挥发,易燃烧,燃烧时显淡蓝色火焰;加热至约78℃即沸腾。
本品与水,甘油,三氯甲烷或乙醚能任意混溶。
相对密度本品的相对密度(中国药典2015年版四部通则0601)不大于0.8129,相当于含C2H6O不少于95.0%(ml/ml)。
【鉴别】(1)取本品1ml,加水5ml与氢氧化钠试液1ml后,缓缓滴加碘试液2ml,即发生碘仿的臭气,并生成黄色沉淀。
(2)本品在红外吸收光谱应与对照的图谱(光谱集1290图)一致。
【检查】酸碱度取本品20ml,加水20ml,摇匀,滴加酚酞指示液2滴,溶液应为无色;再加0.01mol∕L氢氧化钠溶液1.0ml溶液应显粉红色。
溶液的澄清度与颜色本品应澄清无色。
取本品适量,与同体积的水混合后,溶液应澄清;在10℃放置30分钟,溶液仍应澄清。
吸光度取本品,以水为空白,照紫外-可见分光光度法(中国药典2015年版四部通则0401)测定吸光度,在240nm的波长处不得过0.08;250~260nm的波长范围内不得过0.06;270~340nm的波长范围内不得过0.02。
挥发性杂质照气相色谱法测定(中国药典2015年版四部通则0521)文件编号页码共3页第2页文件名称乙醇质量标准版次01色谱条件现系统适用性试验以6%氰丙基苯基-94%二甲基聚硅氧烷为固定液;起始温度40℃,维持12分钟,以每分钟10℃的速率升温至240℃,维持10分钟;进样口温度为200℃;检测器温度为280℃。
对照溶液(b)中乙醛峰与甲醇峰之间的分离度应符合要求。
乙醇检验标准操作规程1范围本标准建立了乙醇的检验标准操作规程。
本标准适用于乙醇的质量控制与检验。
2规范性引用文件下列文件中的条款通过本标准的引用而成为本标准的条款,其最新版本适用于本标准。
《中华人民共和国药典》 2010版二部《微生物限度检查检验标准操作规程》编号《乙醇质量标准》编号3职责检验人员、复核人员对实施本标准负责。
4操作规程4.1试剂与试药甘油、氯仿、乙醚、氢氧化钠试液、碘试液、酚酞指示液、氢氧化钠滴定液(0.01mol/L)、水、乙缩醛、无水甲醇等。
仪器与设备50ml具塞量筒、温度计、紫外-可见分光光度计、气相色谱仪、水浴锅、比重瓶、蒸发皿、试管、干燥箱、恒温培养箱、比重瓶、干燥器,电子天平等。
4.2检验项目4.2.1性状4.3.1.1操作方法(1)取本品,在明亮光线下,用目测法观察其外观;用鼻闻和口尝其气;并依法观察其特性。
(2) 相对密度:取本品,依法操作(附录Ⅵ A 比重瓶法)。
a、取洁净、干燥并精密称定重量的比重瓶,装满供试品(温度应低于20℃或个品种项下规定的温度)后,装上温度计(瓶中应无气泡),置20℃的水浴中放置若干分钟,使内容物的温度20℃,用滤纸除去溢出侧管的液体,立即盖上罩。
然后将比重瓶自水浴中取出,再用滤纸将比重瓶外面擦干净,精密称定,减去比重瓶的重量,求得供试品的重量后,将供试品倒出,洗净比重瓶,装满新沸过的冷水,再照上法测得同一温度时水的重量,按下式计算记得。
b、取洁净、干燥并精密称定重量的比重瓶,装满供试品(温度应低于20℃或个品种项下规定的温度)后,插入中心有毛细孔的瓶塞,用滤纸将从塞孔中溢出的液体擦干,置20℃恒温水浴中,放置数分钟,随着供试液温度上升,多余的液体将不断从塞孔溢出,随时用滤纸将瓶塞顶端擦干,待液体不再由塞孔溢出,迅速将比重瓶自水浴中取出,照上述a法,自“再用滤纸将比重瓶的外面擦净”起,依法测定,即得。
4.3.1.2记录记录其外观、气味、特性、测相对密度时的温度、比重瓶重、(比重瓶+样)重、相对密度的计算及结果。
XXXXXXXX有限公司辅料质量标准及检验操作规程1 品名:1.1 中文名:乙醇1.2 汉语拼音:Yi chun2 代码:3 供应商:见合格供应商名单4 取样文件编号:5 检验方法文件编号:6 依据:《中国药典》(2020年版第四部)。
7 质量标准:8 检验操作规程:8.1 性状:(1)本品为无色透明液体;微有特臭,味灼烈;易挥发,易燃烧,燃烧时显淡蓝色火焰;热至约78℃即沸腾。
(2)本品与水、甘油、三氯甲烷或乙醚能任意混溶。
(3)相对密度:本品的相对密度(附录10)不大于0.8129,相当于含C2H5O 不少于95.0%(ml/ml)。
8.2鉴别:8.2.1取本品1ml,加水5ml与氢氧化钠试液1ml后,缓缓滴加碘试液2ml,即发生碘仿的臭气,并生成黄色沉淀。
8.2.2本品的红外光吸收图谱应与对照品的图谱一致。
8.3检查:8.3.1酸碱度:取本品20ml,加水20ml,摇匀,滴加酚酞指示液2滴,溶液应为无色;再加0.01mol/ L氢氧化钠溶液1.0ml,溶液应显粉红色。
8.3.2溶液的澄清度与颜色:本品应澄清无色。
取本品适量,与同体积的水混合后,溶液应澄清;在10℃放置30分钟,溶液仍应澄清。
8.3.3吸光度取本品,以水为空白,照紫外-可见分光光度法(附录5)测定吸光度,在240nm的波长处不得过0.08;250~260nm的波长范围内不得过0.06;270~340nm的波长范围内不得过0.02。
8.3.4挥发性杂质:照气相色谱法测定(附录9)。
色谱条件与系统适用性试验以6%氰丙基苯基-94%二甲基聚硅氧烷为固定液;起始温度40℃,维持12分钟,以每分钟10℃的速率升温至240℃,维持10分钟;进样口温度为200℃;检测器温度为280℃。
对照溶液(b)中乙醛峰与甲醇峰之间的分离度应符合要求。
测定法精密量取无水甲醇100ul,置50ml量瓶中,用供试品稀释至刻度,摇匀,精密量取5ml,置50ml量瓶中,用供试品稀释至刻度,摇匀,作为对照溶液(a);精密量取无水甲醇50ul,乙醛50ul,置50ml量瓶中,用供试品稀释至刻度,摇匀,精密量取100ul,置10ml量瓶中,用供试品稀释至刻度,摇匀,作为对照品溶液(b);精密量取乙缩醛150ul,置50ml量瓶中,用供试品稀释至刻度,摇匀,精密量取100ul,置10ml量瓶中,用供试品稀释至刻度,摇匀,作为对照品溶液(c);精密量取苯100ul,置100ml量瓶中,用供试品稀释至刻度,摇匀,精密量取100ul,置50ml量瓶中,用供试品稀释至刻度,摇匀,作为对照品溶液(d);取供试品作为供试品溶液(a);精密量取4-甲基-2-戊醇150ul,置500ml量瓶中,加供试品稀释至刻度,摇匀,作为供试品溶液(b)。
乙醇-检验标准操作规程适用范围:适用于乙醇的检验。
责任者:质量管理部经理、质量检验中心主任、质量检验员。
内容:1 品名:乙醇2 取样:照辅料取样标准操作规程(SOP-QC-ZJ-6074)取样。
3 检验依据:乙醇内控质量标准操作规程(STP-QS-ZJ-4001)。
4 性状4.1仪器:可调试电热板温度计、烧杯、电炉。
4.2试剂:甘油、氯仿、乙醚。
4.3操作方法4.3.1从取样样品中取本品10ml置50ml烧杯中,在明亮处用肉眼观察为无色澄清液体;鼻闻微有特臭,味灼烈;易挥发;脱脂棉沾取少许乙醇点燃可直接点燃,燃烧时显淡蓝色火焰;把乙醇倒入装有温度计的烧杯放在可调试电热板上进行加热至78℃即沸腾;分别取四个试管,每个试管装乙醇10ml,在四个试管中分别加入水、甘油、三氯甲烷、乙醚,10ml,在明亮处用肉眼观察均能溶解。
4.3.2相对密度:照相对浓度测定标准操作规程(SOP-QC-ZJ-6003)检验,不大于0.8129相当于含C2H6O不少于95.0%(ml/ml)。
4.3.2.1仪器:电热恒温水浴锅。
4.3.2.2操作方法:取洁净、干燥并精密称定重量的比重瓶,装满供试品(温度应低于20℃)后,装上温度计(瓶中无气泡),置20℃水浴中放置若干分钟,使内容物的温度达到20℃,用滤纸除去溢出测管的液体,立即盖上罩。
然后将比重瓶自水浴中取出,再用滤纸将比重瓶的外面擦净,精密称定,减去比重瓶的重量,求得供试品的重量后,将供试品倾去,洗净比重瓶,装满新沸过的冷水,再照上法测得同一温度时水的重量,按下式计算即得。
(相对密度不大于0.8129)比重瓶重水)重(瓶比重瓶重供试品)重(瓶供试品的相对密度--++= 5鉴别5.1仪器:红外分光光度计5.2试液氢氧化钠试液:取氢氧化钠4.3g ,加水使溶解成100ml ,即得。
碘试液:取碘13.0g ,加碘化钾36g 与水50ml 溶解后,加盐酸3滴与水适量使成1000ml ,摇匀。
原料质量标准文件编号:原料名称:乙醇质量标准:工业合格品版次:生效日期:参考标准:复印号:起草/日期校准/日期部门审核/日期批准/日期1.理化性质1.1分子式:CH3CH2OH1.2分子量:46.001.3性状:本品俗称酒精。
为无色澄清液体;微有特臭,味灼烧;易挥发,易燃烧,燃烧时显淡蓝色火焰;加热至78℃即沸腾。
2、检测项目项目指标备注外观无色澄清液体鉴别检查应一致酸度应符合规定含量≥95%澄清度澄清无色不挥发物≤1mg甲醇含量≤0.06%密度0.76~0.79g/cm3水分3、检验方法3.1外观:本品为无色澄清液体;微有特臭,味灼烧;易挥发。
3.2 鉴别(1)取本品l ml,加水5ml与氢氧化钠试液l ml后,缓缓滴加碘试液2ml,即发生碘仿的臭气,并生成黄色沉淀。
(2)本品的红外光吸收图谱应与对照品的图谱一致(附录IVC)。
3.3酸度取本品20ml,加水20ml摇匀,滴加酚酞指示液两滴,液体应为无色;再加0.01mol/L 氢氧化钠溶液1.0ml,应显粉红色。
3.4含量将试样置清洁、干燥的夹套式量筒中,夹套内通入20℃的水,把酒精计缓缓地放入试样中,其下端应离筒底2cm以上;待试样温度达到20士0.1℃时,将酒精计压下2个刻度,轻轻旋转并放开手,不能与筒壁接触。
待静止后,读出酒精计弯月面下缘的刻度,即为20℃时乙醇含量。
(两次平行测定结果的差值不大于0.l%(V/V))3.5澄清度本品应澄清无色。
取本品适量,与同体积的水混合后,溶液应澄清;在10℃放置30分钟,溶液仍应澄清。
3.6 不挥发物取本品40ml,置105℃恒重的蒸发皿中,于水浴上蒸干后,在105℃干燥2小时,遗留残渣不得过l mg。
3.7 甲醇含量:气相色谱法柱管:内径3mm,长度3m固定相:GDX—104检测器:火焰离子化检测器(FID)设定载气速度4.3cm/s;柱温箱温度135℃;汽化室和检测室温度为170℃。
上述色谱条件下,基线稳定后,用微量进样器进样0.2ul,采用面积归一法。
无水乙醇Wu Shui Yi ChunDehydrated Alcohol编码:1012分子式:C2H6O分子量:46.07结构式:CH3CH2OH1 标准依据现行美国药典、现行欧洲药典。
2 质量指标3 内控标准【外观】本品为无色澄清液体,微有特臭,味灼烈。
【鉴别】A──本品的相对密度应与相对密度项下指标一致(参看【相对密度】)B──本品的红外图谱应与对照图谱一致。
C──取本品5滴,加入一小烧杯中,并与10g/l 高锰酸钾溶液1ml及98g/l稀硫酸(5.5ml 浓硫酸加到60ml水中,冷却,用水稀释至100ml)0.2ml混合,在烧杯口立即盖上滤纸,滤纸预先用新配的亚硝基铁氰化钠0.1g及哌嗪0.5g溶于5ml水的溶液湿润:滤纸上呈现深蓝色,10-15分钟后深蓝色变为灰色。
D——0.5ml的供试品溶液(1→10)中,加入稀氢氧化钠(8.5g氢氧化钠用水稀释至100ml)2ml ,然后缓缓加入0.05mol/L碘溶液2ml,分3分钟加入:有碘仿特臭产生,在30分钟内有黄色沉淀形成。
【水不溶性物质】取本品1.0ml,用水稀释至20 ml,放置5分钟后,稀释液应澄清、无色。
【水份】取本品,用卡氏滴定仪测试,其含水量应不大于0.5%。
【酸度或碱度】取本品20ml置于一碘量瓶中,再加入20ml新沸后冷却的水。
在该溶液中加入0.1ml 酚酞指示液,溶液应呈无色,加入1.0ml 0.01mol/L氢氧化钠溶液,溶液应呈粉红色(30ppm,以醋酸表示)。
酚酞指示液配制:0.1g 酚酞用80ml 乙醇溶解,再用水稀释到100ml。
【相对密度】美国药典<841>、欧洲药典(2.2.5):在20℃条件下测试,其相对密度在0.790 —0.793.范围内,其含量以重量计不低于99.2%。
【紫外吸收】以水作参比,使用5cm的石英比色皿,记录在340nm~235nm之间供试品的紫外吸收图谱:供试品的吸收度在240nm处不得过0.40,在250nm~260nm范围内不得过0.30, 在270nm~340nm范围内不得过0.10,并且通过这些点所记录的曲线应平滑。
化妆品乙醇含量检测标准化妆品乙醇含量检测标准1. 介绍化妆品一直是人们生活中不可或缺的一部分,而乙醇更是化妆品中广泛存在的成分之一。
然而,乙醇含量的标准一直是一个备受关注的话题,因为高乙醇含量可能对皮肤造成伤害。
本文将从深度和广度两方面来探讨化妆品乙醇含量的检测标准,以帮助读者更全面地了解这一重要的话题。
2. 化妆品中的乙醇乙醇是一种常见的化妆品成分,它具有杀菌、消毒和溶解其他成分的作用,因此在化妆品中被广泛使用。
然而,过高的乙醇含量可能对皮肤造成刺激和干燥,因此有必要对其含量进行监测和控制。
3. 乙醇含量的检测标准根据相关法规和标准,化妆品中的乙醇含量应当符合一定的限制。
不同国家和地区对于乙醇含量的规定略有不同,但普遍都要求在一定范围内进行控制。
在欧盟地区,化妆品中乙醇的含量限制为70%,而在我国大陆地区,乙醇含量的限制为60%。
这些限制旨在保护消费者的健康,避免高乙醇含量对皮肤造成损害。
4. 乙醇含量的标准检测方法为了保证化妆品中乙醇含量的准确检测,现有多种检测方法可以选择。
常见的方法包括气相色谱法、液相色谱法等,这些方法能够对化妆品中的乙醇含量进行精确测定,确保其符合相关的标准和规定。
5. 个人观点和理解作为一名化妆品爱好者,我十分关注化妆品中乙醇含量的问题。
我认为,严格监管乙醇含量是非常必要的,因为高乙醇含量可能对皮肤造成损害。
我希望化妆品生产商能够严格遵守相关标准,确保产品安全可靠。
总结通过本文的探讨,我们了解了化妆品中乙醇含量的检测标准及其重要性。
合理控制乙醇含量,对于保障消费者的健康至关重要。
化妆品生产企业应当严格遵守相关标准,确保产品的安全性和可靠性。
消费者在购买化妆品时也应当仔细阅读产品成分表,避免选择含有过高乙醇含量的产品,以免对皮肤造成损害。
6. 乙醇含量对皮肤的影响高乙醇含量的化妆品可能对皮肤造成刺激和干燥。
乙醇具有溶解脂肪的能力,因此在化妆品中起到了帮助其他成分渗透到皮肤的作用。
乙醇国家生产标准本标准规定了乙醇的生产、质量、环境保护、安全生产、标识、包装、储存、运输和质量检验等方面的要求。
本标准适用于乙醇的生产和流通环节。
1. 原料要求生产乙醇的原料应符合相关国家或地区的质量标准,如玉米、小麦、薯类等农作物及废糖蜜等。
原料中不得含有对产品质量和安全生产有害的杂质和有害物质。
2. 生产工艺和设备乙醇生产工艺应采用先进、成熟、可靠的发酵法或合成法。
设备应符合国家或行业标准,并定期进行维护和检修。
生产过程中应严格控制温度、压力、配料比等关键参数,确保产品质量和生产安全。
3. 产品质量乙醇产品质量应符合国家或地区相关标准,如浓度、色泽、气味、杂质等指标。
生产企业应建立产品质量控制体系,对产品质量进行持续监测和改进,确保产品质量的稳定性和一致性。
4. 环境保护和安全生产乙醇生产过程中应遵守国家或地区的环保和安全生产法规,减少对环境的污染和对人员的伤害。
生产企业应建立环保和安全生产管理体系,制定应急预案并定期进行演练,确保生产安全和环境保护工作的落实。
5. 产品标识和包装乙醇产品的标识和包装应符合国家或地区的相关规定,包括产品名称、浓度、生产日期、保质期、使用方法等信息。
标识和包装材料应耐用、防潮、防虫蛀,确保产品在运输和储存过程中的安全和质量。
6. 储存和运输乙醇产品的储存和运输应遵守国家或地区的有关法规和标准,采用安全的储罐和运输工具,防止产品泄漏和污染环境。
储存场地应通风良好,避免阳光直射和高温,保持适当的防火距离和应急通道。
运输过程中应遵守交通规则,保证运输安全。
7. 质量检验和监督生产企业应建立完善的质量检验体系,对每一批次的乙醇产品进行质量检验,确保产品质量符合相关标准。
同时,应接受国家和地方质量监督部门的监督检查,对发现的问题及时整改。
8. 争议解决和法律责任在生产和流通环节中,如发生争议应按照国家有关法律法规进行解决。
对于违反本标准及国家相关法规的行为,将承担相应的法律责任。
2023版药典溶剂内控质量标准1. 引言本文档提供了2023版药典溶剂内控质量标准,旨在确保药物生产过程中使用的溶剂的质量和安全性,以提高药物的质量和有效性。
2. 质量要求2.1 纯度溶剂的纯度是保证药物质量的关键因素之一。
溶剂应符合以下标准:- 溶剂的纯度不低于98%。
- 溶剂的气味和外观应正常,不应有明显的异味或混浊。
2.2 pH值溶剂的pH值对药物稳定性和有效性起着重要的影响。
溶剂的pH值应符合以下标准:- pH值应在5.0至8.0之间。
2.3 水含量溶剂中的水含量应符合以下标准:- 溶剂中的水含量不应超过0.5%。
2.4 杂质溶剂中的杂质对药物的质量和安全性具有重要影响。
溶剂的杂质应符合以下标准:- 溶剂中的有机杂质不应超过0.1%。
- 溶剂中的无机杂质不应超过0.05%。
3. 检测方法为了确保溶剂的质量符合上述要求,可以使用以下检测方法:- 纯度的检测可以使用高效液相色谱法(HPLC)或气相色谱法(GC)。
- pH值的检测可以使用pH计进行测量。
- 水含量的检测可以使用千分秤法或卡尔费舍法。
- 杂质的检测可以使用紫外可见光谱法(UV-VIS)或原子吸收光谱法(AAS)。
4. 内控措施为了确保溶剂内控质量的一致性,以下措施可以采取:- 定期对溶剂进行质量检测,确保质量标准符合要求。
- 建立标准操作规程(SOP),确保生产过程中遵守相应的质量标准。
- 建立质量管理系统,包括记录溶剂的批号、生产日期、有效期等信息,以便追溯和管理。
5. 结论本文档提供了2023版药典溶剂内控质量标准,涵盖了纯度、pH值、水含量和杂质等质量要求。
使用合适的检测方法和内控措施,可以确保溶剂的质量和安全性,从而提高药物的质量和有效性。
质量管理人员应按照本文档要求进行操作,并进行相应的质量检测和记录,以确保溶剂的质量符合标准。
以上为2023版药典溶剂内控质量标准,供参考使用。
乙醇钠乙醇溶液
质量内控标准一、目的
为了规范乙醇钠乙醇溶液产品的管理二、范围
使用本厂生产的所有乙醇钠乙醇溶液产品
三、质量标准
1、品名:乙醇钠乙醇溶液
2、用途:医药工业农业及有机合成
3、标准项目:
乙醇钠乙醇溶液检测方法
1.1外观
棕红色或淡黄色液体
1.2.1碳酸钠
1.2.2操作:准确称取乙醇钠5g(精确至0.0002g)左右,加指示剂酚酞2-3滴,用盐酸滴定溶液至无色再加甲基橙2-3滴滴定至橙红色
×N×V×100%
Na2CO3%=0.053
G
1.2.3结果的判定
碳酸钠含量应小于等于0.1%
1.3.1游离碱
1.3.2操作:用有吡啶费休试液在水分测定仪中测定水分
1.3.3计算公式:
游离碱=水分×2.22(系数)
1.4含量测定
1.4.1操作
准确称取液体乙醇钠1-2g(准确至0.0002g)于三角瓶加水50-100ml。
加指示剂甲基红2-3滴,然后用0.5N盐酸标液进行滴定,直至颜色变红为止。
1.4.2计算公式
5×N×V×100%-1.7(水分2.22)乙醇钠含量=0.0680
G。
公司名称:
通讯地址:
乙醇内控质量标准
文件编号: J—QA—007 文件类别:技术标准
1.目的:
按照《药品生产质量管理规范》要求及药典标准建立一个完整的乙醇内控标准,使该物料的最终质量判定及审核有据可依,确保原料质量,使之符合工艺要求。
2.依据:
《中国药典》2015年版二部(P13)及《药品生产质量管理规范》(2010年修订)第一百六十四条与一百六十五条。
3.适用范围:
适用于QC人员对本原料的控制检验。
4.责任:
QA、QC检验人员对本标准的实施负责。
5.物料编码:
6.取样及检验方法:
按取样管理规程取样;按乙醇检验操作规程检验。
7.定性及定量限度要求(见下表)
8.贮藏条件:遮光,密封保存。
9.储存期:12个月复验周期:6个月10.类别:消毒防腐药、溶剂。
11.用途:消毒防腐药、溶剂。
12.经批准的供应商:×××××××××有限公司。