箱形梁焊接工艺.
- 格式:doc
- 大小:401.50 KB
- 文档页数:2
箱形(梁) 柱制作工艺箱形柱是由四块板组成管状承重结构,一般为矩形或方形。
因其刚性大,自重轻,强度高,中间还可以灌注混凝土,形成特殊、紧箍式混凝土-钢柱结构,具有良好的承载轴力、弯矩和抵抗水平力的性能,在高层、超高层建筑中广泛采用。
该结构构件在柱-梁连接的部位,柱内设加筋隔板,因其工艺复杂,焊接熔敷金属量大,隔板处需采用电渣焊(SES),焊接变形不易控制,施工工艺难度较大,必须认真对待。
(一)电渣焊原理:熔嘴电渣焊是用细直径冷拔无缝钢管外涂药皮制成的管焊条作为熔嘴,焊丝在管内送进。
焊接时,将焊管条插入由被焊钢板形成的缝槽内,电弧将焊剂溶化成熔渣池,电流使熔渣温度超过钢材的熔点,从而熔化焊丝和钢板边缘,构成一条堆积的焊缝,把被焊钢板连接成整体。
(二)电渣焊特点:与其它熔化焊相比,电渣焊有以下特点:(1)当电流通过渣池时,电阻热将整个渣池加热至高温,热源体积较远焊接电弧大,大厚件工件只要留一定装配间隙,便可一接成形,生产率高。
(2)电渣焊一般在垂直或接近垂直的位置焊接,焊接分倾角不大于30度,整个焊接过程中金属熔池上部始终在液体渣池,夹杂物及气体有较充分的时间浮至渣池表面或逸出,故不易产生气孔生夹渣;熔化的金属滴通过一定距离的渣池落至金属,熔池对金属熔有一定的冶金作用,焊缝金属的纯净度较高。
(3)调整焊接电流或焊接电压,可在较大范围内调节金属熔池的熔宽和熔深,这一方面可以调节焊缝的成形系数,以防止焊缝中产生热裂纹。
另一方面还可以调节母材在焊缝中的比例,从而控制焊缝的化学成分和力学性能。
(4)电渣焊渣池体积大,高温停留时间长,加热及冷却速度缓慢,焊接中、高碳钢及合金钢时,不易出现淬硬组织,冷却纹的倾向较小。
如规范选择适当,可不预热焊接。
(5)由于加热及冷却速度缓慢,高温停留时间较长,焊缝及热影响区晶粒易长大并产生魏氏组织,因此焊后应进行退火加回火热处理,以细化晶粒,提高冲击韧性,消除焊接应力。
(三)电渣焊的分类电渣焊一般根据所采用的电极种类进行分类电渣焊分类图(四)电渣焊的焊接材料电渣焊用焊丝、焊剂推荐表见下表1表1各钢种电渣焊的焊接材料推荐表引弧剂采用YF-151或自制铁砂。
XXXXXXX大酒店工程箱型梁(柱)结构熔嘴电渣焊接制造工艺XXXXX集团(XX)有限公司技术部二○一二年六月编制:审核:批准:编写说明 (3)1.熔嘴电渣焊简介 (3)2.材料及设备 (3)2.1焊接材料与焊接设备 (3)2.2机具设备 (4)3.箱型梁(柱)杆件的制造工艺 (4)3.1零件下料与加工 (4)3、2内隔板的组装焊接 (5)3.3箱型梁(柱)主焊缝坡口的形式 (11)3.4箱体的组装 (12)3.5箱形体的气保焊及埋弧焊 (18)3.6箱形体的电渣焊焊接 (20)3.6.1焊前准备: (20)3.6.2 电渣焊焊接操作 (22)3.6.3 焊接过程中断弧的对策 (24)3.6.4 电渣焊检验 (25)3.7几点注意事项 (25)3.8电渣焊缺陷及防止措施 (26)4 部分顶棚箱型梁的拼装工艺 (28)4.1顶棚箱型梁结构简介 (28)4.2拼装方法及步骤 (29)编写说明此工程在箱形梁(柱)隔板的焊接中涉及到熔嘴电渣焊这一崭新的焊接方法,因公司对该焊接方法还是首次介入,前期的经验可以说是一片空白,为此特对此次工程中箱型梁(柱)结构的制造,特别是熔嘴电渣焊的焊接方法编写重点分项工程制造工艺指导书,指导现场的焊接生产,以保证该工程的顺利完成。
最终工艺以此次为准。
1.熔嘴电渣焊简介熔嘴电渣焊是一种利用电流通过导电的液体熔渣所产生的电阻热作为热源使金属熔化的熔焊方法,是电渣焊的一种。
该方法焊接较厚的工件,只要求工件边缘保持一定的装配问隙,不需要坡口,就可以一次成形,效率高,金属熔池凝固速率低,熔池中的气体和杂质容易浮出,不易产生气孔和夹渣等缺陷,因此特别适用于建筑钢结构箱形梁(柱)隔板部位焊口的焊接。
它利用焊丝和固定在工件间隙中并与工件绝缘的熔化嘴(俗称电渣焊条)共同作为熔化电极。
当焊接启动后,焊丝与引弧板接触产生电弧,利用电弧的热量使助焊剂熔化并形成液态熔渣,熔池达到一定深度时降低焊接电压并增加焊丝送进速度,这样会使焊丝插入渣池熄灭电弧而转入电渣焊过程,熔化嘴和不断送入熔化嘴内的焊丝一起熔化作为填充金属,使渣池逐渐上升(因铁水重渣池轻,熔渣自然上升)而形成焊缝。
箱型梁工艺流程箱型梁工艺流程及产污节点图:箱型梁工艺流程及产污节点图备注:G2-1—焊接烟尘;G2-2—抛丸粉尘;G2-3—喷涂漆雾;G2-4—二甲苯;G2-5—非甲烷总烃;S2-1—边角料;S2-2—焊渣;S2-3—金属渣;S2-4—漆渣、废漆桶、废干式过滤材料、废活性炭;N-噪声。
工艺流程说明:下料:将外购的钢板首先通过数控切割机进行下料,由于钢板硬度较大,切割时利用液氧-丙烷火焰的热能将钢板切割处预热到一定温度,然后以高速切割氧流,使铁燃烧并放出热量实现切割。
此工序产生的三废主要是边角料和噪声。
焊接、校平:将下料好的钢板校平,然后按要求用隔板组装机进行隔板组装和焊接,组装隔板时采用气缸压紧定位,然后进行点焊和CO2焊接,焊完一面后再通过电动翻转工作台180º再焊接另一面,然后再把工作台翻至水平,并松开气缸卸下工作,该隔板组装机可确保工作台在任意位置能精确停止并自锁。
此工序产生的三废主要是焊接烟尘、焊渣和噪声。
组装:工件放置于由多个辊道组成的工件平台上,依靠行走门架上的上压缸及侧压缸压紧工件的腹板及翼板,对压紧后的部分实施点焊,通过门架行走将整个工件全长范围内实施点焊、气保焊),焊接结束后的工件通过180º移动式翻转架翻转后移动至辊道架中间,由输送辊道送至下一工序。
此工序产生的三废主要是焊接烟尘、焊渣和噪声。
电渣焊:为了使箱形梁内部隔板与箱形四周焊得更严密,在组装隔板时,隔板与四周预留了垂直电渣焊所须间隙,把打底后的箱形梁通过辊道输送至悬臂式垂直电渣焊机架处,由挂在悬臂架上的垂直电渣焊机对工件预留孔处进行垂直电渣焊,悬臂机架可在工件的长度方向上任意行走。
此工序产生的三废主要是焊接烟尘、焊渣和噪声。
引熄弧嘴清理:电渣焊结束后的箱型梁通过移动式90º翻转支架进行翻转、移动到工件支架上割除电渣焊的引弧板和冒口,完成后将工件回位(翻转和移动),然后送入悬臂式箱形梁埋弧焊接机进行双弧双丝焊接。
大截面箱型焊接工艺技术公司先后承接沈阳海关卡口、葫芦岛锌厂、白城电厂、大连地标性建筑“国贸大厦”等工程。
由于单轴线长度超150米,最大截面1500mm×3000mm。
存在很多现场拼接的对接焊缝。
重点介绍一下焊接技术如下;一、箱型梁的特点:1、钢结构箱型梁材质为Q345B,属于低合金高强度钢,又脆裂倾向。
需要采取控制焊接热输入、降低氢含量、减少母材在焊缝中的熔合比等措施,防止裂纹的产生。
2、焊接环境条件差,为野外作业,很大部分都是高空焊接。
接口部分刚性固定差,需要合理安排焊接顺序。
减少焊接变形。
3、焊接工作量大,需要选择高效节能的焊接方法,保证焊接安装焊接的进度和质量要求。
4、截面大,需要控制焊接变形。
腹板和上下盖板的厚度差较大。
且腹板高度大。
需要采取有效措施和焊接顺序防止焊接变形。
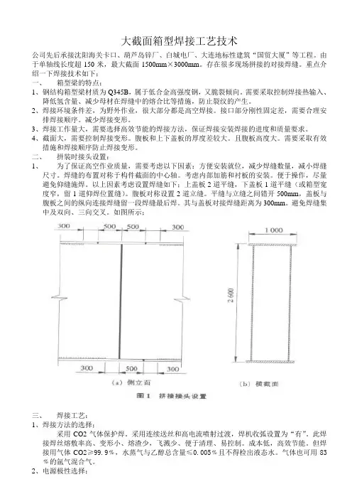
二、拼装时接头设置:1、为了保证高空作业质量,需要考虑以下因素:方便安装就位,减少焊缝数量,减小焊缝尺寸。
焊缝的布置对称于构件截面的中心轴。
考虑内部加筋和衬板的安装。
便于操作,尽量避免仰缝施焊。
以上因素考虑设置焊缝如下;上盖板2道平缝,下盖板1道平缝(或箱型宽度窄,留1道仰焊位置缝)。
腹板对称设置2道立缝。
平缝与立缝之间错开500mm,盖板与腹板之间的纵向连接焊缝留一段焊缝最后焊。
其与盖板对接焊缝距离为300mm。
避免焊缝集中及双向、三向交叉。
如图所示;三、焊接工艺:1、焊接方法的选择;采用CO2气体保护焊。
采用连续送丝和高电流喷射过渡,焊机收弧设置为“有”。
此焊接焊丝熔敷率高、变形小、熔渣少,飞溅少、便于清理、易控制。
成本低,高效节能。
但焊接用气体CO2≥99.9﹪,水蒸气与乙醇总含量≤0.005﹪且不得检出液态水。
气体也可用83﹪的氩气混合气。
2、电源极性选择:采用直流反接。
直流反接具有电弧稳定,熔滴过渡平稳,飞溅低,焊缝成形好。
在大电流范围内熔深大。
3、焊接工艺参数:盖板和腹板对接焊缝采用单面V型坡口衬垫焊(避免双面成形打底焊)。
钢箱梁焊接 Revised by Liu Jing on January 12, 2021钢箱梁工地焊接桥位钢箱梁段从桥中间向桥两端吊装到位,调整线形,然后进行梁段的环焊缝焊接。
参与本工程的焊工必须持有与其施焊项目相对应、有效的焊工合格证书,并在上岗前接受技术交底。
钢箱梁焊接方式钢箱梁采用的焊接方式有:埋弧自动焊,CO2气体保护焊,手工电弧焊。
根据钢箱梁焊接施工质量要求,拟定的具体焊接方式见下表。
表 钢箱梁焊接方式环缝焊接坡口形式如下:底板对接焊缝 ②焊丝及钢衬垫应存放在干燥、通风的地方,锈蚀焊丝及钢衬垫须把铁锈清除干净后才能使用。
③焊条、焊剂的一次领用量应以4小时的工作所需用量为准,焊条使用时应存放在保温筒内,随用随取。
不得使用受潮的焊条、焊剂。
④陶质衬垫要求粘贴牢固,启封后没有使用完的衬垫要求退回焊条房烘焙后才能使用。
⑤钢衬垫要求与母材贴紧密。
焊前准备①焊接前应认真清理焊缝两侧30mm内的水、锈、氧化皮、油污、油漆或其它杂物,打磨出显现金属光泽。
②封闭部位施焊时应采取良好的通风和排烟措施,以防中毒。
③焊接设备必须是完好设备,具有良好的调节功能,电流表、电压表均在检验有效期内。
④切割不整齐的坡口要求打磨光顺,不得有大的凸起和凹陷。
⑤环境温度低于5℃或板厚大于30mm时,焊前要求预热,预热范围一般为每侧100mm以上。
预热温度为80~120℃,距焊缝30~50mm范围内测量温度。
⑥工地施工时,若环境湿度高于80%(或雨天施工),焊前要求使用烘枪除湿。
焊接要求①焊工应根据焊缝的具体形式以及相对应的《官山大桥钢箱梁制造焊接作业指导书》来选择焊接规范参数。
②多层多道焊时,各层各道间的熔渣必须彻底清除干净。
③角焊缝的转角处包角应良好,焊缝的起落弧处应回焊10mm以上。
④CO2气体保护焊在风速超过2米/秒时应采取良好的防风措施。
⑤埋弧自动焊焊剂覆盖厚度不应小于20mm,且不大于60mm,焊接后应等焊缝稍冷却再敲去熔渣。
大截面箱型焊接工艺技术公司先后承接沈阳海关卡口、葫芦岛锌厂、白城电厂、大连地标性建筑“国贸大厦”等工程。
由于单轴线长度超150米,最大截面1500mm×3000mm。
存在很多现场拼接的对接焊缝。
重点介绍一下焊接技术如下;一、箱型梁的特点:1、钢结构箱型梁材质为Q345B,属于低合金高强度钢,又脆裂倾向。
需要采取控制焊接热输入、降低氢含量、减少母材在焊缝中的熔合比等措施,防止裂纹的产生。
2、焊接环境条件差,为野外作业,很大部分都是高空焊接。
接口部分刚性固定差,需要合理安排焊接顺序。
减少焊接变形。
3、焊接工作量大,需要选择高效节能的焊接方法,保证焊接安装焊接的进度和质量要求。
4、截面大,需要控制焊接变形。
腹板和上下盖板的厚度差较大。
且腹板高度大。
需要采取有效措施和焊接顺序防止焊接变形。
二、拼装时接头设置:1、为了保证高空作业质量,需要考虑以下因素:方便安装就位,减少焊缝数量,减小焊缝尺寸。
焊缝的布置对称于构件截面的中心轴。
考虑内部加筋和衬板的安装。
便于操作,尽量避免仰缝施焊。
以上因素考虑设置焊缝如下;上盖板2道平缝,下盖板1道平缝(或箱型宽度窄,留1道仰焊位置缝)。
腹板对称设置2道立缝。
平缝与立缝之间错开500mm,盖板与腹板之间的纵向连接焊缝留一段焊缝最后焊。
其与盖板对接焊缝距离为300mm。
避免焊缝集中及双向、三向交叉。
如图所示;三、焊接工艺:1、焊接方法的选择;采用CO2气体保护焊。
采用连续送丝和高电流喷射过渡,焊机收弧设置为“有”。
此焊接焊丝熔敷率高、变形小、熔渣少,飞溅少、便于清理、易控制。
成本低,高效节能。
但焊接用气体CO2≥99.9﹪,水蒸气与乙醇总含量≤0.005﹪且不得检出液态水。
气体也可用83﹪的氩气混合气。
2、电源极性选择:采用直流反接。
直流反接具有电弧稳定,熔滴过渡平稳,飞溅低,焊缝成形好。
在大电流范围内熔深大。
3、焊接工艺参数:盖板和腹板对接焊缝采用单面V型坡口衬垫焊(避免双面成形打底焊)。
钢箱梁焊接工艺方案1 焊接顺序1.1 总体焊接顺序现场焊接顺序为:先焊接纵向对接焊缝,后焊接节段间环向对接焊缝。
图1.1-1 横向分段顶底板现场焊缝示意图块体间纵向拼接焊缝有顶板对接焊缝,底板对接焊缝,腹板对接焊缝、腹板与顶底板T型对接焊缝,U型肋与顶板、横隔板焊缝。
气体保护焊(FCAW)打底,多道埋弧焊顶板对接焊缝为陶瓷衬垫,2道CO2分层填充、盖面;底板对接焊缝为陶瓷衬垫,1道CO气体保护焊(GMAW)打底,2气体保护焊(GMAW)分层填充、盖面;腹板对接焊缝、腹板与顶底板T 多道CO2型对接焊缝为陶瓷衬垫CO气体保护焊(GMAW);U型肋与顶板、横隔板焊缝为2手工电弧焊(SMAW)或CO2气体保护自动焊(GMAW)。
气保焊打底焊接时采用从中间往两边分段退焊法控制焊接变形,每一分段控制在500mm左右,埋弧焊遵循从起弧端向熄弧端焊接的顺序。
图1.1-2 节段间焊缝1.2 环缝焊接顺序气保焊打底、埋弧焊填充盖节段之间的环向对接焊缝,顶底板对接采用CO2气保焊焊接。
具体的焊接顺序如下图。
面,腹板采用CO2图1.2-1 节段间环缝焊接顺序横向对接焊缝焊接顺序:图1.2-2 环缝总体焊接顺序示意图底板焊接由4名焊工从中间向两边分段、对称、同时施焊。
腹板安排4名焊工对称、同时施焊。
顶板焊接采用6名焊工从中间向两边分段、对称、同时施焊,顶板的填充、盖面由一台埋弧焊机从一端向另一端进行焊接。
工地纵肋、U 肋嵌补段可以同时施工,先焊接对接焊缝,后焊接角焊缝。
横向接口焊接应注意以下事项:①各接口焊接方向应两侧对称施焊。
②为减小因焊接而产生的附加应力和焊接残余应力,焊接方向总的原则是:横向焊缝应从桥中轴线向两侧对称施焊;一端有自由端的长焊缝,可从另一端施焊向自由端前进;采用分中、对称分段施焊。
③应在桥面板、底板、腹板对接焊缝无损检测合格后,方可组装U 肋、板条肋嵌补段。
焊接时注意焊道排列,焊道排列应上下交错,以便形成相互交织成网状的结晶,使焊缝杂质偏析分散,有利于提高焊缝的低温冲击韧性2焊接方法选择根据焊缝的焊接位置和操作方便进行焊接方法选择:腹板横向焊接 顶板对接 悬臂横向焊接 加劲肋嵌补段焊接底板对接(1)顶板对接焊缝为陶瓷衬垫,2道CO2气体保护焊(FCAW)打底,多道埋弧焊分层填充、盖面;(2)底板对接焊缝为陶瓷衬垫,1道CO2气体保护焊(GMAW)打底,多道CO2气体保护焊(GMAW)分层填充、盖面;(3)腹板对接焊缝、腹板与顶底板T型对接焊缝为陶瓷衬垫CO2气体保护焊(GMAW);(4)U型肋与顶板、横隔板焊缝为手工电弧焊(SMAW)或CO2气体保护自动焊(GMAW)。
箱式梁横隔板三面焊接设计箱式梁是一种常见的结构形式,通常由上、下平行的梁板和纵向连接这些梁板的横隔板组成。
为了增强箱式梁的刚度和承载能力,常常需对横隔板进行焊接设计。
下面将介绍箱式梁横隔板三面焊接设计的相关内容。
1. 焊接类型:横隔板与梁板之间的焊接通常采用多种类型,如全焊缝、缝间隔焊缝等。
在设计中需根据梁板的刚度和承载要求选择合适的焊接类型。
2. 焊接材料:横隔板焊接通常采用与梁板相同或相似的材料进行焊接。
在选择焊接材料时,需要考虑到材料的化学成分和力学性能,确保焊缝与基材之间具有良好的相容性和可靠性。
3. 焊接工艺:焊接工艺对横隔板焊接质量和性能具有重要影响,因此需要进行详细的焊接工艺设计。
包括焊接电流、电压、焊丝直径、焊接速度等参数的确定,以及焊接顺序和预热温度的控制。
4. 焊缝准备:在进行横隔板焊接前,需要对焊缝进行适当的准备工作,确保焊缝的质量。
常见的焊缝准备包括除锈、打磨、切割等。
除锈可以采用机械除锈、化学除锈或喷砂等方法进行。
5. 焊接设备和工具:进行横隔板焊接设计时,需要选择适当的焊接设备和工具。
常见的焊接设备包括电弧焊机、气体保护焊机、激光焊接设备等。
工具则包括焊接架、夹具、电极钳、电磁砂轮等。
6. 焊接质量控制:为了确保横隔板焊接质量,需要进行焊接质量控制。
常见的焊接质量控制方法包括焊缝外观检查、焊缝强度测试、焊缝金相组织观察等。
此外,还可以通过无损检测技术(如超声波检测、射线检测)进行焊接缺陷的检测和评估。
7. 焊接后处理:横隔板焊接完成后,需要进行适当的焊后处理。
焊后处理通常包括焊缝抛光、焊缝防锈处理等,以及一些其他加工工艺,如喷涂防腐漆、表面涂层等。
综上所述,对于箱式梁横隔板的三面焊接设计,需要考虑焊接类型、焊接材料、焊接工艺、焊缝准备、焊接设备和工具、焊接质量控制以及焊接后处理等方面。
这些内容的合理设计和施工操作将确保焊接质量和焊接连接的可靠性,从而提高箱式梁整体结构的性能和安全性。
桥式起重机主梁焊接工艺及防变形控制方法摘要:本文介绍了桥式起重机主梁的制造工艺以及在焊接过程中防止焊接变形的措施,对箱形主梁焊接工艺的分析等做了详细的叙述。
关键词:桥式起重机,主梁,焊接工艺,焊接变形,箱形梁前言桥式起重机是工业生产中常见的起吊设备之一,它是由起重小车在高架轨道上运行的桥架型起重机,一般由起重小车、桥架运行机构、桥架金属结构组成。
其桥架沿铺设在两侧高架上的轨道纵向运行,起重小车沿铺设在桥架上的轨道横向运行,构成一矩形的工作范围,就可以充分利用桥架下面的空间吊运物料,不受地面设备的阻碍。
箱形主梁,是起重机最重要的承载构件,其制造品质直接关系到起重机的承载能力。
桥式起重机主梁在制造过程中,容易出现焊接变形,影响生产和装配。
研究其焊接特性及制造工艺,对实现主梁制造的系列化、提高起重机质量、促进产品的技术进步有着积极的作用。
1.主梁结构分析主梁上包括了上拱的起始点、跨距、跨距中心、轮架支承等桥架的基准点线。
而桥架的技术参数,如桥架的水平度、对角线、主梁的上拱度、旁弯、大车轨距、小车轨距、轨道的偏心度、直线度以及同一断面差等都是以主梁头部的轮架中心为基准的。
桥架总装是以主梁头部为基准面划出基准点线,找正配装端梁来完成的。
单根主梁制造时,从预制上拱到最后的交验,也全部是以主梁头部为基准的。
因此,主梁结构的焊接是起重机制造过程的一个重要环节。
1.1桥式起重机及箱形主梁截面4089d4df29198bbc7dd924c862d3d49a4089d4df29198bbc7dd924c862d3d49a1.2材料箱型主梁材质采用Q235-B成分及力学性能须符合《低合金高强度结构钢》的规定。
对于厚度≥4 0mm的钢板,足Z向性能要求,达到Z15焊材的选用:主基本上为Q235-B钢,手工焊接时采用E4316焊条,自动焊时采用H08A焊丝、HJ431焊剂,CO2气体保护焊接时采用ER50-6焊丝。
焊条,焊丝,焊剂和焊接保护气体,所有焊接材料必须符合设计要求及规范要求。
箱型梁焊接施工工艺
C.1.1在平台上将一侧盖板与横隔板、两侧腹板组装成槽
型,焊接隔板三面角焊缝。
C.1.2扣上另一侧盖板成箱型后,焊接四条主角焊缝,采用
CO 2气体保护焊打底,然后埋弧焊填充的方法焊接。
(埋弧焊施工工艺同钢柱)
注意:1)杆件必须放平后才可焊接,四条主角焊缝必须
同向焊接。
2)首先采用气体保护焊焊接一侧腹板两条坡口角焊缝的根部打底焊道,然后箱型翻身,焊接另一侧腹板焊接时严格执行
组装顺序
两条坡口角焊缝的根部打底焊道,最后焊接填充焊道。
C.1.3杆件修整后划线,焰切端部连接插板槽口和焊缝坡
口。
C.1.4组装连接插板后,采用气体保护焊焊接插板坡口角焊
缝。
注意:1)插板角焊缝两侧必须对称、交替焊接。
√
合格焊道
不合格焊道×。
箱型梁焊接工艺流程
嘿,朋友!今天咱就来好好聊聊箱型梁焊接工艺流程,这可真是个超级有意思的事儿呢!
你想啊,那箱型梁就好比是一座坚固的桥梁,焊接就是把它的各个部分牢牢地连接在一起。
咱就说焊接前的准备工作吧,那得像准备一场盛大表演一样精心啊!得把钢材啊、焊条啊这些“主角”都准备好,还得把焊接的场地打扫得干干净净,就像给大明星准备一个闪亮的舞台。
(比如你要盖房子,那不得把砖头、水泥啥的都备好呀!)
然后就是焊接啦!这可真是个技术活。
那焊接的过程就像在画画一样,焊条就是咱的画笔,要一笔一笔认真地勾勒。
(你看画家画画得多仔细呀!)工人师傅们得小心翼翼地操作,一点都不能马虎。
有时候我看着他们认真的样子,真觉得他们超级厉害!
在焊接的时候,那火花四溅,就像节日里的烟花一样绚烂。
(是不是感觉特别神奇?)但这可不是单纯为了好看哦,这可是在铸造坚实的连接呢!每一道焊缝都有着它的使命,要保证箱型梁的坚固和稳定。
焊接完了还不算完呢,还得检查检查,看看有没有瑕疵啥的。
这就好像你做完作业要检查一遍一样,可不能有错误呀!要是发现问题,还得重新修补,直到完美为止。
我觉得啊,箱型梁焊接工艺流程就像是一场精彩的演出,每一个环节都至关重要,都需要大家全力以赴。
只有这样,才能打造出高质量的箱型梁。
所以说呀,这真的是个了不起的工艺,需要我们去尊重和欣赏呢!怎么样,是不是对箱型梁焊接工艺流程更感兴趣了呢?。
H型钢箱形梁埋弧焊焊接工艺1.1 整体组焊的焊缝包括焊接H型梁的角焊缝及箱形梁的四条角焊缝。
1.2 H型梁及箱型梁角焊缝高度及坡口形式根据具体项目的设计说明书在项目施工工艺中明确。
同时要求焊接工程师在焊工施焊前对焊接车间或班组进行技术交底。
1.3 H型钢和箱型梁主角焊缝采用埋弧自动焊,焊接前须将角焊缝两侧所有的毛刺、氧化皮、油污及其它附着物等清理干净(清理范围为焊缝两侧均不少于30mm)。
并清除定位焊的焊渣,注意焊缝坡口内的浮锈及碎渣使用压缩空气吹除干净。
施焊前,焊道两侧要打磨清理干净。
1.4 H型钢和箱型梁的主角焊缝焊接必须将杆件放在专用的45°焊接架上,进行船形焊。
焊架必须牢固、可靠。
杆件要放在45°焊接架上。
1.5 埋弧焊焊丝大小、材质及焊剂材料的选用应根据H型梁和箱型梁钢板的材质选用:H型梁/箱型梁材焊丝材质焊丝直径焊剂材料Q235 H08A Ф4 SJ101 Q235-Q345(16Mn) H08MnA Ф4 SJ101Q345(16Mn)H10Mn2Ф4 SJ101 1.6 采用埋弧焊焊接时,焊脚尺寸按下表焊接工艺参数选用:焊脚尺寸(mm) 焊接电流(A)电弧电压(v)焊接速度(m/min)第一层500-580 25-30 0.486 580~630 28~38 0.458 520~650 28~38 0.4510 520~650 28~38 0.4514 520~650 28~38 0.451.6 埋弧焊、CO2气体保护焊根据焊脚尺寸其焊接工艺参数见下表:1.6.1埋弧焊接工艺参数埋弧自动焊角焊缝焊接工艺参数钢板厚度(mm)钢材材质焊丝牌号焊丝直径(mm)焊剂牌号焊接电流(A)焊接电压(V)焊接速度(cm/分)焊角高度(mm)预热温度(℃)厚度大于30mm预热温度(℃)6 Q345B H10Mn2 φ4.0 SJ431 580 30 300 8 30-50 100-150 8 Q345B H10Mn2 φ5.0 SJ431 620 32 320 8 30-50 100-150 10 Q345B H10Mn2 φ5.0 SJ431 640 33 310 8 30-50 100-150 12 Q345B H10Mn2 φ5.0 SJ431 640 32 310 8 30-50 100-150 10 Q345B H10Mn2 φ5.0 SJ431 640 33 290 10 30-50 100-150 12 Q345B H10Mn2 φ5.0 SJ431 640 33 290 10 30-50 100-150 14 Q345B H10Mn2 φ5.0 SJ431 650 33 280 10 30-50 100-150 16 Q345B H10Mn2 φ5.0 SJ431 650 33 280 10 30-50 100-150 20 Q345B H10Mn2 φ5.0 SJ431 650 33 280 10 30-50 100-150 14 Q345B H10Mn2 φ5.0 SJ431 670 34 260 12 30-50 100-150 16 Q345B H10Mn2 φ5.0 SJ431 670 34 260 12 30-50 100-150 20 Q345B H10Mn2 φ5.0 SJ431 670 34 260 12 30-50 100-15014 Q345B H10Mn2 φ5.0 SJ431 640 33 32014(第一遍)30-50 100-150 Q345B H10Mn2 φ5.0 SJ431 670 34 30014(第二遍)30-50 100-15016 Q345B H10Mn2 φ5.0 SJ431 640 33 32014(第一遍)30-50 100-150 Q345B H10Mn2 φ5.0 SJ431 670 34 30014(第二遍)30-50 100-15020 Q345B H10Mn2 φ5.0 SJ431 640 33 320一遍)30-50 100-150 Q345B H10Mn2 φ5.0 SJ431 670 34 30014(第二遍)30-50 100-15020开破口Q345B H10Mn2 φ5.0 SJ431 640 33 30014(第一遍)30-50 100-150 Q345B H10Mn2 φ5.0 SJ431 670 34 29014(第二遍)30-50 100-15022开破口Q345B H10Mn2 φ5.0 SJ431 640 33 30014(第一遍)30-50 100-150 Q345B H10Mn2 φ5.0 SJ431 670 34 29014(第二遍)30-50 100-15025开破口Q345B H10Mn2 φ5.0 SJ431 640 33 29014(第一遍)30-50 100-150 Q345B H10Mn2 φ5.0 SJ431 670 34 28014(第二遍)30-50 100-15014 Q345B H10Mn2 φ5.0 SJ431 640 33 30016(第一遍)30-50 100-150 Q345B H10Mn2 φ5.0 SJ431 670 34 28016(第二遍)30-50 100-15016 Q345B H10Mn2 φ5.0 SJ431 640 33 30016(第一遍)30-50 100-150 Q345B H10Mn2 φ5.0 SJ431 670 34 28016(第二遍)30-50 100-15020 Q345B H10Mn2 φ5.0 SJ431 640 33 300 16(第30-50 100-150Q345B H10Mn2 φ5.0 SJ431 670 34 28016(第二遍)30-50 100-15020开破口Q345B H10Mn2 φ5.0 SJ431 640 33 29016(第一遍)30-50 100-150 Q345B H10Mn2 φ5.0 SJ431 670 34 27016(第二遍)30-50 100-15022开破口Q345B H10Mn2 φ5.0 SJ431 640 33 29016(第一遍)30-50 100-150 Q345B H10Mn2 φ5.0 SJ431 670 34 27016(第二遍)30-50 100-15025开破口Q345B H10Mn2 φ5.0 SJ431 640 33 28016(第一遍)30-50 100-150 Q345B H10Mn2 φ5.0 SJ431 670 34 26016(第二遍)30-50 100-1501.6.2二氧化碳气体保护焊接工艺参数CO2气体保护焊焊接工艺参数钢板厚度钢材材质焊丝牌号焊丝直径焊缝根部焊接电流焊接电压焊接速度使用气体气体导电嘴母焊接高度预热温度(mm)(mm)形式间隙(A)(V)(cm/分)流量(L/分)材间距(mm)(mm)(℃)5Q345B ER50-6φ1.2角焊缝0 250 29 280Ar+Co215 15 6 30~506Q345B ER50-6φ1.2角焊缝0 250 29 280Ar+Co215 15 6 30~508Q345B ER50-6φ1.2角焊缝0 250 29 280Ar+Co215 15 6 30~5010Q345B ER50-6φ1.2角焊缝0 250 29 240Ar+Co215 15 8 30~5012Q345B ER50-6φ1.2角焊缝0 250 29 240Ar+Co215 1510(第一道)30~5012Q345B ER50-6φ1.2角焊缝0 250 29 280Ar+Co215 1510(第二道)30~5014~16Q345B ER50-6φ1.2角焊0 250 29 280Ar+Co215 1512(第一道)30~5014~16Q345B ER50-6φ1.2角焊缝0 250 29 260Ar+Co215 1512(第一道)30~5014~16Q345B ER50-6φ1.2角焊缝0 250 29 280Ar+Co215 1512(第二道)30~5020Q345B ER50-6φ1.2角焊缝0 250 29 280Ar+Co215 1514(第一道)30~5020Q345B ER50-6φ1.2角焊缝0 250 29 240Ar+Co215 1514(第一道)30~5020Q345B ER50-6φ1.2角焊缝0 250 29 280Ar+Co215 1514(第二道)30~5020Q345B ER50-6φ1.2角焊缝0 250 29 310Ar+Co215 1514(第三道)30~5020Q345B ER50-6φ1.2角焊缝0 250 29 240Ar+Co215 1516(第一道)30~5020Q345B ER50-6φ1.2角焊缝0 250 29 280Ar+Co215 1516(第二道)30~5020Q345B ER50-6φ1.2 焊缝0 250 29 280Ar+Co215 1516(第一道)30~5020Q345B ER50-6φ1.2角焊缝0 250 29 320Ar+Co215 1516(第二道)30~5020Q345B ER50-6φ1.2角焊缝0 250 29 360Ar+Co215 1516(第三道)30~5020Q345B ER50-6φ1.2角焊缝0 250 29 400Ar+Co215 1516(第四道)30~5020Q345B ER50-6φ1.2角焊缝0 250 29 280Ar+Co215 1520(第一道)30~5020Q345B ER50-6φ1.2角焊缝0 250 29 240Ar+Co215 1520(第一道)30~5020Q345B ER50-6φ1.2角焊缝0 250 29 280Ar+Co215 1520(第二道)30~5020Q345B ER50-6φ1.2角焊缝0 250 29 310Ar+Co215 1520(第三道)30~5020 Q345ER50-φ1.2 角0 250 29 280 Ar+Co15 15 20(第30~50B 6 焊缝2 一道)20Q345B ER50-6φ1.2角焊缝0 250 29 320Ar+Co215 1520(第二道)30~5020Q345B ER50-6φ1.2角焊缝0 250 29 360Ar+Co215 1520(第三道)30~5020Q345B ER50-6φ1.2角焊缝0 250 29 400Ar+Co215 1520(第四道)30~5020Q345B ER50-6φ1.2角焊缝0 250 29 430Ar+Co215 1520(第五道)30~501.7 焊接变形(焊接顺序)位置:焊缝尽量放在平焊位置焊接,尽可能减少立焊,横焊,仰焊。
箱型钢梁焊接顺序
箱型钢梁的焊接顺序与具体结构形式和设计要求有关,一般可遵循以
下步骤:
1.拼装构件:先将箱型钢梁的构件按设计图纸要求分组,然后逐步完
成拼接过程,包括对准构件、安装临时支撑、用高强度螺栓固定等。
2.焊接界面处理:在钢材的焊接前,必须进行界面预处理,包括打磨、除锈、清洗等,使焊缝处表面达到金属亮光状态以确保焊接牢固。
3.建立焊接工法:根据组装节点形式和焊接几何关系,确定接头的焊
接位置和工艺,并制定焊接工法,以保证焊接质量。
4.焊接过程控制:在焊接过程中,应根据焊口的材质、角度和位置进
行巡视和监控,保证焊接质量、避免出现开裂、气孔等缺陷。
5.后续处理:在焊接结束后,对焊接接头进行清理、检查和验收,以
确保焊接的质量和可靠性。
以上是箱型钢梁的一般焊接顺序,具体情况还需要根据具体钢结构设
计要求进行确定。