活动板房竣工验收表
- 格式:xls
- 大小:23.50 KB
- 文档页数:1
施工现场装配式活动板房质量检验验收表
1. 项目信息
- 项目名称:
- 项目地点:
- 施工单位:
- 装配式活动板房供应商:
2. 质量检验验收内容
2.1 施工现场检查
- [ ] 施工平面布局合理
- [ ] 地基基础是否平整稳固
- [ ] 建筑结构是否符合设计要求
- [ ] 墙体、屋面和地面是否平整、牢固
- [ ] 门窗安装是否牢固、密闭
- [ ] 管道、线路敷设是否符合规范
2.2 内部设施检查
- [ ] 电气系统是否正常运行
- [ ] 给排水系统是否正常运行
- [ ] 空调系统是否正常运行
- [ ] 照明系统是否正常运行
- [ ] 防火系统是否正常运行
- [ ] 安全出口是否符合规定
2.3 室内装修检查
- [ ] 地面铺装是否平整、无缺陷
- [ ] 墙面装修是否平整、美观
- [ ] 天花板装修是否平整、无渗漏
- [ ] 卫生间装修是否干净、无异味
- [ ] 厨房设备是否正常运行
- [ ] 室内环境是否符合相关标准
3. 质量检验验收结果
- [ ] 合格
- [ ] 不合格
4. 整改意见
(如有不合格情况,请在此填写整改意见)
5. 验收人员
- 验收人员1:
- 验收人员2:
6. 验收日期:
- 日期:(年/月/日)
以上是《施工现场装配式活动板房质量检验验收表》的内容。
请根据具体要求填写相应信息,并进行相应的质量检验和验收,确保装配式活动板房的质量达到预期标准。
办公室活动板房验收表(活动板房)1. 项目概述活动板房是为办公室活动临时搭建的场所,用于举行各类会议、培训、座谈会等活动。
此验收表旨在对活动板房进行全面的检查,确保其符合使用要求。
2. 验收标准活动板房应满足以下标准:- 结构稳固,无倾斜、裂缝等问题;- 外观整洁,无损坏、腐蚀等现象;- 内部环境舒适,如通风、采光等良好;- 电气设备正常运行,无线路故障、火灾隐患等;- 消防设施完善,如灭火器、疏散通道等;- 环境卫生清洁,无垃圾、异味等。
3. 验收内容3.1 结构验收- 检查板房整体结构是否牢固;- 查看板房是否存在倾斜、裂缝等问题;- 确保地基平整,无积水或塌陷情况。
3.2 外观验收- 检查板房表面是否完整、无损坏;- 观察板房周边环境是否整洁;- 是否有腐蚀、生锈等现象。
3.3 环境验收- 检查板房内部通风是否良好;- 确保采光充足,并检查窗户是否密封良好;- 检查空调、暖气等设备是否正常运行。
3.4 电气验收- 检查电气设备是否符合安全要求;- 测试插座、开关等是否正常;- 检查线路是否完整,无短路、漏电等问题。
3.5 消防验收- 检查板房内的灭火器是否齐全并处于有效状态;- 检查疏散通道是否畅通无阻;- 确保板房周边无易燃物品存放。
3.6 卫生验收- 检查板房内外部卫生是否清洁;- 确保垃圾桶摆放合理,并及时清空垃圾;- 检查是否有异味或有害物质存在。
4. 验收结果- 如果活动板房在以上各项标准和验收内容中均符合要求,则验收合格;- 如果发现问题或不符合要求的情况,需记录并督促相关部门及时整改;- 完成整改后,重新进行验收,直至合格。
5. 备注- 本验收表仅适用于办公室活动板房,其他类型的板房验收请参考相应的标准和要求。
- 验收过程中,应注意安全操作,严禁在没有专业指导下擅自进行维修或拆装活动板房。
以上为办公室活动板房验收表,希望本次验收能够确保活动板房符合使用要求,保障办公室活动的安全和顺利进行。
建筑工地活动板房验收表(活动板房)
备注:
1. 如果验收结果符合验收标准,请在“验收结果”一栏填写“合格”。
2. 如果验收结果不符合验收标准,请在“验收结果”一栏填写具体问题的描述。
3. 如果有其他需要补充的事项,请在下方备注栏中填写。
---
审核人员意见
审核结果:
审核人员姓名:
审核日期:
---
验收人员意见
验收结果:
验收人员姓名:
验收日期:
---
说明:
1. 验收表中的所有项目都需要进行检查并填写验收结果。
2. 验收人员应详细检查活动板房的各部分,并根据验收标准填写验收结果。
3. 审核人员应核实验收结果,并在审核人员意见一栏填写审核结果。
4. 审核人员和验收人员应填写姓名和日期,并签字确认。
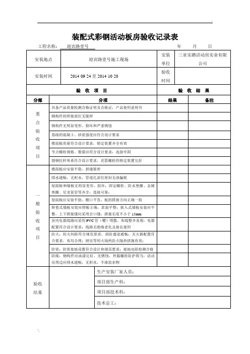
施工现场装配式集装箱活动板房验收表工程名称总包单位建筑面积m2层数二层监理单位使用班组主体结构建造幢数1 用途宿舍序号验收项目检查情况处理意见1 构件合格证明原材料的产品合格证和夹心板填充材质证明(是否为防火材料)2 规划选址情况1.不应在易滑坡坍塌、地势低洼区域或强风口;2.与高压线距离,安全距离不足时的防护措施;3.位于建筑的坠落半径和塔吊作业半径内时的防护措施;4.与危险源距离不小于25m,食堂与污染源距离不小于30m基础验收情况,验收不符要求时的处理情况及结果3 地基基础基础周边排水应通畅,无积水上下层连接螺栓数量、规格应符合设计要求,无松动锁定装置齐全有效、无松动钢构件(柱、梁、屋架、檩条等)、围护板材(屋面板和墙板)和楼面板等应无变形、损坏,连接可靠4 主要构件安全情况附着防护设施应符合设计要求,与承重骨架连接牢固防火间距:幢之间净距不小于3.5m;消防通道应通畅消防措施:灭火器设置符合设计要求,布局合理5 防火使用温度不得超过80度,不得有高温热源或火种靠近,不得采用明火取暖或烧煮食物6 防雷防雷接地符合设计和规范要求钢构件应油漆完好,外露螺栓保护措施符合设计要求强腐蚀环境下的防腐措施符合设计要求活动房周边应无积水,不堆放杂物7 防腐不得改变使用功能;不得超载使用续表不得使用大功率电器,不得乱拉私接电线电器日常检查、维护和保养记录齐全,恶劣气候前后检查检修记录齐全 8使用管理生活设施配置完善9其他存在问题:处理意见:验收人员:项目验收结论:项目负责人:年月日使用班组验收意见:班组负责人:年月日监理单位验收意见:专业监理工程师:年月日。