活动板房验收记录
- 格式:doc
- 大小:136.00 KB
- 文档页数:13
江苏省施工现场装配式活动板房安装验收记录
项目名称:XX工程
建设单位:XXX公司
监理单位:XXX监理有限公司
施工单位:XXX建筑有限公司
一、验收时间及地点
验收时间:XXXX年X月X日
验收地点:江苏省南京市江宁区XX街道XX号工地
二、验收人员及职责
1、建设单位代表:XXX先生/女士,负责对本次验收提出要求和意见。
2、监理单位代表:XXX先生/女士,负责监督本次验收过程并提出建议。
3、施工单位代表:XXX先生/女士,负责向验收人员介绍本次施工情况和质量控制措施。
三、验收内容及结果
1、外观检查:本次验收对活动板房的外观进行了检查,发现所有构件表面无明显划痕、变形、裂纹等缺陷,符合设计要求。
2、尺寸测量:本次验收对活动板房的尺寸进行了测量,发现所有构
件尺寸符合设计要求,符合国家标准。
3、强度检查:本次验收对活动板房的强度进行了检查,采用万能试验机进行拉伸试验,结果表明该活动板房的抗拉强度符合设计要求。
4、防火检查:本次验收对活动板房的防火性能进行了检查,发现该活动板房采用阻燃材料制作,符合国家标准。
5、其他检查:本次验收对活动板房的其他性能进行了检查,包括隔音、保温等,结果均符合设计要求。
四、结论与建议
经过本次验收,认为该工程施工质量符合相关标准和规范要求,可以进行移交使用。
建议施工单位在日常维护中加强对活动板房的保养和管理,确保其长期稳定运行。
组织活动房联合验收检查记录
时间:20XX年XX月XX日
地点:XX活动中心
参与人员:建设方、监理方、设计方、审查方
1、现场安全检查
检查发现:现场存在安全隐患,如未系固定钢构件等。
整改措施:建设方立即进行钢构件系固定,确保现场安全。
2、电气设备检查
检查发现:场内的电气线路松动、未接地等问题存在。
整改措施:建设方立即整改松动电气线路、接地不良的问题,确保电气设备的正常运转。
3、供水设施检查
4、木制品检查
检查发现:场内使用的木制品存在外观缺陷,质量不过关等问题。
整改措施:建设方立即更换质量不过关的木制品,并加强对木制品的质量控制。
检查发现:场内的防火设施存在缺陷,如消防栓不完整、灭火器不足等。
整改措施:建设方立即补充完善消防设施,确保场内的防火设施完备。
验收结论:经检查,场内存在一些安全隐患和设施缺陷,但建设方已经及时整改。
经过联合验收合格,可以投入使用。
活动房质量检查记录活动房作为一种临时建筑,广泛用于各种户外活动和工程施工现场。
为了确保活动房的质量和安全,需要进行定期的检查。
以下是一份活动房质量检查记录:日期:2024年5月1日检查人:张工活动房位置:工地东侧检查项:1.活动房地基地基是否坚固?地基是否有裂缝或下陷现象?检查结果:地基坚固,无裂缝或下陷现象。
2.活动房结构检查活动房的框架结构是否稳定,关键连接处是否完好。
检查结果:活动房框架结构稳定,关键连接处完好。
3.活动房外墙检查活动房外墙是否存在漏水、渗漏、开裂等问题。
检查结果:活动房外墙未发现漏水、渗漏、开裂等问题。
4.活动房屋面检查活动房屋面是否有损坏、渗漏等情况。
检查结果:活动房屋面未发现损坏、渗漏等情况。
5.活动房门窗检查活动房门窗是否开启灵活,密封是否良好。
检查结果:活动房门窗开启灵活,密封良好。
6.活动房地板检查活动房地板是否平整,有无松动或损坏。
检查结果:活动房地板平整,无松动或损坏。
7.活动房电器设备检查活动房电器设备安装是否规范,有无松动或异常情况。
检查结果:活动房电器设备安装规范,无松动或异常情况。
8.活动房卫生间检查活动房卫生间设施是否正常运作,有无堵塞或泄漏情况。
检查结果:活动房卫生间设施正常运作,无堵塞或泄漏情况。
9.活动房防火措施检查活动房防火设施是否完备,是否设置了灭火器等应急设备。
检查结果:活动房防火设施完备,设置了灭火器等应急设备。
总结:本次活动房质量检查结果良好,各项指标均符合要求。
活动房结构稳定,无漏水、渗漏、开裂等情况。
活动房的电器设备、卫生间设施、防火措施等都正常运作。
需要注意的是,每隔一段时间进行一次活动房的质量检查,以确保活动房的长期使用安全。
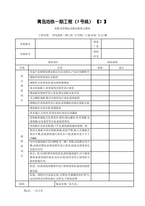
表A.0.1活动房构配件进场验收记录
表A.0.2活动房质量检查记录
项
目
续表A.0.2活动房质量检查记录
续表A.0.2活动房质量检查记录
续表A.0.2活动房质量检查记录
注:1、主控项目必须全部符合要求;
2、一般项目每项合格率达到80%才能视为合格;
3、允许偏差项目最大偏差不得大于允许偏差倍,每项合格率达到75%
为合格。
表B 建筑设备安装质量检查记录
续表B 建筑设备安装质量检查记录
表C 临时建筑工程质量验收记录
柳州市活动板房验收基本要求
1、活动板房验收必须依据厂家提供图纸施工安装。
2、验收表上各单位签意见内容:
使用单位意见:验收合格、同意接收。
监理单位意见:按照方案安装完毕、验收程序符合要求、可以交付使用。
安装单位意见:已按安装方案和生产厂家安装技术标准要求安装完毕,经我方技术人员自检合格,同意交付使用。
编号:
******
3、活动板房验收单位参加人员:
安装单位:技术负责人、安装队长;
监理单位:总监或结构安装专业监理工程师;
使用单位:项目经理、项目技术负责人、项目专职安全员、公司有关职能部门。
形成验收会议纪要,参加人员签到。
4、安装协议(合同)应明确交付使用后板房的维修与保养工作谁负责。
5、活动板房的平面图、地理位置(在工程何处)。