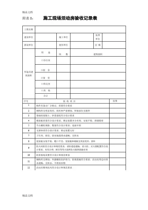
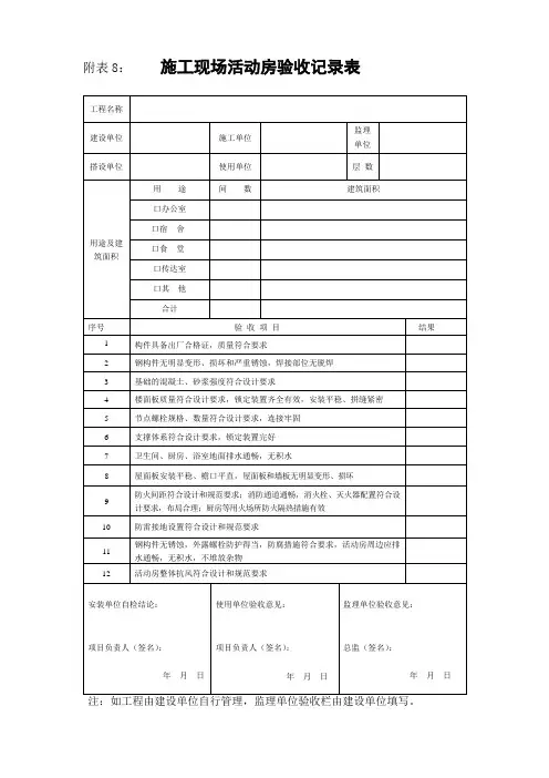
施工现场活动房验收记录表
- 格式:doc
- 大小:69.00 KB
- 文档页数:4
活动板房验收记录表工程名称:贵州双龙航空港经济区中央生态公园
安装地点生产厂家
安装时间2017.8 验收
时间
2017.9
验收项目验收结果分部分项结果备注
重点验收项目具备产品质量检测合格证明及合格证,产品使用说明书钢构件的焊接部位无脱焊
钢构件无明显变形、损坏和严重锈蚀
基础的混凝土、砂浆强度应符合设计要求
楼面板质量符合设计要求,锁定装置齐全有效
节点螺栓规格、数量应符合设计要求,连接牢固
圆钢拉杆体系符合设计要求,花篮螺栓的锁定装置完好
一般验收项目楼面板应安装平稳、拼缝紧密
排水通畅,无积水,管道孔部位密封无渗漏税
屋面板和墙板无明显变形、损坏;固定螺栓、防水垫圈、金属垫圈、尼龙套管等齐全,连接可靠;
屋面板应安装平稳、檐口平直,板的搭接方向正确一致
附着式墙板安装应排板正确,表面平整;嵌入式墙板安装应平整,上下搭接缝应采用企口缝,搭接长度不小于15mm
室内电器线路应采用PVC管(槽)明敷,布线整齐美观;电器配置符合设计要求;线路无绝缘老化及接长使用
防火:防火间距符合规范要求,消防通道通畅;灭火器配置符合要求,布局合理;厨房等用火场所防火隔热措施有效;
防雷:防雷接地设置符合设计和规范要求;接地电阻检测合格防腐:钢构件应油漆完好、无锈蚀,外露螺栓防护得当;活动房周边应排水通畅,无积水,不准放杂物
验收结果验收合格,同意验收。
生产安装厂家人员:
施工单位人员:
监理单位人员:
欢迎您的下载,
资料仅供参考!
致力为企业和个人提供合同协议,策划案计划书,学习课件等等
打造全网一站式需求。
工程名称:安装地点
安装时间
活动板房验收记录表
生产
厂家
验收
时间
验收项目验收结果
分部分项结果备注具备产品质量检测合格证明及合格证,产品使用说明书
重
钢构件的焊接部位无脱焊
点
钢构件无明显变形、损坏和严重锈蚀
验
基础的混凝土、砂浆强度应符合设计要求
收
楼面板质量符合设计要求,锁定装置齐全有效
项
节点螺栓规格、数量应符合设计要求,连接牢固
目
圆钢拉杆体系符合设计要求,花篮螺栓的锁定装置完好
楼面板应安装平稳、拼缝紧密
排水通畅,无积水,管道孔部位密封无渗漏税
屋面板和墙板无明显变形、损坏;固定螺栓、防水垫圈、金属
垫圈、尼龙套管等齐全,连接可靠;
一
屋面板应安装平稳、檐口平直,板的搭接方向正确一致
般
附着式墙板安装应排板正确,表面平整;嵌入式墙板安装应平
验
整,上下搭接缝应采用企口缝,搭接长度不小于15mm
收室内电器线路应采用PVC 管(槽)明敷,布线整齐美观;电器
项配置符合设计要求;线路无绝缘老化及接长使用
防火:防火间距符合规范要求,消防通道通畅;灭火器配置符
目
合要求,布局合理;厨房等用火场所防火隔热措施有效;
防雷:防雷接地设置符合设计和规范要求;接地电阻检测合格
防腐:钢构件应油漆完好、无锈蚀,外露螺栓防护得当;活动
房周边应排水通畅,无积水,不准放杂物
生产安装厂家人员:
验收施工单位人员:
结果
监理单位人员:。
施工现场装配式活动板房质量检验验收表
1. 项目信息
- 项目名称:
- 项目地点:
- 施工单位:
- 装配式活动板房供应商:
2. 质量检验验收内容
2.1 施工现场检查
- [ ] 施工平面布局合理
- [ ] 地基基础是否平整稳固
- [ ] 建筑结构是否符合设计要求
- [ ] 墙体、屋面和地面是否平整、牢固
- [ ] 门窗安装是否牢固、密闭
- [ ] 管道、线路敷设是否符合规范
2.2 内部设施检查
- [ ] 电气系统是否正常运行
- [ ] 给排水系统是否正常运行
- [ ] 空调系统是否正常运行
- [ ] 照明系统是否正常运行
- [ ] 防火系统是否正常运行
- [ ] 安全出口是否符合规定
2.3 室内装修检查
- [ ] 地面铺装是否平整、无缺陷
- [ ] 墙面装修是否平整、美观
- [ ] 天花板装修是否平整、无渗漏
- [ ] 卫生间装修是否干净、无异味
- [ ] 厨房设备是否正常运行
- [ ] 室内环境是否符合相关标准
3. 质量检验验收结果
- [ ] 合格
- [ ] 不合格
4. 整改意见
(如有不合格情况,请在此填写整改意见)
5. 验收人员
- 验收人员1:
- 验收人员2:
6. 验收日期:
- 日期:(年/月/日)
以上是《施工现场装配式活动板房质量检验验收表》的内容。
请根据具体要求填写相应信息,并进行相应的质量检验和验收,确保装配式活动板房的质量达到预期标准。
精心整理页脚内容活动板房验收记录表工程名称:xxx 工程1幢 安装地点 广州市白云区xxx(工地临时办公室、1#工人宿舍、2#工人宿舍)生产厂家 广州信成夹芯板有限公司安装时间2015-05-15验收时间2016-04-15 验收项目验收结果分部 分项结果 备注重 点 验 收 项目具备产品质量检测合格证明及合格证,产品使用说明书 有 钢构件的焊接部位无脱焊符合要求 钢构件无明显变形、损坏和严重锈蚀 符合要求 基础的混凝土、砂浆强度应符合设计要求 符合要求 楼面板质量符合设计要求,锁定装置齐全有效符合要求 节点螺栓规格、数量应符合设计要求,连接牢固符合要求 圆钢拉杆体系符合设计要求,花篮螺栓的锁定装置完好 符合要求 一 般 验 收 项 目楼面板应安装平稳、拼缝紧密符合要求 排水通畅,无积水,管道孔部位密封无渗漏税符合要求 屋面板和墙板无明显变形、损坏;固定螺栓、防水垫圈、金属垫圈、尼龙套管等齐全,连接可靠;符合要求 屋面板应安装平稳、檐口平直,板的搭接方向正确一致 符合要求 附着式墙板安装应排板正确,表面平整;嵌入式墙板安装应平整,上下搭接缝应采用企口缝,搭接长度不小于15mm 符合要求 室内电器线路应采用PVC 管(槽)明敷,布线整齐美观;电器配置符合设计要求;线路无绝缘老化及接长使用符合要求 防火:防火间距符合规范要求,消防通道通畅;灭火器配置符合要求,布局合理;厨房等用火场所防火隔热措施有效; 符合要求 防雷:防雷接地设置符合设计和规范要求;接地电阻检测合格 符合要求 防腐:钢构件应油漆完好、无锈蚀,外露螺栓防护得当;活动房周边应排水通畅,无积水,不准放杂物符合要求验收 结果验收合格,同意验收。
生产安装厂家人员:施工单位人员: 监理单位人员: 业主单位人员:。