项目部平面布置图
- 格式:doc
- 大小:32.50 KB
- 文档页数:2
施工现场总平面布置一、布置原则现场是工程建设的关键之一,其计划布置的好坏,直接影响工程建设的进度和工程造价,根据长期的工程实践经验,在工程实施前,制定详细的大型机具使用,进退计划,主材及周转材料生产、加工、堆放、运输计划,以及各工种施工队伍退场调整计划。
同时,制定以上计划的具体实施方案,严格依照执行标准、奖罚条例,实施施工平面的科学、文明管理。
我们对场地布置的原则如下:1、考虑当地规划,尽量使用业主提供的红线征地范围,减少临时租地。
2、根据施工的先后次序,利用永久征地或己完工程作未完工程的临时场地。
3、不妨碍施工测量放线,保障运输通道畅通。
各工种的作业不产生干扰。
4、依实际地形布置、修筑施工便道,减少。
5、靠近主体工程,减少工地搬运距离,职工上下班方便。
6、尽量集中,便于管理。
符合环境保护,满足使用卫生、安全。
二、施工平面管理1、平面管理计划的确定施工平面科学管理的关键是科学的规划及周密详细的具体计划,在工程进度网络计划的基础上形成主材、机械、劳动力的进退场,垂直运输,布设网络计划,以确保工程进度,充分、均衡的利用平面为目标,制定出拟合实际情况的平面管理实施计划。
施工时将该计划输入电脑,进行动态调控管理。
2、平面管理计划的实施根据工程进度计划的实施调整情况,分阶段发布平面管理实施计划,包含时间计划表,责任人,执行标准,奖罚标准。
计划执行中,不定期召开调度会,经充分协调研究后,发布计划调整书。
经理部负责组织阶段性的和不定期的检查监督,确保平面计划的实施。
地上结构施工重点保证项目:垂直运输安全管理;料具置场点有序的调整、管理;材料、机械进退场,使用的科学调度;施工作业工人区域化管理。
3、平面管理办法3.1施工平面管理由项目经理总负责,由项目工长、材料部门、机械管理部门、后勤组织部门实施,按平面分片包干管理措施进行管理。
3。
2施工现场设置“七牌一图”.3.3按照总体规划要求做好平面布置,主要包括:现场办公临设布置;材料堆放场地布置;洗车槽则由业主统一布置;现场排水、排污布置。
施工平面布置和临时设施布置<一>施工总平面布置原则一、平面布置原则平面布置力求科学、合理,充分利用有限的场地资源,最大限度的满足施工需要,确保既定的质量、工期、安全生产、文明施工四大目标。
根据现场条件,结合工程特点,按照经济适用、合理方便的原则,在保证场区交通运输畅通和满足施工要求的前提下,最大限度地减少场内二次运输;在平面交通上,尽量避免各生产单位相互干扰;符合施工现场卫生及安全技术要求和防火规范、满足施工生产和文明施工的需要。
施工现场四周进行全封闭施工。
二、施工现场平面布置图《施工现场平面布置图》附后三、施工道路根据现场平面布置图和现场的实际情况,按场地内原来的排水坡向,对场地进行平整,施工道路采用铺设小石子的方法以满足施工运输的需要。
四、材料堆放为了保证现场材料堆放有序,堆放场地将进行硬化处理,即砂石料、砖、周转料场等浇成一块面积较大的混凝土场地。
材料尽可能按计划分期、分批、分层供应,以减少二次搬运。
主要材料的堆放,应严格按照《施工现场平面布置图》确定的位置堆放整齐。
五、生活设施1、现场需要制定卫生制度,划分现场卫生整洁包干区,并明确到人。
2、厕所派专人负责清扫,消毒和清理。
3、沿现场四周、办公区设置一定数量的垃圾桶,明确废物不乱堆乱放。
六、消防设施1、制定消防管理制度,成立义务消防队,划分现场消防包干区,并落实到人。
2、休息区、办公室设置一定数量灭火器。
3、模板,易燃、易爆物品的堆放区,设置灭火器并设警戒标志。
4、施工通道兼作消防通道,各临时设施、材料堆放不占用通道。
5、定期进行消防检查,灭火器确保可靠,使用灵活。
<二>临设水电一、施工现场临时用电计划总用电容量为120KV A,因施工机械不同时使用,故此用电量可满足要求。
施工现场安排二路供电,施工机械一路,生活区一路。
所有动力线路均地敷设,分别设配电箱控制。
夜间照明采用低压行灯。
二、施工现场临时用水供水:如现场无水源,可采用自行打井的方法来满足施工及生活用水,现场设水池5个供施工用水。
施工总平面图及部署<一>施工总平面布置原则1.发挥固定垂直运输设备能力与建筑物之间的合理关系。
2.中心仓库布置在工地中心区域或靠近使用地方。
材料的堆场或仓库布置在相应的搅拌站、预制场或加工场附近。
3.搅拌站的位置靠近使用地点和垂直运输设备、加工场的位置以方便生产、安全、防火、环境保护且减少运输为宜。
加工场布置在工地边缘处。
4.合理安排施工道路与场内地下管网的施工顺序,保证场内运输道路畅通且路面材料、厚度和宽度即要满足施工需要又要经济。
5.工地的行政管理用房设在工地入口处便于对外联系和工地管理,并满足文明施工的相关要求。
6.施工临时用电施工单位通过计算,提供给建设单位高峰值时的用电功率,由建设单位解决。
现场的主干线埋入地下,以利于施工。
<二>现场临时用电一、现场用电安全1.施工现场的一切电气线路、设备安装、维修或拆除必须由持证电工负责,并要定期检查,建立安全技术档案。
电工等级应同工程的难易程度和技术复杂性相适应。
2.施工现场必须采用“三相五线制”供电。
由专用变压器中性点直接接地供电的必须采用TN~S接零保护系统。
当施工现场与外电线路共用同一供电系统时,电气设备应按要求作保护接零或做保护接地,但不得一部分设备作保护接零,另一部分设备作保护接地。
潮湿或条件较差的施工现场的电气设备必须采用保护接零。
3.各种电气设备应装专用开关和插销,插销上应具备专用的保护接零(接地)触头。
严禁将导电触头误接作接地触头使用。
4.架空供电线路必须用绝缘导线,以绝缘子支承的专用电杆(水泥杆、木杆),或沿墙架设。
电杆的板线(拉线)必须装设拉力绝缘子。
严禁供电线路设在树上、脚手架上。
5.施工现场架空线路应装设在起重臂回转半径以外,如达不到此要求时,必须搭设防护架子,或采用其他措施。
6.禁止使用不合格的保险装置和霉烂电线。
一切移动式用电设备的电源线(电缆)全长不得有驳口,外绝缘层应无机械损伤。
7.如实际情况保持上述安全距离有困难时,则应采取技术措施防护,并征得有关电业部门的同意,方可施工。
项目施工现场平面布置第一章施工现场平面布置第一节施工现场平面布置第一小节施工总平面布置原则施工总平面布置应由项目部总体布置,统一协调。
项目部应按公司企业标准统一搭建简易活动用房,并统一规划、安排、管理施工场地。
具体原则如下:1.在满足施工要求的前提下,尽可能节约施工用地。
2.在满足施工需要和文明施工“双标化”的前提下,尽可能利用原有设施,减少临时设施的建设投资。
3.合理组织场内交通运输,最大限度地减少场内二次搬运,避免各工种、各单位之间的相互干扰。
4.满足安全生产、文明施工尺寸场地的要求,生活区和生产区分离布置,生活区占用独立的地块。
5.符合施工现场给水排水规范要求和城市环境卫生的要求。
6.符合施工现场安全用电规范的要求。
7.在场地布置时,避免土建、安装单位的相互干扰,并且应满足建设单位的有关要求。
8.平面布置时充分考虑到室外工程的施工状况。
9.按施工进度分阶段调整施工现场总平面布置。
10.按“双标化”要求布置现场,大门一侧布置工程概况牌及十牌二图及有关的安全标识和宣传画。
第二小节施工临时用电布置1.编制依据:59建筑施工安全检查标准,46施工现场临时用电安全技术规范。
2.电气工程技术人员应编制临时用电施工组织设计内容,并由技术负责人审核。
经主管部门批准后,方可实施,并补充有关图纸资料存档。
3.建立临时用电安全技术档案,其内容包括:1) 临时用电施工组织设计;2) 修改临时用电施工组织设计资料;3) 技术交底资料;4) 临时用电工程检查验收表;5) 电气设备的试、检验凭单和调试记录;6) 按地电阻测定记录表;7) 定期检(复)查表;(施工现场每月一次,分公司每季一次,并复查接地电阻值)。
8) 电工维修工作记录。
可指定专人(电工)管理,并于临时用电工程拆除后统一归档。
4.施工脚手架、机动车道、起重设备与外电线路间距应符合安全要求。
5.如施工现场不能满足规定时,应实施相应安全技术措施,增设屏障、遮栏、围栏或防护网,并悬挂醒目警告标牌。
施工现场平面布置周围居民安全、标准化工地和文明工地的要求采用封闭形式进行施工,现场在适当位置设置施工出入口,出入口设置警示标志。
我们将本着“文明生产,科学管理,方便施工,合理布置,节约用地”的原则,充分利用业主所提供的场地进行项目部的总平面布置。
1、生产设施:生产设施主要包括:办公室、材料仓库、机械设备停放场地等。
生产设施的布置根据现场情况合理安排。
2、临时生活设施:生活设施主要是职工宿舍、食堂、浴室、厕所等,结合本工程现场情况就近租用合适的民房或活动房。
3、平面布置要求:(1)场内道路及地面:现场道路及地面均采用硬地坪。
现场裸露的临时道路在地面压实后铺200mm厚片石。
材料仓库、厕所、食堂等,均用活动板房临时搭建,办公室水泥砼地面。
4、施工用水根据本工程特点,主要分为施工用水、生活用水等,现场施工用水采用就近抽取雨水管道中雨水或从附近河道内直接抽水,并配备水车运至生产用地,生活用水接当地自来水或居民用水。
5、施工排水(1)本工程项目经理部生活用水采用有组织集中排水方式进行,设置沉淀井(池)利用临时调水管网排入就近市政管网。
为保证工程施工质量及安全施工,生产排水严格按照调水方案、措施进行有效控制。
(2)在雨季施工中,应保证工程质量及安全施工,并随时掌握气象变化情况,在雨季前,对排水、调水系统进行检查,保证水流畅通,为保证现场车辆运输畅通,施工调水管网和井位尽量选择以利泄水的绿化带位置,避免造成道路拥堵和安全隐患。
(3)在施工段调水管网周边做好排水措施防护,经常排查、检修、防护,保证雨水流行畅通,防止雨水跑冒。
(4)施工现场机电设备采取防雨、防护措施,发现问题及时进行处理。
(5)由专人负责了解近二三天的天气预报,避免在大雨中施工作业,同时要准备一定数量的临时调水设备、设施以防突然遇雨进行应急。
(6)做好现场周边及库房、工棚、食堂、宿舍、办公室环境卫生,无杂物,无废物堆积,无积水现象,严禁工地随地大小便,卫生设专人负责。
第一章施工现场平面布置第一节施工现场平面布置第一小节施工总平面布置原则施工总平面布置由项目部总体布置,统一协调,项目部按公司企业标准统一搭建简易活动用房,施工场地由项目统一规划、安排、统一管理。
具体原则如下:在满足建设单位要求的前提下,结合我公司标准,并将二者有机的结合在一起布置施工现场。
1、在满足施工要求的前提下,尽可能节约施工用地。
2、在满足施工需要和文明施工“双标化”的前提下,尽可能利用原有设施,减少临时设施的建设投资。
3、合理组织场内交通运输,最大限度地减少场内二次搬运,避免各工种、各单位之间的相互干扰。
4、满足安全生产、文明施工尺寸场地的要求,生活区和生产区分离布置,生活区占用独立的地块。
5、符合施工现场给水排水规范要求和城市环境卫生的要求。
6、符合施工现场安全用电规范的要求。
7、在场地布置时,避免土建、安装单位的相互干扰,并且应满足建设单位的有关要求。
8、平面布置时充分考虑到室外工程的施工状况。
9、按施工进度分阶段调整施工现场总平面布置。
10、按“双标化”要求布置现场,大门一侧布置工程概况牌及十牌二图及有关的安全标识和宣传画。
第二小节施工临时用电布置1、编制依据:JGJ59建筑施工安全检查标准,JGJ46施工现场临时用电安全技术规范。
2、需要变更临时用电施工组织设计内容时,由电气工程技术人员编制,技术负责人审核,经主管部门批准后方可实施,并补充有关图纸资料存档。
3、建立临时用电安全技术档案,其内容为:(1)临时用电施工组织设计;(2)修改临时用电施工组织设计资料;(3)技术交底资料;(4)临时用电工程检查验收表;(5)电气设备的试、检验凭单和调试记录;(6)按地电阻测定记录表;(7)定期检(复)查表;(施工现场每月一次,分公司每季一次,并复查接地电阻值)。
(8)电工维修工作记录。
可指定专人(电工)管理,并于临时用电工程拆除后统一归档。
4、施工脚手架、机动车道、起重设备与外电线路间距应符合安全要求。
五、施工平面图
1、施工项目部(见施工平面布置图)
为方便监理单位和项目经理部的办公、通讯、人力调配及生活安排,监理单位和项目经理部驻地布置在沿线居民区,修建砖房或租用当地民房,以满足办公室、库房的实用要求。
2、临时道路
施工期间为保证施工现场运送材料及施工机械车辆出入方便,工程前期利用现况道路做为施工通道。
3、生产和生活用水
本工程生产和生活用水在业主指定地点接用。
4、临时用电
本工程施工用电在业主指定地点接用,作为施工现场的临时供电电源,并沿道路架设1条低压临时线路,采用三相五线制立杆式与放射式相结合的配电方式,施工配电箱采用统一制作的标准铁制配电箱,电箱、电缆编号与供电回路对应,供施工和生活用电。
为防止因临时停电而影响施工,本工程配置1台(75kw)柴油发电机,做为在停电时,供办公室、安全、保卫照明及临时排水、防汛和混凝土浇筑时的应急用电。
5、临时通讯
本工程计划在项目部安装直通电话或有关人配备手机方便联系。
施工平面布置图
停车场职
工
宿
舍
厕
所
质检部工程部经理部
会议室
食
堂
实
验
室
库房
门房
大门。
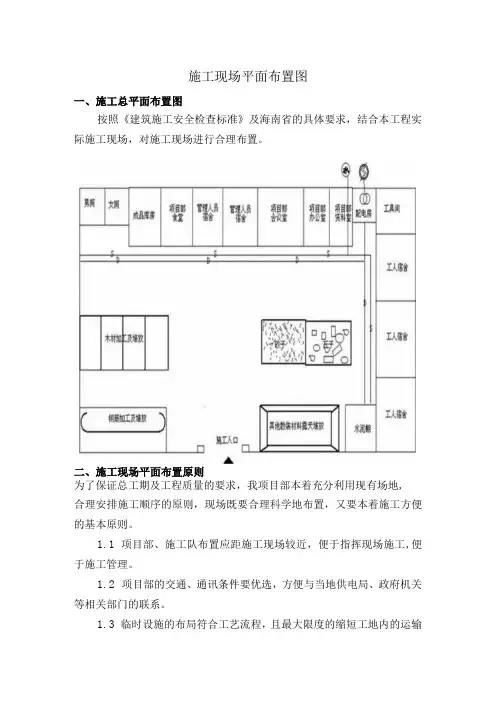
施工现场平面布置图一、施工总平面布置图按照《建筑施工安全检查标准》及海南省的具体要求,结合本工程实际施工现场,对施工现场进行合理布置。
二、施工现场平面布置原则为了保证总工期及工程质量的要求,我项目部本着充分利用现有场地,合理安排施工顺序的原则,现场既要合理科学地布置,又要本着施工方便的基本原则。
1.1项目部、施工队布置应距施工现场较近,便于指挥现场施工,便于施工管理。
1.2项目部的交通、通讯条件要优选,方便与当地供电局、政府机关等相关部门的联系。
1.3临时设施的布局符合工艺流程,且最大限度的缩短工地内的运输距离,减少二次倒运,并避免现场临时设施频繁搬迁而影响工程进展。
三、施工现场消防总体布置3.1消防布置(1)施工现场修砌消防水池,消防水接入消防水池,消防主干管直径为75mπio现场设四个消火栓,分别设于北侧两个和南侧两个。
(2)现场项目经理部办公区、宿舍区、库房区、卫生间边及大门口各须设一消防器材架。
3.2消防措施(1)严格执行上级有关消防的规章制度。
现场用的消防水管、消火栓、消防器材要配备齐全,消火栓3m范围内不得堆放任何材料和杂物,并设醒目标志,保证消防通道畅通。
(2)贯彻“预防为主、防消结合”的消防方针,结合施工中的实际情况,加强领导,组织落实,建立逐级放火责任制。
编制好消防方案,确保施工安全。
(3)场区内地面设置消火栓四个,管径中75。
(4)建立健全消防组织,要配备足够的消防器材。
要有明显的防火标志,做到布局合理,经常维护、保养,保证消防器材灵敏有效。
(5)楼内临时消防,要配备配套消防器材;重点放火部位不少于四瓶。
(6)施工现场建立用火制度,严格执行用火申请制度。
电气焊工需有动火时,应领取用火证后才能生火。
动火前要清除附近易燃物,配备看火人员和灭火用具。
用火证当日有效。
动火地点变换,要重新办理用火证手续。
(7)施工员在安排生产时,要坚持放火安全交底制度,特别是电气焊、防火等易燃作业时,要有具体防火要求。