装配流水线控制程序
- 格式:pdf
- 大小:156.55 KB
- 文档页数:5
基于PLC的装配流水线的控制系统的设计装配流水线是一种高效、高质量的生产方式,它可以将产品的不同工序自动化地连接在一起,实现连续生产和高速运转,提高生产效率和产品质量。
PLC(可编程逻辑控制器)是流水线控制系统的核心设备,它通过编程控制各种传感器、执行器和其他设备的动作和状态,实现高度自动化的流水线生产。
本文将介绍基于PLC的装配流水线控制系统的设计原则和方法。
第一步是进行装配流程的分析和规划。
在设计装配流水线控制系统之前,需要清楚每个产品的装配流程和每个工序的顺序关系。
然后,根据装配流程的要求和流水线的特点确定需要使用的传感器、执行器和其他设备的数量和类型。
第二步是进行流水线的布局设计。
在设计流水线的布局时,需要考虑装配流程中各个工序的时间和空间关系,以及流水线的安全性、可靠性和易维护性。
布局的目标是最小化装配过程中的空闲时间和交叉干扰,并保证产品在流水线上的稳定流动。
第三步是进行PLC编程。
PLC编程是装配流水线控制系统设计的核心部分。
在编程过程中,需要定义输入和输出的信号接口,配置PLC的输入和输出模块,编写逻辑控制程序,并进行测试和调试。
编程的目标是控制各个工序的开始和结束时间,以及产品在流水线上的传送速度和位置。
第四步是进行PLC控制系统的硬件设计。
在进行硬件设计时,需要选择适当的PLC设备和配套设备,如传感器、执行器、电源等,并通过相应的连接线和接口板进行连接和安装。
同时,还需要进行电气布线和接线的设计,确保信号的可靠传输和电路的安全运行。
第五步是进行控制系统的调试和优化。
在装配流水线控制系统的调试阶段,需要对各个工序的传感器、执行器和其他设备进行功能测试和性能优化。
同时,还需要对逻辑控制程序进行修改和调整,确保流水线的稳定运行和产品的一致性。
最后,根据实际情况对流水线控制系统进行监控和维护。
监控和维护的目标是及时发现和解决设备故障、信号丢失和其他问题,保证流水线的连续生产和高质量。
基于PLC的装配流水线控制系统设计一、引言随着制造业的快速发展,装配流水线作为一种高效率和高精度的生产方式,得到了广泛应用。
为了实现流水线自动化控制,采用PLC (Programmable Logic Controller,可编程逻辑控制器)作为控制核心,可以实现对流水线的稳定和可靠控制。
本文将基于PLC的装配流水线控制系统的设计进行详细描述。
二、系统结构该装配流水线控制系统由PLC控制器、传感器、执行机构等组成。
传感器用于检测工件的位置、状态等信息,将这些信息传输给PLC控制器。
PLC控制器根据传感器信息,对执行机构进行控制,实现对工件的装配任务。
三、PLC程序设计1.确定输入输出信号:根据流水线的具体情况,确定需要采集的传感器信号和需要控制的执行机构信号。
例如,传感器可以包括光电传感器、接近开关等,执行机构可以包括电动机、气缸等。
2.PLC程序设计:根据装配流水线的工艺流程,编写PLC程序,实现对流水线的自动控制。
程序中包括初态判断、各个工位的操作指令、故障处理等内容。
3.联锁逻辑设计:设计联锁逻辑,确保流水线的安全性和稳定性。
例如,在工件未到位的情况下,一些执行机构不能进行操作,以避免损坏工件和设备。
四、接口设计1.人机界面设计:设计人机界面,方便操作员与装配流水线进行交互。
通过触摸屏、按键等设备,实现对流水线的手动控制、参数设置、运行监控等功能。
2.通信接口设计:为了方便对装配流水线进行远程监控和维护,设计通信接口。
可以通过以太网、Modbus等通信协议,实现与上位机的数据交互和控制命令传输。
五、安全保护设计为了确保装配流水线运行的安全性,需要设计相应的安全保护措施。
例如,设置紧急停止按钮、安全光幕等设备,以及相应的报警系统,及时发现和处理安全隐患。
六、实时监控与故障诊断通过PLC控制器内置的监控功能,实现对装配流水线的实时监控和故障诊断。
当出现故障时,PLC控制器可以自动发出报警,并显示故障位置和原因,方便维修和排除故障。
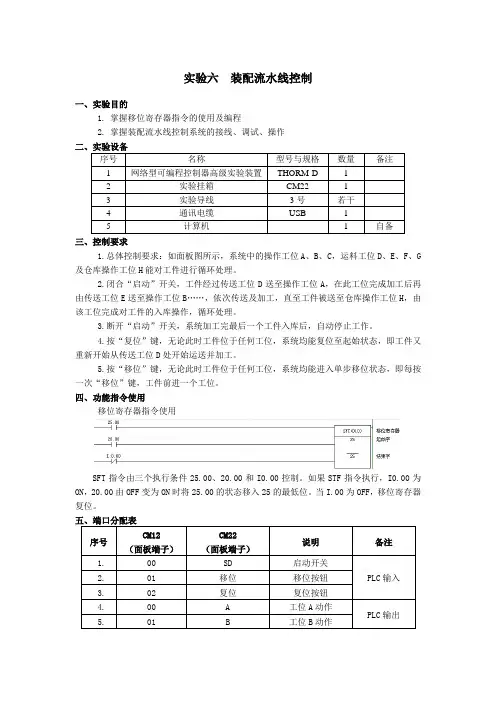
实验六装配流水线控制一、实验目的1.掌握移位寄存器指令的使用及编程2.掌握装配流水线控制系统的接线、调试、操作二、实验设备序号名称型号与规格数量备注1 网络型可编程控制器高级实验装置THORM-D 12 实验挂箱CM22 13 实验导线3号若干4 通讯电缆USB 15 计算机 1 自备三、控制要求1.总体控制要求:如面板图所示,系统中的操作工位A、B、C,运料工位D、E、F、G 及仓库操作工位H能对工件进行循环处理。
2.闭合“启动”开关,工件经过传送工位D送至操作工位A,在此工位完成加工后再由传送工位E送至操作工位B……,依次传送及加工,直至工件被送至仓库操作工位H,由该工位完成对工件的入库操作,循环处理。
3.断开“启动”开关,系统加工完最后一个工件入库后,自动停止工作。
4.按“复位”键,无论此时工件位于任何工位,系统均能复位至起始状态,即工件又重新开始从传送工位D处开始运送并加工。
5.按“移位”键,无论此时工件位于任何工位,系统均能进入单步移位状态,即每按一次“移位”键,工件前进一个工位。
四、功能指令使用移位寄存器指令使用SFT指令由三个执行条件25.00、20.00和I0.00控制。
如果STF指令执行,I0.00为ON,20.00由OFF变为ON时将25.00的状态移入25的最低位。
当I.00为OFF,移位寄存器复位。
五、端口分配表序号CM12(面板端子)CM22(面板端子)说明备注1.00 SD 启动开关PLC输入2.01 移位移位按钮3.02 复位复位按钮4.00 A 工位A动作PLC输出5.01 B 工位B动作6.02 C 工位C动作7.03 D 运料工位D动作8.04 E 运料工位E动作9.05 F 运料工位F动作10.06 G 运料工位G动作11.07 H 仓库工位H动作12.主机输入端COM、CM22面板+24V接电源24V电源正端13.主机输出端COM、CM22面板COM接电源COM电源地端六、操作步骤1.检查实验设备中器材及调试程序。
第1章绪论11 课题研究的背景在社会快速发展竞争激烈的今天提高生产效率降低生产工艺成本最大限度的满足生产要求将直接决定各企业工厂能否紧跟社会脚步赢得时间占领市场甚至将决定企业的生死存亡为此企业生产自动化无疑扮演着重要的角色装配流水线自动化作为工业自动化的一部分能提高生产效率降低工艺流程成本最大限度的适应产品变化提高产品质量它是现代化生产控制系统中的重要组成部分12 课题研究的现状121 可编程控制器简介工业控制计算机简称工控机是以计算机技术为基础的新型工业控制装置目前已成为工业控制的标准设备被广泛地应用于各行各业工控机是实现生产自动化的最佳配套产品而工业可编程序控制器 PLC 则在工控领域中占有主要的地位PLC具有通用性强使用方便适应面广可靠性高抗干扰能力强编程简单等特点可编程控制器是60年代末在美国首先出现的当时叫可编程逻辑控制器目的是用来取代继电器以执行逻辑判断计时计数等顺序控制功能其基本设计思想是把计算机功能完善灵活通用等优点和继电器控制系统的简单易懂操作方便价格便宜等优点结合起来控制器的硬件是标准的通用的根据实际应用对象将控制内容写入控制器的用户程序内控制器和被控对象连接也很方便可编程控制器对用户来说是一种无触点设备改变程序即可改变生产工艺因此可在初步设计阶段选用可编程控制器在实施阶段再确定工艺过程另一方面从制造生产可编程控制器的厂商角度看在制造阶段不需要根据用户的要求专门设计控制器适合批量生产由于这些特点可编程控制器问世以后很快受到工业控制界的欢迎并得到迅速的发展PLC的定义有许多种国际电工委员会IEC对PLC的定义是可编程控制器是一种数字运算操作的电子系统专为在工业环境下应用而设计它采用可编程序的存贮器用来在其内部存贮执行逻辑运算顺序控制定时计数和算术运算等操作的指令并通过数字的模拟的输入和输出控制各种类型的机械或生产过程可编程序控制器及其有关设备都应按易于与工业控制系统形成一个整体易于扩充其功能的原则设计它是一个以微处理器为核心的数字运算操作的电子系统装置专为在工业现场应用而设计PLC是微机技术与传统的继电接触控制技术相结合的产物它克服了继电接触控制系统中的机械触点的接线复杂可靠性低功耗高通用性和灵活性差的缺点充分利用了微处理器的优点又照顾到现场电气操作维修人员的技能与习惯特别是PLC的程序编制不需要专门的计算机编程语言知识而是采用了一套以继电器梯形图为基础的简单指令形式使用户程序编制形象直观方便易学调试与查错也都很方便用户在购到所需的PLC后只需按说明书的提示做少量的接线和简易的用户程序编制工作就可灵活方便地将PLC应用于生产实践从结构上PLC分为固定式和组合式模块式两种固定式PLC包括CPU板IO板显示面板内存块电源等这些元素组合成一个不可拆卸的整体模块式PLC包括CPU 模块IO模块内存电源模块底板或机架这些模块可以按照一定规则组合配置它采用一类可编程的存储器用于其内部存储程序执行逻辑运算顺序控制定时计数与算术操作等面向用户的指令并通过数字或模拟式输入输出控制各种类型的机械或生产过程流水线生产是产品按照设计好的工艺过程依次顺序地通过每个工作站并按照一定的作业速度完成每道工序的作业任务生产过程是一个连续的不断重复的过程具有高度的连续性由于PLC控制具有可靠性易操作性灵活性等优点因而在很多领域内能取代原来液压领域才能实现的功能如精确控制功能PLC的产品系列的丰富和发展使PLC从最小的只有十个IO点的微型PLC到8000点的大型PLC本设计中的充分利用了PLC编程控制功能实现部件的传递122 装配流水线简介装配流水线是人和机器的有效组合最充分体现设备的灵活性它将输送系统随行夹具和在线专机检测设备有机的组合以满足多品种产品的装配要求是工业生产中主要的机器设备物料和工人的连续流动完成了产品在大规模生产下的全部过程设计流水线的必要步骤是分析制造每一件产品的组成部分以及最终产品成产过程所有运动的物料都被简化没有横流回溯或重复的程序工作任务号码机生产速度和编程以使所有业务线沿线都可以运行流畅比如制造汽车的流水线部分匹配到组件上的相交贯线的主线提供外部和内部零件发动机和其他组件作为行动单位每个工人沿线的执行特定的任务每一个部分和工具交付其使用的点与线同步一些不同的组件上线同时进行而由一个复杂的调度和控制系统来确认生产的机器类型和颜色内饰发动机和可选的设备组合在一起来达到理想的组合中间继电器 intermediate relay 用于继电保护与自动控制系统中以增加触点的数量及容量它用于在控制电路中传递中间信号中间继电器的结构和原理与基本相同与接触器的主要区别在于接触器的主触头可以通过大电流而中间继电器的触头只能通过小电流所以它只能用于控制电路中它一般是没有主触点的因为过载能力比较小所以它用的全部都是辅助触头数量比较多新国标对中间继电器的定义是K老国标是KA一般是直流电源供电少数使用交流供电221 输入刷新阶段在输入刷新阶段CPU扫描全部输入端口读取其状态并写入输入状态寄存器完成输入端刷新工作后将关闭输入端口转入程序执行阶段在程序执行期间即使输入端状态发生变化输入状态寄存器的内容也不会改变而这些变化必须等到下一工作周期的输入刷新阶段才能被读入222 程序执行阶段在程序执行阶段根据用户输入的控制程序从第一条开始逐步执行并将相应的逻辑运算结果存入对应的内部辅助寄存器和输出状态寄存器当最后一条控制程序执行完毕后即转入输入刷新阶段223 输出刷新阶段当所有指令执行完毕后将输出状态寄存器中的内容依次送到输出锁存电路输出映像寄存器并通过一定输出方式输出驱动外部相应执行元件工作这才形成PLC的实际输出由此可见输入刷新程序执行和输出刷新三个阶段构成PLC一个工作周期由此循环往复因此称为循环扫描工作方式显然扫描周期的长短主要取决于程序的长短扫描周期越长响应速度越慢由于每个扫描周期只进行一次IO刷新即每一个扫描周期PLC只对输入输出状态寄存器更新一次所以系统存在输入输出滞后现象这在一定程度上降低了系统的响应速度但是由于其对IO的变化每个周期只输出刷新一次并且只对有变化的进行刷新这对一般的开关量控制系统来说是完全允许的不但不会造成影响还会提高抗干扰能力这是因为输入采样阶段仅在输入刷新阶段进行PLC在一个工作周期的大部分时间是与外设隔离的而工业现场的干扰常常是脉冲短时间的误动作将大大减小但是在快速响应系统中就会造成响应滞后现象这个一般PLC都会采取高速模块23 PLC机型的选择本设计中所使用的PLC可编程控制器是SIMATIC S7-200SIMATIC S7-200系列是西门子公司继S7-300S7-400之后推出的小型可编程控制器可单机运行也可通过RS485或PROFIBUS-DP组网运行它结构小巧可靠性高运行速度较快等优点这使得S7-200可近乎完美的满足小规模控制要求1 功能强1S7-200有5种CPU模块最多可以扩展7 个扩展模块扩展到248点数字3量IO或38路模拟量IO最多有30多KB的程序储存空间和数据储存空间2直接读写模拟量IO模块不需要复杂的编程3使用向导中的PID调节控制面板可以实现PID参数自整定4S7-200的CPU模块集成了很强的位置控制功能此外还有位置控制模块EM253使用位置控制向导可以方便的实现位置控制的编程5有配方和数据记录功能一级相应的编程向导配发数据和数据记录保存在EEPOM储存卡中2 先进的程序结构S7-200的程序结构简单清晰在编程软件中主程序子程序和中断程序分页存放使用各种程序块中的局部变量易于将程序块移植到别的项目子程序用输入输出变量作为软件接口便于实现结构化编程3 灵活方便的寻址方法S7-200的输入 I 输出 Q 位存储器 M 顺序控制继电器 S 变量存储器 V局部变量 L 均可按位 bit 字节字和双字读写4 功能强大使用方便的编程软件编程软件STEP-7MicroWIN V32和STEP-MicroWIN V40可以使用包括文本在内的多种语言有梯形图语句表和功能块图编程语言和SMATICIEC61131-3两种编程模式S7-200的指令功能强易于掌握选用SETP-7MicroWIN V32编程软件S7-200选用CPU224 14输入10输出共24个数字量IO 点可连接7个扩展模块最大扩展至256路数字量IO 点或64路模拟量IO 点13K字节程序和数据存储空间6个独立的30kHz高速计数器4路独立的20kHz高速脉冲输出具有PID控制器DC24V电源CPU的输入电流最大负载是150mA1050mAAC240V电源CPU的输入电流最大负载是40mA160mA2个RS485通讯编程口具有PPI通讯协议MPI通讯协议和自由方式通讯能力IO端子排可很容易地整体拆卸用于较高要求的控制系统具有较多的输入输出点较强的模块扩展能力较快的运行速度和功能较强的内部集成特殊功能可适应于一些复杂的中小型控制系统如下图图2-2 CPU224外观图第3章程序设计31 整体要求传送带共有20个工位工件从1号位装入依次经过2号位3号位20号工位在这个过程中工件分别在A操作1B操作2C 操作3三个工位完成三种装配操作经最后一个工位送入仓库按下启动开关SD程序按照D→A→E→B→F→C→G→H顺序自动循环执行在任意状态下选择复位按钮程序都返回到初始状态选择移位按钮每按动一次完成一次操作选择单周期按钮顺序执行完一周后自动停止图3-1 控制面板图32 主电路图图3-2 主电路图33 程序流程图图3-3 程序流程图图3-3 程序流程图34 梯形图启动按钮按下I00得电单周期按钮按下I03得电中间继电器M101得电时T40得电延时并M10为0时继电器M00为1继电器M00为1并限位开关I10为0M12为0时Q03得电并自锁此时D灯亮工件向右传送限位开关I10得电时即工件传至A限位继电器M01得电同时定时器T37得电延时中间继电器M01得电定时器T37延时断开中间继电器M12为0时Q00得电并自锁A灯亮A操作开始T37得电且M11为0时M102得电时M02得电继电器M02为1并限位开关I11为0M12为0时Q04得电并自锁此时D灯亮工件向右传送限位开关I11得电时即工件传至A限位继电器M03得电同时定时器T38得电延时中间继电器M03得电定时器T38延时断开中间继电器M12为0时Q01得电并自锁 B灯亮B操作开始T38得电且M11为0时M103得电时M04得电继电器M04为1并限位开关I12为0M12为0时Q05得电并自锁此时E 灯亮工件向右传送限位开关I12得电时即工件传至B限位继电器M05得电同时定时器T39得电延时中间继电器M05得电定时器T39延时断开中间继电器M12为0时Q02得电并自锁 C灯亮C操作开始T39得电且M11为0时M104得电时M06得电继电器M06为1并限位开关I13为0M12为0时Q06得电并自锁此时F 灯亮工件向右传送限位开关I13得电时即工件传至C限位继电器M07得电同时定时器T40得电延时中间继电器M07得电定时器T40延时断开中间继电器M12为0时Q07得电并自锁 H灯亮H操作开始按下单周期按钮在启动按钮没有按下时M10得电并自锁按下移位按钮M101为1当在按下时M102为1直到M104为1按此循环 M101或M102或M103或M104得电时M11得电并自锁按下复位按钮所有程序回到初始状态显示灯灭工件停止传送操作35 指令表见附录36 PLC的IO接线图图3-4 PLC的IO接线图37 IO地址分配符号地址说明功能8路数字输入 1 I00 按钮启动 2 I01 按钮移位 3 I02 按钮复位 4 I03 按钮单周期 5 I10 限位开关A操作处限位 6 I11 限位开关B 操作处限位7 I12 限位开关C操作处限位8 I13 限位开关H 操作处限位8路数字输出 1 Q00 A灯为1时A灯亮A操作5s2 Q01 B灯为1时B灯亮B操作5s3 Q02 C灯为1时C灯亮C 操作5s4 Q03 D灯为1时D灯亮5 Q04 E灯为1时E灯亮6 Q05 F灯为1时F灯亮7 Q06 G灯为1时G灯亮8Q07 H灯为1时H灯亮H操作5s38 简要说明按下启动按钮D灯亮工件从传送带传动传到A处限位停止A操作开始5s后E灯亮工件继续传送到B处限位停止B操作开始5s后继续传送传送到仓库H操作开始5s后D灯亮工件从传送带传动如此循环下去按下移位按钮D灯亮工件从传送带传动传到A处限位停止A操作开始5s后停止再按下移位按钮工件继续传送到B处限位停止B操作开始5s后停止按此规律只要按下移位按钮就会工件传动再进行操作按下复位按钮所有程序都返回到初始状态按下单周期按钮D灯亮工件从传送带传动传到A处限位停止A操作开始5s后E灯亮工件继续传送到B处限位停止B操作开始5s后继续传送传送到仓库H操作开始5s后停止完成一个周期再按下单周期按钮继续完成一个周期第4章程序的仿真与调试本次课程设计所采用的仿真软件是s7-200系列的其仿真过程大致如下1利用编程软件编写相关程序并将程序文件导出为供仿真软件使用的格式2打开s7-200仿真软件并调入程序3点击运行按钮将程序切换到运行状态4对应着IO口分配表按部点击输入按钮检查所对应的输岀指示是否正确5如果程序有错误仔细检查排除错误正确则方案可行由于本程序中移位功能要用到移位寄存器但我用S7-200的仿真软件不能仿真所以在老师的帮助下在学校实验室进行了模拟仿真并取得了成功以下仿真是针对连续单周期复位三种功能的部分情况进行仿真本设计的仿真过程图如下图4-1 仿真软件界面图最下一排中数字0至7代表了8个输入端口而最上一行中的数字0至7代表着8个输岀指示偏右上角有着CPU型号CPU224其中主CPU右端的0和1表示该CPU可加扩展模块由于本CPU以满足输入输出端口要求故而无须再加扩展模块来增加输入输出端口的个数如上图所示编程序语言和T形图已经导入了仿真软件等待进行之下的操作图4-2 启动开始状态图按下启动按钮中间继电器M00为1Q03得电并自锁D灯亮工件在传送带上向右传送图4-3 A操作当工件右行碰到限位开关I10时Q03为0D灯灭定时器T37得电并延时5sM01为1Q00得电并自锁A灯亮A操作开始5s后T37定时结束Q00为0A灯灭A操作结束图4-4 E灯亮向右传送T37定时结束后M02为1Q04得电并自锁E灯亮工件在传送带上向右传送图4-5 B操作当工件右行碰到限位开关I11时Q04为0E灯灭定时器T38得电并延时5sM03为1Q01得电并自锁B灯亮B操作开始5s后T38定时结束Q01为0B 灯灭B操作结束图4-6 F灯亮向右传送T38定时结束后M04为1Q05得电并自锁F灯亮工件在传送带上向右传送图4-7 C操作当工件右行碰到限位开关I12时Q05为0F灯灭定时器T39得电并延时5sM05为1Q02得电并自锁C灯亮C操作开始5s后T39定时结束Q02为0C 灯灭C操作结束图4-8 G灯亮向右传送T39定时结束后M06为1Q06得电并自锁G灯亮工件在传送带上向右传送图4-9 H操作当工件右行碰到限位开关I13时Q06为0G灯灭定时器T40得电并延时5sM07为1Q06得电并自锁H灯亮H操作开始5s后T40定时结束Q06为0H灯灭H 操作结束图4-10 G灯亮向右传送T39定时结束后M06为1Q06得电并自锁G灯亮工件在传送带上向右传送图4-11 复位前状态图复位前在某一运行状态下如上图Q06为1G灯亮工件向右传送图4-12 复位后状态图复位后所有程序返回初始状态G灯灭工件停止传送本次设计针对的三种操作的仿真都得到了验证证明程序是正确的通过PLC 编程的控制实现了各种操作达到了预期目的第5章结论本课题是装配流水线PLC控制系统设计通过对流水线动作的连续性以及被控制设备之间的相互关联性针对不同的工作状态进行相应的动作输出从而实现从工件从一号位传送到仓库完成输出的这样一个周期控制工作程序设计以流水线控制系统为中心的从控制系统的硬件软件选用到系统的设计过程包括设计方案设计流程设计要求梯形图设计等旨在对其中的设计和制造过程做简单的介绍和说明由于本次设计是模拟设计故对硬件系统的选型没有做详细的描述主要是对PLC控制的编程做了重要说明程序主要通过定时器限位开关和中间继电器来控制程序运行最终完成了设计本设计还把工作流程分成了四种操作方式即实现连续单周期移动复位四种情况丰富了工艺流程提高了生产效率并仿真调试成功致谢本文是在王晓光老师的指导下完成的感谢王老师在论文研究和设计过程中给予悉心的指导在学习和工作方面给予了很大的帮助尤其是导师严谨的科学研究精神一丝不苟的工作态度深深地感染和激励着我在向王老师请教问题的过程中也深深被王老师的人格魅力所打动在此谨向王老师致以诚挚的谢意和崇高的敬意在论文即将完成之际也感谢那些给予关心支持和帮助我的师长同学朋友由于经验的匮乏难免有许多考虑不周全之处恳请各位教授批评指正参考文献[1]齐占庆王振臣主编机床电气控制技术机械工业出版社1997[2]王莺工业可编程序控制器 PLC 的现状与发展趋势北京联合大学机械工程学院 2009[3]张扬蔡春伟孙明建 S7-200PLC原理与应用系统设计机械工业出版社2006[4]常斗南李全利可编程控制器原理及工程应用电子工业出版社2006[5]吴中俊黄永红可编程序控制器原理及应用机械工业出版社2004[6]高钦和可编程控制器应用技术与设计人民邮电出版社2004[7]何友王国宏等多传感器信息融合及应用北京电子工业出版社2008[8]施敏芳可编程控制器在生产流水线控制系统中的应用华侨大学精密机械工程系 2001[9]陈晓琴可编程控制器及应用哈尔滨工程大学出版社2008[10]廖常初S7-200PLC编程及应用机械工业出版社 2007[11]刘志华发动机装配线的PLC控制株州建设雅马哈摩托车有限公司 2008[12]孙承志徐智张家海吉顺平西门子S7-200300400PLC基础与应用技术机械工业出版社2008[13]严盈富西门子S7-200PLC入门人民邮电出版社2007[14]美John WWebbRonald AReis Programmable Logic Controllers Principles and Applications FifthEdition Prentice HallPearson2005[15]美SBrian Morriss Programmable LogicControllers Prentice HallPearson2006附录指令表按下启动和单周期按钮M101为1T40定时结束且M10为0时中间继电器M00为Network1LD I00O I03O M101LD T40AN M10OLDM00Network 2M00为1I10为0时Q03为1并得电自锁D灯亮工件传送LD M00O Q03AN I10Network 3工件传送至A限位I10得电M01得电T37定时开始LD I10M01TON T37 50Network 4M01得电T37延时5s断开Q00得电A操作开始LD M01O Q00AN T37Q00Network 5T37得电且M11为0时M102为1时M02为1LD T37AN M11O M102M02Network 6M02为1I11为0时Q04为1并得电自锁E灯亮工件传送LD M02O Q04Q04Network 7工件传送至B限位I11得电M03得电T38定时开始LD I11M03TON T38 50Network 8M03得电T38延时5s断开Q01得电B操作开始LD M03O Q01AN T38Q01Network 9T38得电且M11为0时M103为1时M04为1LD T38AN M11O M103M04Network 10M04为1I12为0时Q05为1并得电自锁F灯亮工件传送LD M04AN I12Q05Network 11工件传送至C限位I12得电M05得电T39定时开始LD I12M05TON T39 50Network 12M05得电T39延时5s断开Q02得电C操作开始LD M05O Q02AN T39Q02Network 13T39得电且M11为0时M104为1时M06为1LD T39AN M11O M104M06Network 14M06为1I13为0时Q06为1并得电自锁G灯亮工件传送O Q06AN I13Q06Network 15工件传送至H限位I13得电M07得电T40定时开始LD I13M07TON T40 50Network 16M07得电T40延时5s断开Q07得电H操作开始LD M07O Q07AN T40Q07Network 17按下单周期按钮在启动按钮没有按下时M10为1并得电自锁LD I03O M10AN I00M10Network 18按下移位按钮移位寄存器M101为1再按下时M102为1直到M104为1按此循环LD I01SHRB M100 M101 4Network 19M101或M102或M103或M104得电时M11为1并得电自锁LD M101O M102O M103O M104O M11M11Network 20按下复位按钮所有程序回到初始状态LD I02R M00 10R M101 4END。
基于PLC的装配流水线控制系统设计案例装配流水线是指由一系列工作站组成的自动化生产线,每个工作站负责完成装配产品的一个或多个任务,通过传送带或滑道将产品一步步运动到下一个工作站进行加工。
PLC(可编程逻辑控制器)是现代工业自动化中最常用的控制器之一,它具有可编程性、稳定性和可靠性强等特点,可以对装配流水线进行高效的控制。
本文将介绍基于PLC的装配流水线控制系统设计的步骤及要素。
设计步骤:1. 确定装配流水线的构成和任务:先确定生产需求和产品设计要求,然后再确定流水线需要的工作站和任务,确定每个工作站的操作流程和执行方式。
2. 设计PLC控制程序:采用Ladder图、文字列表或函数块等方式设计PLC控制程序,包括输入输出变量的定义、逻辑关系和控制指令的设置等。
3. 选择PLC硬件:选择合适的PLC控制器,包括输入/输出模块、CPU模块、通讯模块等。
4. 确定传感器、执行器和控制信号:根据流水线的实际情况,选择合适的传感器、执行器和控制信号设备,包括接近开关、激光传感器、电机、气缸、继电器等。
5. 确定通讯协议和网络通讯方式:确定PLC控制器与其他设备之间的通讯协议和通讯方式,包括以太网、CAN总线、Modbus等。
6. 调试和优化:进行PLC控制程序的调试和优化,包括修改和测试程序、检查传感器和执行器的连接状态、检查电路接线的正确性等。
设计要素:1. 系统稳定性和可靠性:保证PLC控制系统的稳定性和可靠性,对流水线的杂音、电感干扰等干扰因素进行抑制和隔离,避免因异常情况导致系统崩溃或故障。
2. 数据安全和可扩展性:保证PLC控制系统的数据安全性,将不同的数据隔离开来,避免因数据错乱或错位导致错误的控制指令。
同时,应考虑到系统的可扩展性,可以通过添加或更换硬件来满足新的需求或任务。
3. 程序可读性和可维护性:设计清晰、简单的PLC控制程序,具有良好的可读性和可维护性。
需要注重程序的文档化、注释化和可视化,降低程序修改时的错误率。
装配流水线的模拟控制一、实验目的1、用 PLC构成装配流水线的控制系统..2、了解移位寄存器指令在控制系统中的应用及编程方法..二、实验内容实验箱上框中的 A~H 表示动作输出用 LED 发光二极管模拟 ;下框中的A、B、C、D、E、F、G、H 插孔分别接主机的输出点..传送带共有十六个工位;工件从 1 号位装入;分别在 A操作 1 、B操作 2 、C操作 3三个工位完成三种装配操作;经最后一个工位后送入仓库;其它工位均用于传送工件..四、实验控制要求1、启动按钮SB1、复位按钮 SB2、移位按钮 SB3 均为常OFF..2、启动后;再按“移位”后;按以下规律显示:D→E→F→G→A→D→E→F→G→B →D→E→F→G→C→D→E→F→G→H→D→E→F→G→A……循环;D、E、F、G 分别用来传送的;A 是操作 1;B 是操作 2;C 是操作3;H 是仓库..3、时间间隔为 1S..五、实验步骤方法一:1、连线①按照以上的I/O分配表连接好主机上的输入输出点..②输出端 1L、2L、3L插孔均连到外接电源的 COM插孔..③输入端 1M 插孔连到外接电源的COM插孔..④实验区的+24V插孔连到外接电源的+24V插孔..2、程序中用到的主要指令定时器TON;移位寄存器SHRB..3、输入程序代码并对其解释说明梯形图注:说明中内数字代表网络号;如1代表网络1..说明:按下启动按钮SB1→线圈I0.01得电闭合→M0.02置位→M0.03得电并保持..此时;按下移位按钮SB3;使I0.23得电闭合→M0.13置位..复位说明:按下复位按钮SB2;I0.12→M10.02复位;即保持为失电..说明:移位按钮SB3按下后;I0.24得电闭合→M0.44置位→M0.44得电并保持→启动定时器T375;开始定时;1秒时T376闭合→M0.36得电→M0.35失电;定时器T375复位→M0.36失电→M0.35得电;再次启动定时器T375;1秒时T376闭合→M0.36得电→M0.35失电……一直循环;也就是5和6构成了一个1秒钟自复位定时器;每1秒输出一个持续时间位1个扫描周期的时钟脉冲;即T375每1秒闭合1个扫描周期→M0.36每1秒闭合1个扫描周期..说明:M0.36每1秒闭合1个扫描周期→M0.37也每1秒闭合1个扫描周期→移位寄存器SHRB7每1秒移位一次输入数据为M0.17;即1;M10.07表示移位寄存器的最低位;21表示移位寄存器的长度为21;且为左移→首次执行SHRB7将输入数据1移入M10.07中;并移出移位寄存器的最高位..移出的数据被放置在溢出内存位SM1.1中..复位说明:M10.02复位→M10.07为0;使得所以的位全部为0;即全为失电状态;因而流水线不会工作..说明:①第一次执行移位寄存器指令使M10.07的值为1→M10.08得电→M0.18复位→M0.17也复位;同时M10.09得电→线圈Q0.39得电闭合;D灯亮..②第六次执行移位寄存器指令使M10.59的值为1→线圈Q0.39得电闭合;D灯亮..③第十一次执行移位寄存器指令使M11.29的值为1→线圈Q0.39得电闭合;D灯亮..④第十六次执行移位寄存器指令使M11.79的值为1→线圈Q0.39得电闭合;D灯亮..说明:①第二次执行移位寄存器指令使M10.110的值为1→线圈Q0.410得电闭合;E灯亮..②第七次执行移位寄存器指令使M10.610的值为1→线圈Q0.410得电闭合;E灯亮..③第十二次执行移位寄存器指令使M11.310的值为1→线圈Q0.410得电闭合;E灯亮④第十七次执行移位寄存器指令使M12.010的值为1→线圈Q0.410得电闭合;E灯亮..说明:①第三次执行移位寄存器指令使M10.211的值为1→线圈Q0.511得电闭合;F灯亮..②第八次执行移位寄存器指令使M10.711的值为1→线圈Q0.511得电闭合;F灯亮..③第十三次执行移位寄存器指令使M11.411的值为1→线圈Q0.511得电闭合;F灯亮..④第十八次执行移位寄存器指令使M12.111的值为1→线圈Q0.511得电闭合;F灯亮..说明:①第四次执行移位寄存器指令使M10.312的值为1→线圈Q0.612得电闭合;G灯亮..②第九次执行移位寄存器指令使M11.012的值为1→线圈Q0.612得电闭合;G灯亮..③第十四次执行移位寄存器指令使M11.512的值为1→线圈Q0.612得电闭合;G灯亮..④第十九次执行移位寄存器指令使M12.212的值为1→线圈Q0.612得电闭合;G灯亮..说明:①第五次执行移位寄存器指令使M10.413的值为1→线圈Q0.013得电闭合;A灯亮..②第十次执行移位寄存器指令使M11.114的值为1→线圈Q0.114得电闭合;B灯亮..③第十五次执行移位寄存器指令使M11.615的值为1→线圈Q0.215得电闭合;C灯亮..说明:①第二十次执行移位寄存器指令使M12.316的值为1→线圈Q0.716得电闭合;H灯亮..②第二十一次执行移位寄存器指令使M12.417的值为1→M0.117置位;移位寄存器进入下一次循环..4、调试运行程序5、实验结果与预期一样;符合控制要求..方法二:1、接线同方法一2、程序中用到的指令双字传送指令MOV_DW;定时器TON;双字左移指令SHL_DW..3、输入程序代码并对其解释说明梯形图说明:按下启动按钮SB1→线圈I0.01得电闭合→M0.02置位→M0.03得电并保持..此时;按下移位按钮SB3;使I0.23得电闭合→M0.13置位..复位说明:按下复位按钮SB2;I0.12→M10.02复位;即保持为失电..说明:①移位按钮SB3按下后;I0.24得电闭合→执行传送指令MOV_DW4;将立即数21传送给MD10;对MD10进行初始化;即MD10=00000001..与此同时;同方法一;5和6构成了一个1秒钟自复位定时器;每1秒输出一个持续时间位1个扫描周期的时钟脉冲;即T375每1秒闭合1个扫描周期→M0.36每1秒闭合1个扫描周期..②第二十一次执行双字左移指令使M11.44的值为1→进入下一次循环..说明:M0.36每1秒闭合1个扫描周期→M0.37也每1秒闭合1个扫描周期→字左移指令SHL_DW7每1秒移位一次→第一次移位使M13.08为1..说明:①第一次执行双字左移指令使M13.08为1;即M13.0得电→线圈Q0.38得电闭合;D灯亮..②第六次执行双字左移指令使M13.58的值为1→线圈Q0.38得电闭合;D灯亮..③第十一次执行双字左移指令使M12.28的值为1→线圈Q0.38得电闭合;D灯亮..④第十六次执行双字左移指令使M12.78的值为1→线圈Q0.38得电闭合;D灯亮..说明:①第二次执行双字左移指令使M13.19的值为1→线圈Q0.49得电闭合;E 灯亮..②第七次执行双字左移指令使M13.69的值为1→线圈Q0.49得电闭合;E 灯亮..③第十二次执行双字左移指令使M12.39的值为1→线圈Q0.49得电闭合;E灯亮④第十七次执行双字左移指令使M11.09的值为1→线圈Q0.49得电闭合;E灯亮..说明:①第三次执行双字左移指令使M13.210的值为1→线圈Q0.510得电闭合;F 灯亮..②第八次执行双字左移指令使M13.710的值为1→线圈Q0.510得电闭合;F灯亮..③第十三次执行双字左移指令使M12.410的值为1→线圈Q0.510得电闭合;F灯亮..④第十八次执行双字左移指令使M11.110的值为1→线圈Q0.510得电闭合;F灯亮..说明:①第四次执行双字左移指令使M13.311的值为1→线圈Q0.611得电闭合;G 灯亮..②第九次执行双字左移指令使M12.011的值为1→线圈Q0.611得电闭合;G灯亮..③第十四次执行双字左移指令使M12.511的值为1→线圈Q0.611得电闭合;G灯亮..④第十九次执行双字左移指令使M11.211的值为1→线圈Q0.611得电闭合;G灯亮..说明:①第五次执行双字左移指令使M13.412的值为1→线圈Q0.012得电闭合;A 灯亮..②第十次执行双字左移指令使M12.113的值为1→线圈Q0.113得电闭合;B灯亮..③第十五次执行双字左移指令使M12.614的值为1→线圈Q0.214得电闭合;C灯亮..说明:第二十次执行双字左移指令使M11.315的值为1→线圈Q0.715得电闭合;H 灯亮..4、调试运行程序5、实验结果与预期一样;符合控制要求..1、接线同方法一2、程序中用到的指令3、输入程序代码并对其解释说明梯形图4、调试运行程序5、实验结果与预期一样;符合控制要求..四组抢答器设计一、实验目的1、用PLC设计一个功能齐全的抢答器..2、掌握定时器的基本方法..3、掌握PLC 构成数码显示控制系统的设计方法 ..4、掌握赋值指令的既不让你用法..5、掌握利用移位指令构成循环控制的方法..二、实验内容运用所学知识设计一个带有主持人;复位;时间限制;几号选手抢答成功数码管显示的四组抢答器..四、实验控制要求1、开始抢答按钮SB9、复位按钮 SB8常为OFF..2、主持人按下开始抢答按钮SB9;数码管显示开始倒计时;选手开始抢答;若10秒内某位选手抢答成功;那么他所对应的抢答成功指示灯亮;同时数码管倒计时结束;数码管显示成功抢答选手号数;其他选手不能再抢答;直到主持人宣布下一轮抢答开始;并按下抢答开始按钮为止;若10秒都没人抢答;数码管倒计时到0;超时警告指示灯闪烁;四位选手均不能再不抢答;即使按下抢答按钮也无效;直到主持人宣布下一轮抢答开始;并按下抢答开始按钮..4、主持人按下复位按钮;四位选手均不能抢答;即使按下抢答按钮也是无效的只有主持人宣布开始;并按下开始抢答按钮后;选手才可抢答..5、抢答限时时间为10秒;主持人按下抢答按钮开始;数码管从9倒计时到0;抢答时间到并发出警告..五、实验步骤方法一:1、连线①按照以上的I/O分配表连接好主机上的输入输出点..②输出端 1L、2L、3L插孔均连到外接电源的 COM插孔..③输入端 1M 插孔连到外接电源的COM插孔..④数码管的COM插孔连到外接电源的COM插孔..⑤实验区的+24V插孔连到外接电源的+24V插孔..2、程序中用到的主要指令双字传送指令MOV_DW;定时器TON;双字左移指令SHL_DW3、输入程序代码并对其解释说明梯形图注:说明中内数字代表网络号;如1代表网络1..说明:主持人宣布抢答开始并按下抢答开始按钮SB9后→I0.59得电→Q0.59得电闭合→Q0.51也得电闭合..此时;四位选手可按下对应按钮开始抢答..若1号抢答成功→I0.01得电Q1.51已得电;Q0.01得电并自锁使其保持;同时与其他选手互锁;即使此时其他选手按下抢答按钮也无效;并将结果存储到M0.01中;L1灯亮;若2号抢答成功→I0.12得电Q1.51已得电;Q0.12得电并自锁使其保持;同时与其他选手互锁;即使此时其他选手按下抢答按钮也无效;并将结果存储到M0.02中;L2灯亮;若3号抢答成功→I0.23得电Q1.51已得电;Q0.23得电;并自锁使其保持;同时与其他选手互锁;即使此时其他选手按下抢答按钮也无效;并将结果存储到M0.23中;L3灯亮;若4号抢答成功→I0.33得电Q1.51已得电;Q0.34得电并自锁使其保持;同时与其他选手互锁;即使此时其他选手按下抢答按钮也无效;并将结果存储到M0.34中;L4灯亮..说明:四位选手任意一位抢答成功;立刻让M10.05开始的32位置0..说明:主持人按下复位按钮SB8;I0.46得电→Q0.4得电闭合→复位指示灯L8亮;同时使M10.06开始的32位置0..说明:SM0.1初次扫描为1;此网络用于对MD107开始的32为地址初始化全部为0..说明:主持人按下开始抢答按钮SB9;I0.58得电;把1赋给MD10..说明:主持人按下开始抢答按钮SB9;I0.59得电→启动限时定时器T379;定时为10秒;同时Q1.59得电闭合;开始抢答指示灯L9亮..当复位按钮SB8按下时; Q1.59得电闭合;开始抢答指示灯L9灭;复位..说明:Q1.510得电闭合时;将其存储到M0.5中..说明:M0.510为1;即主持人宣布开始抢答→M0.511也为1;启动定时器T3811;定时为1秒..说明:T3811定时时间到→T3812打开并存储到M0.412;同时双字左移指令XHL_DW12开始执行..同时;M0.411失电→T3811复位→T3812失电→M0.412失电→T3811复位……一直循环;也就是构成了一个1秒钟自复位定时器;每1秒输出一个持续时间位1个扫描周期的时钟脉冲;即T3811每1秒闭合1个扫描周期→M0.412每1秒闭合1个扫描周期..说明:限时定时器T379定时到10秒时;T3713闭合;并将结果存储到M1.0;与四位选手抢答成功线圈互锁..说明:限时到10秒时;M1.014得电闭合;通过SM0.514输出到Q1.614;使超时警告等L8闪烁..说明:网络18到网络21是数码管显示情况;当某位选手抢答成功时显示对应的选手号;具体显示方法是点亮数码管对应的段;如:1号选手抢答成功;显示1;需要点亮数码管的B段和C段;即使Q0.6和Q0.7得电即可;主持人宣布开始抢;还没有选手抢答;数码管需显示倒计时数字;同样的方法;需要点亮数字几;就将其是对应的段都点亮;如:显示9;需点亮A、B、C、D、F、G段;只需让Q0.6 、Q0.7、Q1.1、Q1.2、Q1.4、Q1.5得电即可;所不同的是每隔1秒要显示当前显示数字减1的数;这个是通过1秒自复位定时器T3811和双字左移指令SHL_DW完成的;每隔1秒通过双字左移指令SHL_DW使MD10开始的32位地址得到新的值;也就对应点亮数码管不同的段;达到显示的目的..4、调试运行程序5、实验结果与预期一样;符合控制要求..。
武夷学院成人高等教育毕业论文(设计)题目装配流水线的PLC模拟控制姓名学号系(教学点)电子工程系年级、专业09机电一体化层次、形式指导教师、职称:摘要:本文主要是介绍PLC模拟控制在工业生产中的运用,要求学会使用组态软件和PLC(SIMEINS S7-200)控制系统连接,采用下位机执行,上位机监控的方法,构建完成装配流水线的模拟控制系统。
通过PLC模拟控制和组态的监控,本文实现了装配流水线的控制和监视。
关键词:PLC控制;下位机执行;上位机监控;组态监控(本文将以实验论述来讲述PLC的相关知识)。
黄峰(武夷学院电子工程系福建武夷山 354300)一. 本论1 引言1.1 PLC = Programmable logic Controller,可编程逻辑控制器,一种数字运算操作的电子系统,专为在工业环境应用而设计的。
它采用一类可编程的存储器,用于其内部存储程序,执行逻辑运算,顺序控制,定时,计数与算术操作等面向用户的指令,并通过数字或模拟式输入|输出控制各种类型的机械或生产过程,是工业控制的核心部分PLC = Programmable Logic Controller,可编程控制器。
另外PLC还有以下几个名称:PLC = Power Line Communication,电力线通信,即我们俗称的“电力线上网”。
可编程控制器(Programmable Controller)是计算机家族中的一员,是为工业控制应用而设计制造的。
早期的可编程控制器称作可编程逻辑控制器(Programmable Logic Controller),简称PLC,它主要用来代替继电器实现逻辑控制。
随着技术的发展,这种装置的功能已经大大超过了逻辑控制的范围,因此,今天这种装置称作可编程控制器,简称PC。
但是为了避免与个人计算机(Personal Computer)的简称混淆,所以将可编程控制器简称PLC,plc自1966年出现,美国,日本,德国的可编程控制器质量优良,功能强大。
东海科学技术学院毕业论文(设计)文献综述题目:装配流水线PLC的控制设计系:机电工程系学生姓名:**专业:电气工程及其自动化班级: C07电气(1)班指导教师:**起止日期: 2010.11.15——2010.12.15 2010年 12月 15日前言自20世纪60年代末期世界第一台PLC问世以来,PLC发展十分迅速,特别是近年来,随着微电子技术和计算机技术的不断发展,PLC在处理速度、控制功能、通信能力及控制领域等方面都有新的突破。
PLC将传统的继电-接触器的控制技术和现代计算机信息处理技术的优点结合起来,成为工业自动化领域中最重要、应用最广泛的控制设备之一,并已成为现代工业生产自动化的重要支柱。
可编程逻辑控制器(Programmable Logic Controller),简称PLC,是以微处理器为基础,把计算机技术、自动化技术和通信技术融为一体的,面向控制过程、面向用户,适应工业环境、操作方便、可靠性高的新一代通用工业自动装置。
随着科学技术的发展和高新技术推广应用的普及,自动化技术已逐步深入到生产、生活的各个角落,生产从机械化转变为自动化,在机械加工、汽车制造、电脑装配、食品生产、药品包装等等方面都在向自动化方向转变,它们都有共同的规律(按一定规则节拍地动作),从而产生了自动化流水线(生产线、装配线)。
一、 PLC的发展历史1968年美国GM(通用汽车)公司提出取代继电器控制装置的要求,第二年美国数字公司研制出了第一代可编程序控制器,满足了GM公司装配线的要求。
随着集成电路技术和计算机技术的发展,现在已有第五代PLC产品了。
在以改变几何形状和机械性能为特征的制造工业和以物理变化和化学变化将原料转化成产品为特征的过程工业中,除了以连续量为主的反馈控制外,特别在制造工业中存在了大量的开关量为主的开环的顺序控制,它按照逻辑条件进行顺序动作号按照时序动作;另外还有与顺序、时序无关的按照逻辑关系进行连锁保护动作的控制;以及大量的开关量、脉冲量、计时、计数器、模拟量的越限报警等状态量为主的—离散量的数据采集监视。
1. 目的:
识别、提供并维护为实现产品的符合性所需要的基础设施。
2.范围:
适用于公司为实现产品的符合性所需基础设施。
3.职责:
3.1负责对生产设备的使用、维护和管理的实施。
3.2 设备组负责对实现产品的符合性所需要的基础设施的采购控制。
3.3 各执行部门负责设备的使用、维护和保养的实施。
4.内容:
4.1 生产前准备
4.1.1检查所有急停按扭是否处于非工作状态,否则使其恢复闭,一切正常才能投入使用。
4.1.2 操作台面上是否有异物,并清理干净。
4.2 生产操作程序
4.2.1 打开流水线电源控制柜电源,电源指示灯亮。
4.2.2 调整变频器的输出频率,变频器启动,显示屏显示数值为50或者初始设定值,
4.2.3 根据生产需要调整流水线的速度,生产过程中如有那一工位出现装配故障需及时按下按扭使流水线停止运论转,并旋转向外拔出急停按钮使其恢复。
4.2.4 排除故障后,方可由电源控制柜处重新启动流水线
5.注意事项:
5.1设备的各机械构件电路和操作程序,操作人员不得擅自拆装,如有异常,需及时联系生产公司。
5.2整机金属外壳必须可靠接地,以保证操作人员和设备的安全。
5.3设备在使用过程中如果发生超载、打火等事故,必须按紧急停止操作按钮。
断开电源开关,并迅速检查原因。
5.4设备在清洗过程中必须切断电源和气源,等所有原器件复原后才能开始工作。
5.5按下电机停止按钮后,停止指示灯亮,流水线停止运行
6.维护保养:
6.1每次使用完毕,立即清洁设备。
6.2 流水线应由专人开启、关闭、保养。
基于PLC的装配流水线控制系统设计一、引言在工业生产中,装配流水线被广泛采用,它可以实现生产的自动化、流程化和高效化。
而在流水线上,各个工位的运行需要进行统一的控制,以保证整个流水线的顺畅运行。
因此,本文将介绍一种基于PLC的装配流水线控制系统设计。
二、系统组成及原理该系统由PLC主控制器、变频器、传感器、执行器等组成。
其中,PLC主控制器作为系统的核心,通过读取传感器信号和控制执行器的动作,实现对流水线的全面控制。
变频器则负责控制马达的速度,使之能够根据不同工位的生产需求进行调整,同时也可以实现流水线的正反转。
整个流水线上的传感器主要有光电开关、接近开关、压力传感器和温度传感器等。
通过对这些传感器的信号进行读取和处理,PLC可以掌握每个工位的运行状况,并据此进行下一步的控制。
执行器主要包括气缸、电机、液压缸等,它们可以用来控制流水线上的工件的进出、固定、旋转等动作。
PLC通过对这些执行器的控制,实现对整个流水线的运行控制。
三、编程设计编写PLC程序时,需要先进行流程分析,确定各个工位之间的关系和控制流程。
同时,还需要根据控制流程,设置相应的输入、输出地址和逻辑关系。
具体的程序设计包括:1、输入输出端口设置。
根据系统的需求,需要设置相应的I/O端口,包括读取传感器和控制执行器的输入和输出信号。
2、程序流程设计。
根据流水线的不同工位运行状况,设置相应的判断条件和控制程序。
如针对某些工位的硬件限制,需要进行加锁、解锁等操作。
3、故障诊断。
设置故障检测程序,当系统出现故障时,能够自动识别并进行报警处理。
四、总结基于PLC的装配流水线控制系统设计,可以实现对流水线的全面控制,提高生产效率和质量。
但是,在设计过程中,需要充分考虑各个工位之间的关系和流程,同时也要合理设置输入输出端口和程序流程,以实现系统智能化的运行。
实验四装配流水线的模拟控制一、实验目的了解顺控功能指令和移位寄存器指令在控制系统中的应用及编程方法。
二、选用组件12、屏上挂件排列顺序MRDT20、MRDT22三、实验原理使用移位寄存器指令(SFTR、SFTL),可以大大简化程序设计。
移位寄存器指令的功能如下:若在输入端输入一连串脉冲信号,在移位脉冲作用下,脉冲信号依次移到移位寄存器的各个继电器中,并将这些继电器的状态输出。
其中,每个继电器可在不同的时间内得到由输入端输入的一连串脉冲信号。
四、控制要求在本实验中,传送带共有十六个工位。
工件从1号位装入,依次经过2号位、3号位 (16)号工位。
在这个过程中,工件需分别在A(操作1)、B(操作2)、C(操作3)三个工位完成三种装配操作,经最后一个工位后送入仓库。
注:其它工位均用于传送工件。
该系统具体工作流程如下:D(LED1-4)→A(操作1)→E(LED5-8)→B(操作2)→F(LED9-12)→C(操作3)→G(LED13-16)→H(进入仓库)→循环工作要求使用状态转移图和顺控功能指令完成控制程序,整个程序可以考虑由三个模块组成:1.初始状态程序(梯形图)2. 装配流水线模拟控制主体程序(状态转移图)3.循环控制(梯形图)五、装配流水线模拟控制的面板图图1为实验模块面板图。
图1 实验模块面板图图中的A~H表示动作输出(用LED发光二极管模拟)。
另外有三个控制信号:启动(开关)、复位(按钮)和移位(按钮),系统在启动后,每按动一次移位钮,在不同工作状态之间进行转换,具体参见第四部分的“具体工作流程”。
六、接线列表。
摘要:在PLC问世之前,业控制领域中是继电器控制占主导地位,继电器控制系统有着十分明显的缺点。
体积大、功耗多、可靠性差、寿命短、运行速度慢、适应性差,尤其当生产工艺发生变化时,就鼻息重新设计、重新安装,造成时间和资金的严重浪费。
为了改变这种现状,1969年美国数字设备公司(DEC)研制出了世界上第一台PLC。
随着PLC的不断发展增加了网络通信功能,发展了各种智能模块,增加了外部诊断功能。
使PLC成为了现在工业控制领域的三大支柱之一。
本次设计时基于PLC设计的装配流水线。
目前,PLC在装配流水线上应用广泛。
而本设计是在电脑上模拟控制整个装配流水线的流程,以现在较为流行的PLC为基础来实现装配流水线的控制功能。
经过多次的程序设计和模拟仿真,程序已能实现移位、三工位装配和单工位入库等操作。
关键词:装配流水线;设计;PLC;可靠性第一章绪论 (2)1.1 课题研究的背景 (2)1.2 课题研究的目的和意义 (3)1.3 方案设计与介绍 (3)第二章PLC基础知识及选型 (6)2.1 可编程控制器概述 (6)2.2 PLC的特点 (6)2.3 PLC的组成 (8)2.4 PLC选型 (8)第三章硬件设计 (10)3.1 程序流程图 (10)3.2 I/O端口分配表 (11)3.3 外部接线图 (11)3.4 面板图 (12)第四章软件设计 (13)4.1 梯形图分析 (13)总结 (19)参考文献 (20)附件 (22)第一章绪论1.1 课题研究的背景在社会快速发展、竞争激烈的今天,提高生产效率,降低生产工艺成本,最大限度的满足生产要求将直接决定各企业工厂能否紧跟社会脚步,赢得时间,占领市场甚至将决定企业的生死存亡。
为此,企业生产自动化无疑扮演着重要的角色,装配流水线自动化作为工业自动化的一部分,能提高生产效率,降低工艺流程成本,最大限度的适应产品变化,提高产品质量,它是现代化生产控制系统中的重要组成部分。
《PLC设计与实训》设计报告题目:装配流水线的模拟控制一.设计题目与设计目的1.设计题目装配流水线的模拟控制2.设计目的了解移位寄存器在控制系统中的应用及针对位移寄存器指令的编程方法二.设计要求1.设计要求说明在本实验中,传送带共有20个工位。
工件从1号位装入,依次经过2号位、3号位…20号工位。
在这个过程中,工件分别在A(操作1)、B(操作2)、C (操作3)三个工完成三种装配操作,经最后一个工位送入仓库。
按下启动开关SD ,程序按照D→A→E→B→F→C→G→H流水线顺序自动循环执行;在任意状态下选择复位按钮程序都返回到初始状态;选择移位按钮,每按动一次,完成一次操作。
2.实验面板图三.设计内容1.设计思路根据设计要求写出如下流程:(1)当程序烧写进PLC板以后,启动程序,按下开始按钮I0.0,流水线开始正常工作;(2) 1秒后传送带D指示灯亮;(3) 1秒后传送带A指示灯亮,D指示灯灭;(4) 1秒后传送带E指示灯亮,A指示灯灭;(5) 1秒后传送带B指示灯亮,E指示灯灭(6) 1秒后传送带F指示灯亮,B指示灯灭;(7) 1秒后传送带C指示灯亮,F指示灯灭;(8) 1秒后传送带G指示灯亮,C指示灯灭;(9) 1秒后传送带H指示灯亮,G指示灯灭;(10)1秒后又跳转至D指示灯亮,H灯灭,8秒一个周期,循环往复;(11)在过程中任意时刻按下复位按钮,系统复位至正常工作最开始状态;(12)在过程中任意时刻按下移位按钮,立刻跳转至下一步。
2.设计程序(1)梯形图如下:(2)指令表:Network 1LD I0.0 LPSAN M20.0 LPSAN M0.1 TON T37, +10 LPPTON T38, +80 LPPEDR M20.0, 1 R M10.0, 1 Network 2LD T38AN M20.0O I0.2O C6O M0.0LD I0.0EUOLDAN M10.0= M0.0 Network 3LD I0.2 LPSEUS M20.0, 1 LPPR M10.0, 1 Network 4LD T37AN M20.0= M0.1 Network 5O M0.1LD I0.1EUOLDSHRB M0.0, M10.0, +8 Network 6LD I0.1LD C5LD I0.0EDOLDO I0.2CTU C5, 8Network 7LD M10.0= Q0.0Network 8LD M10.1= Q0.1Network 9LD M10.2= Q0.2Network 10LD M10.3= Q0.3Network 11LD M10.4= Q0.4Network 12 LD M10.5 = Q0.5 Network 13 LD M10.6 = Q0.6 Network 14 LD M10.7 = Q0.7 3.硬件接线图四.调试过程与设计体会1.调试过程首先将预先设计好题目要求功能的梯形图在模拟软件上打出来,保存显示有错误,经过更改后,保存成功。
郑州工业应用技术学院课程设计任务书题目基于PLC的装配流水线控制系统设计专业、班级12电气工程及其自动化一班学号1202120123 姓名左金诚主要内容:利用三菱FX系列PLC系统,进行装配流水线控制系统的设计,编写PLC 的梯形图程序。
在FX系列PLC综合实验面板上,进行实验电路的熟悉和连接,了解移位寄存器在控制系统中的应用及针对位移寄存器指令的编程方法。
应用组态设计软件进行装配流水线的监控程序设计,要求与PLC程序实现同步。
基本要求:传送带共有二十个工位。
工件从1号位装入,依次经过2号位、3号位……16号工位。
在这个过程中,工件分别在A(操作1)、B(操作2)、C(操作3)三个工位完成三种装配操作,经最后一个工位后送入仓库。
注:其它工位均用于传送工件。
参考资料[1]王玮. 电气工程实验教程[M]. 北京:北京交通大学出版社,2006[2]胡学林. 可编程控制器教程[M]. 北京:电子工业出版社,2005[3]刘美俊. 电气控制与PLC工程应用[M]. 北京:机械工业出版社,2011完成期限:指导教师签名:课程负责人签名:2015年12 月28 日郑州工业应用技术学院课程设计说明书题目:基于PLC装配流水线控制系统设计*名:***院(系):机电工程学院专业班级:12电气工程及其自动化一班学号:**********指导教师:赵娟萍吉成芳成绩:时间:2015 年12 月28 日至2016 年1 月8 日摘要本设计以当今自动化水平越来越高的现状。
装配流水线在生产过程中代替人力发挥出越来越重要的作用。
以此为背景从它的概念和特点出发,提出了装配流水线生产上的问题和不足,各企业通过调整装配作业指导、运用工序同期化和加强现场管理等方法来改善这些问题。
对装配生产流水线进行改进,最终达到使整个装配线趋于平衡、装配效率有效提高和提高现场管理的目的。
PLC是现代通用的工业控制计算机。
其接口容易,同时PLC的编程语言简单易懂很容易被不管是否有电路基础的用户都能很快上手和掌握。
装配流水线PLC控制系统设计引言:装配流水线是一种常见的工业自动化生产设备,用于批量产品的高效装配。
PLC(Programmable Logic Controller)控制系统是一种可编程逻辑控制器,被广泛应用于工业自动化领域。
本文将对装配流水线PLC控制系统进行设计。
一、系统概述本装配流水线PLC控制系统设计主要包含以下几个方面的内容:输入输出模块设计、PLC程序设计、安全控制设计和系统排故设计。
1.输入输出模块设计输入模块用于接收外部传感器的信号,输出模块用于控制装配流水线上的执行组件。
根据实际需求,可以使用数字输入和模拟输入模块以及数字输出和模拟输出模块。
输入模块需要接入物料传感器、位置传感器和安全传感器等,其中物料传感器用于检测物料的到达和离开,位置传感器用于检测执行组件的位置,安全传感器用于检测装配过程中的意外情况。
输出模块需要连接装配机械手、传送带和气动执行元件等。
2.PLC程序设计PLC程序设计是装配流水线PLC控制系统的核心部分。
根据装配流程和控制需求,设计适当的PLC程序。
首先确定各个执行组件的工作顺序和时序关系,编写对应的PLC指令。
PLC指令包括输入输出控制、逻辑控制、计数控制和定时控制等。
在编写过程中,需要考虑到各个工作站之间的同步和协调。
3.安全控制设计安全控制设计是确保装配流水线运行过程中工人的安全的关键环节。
设计合理的安全控制策略,包括急停按钮、安全门和光幕等安全装置的设置。
同时,在PLC程序中加入必要的安全逻辑,确保系统对于异常情况能够及时作出响应。
4.系统排故设计系统排故设计是确保装配流水线长时间稳定运行的关键环节。
设置合适的故障检测和诊断机制,如报警系统、故障代码显示和历史记录等。
在PLC程序中加入可靠的故障处理逻辑,及时发现和解决系统故障。
二、具体设计方案在具体设计中,需要根据实际应用需求和设备特点进行详细设计。
以下是一个简单的装配流水线PLC控制系统设计方案。
组态控制实训论文班级电气0902姓名65号指导老师阳宇辉老师李广兵老师2011-11第1章概述 (1)1.1 什么是MCGS (1)1.2 MCGS的构成 (3)1.2.1实时数据库是MCGS系统的核心 (3)1.2.3设备窗口是MCGS系统与外部设备联系的媒介 (4)1.2.4用户窗口实现了数据和流程的“可视化” (4)1.2.5运行策略是对系统运行流程实现有效控制的手段 (4)第2章装配流水线系统制作 (6)3.1工程分析 (6)3.2建立工程 (7)3.3 制作工程画面 (7)3.3.1 建立画面 (7)3.3.2 编辑画面 (8)3.3.3制作文字框图 (8)3.3.4 图形的绘制 (8)3.3.5 构件的选取 (8)3.3.6整体画面 (9)3.4 定义数据对象 (9)3.5 动画连接 (10)3.5.1按钮的开停及指示灯的变化 (10)3.5.2 控制程序的编写 (11)3.5.4 利用定时器和脚本程序实现传送带的定时控制 (12)总结 (14)参考文献 (15)第1章概述1.1 什么是MCGSMCGS (Monitor and Control Generated System,通用监控系统)是一套用于快速构造和生成计算机监控系统的组态软件,它能够在基于Microsoft(各种32位Windows平台上)运行,通过对现场数据的采集处理,以动画显示、报警处理、流程控制、实时曲线、历史曲线和报表输出等多种方式向用户提供解决实际工程问题的方案,它充分利用了Windows图形功能完备、界面一致性好、易学易用的特点,比以往使用专用机开发的工业控制系统更具有通用性,在自动化领域有着更广泛的应用。
MCGS的主要特点和基本功能如下:简单灵活的可视化操作界面。
MCGS采用全中文、可视化、面向窗口的开发界面,符合中国人的使用习惯和要求,以窗口为单位,构造用户运行系统的图形界面,使得MCGS的组态工作既简单直观,又灵活多变。