桥梁墩台课程设计
- 格式:doc
- 大小:814.00 KB
- 文档页数:14
墩台基础工程课程设计一、课程目标知识目标:1. 学生能够理解墩台基础工程的基本概念,掌握其结构组成及功能作用;2. 学生能够描述不同类型墩台基础的特点,并了解其适用条件;3. 学生掌握墩台基础工程的施工工艺流程,了解影响工程质量的因素;4. 学生了解墩台基础工程的养护与维修方法,提高对工程质量的把控能力。
技能目标:1. 学生能够运用所学知识,分析实际工程案例,提出合理的墩台基础设计方案;2. 学生通过课堂讨论、实践操作等方式,提高解决墩台基础工程问题的能力;3. 学生能够运用现代信息技术,搜集相关资料,为墩台基础工程的设计和施工提供参考。
情感态度价值观目标:1. 学生培养对土木工程的热爱,增强对我国基础建设的责任感;2. 学生在学习过程中,形成严谨、务实的学习态度,提高团队合作意识;3. 学生通过了解墩台基础工程在我国基础设施建设中的应用,增强民族自豪感,培养创新精神。
本课程针对高年级学生,结合学科特点和教学要求,注重理论联系实际,提高学生的实践操作能力。
课程目标既注重知识的传授,又强调技能的培养和情感态度价值观的塑造,旨在培养学生成为具有创新精神和实践能力的高级工程技术人才。
二、教学内容1. 墩台基础工程概述- 墩台基础的定义、作用及分类- 墩台基础的结构组成及功能- 教材章节:第一章 绪论2. 墩台基础的类型与选用- 不同类型墩台基础的特点及适用条件- 墩台基础选型原则及案例分析- 教材章节:第二章 墩台基础的类型与选用3. 墩台基础工程施工工艺- 施工准备及施工工艺流程- 影响墩台基础工程质量的因素- 教材章节:第三章 墩台基础工程施工工艺4. 墩台基础工程的养护与维修- 墩台基础工程的养护方法及注意事项- 常见病害及其维修处理方法- 教材章节:第四章 墩台基础工程的养护与维修5. 墩台基础工程案例分析与讨论- 实际工程案例的解析- 学生分组讨论,提出优化设计方案- 教材章节:第五章 墩台基础工程案例分析教学内容按照教材章节顺序进行,注重理论与实践相结合。
桥墩与基础课程设计一、教学目标本节课的学习目标包括以下三个方面:1.知识目标:学生需要掌握桥墩与基础的基本概念、类型和设计原理,了解桥墩与基础在桥梁工程中的重要性。
2.技能目标:学生能够运用所学的桥墩与基础知识,分析并解决实际工程中的问题,提高工程设计能力和创新能力。
3.情感态度价值观目标:培养学生对桥梁工程的兴趣和热情,增强学生对工程责任感和使命感,培养学生的团队合作意识和沟通协调能力。
二、教学内容本节课的教学内容主要包括以下几个部分:1.桥墩与基础的基本概念:介绍桥墩与基础的定义、功能和分类,使学生了解桥墩与基础在桥梁工程中的地位。
2.桥墩与基础的类型:讲解不同类型的桥墩与基础的特点和适用范围,帮助学生掌握各种桥墩与基础的设计要求和施工方法。
3.桥墩与基础的设计原理:阐述桥墩与基础的设计原理,引导学生学会根据实际情况选择合适的桥墩与基础类型,并能够进行基本的设计计算。
4.桥墩与基础的工程应用:通过实际工程案例分析,使学生了解桥墩与基础在桥梁工程中的应用,培养学生解决实际工程问题的能力。
三、教学方法为了提高教学效果,本节课将采用以下几种教学方法:1.讲授法:教师讲解桥墩与基础的基本概念、类型和设计原理,引导学生掌握相关知识。
2.案例分析法:通过分析实际工程案例,使学生了解桥墩与基础在桥梁工程中的应用,培养学生解决实际工程问题的能力。
3.实验法:学生进行桥墩与基础的实验,使学生直观地了解桥墩与基础的构造和性能,提高学生的实践操作能力。
4.小组讨论法:引导学生分组讨论桥墩与基础的设计问题和工程应用,培养学生的团队合作意识和沟通协调能力。
四、教学资源为了支持本节课的教学,将准备以下教学资源:1.教材:选用权威、实用的桥梁工程教材,为学生提供系统、全面的学习资料。
2.参考书:推荐学生阅读相关的桥梁工程书籍,丰富学生的知识储备。
3.多媒体资料:制作课件、图片、视频等多媒体资料,直观地展示桥墩与基础的构造和工程应用。
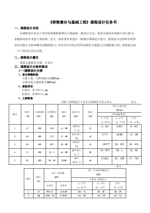
《桥梁墩台与基础工程》课程设计任务书一、课程设计目的该课程设计就是为了更好的掌握桥梁墩台与基础的一般设计方法,使其具备初步的独立设计能力;掌握如何综合考虑上部结构、水文、地质条件来进行一般墩台基础设计能力;提高综合运用所学的理论知识独立分析与解决问题的能力;培养学生在综合性与实践性方面能力,以期能独立地、系统地完成一个工程设计的全过程。
二、课程设计题目某简支梁桩柱式墩、台设计三、课程设计内容与要求(一)课程设计内容1、设计荷载标准公路Ⅰ级,人群荷载—3、5KN/m2。
公路Ⅱ级,人群荷载—3、0KN/m2。
2、桥面净空5梁式:净7+2×1、0m。
6梁式:净9+2×1、0m。
3、上部构造注:冲击系数为1+μ=1、34、水文地质资料(a) (1)土层天然容重(kN /m3)桩侧摩阻力(kPa)液性指数孔隙比中砂20、5 60粘性土19、5 65 0、4 0、8中砂厚度(m)(1) (2) (3) (4) (5) (6) 3、0 4、0 4、5 5、0 5、5 6、0(2)水文资料墩帽盖梁顶标高:246m,常水位:242、5m,河床标高:240、5m,一般冲刷线:238、5m,局部冲刷线:235、2m。
水文地质资料(b)(1)地质资料标高20、00以上桩侧土为软塑亚粘土,各物理性质指标为:容重γ =18、5kN/m3,土粒比重Gs=2、70,天然含水量w=21%,液限w L=22、7%,塑限w p=16、3%;标高20、00以下桩侧及桩底均为硬塑性亚粘土,其物理性质指标为:容重γ =19、5kN/m3,土粒比重Gs=2、70,天然含水量w=17、8%,液限w L=22、7%,塑限w p=16、3%。
(2)水文资料墩帽盖梁顶标高:127m,常水位:125m,河床标高:122、00m,一般冲刷线:120、00m,局部冲刷线:118、00m。
5、主要材料(1)盖梁与墩身均采用C30混凝土;(2)承台与桩基采用C25混凝土;(3)主筋采用335HRB级钢筋;箍筋采用235R级钢筋。
《桥梁墩台与基础》课程设计(一)(2004)一、设计资料㈠桥跨结构及桥上线路 ⒈桥梁孔跨式样:某桥拟布置为6孔16米或4孔24米或3孔32米预应力钢筋混凝土桥,梁上设双侧人行道,轨底标高1274.1,三种桥式的桥台均采用为T 型桥台,左台长(0#台)8.05米,右台长6.18米,桥墩采用重力式墩。
⒉桥上线路:为Ⅱ级铁路线,直线、单线、平坡,㈡ 水文及地质资料和沟床冲刷均不控制。
2#⒉ 土工试验资料桥址沟床覆盖层为Q3资料如下:天然含水量 11.5%天然容重γ 比重 天然空隙比 0.7液限W l 22.3%塑限Wp 11.2%塑性指数Ip 11.1%液性指数I l 0.03% 桥址地区地震烈度为6度㈢ 气象资料⒈ 桥址地区历年平均最高气温为+⒉ 桥址平均最大冻结深度为1.5⒊ 风力:有车时,风荷强度二、设计要求㈠ 对2#墩及其基础(桩基)进行设计计算㈡ 绘制2#墩及其基础的施工图。
三、设计依据中华人民共和国铁道部部颁《铁路桥涵设计规范》(TBJ 2-96)。
四、参考资料【1】中华人民共和国铁道部部颁《铁路桥涵设计规范》(TBJ 2-96)。
【2】《桥梁墩台与基础》李俭主编,石家庄铁道学院【3】《结构设计原理》高等学校试用教材,黄棠,周其刚主编,中国铁道出版社,【4】《桥梁墩台与基础》铁路工程设计技术手册,铁道部第四设计院主编。
中国铁道出版社,【5】《桥梁设计通用资料》铁道部第三设计院主编。
中国铁道出版社,指导教师:张玉娥(tel :7935031) 2005.2《桥梁墩台与基础》课程设计(二)一、设计资料㈠桥跨结构及桥上线路 ⒈桥梁孔跨式样:某桥拟布置为6孔16米或4孔24米或3孔32米预应力钢筋混凝土桥,梁上设双侧人行道,轨底标高1274.1,三种桥式的桥台均采用为T 型桥台,左台长(0#台)8.05米,右台长6.18米,桥墩采用重力式墩。
⒉桥上线路:为Ⅱ级铁路线,单线、平坡,曲线半径R=800米,缓和曲线长80米,圆缓点里程为K0+040,缓直点里程K0+120。
墩台盖梁课程设计一、课程目标知识目标:1. 学生能够理解墩台盖梁的基本概念,掌握其结构特点和功能作用。
2. 学生能够掌握墩台盖梁的施工工艺和流程,了解相关的工程技术标准。
3. 学生能够了解墩台盖梁在桥梁工程中的重要性,认识到其在整个桥梁结构中的地位。
技能目标:1. 学生能够运用所学知识,分析桥梁墩台盖梁的受力情况,并进行简单的受力计算。
2. 学生能够通过实际操作,掌握墩台盖梁施工的基本技能,提高实际操作能力。
3. 学生能够运用现代信息技术,收集、整理和分析有关墩台盖梁的资料,提高信息处理能力。
情感态度价值观目标:1. 学生通过学习,培养对桥梁工程的兴趣,激发对工程技术的热爱。
2. 学生能够树立正确的工程观念,认识到工程质量对国家和人民生命财产安全的重要性。
3. 学生在团队协作中,培养沟通、协作能力和集体荣誉感,形成积极向上的学习态度。
本课程针对初中年级学生,结合桥梁工程的实际案例,注重理论联系实际,提高学生的知识水平和实践能力。
课程性质为工程技术类课程,要求学生在掌握基本知识的基础上,注重技能培养和情感态度价值观的塑造。
通过本课程的学习,使学生能够更好地了解桥梁工程,为今后的学习和工作打下坚实基础。
二、教学内容1. 墩台盖梁基本概念:介绍墩台盖梁的定义、分类及其在桥梁结构中的作用。
教材章节:第一章 桥梁工程概述2. 墩台盖梁结构特点与功能:分析墩台盖梁的结构形式、受力特点及其功能。
教材章节:第二章 桥梁结构组成与分类3. 墩台盖梁施工工艺与流程:讲解墩台盖梁施工的基本工艺、流程及注意事项。
教材章节:第三章 桥梁施工技术4. 墩台盖梁工程技术标准:介绍墩台盖梁施工中应遵循的工程技术标准及规范。
教材章节:第四章 桥梁施工质量与安全5. 墩台盖梁受力分析与计算:教授学生如何分析墩台盖梁的受力情况,并进行简单的受力计算。
教材章节:第五章 桥梁结构计算6. 桥梁墩台盖梁实际操作:组织学生进行墩台盖梁模型制作,提高实际操作能力。
墩台基础课程设计任务书一、教学目标本课程的教学目标是让学生掌握墩台基础的相关知识,包括墩台的定义、分类、受力特点等;培养学生能够运用所学知识分析、解决实际问题的能力;提高学生对墩台基础工程的安全性、稳定性和耐久性的认识。
具体来说,知识目标包括:1.掌握墩台的定义和分类;2.理解墩台的基础受力特点;3.了解墩台基础工程的设计和施工要求。
技能目标包括:1.能够运用所学知识分析墩台基础工程的实际情况;2.能够运用基本原理进行简单的墩台基础工程设计计算;3.能够评估墩台基础工程的安全性和稳定性。
情感态度价值观目标包括:1.培养学生对墩台基础工程的安全性和耐久性的重视;2.培养学生对工程问题的严谨态度和解决问题的能力;3.培养学生对工程实践的兴趣和积极性。
二、教学内容本课程的教学内容主要包括墩台基础的基本概念、受力特点、设计原理和施工要求。
具体教学大纲如下:1.墩台基础的基本概念:介绍墩台的定义、分类及其在工程中的应用;2.墩台基础的受力特点:分析墩台在各种荷载作用下的受力状况;3.墩台基础的设计原理:讲解墩台基础的设计方法、计算原理及注意事项;4.墩台基础的施工要求:介绍墩台基础的施工工艺、质量控制及验收标准。
三、教学方法为了提高教学效果,本课程将采用多种教学方法相结合的方式进行教学。
具体方法如下:1.讲授法:通过讲解墩台基础的基本概念、受力特点、设计原理和施工要求,使学生掌握相关知识;2.案例分析法:分析实际工程案例,使学生更好地理解墩台基础的设计和施工过程;3.实验法:学生进行墩台基础的实验,培养学生的实践操作能力和解决问题的能力;4.讨论法:学生进行分组讨论,激发学生的学习兴趣和主动性。
四、教学资源为了支持教学内容和教学方法的实施,丰富学生的学习体验,我们将准备以下教学资源:1.教材:选用权威、实用的墩台基础教材作为主要教学资源;2.参考书:提供相关的参考书籍,以便学生课后深入学习;3.多媒体资料:制作精美的课件、教学视频等,以直观展示墩台基础的相关知识;4.实验设备:准备必要的实验设备,为学生提供实践操作的机会。
《桥梁墩台与基础工程》课程设计任务书一、课程设计目的该课程设计是为了更好的掌握桥梁墩台与基础的一般设计方法,使其具备初步的独立设计能力;掌握如何综合考虑上部结构、水文、地质条件来进行一般墩台基础设计能力;提高综合运用所学的理论知识独立分析和解决问题的能力;培养学生在综合性和实践性方面能力,以期能独立地、系统地完成一个工程设计的全过程.二、课程设计题目某简支梁桩柱式墩、台设计三、课程设计内容和要求(一)课程设计内容1、设计荷载标准公路Ⅰ级,人群荷载—3.5KN/m2。
公路Ⅱ级,人群荷载-3.0KN/m2。
2、桥面净空5梁式:净7+2×1.0m。
6梁式:净9+2×1.0m.3、上部构造3 20 1917。
26 2285.54 193.38 193.86 184.144 25 2764.57 3328。
92 299.21 250.85 282.175 30 3842.49 4673.34 404.79 348.12 415.43注:冲击系数为1+μ=1.34、水文地质资料(a)(1)地质资料表3土层天然容重(kN /m3)桩侧摩阻力(kPa)液性指数孔隙比中砂20。
5 60粘性土19。
5 65 0.4 0。
8 中砂厚度如下:表4中砂厚度(m) (1)(2) (3)(4) (5) (6)3.0 4。
0 4。
5 5.0 5。
5 6.0(2)水文资料墩帽盖梁顶标高:246m,常水位:242。
5m,河床标高:240.5m,一般冲刷线:238.5m,局部冲刷线:235。
2m。
水文地质资料(b)(1)地质资料标高20。
00以上桩侧土为软塑亚粘土,各物理性质指标为:容重γ =18.5kN/m3,土粒比重Gs=2.70,天然含水量w=21%,液限w L=22.7%,塑限w p=16.3%;标高20.00以下桩侧及桩底均为硬塑性亚粘土,其物理性质指标为:容重γ =19。
5kN/m3,土粒比重Gs=2.70,天然含水量w=17。
墩台与基础课程设计一、课程目标知识目标:1. 学生能够理解墩台与基础的工程概念,掌握其结构组成和功能作用;2. 学生能够描述不同类型的墩台与基础结构,了解其适用范围;3. 学生能够掌握墩台与基础施工的基本工艺流程和关键参数。
技能目标:1. 学生能够运用所学知识,分析实际工程中墩台与基础的设计和施工问题;2. 学生能够通过实际操作,掌握墩台与基础工程的测量、计算和绘图技能;3. 学生能够运用专业软件或工具,进行墩台与基础工程的模拟分析和优化设计。
情感态度价值观目标:1. 培养学生对土木工程专业的热爱,激发学习兴趣;2. 培养学生严谨的科学态度,注重实践与理论相结合;3. 培养学生的团队合作精神,学会在工程实践中相互协作、共同解决问题。
课程性质:本课程为土木工程专业核心课程,旨在让学生深入了解墩台与基础的工程知识,提高实际工程设计和施工能力。
学生特点:学生具备一定的土木工程专业基础知识,具有较强的学习能力和实践操作能力。
教学要求:结合实际工程案例,采用理论教学与实践操作相结合的方式,注重培养学生的实际操作能力和工程素养。
通过本课程的学习,使学生能够达到上述课程目标,为今后从事土木工程设计与施工工作打下坚实基础。
二、教学内容1. 墩台与基础概述- 墩台与基础的定义、分类及功能- 墩台与基础的工程应用及发展2. 墩台结构设计- 墩台结构类型及受力特点- 墩台结构设计原则及计算方法- 墩台结构施工技术及质量控制3. 基础工程设计- 基础工程类型及适用条件- 基础工程设计原理及计算方法- 基础工程施工技术及质量控制4. 墩台与基础施工工艺- 施工工艺流程及关键工序- 施工测量、计算与绘图方法- 施工新技术、新材料和新工艺的应用5. 墩台与基础工程实例分析- 实际工程案例介绍与分析- 墩台与基础工程设计及施工问题解答- 工程经验总结与启示教学内容安排与进度:第一周:墩台与基础概述第二周:墩台结构设计第三周:基础工程设计第四周:墩台与基础施工工艺第五周:墩台与基础工程实例分析本教学内容根据课程目标,系统性地选择了与墩台与基础相关的理论知识、设计方法和施工技术,结合实际工程案例,使学生全面掌握墩台与基础工程的相关知识。
桥梁墩台与基础工程教学设计概述桥梁是现代交通设施中非常重要的一部分,桥梁的墩台与基础工程是桥梁的基础支撑,对桥梁的安全、牢固稳定性有着至关重要的作用。
因此,桥梁墩台与基础工程教学是结合土木工程领域理论知识和实际工程应用技能的重要教学内容。
教学目标本教学设计的目标是帮助学生了解桥梁墩台与基础工程的重要性、基本结构、施工流程和设计要点。
让学生熟悉工程建设规范、学会运用土木工程领域常用的计算方法,具备一定的桥梁墩台与基础工程设计能力和实际操作技能。
课程内容课时安排本教学设计共包含15个课时,其中包括7个理论课时和8个实践课时。
课时内容1-2 桥梁墩台与基础工程概述3-4 桥墩基础设计与施工5-6 墩台结构及其设计要点课时内容7-8 墩台施工技术与安全注意事项9-10 土壤力学与力学计算方法11-12 墩台基础结构与设计13-15 墩台基础施工实践与现场管理技能理论课时内容1-2课时:桥梁墩台与基础工程概述•桥梁墩台及其与桥梁结构的关系•墩台类型及其分类•墩台施工中需要考虑的主要因素•基础工程的基本要求3-4课时:桥墩基础设计与施工•桥墩基础设计的总体考虑•安全和稳定性的处理•常用基础类型及其特点•基础施工工艺方法####5-6课时:墩台结构及其设计要点•常见墩台结构形式及其特点•墩台结构设计考虑因素•墩台结构设计常用方法和举例7-8课时:墩台施工技术与安全注意事项•墩台施工管理要点•墩台施工中的安全问题•墩台施工中可能遇到的问题及其处理方法9-10课时:土壤力学与力学计算方法•土壤基本性质与分类•土壤的荷载和应力特性•土壤力学的基础知识•土壤的力学参数测定方法11-12课时:墩台基础结构与设计•墩台基础分类及其组成形式•基础结构设计基本公式•墩台基础设计方法举例及思考问题实践课时内容13-14课时:墩台基础施工实践实践环节安排如下:•参观施工现场并考察施工现场安全•熟悉墩台基础施工流程及工艺要点•亲手体验墩台基础施工现场工作15课时:现场管理技能•现场管理常用技巧•合理布置机械及人员•施工现场安全管理教学评估方法本教学设计的评估方法主要分为两个方面:1.理论知识考试。
`《墩台基础工程》课程设计专业交通工程班级学号 1804100306姓名蔡伟指导教师董金梅目录一基本资料 (3)二初步拟定基桩的桩长、桩径 (4)三桩基位移及内力计算 (6)四桩基配筋计算 (11)五参考文献 (12)六课设心得 (13)一.基本资料1.工程简介1)建桥地点:江阴市某大桥2)上部结构型式:变截面连续箱梁双幅桥(主跨)3)荷载标准:公路—I级4)桥面布置及净宽:双幅并立,中央空间9m,单幅横向布置为栏杆0.35m、非机动车道5m、隔离栅0.4m、车行道12.25m及防撞护栏0.5m,总计18.5m,总宽46m5)通航等级:三级航道,净70 7m6)主跨跨径:49+82+497)水位标高:最高通航水位为2.98m8)地质资料:见附图9)承台构造,尺寸:见附图10)桩的型式:钻孔灌注桩(C25混凝土)11)承台为混凝土等级C3012)设计控制荷载15#墩右幅承台地面控制中心处设计控制荷载为N=60000kN(↓)、H=600kN(→)、M=6204kN·m(↖)。
2.桩基础的选择本桥桩基础选择低桩承台,其基础全部埋入土中(桩的自由长度为零),而且承台也埋入土中一定深度(2.5m),所以在计算其承受水平力的土抗力时,还要考虑承台侧面土抗力参加工作。
其桩身内力和位移量都较小,稳定性较好。
相应的施工方法采用钻孔灌注桩施工,钻孔灌注桩施工是采用机械成孔的施工方法,具有造价低、无造影、无冲击、无振动、无污染等优点,已被我国桥梁工程施工广泛采用。
3.施工方法简介(1)埋设护管。
(2)泥浆制备。
(3)钻孔。
使用冲抓钻孔法。
(4)清孔。
(5)钢筋骨架组装和吊安。
(6)灌注水下混凝土。
二.初步拟定基桩的桩长、桩径(竖向承载力的确定,要求考虑自重)承台厚度,及桩身埋深见下图。
1.拟定基桩的桩长、桩径初步拟定基桩桩径为d=1.8m ,承台高度为2.5m ,桩长为h=48m,基桩为弹性桩。
2.竖向承载力的确定 [])(21R p A Ul P στ+=其中m d U 97.5)1.06.1(=+=⋅=ππ(冲抓钻钻头直径增大10-20cm ) m l 48=∑==⨯+⨯+⨯+⨯+⨯+⨯==n i i i p kPal l 156.66)825.57018765.11625.8201.4364.0(4811ττ 2284.2)2(m dA =⋅=π[]{})3(22200-+=h k m R γσλσ4.03.0≤=dt,查表0m 为0.7 257.268.148≥==d l ,故λ取0.72(appendix:亚粘土为非透水性土)[]k P a3000=σ 2k 查表得2.5 2γ加权平均数[]32/47.195.505.20187.1950.1173.195.860.191.470.174.05.18481m KN =⨯+⨯+⨯+⨯+⨯+⨯=γm m h 4048≥=按m 40算[]kPa R 47.2131)340(55.195.230072.07.02=-⨯⨯+⨯⨯⨯=σ得[]kN P 06.9950)47.213177.184.664803.5(21=⨯+⨯⨯=桩的根数估算可用公式[]P Nn μ=, μ取1.2 815.706.9950600002.1≈=⨯=n (根)设两排,每排4根 桩布局如下图三.桩基位移及内力计算1.桩的各计算参数确定桩的计算长度:d K ⋅⋅⋅=01K K b φ 查表φK 为0.9 K 0=1+d1 K d b ⨯+⨯=)1(9.0194.08.2346.045.0145.06.0'1'1=⨯⨯-+=⋅-+=h L b b K得 2.12m 0.942.80.9b 1=⨯⨯=m d h m 6.5)18.1(2)1(2=+⨯=+=,在h m 深度内有三种土层:m h m h m h 1.1,1.4,4.0321===。
双跨式桥梁墩台课程设计一、教学目标本课程的教学目标是使学生掌握桥梁墩台的基本概念、结构形式、受力特点和设计方法。
通过本课程的学习,学生应能理解桥梁墩台在桥梁工程中的重要性,并能运用所学知识进行简单的桥梁墩台设计。
具体目标如下:1.知识目标:–掌握桥梁墩台的基本概念和分类。
–理解桥梁墩台的结构形式和受力特点。
–熟悉桥梁墩台的设计方法和步骤。
2.技能目标:–能够运用所学知识进行桥梁墩台的计算和设计。
–能够分析桥梁墩台的受力情况和稳定性。
–能够运用计算机软件进行桥梁墩台的辅助设计。
3.情感态度价值观目标:–培养学生的工程意识和创新精神。
–培养学生的团队合作能力和沟通表达能力。
–培养学生的环保意识和可持续发展观念。
二、教学内容本课程的教学内容主要包括桥梁墩台的基本概念、结构形式、受力特点和设计方法。
具体内容包括以下几个方面:1.桥梁墩台的基本概念:介绍桥梁墩台的定义、功能和重要性。
2.桥梁墩台的结构形式:介绍桥梁墩台的各种结构形式及其特点。
3.桥梁墩台的受力特点:分析桥梁墩台的受力情况和稳定性。
4.桥梁墩台的设计方法:介绍桥梁墩台的设计方法和步骤。
三、教学方法为了实现本课程的教学目标,将采用多种教学方法相结合的方式进行教学。
具体包括以下几种方法:1.讲授法:通过教师的讲解,使学生掌握桥梁墩台的基本概念、结构形式和设计方法。
2.案例分析法:通过分析实际案例,使学生了解桥梁墩台的受力特点和设计方法。
3.实验法:通过实验操作,使学生掌握桥梁墩台的受力情况和稳定性。
4.讨论法:通过小组讨论,培养学生的团队合作能力和创新精神。
四、教学资源为了支持本课程的教学内容和教学方法的实施,将选择和准备以下教学资源:1.教材:选用权威、实用的桥梁工程教材作为主要教学资源。
2.参考书:提供相关的桥梁工程参考书籍,供学生自主学习。
3.多媒体资料:制作课件、动画等多媒体资料,帮助学生形象直观地理解桥梁墩台的结构和设计。
4.实验设备:准备桥梁墩台的实验设备,进行实体操作和观察。
《桥梁基础工程》课程设计说明书目录前言课程设计是土木工程专业本科大学生培养方案中的综合性实践性教学环节,也是大学生综合素质和毕业后实际工作能力,适应社会能力中的最大环节。
因此它对扩大我们的专业知识也是极其重要。
课程设计集理论与实践一体,通过一个整体的课程设计,对于相关设计规范,手册,标准图以及工程实践中常用的方法有较系统地认识了解。
因此,充分重视课程设计环节对提高大学生的综合能力有十分重要的意义。
作为道路桥梁专业的大学生,未来社会主义建设事业的精英,肩负着时代艰巨使命,更应该努力学习好自己的专业课,扎实基础,培养专业技能。
当然,理论基础是必要的,但光有书本知识显然不够,我们需通过实践加强动手能力,理论联系实践,学得真本事才是根本。
是最基础也是非常重要的的一部分。
《桥梁基础工程》是土木工程道桥专业的专业基础课,在土木工程学科的知识体系中占据了重要地位。
《桥梁基础工程》课程的特点是综合性强、设涉及面广,所有对桥梁结构设计计算有关的的课程内容,在该课程中都会有所体现和应用。
教学内容和课程体系改革是在上述背景条件下展开的,其主要目标是在学时有限的条件下,使学生能够对课程的知识体系有较为系统和整体的把握,重点掌握其基本理论和基本方法,并具有一定的工程概念和知识。
桥梁基础工程课程设计是该课程学习的一个实践环节。
是对该课程进行综合性学习和训练,使同学们更好的掌握该课程知识为今后的毕业设计打下坚实的基础,对以后的工作也有着重要的意义。
课程设计的目的是为加强对桥梁基础设计知识的进一步巩固,了解桥梁基础设计的主要过程,培养正确熟练地运用结构设计规范手册,各种标准图籍及参考书的能力。
通过设计训练,初步建立设计与施工的全面协调统一思想。
1 基本设计资料某桥一近岸桥墩为圆端形,基础顶设计标高为-0.30m,拟采用钢筋混凝土沉井基础。
以桥址处河床为相对标高零点,即河床标高为0.00m,则河流洪水位1.90m,最低水位0.40m,施工时的水位1.40m,河床一般冲刷线标高为-1.0m,局部冲刷线标高-4.0m。
基本设计数据:双孔上部结构重力与汽车荷载总竖向作用值为9677kN,水平力为H=130kN,两者在桥墩底产生的总弯矩为1750kN·m,墩身自重为2650kN,墩身底尺寸为4.0m ×7.2m。
墩址处各土层资料见表1。
表1 各土层主要参数表土层代号土名层厚(m)容重γkN/m3内摩擦角Φ(°)土与井壁的摩阻力τ(kPa)地基系数kN/m4[σ0](kPa)Ⅰ粉砂 4.0 19.0 26.0 11.0 8×103165 Ⅱ粘砂土10.00 20.0 26.0 15.0 20×103290Ⅲ密实砂夹卵石—21.0 35.0 18.080(50)×103400沉井材料采用钢筋混凝土,除底节与顶盖板混凝土等级为C20(容重为24kN/m3)外,其余均采用C15(容重为22kN/m3)。
沉井沉至设计标高后,以水下混凝土封底。
井孔填以砂石,顶盖为厚1.5m的钢筋混凝土板。
具体尺寸见图1。
图1 沉井竖向标高与地质资料图2 沉井尺寸拟定拟定用钢板桩围堰修筑人工砂岛,在岛上预制沉井不排水施工,砂岛用中砂填筑。
基础底面标高,根据地质条件,持力层,取密实砂夹卵石层面下0.5m ,标高-14.5m 。
沉井高度m 4.14m 5.14m 1.0H =+-=,入土深度m 5.14h =。
沉井襟边取0.5m ,故沉井平面尺寸为m 2.8m 0.5⨯。
沉井分三节接长,第一节、第二节为5m ,第三节为4.4m 。
沉井细部尺寸见图2。
图2 沉井细部尺寸(cm )3 沉井作为整体刚性深基础的验算沉井入土深度超过5.0m ,考虑土的水平抗力作用,按 2.5h α≤的刚性深基础验算低级强度和稳定性。
水平力作用高度为m 46.13kN130mkN 1750HMm /=⋅==λ∑M 值计算:局部冲刷线以下有2层土,则: 23232m22122114115.0)5.0102(1080101020h h )h h 2(m h m )m kN /(m ⨯+⨯⨯⨯+⨯⨯=++=⋅-23306=3401080)m kN /(m ⨯=⋅-291.010*******m m 30=⨯==β2.34652.86bh m /W 2230=⨯==计算宽度:2.912.81b m /b 1=+=+=23.746)5.1446.133(291.022.345185.142.9291.0)h 3(2dW 18h b A 3031=-⨯⨯⨯⨯⨯+⨯⨯=-λβ+β=61009.35.142330623.7461306Amh H 6⨯=⨯⨯⨯==ω)()(5.1446.1335.142.9291.022.34565.1446.1345.142.9291.0)h 3(h b 2dW 6)h 4(h b m /Z 210210-⨯⨯⨯⨯⨯⨯⨯+-⨯⨯⨯⨯=-λβ+-λβ= 48.28=局部冲刷线以下深度Z 处基础截面上的弯矩和基础水平侧压应力计算 )Z Z 2(hA2Z Hb )Z h (H M 031Z --+-λ=)Z Z (Z AhH 60ZX -=σ(详细计算见表2)刚性桩要依据弯矩配筋,而对沉井可不算弯矩。
表2 沉井作为刚性深基础计算表弯矩水平侧向力mZmZ h +-λ)1()Z h (H +-λZZ 20- hA2Z Hb 31)2()Z Z 2(hA 2Z Hb 031-⨯mkN )2()1(⋅-)1(Z Ah H 6⋅)2(Z Z 0-kN)2()1(⨯0 -1.04-135.256.960.00 0.00 -135.20 0.00 28.48 0.00 1 -0.04 -5.20 55.96 0.06 3.08 -8.28 0.07 27.48 1.98 2 0.96 124.80 54.96 0.44 24.18 100.62 0.14 26.48 3.82 3 1.96 254.80 53.96 1.49 80.13 174.67 0.22 25.48 5.51 4 2.96 384.80 52.96 3.52 186.42 198.38 0.29 24.48 7.06 5 3.96 514.80 51.96 6.88 357.23 157.58 0.36 23.48 8.46 6 4.96 644.80 50.96 11.88 605.40 39.40 0.43 22.489.727 5.96 774.80 49.96 18.87 942.50 -167.70 0.50 21.48 10.84 8 6.96 904.8048.96 28.16 1378.71 -473.91 0.58 20.48 11.81 9 7.961034.80 47.96 40.10 1922.96 -888.16 0.65 19.48 12.64 10 8.961164.80 46.96 55.00 2582.80 -1418.00 0.72 18.48 13.32 119.961294.845.9673.213364.50-2069.700.79 17.48 13.8612 10.961424.80 44.96 95.04 4273.00 -2848.20 0.87 16.48 14.26 13 11.961554.80 43.96 120.84 5311.91 -3757.11 0.94 15.48 14.51 14 12.961684.80 42.96 150.92 6483.52 -4798.72 1.01 14.48 14.62 14.513.461749.80 42.46 167.677119.45-5369.651.05 13.98 14.623.1 水平压应力验算验算m 53/h =,m 5.14h =处213/h )C tan h 3(cos 4ηη+ϕγϕ≤σ式中ϕ-土的内摩擦角;γ-透水性土,按63.945.2105.19m kN /3=⨯+⨯=⋅γ)(浸(计算h 处时取3m N k 10⋅=γ浸) C -粘聚力,砂C=0; 1η-静定结构0.11=η;2η-等跨中墩基础,恒载弯矩0M g =,12=η。
46.8)m kN /(03.101)26tan 5.14363.9(26cos 423/h =⋅σ>=⨯⨯- 62.1478.495)C tan h (35cos 4)m kN /(212h >=ηη+ϕγ≤⋅σ-满足要求。
3.2 基础底面竖向压应力验算沉井自重(包括贫混凝土填心,并扣除低水位浮力)W=6745KN ;作用基底∑=++=19072674526509677kN /N ; 沉井底面积4152.8m /A 20=⨯=; 密实砂夹卵石持力层允许承载力为 [][])3h (k )2b (k 22110-γ+-γ+σ=σ 其中[]20m /kN 400=σ 31m /kN 11=γ;28.75.145.0111010)m kN /(32=⨯+⨯=⋅γ-m 5b = m 5.14h = 0.4k 1= 0.6k 2= []32.1034)35.14(28.76)25(114400)m kN /(3=-⨯⨯+-⨯⨯+=⋅σ-291.023.746130534119072A dH 3A N)m kN /(02max min ⨯⨯⨯±=β±=⋅σ∑- []σ<=±=15.47419.45698.817.465 验算通过。
4 沉井施工过程中各种验算4.1 沉井顺利下沉自重验算T P >井壁混凝土,底节C20,3m /kN 24=γ,其余C15,2m /kN 22=γ; kN 6745W P ==;P kN 4942134.142)2.85(f h T k <=⨯⨯⨯+=μ=;4.2 第一节沉井验算由于不排水施工,在下沉时可能发生的最不利情况为(1) 在长边中间搁住,危险断面为隔墙外边缘1-1处(如图2),井壁在1-1断面处截面形心位置。
18.25.16.05.059.0)5.1324.4(5.05.16.05.259.0m /Y =⨯⨯-⨯⨯+⨯⨯⨯-⨯⨯=上82.218.25m /Y =-=下惯性矩23334)35.182.2(5.16.0215.16.0361)18.25.2(59.059.0121m /I -⨯⨯⨯-⨯⨯--⨯⨯+⨯⨯=36.7=37.318.236.7Y /I m /W ===上 计算得?Q 1=,?Q 2=,作用点距1-1面分别为3.20m 与1.375m ,效应分项系数取1.2 ?)m kN /(M d =⋅ 依据以上计算结果进行验算,根据混凝土自身承载能力,确定是否配置第一节沉井上缘水平钢筋或仅从构造配筋(具体验算略)。