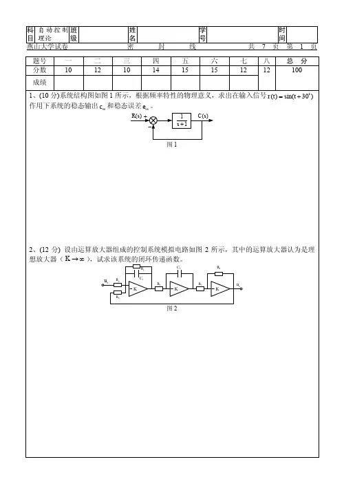
2016年燕山大学805电路原理考研真题研究生入学考试试卷
- 格式:pdf
- 大小:689.92 KB
- 文档页数:2
1.3 习题1.3.1 计算题图1.3.1所示电路中各元件上的电流、电压和功率。
10A10A)(a )(b题图1.3.11.3.2 题图1.3.2所示电路中,F C H L R 001.0,2.0,5.0==W =,,2A e i t s -=0)0(=-c u 。
求0>t 时R u 、L u 、C u 。
u u C u Si题图1.3.21.3.3 题图1.3.3所示二端口网络N 中只含有一个电阻和一个电感,其端钮间电压u和电流i 的波形如图中所示。
(1)确定R 与L 是如何联接的?(2)求R 、L 的值。
+-u 19-u )ms 10mAi )ms题图1.3.31.3.4 题图1.3.4所示电路中,已知A I 41=,求电流5432I I I I 、、、。
V3+V题图1.3.41.3.5 求题图1.3.5所示电路中两个受控源各自吸收的功率。
V题图1.3.51.3.6 求题图1.3.6所是电路中电压源的输出功率。
W41.3.7 题图1.3.7所示电路中,已知A I 4.1=,求电压控制电流源发出的功率。
W2题图1.3.71.3.8 题图1.3.8所示电路中,V U 11=,求电阻R 值。
V5.19+-R题图1.3.81.3.9 图1.3.9所示电路中,A 点处不联接,试求电流表的读数。
图1.2.91.3.10 求图1.3.10所示电路中的电压ab U 和电流1I 与2I 。
2V 2图1.3.102.3 习题2.3.1 求图2.3.1所示电阻电路的等效电阻ab R 。
WWb a)(a )(b )(c图2.3.12.3.2 求图2.3.2所示电阻电路的等效电阻ab R。
baWb a R)(a )(bba )(c图2.3.22.3.3 求图2.3.3所示电阻电路的等效电阻ab R 。
已知W =1R 。
ab)(a)(b图2.3.32.3.4 求图2.3.4所示电阻电路的等效电阻abR。
已知W=W=3,421RR。
练习题一参考答案1.降压变压器高压侧的主分接头电压为220kv ,若选择+2×2.5%的分接头,则该分接头电压为 231KV 。
2.电力系统中性点有效接地方式指的是 中性点直接接地 。
3.输电线路的电气参数包括电抗、电导、电纳和 电阻 。
4.输电线路的电压偏移是指线路始端或末端母线的实际运行电压与线路 额定电压 的数值差。
5.电力系统的潮流分布一般是用各节点的电压和 功率 表示。
6.调整发电机组输出的有功功率用来调整电力系统运行的 频率 。
7.复合故障一般是指某一时刻在电力系统 二个及以上地方 发生故障。
8.用对称分量法计算不对称故障,当三相阻抗完全对称时,则其序阻抗矩阵Zsc 的非对角元素为 零 。
9.系统中发生单相接地短路时故障点短路电流的大小是零序电流的 3 倍。
10.减小输出电元件的电抗将 提高(改善) 系统的静态稳定性。
11.同步发电机的转速和系统频率之间是否有严格的关系( ② )①否 ②是 ③不一定 ④根据发电机的形式定 12.三绕组变压器的结构、通常将高压绕组放在( ③ )①内层 ②中间层 ③外层 ④独立设置 13.中性点以消弧线圈接地的电力系统,通常采用的补偿方式是( ③ )①全补偿 ②欠补偿 ③过补偿 ④有时全补偿,有时欠补偿 14.三相导线的几何均距越大,则导线的电抗( ② )①越大 ②越小 ③不变 ④无法确定 15.变压器的电导参数G T ,主要决定于哪一个实验数据( ① )①△P O ②△P K ③U K % ④I O %16.当功率的有名值为s =P +jQ 时(功率因数角为ϕ)取基准功率为S n ,则有功功率的标么值为( ③ )①ϕcos S P n ⋅ ②ϕsin S P n ⋅ ③n S P ④nS cos P ϕ⋅ 17.环网中功率的自然分布是( ④ )①与电阻成正比分布 ②与电抗成正比分布 ③与阻抗成正比分布 ④与阻抗成反比分布 18.电力系统中PQ 节点的数量( ② )①全都是 ②大量的 ③少量的 ④必有且一般只设一个 20.在同一时间内,电力网的电能损耗与供电量之比的百分值称为( ② )①负载率 ②网损率 ③供电率 ④厂用电率21.电力系统的频率主要决定于( ① )①有功功率的平衡 ②无功功率的平衡 ③电压质量 ④电流的大小 22.关于顺调压电压调整方式的描述,错误的是( ② )①高峰负荷时允许中枢点电压略低 ②低谷负荷时允许中枢点电压略低 ③适用于用户对电压要求不高的场合 ④适用于供电线路不长的场合23.通过改变变压器变比,实质上( ③ )①改变了电压损耗的数值 ②改变了负荷变化时次级电压的变化幅度 ③改变了电力网的无功功率分布 ④增加了整个电力系统的无功功率容量 24.三相短路时,非周期分量极小值,只能是在某种情况(① )①一相中出现 ②同时在两相中出现③三相均不出现 ④只有故障相出现其它相不出现 25.同步机的各种电抗间关系为(③ )①'x "x x x d d q d >>> ②"x 'x x x d d d q >>> ③ "x 'x x x d d q d >>> ④"x x 'x x d q d d >>> 26.若ac 两相发生短路,则基准相选择为( ② )①a 相 ②b 相 ③c 相 ④a 相和c27.下网K 点发生两相短路接地,其复合序网为图所示( ③ )(其中,1,2,0分别为正序、负序、零序阻抗)28.越靠近电源点负序电压越( ① )①低 ②高 ③不变 ④无法确定 29.作为判据0d dP E >δ主要应用于分析简单系统的( ③ )①暂态稳定 ②故障计算 ③静态稳定 ④调压计算30.分析简单系统的暂态稳定性可以应用( ② )①等耗量微增率准则 ②等面积定则 ③小干扰法 ④对称分量法 31.电力变压器的主要作用是什么?答:电力变压器的主要作用是升高或降低电压,另外还起到将不同电压等级电网相联系的作用。
考研电路原题真题及答案Introduction:In this article, we will provide you with a collection of original circuit test questions from the postgraduate entrance exam, as well as detailed answers. These questions serve as great resources for those preparing for the exam, as they allow you to gauge your understanding and practice solving problems.1. Question 1:Question:A 10μF capacitor is connected in parallel with a 100Ω resistor. The sinusoidal voltage source has an amplitude of 10V and frequency of 1kHz. Calculate the maximum current through the resistor.Answer:In a parallel circuit, the voltage is the same across all elements. Therefore, the voltage across the resistor is 10V. Using Ohm's Law (V = IR), where V is voltage, I is current, and R is resistance, we can find the maximum current through the resistor.I = V/RI = 10V/100ΩI = 0.1AHence, the maximum current through the resistor is 0.1A.2. Question 2:Question:A circuit consists of a 12V battery, a 3Ω resistor, and an unknown resistor R. If the current through the 3Ω resistor is 4A, calculate the resistance of R.Answer:To determine the resistance of R, we can use Ohm's Law again. The voltage across the 3Ω resistor is given as 12V, and the current through it is 4A.V = IR12V = 4A * 3Ω12V = 12VSince the voltage across the resistor R is the same as the battery voltage, we can conclude that the resistance of R is infinite (open circuit).3. Question 3:Question:In an AC circuit, the voltage and current are given by the following equations:v(t) = 5sin(1000t)i(t) = 3cos(1000t + π/3)Determine the instantaneous power dissipated in the circuit.Answer:The instantaneous power dissipated in the circuit can be calculated using the formula P(t) = v(t) * i(t), where P(t) is the power at time t.Using the given equations, we substitute the voltage and current:P(t) = (5sin(1000t)) * (3cos(1000t + π/3))To simplify this expression, we use the trigonometric identity sin(a)cos(b) = (1/2) * (sin(a+b) + sin(a-b)):P(t) = (5/2) * [sin(2 * 1000t + π/3) + sin(-π/3)]Since sin(-θ) = -sin(θ), we c an further simplify:P(t) = (5/2) * sin(2 * 1000t + π/3) - (5/2) * sin(π/3)Hence, the instantaneous power dissipated in the circuit is (5/2) * sin(2 * 1000t + π/3) - (5/2) * sin(π/3).Conclusion:In this article, we have provided three original circuit test questions along with their detailed answers. These questions and solutions can serve as valuable practice materials for those preparing for the postgraduate entrance exam in circuit theory. By understanding the concepts and solving these problems, you can enhance your knowledge in the field of circuit analysis and improve your performance in the exam.。
第1页共3页
三 峡 大 学
2016年硕士研究生入学考试试题(A 卷)
科目代码: 831 科目名称: 电路
考试时间为3小时,卷面总分为150分
答案必须写在答题纸上
一、(15分)电路如图1所示,求输入电阻i R
图1
二、(15分)电路如图2所示,求输出电压o u 与输入电压i u 的关系。
图2
第 2页
三、(20分)电路如图3所示,求电流I 。
图3
四、(25分)电路如图4所示,已知开关S 原合在“1"端很久,在0t =时S 合
向“2"端,求()C i t 、()C u t ,并绘出其曲线。
图4
五、(25分)对称三相电路负载吸收的总功率 2.4kW P =,负载功率因数0.8λ=
(感性),两个功率表接线如图5所示。
(1)推导两个功率表的功率计算公式;(2)计算两只功率表的读数。
图5
第3页
六、(25分)电路如图6所示,求网络函数
21
()/()
U s U s,并求对应的冲激响应()
h t。
图6
七、(25分)电路如图7所示,二端口网络的混合参数为
162
55
21
S
55
H
⎡⎤
Ω
⎢⎥
=⎢⎥
-
⎢⎥
⎢⎥
⎣⎦
,求
负载电阻
f
R为何值时,
f
R获得最大功率?并求此最大功率。
图7。