气动真空上料机说明书
- 格式:doc
- 大小:43.00 KB
- 文档页数:4
主要产品料斗干燥机自动填料机模具控温机工业冷水机塑料混色机粉碎机自动填料机使用说明书目录一.各部份构造和名称二.规格表三.操作说明四.安装和连接五.清洁和保养六.故障和排除方法一. 各部份构造和名称1电控箱2电脑板3马达4脚轮5吸气口6滤清器护罩7滤清器8黑胶管9吸气口弯管10料斗上盖11过滤网12吸料口弯管13密封圈14排气口15四方底座16大平衡块17小平衡块18排气口19过滤网胶圈20储料桶21弹簧扣22感应开关23感应开关护罩24斜口25落料板六.故障和排除方法1.无电源显示原因:保险丝烧掉,或电脑板坏掉。
排除:更换保险丝或线路板。
2.烧保丝原因:接触器线圈短路,或电脑板有短路,300和700机可能是马达短路。
排除:确定后更换或维修其损坏零件。
排除:维修或更换马达,清理粉尘,更换负载器。
3.总是缺料报警原因:感应信号不能断开,或电脑板损坏.或小平衡块位置离感应开关太近。
排除:检查感应开关,信号线和金属接头是否短路或更换电脑板,或调整小平衡块。
4.总是满桶原因:感应信号不能闭合,或电脑板损坏。
排除:检查感应开关,信号线和金属接头是否断路或调整小平衡块。
5.总是过载原因:马达损坏,或马达粉尘过多,或负载器坏掉。
排除:维修或更换马达,清理粉尘,更换负载器。
6.吸力不足原因:过滤器或过滤网堵塞,管路漏气,真空料斗漏气。
排除:清理粉尘,查找漏气原因。
二.规格表spec list三.操作说明1.功能设定①使用前先将电脑板进行功能设定,具体方法是通电后,且仅当电脑板电源灯亮起时,请按住键不放,3秒后显示屏上会显示出当前功能,放手后再按,会依次在C1-C2- C3三个功能之间切换,字符同时在闪动,在某个功能上停止按键后,电脑板将记忆所选取的吸料方式。
② C1功能:按所选时间自动吸料,连续3次无料则缺料报警。
2.操作方法①功能选择后,在功能符号在闪烁时,可以按或键在0-99秒之间任意设定时间,建议设定在12-17秒之间(过长或过短都会引起机器不正常工作),停止按键后,电脑板自动记忆所选取时间。
目的:建立一个ZKS-4真空上料机的操作规程,以保证安全正确使用设备。
范围:适用于ZKS-4真空上料机的操作。
责任:岗位操作人员、设备保全员和车间经理对本规程的实施负责。
正文:
1、操作前准备与检查:
1.1 检查各转动部位润滑情况,检查机器内外表面是否干净清洁,清洁是否在有效期内。
2、操作运行:
2.1将进料三通用快开卡箍固定在混合机盖上。
2.2将吸料管固定在三通垂直口上,另一端放入料桶内。
2.3将真空连接管一端固定在三通侧口上。
另一端与上料机集尘桶连接。
2.4 合上空气开关,控制盒显示器亮,显示间隔时间15(表示间隔15秒反吹一次),脉冲反吹05(表示每次反吹时间为0.5秒)。
2.5 试机:打开压缩空气阀门,按“开/关”键真空泵开始工作,排气口有气流排出。
再次按“开/关”键关闭设备。
2.6 上料:在料桶内加上待添加的物料。
按“开/关”键,开始吸料。
吸料过程中随
时给料筒添加需混合的物料,知道所有物料都被吸入混合机内。
2.7 关机:上料结束后按“开/关”键,真空泵停止工作,压缩空气缸内压缩空气自
动反吹过滤器2-3次。
系统结束工作。
关闭空气开关。
3按设备清洁要求清洁设备。
按《ZKS真空上料机清洁操作规程》(SOP-SC-223)进行
设备清洗。
4、注意事项及维护保养:
4.1传动部位润滑脂一年清洗更换一次。
4.2清洗设备时,切忌将水溅入电气设施和变速箱内。
4.3操作过程中设备出现异常情况应迅速停机,待情况解除后再开始生产。
气动式真空上料机使用说明书一、工作原理气动真空上料机是利用气动真空泵作为真空源的一种真空输送机.利用该真空加料机可以将物料从容器中直接送入混合机、反应器、料斗、压片机、包装机、振动筛、整粒机、湿法制粒机、干法制粒机和粉碎机中去。
该机减轻了工人的劳动强度,杜绝了粉尘污染,保证生产符合GMP要求。
当按下“开/关”按键时,压缩空气进入真空泵,同时料斗的放料门在气缸推动下关闭,料斗中产生真空。
真空加料机在真空下形成一股气流,在这股气流的作用下,被输送的物料经软管被输送到真空料斗中,一定时间后(上料时间,可调整)压缩空气被关闭,气动真空泵无法产生真空,同时料斗的放料门在气缸推动下开启,真空加料机真空消失,物料从放料门自动放入受料设备中(如压片机,包装机等),同时,储存在气包中的压缩空气反吹过滤器,过滤器自动清洗;一定时间后(放料时间,可调节),压缩空气重新启动,气动真空泵产生真空,放料门关闭,真空加料机再次加料,周而复始,物料被源源不断地送入受料设备中。
对有料位控制的真空加料机,受料设备的料斗中物料通过料位控制器完成自动加料。
当受料设备的料斗高于某一位置时,真空加料机停止加料;当料位低于某一位置时,真空加料机自动启动,完成对受料设备的加料。
二、技术指标1、压缩空气应是无油无水的。
2、输送能力是在输送距离3米时测定的。
3、物料不一样输送能力差异较大。
三、调试按装1、将真空料斗用卡环固定在压片机、包装机(或其它设备)的料斗上。
对受料设备料斗不能直接固定真空料斗的可另外做固定架固定真空料斗。
2、控制盒出厂时挂在真空料斗上,安装时视工人操作条件可以挂在任何其他地方。
3、压缩空气管的连接A.压缩空气管入户(指安装设备的房间)管径的选择QVC-1,2,3 选用1/2″管QVC-4,5,6 选用3/4″管对于QVC-1真空上料机,可直接用Φ10PU管入户。
B.压缩空气管入户后应安装球阀和过滤减压阀。
C.对于QVC-1,2 真空上料机,应将过滤减压阀出口连接到控制盒下方压缩空气入口接头处,压缩空气管管径应与控制盒下方压缩空气入口接头一致。
真空上料机产品使用手册一、产品概述二、使用前准备1.确保设备与电源连接正常,电气接地良好。
2.检查设备各部位是否无破损或松动现象。
3.确保工作环境无易燃、易爆和腐蚀等危险物质,保持通风良好。
三、操作步骤1.打开真空上料机的电源开关,观察设备是否正常运行,确保真空泵工作正常。
2.将要上料的物料放入地面或容器中,根据实际情况确定上料点的位置。
3.将吸嘴放入待上料的物料中,并确保吸嘴完全贴紧物料表面,防止气体泄漏。
4.按下启动按钮,真空上料机即开始工作,通过负压抽取物料并输送至上料点。
5.确保物料顺利输送至上料点后,停止运行真空上料机,关闭电源开关。
四、注意事项1.在操作过程中,严禁将手部或其他物体靠近吸嘴,以免造成伤害。
2.需要上料的物料应符合设备的使用要求,避免过大或过小的物料影响设备的正常工作。
3.在使用过程中,如发现设备有异响、异味或温度过高等异常情况应及时停机并检查。
4.使用过程中要保持设备与管道畅通,定期清理吸嘴和管道内的积聚物。
5.使用完毕后,应关闭电源开关,并将设备进行清洁和维护,保持设备的良好状态。
五、维护保养1.定期检查真空泵的工作状态,如发现异常应及时更换或维修。
2.定期清理设备的吸嘴和管道,保持畅通无阻,避免物料积聚。
3.定期检查设备的电气连接是否松动,确保工作安全可靠。
4.定期对设备进行润滑,保持各部件的灵活运行。
5.定期对设备进行维护保养,清洁设备内部,保持设备的整洁和耐用。
六、故障排除1.若设备无法正常工作,请首先检查电源是否正常连接。
2.若设备工作中有异常声响或震动,应立即停机并检查是否存在故障。
3.若设备无法吸取物料或输送不畅,请检查吸嘴和管道是否堵塞。
真空上料机产品使用手册第一部分:产品介绍1.1 产品概述真空上料机是一种用于自动上料的设备,通过创建真空环境来吸取和移动物料,提高生产效率和操作的安全性。
本手册将详细介绍真空上料机的使用方法和注意事项。
1.2 产品特点真空上料机具有以下特点:- 使用真空泵创建真空环境,使物料能够通过吸盘吸取和移动;- 适用于处理各种形状和尺寸的物料,如粉末、颗粒和块状物料;- 配备可调节的真空强度和吸附力,以满足不同物料的要求;- 操作简便,具有触摸屏控制面板和直观的操作界面。
第二部分:安全操作2.1 安全注意事项在使用真空上料机之前,请务必阅读和理解以下安全注意事项:- 在操作真空上料机时,避免手部或其他身体部分接近吸盘,以免受到伤害;- 在操作过程中,切勿将物料倾斜或抖动,以免影响操作效果或损坏设备;- 确保设备的电源线牢固连接,并使用接地插头插入可靠的电源插座;- 在停止使用真空上料机时,先关闭真空泵和电源开关,确保设备处于安全状态。
2.2 使用方法以下是使用真空上料机的基本步骤:1. 将需要处理的物料放置在待处理区域,并确保物料不会移动或倾斜。
2. 打开真空上料机的电源开关,待设备启动后,在操作面板上进行操作设定。
3. 在操作面板上选择所需的真空强度和吸附力,并根据物料的性质进行调整。
4. 将吸盘悬浮在物料上方,按下启动按钮,待吸盘吸附物料后,抬升吸盘并移动到目标位置。
5. 在目标位置停止吸盘的抬升,并按下放料按钮,使物料从吸盘中放出。
6. 完成上料后,关闭真空泵和电源开关,将真空上料机清洁干净并储存好。
第三部分:故障排除如果在使用真空上料机过程中遇到故障,请参考以下故障排除步骤:1. 故障:真空强度不足。
解决方法:检查真空泵是否正常运行,确保真空泵和连接管路没有堵塞或泄漏。
2. 故障:吸附力不够。
解决方法:调整吸盘的触地面积或更换适合的吸盘。
3. 故障:物料无法吸取或吸附。
解决方法:检查吸盘是否干净,并确保物料和吸盘的接触面干燥。
气动真空上料机说明书一、产品简介:气动真空上料机是一种专用设备,用于将粉状或颗粒状物料从袋、箱等容器中快速、准确地上料。
它采用气动吸尘装置,通过负压将物料吸附在吸尘口,然后输送到目标位置。
它具有工作效率高、操作简便、无溢料、无二次污染等优点。
二、产品组成:1.主机:包括气动控制系统、真空装置和输送管道等部分。
2.吸尘口:用于吸附物料并输送到目标位置的设备。
3.控制器:用于控制主机的启动、停止和输送物料的设置等。
三、安装说明:1.安装前请仔细阅读本说明书,并保持设备和使用场所干净整洁。
2.将主机固定在合适的位置,确保其稳固且方便操作。
3.检查气动控制系统和真空装置是否正常运行。
4.连接好输送管道,确保其密封且无漏气。
四、操作方法:1.打开控制器的电源开关,主机开始运行。
2.将吸尘口放置在物料容器的出料口上,确保密封紧密。
3.根据实际需要,设置好目标位置和输送时间。
4.按下吸料按钮,气动真空上料机开始吸附物料。
5.上料完成后,按下停止按钮,主机停止工作。
五、注意事项:1.在使用气动真空上料机前,务必保证物料容器内无异物。
2.上料过程中请勿接触吸尘口,避免发生危险。
3.请勿将有腐蚀性、易燃性或易爆性的物料使用气动真空上料机。
4.使用过程中如发现异常情况,请立即停机检查并解决问题。
5.工作结束后,请关闭控制器的电源开关。
六、维护保养:1.定期检查气动控制系统和真空装置的工作状态,如有故障及时修复。
2.清洁吸尘口和输送管道,避免堵塞。
3.注意防潮防尘,保持设备的干净整洁。
4.养成良好的操作习惯,遵守安全规程。
七、故障排除:故障现象:主机无法启动。
可能原因:电源异常、连接线路错误、气动控制系统故障等。
解决方法:检查电源和线路是否正常,检修气动控制系统。
故障现象:物料无法吸附。
可能原因:吸尘口密封不严、运行时间设置错误、输送管道漏气等。
解决方法:调整吸尘口密封,检查输送管道密封情况。
当气泵旋转时,气泵发生负压形成真空气流,物料被吸入吸料咀,形成物气流,经过吸料管到达上料机的料仓内。
过滤器把物料与空气完全分离,当物料装满料仓时,控制器会自动切断电源,真空加料机停止工作,同时料仓门自动开启,物料落到设备的料斗中。
高效包衣机与此同时,压缩空气通过脉冲反吹阀自动清洗过滤器。
等到时间到或料位传感器发出上料信号时,自动启动上料机。
具有结构简单、体积小、免维修、噪音低、控制方便、消除物料静电和符合GMP要求等优点。
真空气泵产生的高真空,气泵真空粉末加料机是利用气泵旋转发生高真空实现对物料的输送。
使被输送的物料杜绝了分层现象,保证了混合物料成分的均一性,无纺布机械、压片机、胶囊填充机、干法制粒机、包装机、粉碎机、振动筛等机械自动上料的首选设备。
三维混合机由于混合桶体具有多方向的运动,使桶体内的物料交叉混合点多,混合效果高,均匀度可达99.9%以上最大装载系数可达0.9(普通混合机为0.85),混合时间短,效率高。
三维混合机混合桶体型设计独特,桶体内壁经过精细抛光,无死角,不污染物料,出料方便,清洗容易操作简单等优点。
开头我们说真空上料机啦摇摆颗粒机啦定位很精确,那是因为各个影响因素在协助它,那么到底是哪些影响因素呢?1、不同的定位方式影响因素不同。
如机械挡块定位时,定位精度与挡块的刚度和碰接挡块时的速度等因素有关。
2、定位速度对定位精度影响很大。
这是因为定位速度不同时,必须耗散的运动部件的能量不同。
通常,为减小定位误差应合理控制定位速度,如提高缓冲装置的缓冲性能和缓冲效率,控制驱动系统使运动部件适时减速。
3、精度机械手的制造精度和安装调速精度对定位精度有直接影响。
4、运动件的重量运动件的重量包括机械手本身的重量和被抓物的重量。
运动件重量的变化对定位精度影响较大。
通常,运动件重量增加时,定位精度降低。
因此,设计时不仅要减小运动部件本身的重量,而且要考虑工作时抓重变化的影响。
5、控制系统开关控制、电液比例控制和伺服控制的位置控制精度是个不相同的。
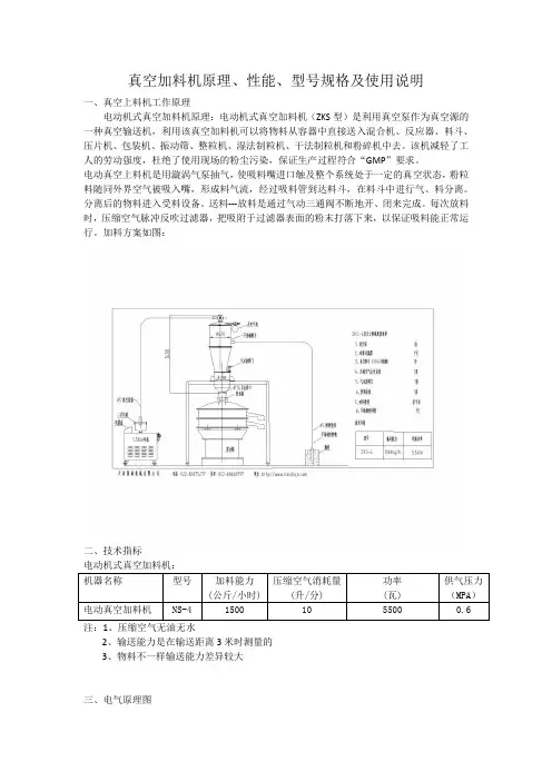
真空加料机原理、性能、型号规格及使用说明一、真空上料机工作原理电动机式真空加料机原理:电动机式真空加料机(ZKS型)是利用真空泵作为真空源的一种真空输送机,利用该真空加料机可以将物料从容器中直接送入混合机、反应器、料斗、压片机、包装机、振动筛、整粒机、湿法制粒机、干法制粒机和粉碎机中去。
该机减轻了工人的劳动强度,杜绝了使用现场的粉尘污染,保证生产过程符合“GMP”要求。
电动真空上料机是用漩涡气泵抽气,使吸料嘴进口触及整个系统处于一定的真空状态,粉粒料随同外界空气被吸入嘴,形成料气流,经过吸料管到达料斗,在料斗中进行气、料分离。
分离后的物料进入受料设备。
送料---放料是通过气动三通阀不断地开、闭来完成。
每次放料时,压缩空气脉冲反吹过滤器,把吸附于过滤器表面的粉末打落下来,以保证吸料能正常运行。
加料方案如图:二、技术指标机器名称型号加料能力(公斤/小时) 压缩空气消耗量(升/分)功率(瓦)供气压力(MPA)电动真空加料机NS-4 1500 10 5500 0.6 注:1、压缩空气无油无水2、输送能力是在输送距离3米时测量的3、物料不一样输送能力差异较大三、电气原理图电动式真空加料机四、安装调试电动机式真空加料机安装调试方法:1、接入380V交流电,注意一定要接地线,按“开/关”键确定电机转向,排气口出风为正确转向。
2、接入压缩空气,用Φ6空气官直接插入快速接头即可。
调整过滤减压阀0.6MPA。
(过低的气压会导致反吹不力,影响吸料效果)3、触摸时间增减键,将上料时间调整在10到20秒,放料时间调整在5到8秒。
4、注意各环节卡箍的连接,防止漏气,把混合机运转到最接近直立的位置以利物料流动。
五、故障排除上料机出现无法上料或上料能力小的时候,请按以下程序检查。
1、系统的供气压力是否达到0.6MPA,供气压力是指真空发生器工作时系统中的空气压力。
2、放料门是否严密:A、经过长时间使用,放料门上堆积一定厚度的粉料,造成门关不严,漏真空,应该清洗放料门。
气动式真空上料机说明书第一章:产品概述1.1产品简介1.2产品特点(1)采用气动控制,运动稳定可靠;(2)配备高效的真空吸盘系统,能够快速完成吸附和释放操作;(3)结构简单、操作方便、维护容易。
第二章:产品结构与功能2.1结构2.2功能(1)吸附物料:通过真空吸盘,将物料吸附在上料平台上;(2)释放物料:通过气动控制,释放物料到指定位置。
第三章:安装与调试3.1安装(1)将气动式真空上料机放置在平稳的地面上;(2)按照气动控制系统的接线图,连接气源和控制器;(3)将真空吸盘系统与上料平台连接好;(4)连接电源。
3.2调试(1)确认气动控制系统和电气控制系统的电源已接通;(2)按下气动控制系统的启动按钮,确认气源正常供应;(3)将需要上料的物料放置在上料平台上;(4)按下气动控制系统的吸取物料按钮,观察是否能成功吸取物料;(5)根据需要,调整上料平台的位置和角度,以适应不同尺寸的物料;(6)完成调试后,确认各个部件固定可靠,设备处于正常工作状态。
第四章:操作方法4.1上料操作(1)确认气动控制系统和电气控制系统已正常启动;(2)将需要上料的物料放置在上料平台上;(3)按下气动控制系统的吸取物料按钮,物料将被吸附在上料平台上;(4)将上料平台移动到需要释放物料的位置;(5)按下气动控制系统的释放物料按钮,物料将被释放到指定位置。
4.2维护方法(1)定期清洁吸盘系统,避免灰尘和异物堵塞;(2)保持气源干燥,定期检查气源过滤器;(3)注意上料平台的润滑情况,定期加油保养;(4)及时更换磨损的零部件,并做好防锈工作。
第五章:注意事项5.1在操作过程中,应戴好工作手套和防护眼镜,确保人员安全;5.2确保气源供应稳定,避免因气源不足而影响设备使用;5.3使用时应避免重物撞击上料平台,防止损坏;5.4禁止擅自拆卸和改动设备,以免影响设备正常工作;5.5如需停用设备,请及时切断电源,并进行相关设备维护。
第六章:故障排除6.1无法吸附物料(1)检查气源是否正常供应;(2)检查真空吸盘系统是否漏气;(3)检查吸盘与物料是否接触良好。
真空上料机技术参数一、真空上料机的概述真空上料机是一种用于输送粉状、颗粒状或纤维状物料的设备,广泛应用于制药、化工、食品等行业。
该设备采用负压输送方式,能够保证物料在输送过程中不受污染,适用于对物料要求高洁净度的场合。
二、真空上料机的技术参数1. 输送能力:根据不同型号和规格,输送能力从50kg/h到5000kg/h 不等。
2. 负压:真空上料机的负压通常在-0.08MPa到-0.1MPa之间。
3. 电源:220V/380V/415V/440V等多种电源可选。
4. 动力:采用电动或气动驱动方式,根据不同型号和规格可选择不同功率的电机或气动元件。
5. 物料接触部分材质:通常采用304或316L不锈钢材质,也可以根据客户要求定制其他材质。
6. 输送距离:根据不同型号和规格,输送距离从10米到100米不等。
7. 输送高度:根据不同型号和规格,输送高度从3米到30米不等。
8. 控制方式:采用PLC或触摸屏控制方式,可以实现自动化控制和远程监控。
三、真空上料机的特点1. 高洁净度:真空上料机采用负压输送方式,能够保证物料在输送过程中不受污染,适用于对物料要求高洁净度的场合。
2. 低能耗:真空上料机采用负压输送方式,相比于气力输送和机械输送,能够大幅降低能耗。
3. 输送距离远:真空上料机可以根据客户要求定制不同长度的输送管道,适用于长距离输送。
4. 输送高度高:真空上料机可以根据客户要求定制不同高度的输送管道,适用于高层建筑物的物料输送。
5. 自动化控制:真空上料机采用PLC或触摸屏控制方式,可以实现自动化控制和远程监控。
四、真空上料机的应用领域1. 制药行业:适用于输送药品原材料、中间体和成品药等物料。
2. 化工行业:适用于输送化工原料、中间体和成品等物料。
3. 食品行业:适用于输送食品原材料、添加剂和成品等物料。
4. 其他行业:适用于输送粉状、颗粒状或纤维状的物料,如建材、冶金等行业。
五、真空上料机的安装和维护1. 安装前应仔细阅读产品说明书,了解设备的安装要求和注意事项。
河北石家庄真空上料机的使用指南与维护要点1. 真空上料机的基本认识首先,咱们得搞清楚,什么是“真空上料机”这玩意儿。
简单来说,就是一种利用真空原理把各种粉末、颗粒物料从一个地方送到另一个地方的机器。
它就像是那种穿越时空的“运输管道”,把东西从一端“吸”到另一端。
它不仅能提高效率,还能减少人工干预,真是个聪明的好帮手。
我们在河北石家庄,见到它的机会不少,毕竟这地方工业发达,用它的地方也不少呢。
1.1 操作步骤咱们先聊聊怎么操作它。
首先,启动前一定要检查设备的各个部件,确认一切正常,别像我们玩游戏前检查网络一样,确保信号好。
启动真空泵,然后把物料放到进料口,接着就可以按下启动按钮。
设备会自动将物料通过管道输送到指定位置。
操作起来其实挺简单的,就像开车一样,熟练了之后自然手到擒来。
1.2 设备使用注意事项不过,使用过程中也有些注意事项。
首先,要保证物料的干燥和洁净,避免因为潮湿或者脏物影响机器的运行。
还有啊,物料的颗粒大小也要注意,太大了可能卡在管道里,太小了可能被吸得飞到天上去。
定期检查管道的连接处,防止漏气。
定期清理设备内部,避免积累的物料影响机器性能。
毕竟,爱护设备就像爱护自己的小宝贝一样重要。
2. 设备的维护要点说到维护,这可是个关键环节。
设备维护的好坏直接影响到设备的寿命,简直就是“成败在此一举”。
所以,咱们可不能掉以轻心。
首先,定期清理设备是必不可少的。
特别是管道内部的残留物料,要定期检查并清理,防止它们影响设备的正常运行。
清理的时候,记得一定要断电,这可是最基本的安全措施。
2.1 更换部件其次,设备中的一些易损件,比如滤网、密封圈等,也要定期检查。
如果发现有磨损的迹象,尽早更换。
别等到它们完全坏掉了再换,那时候可就晚了,影响可大了。
像这种小部件,更换起来也不难,熟练了之后就像换电池一样轻松。
2.2 保养记录最后,建议大家保持一个详细的保养记录。
记录每次的清理、更换部件的时间和情况。
这不仅能帮助你了解设备的使用情况,还能在出现问题时,提供有力的依据。
1适用范围:本标准适用于ZSK-11K真空上料机的使用、维护与检修。
2职责:操作人员:严格按本规程操作设备,并进行日常维护工作。
维修人员:及时排除设备故障,并做好定期维护与检修工作。
质量部QA:负责检查本SOP的执行情况。
3内容:3. 内容:3.1. 原理ZSK-11K真空上料机由旋涡风泵、空气过滤器(纸芯过滤器)、布袋除尘过滤器、抽料管、抽吸组合接头和电气控制装置等部分组成。
旋涡风泵是上料的动力源。
风泵叶轮旋转所产生的循环气流,以极高的能量离开风泵,在出气口造成正压,而在进气口造成负压。
把风泵进气口与混合机料筒相接,抽出筒体内空气,使物料通过抽料管和进料软管将料桶内待混物抽入混合料筒。
抽吸组合接头将进料管、抽气管、气料分离器紧密集中于一体,通过卡箍与料筒相接,拆装比较简单、快捷3.2. 主要技术参数●输送能力:1100kg/h●电机功率:5.5kw●吸料管径:φ50mm3.3. 使用3.3.1操作前准备3.3.1.1 检查设备各紧固件是否紧固。
3.3.1.2 检查漩涡风泵旋转是否正确,在出气口需造成正压,进气口造成负压。
3.3.1.3检查设备清洁合格证是否在有效期内3.3.2 操作与维护3.3.2.1 将混合机料筒停稳在便于进料口盖装拆的位置。
3.3.2.2 打开进料口盖子上小孔的卡箍,取下孔口盲板,将上料组合接头插入,然后,上紧卡箍。
3.3.2.3 将组合接头进料管(中心管)与软管,抽料管连接,将抽气管(套管)与软管、风泵控制箱管接头连接。
3.3.2.4 将料筒进料口摆动到高于水平的位置。
3.3.2.5 打开上料机控制箱的电源开关,风泵开始程序工作。
3.3.2.6 将抽料管插入料桶,并上下、左右移动。
3.3.2.7 上料完毕,关闭电源。
3.3.2.8 将料筒摆动到进料口高于水平位置,拆除软管,打开卡箍,抽出组合接头,重新装上盲板,上紧卡箍。
3.3.2.9 拆卸洗清除尘器布袋,清除空气过滤器粉尘。
有限公司User Requirement Specification用户需求真空上料机1.目的 (3)2. 范围 (3)3.缩写列表 (3)4.设备标准 (4)5.工艺描述 (4)6.物料规格 (4)7.用户及系统要求 (5)7.1.概述 (5)7.2.URS要求确认 (5)7.2.1.URS01:设备工艺或性能要求 (5)7.2.2.URS02:安全要求 (5)7.2.3.URS03:安装区域及位置要求 (6)7.2.4.URS04:安装环境要求67.2.5.URS05:电力要求 (7)7.2.6.URS06:设施/公用系统要求 (7)7.2.7.URS07:外观及材质要求 (8)7.2.8.URS08:技术要求 (8)7.2.9.URS09:控制系统要求 (11)7.2.10.URS10:仪表要求 (12)7.2.11.URS11:清洁要求 (12)7.2.12.URS12:润滑剂要求 (13)7.2.13.URS13:文件要求 (13)7.2.14.URS14:设备转运要求 (14)7.2.15.URS15:验证/确认要求 (14)7.2.16.URS16:服务与维修要求 (14)7.2.17.URS17:供应商对项目要求的确认 (16)1.目的该文件旨在从项目和系统的角度阐述用户的需求,主要包括相关法规符合度和用户的具体需求,这份文件是构建起项目和系统的文件体系的基础,同时也是系统设计、订货和验收的依据。
本文件的解释权由NCPC新制剂项目组负责。
2.范本文件的范围涉及到NCPC对此定制设备的最低要求,供应商应以URS作为详细设计以及报价的基础。
供应商在设计、制造、组装时必须要按照URS来执行。
3.缩写列表4.设备标准设备必须符合以下标准、规范:设备必须符合以下标准、规范:GMP-RegulationsGMP法规•Regulations for implementation of the Drug administration law of the People,s Republic of C 中华人民共和国药品管理法实施条例•China-GMP revision of 2009中国GMP2009修订版•EU-GMP Part 1, Annexes 1,Annexes 11, Annexes 15, Annexes20欧洲GMP第一部分(人用药品及兽药制剂生产质量管理规范),附录1 (无菌药品的生产),附录11 (计算机系统),附录15 (确认和验证),附录20 (质量风险管理)•FDA CGMP,21CFR210,211,Part1121联邦法规,第210部分:生产,加工,包装和药品持有的现行GMP:总则;第211部分:制剂现行GMP;美国电子记录和电子签名•GAMP药品生产自动化管理规范The Good Automated Manufacturing Practice (GAMP) Guide for Validation of Automated Systemsin Pharmaceutical Manufacture, Vol. 5.药品生产自动系统验证的药品生产自动化管理规范Vol. 55.工艺描述真空上料机用于将片剂、硬胶囊、软胶囊通过真空的方式(由压缩空气转换)吸入到铝塑包装机、数理线料斗中,设备能够根据料斗中料位的高低,自动控制设备的启停。
气动送料器
气动送料器是一种以压缩空气为动力,实现步进送料动作的送料装置。
它能与卷(放)料架、校平机等一起组成冲压自动化送料系统,对冲压生产自动化具有积极意义。
气动送料器按照送料形式的不同可分为推料式与拉料式两大类。
每一种类型中按送料器的控制方式不同又可分为标准型、标准型附加夹钳放松功能型、电磁先导阀型和电磁先导阀型附加夹钳放松功能型四种。
气动送料器集成化程度高,气动回路中多处采用了差压式气动原理,并设置有夹钳放松功能。
具有动作灵敏,结构紧凑,调整方便,送料精度高,送料步距可调等优点。
其适用性强,通用性好。
目前国内已有多家企业组织生产,并使其系列化,满足了各类用户的不同要求。
标准型气动送料器动作原理
图1所示为标准型气动送料器示意图。
压缩空气从进气部分1引入,进气接头采用快换式管接头结构,进气部分还设置有进气开关阀,控制送料气缸的工作与停止。
先导阀2为控制阀,靠安装在压力机滑块上的压杆操纵,控制着固定夹紧钳4、移动夹紧钳6和送料气缸5按一定规律与压力机匹配动作。
气动式真空上料机
使
用
说
明
书
一、工作原理
气动真空上料机是利用气动真空泵作为真空源的一种真空输送机.利用该真空加料机可以将物料从容器中直接送入混合机、反应器、料斗、压片机、包装机、振动筛、整粒机、湿法制粒机、干法制粒机和粉碎机中去。
该机减轻了工人的劳动强度,杜绝了粉尘污染,保证生产符合GMP要求。
当按下“开/关”按键时,压缩空气进入真空泵,同时料斗的放料门在气缸推动下关闭,料斗中产生真空。
真空加料机在真空下形成一股气流,在这股气流的作用下,被输送的物料经软管被输送到真空料斗中,一定时间后(上料时间,可调整)压缩空气被关闭,气动真空泵无法产生真空,同时料斗的放料门在气缸推动下开启,真空加料机真空消失,物料从放料门自动放入受料设备中(如压片机,包装机等),同时,储存在气包中的压缩空气反吹过滤器,过滤器自动清洗;一定时间后(放料时间,可调节),压缩空气重新启动,气动真空泵产生真空,放料门关闭,真空加料机再次加料,周而复始,物料被源源不断地送入受料设备中。
对有料位控制的真空加料机,受料设备的料斗中物料通过料位控制器完成自动加料。
当受料设备的料斗高于某一位置时,真空加料机停止加料;当料位低于某一位置时,真空加料机自动启动,完成对受料设备的加料。
二、技术指标
1、压缩空气应是无油无水的。
2、输送能力是在输送距离3米时测定的。
3、物料不一样输送能力差异较大。
三、调试按装
1、将真空料斗用卡环固定在压片机、包装机(或其它设备)的料斗上。
对受料设备料斗不能直接固定真空料斗的可另外做固定架固定真空料斗。
2、控制盒出厂时挂在真空料斗上,安装时视工人操作条件可以挂在任何其他地方。
3、压缩空气管的连接
A.压缩空气管入户(指安装设备的房间)管径的选择
QVC-1,2,3 选用1/2″管
QVC-4,5,6 选用3/4″管
对于QVC-1真空上料机,可直接用Φ10PU管入户。
B.压缩空气管入户后应安装球阀和过滤减压阀。
C.对于QVC-1,2 真空上料机,应将过滤减压阀出口连接到控制盒下方压缩空气入口接头
处,压缩空气管管径应与控制盒下方压缩空气入口接头一致。
D.对于QVC-3,4,5,6 真空上料机,应将过滤减压阀出口直接连接到真空发声器上压缩
空气入口接头,压缩空气管管径应与真空发声器上压缩空气入口接头一致。
E.按图1、图3连接控制盒与真空发声器间压缩空气管。
4、将AC 220V电源插头插到电源座上,此时控制盒上时间显示器亮,表示电源已接至系统中。
注意电源线必须是三线的,需要对控制柜做可靠接地,以免电脑芯片受到干扰出现死机。
控制盒接线图见电器原理图。
5.触摸时间增减键。
将上料时间调整在5—15秒,放料时间调整在6—12秒。
输送粉料时,上料时间应设短些,放料时间应设长些;输送颗粒料时,上料时间应设长些,放料时间应设短些。
6、按下“开/关”按键,压缩空气即被送入真空发生器,真空料斗产生真空,实现加料。
7、此时应关注压缩空气压力,供气压力应在0.5—0.6Mpa 。
供气压力是指真空发生器工作
时,也就是上料时,系统中的压缩空气压力。
QVC-3,4,5,6 真空上料机的真空发生器上有压力表,以该压力表显示的压力为准。
对于QVC-1,2 真空发生器上没有压力表,应以过滤减压阀上压力表为准。
在调试中要特别注意,供气压力0.5—0.6M pa是指上料时系统中空气压力,当放料或系统待机状态时,过滤减压阀上压力表显示的压力应在
0.7—0.8Mpa。
许多用户安装上料机后,常常把过滤减压阀调整在0.6Mpa,如果此时真空
发生器开始工作,系统的压力会陡降到0.4Mpa造成无法上料或上料能力达不到要求。
长距离输送或输送能力较大时,系统中空气压力必须达到0.6Mpa。
四、故障排除
上料机出现无法上料或上料能力小时,请按以下程序检查。
1、系统的供气压力是否达到0.5—0.6Mpa。
供气压力是指真空发生器工作时系统中空气压
力。
2、放料门是否严密。
A、经过长时间使用,放料门上堆积一定厚度的粉料,造成门关不严,漏真空,应清洗放
料门。
B、经过长时间使用,放料门的密封胶圈磨损,造成门关不严,漏真空,应更换密封圈。
C、经过长时间使用,气缸出力和行程出现故障,应更换气缸。
3、过滤器堵塞。
将过滤器用压缩空气吹净后,用嘴反吹过滤器,如果很畅通,过滤器没堵
塞;如果感到憋气,则过滤器已被堵死,此时应更换过滤器,或将堵塞的过滤器放在超声波清洗机里清洗30分钟以上。
4、吸料管被大块物料堵塞。
往往发生在不锈钢吸料嘴进口处和真空料斗的入口处。
5、泵头和料斗间、料斗各节间卡箍没拧紧,造成系统漏气,无法上料或上料能力减少。
6、反吹系统出现故障。
真空上料机每次放料时储存在气包中的压缩空气脉冲反吹过滤器,
保证过滤器表面仅有很薄一层粉末。
如果反吹系统出现故障,过滤器表面将堆积较厚粉末,增加阻力造成真空上料机无法上料,此时应更换反吹阀。
五、清洗
在制药厂由于更换品种或批号不一样,需要经常对真空上料机进行清洗,气动真空上料机已充分考虑到用户这一要求,清洗时仅需要:
1、松开搭扣,取下气动真空泵组件,气动真空泵、气包和盖是连接成一体的,该件不需用
水清洗。
2、取下过滤器组件,用压缩空气吹净过滤管上的粉末,然后用热水反复冲洗,冲洗干净后,
仍用压缩空气将过滤管壁厚中积水冲净,此时用嘴反吹该过滤管应很通畅,如憋气说明过滤管壁厚中仍有积水,需要继续用压缩空气吹净,然后凉干或烘干。
3、松开卡环,取下真空料斗,用水清洗干净。