真空包装机操作、使用说明书
- 格式:doc
- 大小:948.50 KB
- 文档页数:23
真空包装机操作规程一、准备工作1. 确保真空包装机周围通风良好,无杂物阻碍机器运转。
2. 检查真空包装机的电源线是否接地良好,电压是否稳定。
3. 根据需要调整真空包装机的工作台高度,保证操作人员能够轻松操作机器。
4. 确保真空包装机所需材料齐全,包括包装袋、密封片等。
二、操作步骤1. 开机前操作(1)按下真空包装机的开关按钮,待机器启动并处于稳定状态后进行操作。
(2)调节好机器的真空度和密封时间,根据需要进行设置。
2. 包装物装入(1)将需要包装的物品放入包装袋中,注意物品不能超出包装袋的尺寸范围。
(2)将包装袋口处置于真空包装机的密封槽中,确保封口位置正确。
3. 真空密封(1)按下真空包装机的吸气按钮,机器开始抽真空。
(2)待包装物品内外的空气被抽尽后,机器会自动进行密封操作。
4. 完成包装(1)待真空包装机完成密封后,等待一段时间确保密封片完全冷却固定。
(2)将已密封包装袋取出,进行必要的清洁和标记工作。
三、清洁及维护1. 关机后,清理真空包装机的吸尘滤网和密封槽,避免残留物影响下次使用。
2. 定期检查真空包装机的密封片和真空泵,如有磨损或故障应及时更换或维修。
3. 注意防潮防尘,保持真空包装机的清洁干燥状态。
四、安全注意事项1. 操作人员应穿戴好防护用具,如手套、口罩等,避免接触真空包装机部件及物品。
2. 在操作真空包装机时,不得随意触碰机器内部零部件。
3. 使用过程中如有异常情况应立即停机检查,并联系专业人员处理。
五、故障处理1. 如真空包装机出现无法正常启动、密封不完全等故障,及时切断电源并联系维修人员进行处理。
2. 严禁未经授权人员进行私自拆卸或维修真空包装机,避免造成更大的损失。
通过以上操作规程的详细步骤,操作人员能够正确、安全且高效地运用真空包装机进行包装工作,确保产品质量和生产效率的提升。
真空包装机操作说明真空包装机是一种常用于食品包装行业的设备,它能够将食品放入包装袋中,然后通过抽气处理将袋内的空气抽出,最后封口,以实现食品的长时间保存和保鲜。
本文将详细介绍真空包装机的操作步骤以及注意事项,以帮助用户正确使用该设备。
一、设备准备在使用真空包装机之前,首先要做好设备准备工作。
具体步骤如下:1. 确认设备电源是否连接正常,确保设备可以正常运行;2. 准备好食品需要使用的真空包装袋,确保袋子干净、完整;3. 准备好要包装的食品,并将其处理妥当,如清洁、切割等。
二、操作步骤在设备准备工作完成后,可以按照以下步骤正确操作真空包装机:1. 打开真空包装机的电源开关,待设备预热完成后,确认设备处于待机状态;2. 将预先准备好的食品放入真空包装袋中,并确保袋口处于开放状态,方便后续的操作;3. 将装有食品的包装袋放入真空包装机的真空室内,注意确保袋子被完全封闭;4. 关闭真空室的门,并以适当的力气将门锁好,确保真空室内的密封性;5. 手动选择真空包装机的抽气时间,并按下操作按钮开始进行抽气处理;6. 待抽气处理完成后,真空包装袋内的空气将被抽出,食品袋将变得紧实;7. 操作完成后,打开真空室的门,并取出包装好的食品袋;8. 对包装袋口进行封口处理,可以使用热封机或手动封口机等设备来完成;9. 封口完成后,检查包装袋的封口处是否完好,确保食品能够被很好地保存和保鲜;10. 将包装好的食品存放在适当的场所,注意避免暴露在阳光下或受潮等不良环境。
三、注意事项为了正确、安全地操作真空包装机,以下是一些需要注意的事项:1. 在操作真空包装机之前,务必阅读并熟悉设备的使用说明书,确保能够正确理解和掌握正确的操作方法;2. 使用真空包装机时,避免将手指或其他物体放入设备内部,以免造成伤害或设备故障;3. 当设备出现异常或故障时,应及时关闭电源,并寻求专业人士进行检修;4. 尽量避免将粉尘、异物等杂质进入真空包装机内部,以免影响设备正常运行;5. 使用合适规格和质量的真空包装袋,确保其具有良好的防潮、防漏性能;6. 在包装液体等特殊食品时,应特别注意防止液体进入真空泵等部件,以免损坏设备;7. 定期对真空包装机进行清洁和维护工作,保持设备的良好运行状态;8. 学会调整真空包装机的工作参数,以适应不同食品的包装需求。
真空包装机操作指导书第一部分:介绍真空包装机是一种用于食品、药品等产品的包装工具。
其主要作用是在包装过程中将包装袋内的空气抽取出来,形成真空环境,从而延长产品的保质期和防止氧化。
本操作指导书将向您介绍如何正确操作真空包装机,以确保包装效果和操作安全。
第二部分:设备准备1. 检查包装机的电源线是否接地良好,以确保电源供应的稳定性和安全性。
2. 检查真空泵的工作状态,确保其正常运转,并根据需要进行充油或更换。
3. 检查真空包装袋的材质和尺寸是否合适,并确保包装袋没有破损或漏气的情况。
第三部分:操作步骤1. 将产品放入包装袋中,并确保袋口完全封闭。
2. 将袋口放入真空包装机的密封槽中,并将槽口封紧。
3. 打开包装机的电源开关,并选择合适的真空度和封口时间。
4. 等待机器运行,直到抽气完成并完成密封。
5. 关闭包装机的电源开关,并取出真空包装好的产品。
第四部分:注意事项1. 在使用真空包装机之前,确保已经阅读并理解了操作手册,并按照操作指南进行操作。
2. 在操作过程中,严禁将手或其他物体靠近真空泵以防止意外伤害。
3. 尽量避免在包装袋内放置过多的产品,以免影响真空效果和密封质量。
4. 在包装机停止工作之前,不要打开密封槽,以防止铸铁槽会有高温现象。
5. 定期清洁真空包装机的表面和密封槽,以保持机器的清洁和正常运转。
第五部分:故障排除1. 如遇到机器无法启动的情况,请检查电源线是否插紧,电源是否正常供应。
2. 如遇到抽气不彻底的情况,请检查真空泵是否正常运转,是否需要更换或充油。
3. 如遇到密封效果差或漏气的情况,请检查袋口是否完全封闭,是否需要更换合适的包装袋。
4. 如遇到其他故障,请立即停止使用机器,并联系专业技术人员进行检修或维修。
第六部分:其他注意事项1. 包装机只适用于食品、药品等产品,严禁用于包装易燃、易爆、腐蚀性等危险品。
2. 在操作真空包装机之前,工作人员应戴好工作手套和口罩,以防尘或异物进入机器。
真空包装机使用规范1. 目的为使作业员能熟练掌握并操作真空包装机。
2. 适应范围本公司所属真空包转均可适用之,用于真空封口包装。
3. 定义真空包装机DZ500-1D。
4. 责职无5. 流程图无6.主要结构与工作原理本机主要由上工作室、下工作平台、机架、电气系统、真空系统五大部分组成。
工作过程:首先合盖,真空泵从工作室抽气,当达到预定真空度时,真空泵停止工作,加压阀打开,气囊充气,压条向下压紧封口处,同时通电加热,包装袋封口完备后放气阀通电打开,自动放气开盖完成一次工作循环。
7.调整与使用①使用前的准备a、机器放置平稳,察看合盖是否顺利,松手后是否自动跳起,但跳起的力不能过大;DZ-500/2S、DZ-600/2S、DZ-700/2S机型则调整左右螺旋扣。
b、配备适应机型要求的电源。
c、察看真空泵油面的位置是否正确,如不正确应调整(详见真空泵说明书。
d、将本机良好接地。
e、接通电源,打开电源开关,合盖,察看真空泵运转是否正常。
(如不抽气,应调换三相电源线中的任意两根线)。
②使用前的调整a、选择真空度抽气时间为0-99.9秒数显式连续可调,小型真空机,抽气时间为数字旋转式0-30秒可调。
调整抽气时间的长短,从而达到所需真空度。
b、选择加热温度根据包装袋材料选择所需加热温度,将加热温度旋钮调到相应位置,高或中或低。
c、调整加热时间加热时间0-9.99秒数显式连续可调。
根据所用包装材料及加热温度,调整加热时间旋钮,选择合适的加热时间d、根据需要选定封口硅橡胶条口的硅胶字,设定封口日期等字符。
③使用a、打开电源开关;b、将包装袋压条翻开,把装入被包装物品的包装袋(物品至口部不得小于4厘米)放入工作室内,需封口处平整地放于硅橡胶条上,袋子不要重叠。
翻过包装袋压条将包装袋口部压好;c、握住手把(或按上盖边缘)下压上工作室。
合盖,则本机将按程序自动完成真空包装过程并自动开盖,部分设备配备有急停开关;d、翻开包装袋压条。
设施操作说明书第1页共2页设施名称真空包装机设施功能包装产品文件编号设施型号YL-1025厂商佑麟版本B31﹑操作说明依ON/OFF指示﹐开启电源开关置于ON处﹐启动电源后﹐红色指示灯亮。
依据包装详细要求及包装材质﹑厚度﹑调整真空时间﹑充气时间和封口时间。
将包装之真空袋张口部分摆列在真空机之封口线上。
工作时将真空盖轻轻用双手盖上﹐即开始工作﹐动作达成后﹐真空盖自动开启(封口动作已以上动作连续达成)。
工作达成﹐依ON/OFF指示﹐开关置于OFF处﹐封闭电源。
2﹑设定条件﹕1、管装﹕粗管如G4P/G5P/PGP压力cm/Hg封口时间管数充气时间60±13±1s16±42s62±13±1s10±22s64±13±1s6±22s68±33±1s2±12s2、包装脆盘:G4P109N-A压力cm/Hg封口时间盘数充气时间62±23±1s22s3、管装﹕细管如FB/TS系列产品压力cm/Hg封口时间管数充气时间60±23±1s45±52s62±13±1s35±52s64±13±1s25±52s68±33±1s5±42s批准审查制作日期设施操作说明书第2页共2页设施名称真空包装机设施功能包装产品文件编号设施型号YL-1025厂商佑麟版本B34、REEL包装盘﹕如24系列产品压力cm/Hg封口时间个数(pcs)充气时间60±33±1s275±756s59±33±1s200以下6s5、REEL包装盘﹕如40ST系列/GS5014/GS5012大产品压力cm/Hg封口时间个数充气时间60±13±1s275±755s53±13±1s200以下5s3﹑注意事项﹕其电源为220V。
真空包装机操作说明书設備名稱真空包裝機設備功能真空包裝産品文件編號設備型號DZD-500/2SA 型廠商蘇通版本A 3一﹑操作面板說明﹕1﹑急停開關﹕當發生異常時可按下此開關﹐無論機器處于何狀態機器均斷電停止工作。
2﹑電源指示燈﹕指不燈亮表示設備已接通電源﹐反之未通電。
3﹑電源開關﹕設備總電源開關“0”表示接通電源﹔“1”表示關閉電源。
4﹑真空時間﹕表示設備抽真空時間﹐可設置范圍0~60S 。
5﹑加熱時間﹕表示發熱片加熱時間﹐可設置范圍0~5S 。
6﹑冷卻時間﹕表示設備加熱后降溫時間﹐可設置范圍0~5S 。
7﹑加熱電壓選擇開關﹕根據所封材料選擇不同電壓12V ﹑24V ﹑36V 8﹑上蓋拉手﹕用于打開或壓下上蓋。
9﹑壓力表﹕指示設備抽真空壓力核准審核制作日期12 3 5 4 6 7 8 9設備名稱真空包裝機設備功能包裝産品文件編號設備型號DZD-500/2SA型廠商蘇通版本A3二﹑操作步驟:1﹑接通電源,打開電源開關,指示燈亮。
2﹑根據真空度調節面板上真空時間繼電器旋鈕,以取得不同的真空度。
3﹑調節封口時間繼電器旋鈕,選擇適當的封合時間,同時針對不同材質之真空袋選擇適當的封口電壓。
4﹑調節冷卻時間旋鈕,確保封口質量。
5﹑將真空袋平整地放在封口膠條上。
6﹑按下真空機上蓋,抽真空、封合、冷卻循環動作。
動作結束後,真空機上蓋自動開啓,抽真空完成取出産品即可。
三﹑注意事項:1﹑該機采用380V交流電壓,機體須妥善接地,以防漏電。
2﹑本機應安放於平整地面,保障良好的通風條件。
3﹑使用前後將真空室內進行清潔。
4﹑機器專人操作,無關人員切勿任意調節機器旋鈕,以免影響真空包裝效果,甚至損壞産品。
核准審核制作日期。
真空包装机操作、使用说明书真空包装机操作、使用说明书大江真空包装机械有限公司大江机械贸易有限公司说明书自述本说明书为整个系列真空包装机的使用说明书。
具体型号的使用说明请参照相关页面!具体机型:智能版型、普通型智能版型1 抽真空0~99S 充氮0~9.9S 加热0~9.9S冷却0~9.9S 电动开盖放气智能版型2 抽真空0~99S 充氮0~9.9S 加热0~9.9S冷却0~9.9S 放气智能版型3 抽真空0~99S 切丝0~9.9S 加热0~9.9S冷却0~9.9S 放气智能版型4 抽真空0~99S 加热0~9.9S 冷却0~9.9S放气普通型抽真空0~99S 加热0~9.9S 冷却0~9.9S放气各机型动作原理,内部结构,电器原理图,气路原理图,请根据机器功能参照相关页面!以上为现有通用机型,特殊机型及定制机型不在此列,具体情况请联系设备制造商!目录说明书自述 -------------------------------------- 1目录 -------------------------------------- 2用途及特点 -------------------------------------- 3使用前准备 -------------------------------------- 4操作说明 -------------------------------------- 7气路原理图 -------------------------------------- 9电气原理图 -------------------------------------- 11故障分析 -------------------------------------- 20用途及特点用途:本公司自发研制的全系列真空包装机具有功能优越,维护方便,操作简易,应用广泛等优点。
特别适用于复合薄膜或铝箔复合薄膜等软包装材料。
真空包装机使用说明书一,用途:该机以塑料或塑料铝箔薄膜为包装材料,对液体、固体、粉状糊状的食品、粮食、果品、酱菜、果脯、化学药品、药材、电子元件、精密仪器、稀有金属等进行真空包装,经真空包装的物品可以防止氧化、霉变、虫蛀、腐烂、受潮,延长保质保鲜期限。
特别适用于茶叶、食品、医药、商店、研究机构等行业,具有外型美观、结构紧凑、效率高、操作简便等优点。
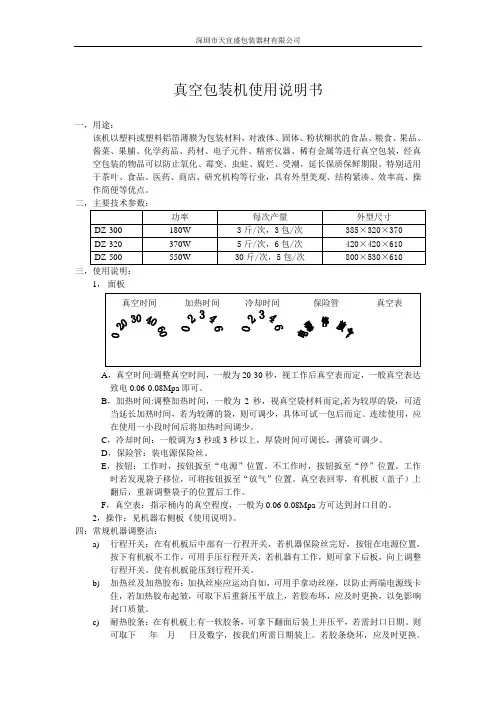
二,主要技术参数:1,面板A,真空时间:调整真空时间,一般为20-30秒,视工作后真空表而定,一般真空表达致电0.06-0.08Mpa即可。
B,加热时间:调整加热时间,一般为2秒,视真空袋材料而定,若为较厚的袋,可适当延长加热时间,若为较薄的袋,则可调少,具体可试一包后而定。
连续使用,应在使用一小段时间后将加热时间调少。
C,冷却时间:一般调为3秒或3秒以上,厚袋时间可调长,薄袋可调少。
D,保险管:装电源保险丝。
E,按钮:工作时,按钮扳至“电源”位置。
不工作时,按钮扳至“停”位置。
工作时若发现袋子移位,可将按钮扳至“放气”位置。
真空表回零,有机板(盖子)上翻后,重新调整袋子的位置后工作。
F,真空表:指示桶内的真空程度,一般为0.06-0.08Mpa方可达到封口目的。
2,操作:见机器右侧板《使用说明》。
四:常规机器调整洁:a)行程开关:在有机板后中部有一行程开关,若机器保险丝完好,按钮在电源位置,按下有机板不工作,可用手压行程开关,若机器有工作,则可拿下后板,向上调整行程开关。
使有机板能压到行程开关。
b)加热丝及加热胶布:加执丝座应运动自如,可用手拿动丝座,以防止两端电源线卡住,若加热胶布起皱,可取下后重新压平放上,若胶布坏,应及时更换,以免影响封口质量。
c)耐热胶条:在有机板上有一软胶条,可拿下翻面后装上并压平,若需封口日期。
则可取下年月日及数字,按我们所需日期装上。
若胶条烧坏,应及时更换。
d)油位:机器使用800小时后更换HF-6真空油,并加油所标油位。
真空包装机操作说明真空包装机的操作比较简单,但不是每个人都了解,现以青岛麦格食品真空包装机为例子详细介绍如下,另外操作之前最好详细阅读使用说明书:1、接通真空包装机电源(有些是3相电、有些是2相电,说明书有载明),根据工艺选择适当包装袋。
2、根据包装物大小及包装袋的材料设定加工参数,选择封口温度、抽真空时间和冷却时间。
3 、将真空包装袋置于真空室,真空包装袋口应平整地放在加热架上,用压条钢丝压住袋口。
4 、待上述工作完毕后,用手压下真空室上盖(部分电动开盖或气动开盖例如滚动真空包装机按下启动开关),机器将自动完成加工流程。
5 、真空包装机在加工过程真空室将形成负压自锁状态,整个加热、封口过程在真空环境下完成,面板数码管监视工作流程。
6、当控制面板抽气指示灯亮起,设备处于抽气状态,数码管显示抽气时间计时,计时完成自动转入下一工作状态。
7 、当面板充氮气指示灯亮起,设备处于充气状态,数码管显示充气时间倒计时,倒计时完成后自动转入下一工作状态。
此功能部分机型用于切口工作,运行时此项显示表示切口状态。
如您选择的机型不带充气和切口功能,此项动作不显示,抽气完成后自动进入加热状态。
外抽式真空包装机的调试与此相识。
8 、当加热指示灯亮起,设备进入加热工作状态,面板显示加热倒计时。
计时完成,自动转入冷却状态(继电器机型无冷却时间设定,加热完成后,直接开盖)。
9 根据时间设定,冷却工作时,机器不作任何动作,面板显示“□□”直至倒计时完成后,回气自动开盖,整个加工过程完成,并做好下次循环工作准备(电动气动开盖机型将计算放气时间,放气时间到达后,自行启动开盖)。
继电器机型没有冷却步骤,直接开盖。
10 在加工状态出现突发状况时,按下急停按钮,机器将自行转到回气动作(智能版型面板显示“□□”),回气动作后自行开盖,结束此次加工。
真空包装机操作、使用说明真空包装机操作、使用说明一:安全注意事项1.1 确保工作区域干燥,远离水源和易燃材料。
1.2 在操作前,确认电源已关闭并拔掉插头。
1.3 使用过程中,避免将手或其他物体放入机器内部。
1.4 在清洁和维护机器前,必须先断开电源。
二:机器组成部分2.1 压力控制器:用于设定和监控真空压力。
2.2 真空室:放置待包装物品的区域。
2.3 密封材料:用于封口和保持真空效果的材料。
2.4 控制面板:用于设置操作参数和监控机器状态。
三:操作流程3.1 准备工作3.1.1 清洁真空室内的杂物。
3.1.2 检查真空袋的完整性,确保没有破损或漏气的情况。
3.1.3 将待包装物品放入真空袋中,并确保袋口清洁、干燥。
3.2 设置操作参数3.2.1 打开机器,关闭真空室的盖子。
3.2.2 将真空袋的袋口放入密封材料中,并确保袋口完整覆盖。
3.2.3 设定所需的真空度和封口时间。
3.3 开始操作3.3.1 按下“开始”按钮启动机器,开始吸气和封口。
3.3.2 机器会自动完成吸气和封口过程。
3.3.3 当机器发出信号或显示吸气过程完成时,可以打开真空室盖子,取出真空包装好的物品。
四:清洁与维护4.1 关闭机器并断开电源后,使用干净的抹布清洁机器表面。
4.2 定期清洁真空室和密封材料,避免积聚尘埃和污垢影响真空效果。
4.3 轮换使用密封材料,以延长其使用寿命。
五:附件该文档包含以下附件:5.1 真空包装机操作示意图5.2 真空包装机清洁维护记录表六:法律名词及注释6.1 真空包装机:指一种利用真空技术进行包装的机器设备,可以有效延长食品和其他物品的保质期。
6.2 真空度:指在封口过程中,机器创造的真空环境的程度,常用毫巴(mbar)表示。
6.3 密封材料:指用于封口和保持真空效果的特殊材料,可防止空气进入袋内。
真空包装机操作指导书真空包装机操作指导书一、概述真空包装机是一种用于将食品等物品进行真空包装的设备。
本指导书旨在提供详细的操作步骤和注意事项,以确保正常且安全地使用真空包装机。
二、安全操作规范1:确保操作人员熟悉并遵守机器的安全操作规范。
2:在操作前,务必检查机器是否处于良好状态,确保所有部件安装正确且紧固。
3:在进行任何维护和清洁之前,务必关闭电源并拔掉插头。
4:使用防滑手套和护目镜等个人防护装备。
三、机器操作步骤1:准备工作a:将需要包装的物品放置在工作台上,确保干燥且清洁。
b:切割合适长度的包装袋,并确保袋子的开口处完好无损。
2:打开机器a:按下电源开关,并确保指示灯亮起。
b:调整控制面板上的温度、压力和时间等参数,以便实现最佳包装效果。
c:等待机器预热至设定温度。
3:放置物品和包装袋a:将要包装的物品适当地放置在包装袋内。
b:将包装袋口处平整放置在真空包装机的密封槽上。
4:真空封口a:按下封口按钮,机器将自动开始真空抽气和封口的过程。
b:等待封口结束并确认包装袋完全密封。
5:完成包装a:将已经包装好的物品取出,并进行必要的标识和包装。
四、维护和故障排除1:定期清洁机器的外观和内部部件,确保没有污垢和堵塞。
2:检查机器密封垫和封口带的状况,如发现损坏或磨损,及时更换。
3:如果机器发生故障或异常情况,应立即关闭电源,并联系维修人员。
附件:本文档包含以下附件:1:真空包装机示意图2:真空包装机操作视频教程法律名词及注释:1:操作人员:指使用真空包装机的工作人员。
2:机器的安全操作规范:指对真空包装机的合理使用所需遵守的规范和要求。
真空包装机操作说明
一、准备工作
1. 将真空包装机放置在水平台面上,确保周围通风良好,避免堵塞
机器散热口。
2. 接通电源,确保电压稳定并接地可靠。
3. 检查真空包装机各部件是否完好,如有损坏或松动应及时更换或
固定。
二、操作步骤
1. 打开真空包装机上的电源开关,待指示灯亮起后即可开始操作。
2. 将待包装物品放入真空包装袋中,注意物品应摆放整齐,避免撕
裂包装袋。
3. 将包装袋的开口放入真空包装机的密封槽中,确保开口完全贴合。
4. 按下真空包装机上的真空按钮,机器将开始抽真空处理。
等待指
示灯熄灭后表示真空处理完成。
5. 真空完成后,立即按下密封按钮,机器将对包装袋进行密封操作。
等待指示灯熄灭后表示密封完成。
6. 将包装袋取出,检查密封是否完好,如有问题可重新进行真空密
封操作。
三、注意事项
1. 操作人员需定期清洁真空包装机各部件,保持机器运行顺畅。
2. 真空包装机在使用过程中应避免超负荷操作,以免损坏机器。
3. 真空包装机使用结束后,应及时关闭电源开关并拔掉电源插头,确保安全。
4. 如遇到操作问题或机器故障,应立即停止操作并联系专业维修人员处理。
通过以上操作说明,您可以准确、安全地使用真空包装机进行包装操作,确保产品包装质量和食品安全。
祝您操作顺利,谢谢!。
真空包装机操作指导书1、目的:规范操作员正确操作,减少事故发生率,确保产品符合要求。
2、范围:使用于真空包装机的操作。
3、操作方法:3.1接入市电220V/AC,打开真空机合盖,开启电源开关;3. 2开机需热机1分钟方可进入工作状态;3.7 真空包装完成后,盖子自动打开,取出包装好的材料;3.8 继续包装,重复3.5-3.7步骤;3.9 真空包装机使用完后,先关闭电源,再盖上合盖。
4、注意事项:4. 1打开电源之前,先打开真空机合盖;4.7 待抽真空材料放置时,热封口需从里往外超出槽内两边热压柱;4.8 设备在抽真空过程,可按“急停”键进行暂停运行,不可采用其它强制方法进行暂停运行; 3 3 3 3 3 3 3 3 3 3 33 3时间设置:3.1 抽气时间设置:按设置键,抽气指示灯亮,按“增加”、“减少”键进行设置; 3.2 热封时间设置:再按设置键,热封指示灯亮,按“增加”、“减少”键进行设置; 3.3 冷却时间设置:再按设置键,冷却指示灯亮,按“增加”、“减少”键进行设置; 3.4 再按设置键,时间设置完成。
4热封温度设置: 4 J '低温设置:按热封温度键,低温指示灯亮;4.2 中温设置:再按热封温度键,中温指示灯亮; 4.3 高温设置:再按热封温度键,高曙指示灯亮; 4.4 再按热封温度键,无指示灯亮,热封温度自动调节。
5将待真空包装的材料放于槽内,热封口朝两边:6盖上合盖,进行真空包装;4.9设备使用完后,先打开真空机合盖,再关闭电源;4.10设备运行过程中,禁止关闭电源。
5、设备点检:设备操作人员于正常工作日每天使用前,按《设备点检记录表》中各项要求进行点检6、相关记录表格:《设备点检记录表》。
真空包装机的使用说明
真空包装机是一种用于食品、药品、电子产品、化妆品等制品的空气抽取、密封的设备,主要用途是保持食品等制品的新鲜度、延长保质期,同时防止氧化变质等。
以下是真空包装机的使用说明:
1. 按照说明书上的指示打开机器,接通电源。
2. 放置制品:将要包装的食品等制品放入袋内,注意要保持袋口干净和干燥,不要将水分和任何杂质放在袋内。
3. 调整时长:根据所包装制品的尺寸和性质,调整真空、密封时间和温度。
注意不要超过说明书上所指定的范围。
4. 抽气:将袋口放进真空口,按下真空键,机器就会自动抽气。
5. 测漏:在抽真空完成后,机器会进行自动检测袋口的漏气情况,如果漏气会自动停止,需要重新处理袋口。
6. 密封:当检测无漏气后,机器会自动密封袋子。
密封完成后,机器就会自动关闭。
7. 取出袋子:打开机器,将袋子取出,注意不要弄破袋子,损坏食品等制品。
8. 清洗机器:每次使用后都要彻底清洗机器,去除食品等制品残留物和杂质,保持机器的卫生。
需要注意的是,使用真空包装机时一定要按照说明书的指示,不要超过其所设定的范围。
此外,在使用机器时,要确保操作人员的安全,不要将手指放到真空口中,以免受伤。
真空包装机使用说明书使用说明书注意事项:1. 本使用说明书适用于真空包装机。
2. 在操作真空包装机之前,请仔细阅读本使用说明书,并确保您已经了解和掌握了使用方法和注意事项。
一、产品概述真空包装机是一种用于将食品或其他物品进行真空包装的机器。
它通过抽取包装袋中的氧气,有效延长食品的保鲜时间,并防止食品变质。
二、产品特点1. 高效节能:真空包装机采用先进的真空抽气技术,可以快速抽取包装袋中的氧气,提高包装效率,节省能源。
2. 省时省力:真空包装机操作简单,只需放入食品和包装袋,按下启动按钮即可完成真空包装。
3. 耐用可靠:真空包装机采用高品质的材料制造,结构坚固,使用寿命长,稳定可靠。
4. 多功能:真空包装机可以用于包装各种食品,如肉类、蔬菜、水果等,也可以用于包装非食品物品。
三、使用步骤1. 检查设备:确保真空包装机处于正常工作状态,连接电源,并检查机器上的所有按钮和控制面板是否正常。
2. 准备食品:将要包装的食品放入包装袋中,并确保包装袋口部干净、无杂质。
3. 放置食品:将包装袋放入真空包装机的包装腔内,确保包装袋完全贴合包装腔,不留气泡。
4. 启动机器:按下启动按钮,真空包装机开始工作。
在真空抽气过程中,请勿移动或触摸机器。
5. 完成包装:当真空抽气完毕后,机器会自动封口,并停止工作。
此时可以取出包装好的食品,并关闭机器电源。
四、注意事项1. 使用前请确保电源插头及电源线无损坏,且电气接地良好。
2. 请勿将手指或其他物品伸入真空包装机的包装腔内,以免造成意外伤害。
3. 请勿在包装腔内放入过大或过重的物品,以免影响机器的正常工作和使用寿命。
4. 包装袋应选用适用于真空包装机的专用袋,在使用过程中请勿使用损坏或过期的包装袋。
5. 如有任何异常情况或故障发生,请立即停止使用并联系售后服务部门进行维修。
五、清洁和维护1. 在清洁和维护设备之前,请确保机器已经断电并冷却。
2. 使用软布蘸取清洁剂,轻轻擦拭真空包装机表面和内部。
真空包装机操作、使用说明书真空包装机操作、使用说明书大江真空包装机械大江机械贸易说明书自述本说明书为整个系列真空包装机的使用说明书。
具体型号的使用说明请参照相关页面!具体机型:智能版型、普通型智能版型1 抽真空0~99S 充氮0~9.9S 加热0~9.9S冷却0~9.9S 电动开盖放气智能版型2 抽真空0~99S 充氮0~9.9S 加热0~9.9S冷却0~9.9S 放气智能版型3 抽真空0~99S 切丝0~9.9S 加热0~9.9S冷却0~9.9S 放气智能版型4 抽真空0~99S 加热0~9.9S 冷却0~9.9S放气普通型抽真空0~99S 加热0~9.9S 冷却0~9.9S放气●各机型动作原理,部结构,电器原理图,气路原理图,请根据机器功能参照相关页面!●以上为现有通用机型,特殊机型及定制机型不在此列,具体情况请联系设备制造商!目录说明书自述-------------------------------------- 1 目录-------------------------------------- 2 用途及特点-------------------------------------- 3 使用前准备-------------------------------------- 4 操作说明-------------------------------------- 7 气路原理图-------------------------------------- 9 电气原理图-------------------------------------- 11 故障分析-------------------------------------- 20用途及特点用途:本公司自发研制的全系列真空包装机具有功能优越,维护方便,操作简易,应用广泛等优点。
特别适用于复合薄膜或铝箔复合薄膜等软包装材料。
对固体、液体、粉状、糊状的食品,种子、芬芳物、药品、化工产品、电子产品、精密仪器仪表、稀有贵重金属等物品进行真空包装,或者真空后充入惰性气体包装。
经真空包装处理后的物品可长期保质保鲜,防止氧化,霉变,虫蛀,腐败,受潮,且适合于各种工作环境及场所!特点:本机使用极为方便,从压下机盖后,抽真空到充气,加热封口,标签印制,冷却回气,开盖全部自动完成,实现加工过程全自动处理。
封口温度及封口时间灵活设定,且调节围广泛,以适应各种不同的材料的包装袋,和不同规格的包装袋。
本机设有安全接地保护,急停按钮保护,以应付突发事件,在加工过程出现状况,按下急停按钮,可立即终止包装程序。
使用前准备●安装部分1 操作前请熟读《产品使用说明书》,遵守《产品使用说明书》各项操作规则,安全注意事项。
2 开机前按规定为真空泵加注HFV—32高速真空泵油或32N机油,(放置在水平位置时,油位保持在油窗3/4处),运转时油位不得低于油窗1/2 处。
也不可注入过多,以防机油喷溅。
3 机器应水平安放,保持良好的通风散热环境,周围应无腐蚀性气体,不要处于较大灰尘环境作业。
4 根据机型的不同,在电源配置上可能有所差别,在使用前请务必进行保护接地。
5 打开机盖扣,接通电源,压下机盖则自动开启(电动开盖机型接通电源后会自动开盖、按控制板旁边的按纽合上真空盖后则自动开启),使用三相电源(三相四线)机型应注意电机正反旋转方向。
6 根据不同地域或季节,低温启动请先预热真空泵。
预热真空泵时请关闭加热功能,以防烧坏加热装置,造成不必要的损失。
●设定部分开机作业前请先设定各项参数,因机型各异,请详细参读此节。
普通版型设定:1 接通电源,开启电源开关,指示灯亮。
设置时间继电器,调节抽气,热封时间(前两位数代表抽真空时间:如28表示28秒,后两位数代表封口时间:如12表示1.2秒)。
抽真空、热封时间可以在时间继电器按动:“+ -”来调节。
(部分时间继电器采用旋钮调节,具体配置以实物为准)2 面板上按键开关调节加热温度,按键开关分3档,选择HIGH为高温,LOW为低温,中间为不加热。
(双室机型温度分四档调节)3 调试时注意抽真空时间由长调短,当真空表到达-0.1MPa后可再稍稍延长1~2S时间为准。
加热时间要先设短一点,慢慢加长。
最好先选择低温档。
4 运转时听真空泵有无异响,完成所有调试工作方可进循环运行生产作业。
智能版型:1 接通机器电源,面板上显示‘--’表示待机状态。
可进行参数设定或作业生产,二者不兼容,即设定时不得作业,作业时不能设定。
2 按设定键,抽气指示灯亮,进入抽气设定状态,按上下键加减抽气时间,围0~99秒。
3 抽气时间设定好后,再按设定键,充氮气指示灯亮,进入充氮气时间设定状态,按上下键加减充氮气时间,设定围为0~9.9秒。
(注意:部分机型无充氮气功能而是带有切口功能,那么此项设定即为切口时间。
大部分机型即不带充氮气也不带切口功能,此项设定隐藏不显示,抽气设定(作业)完成后直接进入加热设定(作业)状态。
4 按动参数设定键,加热指示灯亮,进入加热设定状态,按上下键加减加热封口时间,设定围0~9.9秒。
设定时应由短到长逐步增加加热时间。
5 设定完加热时间后,再次点动设定键,冷却指示灯亮,进入冷却时间设定状态,冷却时间围0~9.9秒。
6 设定完冷却时间后再次点动设定键,完成参数设定,面板显示“Ed”。
7按“温度调节”设定键进入温度设定状态,按一次设定键指示一相应温度值,灯显示为橙色;“高温”“中温”“低温”三档,(状态灯亮,封口工作时状态灯变为绿色。
如状态灯不亮、表示无热封口选择)。
如有特殊要求,请联系设备制造商。
(部分智能版机型,温度选择开关独立设计,选用船形三位开关,在面板上独立安装。
此款机型温度选择只有两档,HIGH为高温,LOW为低温,中间为不加热)。
8 如果您的机型是电动开盖或者气动开盖,我们将为您预设回气开盖时间(时间继电器装在机器部,时间一般不需改动),您也可根据生产工艺自行优化。
8 小技巧:当您用较大真空室加工较小产品时,为缩短抽气、充气时间,可适当填充真空室,占用真空室空间,再适当调节加工时间,增加工作效率。
但须注意,填充物不得堵塞真空室通气孔。
操作说明1 接通电源,根据工艺选择适当包装袋。
2 设定加工参数,选择封口温度。
具体参照5~7页。
3 将包装袋置于真空室,袋口应平整地放在加热架上,用压条钢丝压住袋口。
4 待上述工作完毕后,压下有机玻璃机盖(部分电动开盖或气动开盖按下启动开关),机器将自动完成加工流程。
5 加工过程真空室将形成负压自锁状态,整个加热、封口过程在真空环境下完成,面板数码管监视工作流程。
6 当面板抽气指示灯亮起,设备处于抽气状态,数码管显示抽气时间计时,计时完成自动转入下一工作状态。
7 当面板充氮气指示灯亮起,设备处于充气状态,数码管显示充气时间倒计时,倒计时完成后自动转入下一工作状态。
此功能部分机型用于切口工作,运行时此项显示表示切口状态。
如您选择的机型不带充气和切口功能,此项动作不显示,抽气完成后自动进入加热状态。
8 当加热指示灯亮起,设备进入加热工作状态,面板显示加热倒计时。
计时完成,自动转入冷却状态(普通版机型无冷却时间设定,加热完成后,直接开盖)。
9 根据时间设定,冷却工作时,机器不作任何动作,面板显示“□□”直至倒计时完成后,回气自动开盖,整个加工过程完成,并做好下次循环工作准备(电动气动开盖机型将计算放气时间,放气时间到达后,自行启动开盖)。
普通版机型没有冷却步骤,直接开盖。
10 在加工状态出现突发状况时,按下急停按钮,机器将自行转到回气动作(智能版型面板显示“□□”),回气动作后自行开盖,结束此次加工。
其他注意事项1 硅胶条一面为网状平面,另一面可装印字粒子,用于印制日期,标签等加工信息。
2 请勿空运转加热,否则将烧坏加热带。
3 不用时切断电源,断开外部插头。
4 本设备在不同的地理海拔高度,抽真空负压力值会有所波动。
5 在较高温度场合加工时,应采取适当冷却措施。
气路原理图一:注:此图对应真空泵自带止回阀的所有智能版型和普通版型机型,此款机型无充惰性气体的功能。
气路原理图二:注:此图对应真空泵不带止回阀的所有智能版型和普通版型机型,此款机型无充惰性气体的功能。
气路原理图三:注:此图仅限于智能版型的带充惰性气体的机型,此款机型均选用自带止回阀的真空泵。
气路原理图四:注:此图仅限于智能版型的带充惰性气体的机型,此款机型均选用不带止回阀的真空泵。
电器原理图一:注:此款机型为智能版控制型,单封口,不具备充惰性气体功能。
YV1 隔离电磁阀YV2 回气电磁阀M 真空R 加热带KA1 KA2 KA3 分别表示高中低温。
031010 智能控制板KM 交流接触器电器原理图二:注:此款机型为智能版控制型,单封口,具备充惰性气体功能。
YV1 隔离电磁阀YV2 充气电磁阀YV3 回气电磁阀M 真空泵R 加热带KM 交流接触器KA1 KA2 KA3 分别表示高中低温。
031010 智能控制板电器原理图三:注:部分智能版机型采用电动开盖,此图针对部分机型之电动开盖电路部分原理,结合电器原理图一,电器原理图二,构成充气型电动开盖机或不充气型电动开盖机。
电器原理图四:注:如果您的机器采用三项四线供电,那么真空泵电机接线请参照上图。
电器原理图五:注:此图仅针对所有普通版机型。
另有普通版双封口机型,只在加热带上再并联一个加热元件,此处不再另作说明。
YV2 隔离电磁阀YV1 充气电磁阀M 真空泵R 加热带KM 交流接触器电器原理图六:注:此款机型为智能版温度选择分离式设计,温度选择为两档。
YV1 隔离电磁阀YV2 回气电磁阀KM1 真空泵交流接触器KM2 加热交流接触器电器原理图七:注:此款机型为真空包装附带充惰性气体一体机型,全部加工过程均采用微电脑控制。
YV1 隔离电磁阀YV2 回气电磁阀YV3 充氮电磁阀FU 4A保险丝SQ DZ47-60 C16 控制变压器220V/12V/5W加热变压器250W电器原理图八:注:此款机型仅适用于双室真空包装机,此款机器分四档调节温度。
YV1 隔离电磁阀YV2 回气电磁阀SQ DZ47-60 C16故障分析一.真空泵及抽气系统1.真空泵不动作,可能原因如下:●行程开关未压合,请将机盖合拢,调节行程开关,电动开盖机型请调节拉杆。
●真空泵时间继电器损坏,请更换。
●真空泵电机损坏,更换或维修。
2.真空室达不到真空度,可能原因如下:●真空泵磨损或损坏,达不到真空度。
●气管接头松动,管子破裂,真空室密封圈损坏,电磁阀损坏等等,导致大气窜入真空室。
●真空泵油不够。
●抽气时间不够。
3.真空室打不开,可能原因如下:●放气电磁阀未能开启。
●电动开盖机型有可能开盖电机损坏,拉杆卡死。