档案盒封面样式
- 格式:pdf
- 大小:15.72 KB
- 文档页数:1
山东泉利置业有限公司档案管理
技术规范
—— 文书档案(0-5大类)
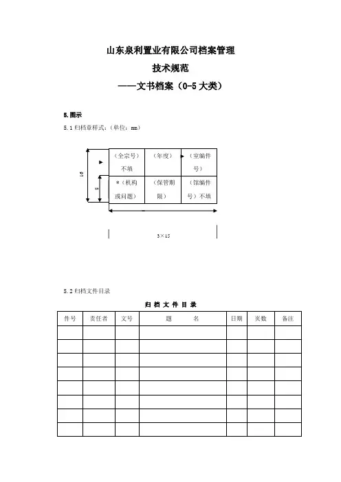
5.图示
5.1归档章样式:(单位:mm )
5.2归档文件目录
归 档 文 件 目 录
3×15
16
5.3归档文件目录式样
归档文件目录
*全宗名称___________
*年度___________
*保管期限___________
*机构___________
(问题)
5.4归档盒封面式样及规格
(全宗名称)
5.5备考表样式
5.6档案盒盒脊式样(单位:mm)
B
5.7档案盒上底边式样(单位:mm)
C
B
5.8档案移交目录
档案移交目录
移交单位:接收单位:
部门负责人:部门负责人:
移交人:接收人:
日期:_______________ 日期: ________________
(注:如移交单位已按档案管理有关要求进行了分类,可以将已经形成的“归档目录”作为“移交目录”)
5.9资料目录
资料目录
年度:2012。
家长学校档案盒大封面标题:家长学校档案盒大封面引言概述:家长学校档案盒大封面是学校管理家长信息的重要工具,具有保护、整理和展示档案的功能。
本文将从材质、设计、功能、使用注意事项和维护保养等方面详细介绍家长学校档案盒大封面。
一、材质1.1 材质选择:家长学校档案盒大封面通常采用耐磨、防水、易清洁的材质制作,如PU皮革、塑料、PVC等。
1.2 质地要求:材质质地要坚固耐用,不易变形、开裂,能有效保护档案资料免受损坏。
1.3 颜色选择:封面颜色应选择明亮、清晰、不褪色的颜色,以便于区分不同学校或年级的档案。
二、设计2.1 外观设计:家长学校档案盒大封面设计应简洁大方,避免过多花俏装饰,突出功能性和实用性。
2.2 尺寸规格:封面尺寸要适中,能容纳标准大小的文件夹或文件,方便存放和取用档案资料。
2.3 印刷标识:可以在封面上印制学校名称、logo等标识,提升学校形象,方便辨识。
三、功能3.1 保护作用:家长学校档案盒大封面能有效保护档案资料免受灰尘、潮湿、污染等侵害,延长档案保存时间。
3.2 整理功能:封面设计合理,便于整理、分类档案资料,提高工作效率,减少混乱和遗漏。
3.3 展示效果:封面外观简洁大方,展示档案资料时能够体现学校的专业性和管理水平。
四、使用注意事项4.1 避免受潮:封面应放置在干燥通风的地方,避免长时间受潮导致变形或霉变。
4.2 防止划伤:使用时要注意避免封面与尖锐物体接触,以免划伤表面,影响美观和使用寿命。
4.3 定期清洁:封面表面可用湿布擦拭清洁,定期保持干净整洁,延长使用寿命。
五、维护保养5.1 定期检查:定期检查封面是否有损坏或磨损情况,及时修补或更换,保持封面完好无损。
5.2 避免日晒雨淋:封面避免长时间暴露在阳光下或雨淋中,以免变色、开裂或变形。
5.3 注意存放:封面存放时要平放,避免挤压变形,保持原有形状和功能。
总结:家长学校档案盒大封面在学校管理中具有重要作用,选择合适的材质、设计合理的外观、注意使用和维护保养,能够有效保护和展示档案资料,提高工作效率和管理水平。
领 导 管 理以 县 为 主A 1 -B 1 –C 1- 01某某县迎接xxx 检查材料装档要求为更好地完成此次迎检任务,特将材料装档要求印发如下: 1.档案盒按指定样式准备(32 cm *23.5 cm *3.5cm )。
2.档案盒封面格式(如图1,加双实线外框,5.6 cm *8.8cm ):A 级指标,宋体、加粗、一号字B 级指标,宋体、加粗、小初号字宋体、加粗、字母为小一号字,数字为三号字。
若几项C 级指标合为一盒,则为“A 1-B 1-C 1- C * ”图1 档案盒封面格式3.档案盒侧面格式(如图2, 加双实线外框,2.5 cm *20.5 cm )。
宋体、加粗、小初号字 4.盒内纸张统一为A4纸,字体统一为宋体。
5.档案盒内材料顺序:一 按类别,二按时间。
6.盒内资料封面见提供的样 品。
宋体、加粗、字母为三号字,数字为小四号,若几项C 级指标合为一盒,则为“A 1-B 1-C 1-C *”图2 档案盒侧面格式迎接国家两基督导检查档案资料 A 1-B 1- C 1-017.卷内目录具体要求。
例:迎接国家“两基”督导检查档案资料目录目录相关说明:1.第一行“迎接国家‘两基’督导检查档案资料目录”。
字体宋体,小二号。
2.第二行“卷名:“A1-B1-C1-01”。
字体宋体,“卷名”及字母为小四号,数字为小五号。
3.C级指标若01盒不能装完,则再装02盒,盒内顺序号仍从“1”开始,依次类推。
若几项C级指标合为一盒,则卷名为“A1-B1-C1-C* ”。
4.表格中字体为宋体,小四号字。
5.目录中日期表示法为“20080*”,意思为2008年*月,不要具体到某日。
6.页号是指该文件在卷内开始的页数。
7.请各单位按照上述要求进行迎检材料的准备和装档工作。
某某县教育局2009年5月。
(档案管理)档案封面模板一、档案封面设计原则1. 简洁明了:档案封面应简洁大方,便于识别和查找。
避免使用复杂的设计元素,以免影响阅读体验。
2. 规范统一:档案封面格式应遵循国家档案局相关规定,确保档案封面的规范性和统一性。
3. 实用性:档案封面应具备一定的实用性,便于档案的存放、搬运和查阅。
二、档案封面模板内容1. 档案名称:位于封面正中央,字体加粗,字号适中,突出显示。
2. 档案编号:位于档案名称下方,字号略小于档案名称,便于检索和归档。
3. 归档部门:位于档案编号下方,字号与档案编号相同,明确档案归属。
4. 档案密级:位于封面右上角,根据档案内容确定密级,如“绝密”、“机密”、“秘密”等。
5. 档案类型:位于封面左上角,如“文书档案”、“科技档案”、“会计档案”等。
6. 档案起止日期:位于封面右下角,注明档案的形成时间范围。
7. 档案页数:位于封面左下角,便于统计档案总页数。
三、档案封面模板示例档案名称(字体加粗,字号适中)档案编号:0归档部门:部门档案密级:机密档案类型:文书档案档案起止日期:2021年1月1日 2021年12月31日档案页数:100页请根据实际需求调整档案封面模板内容,确保档案封面符合规范,便于管理和使用。
(档案管理)档案封面模板四、档案封面设计注意事项1. 色彩搭配:档案封面的色彩应保持沉稳,避免使用过于鲜艳的颜色,以免影响档案的正式性和严肃性。
2. 留白处理:合理留白,使封面内容布局更加清晰,方便阅读和识别。
3. 材质选择:根据档案的重要性和使用环境,选择合适的封面材质,如牛皮纸、亚克力、塑料等。
4. 尺寸规范:档案封面尺寸应与档案盒尺寸相匹配,确保档案的整体美观和整齐。
五、档案封面个性化定制1. 企业标识:可在档案封面加入企业LOGO或标志性图案,提升档案的辨识度。
2. 分类标签:根据档案内容,设计不同颜色的分类标签,便于快速识别档案类别。
3. 防伪措施:对于重要档案,可在封面上添加防伪标识,确保档案的安全性和真实性。
家长学校档案盒大封面家长学校档案盒大封面是指用于存放家长学校档案的盒子的封面设计。
家长学校是一种培训家长如何更好地教育自己孩子的教育机构,为了方便管理和保存家长学校的档案,需要设计一个大封面,以便标识和保护档案盒。
一、封面设计要求1. 封面尺寸:标准的家长学校档案盒大封面尺寸为30厘米(宽)×40厘米(高),适合常见的档案盒尺寸。
2. 材质选择:封面材质应选用耐用、防水、防尘的材料,如PVC塑料板、PU皮革等。
3. 颜色搭配:封面颜色应与家长学校的形象色调相协调,普通以璀璨、明艳的色采为主,如蓝色、红色、黄色等。
4. 标志设计:封面上应设计家长学校的标志,标志可以是家长学校的名称、简称或者图形标志,以便识别和宣传。
5. 标题设计:封面上应有明确的标题,如“家长学校档案”、“家长学校管理档案”等,以便快速辨识。
二、封面内容设计1. 学校名称:封面上应有家长学校的名称,字体应清晰、醒目,可以选择一种简洁的字体,如Arial、微软雅黑等。
2. 学校标志:封面上应有家长学校的标志,标志可以是学校的名称、简称或者图形标志,标志的大小和位置应与整个封面相协调。
3. 学校口号:封面上可以设计一个简洁有力的口号,如“携手共进,共同成长”、“与孩子一起,共创夸姣未来”等,以激发家长的积极性和参预度。
4. 学校介绍:封面上可以简要介绍家长学校的宗旨、目标和特色,以便让家长了解学校的教育理念和优势。
5. 联系方式:封面上应注明家长学校的联系方式,如电话号码、电子邮箱等,以便家长与学校进行沟通和交流。
三、封面装饰设计1. 背景设计:封面背景可以选择一种简单、纯色的背景,如蓝色、红色、黄色等,也可以选择一种与学校形象相符的背景图案,如校园景观、孩子的笑脸等。
2. 图片设计:封面上可以插入一些与家长学校相关的图片,如家长和孩子的合影、家长学校的教室等,以增加封面的吸引力和亲和力。
3. 边框设计:封面的边框可以选择一种简洁、精美的边框,如花纹边框、图案边框等,以增加封面的美观度和艺术感。
1
办学指导思想1.1 办学1
办学指导思想
江苏教育学院改制迎评档案盒标签样式说明一、档案盒背脊标签样式
①小档案盒②大档案盒
说明:
1.档案盒背脊标签包括一级指标和二级指标内容,“第×盒共×盒”指的是二级指标下内容的总盒数。
2.样式①尺寸为18.8cm×2.5cm,“办学指导思想”为二号楷体加粗,“办学定位”为小三号楷体加粗,“第盒共盒”为小四号楷体加粗,数字统一格式为“Times New Roman”。
3.样式②尺寸为18.8cm×
4.3cm,“办学指导思想”为小一号楷体加粗,“办学定位”为小三号楷体加粗,“第盒共盒”为小四号楷体加粗,数字统一格式为“Times New Roman”。
二、档案盒正面标签样式
说明:
1.档案盒正面标签包括一级指标、二级指标、三级指标内容及材料所属单位,其中三级指标可以写具体材料名称,若材料较多也可写成“1.1.1—1.1.2”。
2.样式尺寸为5.4cm×8.9cm。
3.“办学指导思想”为二号楷体加粗,“办学定位”为小二号楷体加粗,“材料、单位”为四号楷体加粗,数字统一格式为“Times New Roman”。
三、内页材料封面字样
××系教学档案
1.1.1
办学的定位与规划说明:封面包括三级指标的详细内容。
四、材料目录
材料目录
说明:1.材料目录内文字统一要求楷体,小四号,上下、左右居中。
2.“材料编号”一栏中的“××××〔200×〕×”指批准文号,例如:苏教高〔2007〕20号。
档号:档案馆代号:城建档案工程名称:子项名称:案卷题名:编制单位:编制日期:密级保管期限共卷第卷档号档号档号档号档号档号I0101·2007089 -A·001 I0101·2007089-A·001I0101·2007089-A·001I0101·2007089-A·001I0101·2007089-A·001I0101·2007089-A·001项目名称项目名称项目名称项目名称项目名称项目名称申亚山公庄寓二楼期工程申亚山公庄寓二楼期工程申亚山公庄寓二楼期工程申亚山公庄寓二楼期工程申亚山公庄寓二楼期工程申亚山公庄寓二楼期工程案卷题名案卷题名案卷题名案卷题名案卷题名案卷题名工程准备阶段文件工程准备阶段文件工程准备阶段文件工程准备阶段文件工程准备阶段文件工程准备阶段文件档号档号档号档号I0101·2007089 -A·001 -C·012 I0101·2007089-A·001-C·012I0101·2007089-A·001-C·012I0101·2007089-A·001-C·012项目名称项目名称项目名称项目名称申亚山公庄寓二楼期工程申亚山公庄寓二楼期工程申亚山公庄寓二楼期工程申亚山公庄寓二楼期工程案卷题名案卷题名案卷题名案卷题名工施程工准质备量阶保段证文资件料工施程工准质备量阶保段证文资件料工施程工准质备量阶保段证文资件料工施程工准质备量阶保段证文资件料。