常用电气控制原理图(通用型图)
- 格式:pdf
- 大小:3.13 MB
- 文档页数:44
电气原理图标准
在电气原理图中,常用的标准图形有电源(以直流电池和交流电源的图标表示)、电阻器(以两条平行线表示)、电感器(以一个卷曲线表示)、电容器(以两条平行线和两个交叉的线表示)、开关(以一个实心方框表示,可以是单刀双掷开关、按钮开关等,具体功能可根据需求来确定)、灯泡(以一个泡状图标表示)、传感器(以一个三角形表示)、连接器(以一个T字形表示)等。
此外,还可以使用箭头表示电流的方向、波浪线表示交流电、双箭头表示变压器等符号。
在电气原理图中,图形的排列和连接方式也要符合一定的规则,如电源要放在图的左边,电阻器、电容器等要按照电流的流动方向依次排列,并用直线将它们连接起来。
注意,不同图形之间不能有相同的标题文字出现,以免造成混淆。
而在具体的注释和说明中,可以使用适当的文字描述来更清晰地表达电路的功能及参数。
西安祥天和电子科技有限公司详情咨询官网主营产品:液位传感器水泵控制箱报警器GKY仪表液位控制系统,液位控制器,无线传输收发器等液位控制器工作原理图示液位控制器是简单的液位控制系统,接线简单、使用灵活。
常见的有GKY通用液位控制器和水位报警器,可以接入GKY液位传感器、电极探头(如GKYC-DJ)、UQK01等液位传感器。
以下,以GKY传感器为例来说明其工作原理。
一、GKY通用液位控制器工作原理图通用液位控制器外形尺寸长150宽90高70mm,继电器输出I、输出II同步工作,在低水位吸合高水位断开,继电器触点负荷均为220V10A。
用于供水时选择4端接入控制回路,用于排水时选择5端接入控制回路。
以下为UGKY典型的电气控制接线方案,其中KA为中间继电器或交流接触器:供水接线方案排水接线方案二、GKY液位报警器工作原理图水位报警器外形尺寸长150宽90高70mm,可以配一个或两个液位传感器。
配一个传感器时,报警器为水满报警:即在这个传感器有水时发出声光报警,同时上限继电器吸合。
如果将报警器设置1(7、8端子)用一段导线连接(即短路),则报警器为缺水报警:即在这个传感器无水时发出声光报警,同时下限继电器吸合。
如果配两个传感器时,则报警器在下限无水或上限有水时发出声光报警,同时相应的继电器吸合。
继电器触点负荷均为220V10A。
如果不需要声音报警则把设置2(9、10端子)用一段导线连接即可。
以下为GKY-BJ典型的电气控制接线方案,其中KA为中间继电器或交流接触器:以上是最简单电气控制方案,复杂的控制功能可以通过电气控制柜的设计方案来实现。
具体可在的“资料免费下载”栏目中下载所需的电气控制柜设计图。
一、常用电路图- 1 -1.单按钮控制两台电动机顺序启动反序停止- 1 -3.用两个时间继电器控制电动机间歇正反转- 2 -4.三地控制三相电动机正反转- 3 -5.两地控制一台电动机- 4 -6.频敏变阻启动原理图- 4 -7.用一个时间继电器,和三个按钮,控制一个灯220和电机380,要求电机能自动运行60秒停止- 5 -8. 接近开关导通后电机停止接近开关断开后延时N秒电机启动- 5 -9.运用时间继电器使电磁铁动作2秒后复位,经过3分钟后动作2秒后复位,再经过5分钟后动作2秒复位- 6 -10. 利用电接点压力表自动控制水泵- 6 -11. 两台电动机既可分别启动和停止,也可以同时启动和停止. - 7 -12. 正转停止后,必须过预定的时间(如5S)后才能反转,反转停止后,必须过预定的时间(如5S)后才能正转- 7 -13. 用三个时间继电器控制正反转并要有间隙- 8 -14. 三相异步电动机转子串联电阻启动- 8 -15. 三相异步电动机启动控制线路图(带故障指示灯)- 9 -16. 双控及多地控制(照明) - 10 -18. 使电机有点动还有正常运行- 11 -19. 用3个继电器控制电动机断相保护- 11 -20. 用四个时间继电器控制正反转并要有间隙- 12 -21. 三相电动机在220V电压下正反转能耗制动- 12 -22. 三个地方控制一盏灯- 13 -23. 星三角降压的电路用4个交流接触器和一个时间继电器要做成可以正反转的电路并且可以自动和手动的- 13 -24. 延边三角形降压启动的原理图- 14 -25. 点动与长动的正反转控制电路- 14 -26. 用按钮开关(常开)启动电动机,用行程开关(常闭)停止电动机实物接线图- 15 -27用按钮开关(常开)启动电动机,用行程开关(常开)停止电动机实物接线图- 15 -28.四个地方控制一盏灯- 16 -29. 单相电能表加装互感器- 16 -31. 用一个3a的按钮通过继电器控制一个12v15a的电机- 17 -32. 全自动Y—- 18 -33. 二台电机按时间顺序起动由时间控制反序停止- 18 -34. 二台电机顺序起动反序停止- 19 -35. 控制一部电机,延时停止- 19 -36. 用万用表测电动机三相绕组头尾- 20 -37. 电动机可逆带限位控制电路实物接线图- 20 -38. 电动机可逆带限位控制电路原理图- 21 -39. - 21 -40. 缺相保护实物接线图- 22 -41. 缺相保护原理图- 22 -42. 频敏变阻器启动实物接线图- 23 -43. 自偶减压启动实物接线图- 24 -44. 时间继电器控制两台电动机先后启动- 25 -45. 星三角启动实物接线图- 25 -46. 三台电机顺序启动逆序停止电路- 26 -47. 用51单片机控制电磁继电器通断来控制减速电机的运转和停止- 26 -48. 多速电机接线- 27 -49. 正反转能耗制动- 27 -50. 电动机自锁线路实物连线图- 28 -51. 由12V电瓶获得两个的工作电压分别为9V和15V - 28 -52. 控制两台电机,第一台启动后第二台才能启动,第一台停止后第二台才能停止电路图- 29 -53. 直流电动机正反转- 29 -54. 延时断电220V - 30 -55. 家庭供电- 30 -56. 调光线路- 31 -57. 双电容单相异步电动机接线图- 31 -58. 双电容单相异步电动机正反转接线图- 32 -59. 笼型电动机定子串联电阻降压启动的控制线路图- 32 -60. 单按钮控制电动机启、停线路图- 33 -62. 先是1号电动机启动,然后2,然后3,停止运行先是3停止,再是1,2 - 34 -63. 单相双值电容异步电动机连接倒顺开关- 34 -64. 可逆自偶减压启动器- 35 -65. 温度控制- 35 -66. 简单的实现延时自闭电路- 36 -67. 单相双值电容异步电动机接倒顺开关- 36 -68. 三台电动机按时间顺序启动控制线路- 37 -70. 单相三速电机定子线圈接线图- 37 -71. 二台电机顺序起动- 38 -72. 12V稳压电源- 38 -73. 用一个时间继电器和一个计数器控制一个直流电动机- 39 -74. 电动机可逆运行控制接线示意图- 39 -75. 三台电动机按先后顺序启动- 40 -76. 油泵加正反转- 40 -77. 全自动可逆Y—- 42 -78. 电气接线摸拟图- 43 -79. M7120A 平面磨床电路原理图- 44 -80. 双联开关控制两间房间电路图- 44 -81. 三相双层36槽二极绕组布线接线图图纸- 45 -82. 用一个40瓦电感镇流器带二支20瓦光管工- 45 -83. 单相电机正反转时间控制(不分主付绕组)- 46 -84. 单相电机正反转时间控制(分主付绕组)- 47 -85. 电动机接线盒- 47 -86. 双联开关控制多个灯泡并联电路图- 48 -87. 时间继电器和脚踏开关- 48 -88. 电动机要在两个不同的地方控制其正反转- 49 -89. 时间继电器和脚踏开关- 49 -90. 倒顺开关控制三相电动机- 50 -91. 蓄电池供电- 50 -92. 大功率整流- 51 -93. 自动控制电磁阀- 51 -94. 5V稳压电路- 51 -95. 避雷器接线- 52 -96. 电风扇遥控接线图- 52 -97. 三极管控制继电器- 53 -98. 配电箱- 53 -99. 利用两个时间继电器实现电动机可逆启动- 54 -100. 利用时间继电器可逆循环- 54 -101. 间歇运动- 55 -102. 简单的缺相保护- 55 -103. 水位控制- 56 -104. 自动升降黑板- 56 -105. 工件加工采用半自动方式第二页- 57 -106. 工件加工采用半自动方式第一页- 57 -107. 两台电动机顺序启动,反序制动- 58 -108. 220V电机装倒顺开关能控制正反转- 58 -109. 单相电动机正反转控制(分主、付绕组)通用- 58 -110. 单相电动机正反转控制(不分主、付绕组)- 59 -111. 7805 - 59 -112. Y—- 59 -113.反接制动- 60 -114. 用两个继电器三个开关控制三相电机正反转线路图- 60 -115. 双电源切换- 61 -116. 互感器跟电流表怎么接- 62 -117. 两台电动机顺序制动电气原理图- 62 -118. 家庭电路- 63 -119. 耳机线的结构图(横切面和解剖图)- 63 -120. 电瓶车电瓶抽取12V电源- 64 -121. 可以让12V继电器接通电源吸合,断开电源后还能保持3-5秒后断开- 64 -122. 电动机可逆启动控制- 65 -123. 频敏变阻器启动控制- 65 -124. 5V稳压电路- 66 -125. 桥式整流电- 66 -126. 制作小变压器- 67 -137. 全自动Y—- 67 -138. 电磁阀控制水泵- 68 -139. 接触器自锁接线图- 68 -140. 正反转(联锁、互锁)- 69 -141. 电动机自耦降压启动(自动控制电路) - 69 -142. 三相双路电源自供装置线路图- 70 -143. 12V的电瓶做输入电源降压到5V - 70 -144. 四台电动机顺序启动,反序停止- 71 -145. 三相电动机改为两相电动机接线图- 71 -145. 简易交流电源相序指示器- 71 -146. 三相四线有功电度表经流互感器接入详图- 72 -147. 电动机正反转带动工作台- 73 -148. QJU3 自耦减压... - 73 -149. 可以让4个和更多的灯轮流亮- 74 -150. 并联补偿电容器容量的计算、无功补偿节电量的计算- 74 -151. N个地方任意控制一盏灯- 75 -153. 水位开关、压力开关在线路上符号- 75 -二、电器的文字符号和图形符号-71-一、常用电路图1.单按钮控制两台电动机顺序启动反序停止2.三相异步鼠笼电动机电容制动控制电路图3.用两个时间继电器控制电动机间歇正反转4.三地控制三相电动机正反转5.两地控制一台电动机6.频敏变阻启动原理图7.用一个时间继电器,和三个按钮,控制一个灯220和电机380,要求电机能自动运行60秒停止8. 接近开关导通后电机停止接近开关断开后延时N秒电机启动9.运用时间继电器使电磁铁动作2秒后复位,经过3分钟后动作2秒后复位,再经过5分钟后动作2秒复位10. 利用电接点压力表自动控制水泵11. 两台电动机既可分别启动和停止,也可以同时启动和停止.12. 正转停止后,必须过预定的时间(如5S)后才能反转,反转停止后,必须过预定的时间(如5S)后才能正转13. 用三个时间继电器控制正反转并要有间隙14. 三相异步电动机转子串联电阻启动15. 三相异步电动机启动控制线路图(带故障指示灯)16. 双控及多地控制(照明)17. 镝灯接线图18. 使电机有点动还有正常运行19. 用3个继电器控制电动机断相保护20. 用四个时间继电器控制正反转并要有间隙21. 三相电动机在220V电压下正反转能耗制动22. 三个地方控制一盏灯23. 星三角降压的电路用4个交流接触器和一个时间继电器要做成可以正反转的电路并且可以自动和手动的24. 延边三角形降压启动的原理图25. 点动与长动的正反转控制电路26. 用按钮开关(常开)启动电动机,用行程开关(常闭)停止电动机实物接线图27用按钮开关(常开)启动电动机,用行程开关(常开)停止电动机实物接线图28.四个地方控制一盏灯29. 单相电能表加装互感器30. 五台电机循环运行工作过程:第一台启动后4分钟停止,第二台要在第一台运行到3分50秒时启动,第二台也运行4分钟停止,,,,,,,第五台启动运行4分钟后停止到第一台在第五台运行到3分50秒时启动以此循环运行.31. 用一个3a的按钮通过继电器控制一个12v15a的电机32. 全自动Y—△减压启动能耗制动33. 二台电机按时间顺序起动由时间控制反序停止34. 二台电机顺序起动反序停止35. 控制一部电机,延时停止36. 用万用表测电动机三相绕组头尾可以用万用表先区分6个线头,把相通的两个线头分为一相,6个线头就可以分为三相了,然后再判断绕组的头尾,具体方法:把万用表的直流毫安档打到最小一档,并将表笔接到三相绕组的某一组两端,而电池正负极接到另一相的两个线头上。
一、常用电路图- 1 -1.单按钮控制两台电动机顺序启动反序停止- 1 -3.用两个时间继电器控制电动机间歇正反转- 2 -4.三地控制三相电动机正反转- 3 -5.两地控制一台电动机- 4 -6.频敏变阻启动原理图- 4 -7.用一个时间继电器,和三个按钮,控制一个灯220和电机380,要求电机能自动运行60秒停止- 5 -8. 接近开关导通后电机停止接近开关断开后延时N秒电机启动- 5 -9.运用时间继电器使电磁铁动作2秒后复位,经过3分钟后动作2秒后复位,再经过5分钟后动作2秒复位- 6 -10. 利用电接点压力表自动控制水泵- 6 -11. 两台电动机既可分别启动和停止,也可以同时启动和停止. - 7 -12. 正转停止后,必须过预定的时间(如5S)后才能反转,反转停止后,必须过预定的时间(如5S)后才能正转- 7 -13. 用三个时间继电器控制正反转并要有间隙- 8 -14. 三相异步电动机转子串联电阻启动- 8 -15. 三相异步电动机启动控制线路图(带故障指示灯)- 9 -16. 双控及多地控制(照明) - 9 -18. 使电机有点动还有正常运行- 10 -19. 用3个继电器控制电动机断相保护- 10 -20. 用四个时间继电器控制正反转并要有间隙- 11 -21. 三相电动机在220V电压下正反转能耗制动- 11 -22. 三个地方控制一盏灯- 12 -23. 星三角降压的电路用4个交流接触器和一个时间继电器要做成可以正反转的电路并且可以自动和手动的- 12 -24. 延边三角形降压启动的原理图- 13 -25. 点动与长动的正反转控制电路- 13 -26. 用按钮开关(常开)启动电动机,用行程开关(常闭)停止电动机实物接线图- 14 -27用按钮开关(常开)启动电动机,用行程开关(常开)停止电动机实物接线图- 14 -28.四个地方控制一盏灯- 15 -29. 单相电能表加装互感器- 15 -31. 用一个3a的按钮通过继电器控制一个12v15a的电机- 16 -32. 全自动Y—- 16 -33. 二台电机按时间顺序起动由时间控制反序停止- 17 -34. 二台电机顺序起动反序停止- 18 -35. 控制一部电机,延时停止- 18 -36. 用万用表测电动机三相绕组头尾- 19 -37. 电动机可逆带限位控制电路实物接线图- 19 -38. 电动机可逆带限位控制电路原理图- 20 -39. - 20 -40. 缺相保护实物接线图- 21 -41. 缺相保护原理图- 21 -42. 频敏变阻器启动实物接线图- 22 -43. 自偶减压启动实物接线图- 23 -44. 时间继电器控制两台电动机先后启动- 23 -45. 星三角启动实物接线图- 24 -46. 三台电机顺序启动逆序停止电路- 24 -47. 用51单片机控制电磁继电器通断来控制减速电机的运转和停止- 25 -48. 多速电机接线- 25 -49. 正反转能耗制动- 26 -50. 电动机自锁线路实物连线图- 26 -51. 由12V电瓶获得两个的工作电压分别为9V和15V - 27 -52. 控制两台电机,第一台启动后第二台才能启动,第一台停止后第二台才能停止电路图- 27 -53. 直流电动机正反转- 28 -54. 延时断电220V - 28 -55. 家庭供电- 29 -56. 调光线路- 29 -57. 双电容单相异步电动机接线图- 30 -58. 双电容单相异步电动机正反转接线图- 30 -59. 笼型电动机定子串联电阻降压启动的控制线路图- 31 -60. 单按钮控制电动机启、停线路图- 31 -62. 先是1号电动机启动,然后2,然后3,停止运行先是3停止,再是1,2 - 32 -63. 单相双值电容异步电动机连接倒顺开关- 33 -64. 可逆自偶减压启动器- 33 -65. 温度控制- 34 -66. 简单的实现延时自闭电路- 34 -67. 单相双值电容异步电动机接倒顺开关- 35 -68. 三台电动机按时间顺序启动控制线路- 35 -70. 单相三速电机定子线圈接线图- 36 -71. 二台电机顺序起动- 36 -72. 12V稳压电源- 36 -73. 用一个时间继电器和一个计数器控制一个直流电动机- 37 -74. 电动机可逆运行控制接线示意图- 37 -75. 三台电动机按先后顺序启动- 38 -76. 油泵加正反转- 38 -77. 全自动可逆Y—- 40 -78. 电气接线摸拟图- 40 -79. M7120A 平面磨床电路原理图- 41 -80. 双联开关控制两间房间电路图- 41 -81. 三相双层36槽二极绕组布线接线图图纸- 42 -82. 用一个40瓦电感镇流器带二支20瓦光管工- 42 -83. 单相电机正反转时间控制(不分主付绕组)- 43 -84. 单相电机正反转时间控制(分主付绕组)- 43 -85. 电动机接线盒- 44 -86. 双联开关控制多个灯泡并联电路图- 44 -87. 时间继电器和脚踏开关- 45 -88. 电动机要在两个不同的地方控制其正反转- 45 -89. 时间继电器和脚踏开关- 46 -90. 倒顺开关控制三相电动机- 46 -91. 蓄电池供电- 46 -92. 大功率整流- 47 -93. 自动控制电磁阀- 47 -94. 5V稳压电路- 47 -95. 避雷器接线- 48 -96. 电风扇遥控接线图- 48 -97. 三极管控制继电器- 48 -98. 配电箱- 49 -99. 利用两个时间继电器实现电动机可逆启动- 49 -100. 利用时间继电器可逆循环- 50 -101. 间歇运动- 50 -102. 简单的缺相保护- 51 -103. 水位控制- 51 -104. 自动升降黑板- 52 -105. 工件加工采用半自动方式第二页- 52 -106. 工件加工采用半自动方式第一页- 53 -107. 两台电动机顺序启动,反序制动- 53 -108. 220V电机装倒顺开关能控制正反转- 53 -109. 单相电动机正反转控制(分主、付绕组)通用- 54 -110. 单相电动机正反转控制(不分主、付绕组)- 54 -111. 7805 - 54 -112. Y—- 55 -113.反接制动- 55 -114. 用两个继电器三个开关控制三相电机正反转线路图- 55 -115. 双电源切换- 56 -116. 互感器跟电流表怎么接- 57 -117. 两台电动机顺序制动电气原理图- 57 -118. 家庭电路- 58 -119. 耳机线的结构图(横切面和解剖图)- 58 -120. 电瓶车电瓶抽取12V电源- 59 -121. 可以让12V继电器接通电源吸合,断开电源后还能保持3-5秒后断开- 59 -122. 电动机可逆启动控制- 60 -123. 频敏变阻器启动控制- 60 -124. 5V稳压电路- 61 -125. 桥式整流电- 61 -126. 制作小变压器- 61 -137. 全自动Y—- 62 -138. 电磁阀控制水泵- 63 -139. 接触器自锁接线图- 63 -140. 正反转(联锁、互锁)- 63 -141. 电动机自耦降压启动(自动控制电路) - 64 -142. 三相双路电源自供装置线路图- 64 -143. 12V的电瓶做输入电源降压到5V - 65 -144. 四台电动机顺序启动,反序停止- 65 -145. 三相电动机改为两相电动机接线图- 65 -145. 简易交流电源相序指示器- 66 -146. 三相四线有功电度表经流互感器接入详图- 66 -147. 电动机正反转带动工作台- 67 -148. QJU3 自耦减压... - 67 -149. 可以让4个和更多的灯轮流亮- 68 -150. 并联补偿电容器容量的计算、无功补偿节电量的计算- 68 -151. N个地方任意控制一盏灯- 69 -153. 水位开关、压力开关在线路上符号- 69 -二、电器的文字符号和图形符号-71-一、常用电路图1.单按钮控制两台电动机顺序启动反序停止2.三相异步鼠笼电动机电容制动控制电路图3.用两个时间继电器控制电动机间歇正反转4.三地控制三相电动机正反转5.两地控制一台电动机6.频敏变阻启动原理图7.用一个时间继电器,和三个按钮,控制一个灯220和电机380,要求电机能自动运行60秒停止8. 接近开关导通后电机停止接近开关断开后延时N秒电机启动9.运用时间继电器使电磁铁动作2秒后复位,经过3分钟后动作2秒后复位,再经过5分钟后动作2秒复位10. 利用电接点压力表自动控制水泵11. 两台电动机既可分别启动和停止,也可以同时启动和停止.12. 正转停止后,必须过预定的时间(如5S)后才能反转,反转停止后,必须过预定的时间(如5S)后才能正转13. 用三个时间继电器控制正反转并要有间隙14. 三相异步电动机转子串联电阻启动15. 三相异步电动机启动控制线路图(带故障指示灯)16. 双控及多地控制(照明)17. 镝灯接线图18. 使电机有点动还有正常运行19. 用3个继电器控制电动机断相保护20. 用四个时间继电器控制正反转并要有间隙21. 三相电动机在220V电压下正反转能耗制动22. 三个地方控制一盏灯23. 星三角降压的电路用4个交流接触器和一个时间继电器要做成可以正反转的电路并且可以自动和手动的24. 延边三角形降压启动的原理图25. 点动与长动的正反转控制电路26. 用按钮开关(常开)启动电动机,用行程开关(常闭)停止电动机实物接线图27用按钮开关(常开)启动电动机,用行程开关(常开)停止电动机实物接线图28.四个地方控制一盏灯29. 单相电能表加装互感器30. 五台电机循环运行工作过程:第一台启动后4分钟停止,第二台要在第一台运行到3分50秒时启动,第二台也运行4分钟停止,,,,,,,第五台启动运行4分钟后停止到第一台在第五台运行到3分50秒时启动以此循环运行.31. 用一个3a的按钮通过继电器控制一个12v15a的电机32. 全自动Y—△减压启动能耗制动33. 二台电机按时间顺序起动由时间控制反序停止34. 二台电机顺序起动反序停止35. 控制一部电机,延时停止36. 用万用表测电动机三相绕组头尾可以用万用表先区分6个线头,把相通的两个线头分为一相,6个线头就可以分为三相了,然后再判断绕组的头尾,具体方法:把万用表的直流毫安档打到最小一档,并将表笔接到三相绕组的某一组两端,而电池正负极接到另一相的两个线头上。
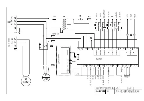
电工常见电气控制实物接线图原理图电气控制是电力系统中非常重要的环节,电工在日常工作中需要掌握电气控制的知识和技能,其中实物接线图和原理图是电气控制中非常重要的一部分。
本文将详细介绍电工常见的电气控制实物接线图和原理图。
一、电气控制实物接线图1.什么是实物接线图?实物接线图是电器设备内部元器件的布局和线路连接关系的图示表示,是电气控制系统的物理表现。
实物接线图是电气控制安装调试、故障排除和保养维修的重要依据,能够清晰明了地反映设备的工作原理和互联关系。
2.实物接线图常用符号在实物接线图中,各种电器元器件均按照标准符号表示。
下面列出几种实物接线图常用的符号:•开关:表示开关或刀闸;•控制器:表示各种控制器,包括继电器、计时器、触发器等;•运动装置:表示各种电机、气动元件等;•信号固化器:表示各种指示灯、蜂鸣器、继电器等;•传感器:表示各种物理量测量传感器、电位器、零位开关等;•仪表:表示各种显示、测量仪表;•电源:表示各种电源、变压器等。
3.实物接线图的组成要素实物接线图由电器元器件符号、导线线路、接点和连接组成,还可以配有附加信息和注释说明。
在实物接线图中,元器件符号由标准符号组成,包括控制元器件、电动元器件、配电元器件、传感器和各种辅助设备元器件等。
导线线路是不同元器件之间的物理连接,线路既表达信号传输的逻辑关系,又引导电能传输,保证正常的电气控制。
接点是对电气信号进行开、闭操作的部件,它们连接或断开电路线上的电气信号。
除了以上组成要素外,实物接线图还可以添加附加信息和注释说明。
附加信息包括元器件的额定电压、电流、功率等参数,注释说明包括连接方式、接线编号和工作模式等。
4.实物接线图的作用实物接线图作为电气控制系统的物理表现,具有以下重要作用:•方便设备的安装调试和维护保养;•保证设备的正常运行和可靠性;•有助于故障排除和分析;•帮助工程师对电器设备进行改款升级。
二、电气控制原理图1.什么是原理图?电气控制原理图是按一定规则,用标记表示各种电器元器件之间的逻辑联系和电气连接关系,以及信号的传递路径。
电气线路图的图形、文字及符号1 常用电气图形符号和文字符号电气原理图中电气元件的图形符号和文字符号必须符合国家标准规定。
国家标准化管理委员会是负责组织国家标准的制定、修订和管理的组织。
一般来说,国家标准是在参照国际电工委员会(IEC)和国际标准化组织(ISO)所颁布标准的基础上制定的。
近几年来,有关电气图形符号和文字符号的国家标准变化较大。
GB 4728--1984《电气简图用图形符号》更改较大,而GB 7159~1987《电气技术中的文字符号制定通则》早已废止。
现在和电气制图有关的主要国家标准有:(1)GB/T 4728:《电气简图用图形符号》;(2)GB/T 5465:《电气设备用图形符号》;(3)GB/T 20063:《简图用图形符号》;(4)GB/T 5094:《工业系统、装置与设备以及工业产品——结构原则与参照代号》;(5)GB/T 20939:《技术产品及技术产品文件结构原则字母代码——按项目用途和任务划分的主类和子类》;(6)GB/T 6988:《电气技术用文件的编制》。
最新的《电气简图用图形符号》国家标准68/T 4728的具体内容包括:(1)GB/T 4728。
1—2005第1部分:一般要求;(2)GB/T 4728.2—2005第2部分:符号要素、限定符号和其他常用符号;(3)GB/T 4728.3~2005第3部分:导体和连接件;(4)GB/T 4728.4~2005第4部分:基本无源元件;(5)GB/T 4728.5~2005第5部分:半导体管和电子管;(6)GB/T 4728.6~2000第6部分:电能的发生与转换;(7)68/T 4728.7—2000第7部分:开关、控制和保护器件;(8)GB/T 4728.8—2000第8部分:测量仪表、灯和信号器件;(9)GB/T 4728.9~1999第9部分:电信:交换和外围设备;(10)GB/T 4728.10~1999第10部分:电信:传输;(11)GB/T 4728.11~2000第11部分:建筑安装平面布置图;(12)GB/T 4728.12—1996第12部分:二进制逻辑元件;(13)GB/T 4728.13~1996第13部分:模拟元件。