工艺设备一览表
- 格式:pdf
- 大小:195.88 KB
- 文档页数:24
表一反应器选型一览表设备位号数量技术规格材料保温层(mm)内防腐设备质量(kg)备注类型尺寸封头形状设计压力(MPa)设计温度(℃)R-101 1 水合反应器Φ3000×18500 标准椭圆形7.0 200317L复合板50 无73460 定制R-201A/B 2 脱氢反应器Φ2000×7700 标准椭圆形0.35 300 16MnR 50 无76310 定制表二塔设备选型一览表设备位号数量技术规格材料保温层(mm)内防腐设备质量(kg)备注类型尺寸封头形状设计压力(MPa)设计温度(℃)T-001 1 萃取精馏塔Φ1500/Φ2400×64950标准椭圆形0.65 130 16MnR 50 无176820 定制T-002 1 汽提塔Φ2100×21438标准椭圆形0.7 70 16MnR 50 无51530 定制T-003 1 催化剂再生塔Φ1600×35766标准椭圆形0.35 145 317L 59810 定制T-004 1 水洗塔Φ1500×18450 不标准椭圆形0.35 100 16MnR 50 无31620 定制T-101 1 脱丁烯塔Φ2000×27000标准椭圆形0.38 140 317L 50 无55120 定制T-151 1 SBE塔Φ2600×52600 标准椭圆形 1.3 134 16MnR 50 无108900 定制T-154 1 醇萃取塔Φ1400×20900 不标准椭圆形0.50 90 16MnR 50 无41720 定制T-155 1 共沸塔Φ1470×21000不标准椭圆形0.60 155 317L 50 无28280 定制T-156 1 TBA塔Φ2200×19500标准椭圆形0.35 134 16MnR 50 无37630 定制T-152 1 SBA塔Φ3083×21000标准椭圆形0.38 150 16MnR 50 无61360 定制T-153 1 重质物塔Φ1200×15000不标准椭圆形0.34 146 16MnR 50 无23710 定制T-251 1 干燥塔Φ1600×32500 标准椭圆形0.32 98 16MnR 50 无53167.5 定制T-252 1 MEK塔Φ2300×45480 标准椭圆形0.27 115 317L 50 无79417.8 定制换热器型号说明例:BEM450-0.5-53-6/25-1I其中:B表示前端管箱形式为封头管箱;E表示壳体形式为单程壳体;S表示后端结构型式为封头管箱;0.5表示公称压力0.5MPa;53表示公称换热面积为53m2;6表示公称长度为6m;25表示换热管外径为25mm;1表示管程数为1;I表示管束为I级,采用较高级或高级冷拔钢管(若管束为Ⅱ级,采用普通级冷拔钢管)。
一、工艺包设计需要哪些专业共同完成?工艺包开发是一项系统工程。
需要涉及到多个专业、不同学科,难以凭借一己之力完成。
一般来讲,工艺包开发及设计主要由研发、化工工艺、工艺系统、分析化验、自控、材料、安全卫生、环保等专业共同完成该化工产品的工艺包设计工作。
二、工艺包成品应包括哪些设计文件?工艺包的成品应包括说明书、工艺流程图(PFD) 、初版管道仪表流程图 (P&ID) 、建议的设备布置图、工艺设备一览表、工艺设备数据表(附设备简图)、催化剂及化学品汇总表、取样点汇总表、材料手册(需要时 )、安全手册 (包括职业卫生、安全和环保),操作手册(包括分析手册 )、物性数据手册以及有关的计算书。
工艺包设计的质量控制与公司设计标准规定的各个有关专业在基础设计/初步设计阶段的质量控制要求相同。
三、工艺包设计内容和深度的详细规定1说明书工艺包设计说明书是工艺包设计的重要组成部分,应包括下列内容:a)生产方法、装置特点;描绘工艺包设计所采用工艺生产方法的先进性、可靠性以及装置特点。
b)产品名称及规模、年操作时间、装置运行方式,按五班三运转或四班三运转,或者其他方式运转。
c)按工艺过程的先后顺序 ,列出组成装置各工段的名称。
d)列出产生三废的装置设备名称以及三废名称、数量、组成及排放形式,有关三废综合利用和处理的说明。
(1)设计基础分别列出有关原料、催化剂及化学品的名称及规格。
分别列出水、电、气、汽等公用工程的名称及规格。
( 2)工艺设计叙述工艺过程原理,列出工艺过程所涉及的化学反应方程式( 包括主、副反应) ,说明所采用的催化剂。
按照工艺过程顺序,分工段及系统( 塔系统、反应器系统、压缩机系统 ) 详细叙述工艺流程。
分工段及系统( 塔系统、反应器系统、压缩机系统) 列出各主要点的正常操作条件,如温度、压力、流量、组成及主要的控制指标。
列出产品规格、产品产量及原料消耗量的期待值和保证值。
列出主要的公用工程消耗指标。
主要生产工艺设备一览表2023.031. 设备名称1- 型号:- 生产厂商:- 规格参数:- 生产能力:- 技术特点:- 使用范围:2. 设备名称2- 型号:- 生产厂商:- 规格参数:- 生产能力:- 技术特点:- 使用范围:3. 设备名称3- 型号:- 生产厂商:- 规格参数:- 生产能力:- 技术特点:- 使用范围:4. 设备名称4 - 型号:- 生产厂商:- 规格参数:- 生产能力:- 技术特点:- 使用范围:5. 设备名称5 - 型号:- 生产厂商:- 规格参数:- 生产能力:- 技术特点:- 使用范围:6. 设备名称6 - 型号:- 生产厂商:- 规格参数:- 生产能力:- 技术特点:- 使用范围:7. 设备名称7 - 型号:- 生产厂商:- 规格参数:- 生产能力:- 技术特点:- 使用范围:8. 设备名称8 - 型号:- 生产厂商:- 规格参数:- 生产能力:- 技术特点:- 使用范围:9. 设备名称9 - 型号:- 生产厂商:- 规格参数:- 生产能力:- 技术特点:- 使用范围:10. 设备名称10 - 型号:- 生产厂商:- 规格参数:- 生产能力:- 技术特点:- 使用范围:以上为《主要生产工艺设备一览表2023.03.03》的模板范本。
根据实际情况,填写每个设备的相关内容,包括设备的型号、生产厂商、规格参数、生产能力、技术特点以及使用范围。
如果需要添加更多设备,请按照格式继续添加。
这份清单将为您提供一份详尽的工艺设备清单,方便管理和了解您的生产设备情况。
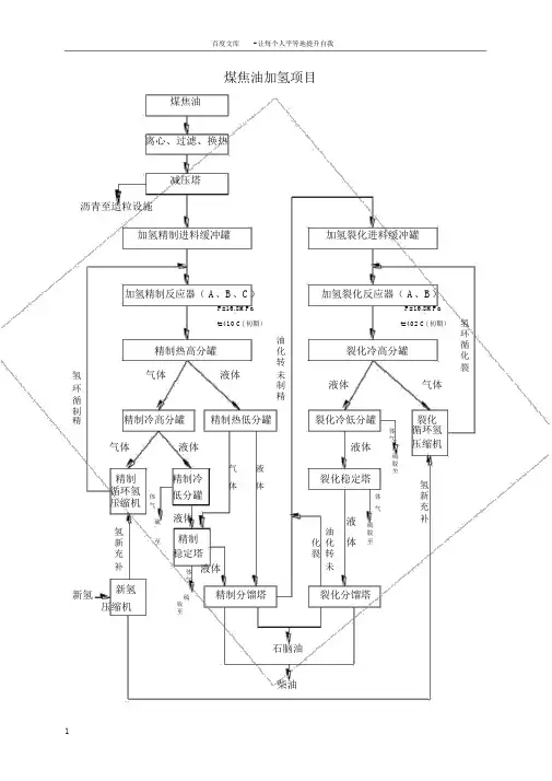
百度文库 - 让每个人平等地提升自我煤焦油加氢项目煤焦油离心、过滤、换热减压塔沥青至造粒设施加氢精制进料缓冲罐加氢裂化进料缓冲罐加氢精制反应器( A 、B 、C )加氢裂化反应器( A 、B )P=16.8MPaP=16.8MPa°°t=410 C( 初期)t=402 C( 初期)精制热高分罐油裂化冷高分罐化转氢 气体液体未 液体气体环制精循制 精制冷高分罐精制热低分罐 裂化冷低分罐裂化 精体循环氢气压缩机气体液体液体硫气 液脱精制精制冷至体体裂化稳定塔氢 循环氢低分罐体体 新压缩机气气充液体硫液硫 补氢油 至精制脱新化 化 体 至充 稳定塔裂 转补体 液体未新氢 气 新氢硫精制分馏塔 裂化分馏塔压缩机脱 至石脑油柴油氢 环 循 化 裂煤焦油加氢装置主要生产设备表序设备操作条件数量规格介质名称主体材质压力号名称备注温度(℃)(台)( MPa)一、反应器类1 加氢精制Ф煤焦油、 H2、 H 2S反应器 A 1500X13400加氢精制Φ反应器煤焦油、 H2、 H 2S1800X14678B/C加氢裂化Φ反应器煤焦油、 H、 H S2 2A/B二、塔类1 减压塔Ф 2000/2400/1 轻质煤焦油、Q345R 200 X 25250 重油、水汽2 精制稳定Ф 600X16000 反应油、 H 、 H S Q245R塔 2 23 精制分馏Ф 1500X2060 石脑油、柴油、Q345R 塔0 尾油4 精制柴油Ф 800X10000 柴油、蒸汽Q245R 汽提塔5 裂化稳定Ф 400/800X18 反应油、H2 2Q245R 塔440 、 H S6 裂化分馏Ф 1500X2060 石脑油、柴油、Q345R 塔0 尾油7 裂化柴油Ф 500X8800 柴油、蒸汽Q245R 汽提塔三、加热炉类1 减压塔进400X104煤焦油1Cr5Mo 料加热炉kcal/h2 精制加热200X104精制进料油、 H 2 TP347H 炉kcal/h3 裂化加热200X104裂化进料油、 H 2 TP347H 炉kcal/h精制分馏200X1041Cr5Mo/4精制尾油15CrMo 塔再沸炉kcal/h5裂化分馏200X104 裂化尾油1Cr5Mo塔再沸炉kcal/h四、换热类原料油 /减壳程减压循Q345R环油1 压循环油25-4I20+Q345R 换热器管程原料油减顶油水 / 壳程减塔中Q345R 段油2 减压循环25-4I减顶油、油换热器管程20+Q345R水147/385 1126/271 1 ▲120/368 1212/206 172/263 1 ▲122/365 1198/185 1395 1 ▲315 1 ▲405 1 ▲388 1 ▲385 1 ▲217/17875/1471 ▲228/2171 ▲87/150序 设 备操作条件数量格介 质 名 称主体材质压力号 名规备注称温度(℃)(台)( MPa )壳程减顶油 Q345R50/45减压塔顶气31后冷器循环冷管程 20+Q345R30/40却水减压塔底壳程4 蒸汽发生25-8I器管程减顶油水 /壳程5 减顶水换 25-4I热器 管程 6 减塔中段 25-4I壳程油水冷器管程加氢精制壳程7 进料加热 25-4I器管程加氢裂化壳程8 进料加热19-4I器管程精制产物 /DEU800-18/1 壳程9 减压进料9-2I 管程换热器精制产物 /DEU800-18/1 壳程10 精制进料8-240-6/19-2I换热器 管程精制产物 /壳程DEU800-18/111减压进料9-2I 管程换热器精制产物 /DEU400-18/1 壳程12 混氢换热9-2I 管程器精制产物 /壳程精制冷低13 DEU400-18/分油换热 管程器精制产物 DEU600-18/1 壳程 14 水冷器 9-2I管程水、蒸汽重油 (沥青 )减顶油、 水含油废 水 减塔中 段油 循环水低压蒸 汽 减塔中 段油低压蒸汽未转化 油原料油精制产 物精制进料精制产物原料油精制产物混氢精制产 物精制冷 低分油精制产 物循环冷 却水精制产物Q345R20+Q345RQ345R20+Q345RQ345R20+Q345RQ345R20+Q345R Q345R20+Q345RQ345R0Cr18Ni10Ti+12Cr2Mo112Cr2Mo10Cr18Ni10Ti+12Cr2Mo1 Q345R0Cr18Ni10Ti +12Cr2Mo10Cr18Ni10Ti0Cr18Ni10TiQ345R0Cr18Ni10TiQ345R 10+16Mn (HIC)90/188382/200 45/87 145/60228/8030/40250/18475/140250/18475/160250 /315440/401199/315401/315147/250 315/26086/192 260/217 47/180217/200 30/4050/431 ▲2▲1 ▲1▲1 ▲1▲1 ▲1 ▲1 ▲1 ▲1 ▲序 设 备 格介 质 名 称主体材质号 名 规称操作条件压力温度(℃)( MPa )数量 备注(台)裂化产物 /DEU500-18/1 壳程15 尾油换热8-85-6/19-2I器 管程裂化产物 /DEU400-18/1 壳程16 混氢换热9-2I 管程器裂化产物 /裂化进 12Cr2Mo1料裂化产0Cr18Ni10Ti物 +12Cr2Mo1 混氢 0Cr18Ni10Ti裂化产0Cr18Ni10Ti物裂化冷255/405432/30063/220300/23741▲▲▲▲裂化冷低壳程 17 DEU400-18/分油换热器管程裂化产物 壳程18DEU400-18/水冷器管程精制稳定壳程 19 塔顶后冷 管程器壳程精制稳定20塔再沸器管程精制尾油 /壳程21 分馏塔进料换热器 管程石脑油水 壳程22冷器 管程裂化稳定壳程 23 塔顶后冷 管程器壳程裂化稳定24塔再沸器管程裂化尾油 / 壳程25 分馏塔进料换热器管程低分油 Q245R 裂化产物0Cr18Ni10Ti循环冷 却水Q345R裂化产 10+16Mn 物 (HIC) 轻烃 Q245R循环冷 20+Q245R却水 精制稳 定塔底 Q345R油 精制循 20+Q345R环油精制分馏塔进Q345R料 精制尾 20+Q345R油石脑油 Q345R 循环冷 20+Q345R 却水轻烃 Q245R 循环冷 20+Q245R却水裂化稳定塔底Q345R油裂化尾 20+Q345R油裂化分馏塔进 Q345R料裂化尾 20+Q345R50/180237/18730/4050/43126/4030/40241/272364/358250/290369/28870/4030/4072/4030/40222/263363/350245/270365/2771 ▲1 ▲1 ▲1 ▲1 ▲1 ▲1 ▲1 ▲1 ▲序设备规格介质名称主体材质号名称五、空冷类1 减压塔顶GP9×管程轻质油Q245R 空冷器气/10#精制油2 精制产物GP9×DR-IIt 管程气、15CrMoR 空冷器氢、硫化氢裂化油3 裂化产物GP9×DR-IIt 管程气、15CrMoR 空冷器氢、硫化氢精制分馏Q245R4 塔顶空冷GP9×管程石脑油/10# 器裂化分馏Q245R 5 塔顶空冷GP9×管程石脑油/10# 器6 柴油空冷GP9×管程柴油Q245R 器/10#7 未转化油GP6×管程未转化Q245R 空冷器油/10#六、容器类1 原料油罐Ф 3000X5000 滤后煤焦油Q245R(切线 ),卧式Ф 2400X60002 减压塔回 (切线 ),卧式Q345R 流罐液包轻质油气、水Ф500X1000(切线 )Ф2000X6000(切线 ),卧式Q245R3 热沉降罐液包减压塔顶油Ф 500X1000(切线 )4 氨水罐Ф 1400X5000 含氨水Q245R(切线 ),卧式加氢精制5 进料缓冲Ф 2000X5000 精制原料油Q345R 罐(切线 ),立式加氢裂化6 进料缓冲Ф 2000X4000 尾油Q345R 罐(切线 ),立式7 精制热高Ф 1200X5000 油、油气、氢、14Cr1MoR 分罐(切线 ),立式硫化氢Ф 800X124008 精制热低 (切线 ) 立式油、油气、氢、Q245R分罐填料高硫化氢度 :3000/3000操作条件数量压力备注温度(℃)(台)( MPa)147 4155 2 ▲185 1 ▲118 2121 1202 1 ▲292 1 ▲75 常压 145 1150 1 ▲75 常压 1208 1 ▲291 1 ▲260 1 ▲263 1 ▲百度文库 - 让每个人平等地提升自我序 设 备操作条件数量格介 质 名 称主体材质压力备注号 名 规(台)称温度(℃)( MPa )mm 两段9 精 制 冷 高 Ф 1000X5000 油、油气、氢、 Q345R(HIC)431▲分罐(切线 ),立式 硫化氢、水 正火Ф 2000X600010 精 制 冷 低(切线),卧式油、油气、氢、Q245R( 正火 ) 47 1分罐液 包硫化氢▲Ф 800X1200 (切线 )裂 化 冷 高 Ф 1000X5000 油、油气、氢、Q345R(HIC)11 分罐(切线 ),立式 硫化氢 正火 431▲Ф 1200X5000裂 化 冷 低 (切线 ),卧式 油、油气、氢、 12 分罐 液 包 硫化氢 Q245R43 1 ▲13 新 氢 缓 冲 Ф 1600x3000 氢气罐 (切线 ),立式 14 精 制 循 氢 Ф 800X3000 氢、轻烃、 H 2S 缓冲罐 (切线 ),立式 15 裂 化 循 氢 Ф 800X3000 氢、轻烃、硫化 缓冲罐(切线 ),立式 氢 Ф 700X2000 16 精 制 稳 定 (切线 ),卧式轻烃、燃料气塔回流罐 液 包Ф 400X900 (切线 ) Ф 1800X4500 17 精 制 分 馏 (切线 ),卧式石脑油塔回流罐 液 包Ф 700X1000 (切线 ) Ф 500X2000裂化 稳 定 (切线 ),卧式18塔回流罐 液 包 轻烃、燃料气Ф 400X900 (切线 ) Ф 1500X4000裂化 分 馏 (切线 ),卧式19 塔回流罐 液 包 石脑油Ф 700X1000 (切线 )20 硫化剂罐 Ф 1600X3000 二甲基二硫(切线 ),立式 21 注水罐Ф 1200x3000 水、油(切线 ),立式 22 地 下 污 油 Ф 1200X4000 油、水罐(切线 ),卧式 23 阻垢剂罐 Ф 1000x2000 阻垢剂(切线 ),立式 Q345RQ345R(HIC)正火Q345R(HIC)正火 Q245R Q245R Q245RQ235-BQ245RQ245RQ235-BQ245R40 1 ▲ 43 1 ▲ 431▲40 1 ▲70 常压 140 1 ▲70 常压 1常温 常压 1 70 常压 1 150 常压 1 常温常压1Ф 500X1000 (切线 )百度文库- 让每个人平等地提升自我序设备操作条件数量规格介质名称主体材质压力备注号名称(台)温度(℃)( MPa)24 放空罐Ф2200x4000 油气Q245R 150 1 ▲(切线 ),卧式25 燃料气罐Ф1200x3500 燃料气Q245R 40 1 ▲(切线 ),立式26 仪表风罐Ф1200x3000 净化空气Q345R 常温 1 ▲(切线 ),立式27 蒸汽分水Ф700X750蒸汽、凝结水Q345R 250 1 ▲罐(切线 ),立式离心式滤1机进料过滤2器新氢压缩1机精制循环2氢压缩机裂化循环3氢压缩机七、过滤器与脱水器类额定流煤焦油75量 :30t/h篮式过滤器煤焦油147八、压缩机类往复,流量 :11444 氢气40/Nm3/h往复,流量 :34790 精制循环氢43/59Nm3/h往复,流量 :13220 裂化循环氢43/56Nm3/h12222。
企业工艺卡片、安全操作规程安全监督管理办法南丁岳飞第一章总则第一条为认真贯彻执行国家有关安全生产、环境保护、职业病防治、消防工作的方针政策、法律、法规及规范、标准,根据《安全生产法》及《危险化学品从业单位安全标准化规范》(安监总危字〔2005〕198号)等,根据《××公司安全生产责任制》,制定本办法。
第二条本办法适用于××公司各生产经营单位、其它下属单位。
第三条本办法涉及管理内容为《工艺卡片》、《工艺技术规程》〈安全操作规程—(一)〉、《岗位操作法》〈安全操作规程—(二)〉(其它名称包括操作手册、操作规程等不再使用)。
《工艺技术规程》、《岗位操作法》统称为安全操作规程。
第四条各单位应根据生产工艺、技术、设备特点和原材料、辅助材料、产品的危险性,编制岗位安全操作规程, 规范从业人员的操作行为,控制风险,避免事故的发生。
第五条各单位应明确审核和修订工艺卡片、安全操作规程的时机和频次,定期进行评审核和修订,确保其有效性和适用性(在建设单元竣工投产或生产单元改、扩建半年内,采用新技术、新工艺、新材料、新设备后应及时修订工艺卡片、安全操作规程),保证岗位所使用的为最新有效版本。
第六条管理部门职责(一)安健环部职责:负责制定《工艺卡片、安全操作规程安全监督管理办法》,监督、检查贯彻执行情况。
(二)技术管理工作部门职责:技术管理工作部门为工艺卡片、安全操作规程具体主管部门,负责工艺卡片、安全操作规程的制定、修订并贯彻落实;监督、检查、考核贯彻执行情况。
(三)设备(含动力、下同)管理工作部门职责:负责“安全操作规程”中“设备操作规程”的制定,并贯彻落实,监督、检查、考核贯彻执行情况。
(四)质量、计量管理工作部门职责:贯彻执行《工艺卡片、安全操作规程安全监督管理办法》,负责分析化验工种操作规程的制定,并贯彻落实,监督、检查、考核贯彻执行情况。
(五)生产调度工作部门职责:贯彻执行《工艺卡片、安全操作规程安全监督管理办法》,制止超温、超压、超负荷运转,实现安、稳、长、满、优生产。
一、设备概况二、计算过程1、基础资料矿原煤筛分试验报告报告日期:2008年6月矿原煤筛分试验报告报告日期:2008年6月矿—0.5毫米煤泥小筛分试验报告报告日期:2008年6月矿原煤30~1毫米粒级浮沉试验报告(校正后)报告日期:2008年6月矿原煤1~0.25毫米粒级浮沉试验报告(校正后)报告日期:2008年6月主要工艺流程:原煤分级,+1毫米粒级进入三产品旋流器分选,生产精煤、中煤、矸石三种产品;-1毫米粒级经分级旋流器分级,1~0.25毫米粒级进入TBS分选,生产TBS精煤和矸石,视总精煤灰分情况可分出部分或全部入料脱水后直接作为精煤;-0.25毫米粒级进入浮选机分选,生产浮选精煤和浮选尾煤。
选煤原则流程见上图。
(一)、数质量流程计算1、选煤厂工作制度选煤厂设计能力200万吨/年,年工作330天,每天工作16小时。
小时处理量378.79吨/小时。
2、脱泥筛(筛缝1毫米)由筛分资料得出:入料中-1毫米粒级含量39.38%,脱泥效率取90%,筛下物产率:39.38%×90%=35.44%小时筛下物料量:378.79×35.44%=134.24(吨)筛上物小时量:378.79-134.24=244.55(吨)。
3、重介分选专业计算三产品旋流器入料中-0.5毫米煤泥占本级含量:3.01÷(100-35.44)×100%=4.66%,煤泥量小于6%,符合设计要求。
三产品旋流器一段可能偏差0.025,分选密度1.65g/cm3;二段可能偏差0.035,分选密度1.90 g/cm3。
三产品旋流器产品计算表及选后产品平衡表见表1—1、表1—2。
三产品旋流器产品计算表表1—1三产品旋流器选后产品实际平衡表表1—2三产品旋流器产品计算表表1—3注:原煤灰分30%。
三产品旋流器选后产品实际平衡表表1—4三产品旋流器产品计算表表1—5三产品旋流器选后产品实际平衡表表1—6三产品旋流器精煤产率:25.89%+3.94%+2.02%+3.87%=35.72%精煤量:378.79×35.72%=135.30(吨/时)精煤灰分:(25.63×8.72+3.94×22.73+2.02×22.87+3.87×45.16)÷35.72=15.01%中煤产率:2.27% 中煤量:378.79×2.27%=8.60(吨/时)矸石产率:26.57% 矸石量:378.79×26.57%=100.64(吨/时)4、重介精煤脱水机脱水机入料占全级35.72%,小时入料量135.30吨。
设备设施一览表
设备设施一览表
设备设施一览表
设备设施一览表
设备设施一览表
设备设施一览表
设备设施一览表
设备设施一览表
设备设施一览表
设备设施一览表
设备设施一览表
设备设施一览表
设备设施一览表
设备设施一览表
设备设施一览表
设备设施一览表
设备设施一览表
设备设施一览表
设备设施一览表
设备设施一览表
设备设施一览表
设备设施一览表
设备设施一览表
设备设施一览表
设备设施一览表
设备设施一览表
设备设施一览表
设备设施一览表
设备设施一览表
设备设施一览表
设备设施一览表
设备设施一览表
设备设施一览表
设备设施一览表
设备设施一览表
设备设施一览表
单位:成都六九一四科技有限公司。
搞项目的总说“工艺包”,各种化工工艺包详解化工工艺包(成套技术包)是化工生产的核心,对于化工生产过程起到举足轻重的作用。
那么,化工工艺包具体包括哪些内容呢?一、工艺包设计需要哪些专业共同完成?工艺包开发是一项系统工程。
需要涉及到多个专业、不同学科,难以凭借一己之力完成。
一般来讲,工艺包开发及设计主要由研发、化工工艺、工艺系统、分析化验、自控、材料、安全卫生、环保等专业共同完成该化工产品的工艺包设计工作。
二、工艺包成品应包括哪些设计文件?工艺包的成品应包括说明书、工艺流程图(PFD)、初版管道仪表流程图(P&ID)、建议的设备布置图、工艺设备一览表、工艺设备数据表(附设备简图)、催化剂及化学品汇总表、取样点汇总表、材料手册(需要时)、安全手册(包括职业卫生、安全和环保),操作手册(包括分析手册)、物性数据手册以及有关的计算书。
工艺包设计的质量控制与公司设计标准规定的各个有关专业在基础设计/初步设计阶段的质量控制要求相同。
三、工艺包设计内容和深度的详细规定⒈说明书工艺包设计说明书是工艺包设计的重要组成部分,应包括下列内容:a) 生产方法、装置特点;描绘工艺包设计所采用工艺生产方法的先进性、可靠性以及装置特点。
b) 产品名称及规模、年操作时间、装置运行方式,按五班三运转或四班三运转,或者其他方式运转。
c)按工艺过程的先后顺序,列出组成装置各工段的名称。
d)列出产生三废的装置设备名称以及三废名称、数量、组成及排放形式,有关三废综合利用和处理的说明。
①设计基础✦分别列出有关原料、催化剂及化学品的名称及规格。
✦分别列出水、电、气、汽等公用工程的名称及规格。
②工艺设计✦叙述工艺过程原理,列出工艺过程所涉及的化学反应方程式(包括主、副反应),说明所采用的催化剂。
✦按照工艺过程顺序,分工段及系统(塔系统、反应器系统、压缩机系统)详细叙述工艺流程。
✦分工段及系统(塔系统、反应器系统、压缩机系统)列出各主要点的正常操作条件,如温度、压力、流量、组成及主要的控制指标。