水泥搅拌桩SMW工法
- 格式:doc
- 大小:331.00 KB
- 文档页数:18
技术参数
1)水泥土搅拌桩采用P.O42.5普通硅酸盐水泥,水泥掺量(即消耗水泥重量和被加固土体重量的百分比)20%,土体容重统一取18kN/m3。
(2)SMW工法水泥土搅拌桩的施工采用三轴搅拌设备,桩型采用Φ
850@600水泥土搅拌桩,在桩体范围内必须做到水泥搅拌均匀,桩体垂直偏差不得大于1/250。
(3)围护桩施工前必须对施工区域地下障碍物进行探测,如有障碍物必须对其清理及回填素土,分层夯实后方可进行围护桩施工。
(4)现场施工时第一批桩(不少于3根),须始终在监理人员检查下施工。
检查内容:水泥投放量、浆液水灰比(宜用比重法控制)、浆液泵送时间、搅拌下沉及提升时间、桩长及垂直度控制方法。
(5)搅拌桩施工应有连续性,不得出现24小时施工冷缝(施工组织设计预留除外)。
如因特殊原因出现施工冷缝,则需补强并在图纸及现场标明位置以便最后统一考虑加强方案,超过48小时须在接头旁加桩或进行压密注浆补强。
(6)型钢须保持平直,若有焊接接头,接头处须确保焊接可靠。
(7)型钢插入左右定位误差不得大于20mm,宜插在搅拌桩靠近基坑一侧,垂直度偏差不大于1/250,底标高误差不大于200mm。
(8)型钢必须在搅拌桩施工完毕后3小时内插入,施工方应有可靠措施保证型钢的插入深度。
(9)拔型钢的同时,搅拌桩空隙内跟踪灌浆封孔。
S M W工法桩三轴水泥搅拌桩置换土方量计算
方法
Document number【AA80KGB-AA98YT-AAT8CB-2A6UT-A18GG】
SMW 工法桩三轴水泥搅拌桩置换土方量计算方法
一、假设以桩长10m ,桩径
850,水灰比1.5,水泥掺量
20%
(1)一幅桩一米体积:1.031m3/m
扇形面积=(3.14×0.425m ×0.425m )×90o/360o=0.1418m2
三角形面积=0.425m ×0.425m ÷2=0.0903m2
重合面积=2×(0.142m2-0.09m2)=0.103m2
每幅桩的截面积=3.14×0.425m ×0.425m ×2-0.103m2=1.031m2
(2)水灰比1.5:重量=1+1.5=2.5T
每幅桩用水泥(以桩长10m 计, 土体容重按每立方1.8T/m3,水泥掺量20%):=10m/幅×1.031 m3/m ×1.8T/m3×20%≈3.72T/幅
每幅桩水泥浆重量=3.72T/幅×2.5T=9.3T
水泥浆比重1.37T/ m3 ;水泥浆比重=1?1.5?1.37 T/ m3 0.323?1.5
矿渣水泥、火山灰水泥、粉煤灰水泥的密度2.8~3.1g/cm3 =1/3.1=0.323 m3 每幅桩水泥浆体积 9.3T ÷1.37T/ m3 =6.78 m3
置换率: 6.78 m3÷(10m ×1.031m3/m )=0.657
根据现场实际施工情况及地质情况,结合以往施工经验,产生外运泥浆约为桩体积的20%。
水泥土搅拌桩(SMW工法)检验批质量验收记录
编号:表G2-11
填表说明
劲性水泥土搅拌桩墙(SMW工法)的质量检查与验收应分为成墙期监控、成墙验收、基坑开挖质量检查三个阶段
第一阶段:成墙期监控内容包括验证施工机械性能、材料质量、试成桩资料以及逐根检查搅拌桩和型钢的定位、长度、标高、垂直度等;严格查验搅拌桩的水灰比、水泥掺量、下沉与提升速度、喷浆均匀度、水泥土试块的制作与测试、搅拌桩施工间歇时间以及型钢的规格、拼接焊缝质量是否滿足设计和施工工艺的要求,保证搅拌墙的成墙质量。
第二阶段:成墙验收按施工段划分若干检验批,除桩体强度检验顶目外,每一检验批至少抽查桩数的20﹪。
第二阶段:基坑开挖期间应着重检查开挖面墙体的质量以及渗漏水情况,如不符合设计要求应立即采取补救措施。
主控项目和一般项目的检查数量和检查方法
检查项目检查方法检查频率
主控项目1
浆液拌制选用的水泥、外加剂等
原材料的技术指标和检验项目
应符合设计要求和国家现行标
准的规定
查材料出厂合格证、质量报告及
现场抽样报告
按批检查
2
浆液水泥比、水泥掺量应符合设
计和施工工艺要求,浆液不得离
析
浆液水灰比用比重计抽查,水泥
掺量施工记录,每台班不少于3
次
按台班检查3
桩体无侧限抗压强度符合设计
要求
查现场抽样28天试验报告
每台班抽查
2根
一般项目1 下沉速度
计量机头下降和上升距离和时间
抽查全部施
工记录
2 提升速度
3 桩底标高测钻杆长度
每根检查一
点
4 桩位偏位用钢尺量
5 桩直径用钢尺量
6 桩体垂直度经纬仪测量经纬仪测量。
SMW工法桩施工方案定稿一、项目背景及概述得介绍一下这个项目,这是一座位于城市中心的高层建筑,地处繁华地段,周边环境复杂。
项目采用了SMW工法桩进行基础施工,旨在确保施工安全、质量可靠、进度可控。
二、SMW工法桩简介SMW工法桩,全称是SoilMixingWall,也就是搅拌桩墙。
它是将水泥浆与土体混合,形成具有一定强度和防渗性能的墙体。
这种工法桩适用于软土地基,具有施工速度快、效果好、对周边环境影响小等优点。
三、施工准备1.人员准备:组建一支专业的施工队伍,包括项目经理、技术人员、施工人员等,确保各项工作的顺利进行。
2.设备准备:选用合适的搅拌桩机、水泥搅拌车、泵车等设备,确保施工进度。
3.材料准备:采购符合要求的水泥、土体改良剂等材料,保证施工质量。
四、施工流程1.桩位测量:根据设计图纸,对桩位进行精确测量,确保桩位准确无误。
2.桩基施工:采用搅拌桩机进行桩基施工,按照设计要求搅拌水泥浆与土体,形成搅拌桩。
3.桩身施工:在搅拌桩的基础上,继续施工桩身,达到设计要求的桩长。
4.桩顶施工:对桩顶进行施工,确保桩顶质量。
5.检查验收:对施工完成的桩基进行检查验收,确保质量符合要求。
五、质量控制1.严格把控材料质量,确保水泥、土体改良剂等材料符合要求。
2.施工过程中,严格按照设计要求和规范操作,确保施工质量。
3.加强施工队伍的培训和管理,提高施工水平。
4.对施工过程进行实时监控,发现问题及时处理。
六、安全措施1.做好施工现场的安全防护工作,设置安全警示标志。
2.施工人员必须佩戴安全帽、安全带等防护用品。
3.加强施工现场的用电安全管理,确保用电安全。
4.对施工现场进行定期检查,及时发现并排除安全隐患。
七、进度计划1.制定详细的施工进度计划,确保施工进度。
2.根据实际情况,对施工进度进行调整,确保项目按期完成。
3.加强与各参建单位的沟通协调,确保施工顺利进行。
3.为今后类似项目提供参考。
九、附件1.设计图纸2.施工方案审批表3.施工日志4.施工验收报告5.安全生产责任书随着咖啡的香气渐渐消散,这份SMW工法桩施工方案终于完成了。
水泥三轴搅拌桩及SMW工法桩监理细则一、前期准备工作1.监理人员应详细熟悉工程设计文件,了解水泥三轴搅拌桩及SMW工法桩的施工流程、技术要求以及监理任务。
2.检查施工单位的资质文件,确保其具备从事水泥三轴搅拌桩及SMW 工法桩施工的合法资质。
3.确定施工单位的质量控制人员,并与其进行工作方案的确认。
4.按照合同要求,检查施工单位提交的施工计划、质量保证措施、施工设备等文件,确保施工单位具备施工条件。
二、施工过程监理1.施工前,监理人员应检查施工单位组织协调施工的各项准备工作是否符合要求。
2.在施工过程中,监理人员应定期检查施工单位的施工进度、施工人员的资质、施工设备的使用情况等,并及时记录和报告。
3.监理人员应对施工现场进行巡查,确保施工单位按照规范进行准备和施工,避免施工过程中的安全事故和质量问题。
4.监理人员应监督施工单位按照设计要求进行土壤的取样和试验,并对试验结果进行审核。
5.监理人员应协调设计单位和施工单位之间的配合,确保施工单位按照设计要求进行施工,及时处理施工中的技术问题。
三、质量验收和技术文件审核1.施工完成后,监理人员应对施工质量进行验收,并编制验收报告。
2.监理人员应对施工单位提交的技术文件进行审核,确保文件内容的完整和准确。
3.监理人员对施工过程中的关键节点进行抽查,并记录检查结果。
4.监理人员应参与对施工单位的技术交底、工程竣工验收等工作。
四、监理报告和问题处理1.监理人员应及时编制监理报告,清楚准确地记录施工过程中的各种问题和质量状况,并将报告及时提交施工单位和建设单位。
2.监理人员应对施工中发现的问题进行及时处理,并监督施工单位进行整改。
3.监理人员应及时向建设单位报告施工单位的违规行为和不合格问题,并提出处理建议。
总结:水泥三轴搅拌桩及SMW工法桩的监理工作是确保工程质量和施工进度的重要环节。
监理人员应具备较高的专业知识和工作经验,能够全面监督和指导施工单位的施工工作。
Ф850水泥搅拌桩围护每组桩截面积计算方式
1)l=0.017453ar=0.017453×90°×0.425=0.67m
A1=1/2[rl-C(r-h)]=1/2[0.425×0.668-0.6007(0.425-0.125)]=0.05185m2 2)圆A=3πr =3×π×0.425×0.425=1.7024m2
3)Ф850搅拌桩大幅面积A2=圆A-4A1=1.7024m2-0.05185m2×4=1.495 m2(公式见五金手册)
4)Ф850搅拌桩小幅面积=πr 2=3.1416×0.425×0.425=0.567m2
附注:
1、阴影部分为搅拌桩重复套钻,以确保桩体的连续性和接头的施工质量,以达到止水的作用。
2、重复套钻不重复计算工作量,实际组成一组桩为:一大幅(3孔)+一小幅(1孔),单桩断面面积为(1.495m2+0.567m2),便于折中计算单桩断面面积为(1.495m2+0.567m2)/2=1.0312m2。
3、SMW工法围护搅拌桩工作量计算式:桩截面积(1.0312 m2)×设计桩长×桩组数。
3、SMW工法围护搅拌桩工作量计算式:桩截面积(0.6m2)×设计桩长×桩组数。
4、延长米*间距(1.2)×1、0312×桩深=面积。
SMW工法施工工艺简介SMW工法也叫柱列式土壤水泥墙工法,就是利用特殊多轴搅拌钻机在原地层中切削土体,同时钻机前端低压注入水泥浆液与切碎土体充分混合形成止水性较好的水泥土柱列式挡墙,并在墙体中插入H型钢的一种新型地下施工技术。
一般为H型钢,支护完后可以将型钢拔出重复利用,主要用途:基坑支护,止水性能好,工期短,造价低,环境污染小特别适合城市中的深基坑工程。
本标准适用于淤泥,淤泥质土,粘土,粉质粘土,粉土,砂砾土等软土地基基坑挡土墙围护,尤其是在深基坑中支护更适用。
①SMW支护结构的支护特点主要为施工时基本无噪音,对周围环境影响小,不会产生邻近地面下沉,房屋倾斜,道路裂损及地下设施移位笔等危害,工法施工占用场地仅为其它施工方法的60%-80%,有利于保护周边的建筑,道路及空中,地下管线,同时残土及泥浆量小比较容易处理,有利于保护环境卫。
②目前SMW工法采用三轴搅拌钻机为中空叶片螺旋式钻机,在钻进土体的同时置换出大量的原状土,同时利用高压空气压入水泥浆使水泥土得到充分搅拌使得桩体无分层夹泥现象,桩体中插入型钢与水泥紧密结合增加了型钢翼缘厚度,使桩体强度大增加。
③连续施工防水效果好,SMW工法钻机的钻杆具有螺旋翼与搅拌翼相间设置的特色,随着钻掘与搅拌反复进行,可使水泥浆与土体得到充分均匀的搅拌,且水泥掺入量高,水灰比大,墙体全长无接缝,这样一方面使得形成的水泥土墙具有较高的抗压,抗剪强度,另一方面可使它比传统的连续墙具有更可靠的止水性。
④工程造价低,施工进度快,搅拌桩的水泥使用量远低于其它围护施工方法,在压缩工期的同时节约了人工费,所以可大大减少投资。
凡是适合应用水泥土搅拌桩的场合都可使用,特别适合于以粘土和粉细砂为主的松软地层,挡水防渗性能好,不必另设挡水帷幕,可以配合多道支撑应用于较深的基坑,此工法在一定条件下可以替作为地下围护的地下连续墙在费用上如果能够采取一定施工措施,成功回收H型钢等受拉材料则大大低于地下连续墙,因而具有较大发展前景。
SMW工法施工概要1 技术要求1.1三轴搅拌桩1.1.1 水泥土搅拌桩采用Ø1000三轴搅拌桩设备进行施工,定位误差50mm,桩体垂直度偏差大于1/150;1.1.2 搅拌桩采用普通硅酸盐水泥(32.5级),浆液水灰比为:1.60左右,水泥掺量a为水泥重量和被加固土体重量的比值(土容重取18KN/m3),未注明的水泥土桩水泥掺量均为a=20%,每根桩按2.13m2面积计算水泥投放量;1.1.3 型钢连接应采用双面剖口,双面等强度焊接。
经监理等相关单位对型钢连接焊缝进行检验合格后方可涂刷型钢表面脱模剂;1.1.4 施工时第一批桩(不小于3根)必须在监理人员监管下施工,以确定水泥投放控制方式、浆液水灰比(宜用比重法控制)、搅拌下沉、提升时间及桩长、垂直度的控制方法;1.1.5 桩体施工必须保持连续性,桩与桩的搭接时间不大于24小时。
若因特殊原因造成搭接时间大于48小时,则接桩时在原施工桩位进行复打喷浆后再施工后续桩。
若因时间无法进行复打则需给出补桩等补强方案并经同意后方可施工;1.1.6 在开挖的工作沟糟两侧铺设导向定位型钢,按设计要求在导向定位型钢上划出钻孔位置和插H型钢或钢轨的位置。
严格控制钻孔桩架的移动,确保钻孔轴心就位不偏。
严格控制下钻,提升的速度和深度;1.1.7 钻机在钻孔和提升全过程中,保持螺杆匀速转动,匀速下钻,匀速提升,同时根据下钻和提升两种不同的速度,确定下沉搅拌桩注浆速度1m/min,提升搅拌桩注浆2m/min,桩底部2m处重复搅拌桩注浆速度1m/min,并采取高压喷气在孔内使水泥土翻搅拌和,在桩底部分必须重复搅拌注浆,保证整桩搅拌充分、均匀,确保搅拌桩的成桩质量;1.1.8 在钻孔的水泥土充分搅拌均匀后,开始初凝硬化之前,采用履带吊将定尺的H型钢,插入指定位置,依靠型钢的自重下插到计划规定的深度,严格控制型钢的垂直度,严防错位,插偏、扭歪。
搅拌桩桩体施工为两喷两搅工艺。
加劲水泥土搅拌桩(SMW工法)施工操作规程xx公司xx年xx月xx日1 工程概况加劲水泥土搅拌桩用于基坑支护工程中,针对基坑深度在10m以内,采用比较经济。
加劲水泥土搅拌桩(SMW工法)作为一种新型支护形式,结构强度高。
如果地下水位较高,采用这种工艺能够起到支护和隔水帷幕的作用。
加劲水泥土搅拌桩(SMW工法)采用双轴钻掘搅拌机,H型钢压入与拔出采用液压压桩(拔桩)机。
因H型钢的拔出阻力较大,所以施工时在型钢的表面涂刷减磨剂。
2 作业前应做的准备和必须具备的条件2.1技术准备2.1.1施工前应标定搅拌机械的灰浆输送量、灰浆输送管到达搅拌机喷浆口的时间和起吊设备提升速度等施工工艺参数,通过室内配合比试验,结合设计要求,选择最佳水泥掺入比,确定搅拌施工工艺参数。
2.1.2依据设计图纸和施工方案,做好现场平面布置,安排好打桩施工流程。
布置水泥浆制备系统和泵送系统,且考虑泵送距离不宜大于100m。
2.1.3加劲水泥土搅拌桩机定位时,必须经过技术复核确保定位准确,必要时请监理人员进行轴线定位验收,同时设置桩位标志。
2.2材料要求2.2.1水泥:用强度等级为32.5抗硫酸盐水泥,要求新鲜无结块。
2.2.2外加剂:根据曹妃甸地质情况,添加粉煤灰,补充土体结构粘粒含量不足,掺量通过试验确定。
2.2.3型钢:H型钢应平直、光滑、无弯曲、无扭曲,具有出厂合格证,同时满足设计的要求。
2.1.4 水:水泥拌合用水采用饮用水,采用其它水源时,水质应符合国家现行标准《混凝土拌合用水标准》(JGJ63)的规定。
2.3作业条件2.3.1施工前做到三通一平,同时清理施工现场的地下、地面及空中障碍,场地低洼处用粘土料回填夯实,以利于安全施工。
2.3.2对进入施工现场的施工人员进行技术交底和安全交底,专业工种应进行岗前短期培训。
2.3.3按设计要求,进行现场测量放线,定出每一个桩位,并打入小木桩。
2.3.4开工前检查水泥及外加剂的质量、桩位、搅拌机工作性能及各种计量设备完好程度(主要是水泥流量计和其他计量装置)。
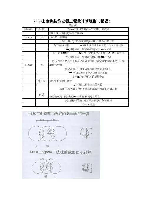
2000土建和装饰定额工程量计算规则(勘误)陈老师定额编号位单量计"2000土建和装饰定额"工程量计算规则型钢水泥土搅拌墙(SMW工法桩)2-5-19 m3 (1)水泥土搅拌墙按设计桩长(压梁底到桩底)乘以设计截面面积计算。
当三轴φ850时N=水泥土搅拌墙中心长度÷(0.6×3)米+1V=(桩底标高一压梁底标高)×1.4948×N幅当三轴φ650时N=水泥土搅拌墙中心长度÷(0.45×3)米+1V=(桩底标高一压梁底标高)×0.8663×N幅提示:搅拌桩成孔中重复套钻部分工程量己在定额中考虑,不另行计算2-5-20 吨(2)插拔型钢按设计图不尺寸乘以单位理论质量(吨)计算:W=型钢长度×单位理论质量×根数提示:H型的单位理论质量查表吨×天(3)型钢租赁(使用)费N=型钢工程量×租赁天数提示:租赁天数以投标时施工组织设计规定的天数为准台/次(4)型钢水泥土搅拌墙(SMW工法桩)机械进出场费按招投标时的施工组织设计要求以台/次计算式中:N=数量SMW工法截面计算一、SMW工法3Ф850@12001、 SΔ=0.3*(0.4252-0.32)1/2=0.0903m22、夹角a=(cos-1(0.3/0.425))*2=90.198°(90°11′53″)3、扇形S扇=a/360°*r2*∏=90.198°/360°*0.4252*3.1416=0.142m24、叠加部S叠=2*(S扇-SΔ)=2*(0.142-0.0903)=0.1037m25、套打截面:S套=2*r2*∏-S叠=2*0.4252*3.1416-0.1037=1.031m26、开幅(尾幅):S开=3*r2*∏-2S叠=3*0.4252*3.1416-0.1037*2=1.495m2二、SMW工法3Ф650@9002、 SΔ=0.225*(0.3252-0.2252)1/2=0.0528m22、夹角a=(cos-1(0.225/0.325))*2=92.37°(92°22′12″)3、扇形S扇=a/360°*r2*∏=92.37°/360°*0.3252*3.1416=0.0851m24、叠加部S叠=2*(S扇-SΔ)=2*(0.0851-0.0528)=0.0646m25、套打截面:S套=2*r2*∏-S叠=2*0.3252*3.1416-0.0646=0.599m26、开幅(尾幅):S开=3*r2*∏-2S叠=3*0.3252*3.1416-2*0.0646=0.866m2三、SMW工法3Ф1000@14003、 SΔ=0.35*(0. 52-0.352)1/2=0.125m22、夹角a=(cos-1(0.35/0. 5))*2=91.146°(91°8′46″)3、扇形S扇=a/360°*r2*∏=91.146°/360°*0.52*3.1416=0.1989m24、叠加部S叠=2*(S扇-SΔ)=2*(0.1989-0.125)=0.1477m25、套打截面:S套=2*r2*∏-S叠=2*0. 52*3.1416-0.1477=1.423m26、开幅(尾幅):S开=3*r2*∏-2S叠=3*0. 52*3.1416-2*0.1477=2.0608m2。
矿产资源开发利用方案编写内容要求及审查大纲
矿产资源开发利用方案编写内容要求及《矿产资源开发利用方案》审查大纲一、概述
㈠矿区位置、隶属关系和企业性质。
如为改扩建矿山, 应说明矿山现状、
特点及存在的主要问题。
㈡编制依据
(1简述项目前期工作进展情况及与有关方面对项目的意向性协议情况。
(2 列出开发利用方案编制所依据的主要基础性资料的名称。
如经储量管理部门认定的矿区地质勘探报告、选矿试验报告、加工利用试验报告、工程地质初评资料、矿区水文资料和供水资料等。
对改、扩建矿山应有生产实际资料, 如矿山总平面现状图、矿床开拓系统图、采场现状图和主要采选设备清单等。
二、矿产品需求现状和预测
㈠该矿产在国内需求情况和市场供应情况
1、矿产品现状及加工利用趋向。
2、国内近、远期的需求量及主要销向预测。
㈡产品价格分析
1、国内矿产品价格现状。
2、矿产品价格稳定性及变化趋势。
三、矿产资源概况
㈠矿区总体概况
1、矿区总体规划情况。
2、矿区矿产资源概况。
3、该设计与矿区总体开发的关系。
㈡该设计项目的资源概况
1、矿床地质及构造特征。
2、矿床开采技术条件及水文地质条件。
SMW工法桩施工方法本工程SMW工法桩主要用作围护结构,桩长10-24m,共计953幅;型钢水泥土搅拌墙采用8500600三轴水泥搅拌桩H700x300x13x24型钢,采用套接一孔法施工。
水泥强度等级P.O42.5级普通硅酸盐水泥,黏性土单位被搅拌土体中水泥掺入量不少于25%,水胶比1:1。
28天龄期无侧限抗压强度不小于0.8Mpa。
SMW工法桩施工主要为插一跳一型(暗埋段为密插型)。
1、主要技术标准(1)成桩采用四搅四喷搅工艺。
(2)泥浆配制好后,停滞时间不得超过2小时,搅拌桩搭接施工施工的间隔时间不大于24小时,当超过24小时时,搭接施工时应放搅拌速度,如无法搭接或搭接不良,按冷缝处理,于坑外补加水泥搅拌桩或高压旋喷桩加固。
(3)喷浆搅拌时钻头的下沉速度不得大于0.5m/min-1m/min,提升速度控制在1m/min-2m/min,并保持匀速下沉或提升。
(4)搅拌桩28天龄期强度要求不小于0.8MPa,渗透系数应小于1x10°cm/s,搅拌桩未达设计强度或龄期<28天,不得开挖基坑。
(5)拌桩成桩28天后进行桩身强度兼完整性检测,检测数量不应少于总桩数的2%且不少于3根,每根桩的取芯数量不少于5组,每组不少于3件试块。
芯样在全桩长范围内连续钻取的桩芯上选取,取样点应沿桩长不同深度和不同土层处的5点,且在基坑坑底附近应设取样点;钻孔取芯完成后的空隙应注浆填充。
(6)型钢在成桩2~4小时内插入,拌桩底端应比型钢端部深0.5m-1m,搅拌桩中心偏位不得超过40mm,桩身垂直度允许偏差为1/250。
SMW工法桩平面布置大样图(插一跳一型SMW工法桩)。
600600600600600600850图7.4-1 SMW 工法桩施工顺序及工艺流程 (7)型钢要求确保平整度和垂直度,不允许有扭曲现象,内插型钢的垂直度允许偏差为1/250; (8)型钢插入前,表面需涂减摩剂,与顶圈梁间采用牛皮纸隔离,待覆土完成后拔出回收,拔桩后及时进行注浆填灌,以减少拔桩影响。
SMW工法桩施工技术总结摘要:SMW工法桩为最近几年在我国新兴起的一种施工工艺。
SMW工法桩止水性好、刚度大、施工速度快、造价低、环境污染小,现已被广泛应用在城市地铁车站基坑开挖及其他市内建筑工程基坑开挖中。
关键词:SMW工法桩;成桩;型钢插入;型钢回收1 SMW工法桩特点(1)止水性能好:由于水泥土搅拌桩(SMW)工艺采用三轴搅拌桩机施工,同时施工一组三根桩,每组桩内的三根桩相互咬合紧密,每组桩之间也有搭接重叠部位,因此止水性能可靠。
(2)刚度大:SMW工法桩内插入一根H型钢,H型钢的截面惯性矩大增大了桩身的刚度。
(3)施工快:三轴搅拌桩机功率大,且同时施工三根桩,施工效率高,施工速度快,在工期紧张的情况下有一定优势。
(4)造价低:H型钢可以回收再利用。
(5)环境污染小:水泥土搅拌桩(SMW)工艺置换的泥浆、渣土少,施工噪音小。
2 适用范围SMW工法桩适用于黏性土、粉土、砂性土、粉质粘土等地质中。
设计参数一般为单桩直径850mm,桩间距600mm,成桩深度一般在30m以内。
3 施工工艺SMW工法桩是利用桩机在钻进土体的同时喷射水泥浆,利用浆液固结土体,形成水泥土搅拌桩,再将H型钢插入桩体内,形成支护体系。
当支护体系使命完成后,将H型钢拔出实现回收利用。
3.1施工工艺流程施工工艺流程图见图1.图1 SMW工法桩施工工艺流程图3.2操作要点3.2.1平整场地将桩基施工范围内的场地进行平整压实,确保桩机能在场地内正常行走,同时应保证场地具有一定的刚度,使桩机在施工时保证垂直度。
3.2.2 测量定位利用全站仪对桩位放样,确定桩位中心线,并放出外扩3m的控制线,便于施工桩位的控制。
3.2.3开挖导向沟按1.2米宽度,1米深度开挖导向沟,尺寸可根据地质情况适当调整。
沟中心线沿桩中心线布置,既可以起到导向作用也可以存放置换出的水泥土浆。
3.2.4 设置定位、导向架根据测量定位及导向沟的开挖情况,制作导向架。
SMW工法施工步骤关键信息项:1、施工准备工作场地平整与清理测量放线材料与设备准备2、搅拌桩施工桩机就位水泥浆制备钻进搅拌提升搅拌3、 H 型钢插入H 型钢的质量检查涂刷减摩剂插入 H 型钢4、施工质量控制桩身垂直度控制水泥用量控制桩位偏差控制5、施工安全措施现场安全防护设备操作安全人员安全教育6、环境保护措施扬尘控制噪声控制废弃物处理11 施工准备工作111 场地平整与清理在施工前,需要对施工现场进行平整,清除地面障碍物、地下管线等,确保施工场地具备良好的作业条件。
同时,对场地内的软弱土层进行处理,以保证桩机的稳定性。
112 测量放线根据设计图纸,准确放出桩位中心线和桩体轮廓线,并做好标记。
测量放线的精度应符合相关规范要求。
113 材料与设备准备准备好施工所需的水泥、水、H 型钢等材料,并确保材料的质量符合要求。
同时,对搅拌桩机、吊车等施工设备进行检查和调试,确保设备性能良好,能够正常运行。
12 搅拌桩施工121 桩机就位将搅拌桩机移动到指定桩位,调整桩机的水平度和垂直度,使其满足施工要求。
桩机的位置偏差应控制在规定范围内。
122 水泥浆制备按照设计要求的配合比,将水泥和水搅拌均匀,制成水泥浆。
水泥浆的搅拌时间和稠度应符合施工规范。
123 钻进搅拌启动搅拌桩机,钻头边旋转边钻进,同时将水泥浆通过注浆管注入土体中,进行搅拌。
钻进速度和搅拌速度应根据地质条件和施工要求进行调整。
124 提升搅拌当钻头钻到设计深度后,边提升钻头边搅拌,使水泥浆与土体充分混合均匀。
提升速度应与搅拌速度相匹配,以保证桩体的质量。
13 H 型钢插入131 H 型钢的质量检查对拟插入的 H 型钢进行质量检查,包括其长度、截面尺寸、平整度等,确保符合设计要求。
132 涂刷减摩剂在 H 型钢表面涂刷减摩剂,以减少其与土体之间的摩擦力,便于后期拔出。
133 插入 H 型钢在搅拌桩施工完成后,及时将 H 型钢插入桩体中。
插入时应保证 H 型钢的垂直度和位置准确。
SMW桩施工工艺工法1前言1.1工艺工法概况SMW是Soil Mixing Wall的缩写。
SMW工法连续墙于1976年在日本问世,我国上海引进最早,主要应用在工程围护当中。
SMW工法最常用的是三轴型钻掘搅拌机,其中钻杆有用于粘性土及用于砂砾土和基岩之分,此外还研制了其他一些机型,用于城市高架桥下等施工,空间受限制的场合,或海底筑墙,或软弱地基加固。
1.2工艺原理SMW工法是以多轴型钻掘搅拌机在现场向一定深度钻进切削土体,同时在钻头端部将水泥浆液注入土体,经充分搅拌后,再将H型钢或其他型材插入搅拌桩体内,形成地下连续墙体,利用该墙体直接作为挡土和止水结构。
2工艺工法特点构造简单、止水性能好,工期短,造价低,环境污染小。
3适用范围凡是适合应用水泥土搅拌桩的场合都可以使用,特别适合于以粘性土和粉细砂为主的松软地层;挡水防渗性能好,可以配合多道支撑应用于城市中的较深的基坑,距离城市红线中心线80厘米墙面就可以采用。
成墙厚度550~1300mm,常用厚度600mm;成墙最大深度目前为65m,视地质条件尚可施工至更深。
4主要引用标准4.1《建筑基坑工程技术规程》(JGJ120)4.2《建筑地基基础工程施工质量验收规范》(GB50202)4.3《建筑地基处理技术规范》(JGJ79)4.4《软土地区工程地质勘察规范》(JGJ83-91)4.5《型钢水泥土搅拌墙》(DGJ08-116)5施工方法SWM工法是一种地下基坑围护支护,通过水泥桩(水泥掺量不小于20%)搅拌,插入H型钢,基坑四周设双拼型钢支撑,转角处采用钢筋混凝土和H型钢混合支撑,支撑间距一般为4.5米。
桩顶用钢筋混凝土圈梁兼做首道支撑围檩,并加设双拼型钢作围檩。
在结构出+0.000后拔出型钢支撑。
坑内采用水泥搅拌桩和压密注浆加固透水性较强的砂质粉土。
6 工艺流程及操作要点6.1施工工艺流程图1 SMW工法桩施工工艺流程图表1 流程图解表6.2.1施工准备根据控制基准点,按图放出桩位,设立临时控制桩,并清除地上、地下障碍物,在铺设道轨枕木处要整平找整实,使道轨枕木在同一水平线上。
SMW工法桩计算原则1、工艺要求SMW工法桩采用三轴搅拌桩,一个单元为,应采用套接一孔法施工,非加密型钢布置在重叠的孔位中。
详见规范JGJ/T199-2010《型钢水泥土搅拌墙技术规程》。
施工时注意,有时设计院画图不会按照三轴的单元来画,可能只是按照单圆画图,具体施工时,需要我们技术人员重新排桩以及型钢位置,排桩注意现场施工实际,与施工队伍协商,小转角处可直接斜搭。
重新排桩后,工法桩及型钢工程量尽量不要增加。
2、计量原则一般而言,计量规则里SMW工法桩计算分为两部分:工法桩和型钢插拔,型钢计算以t计,直接查型钢规范,找到对应型号得到每延米重量,计算每根型钢长度,乘以单位重量,最后汇总,即可得出总重量;工法桩计算以m³计,不考虑重贴部分,只考虑投影面积,一般以为单元,计算单元截面面积,乘以每个单元的深度,最后汇总,即可得到总体积,重贴部分的费用体现在综合单价中。
3、物资计算SMW工法桩涉及的物资有两部分:型钢和水泥。
型钢计算与计量计算规则一致;水泥计算有几种不同的计算方式:(1)在JGJ/T199-2010的第5页给出“计算水泥用量时,被搅拌土体的体积可按搅拌桩单桩圆形截面面积与深度的乘积计算”,我的理解就是按照单圆的面积计算,但并没有提到套打部分是否重复计算,如果重复计算,计算得到的水泥用量为A1=Σ(单圆面积×深度×土体密度×水泥掺量,套打重复计算),所有的重合部分都考虑了,理论上是水泥用量最大的计算方式。
如果套打部分重复计算,得到水泥的水泥用量为A2=Σ(单圆面积×深度×土体密度×水泥掺量,套打不重复计算),此种计算,约是A1的2/3。
(2)水泥掺量**%,如果理解为综合水泥掺量的话,那么水泥用量就可以用加固体的总体积V(不考虑任何的重叠部分),乘以土体密度,再乘以水泥掺量,得出A3=V×土体密度×水泥掺量,此种计算,由于没有考虑任何的重叠部分,理论是最小的结果,但是由于是综合的水泥掺量,非套打的部分会低于设计的水泥掺量**%,成为薄弱区,可能会渗漏或开裂。
1 水泥搅拌桩SMW工法1.1原理及特点SMW工法利用多轴式长螺旋钻孔机在土壤中钻孔达到预定深度后,边提钻边从钻头端部注入适合工程要求的水泥浆,并与原土壤进行搅拌。
它是采用专用钻机,用水泥作为固化剂与地基土进行原位的强制性搅拌,并插入型钢,固化后形成水泥土“地下基坑支护”墙体,充分利用水泥土挡土墙的高止水性及型钢具有的强度,通过二者的复合作用,用作基坑挡土和侧向防水结构,当其围护功能完成后,型钢可以拔出重复利用。
SMW工法与传统的深层搅拌桩工法相比,其采用的设备不同,成桩机理也不同。
深层搅拌桩是采用传统的单轴搅拌钻机,施工时水泥浆注入充填在原土间隙中,而新型三轴搅拌钻机则在充填水泥浆时加入高压空气,同时钻机对水泥土进行充分搅拌,并置换出大量原状土。
新型的三轴钻机成桩的桩体强度及桩身均匀性明显优于传统的单轴钻机,其重要性是相邻两幅桩与桩的平行性和搭接程度都十分良好,保证了优良可靠的防水性能,同时也有利于型钢的插入和回收与传统的基坑围护。
与目前经常采用的地下基坑支护和钻孔灌注桩的施工方法相比主要有以下特点:(1)施工不扰动邻近土体,不会产生邻近地面下沉、房屋倾斜、道路裂损及地下设施移位等危害。
(2)钻杆具有螺旋推进翼相间设置的特点,随着钻掘和搅拌反复进行,可使水泥系强化剂与土得到充分搅拌,而且墙体全长无接缝,它比传统的基坑支护具有更可靠的止水性。
(3)它可在粘性土、粉土、砂土、砂砾土等土层中应用。
(4)可成墙厚度550-1300毫米,常用厚度600毫米;成墙最大深度目前为65米,视地质条件尚可施工至更深。
(5)所需工期较其他工法短。
在一般地质条件下,为地下基坑支护的三分之(6)废土外运量远比其他工法少。
1.2SMW工法施工顺序(1)导沟开挖:确定是否有障碍物及做泥水沟;(2)置放导轨;(3)设定施工标志;(4)SMW钻拌:钻掘及搅拌,重复搅拌,提升时搅拌;(5)置放应力补强材(H型钢);(6)固定应力补强材;(7)施工完成SMW。
1.3劳动力和机械组织机械组织:SMW工法分项工程拟采取进场一台DH608SMW工法桩机,配备一台50T履带式起重机吊装H型钢,一台1立方的挖掘机平整场地、置换土1.4施工工艺流程根据施工场地大小、周围环境等因素,施工时不得出现冷缝,搭接施工的相邻桩的施工间歇时间应不超过10~16小时,合理设计施工流程,确保安全、优质完成本工程。
为保证Ф850三轴水泥搅拌桩的连续性和接头的施工质量,达到设计要求的防渗要求,主要依靠重复套钻来保证。
1.5施工要求(1)搅拌桩允许偏差:桩底标高+100 -50mm、桩位偏差50mm、桩径±10mm、桩身垂直度5‰;(2)型钢插入允许偏差:型钢垂直度5‰、型钢长度±10mm、型钢平面位置50(平行于基坑方向)10(垂直于基坑方向)mm、型钢底标高-30mm、形心转角3°;(3)在机具就位前应平整填筑场地,场地低洼时应回填粘性土料,不得回填杂填土。
(4)在搅拌桩成孔时,所需70%~80%的水泥浆,宜在下行钻进时灌入,其余的20%~30%宜在螺旋钻上行回程时灌入;(5)施工停浆面必须高出桩顶设计标高0.5m,在冠梁施工时将高出部分挖除;(6)在搅拌桩施工过程中下钻进的速度比上提时的速度慢一倍左右,以便尽可能保证水泥土的充分搅拌又可获得较高的贯入速度。
应根据各土层土质情况选择水泥浆液的配合比以便得到较均匀的墙体;(7)喷浆口到达桩顶设计标高时宜停止提升,搅拌数秒,以保证桩头的均匀密实。
施工中因故停浆应将搅拌机下沉到停浆点下0.5m ,待恢复供浆时再搅拌提升。
桩与桩搭接时间不应大于24小时,如间歇时间较长,搭接质量无保证时应采用局部补桩或注浆处理。
预搅下沉时不宜冲水当遇到较硬土层时方可适量冲水,但需考虑冲水对桩身强度的影响;(8)型钢在成桩2~4小时内插入。
施工使用的固化剂和外掺剂必须通过加固土室内试验检验方能使用,制备好的浆液不得离析,泵送必须连续。
1.6关键技术的处理H型钢水泥土搅拌桩支护结构的施工关键在于搅拌桩制作,以及H型钢的制作和打拔。
1.6.1搅拌桩制作与常规搅拌桩比较,要特别注重桩的间距和垂直度。
施工垂直度应小于1%,以保证型钢插打起拔顺利,保证墙体的防渗性能。
注浆配比除满足抗渗和强度要求外,尚应满足型钢插入顺利等要求。
1.6.2保证桩体垂直度措施(1)在铺设道轨枕木处要整平整实,使道轨枕木在同一水平线上;(2)在开孔之前用水平尺对机械架进行校对,以确保桩体的垂直度达到要求;(3)用两台经纬仪对搅拌轴纵横向同时校正,确保搅拌轴垂直;(4)施工过程中随机对机座四周标高进行复测,确保机械处于水平状态施工,同时用经纬仪经常对搅拌轴进行垂直度复测。
1.6.3保证加固体强度均匀措施(1)压浆阶段时,不允许发生断浆和输浆管道堵塞现象。
若发生断桩,则在向下钻进50厘米后再喷浆提升;(2)采用“二喷二搅”施工工艺,第一次喷浆量控制在60%,第二次喷浆量控制在40%;严禁桩顶漏喷现象发生,确保桩顶水泥土的强度;(3)搅拌头下沉到设计标高后,开启灰浆泵,将已拌制好的水泥浆压入地基土中,并边喷浆边搅拌约1-2分钟;(4)控制重复搅拌提升速度在0.8-1.0米/分以内,以保证加固范围内每一深度均得到充分搅拌;(5)相邻桩的施工间隔时间不能超过24小时,否则喷浆时要适当多喷一些水泥浆,以保证桩间搭接强度;(6)预搅时,软土应完全搅拌切碎,以利于与水泥浆的均匀搅拌。
1.6.4型钢的制作与插入起拔施工中采用工字钢,对接采用内菱形接桩法。
为保证型钢表面平整光滑,其表面平整度控制1‰以内,并应在菱形四角留Φ10小孔。
型钢拔出,减摩剂至关重要。
型钢表面应进行除锈,并在干燥条件下涂抹减摩剂,搬运使用应防止碰撞和强力擦挤。
且搅拌桩顶制作围檩前,事先用牛皮纸将型钢包裹好进行隔离,以利拔桩。
型钢应在水泥土初凝前插入。
插入前应校正位置,设立导向装置,以保证垂直度小于1%,插入过程中,必须吊直型钢,尽量靠自重压沉。
若压沉无法到位,再开启振动下沉至标高。
型钢回收。
采用2台液压千斤顶组成的起拔器夹持型钢顶升,使其松动,然后采用振动锤,利用振动方式或履带式吊车强力起拔,将H型钢拔出。
采用边拔型钢边进行注浆充填空隙的方法进行施工。
深层搅拌桩原理图及效果中空三轴钻机原理图及效果SMW工法施工工艺流程2 深层两轴搅拌桩与高压旋喷桩2.1施工部署两轴深层搅拌桩与高压旋喷桩分项工程拟配备两台两轴桩机和两台高压旋喷桩机同时施工。
2.2施工流程Ф700双轴搅拌桩施工流程二重管高压旋喷桩施工工艺流程图2.3基本规定(1)水泥土桩墙采用格栅布置时,水泥土的置换率对于淤泥不宜小于0.8,淤泥质土不宜小于0.7,一般黏性及砂土土不宜小于0.6,格栅长宽比不宜大于2。
(2)水泥土桩与桩之间的搭接宽度应根据挡土及截水要求确定,考虑截水作用时,桩的有效搭接宽度不宜小于200mm。
(3)当变形不能满足要求是,宜采用基坑内侧土体加固或水泥土墙插筋加混凝土面板及加大嵌固深度等措施。
(4)水泥土桩墙应采取切割搭接法施工。
应在前桩水泥土尚未固化时进行后续搭接桩施工。
施工开始和结束的头尾搭接处,应采取加强措施,消除搭接沟缝。
(5)深层搅拌水泥土墙施工前,应进行成桩工艺及水泥掺入量或水泥浆的配合比试验,以确定相应的水泥参入比或水泥浆水灰比,浆喷深层搅拌的水泥掺入量宜为被加固土质量的15-18%;粉喷深层搅拌的水泥掺入量宜为被加固土质量的13-16%。
(6)高压喷射注浆施工前,应通过试喷试验,确定不同土层旋喷固结体的最小直径、高压喷射施工技术参数等。
高压喷射水泥浆的水灰比宜为1.0-1.5。
高压喷射注浆切割搭接宽度应符合下列规定:①旋喷固结体不宜小于150mm;②摆喷固结体不宜小于150mm;③定喷固结体不宜小于200mm。
(7)当水泥土桩墙需设置插筋时,桩身插筋应在桩顶搅拌完成后及时进行。
插筋材料、插入长度和露出长度等均应符合设计要求。
(8)水泥土桩墙工程施工前,必须具备完整的地质勘察资料及工程附近管线、建筑物、构筑物和其他公共设施的构造情况,必要时应作施工勘察和调查以确保工程质量及附近建筑的安全。
(9)施工单位必须具备相应专业资质,并应建立完善的质量管理体系和质量检验制度。
(10)施工过程中出现异常情况时,应停止施工,由监理或建设单位组织勘查、设计、施工等有关单位共同分析,消除质量隐患,兵营形成文件资料后方可继续施工。
2.4施工准备2.4.1技术准备(1)基坑支护挡墙施工前,会同有关设计人员进行图纸会审核技术交流。
(2)编制施工组织设计,内容包括:1)场区工程地质、水文地质概况;2)基坑周边环境、地下障碍物情况,施工场地总平面布置图;3)根据成桩试验结果确定搅拌桩施工工艺和施工参数;4)基坑支护挡墙搅拌桩施工方案和施工顺序;5)机械设备的型号、数量、动力;各工种材料的数量、质量、规格、品种、使用计划;工程技术人员、管理人员和关键岗位人员的配置;6)施工中关键问题和技术难点的技术质量要求标准和保证措施等;7)施工工期、质量、安全控制等方案;8)施工期间的质量监控,抢险应急措施等。
(3)深层搅拌机或钻机定位时,必须经过技术复核确保定位准确,必要时请监理人员进行轴线定位验收,同时设置桩位标志。
(4)施工前应标定搅拌机械的灰浆输送量、灰浆输送管到达搅拌机喷浆口的时间和起吊设备提升速度等施工工艺参数,并根据设计通过试验确定搅拌桩材料的混合比。
(5)采用旋喷法施工时必须事先确定水泥浆的水灰比。
2.4.2材料要求(1)水泥:用强度等级为32.5普通硅酸盐水泥,要求新鲜无结块。
(2)砂子:用中砂或粗砂,含泥量小于5%(水泥土搅拌)。
(3)外加剂:塑化剂采用木质素磺酸钙,促凝剂采用硫酸钠、石膏,应有产品出厂合格证,掺量通过试验确定(水泥土搅拌)。
2.4.3主要机具(1)水泥土搅拌施工主要机具:SJB-1型深层搅拌机,履带式起重机,灰浆搅拌机,灰浆泵,冷却泵,机动翻斗车。
向导架,集料斗,磅秤,提速测定仪,设备包括操纵控制系统、高压管路系统、材料储存系统以及各种管材、阀门、街头安全设施等。
2.4.4作业条件(1)施工现场应先整平,清除桩位处地上、地下一切障碍物,场地低洼处用黏性土料回填夯实,不得用杂填土回填。
(2)设备开机前应经检修、调试,检查桩机运行和输料管畅通情况。
(3)开工前应检查水泥及外加剂的质量、桩位、搅拌机工作性能及各种计量设备完好程度(主要是水泥浆流量计和其他计量装置)。
2.5材料和质量要点2.5.1材料的关键要求(1)施工前所用水泥,必须经强度试验和安定性试验合格后才能使用。
(2)所用砂子必须严格控制含泥量,外加剂必须无变质。
2.5.2技术关键要求(1)水泥土搅拌桩施工时必须严格控制配合比,当用水泥砂浆作固化剂,其配合比为1:1~2(水泥:砂),为增强流动性,可参入0.2~0.25%木质素磺酸钙减水剂与1%硫酸钠和2%石膏;水灰比为0.43~0.5。