龙门架及井架物料提升机基础验收表
- 格式:docx
- 大小:14.02 KB
- 文档页数:1
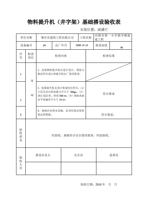
安装位置:演播厅单位名称肇庆市建筑工程有限公司工程名称河源市第一小学教学楼新建工程设备编号1# 出厂年月2006-10-18 搭设高度m序号检查项目检查内容检查结果1基础1、高架物料提升机应进行设计,埋深与做法符合设计和提升机出厂使用要求。
2 2、低架提升机无设计要求时应符合:(1)土层压实后的承载力不小于80kp a;(2)浇注C25砼,厚度300㎜;(3)基础表面水平度偏差不大于10㎜。
符合要求3 3、基础应有排水设施,必须有保证架体稳定的措施。
符合要求。
验收意见经验收,基础符合安全使用要求,同意验收。
验收人员搭设负责人安全员监理员验收日期:2010年月日安装位置:琴房单位名称广东省第一建筑工程有限公司工程名称河源职业技术学院艺术楼设备编号2# 出厂年月2006-03-10 搭设高度15m序号检查项目检查内容检查结果1基础1、高架物料提升机应进行设计,埋深与做法符合设计和提升机出厂使用要求。
2 2、低架提升机无设计要求时应符合:(1)土层压实后的承载力不小于80kp a;(2)浇注C25砼,厚度300㎜;(3)基础表面水平度偏差不大于10㎜。
符合要求3 3、基础应有排水设施,必须有保证架体稳定的措施。
符合要求。
验收意见经验收,基础符合安全使用要求,同意验收。
验收人员搭设负责人安全员监理员验收日期:2010年月日安装位置:教学楼单位名称广东省第一建筑工程有限公司工程名称河源职业技术学院艺术楼设备编号3# 出厂年月2006-03-16 搭设高度18m序号检查项目检查内容检查结果1基础1、高架物料提升机应进行设计,埋深与做法符合设计和提升机出厂使用要求。
2 2、低架提升机无设计要求时应符合:(1)土层压实后的承载力不小于80kp a;(2)浇注C25砼,厚度300㎜;(3)基础表面水平度偏差不大于10㎜。
符合要求3 3、基础应有排水设施,必须有保证架体稳定的措施。
符合要求。
验收意见经验收,基础符合安全使用要求,同意验收。
建筑施工起重机械(物料提升机)基础验收表
工程名称工程地址
使用单位安装单位
设备型号备案登记号
序号检查项目检查结论(合格√、不合格×)备注
1 地基承载力
2 基础尺寸偏差(长×宽×厚)(mm)
3 基础混凝土强度报告
4 基础表面平整度
5 基础顶部标高偏差(mm)
6 预埋螺栓、预埋件位置偏差(mm)
7 基础周边排水措施
8 基础周边与架空输电线安全距离
其他需说明的内容:
使用单位验收意见:
项目负责人(签字):
(盖章)
年月日安装单位验收意见:
项目负责人(签字):
(盖章)
年月日
施工总包单位验收意见:
项目负责人(签字):
(盖章)
年月日监理单位验收意见:
总监理工程师(签字):
(盖章)
年月日
XXX记录
公司名称:
记录人:
记录时间:年月日~年月日
2。
物料提升机(龙门架、井子架)安全技术要求和验收表施工单位:江苏南通六建建设集团有限公司工程名称:芜湖县城东新城一期5#、6#楼工程序号验收项目技术要求验收结果1 制作安装基础及架体安装符合设计要求2 限位保险装置提升机必须设有断绳保护装置、安全停靠装置、超高限位装置,30米以上高架提升机还必须有下级限限位装置、缓冲器和超载限制器,安全装置齐全可靠。
3 架体稳定1、采用缆风绳固定的须采用直径大于9.3毫米的圆股钢丝绳,提升架高度低于20米时设一组,20米-30米时设2组;缆风绳应对称设置,与地面角度在45度-60度,地锚应采用不少于2根钢管并列设置,间距50厘米,入土深度大于1.7米,并使用花篮螺丝,开口设保险绳卡两端均不少于3只,直径相匹配。
2、高架提升机必须使用连墙杆稳定架体,连墙杆间距不大于9米,建筑物顶部必须设连墙杆,提升机自由高度不得大于6米,连墙杆与架体与建筑物必须连接可靠,不得连接在脚手架上。
4 钢丝绳起重钢丝绳不得断股、变形、油芯外露等现象、断丝毛刺、锈不得超过标准,钢丝绳必须设过道保护,下设拖轮以防拖地,上设盖板中间留有观察孔;起重钢丝绳不得有接头,绳卡必须3只以上。
5 卸料平台防护卸料平台单独搭设,不得与脚手架连接,平台两侧应设 1.2米高防护栏杆和30 厘米高踢脚杆,并用密目网封闭,平台板采用4厘米以上厚木板铺设严密,牢固、平台口应设定型化安全门,并有防止安全门外开措施,地面进料口应搭设三面防护棚,并要求50厘米翻边,宽度(低架为3米、高架为5米)且为双层棚。
吊篮应使用合格的定型产品:吊篮两侧应设置高度不低于1米的安全挡板或档网,上部应有防护顶板,进出口应设置。