钢结构课程设计-例题
- 格式:doc
- 大小:801.50 KB
- 文档页数:18
计算题A1、如图所示用拼接板的平接连接,主板截面为14⨯400mm,拼接板的尺寸为8⨯360⨯300mm;用直角角焊缝三面围焊,每条侧面焊缝的长度为13cm(一边有4条)。
承受轴心力设计值kN920=N(静力荷载),钢材为Q235,采用E43系列型焊条,手工焊。
试验算该连接是否可靠?(设焊缝的焊脚尺寸mm6=fh,直角角焊缝的2wN=920KN4mm36mm10mmN=920KNN=920KN N=920KN8814300mm一条侧焊缝长为130mm23、验算如图所示摩擦型高强螺栓连接是否安全,已知:荷载N =300kN,螺栓M20,10.9级,μ=0.5,预紧力P =155kN 。
4、如图连接,尺寸为mm ,受静载拉力kN 130=P ,mm10=fh ,钢材为Q235BF ,E43焊条,手工焊无引弧板,2N/mm 160=w f f 。
试验算焊缝强度。
5、某6m 跨度简支梁的截面和荷栽(含梁自重在内的设计值)如图所示。
在距支座2.4m 处有翼缘和腹板的拼接连接,实验算其10P10110P10A拼接的对接焊缝。
已知钢材为Q235,采用E43型焊条,手工焊,三级质量标准,施焊时采用引弧板。
解:①计算焊缝截面处的内力m kN m kN qab M ⋅=⋅-⨯⨯⨯==8.1036)]4.20.6(4.224021[21 ()[]kN kN a l q V 1444.2324021=-⨯=⎪⎭⎫⎝⎛-=② 计算焊缝截面几何特征值:()4643310289810002401032250121mm mm I W ⨯=⨯-⨯⨯=()363610616.5516102898mm mm W W ⨯=÷⨯= ()363110032.250816250mm mm S W ⨯=⨯⨯= ()363110282.325010500mm mm S S W W ⨯=⨯⨯+=③ 计算焊缝强度查附表得2/185mm N f w t = 2/125mm N f w v =2266max/185/6.18410616.5108.1036mm N f mm N W M w t W =<=⎪⎪⎭⎫⎝⎛⨯⨯==σ 22663max /125/3.161010289810282.310144mm N f mm N t I VS w v w W W =<=⨯⨯⨯⨯⨯==τ 2max 01/9.1786.18410321000mm N h h =⨯==σσ266311/1.101010289810032.210144mm N t I VS w W W =⨯⨯⨯⨯⨯==τ 折算应力:22222121/5.2031851.11.1/8.1791.1039.1783mm N f mm N w t =⨯=<=⨯+=+τσ6、设计图示双盖板对接连接。
例题 8-1简支人字形屋架设计1、设计资料人字形屋架跨度30m,屋架间距12m,铰支于钢筋混凝土柱上。
厂房长度96m。
屋面材料为长尺压型钢板,屋面坡度1/10,轧制H型钢檩条(见例6-6)的水平间距为5m,基本风压为0.50kN/m2,屋面离地面高度约为20m,雪荷载为0.20kN/m2。
钢材采用Q235-B·F,焊条采用E43型。
2 屋架尺寸,支撑布置屋架计算跨度L=L-300=29700mm,端部及中部高度均取作2000mm。
屋架杆件几何长度见8-41,支撑布置见图8-42。
图8-41图8-423、荷载、内力计算及内力组合(1)永久荷载(水平投影面)101=0.1507kN/m2 压型钢板 0.15×10檩条自重 0.158kN/m2 屋架及支撑自重 0.20kN/m2合计0.509kN/m2(2)屋面均布活荷载或雪荷载(水平投影面)0.30kN/m2(3)风荷载:风荷载为1.25,屋面迎风面的体形系数为-0.6,背风面为-0.5,所以负风压的设计值(垂直于屋面)为迎风面:=-1.4×0.6×1.25×0.50=-0.525kN/m21背风面:2ω=-1.4×0.5×1.25×0.50=-0.4375kN/m 21ω的垂直水平面的分力已略超过荷载分项系数取1.0时的永荷载垂直于屋面的分量(0.507kN/m 2)。
这里不计风荷载,而将所有拉杆的长细比控制在250以内。
(4)上弦节点集中荷载的设计值为Q=(1.2×0.509+1.4×0.30)×5×12=61.70kN (5)内力计算跨度中央每侧各二根腹杆按压杆控制其长细比,不考虑半跨荷载作用情况,只计算全跨满载时的杆件内力。
因杆件较少,以数解法(截面法、节点法)求出各杆件内力见图8-41。
4、杆件截面选择腹杆最大内力N=260.0kN ,查表8-4,选用中间节点板厚度t=10mm ,支座节点板厚度t=10mm 。
1.验算柱与牛腿间高强螺栓摩擦型连接是否安全,螺栓M20,10.9级,摩擦面的抗滑移系数μ=0.5,高强螺栓的设计预拉力
P=155kN。
2. 如图所示悬伸板,采用直角角焊缝连接,钢材为Q235,焊条为E43型。
手工焊,已知:斜向力F 为250kN ,160 w f
f N/mm 2,试确定此连接焊缝所需要的最小焊脚尺寸。
3. 工字形截面梁,H540X200X10X20,绕强轴受力,截面尺寸如图,当梁某一截面所受弯矩M=400kN·m、剪力V=580kN时,试验算梁在该截面处的强度是否满足要求。
已知钢材为Q235B,f=215N/mm2, f v=125N/mm2。
4. 验算如图所示轴心受压柱的整体稳定性和局部稳定性能否满足要求。
已知轴向荷载设计值为N=1500kN,Q235B级钢f =215N /mm2,截面绕x轴为b类截面、绕y轴为c 类截面。
λ35 40 45 50 55
b类0.918 0.899 0.878 0.856 0.833
c类0.871 0.839 0.807 0.775 0.742
5.图示连接中,焊脚尺寸h f =8mm,钢材为Q235B级,板厚小于16mm时f =215N/mm2,板厚大于16mm时f=205N/mm2,手工焊,焊条为E43系列,w
f=160N/mm2,
f
试计算此连接承受静力荷载时的设计承载能力。
一、课程设计名称梯形钢屋架设计二、课程设计资料北京地区某金工车间,采用无檩屋盖体系,梯形钢屋架。
跨度为27m,柱距6m,厂房高度为15.7m,长度为156m。
车间内设有两台200/50kN中级工作制吊车,计算温度高于-20℃。
采用三毡四油,上铺小石子防水屋面,水泥砂浆找平层,厚泡沫混凝土保温层,1.5m×6m预应力混凝土大型屋面板。
屋面积灰荷载为0.4kN/㎡,屋面活荷载为0.4kN/㎡,雪荷载为0.4kN/㎡,风荷载为0.45 kN/㎡。
屋架铰支在钢筋混凝土柱上,柱截面为400mm×400mm,混凝土标号为C20。
设计荷载标准值见表1(单位:kN/㎡)。
三、钢材和焊条的选用根据北京地区的计算温度、荷载性质和连接方法,屋架刚材采用 Q235沸腾钢,要求保证屈服强度 fy、抗拉强度 fu、伸长率δ和冷弯实验四项机械性能及硫(S)、磷(P)、碳(C)三项化学成分的合格含量。
焊条采用 E43型,手工焊。
四、 屋架形式和几何尺寸屋面材料为预应力混凝土大型屋面板,采用无檩屋盖体系,平坡梯形钢屋架。
屋面坡度。
10/1=i屋架计算跨度。
mm l l 2670015022700015020=⨯-=⨯-= 屋架端部高度取:mm H 20000=。
跨中高度:mm i l H 335033351.02/2670020002H 00≈=⨯+=⋅+=。
屋架高跨比:.812670033500==l H 。
屋架跨中起拱,54500/mm l f ==取50 mm 。
为了使屋架节点受荷,配合屋面板1.5m 宽,腹杆体系大部分采用下弦节间水平尺寸为3.0m 的人字形式,上弦节间水平尺寸为 1.5m ,屋架几何尺寸如图 1 所示。
图1:27米跨屋架几何尺寸五、 屋盖支撑布置根据车间长度、跨度及荷载情况,在车间两端 5.5m 开间内布置上下弦横向水平支撑,在设置横向水平支撑的同一开间的屋架两端及跨中布置三道竖向支撑,中间各个屋架用系杆联系,在屋架两端和中央的上、下弦设三道通长系杆,其中:上弦屋脊节点处及屋架支座出的系杆为刚性系杆(图2),安装螺栓采用 C 级,螺杆直径:d=20mm,螺孔直径:d0=21.5mm。
1 工程概况(设计资料)1.1 结构形式1)某厂房跨度为21m,总长90m,柱距6m,屋架下弦标高为18m。
2)屋架铰支于钢筋混凝土柱顶,上柱截面400×400,混凝土强度等级为C30。
3)屋面采用1.5×6m的预应力钢筋混凝土大型屋面板(屋面板不考虑作为支撑用)。
4)该车间所属地区南京。
5)采用梯形钢屋架。
1.2屋架形式及选材屋架跨度为21m,屋架形式、几何尺寸及内力系数如附图所示。
屋架采用的钢材及焊条为:设计方案采用345钢,焊条为E50型。
1.3荷载标准值(水平投影面计)考虑静载:①预应力钢筋混凝土屋面板(包括嵌缝)1400N/m2②二毡三油防水层400N/m2③20mm厚水泥砂浆找平400N/m2④支撑重量70N/m2考虑活载:屋面活荷载与雪荷载不能同时出现,由于本屋架地处南京地区,雪荷载为0.65N/m2小于活载,故取活载为700N/m22 支撑布置2.1桁架形式及几何尺寸布置屋面材料为大型屋面板,故采用无檩体系平破梯形屋架。
屋面坡度i=1/10;屋架计算跨度L0=24000-300=23700mm;端部高度取H=1990mm,中部高度取H=3190mm(为L0/7.4)。
屋架几何尺寸如图1所示:1拱50图1:24米跨屋架几何尺寸2.2 桁架支撑布置桁架支撑布置图符号说明:SC 上——上弦支撑;XC ——下弦支撑;CC ——垂直支撑;GG ——刚性系杆;LG ——柔性系杆桁架及桁架上弦支撑布置桁架及桁架下弦支撑布置垂直支撑 1-1垂直支撑 2-23 荷载计算屋面活荷载与雪荷载不会同时出现,从资料可知屋面活荷载大于雪荷载(南京地区为0.65kN/m2 <0.7kN/m2 ),故取屋面活荷载计算。
由于风荷载为0.35kN/m2 小于0.49kN/m2,故不考虑风荷载的影响。
沿屋面分布的永久荷载乘以1/cosα=√1+102/10=1.005换算为沿水平投影面分布的荷载。
【例题1】某两端铰接压弯杆,如图所示,选用型钢2∠100×70×6,钢材Q235,m 2.4=l ,受轴向压力kN 42=N (设计值)和横向均布荷载m /kN 63.3=q (设计值),试验算截面是否满足要求。
【解答】m 2.4===l l l oy ox查表得,2∠110×70×6的截面数据:[]322.015014688.2/420/442.011954.3/420/cm 88.2cm 54.3cm 267cm 27.2142==<===========y y oy y x x ox x y x x i l i l i i I A ϕλλϕλ,,,,,(1)验算弯矩作用平面内的稳定32312322222cm 7.3547.7/cm 6.7553.3/N 277636.4119/212710206/mkN 82.463.38181=====×××==⋅=××==x x x x x Ex x I W I W EA N'ql M πλπ 查表得,20.105.121==x x γγ,按无端弯矩但有均布横向荷载作用时,取0.1=mx β,1.1/1.1(b 类截面)(b 类截面))6.277/428.01106.7505.110812127442.01042)8.01(36311×−××××+××=−+(Exx x xmx x N'N W M ANγβϕ 215N/mm 159.4114.77.442=<=+=f (满足))6.277/4225.11107.352.1108121271042)25.11(36322×−××××−×=−−(Exxx x mx N'N W M A N γβ 215N/mm 210.3230.3202=<=−=f (满足)(2)验算弯矩作用平面外的稳定7518.01460017.01235/0017.01=×−=−=y y b f λϕ3631106.757518.010*********.01042××××+××=+x b x tx y W M A N ϕβϕ 215N/mm 202141612=<=+=f (满足)实腹式截面无削弱,强度无需计算;因截面是角钢(型钢),局部稳定不用验算。
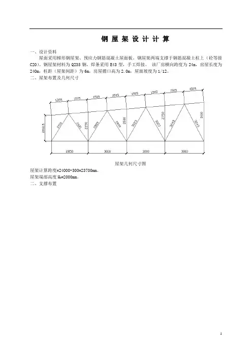
钢屋架设计计算一、设计资料屋面采用梯形钢屋架、预应力钢筋混凝土屋面板。
钢屋架两端支撑于钢筋混凝土柱上(砼等级C20)。
钢屋架材料为Q235钢,焊条采用E43型,手工焊接。
该厂房横向跨度为24m,房屋长度为240m,柱距(屋架间距)为6m,房屋檐口高为2.0m,屋面坡度为1/12。
二、屋架布置及几何尺寸屋架几何尺寸图屋架计算跨度=24000-300=23700mm。
屋架端部高度H0=2000mm。
二、支撑布置三、荷载计算1、荷载永久荷载预应力钢筋混凝土屋面板(包括嵌缝) 1500N/m2 =1.5 KN/m2屋架自重(120+11×24)=0.384 KN/m2防水层 380N/m2 =0.38 KN/m2找平层2cm厚 400N/m2 =0.40 KN/m2保温层 970N/m2 =0.97 KN/m2支撑自重 80N/m2 =0.08 KN/m2小计∑3.714 KN/m2可变荷载活载 700N/m2=0.70 KN/m2以上荷载计算中,因屋面坡度较小,风荷载对屋面为吸力,对重屋盖可不考虑,所以各荷载均按水平投影面积计算。
永久荷载设计值:1.2×3.714=4.457kN/m2可变荷载设计值:1.4×0.7=0.98kN/m22、荷载组合设计屋架时,应考虑以下三种荷载组合:(1)全跨永久荷载+全跨可变荷载屋架上弦节点荷载:P=(4.457+0.98)×1.5×6=48.93kN(2)全跨永久荷载+半跨可变荷载屋架上弦节点荷载:P1=4.457×1.5×6=40.11kN P2=0.98×1.5×6=8.82kN(3)全跨屋架与支撑+半跨屋面板+半跨屋面活荷载全跨屋架和支撑自重产生的节点荷载:P3=1.2×(0.384+0.08)×1.5×6=5.01kN作用于半跨的屋面板及活载产生的节点荷载:取屋面可能出现的活载P4=(1.2×1.5+1.4×0.7)×1.5×6=25.02kN以上1),2)为使用阶段荷载组合;3)为施工阶段荷载组合。
钢结构课程设计一、设计资料:梯形屋架,厂房总长度:90m,柱距6m,跨度:24米,端部高度2m。
跨中高度3.2m,屋面坡度i=1:10,材料为Q235B。
二、屋架形式及几何尺寸由于采用大型屋面板和油毡防水屋面,故选用平坡梯形钢屋架,未考虑起拱时的上弦坡度i=1/10。
屋架跨度l=24m,每端支座缩进0.15m,计算跨度l0=l-2*0.15m=23.7m;端部高度取H0=2m,中部高度H=3.2m;起拱按f=l0/500,取50mm,起拱后的上弦坡度为1/9.6。
配合大型屋面板尺寸(1.5*6m),采用钢屋架间距B=6m,上弦节间尺寸1.5m。
选用屋架的杆件布置和尺寸如施工图所示。
三、荷载计算及杆件内力计算(1)荷载计算:荷载与雪荷载不会同时出现,故取两者较大的活荷载计算:永久荷载标准值:防水层0.35 kN/m2找平层0.40 kN/m2保温层(80mm厚)0.50 kN/m2钢屋架自重 1.4 kN/m2小计: 2.65 kN/m2可变荷载标准值:屋面活荷载0.70 kN/m2积灰荷载0.5 kN/m2总计: 1.20 kN/m2(2)杆件内力组合①组合一:全跨永久荷载+全跨可变荷载q=3.85kN/m2F=(2.65+1.2)×1.5×6=34.65 kN/m2杆件组合内力N=34.65 k(KN)②组合一:全跨永久荷载+半跨可变荷载1F=2.65×1.5×6=23.85 kN/m22F=1.2×1.5×6=10.8 kN/m2(3)内力计算杆件名称内力系数(F=1)第一种组合F×①F=34.65第二种组合计算杆件内力(kN)全跨①左半跨②右半跨③1F×①+2F×②1F×①+2F×③上弦46、1012、1618、2224、28-8.71717-13.5093-15.2307-14.7450-6.25020-9.02984-9.15510-7.37253-2.5-4.5-6.1-7.4-302.05-468.097-527.744-510.914-462.127275-431.291574-429.132195-431.58825-302.05-468.097-527.744-510.914下弦281420264.9536511.510214.618115.147515.14753.645227.992909.323488.425096.722451.3-3.6-5.3-6.7-8.4171.644398.8284506.5172524.8609524.8609449.335269452.258847433.870335291.401685288.907875270.547875171.644398.8284506.5172524.8609524.8609斜腹杆3591115172123-8.988256.7503-5.431913.70026-2.45561.121410.01729-1.07783-6.614144.67038-3.396921.90008-0.70679-0.446501.5512-2.46794-2.32.1-2.11.6-1.7-0.7-1.481.39-311.443233.8979-188.216128.214-85.086538.856860.599099-37.3468-285.8024745211.434759-166.2377895108.772065-239.2097625183.674655-152.2310535105.531201-311.443233.8979-188.216128.214-85.086538.856860.599099-37.3468竖杆17、131923-0.50000-1-1-1.07-0.50000-1-1-2.461.39-17.325-34.65-34.65-37.0755-17.325-34.65-34.65-52.0875-11.925-23.85-23.85-10.5075-17.325-34.65-34.65-37.0755四、 杆件截面设计:(1)上弦杆截面设计整个上弦杆采用同一截面,按最大内力计算N=-527.74kN (压力) 计算长度:屋架平面内取节间轴线长度ox l =1.508m屋架平面内取节间轴线长度oy l =2×1.508=3.016m因为:2ox l =oy l ,故截面宜选用两个不等肢角钢,且短肢相并。
按构造要求确定焊角高h f 为h fmin =1.5t =1.5⨯10=4.74mm mm t h fmsx 77.51==,取h f =6mm取盖板截面为260⨯6mm 2,则端缝承载力为 w t f e f B h b N ⨯⨯⨯=21 查表1-4得fw t =160 N/mm2则 kN N 8.42631616022.167.026021=⨯⨯⨯⨯⨯= 接缝一侧一条焊缝需要长度()mm f h N N L wt f W 57516067.0410975.40955057.0431=+⨯⨯⨯⨯-=+⨯⨯⨯-=取L W =60mm.则盖板全长为: mm L L W 130********=+⨯=+⨯=3-3.图3-73所示焊接工形截面梁,在腹板上设置一条工厂对接焊缝,梁拼接处承受内力为m kN M ⋅=2500,钢材为Q235钢,焊条为E43型,手工焊,二级质量标准,试验算拼接焊缝强度。
(提示:剪力V 可假定全部由腹板承担,弯矩按刚度比分配,即M II M ww =)解:查得2/215mm N f w t =,2/215mm N f w c =,2/125mm N f w v = 计算焊缝截面特征值()4237393605953601440006124021200.1121cm I =+=⨯⨯⨯+⨯⨯= 431440001200.1121cm I w =⨯⨯=21201120cm A w =⨯=验算正应力m kN M I I M w w ⋅=⨯==9.48673936014400025002246/215/9.202600/10144000109.486mm N mm N W M w w w <=⨯⨯==σ满足 验算剪应力2223/125/7.411012010500mm N mm N A V w w <=⨯⨯==τ满足验算折算应力222222/2362151.1/4.2157.4139.2023mm N mm N w w =⨯<=⨯+=+τσ满足要求3-4.图3-74所示一柱间支撑与柱的连接节点,支撑杆承受轴拉力设计值kN N 300=,用2L80×6角钢做成,钢材均为Q235钢,焊条为E43型,手工焊。
参考实例:钢结构课程设计例题-、设计资料某一单层单跨工业长房。
厂房总长度为120m,柱距6m,跨度为27m.车间内设有两台中级工作制桥式吊车。
该地区冬季最低温度为-20℃。
屋面采用1.5m×6。
0m预应力大型屋面板,屋面坡度为i=1:10。
上铺120mm 厚泡沫混凝土保温层和三毡四油防水层等。
屋面活荷载标准值为0.6kN/㎡,雪荷载标准值为0。
75kN/㎡,积灰荷载标准值为0.5kN/㎡.屋架采用梯形钢屋架,其两端铰支于钢劲混凝土柱上。
柱头截面为400mm ×400mm,所用混凝土强度等级为C20。
根据该地区的温度及荷载性质,钢材采用Q235―A―F,其设计强度f=215kN/㎡,焊条采用E43型,手工焊接。
构件采用钢板及热轧钢劲,构件与支撑的连接用M20普通螺栓。
屋架的计算跨度:Lo=27000-2×150=26700mm,端部高度:h=2000mm(轴线处),h=2015mm(计算跨度处)。
二、结构形式与布置屋架形式及几何尺寸见图1所示。
图1 屋架形式及几何尺寸屋架支撑布置见图2所示。
符号说明:GWJ-(钢屋架);SC-(上弦支撑):XC—(下弦支撑); CC-(垂直支撑);GG-(刚性系杆);LG-(柔性系杆)图2 屋架支撑布置图三、荷载与内力计算1.荷载计算荷载与雪荷载不会同时出现,故取两者较大的活荷载计算.永久荷载标准值放水层(三毡四油上铺小石子)0。
35kN/㎡找平层(20mm厚水泥砂浆)0.02×20=0。
40kN/㎡保温层(120mm厚泡沫混凝土)0.12*6=0.70kN/㎡预应力混凝土大型屋面板1。
40kN/㎡钢屋架和支撑自重0.12+0.011×27=0.417kN/㎡管道设备自重0。
10 kN/㎡总计 3.387kN/㎡可变荷载标准值雪荷载0.75kN/㎡积灰荷载0。
50kN/㎡总计 1.25kN/㎡永久荷载设计值1。
2×3。
土木类专业《钢结构》课程设计例题工作平台梁格体系设计一、设计资料1.结构型式一工作平台尺寸为15m×12m,次梁跨度为6米,次梁间距2.5米,预制钢筋混凝土铺板焊于次梁上翼缘.平台永久荷载(不包括次梁自重)为8.5KN/m2,荷载分项系数为1.2,活荷载为20KN/m2,荷载分项系数为l.4.主梁跨度为15米。
(若考虑次梁叠接在主梁上,其支承长度,)。
2.材料钢材:Q235焊条:E43,手工电焊,普通方法检查;3.规范《钢结构设计规范》(GB50017-2003)二、设计内容1.结构布置要求拟出合理的结构布置方案,并扼要说明选型的理由与根据,按比例绘出结构布置简图。
(1)梁格的型式(2)主梁型式(3)次梁型式及数目(4)梁格的连接形式2.次梁设计(1) 次梁的荷载和内力计算(2) 次梁截面选择(3) 次梁截面验算(包括强度、稳定,局部承压及刚度验算)3.主梁设计(1)主梁的设计荷载和内力(2)主梁截面设计及验算(3)主梁截面改变及验算(4)主梁翼缘焊缝设计(5)腹板加劲肋设计三、《钢结构》课程设计计算(一)结构布置(二)次梁设计:设计数据:1、次梁的荷载及内力均布荷载设计值:最大弯矩:2、初选截面选用Ⅰ50b,3、强度验算:(1)正应力验算:次梁自重弯矩:,(2)剪应力验算:支座剪力:(3)次梁承受均布荷载作用,其上翼缘没有局部集中荷载作用,可不验算局部压应力,但考虑次梁叠接在主梁上,应验算支座处腹板局部压应力。
支座反力:,设支承长度:支承面至腹板边缘的垂直距离:局部承压强度:4、整体稳定性验算:由于次梁受压翼缘与刚性面板焊接(钢筋混凝土铺板焊于上翼缘),能保证其整体稳定性,按规范要求,可不验算整体稳定性。
5、局部稳定性:由于次梁采用型钢梁,可不验算其局部稳定性。
6、刚度验算:刚度验算按正常使用极限状态进行验算,采用荷载的标准组合:(三)主梁设计(1)、主梁荷载及内力:由次梁传来的集中荷载:假设主梁自重为,加劲肋等的附加重量构造系数为1.1,荷载分项系数为1.2,则自重荷载的设计值为。
钢屋架设计计算一、设计资料屋面采用梯形钢屋架、预应力钢筋混凝土屋面板。
钢屋架两端支撑于钢筋混凝土柱上(砼等级C20)。
钢屋架材料为Q235钢,焊条采用E43型,手工焊接。
该厂房横向跨度为24m,房屋长度为240m,柱距(屋架间距)为6m,房屋檐口高为2.0m,屋面坡度为1/12。
二、屋架布置及几何尺寸屋架几何尺寸图屋架计算跨度=24000-300=23700mm。
屋架端部高度H0=2000mm。
二、支撑布置三、荷载计算1、荷载永久荷载预应力钢筋混凝土屋面板(包括嵌缝) 1500N/m2 =1.5 KN/m2屋架自重(120+11×24)=0.384 KN/m2防水层 380N/m2 =0.38 KN/m2找平层2cm厚 400N/m2 =0.40 KN/m2保温层 970N/m2 =0.97 KN/m2支撑自重 80N/m2 =0.08 KN/m2小计∑3.714 KN/m2可变荷载活载 700N/m2=0.70 KN/m2以上荷载计算中,因屋面坡度较小,风荷载对屋面为吸力,对重屋盖可不考虑,所以各荷载均按水平投影面积计算。
永久荷载设计值:1.2×3.714=4.457kN/m2可变荷载设计值:1.4×0.7=0.98kN/m22、荷载组合设计屋架时,应考虑以下三种荷载组合:(1)全跨永久荷载+全跨可变荷载屋架上弦节点荷载:P=(4.457+0.98)×1.5×6=48.93kN(2)全跨永久荷载+半跨可变荷载屋架上弦节点荷载:P1=4.457×1.5×6=40.11kN P2=0.98×1.5×6=8.82kN(3)全跨屋架与支撑+半跨屋面板+半跨屋面活荷载全跨屋架和支撑自重产生的节点荷载:P3=1.2×(0.384+0.08)×1.5×6=5.01kN作用于半跨的屋面板及活载产生的节点荷载:取屋面可能出现的活载P4=(1.2×1.5+1.4×0.7)×1.5×6=25.02kN以上1),2)为使用阶段荷载组合;3)为施工阶段荷载组合。
四、内力计算按力学求解器计算杆件内力,然后乘以实际的节点荷载,屋架要上述第一种荷载组合作用下,屋架的弦杆、竖杆和靠近两端的斜腹杆内力均达到最大值,在第二和第三种荷载作用下,靠跨中的斜腹杆的内力可能达到最大或发生变号,因此,在全跨荷载作用下所有杆件的内力均应计算,而在半跨荷载作用下,仅需计算近跨中的斜腹杆内力,取其中不利内力(正、负最大值)作为屋架的依据。
具体计算见图屋架各杆内力组合见表。
全跨荷载布置图全跨荷载内力图左半跨荷载布置图左半跨荷载内力图右半跨荷载布置图右半跨荷载内力图内力计算表 表1五、杆件截面设计1、上弦杆截面计算整个上弦杆采用同一截面,按最大内力计算N = -688.25kN (压力),查《钢结构设计手册》,节点板厚度选用12mm ,支座节点板厚度选用14mm 。
计算长度 屋架平面内取节间轴线长度0150.5x l cm = 屋架平面外根据支撑和内力变化取02150.5301.0y l cm =?因为y x l l 002 ,故截面宜选用两个不等肢角钢,且短肢相并。
如图1所示。
图1上弦截面设60=λ,查轴心受压构件的稳定系数表807.0=ϕ 需要截面积32688.251039670.807215N A mm f j ´===´需要回转半径015082.5160x x l i cm l === 03016 5.0360y y l i cm l === 根据需要的A 、 i x 、i y ,查角钢型钢表,选用2∟16010010创,A = 50.6 c ㎡ , i x = 2.85 cm , i y= 7.78cm 。
按所选角钢进行验算0150.52.8553x x x l i l ===,0301.07.7839y y y l l ===满足长细比:[]150l =的要求。
由于x y l l >只需求出minx jj =,查轴心受压构件的稳定系数表,0.842x j =s =322688.2510162/215/0.8425060x N N mm f N mm A j ´==<=´ 所选截面合适。
2、下弦杆截面计算整个杆件采用同一截面,按最大内力计算,N =680.67kN (拉力) 计算长度 屋架平面内取节间轴线长度0300x l cm = 屋架平面外根据支撑布置取0600y l cm = 计算需要净截面面积32680.67103166215n N A mm f ´===选用2∟160×100×10(短肢相并),见图2所示,A =50.60 c ㎡ , i x = 2.85 cm , i y =7.78cm 按所选角钢进行截面验算,取A A n =。
图2 下弦截面0300105[]3502.85x x l i l l ===<= 060077[]3507.78y y l i l l ===<= s =322680.6710135/215/5060N N mm f N mm A ´==<= 所选截面满足要求。
3、斜杆截面计算 ① 斜杆1-11N = -396.97kN (压力),l 0x = l 0y = l =251.6 cm因为l 0x = l 0y ,故采用不等肢角钢,长肢相并,使i x = i y 选用2∟140×90×10,见图3所示,A = 44.6 c ㎡ , i x = 2.56 cm , i y = 6.84cm图3 斜杆1-11截面0251.698[]1502.56x x x l i l l ===<= 属于b 类截面 0251.637[]1506.84y y yl i l l ===<= 属于b 类截面 满足长细比:[]150l =的要求。
由于x y l l >只需求出minx jj =,查轴心受压构件的稳定系数表,0.568x j =s =322396.9710157/215/0.5684460x N N mm f N mm A j ´==<=´ 所选截面合适。
② 斜杆11-2N = 311.50kN (拉力),l 0x = 0.8l = 208.1c m , l 0y = l =260.1 c m 计算需要净截面面积32311.50101449215n N A mm f ´===选用2∟63×8,见图4所示,A = 19.02 c ㎡ , i x = 1.90 cm , i y = 3.10 cm图 4斜杆11-2截面验算:0208.1110[]3501.90x x x l i l l ===<= 0260.184[]3503.10y y y l i l l ===<= s =322311.5010164/215/1902N N mm f N mm A ´==<= 所选截面满足要求。
○3 斜杆2-13 N =-243.97kN (压力),l 0x =2247mm l 0y = l =2809mm 选用2∟80×7,见图5所示,A =21.72mm 2 , i x =2.46cm , i y = 3.75cm图5斜杆2-13截面0224.791[]1502.46x x x l i l l ===<= 属于b 类截面 0280.975[]1503.75y y yl i l l ===<= 属于b 类截面 满足长细比:[]150l =的要求。
由于y x λλ>只需求出minx jj =,查轴心受压构件的稳定系数表,0.614x j =s =322243.9710183/215/0.6142172x N N mm f N mm A j ´==<=´所选截面合适。
○4斜杆13-3 .N =165.93kN (拉力),l 0x = 0.8l = 224.7cm , l 0y = l =280.9 cm 计算需要净截面面积32165.9310772215n N A mm f ´===选用2∟56×5,见图6所示,A =10.82 c ㎡ , i x =1.72 cm , i y =2.77 cm图 6 斜杆13-3截面验算:0224.7131[]3501.72x x x l i l l ===<= 0280.9101[]3502.77y y y l i l l ===<=s =322165.9310153/215/1082N N mm f N mm A ´==<= 所选截面满足要求。
○5 斜杆3-15 N =-118.28kN (压力),l 0x =241.8cm l 0y = l =302.3cm 选用2∟80×7,见图7所示,A =21.72c ㎡ , i x = 2.46cm , i y = 3.75cm图7 斜杆3-15截面0241.898[]1502.46x x x l i l l ===<= 属于b 类截面 0302.381[]1503.75y y yl i l l ===<= 属于b 类截面 满足长细比:[]150l =的要求。
由于x y l l >只需求出minx jj =,查轴心受压构件的稳定系数表,0.568x j =s =322118.2810153/215/0.5682172x N N mm f N mm A j ´==<=´ 所选截面合适。
○6 斜杆15-4 N = 68.39kN (拉力),l 0x = 0.8l = 2418mm , l 0y = l =3023cm 计算需要净截面面积3268.3910321215n N A mm f ´===选用2∟56×5,见图8所示,A = 10.82c ㎡ , i x = 1.72 cm , i y = 2.77 cm图 8 斜杆15-4截面验算:0241.8141[]3501.72x x x l i l l ===<= 0302.3109[]3502.77y y y l i l l ===<=s =32268.391063/215/1082N N mm f N mm A ´==<= 所选截面满足要求。
○7 斜杆4-17 N =50.27kN (拉力), l 0x =259.5cm l 0y = l =324.3c m3250.2710234215n N A mm f ´===选用2∟56×5,见图9所示,A =10.82 c ㎡ , i x =1.724cm , i y =2.77cm图9 斜杆4-17截面0259.5151[]3501.72x x x l i l l ===<= 0324.3117[]3502.77y y yl i l l ===<= 满足长细比:350][=λ的要求。