完全小学教室配置标准及使用面积
- 格式:doc
- 大小:84.00 KB
- 文档页数:2
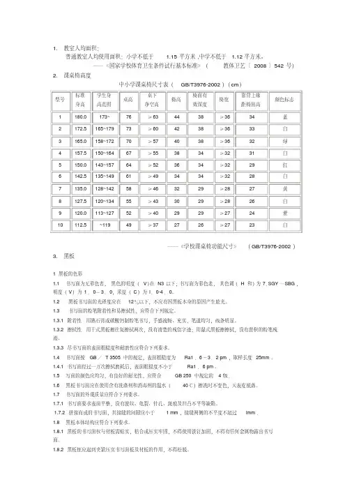
中小学校教学卫生基本标准(一)教室1.普通教室人均使用面积:小学不低于1.15平方米,中学不低于1.12 平方米。
2.教室前排课桌前缘与黑板应有2 米以上距离。
3.教室内各列课桌间应有不小于0.6 米宽的纵向走道,教室后应设置不小于0.6 米的横行走道。
后排课桌后缘距黑板不超过9米。
(二)课桌椅1.教室内在座学生应每人一席。
2.每间教室内至少应设有2种不同高低型号的课桌椅。
(三)黑板1.黑板应完整无破损、无眩光,挂笔性能好,便于擦拭。
2.黑板下缘与讲台地面的垂直距离:小学为0.8~0.9米,中学为1~1.1米;讲台桌面距教室地面的高度一般为1.2米。
(四)教室采光1.单侧采光的教室光线应从学生座位左侧射入,双侧采光的教室主采光窗应设在左侧。
2.教室墙壁和顶棚为白色或浅色,窗户应采用无色透明玻璃。
3.教室采光玻地比(窗的透光面积与室内地面面积之比)不得低于1:6。
(五)教室照明1.课桌面和黑板照度应分别不低于150LX和200LX,照度分布均匀。
自然采光不足时应辅以人工照明。
2.教室照明应配备40瓦荧光灯9盏以上,并符合节能环保要求。
灯管宜垂直于黑板布置。
教室照明应采用配有灯罩的灯具,不宜用裸灯,灯具距桌面的悬挂高度为1.7-1.9米。
3. 黑板照明应设2盏40瓦荧光灯,并配有灯罩。
(六)教室微小气候1.教室应设通气窗,寒冷地区应有采暖设备。
2.新装修完的教室应进行室内空气检测,符合《室内空气质量标准》的可投入使用,并保持通风换气。
四、中小学校生活设施基本标准(一)学生宿舍1.学生宿舍不应与教学用房合建。
男、女生宿舍应分区或分单元布置。
一层出入口及门窗,应设置安全防护设施。
2.学生宿舍的居室,人均使用面积不应低于3.0平方米。
3.应保证学生一人一床,上铺应设有符合安全要求的防护栏。
4.宿舍应保证通风良好,寒冷地区宿舍应设有换气窗。
5.学生宿舍应设有厕所、盥洗设施。
宿舍设室外厕所的,厕所距离宿舍不超过30米,并应设有路灯。
均衡发展【小学】各室配备要求定点小学:一、普通教室二、专用教室1、科学教室2、科学器材室3、科学准备室4、计算机教室5、音乐教室6、美术教室7、舞蹈室8、综合实践活动室三、公共教学用房1、图书室2、阅览室3、科技活动室4、心理咨询室5、卫生保健室6、综合电教室或多功能教室7、音体美器材室8、体育活动室(选配)四、运动场五、学生生活用房六、教学点普通教室1、使用面积:2002年以前建设的普通教室标准为中学56㎡/间、小学52 ㎡/间;2002年以后建设的普通教室标准为中学67㎡/间、小学61 ㎡/间。
2、室内设施应设课桌椅、黑板、讲台、多媒体终端、网络接口等,后墙设展示板、图书角,有条件的宜设储物柜,室内要确保布置合理、整洁、卫生3、黑板:应完整无破损、无眩光、挂笔性能好,便于擦拭;黑板下缘与讲台地面的垂直距离,小学、初中分别为0.8-0.9米、1-1.1米;讲桌面距地面高度一般为1.2米。
4、教室采光:教室采光用单侧采光时,光线应自学生座位的左侧射入为左采光(一般采光用教室透光面积大的一面为左采光);教室采光玻地比(窗的透光面积与室内地面面积之比)不得低于1:6。
5、教室照明:配备符合节能环保要求的40瓦荧光灯9盏为宜(指标准教室),灯管宜垂直于黑板布置,灯具距桌面的悬挂高度为1.7-1.9米,黑板照明应设2盏配有灯罩的40瓦荧光灯,且与黑板平行,两间小教室安装8盏即可。
6、课桌椅:室内学生应每人1席;每间教室内至少配备2种不同型号课桌椅或配备高度可调课桌椅(规格符合《学校课桌椅功能尺寸》GB/T3976-2002标准),课桌摆放要规范、适宜。
专用教室一、科学教室1、配备(1)、实验台、讲桌、灯具摆放位置按教室布置要求。
(2)、实验台48座、讲桌1个。
(3)、窗帘、防火沙、铁锨、灭火器等。
2、各种表册(至少完成 2014-2016三个学年度)(1)、(演示、分组)实验通知单(2)、实验教学计划(3)、小学生实验报告册(4)、实验室使用情况登记表(5)、(演示、分组)实验记录3、上墙制度等(1)、小学科学实验室规则(2)、科学实验室管理员职责(3)、室内设备、物品统计表(4)、分管领导和管理人员姓名一览表4、室门外要规范钉上室牌5、卫生:天面、地面、玻璃、桌椅等要干净整洁二、科学仪器室1、配备仪器要根据标准适当补充,配备目录见附表。
附件
江苏省义务教育学校资源配置标准一、义务教育阶段学校各类运动场地配置表单位:㎡
二、完全小学建设用地指标单位:㎡
四、完全小学教室配置标准及使用面积单位:㎡
五、完全小学专用教室及辅助用房配置标准和使用面积单位:㎡
注:1.具有配套的候借厅、采编、资料和管理办公室,配备现代化的管理设备。
2.提倡借阅一体化布局,师生阅览室均配置空调,有温馨的阅读环境。
3.新建学校图书馆的馆藏文献可在3年内逐步达标。
十一、信息技术装备标准(小学)
十二、初级中学建设用地指标单位:㎡
十三、初级中学必配校舍用房生均建筑面积指标单位:㎡
十五、初级中学专用教室及辅助用房配置标准和使用面积单位:㎡
十七、初级中学办公用房配置标准及使用面积单位:㎡
注:1.具有配套的候借厅、采编、资料和管理办公室,配备现代化的管理设备。
2.提倡借阅一体化布局,师生阅览室均配置空调,有温馨的阅读环境。
3.新建学校图书馆的馆藏文献可在3年内逐步达标。
二十、实验室装备标准(初中)。
全国中小学校舍设置标准规范解读一、普通教室1. 单间使用面积:初中≥56㎡、小学≥52㎡、教学点≥40㎡(96-09年农村标准)。
现行中小学标准分别是67㎡、61㎡。
2. 课桌椅、讲台、黑板规范、齐全、布置合理、整洁完好;每间教室至少配备2种不同高低型号课桌椅或配备高度可调课桌椅。
3. 左采光,照明灯具种类、数量符合规定(9+2或6+2)。
4.平均班额不超过标准(中小学班额省标准分别是50、45人。
中心城区学校及乡镇中心中小学:初中平均班额≤55人,小学≤50人)。
5.室内设施配置原则:齐全、规范、完好、整洁室内设施:包括课桌椅、黑板、讲台、多媒体终端设备、网络接口等,后墙宜设置展示板,有条件的宜设储物柜。
课桌椅:教室内在座学生应每人一席。
规格符合《学校课桌椅功能尺寸》GB/T3976-2002)标准。
每间教室至少配备2种不同高低型号课桌椅。
黑板:黑板应完整无破损、无眩光,挂笔性能好,便于擦拭。
黑板下缘与讲台地面的垂直距离:小学为0.8~0.9米,中学为1~1.1米;讲台桌面距教室地面的高度一般为1.2米。
教室采光:应为左采光,双侧采光的教室主采光窗应设在左侧。
教室采光玻地比(窗的透光面积与室内地面面积之比)不得低于1:6。
教室照明:标准为:桌面平均照度300Ix。
应配备40瓦荧光灯9盏以上(根据间数相应配置),并符合节能环保要求。
灯管宜垂直于黑板布置。
教室照明应采用配有灯罩的灯具,不宜用裸灯,灯具距桌面的悬挂高度为1.7-1.9米。
黑板照明应设2盏40瓦荧光灯,并配有灯罩(中小学校电气设计标准规定了黑板灯大致悬挂高度、水平距离,具体根据标准、黑板位置和实际确定)。
参考文件资料:《山东省普通中小学基本办学条件标准》及补充规定,《国家学校体育卫生条件试行基本标准》(教体艺〔2008〕5号)二、学科专用教室1.学科专用教室数量、使用面积标准:⑵《办学条件标准》对小学专用教室间数、使用面积要求(学校班数介于12-17、18-23、24-29、30-35之间的,分别按12、18、24、30配备,超过36个班的,需增加1间):⑶设3年级的教学点应设置能满足教学需要的科学实验室(科学教室)和计算机教室。
学校环境和教学生活设施标准一、中小学校教学卫生根本标准(一)教室1.普通教室人均使用面积:小学不低于1.15平方米,中学不低于1.12 平方米。
2.教室前排课桌前缘与黑板应有2 米以上距离。
3.教室各列课桌间应有不小于0.6 米宽的纵向走道,教室后应设置不小于0.6 米的横行走道。
后排课桌后缘距黑板不超过9米。
(二)课桌椅1.教室在座学生应每人一席。
2.每间教室至少应设有2种不同上下型号的课桌椅。
(三)黑板1.黑板应完整无破损、无眩光,挂笔性能好,便于擦拭。
2.黑板下缘与讲台地面的垂直距离:小学为0.8~0.9米,中学为1~1.1米;讲台桌面距教室地面的高度一般为1.2米。
(四)教室采光1.单侧采光的教室光线应从学生座位左侧射入,双侧采光的教室主采光窗应设在左侧。
2.教室墙壁和顶棚为白色或浅色,窗户应采用无色透明玻璃。
3.教室采光玻地比(窗的透光面积与室地面面积之比)不得低于1:6。
(五)教室照明1.课桌面和黑板照度应分别不低于150LX和200LX,照度分布均匀。
自然采光不足时应辅以人工照明。
2.教室照明应配备40瓦荧光灯9盏以上,并符合节能环保要求。
灯管宜垂直于黑板布置。
教室照明应采用配有灯罩的灯具,不宜用裸灯,灯具距桌面的悬挂高度为1.7-1.9米。
3. 黑板照明应设2盏40瓦荧光灯,并配有灯罩。
(六)教室微小气候1.教室应设通气窗,寒冷地区应有采暖设备。
2.新装修完的教室应进展室空气检测,符合《室空气质量标准》的可投入使用,并保持通风换气。
二、中小学校生活设施根本标准(一)学生宿舍1.学生宿舍不应与教学用房合建。
男、女生宿舍应分区或分单元布置。
一层出入口与门窗,应设置安全防护设施。
2.学生宿舍的居室,人均使用面积不应低于3.0平方米。
3.应保证学生一人一床,上铺应设有符合安全要求的防护栏4.宿舍应保证通风良好,寒冷地区宿舍应设有换气窗。
5.学生宿舍应设有厕所、盥洗设施。
宿舍设室外厕所的,厕所距离宿舍不超过30米,并应设有路灯。
精心整理附件
江苏省义务教育学校资源配置标准(试行)
一、义务教育阶段学校各类运动场地配置表
小学建设用地指标三、完全小学必配校舍用房生均建筑
面积指标
四、完全小学教室配置标准及使用面积 五、
完全小学专用教室
及辅
助用房配置标准和使用面积 六、完全小学
公共教学用房配置标准及使用面积 七、完全小
学办公用房配置标准及使用面
积 八、完全小学后勤
及生活用房配置标
准及
使用面积
学)
注:
1﹒
具
有
配
十一、初级中学必配校舍用房生均建筑面积指标
十
二、初级中学教室配置标准及使用面积
初
学
四、
中学
教学
配置
及使
积
十五、初级中学办公用房配置标准及使用面积
注:1﹒具有配套的候借厅、采编、资料和管理办公室,配备现代化的管理设备。
2﹒提倡借阅一体化布局,师生阅览室均配置空调,有温馨的阅读环境。
3﹒新建学校图书馆的馆藏文献可在3年内逐步达标。
附件1:
山东省普通小学各类校舍用房使用面积标准
附件2:
山东省普通小学语文英语和品德学科
专用教学设备配备标准
附件3:
附件4:
山东省普通小学卫生保健与健康教育
专用设备配备标准
表4-2 普通小学健康教育专用设备配备标准
附件5:
山东省普通小学综合实践活动
《初、中等学校校园网建设规范》要求执行)
(2)多媒体教室设备主要包括大屏幕显示设备(投影机、大屏幕背投电视、等离子电视机及液晶电视机)、银幕、计算机、视频展示台、话筒、功率放大器、音箱等,有条件的学校可配备中央控制台。
综合电教室按上述标准配备;有条件学校可为普通教室配备多媒体设备,普通教室及各学科专用教室、实验室多媒体设备可只配备显示设备、计算机、视频展示台等。
(3)学科专用仪器目录中所列现代教育技术设备与本项中设备重复的,不再重复配备。
附件7:
山东省普通小学图书(阅览)室配备标准。
附件
江苏省义务教育学校资源配置标准(试行)一、义务教育阶段学校各类运动场地配置表
二、完全小学建设用地指标
三、完全小学必配校舍用房生均建筑面积指标
四、完全小学教室配置标准及使用面积
五、完全小学专用教室及辅助用房配置标准和使用面积
六、完全小学公共教学用房配置标准及使用面积
七、完全小学办公用房配置标准及使用面积 八、完全小学后勤及生活用房配置标准
及
使用面积
九、图书馆装备标准(小学)
注:1﹒具有配套的候借
厅、采编、资料和管理办公室,配备现代化的管理设备。
2﹒提倡借阅一体化布局,师生阅览室均配置空调,有温馨的阅读环境。
3﹒新建学校图书馆的馆藏文献可在3年内逐步达标。
十、初级中学建设用地指标 十
一、初级中学必配校舍用房生均建筑面积指标
十
二、初级中学教室配置标准及使用面积 十
三、初级中学专用教室及辅助用房配置标准和使用面积 十
十五、初级中学办公用房配置标准及使用面积
十六、初级中学后勤及生活用房配置标准及使用面积
十七、图书馆装备标准(初中)
注:1﹒具有配套的候借厅、采编、资料和管理办公室,配备现代化的管理设备。
2﹒提倡借阅一体化布局,师生阅览室均配置空调,有温馨的阅读环境。
3﹒新建学校图书馆的馆藏文献可在3年内逐步达标。
均衡发展【小学】各室配备要求定点小学:一、普通教室二、专用教室1、科学教室2、科学器材室3、科学准备室4、计算机教室5、音乐教室6、美术教室7、舞蹈室8、综合实践活动室3、公共教学用房1、图书室2、阅览室3、科技活动室4、心理咨询室5、卫生保健室6、综合电教室或多功能教室7、音体美器材室8、体育活动室(选配)4、运动场5、学生生活用房6、教学点普通教室1、使用面积:2002年以前建设的普通教室标准为中学56㎡/间、小学52 ㎡/间;2002年以后建设的普通教室标准为中学67㎡/间、小学61 ㎡/间。
2、室内设施应设课桌椅、黑板、讲台、多媒体终端、网络接口等,后墙设展示板、图书角,有条件的宜设储物柜,室内要确保布置合理、整洁、卫生3、黑板:应完整无破损、无眩光、挂笔性能好,便于擦拭;黑板下缘与讲台地面的垂直距离,小学、初中分别为0.8-0.9米、1-1.1米;讲桌面距地面高度一般为1.2米。
4、教室采光:教室采光用单侧采光时,光线应自学生座位的左侧射入为左采光(一般采光用教室透光面积大的一面为左采光);教室采光玻地比(窗的透光面积与室内地面面积之比)不得低于1:6。
5、教室照明:配备符合节能环保要求的40瓦荧光灯9盏为宜(指标准教室),灯管宜垂直于黑板布置,灯具距桌面的悬挂高度为1.7-1.9米,黑板照明应设2盏配有灯罩的40瓦荧光灯,且与黑板平行,两间小教室安装8盏即可。
6、课桌椅:室内学生应每人1席;每间教室内至少配备2种不同型号课桌椅或配备高度可调课桌椅(规格符合《学校课桌椅功能尺寸》GB/T3976-2002标准),课桌摆放要规范、适宜。
专用教室一、科学教室1、配备(1)、实验台、讲桌、灯具摆放位置按教室布置要求。
(2)、实验台48座、讲桌1个。
(3)、窗帘、防火沙、铁锨、灭火器等。
2、各种表册(至少完成 2014-2016三个学年度)(1)、(演示、分组)实验通知单(2)、实验教学计划(3)、小学生实验报告册(4)、实验室使用情况登记表(5)、(演示、分组)实验记录3、上墙制度等(1)、小学科学实验室规则(2)、科学实验室管理员职责(3)、室内设备、物品统计表(4)、分管领导和管理人员姓名一览表4、室门外要规范钉上室牌5、卫生:天面、地面、玻璃、桌椅等要干净整洁二、科学仪器室1、配备仪器要根据标准适当补充,配备目录见附表。
国家学校体育卫生条件试行基本标准三、中小学校教学卫生基本标准(一)教室1.普通教室人均使用面积:小学不低于1.15平方米,中学不低于1.12 平方米。
2.教室前排课桌前缘与黑板应有2 米以上距离。
3.教室内各列课桌间应有不小于0.6 米宽的纵向走道,教室后应设置不小于0.6 米的横行走道。
后排课桌后缘距黑板不超过9米。
(二)课桌椅1.教室内在座学生应每人一席。
2.每间教室内至少应设有2种不同高低型号的课桌椅。
(三)黑板1.黑板应完整无破损、无眩光,挂笔性能好,便于擦拭。
2.黑板下缘与讲台地面的垂直距离:小学为0.8~0.9米,中学为1~1.1米;讲台桌面距教室地面的高度一般为1.2米。
(四)教室采光1.单侧采光的教室光线应从学生座位左侧射入,双侧采光的教室主采光窗应设在左侧。
2.教室墙壁和顶棚为白色或浅色,窗户应采用无色透明玻璃。
3.教室采光玻地比(窗的透光面积与室内地面面积之比)不得低于1:6。
(五)教室照明1.课桌面和黑板照度应分别不低于150LX和200LX,照度分布均匀。
自然采光不足时应辅以人工照明。
2.教室照明应配备40瓦荧光灯9盏以上,并符合节能环保要求。
灯管宜垂直于黑板布置。
教室照明应采用配有灯罩的灯具,不宜用裸灯,灯具距桌面的悬挂高度为1.7-1.9米。
3. 黑板照明应设2盏40瓦荧光灯,并配有灯罩。
(六)教室微小气候1.教室应设通气窗,寒冷地区应有采暖设备。
2.新装修完的教室应进行室内空气检测,符合《室内空气质量标准》的可投入使用,并保持通风换气。
四、中小学校生活设施基本标准(一)学生宿舍1.学生宿舍不应与教学用房合建。
男、女生宿舍应分区或分单元布置。
一层出入口及门窗,应设置安全防护设施。
2.学生宿舍的居室,人均使用面积不应低于3.0平方米。
3.应保证学生一人一床,上铺应设有符合安全要求的防护栏。
4.宿舍应保证通风良好,寒冷地区宿舍应设有换气窗。
5.学生宿舍应设有厕所、盥洗设施。
小学教室标准尺寸小学教室是学生学习、活动的场所,其标准尺寸对于学生的学习和成长起着至关重要的作用。
在设计和建设小学教室时,必须严格按照相关标准尺寸进行规划,以确保学生在良好的学习环境中得到有效的教育和培养。
下面将详细介绍小学教室的标准尺寸。
首先,小学教室的标准尺寸应该符合教育部颁布的相关规定。
根据教育部的规定,小学教室的标准尺寸应该为每个学生提供不少于0.5平方米的活动空间,这样可以保证学生在教室内有足够的活动和学习空间。
此外,教室的层高也有相关规定,一般应不低于3米,以确保教室内空气流通和学生的舒适度。
其次,小学教室的标准尺寸还应考虑教学设施和学生的实际需求。
教室内应设置合适数量和大小的教学桌椅,以便学生在教室内有良好的学习体验。
同时,教室内应合理设置黑板、投影仪等教学设施,以便教师进行有效的教学。
此外,教室内还应考虑学生的活动空间和安全通道,确保学生在紧急情况下能够快速疏散。
再者,小学教室的标准尺寸还应考虑教室的整体布局和采光情况。
教室的布局应合理,确保每个学生都能够清晰地看到黑板和教学设施,避免出现盲区。
同时,教室的采光也至关重要,应该保证教室内有充足的自然光线,避免出现昏暗的情况,影响学生的学习和视力健康。
最后,小学教室的标准尺寸还应考虑教室的装修和环境。
教室的装修应简洁大方,色彩明快,符合学生的审美需求。
同时,教室内的环境也应该保持整洁和安静,避免噪音和杂物影响学生的学习和心情。
综上所述,小学教室的标准尺寸是非常重要的,它直接关系到学生的学习效果和身心健康。
在设计和建设小学教室时,必须严格按照相关标准尺寸进行规划,确保教室的质量和学生的需求得到有效满足。
只有如此,才能为学生营造一个良好的学习环境,培养他们健康、快乐地成长。