用友ERP采购操作流程(黄永梅)
- 格式:doc
- 大小:246.00 KB
- 文档页数:6
ERP采购作业流程通过输入用户名和密码进入ERP操作系统后,选择单击“进销存管理”子系统,进入以下操作界面(如图1);1、单击选择2、单击选择图1维护请购信息1.进入(图1)操作界面后单击“采购管理”子系统,进入后续操作界面(如图2);图22.进入(图2)操作界面后单击“维护请购信息”(如图3),进入后续操作界面(如图4);单击选择图33、进入(图4)操作界面后单击“查询”(如图5),并进入“设置查询条件”(如图6);图54、在“一般选项”栏,如图6所示,在“单号”栏输入其相对应的请购单号,单击确定并进入后续操作界面(如图7)图65、如图7所示,从第一项开始维护,双击并进入后续操作界面(如图8)2、单击确定1、单击输入单击选择双击进入图76、如图8所示,单击修改按钮,并进入后续操作界面(如图9)单击修改图87、a、选择采购员(图9)——b、单击选择供应商(图10)——c、进入查询窗口,输入查询条件,(图11)——d、选择所需供应商(图12)——e、输入相对应的单价(图13)——f、双击选择锁定码(图14)——g、单击保存按钮(图15),a、选择采购员图9b、单击选择供应商图10c、输入查询条件图11d、选择所需供应商图12e、输入相对应的单价图13f、双击选择锁定码图14g、单击保存按钮图158、关闭请购信息,并进入后续操作流程9、再次进入“采购管理子系统”,并进入“从请购单生成采购单”(如图16)单击进入图1610、进入基本选项,如图17所示,a、单击锁定选项,选择已锁定——b、单击选择采购员——c、输入采购单别(此为必填项)——d、最后点击直接处理b、单击选择采购员a、此处选择已锁定c、输入采购单别(必填项)d、最后点击“直接处理”图1711、处理完毕会跳出相对应的对话框,a、单击确定,(图18)——b、单击取消,并进入后续操作流程(图19)a、单击确定图18图19 12、再次进入“采购管理子系统”,并进入“录入采购单”b、单击取消单击进入图2013、进入“录入采购单”模块,a、单击查询按钮(如图21),——b、进入设置查询条件(如图22)——c、此处选择包含,则可把当天所下的所有订单全部查询出来(如图23)——d、单击确定a、单击查询按钮图21b、输入所需条件图22c、此处选择包含d、单击确定图2314、查询出已下好的订单(如图24),双击所需单身,并打开双击单身,打开图2415、单击打印按钮,并把订单打印出来单击打印按钮,打印订单图2516、选择单击:财务管理,进入应付管理子系统进行操作,一、采购发票:如图(1-6)(图1)(图2)单击进入查询按扭1选择包含2填单号3单击确定(图3)图(4)1增加按扭3输入编号4输入发票号和日期2输入单别1选来源3选择相应单别2单击最后确定4单击图(5)最后确定金额正确再点击保存图(6)二、录入付款单:如图(1-3)单击确定如图(1)查询按扭增加按扭如图(2)1输入单别2输入供应商编号5输入付款金额3选择付款方4选择科目6选应付款单7最后保存如图(3)三、录入预付款单,如图(1-2)图(1)图(2)1新增2输入编号3采购人员8输入金额4选择方式5选择科目6选择科目7填单别和单号9最后保存1查询按扭2必选包含 3填单号17、录入供应商信息 如图(1-5)图(1)图21、单击2、单击单击查询图3 1选择包含2输入查询条件3单击2选采购供应商1单击新增3输入公司简称及全称4输入座机号5输手机号6输入传真号7输入联系人8选采购人图4图518、录入采购变更单 如图(1-4)1单击选择2选择结算方式 3选择付款条件4输入科目5输入科目 6保存单击进入图11查询2输入单号3单击图2图3图41新增2单击3选择单号输入单号5保存4打钩19、录入退货单 如图(1-2)图 1图21查询2选择条件3选包含 4输入对相条件1增加 2选单别3选供应商4输入品号5输入数量6输入单价7写备注8保存。
业务工作——供应链——采购管理一.设置1.采购期初记账2.采购选项二.供应商管理1.供应商供货信息(此模块没用)2.供应商资格审批3.供应商催货函4.供应商分析三.请购1.请购单-增加-请购部门,请购人员,采购类型-存货编码。
名称,需求日期,供应商,颜色,供应商2.请购单列表3.齐套生成请购单。
4.请购单执行统计表。
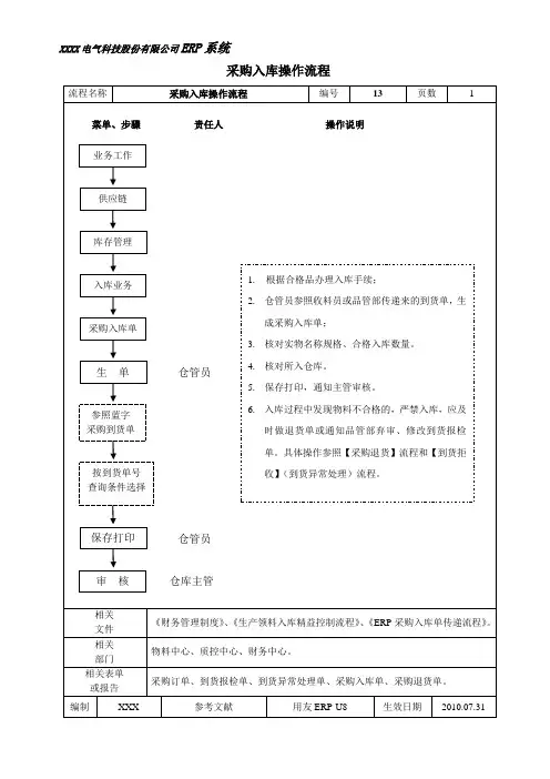
四.采购订货1.采购订单2.mrp/mps计划批量生产3.rop计划批量生产单4.请购比价生单5.齐套生单6.配额生单7.采购订单列表8.采购订单执行统计表9.采购订单预警和报警表五.采购到货1.到货单2.采购退货单3.到货拒收单4.到货单列表六.采购入库1.采购入库单2.红字采购入库单3.入库单批量生成发票4.入库单列表七.采购发票1.专用采购发票-增加-供应商选择-代垫单位-部门名称-存货编码,名称,数量,颜色,供应货商-保存2.普通发票(同上)3.运费发票(同上)4.红字专用采购发票(同上)5.红字普通采购发票(同上)6.红字运费发票(同上)7.采购发票列表(同上)八.采购结算库存管理一.初始设置1.选项2.期初结存-选择仓库-修改-输入完整后-保存-审核3.期初不合格品-增加-单据号,日期自动显示,选择仓库(成品,半成品,原材料,外协外购,报废仓)选好仓库后点击确定—-入库类别选择(普通采购,成品入库,盘盈入库,半成品入库)选择后点确定———选部门——经手人(同上面选部门详情是一样的)——对有货编码,存货名称,数量,颜色等进行添加(包括供应商)——保存——审核4.库存年结期初单据设置——选择制单人(ERP操作的人员)点确定——审核人二.入库业务1.采购入库单——增加——选择蓝字/红字。
——入库单号和入库日期自动生成——选择仓库——订货单号——到货单号——供货单位——部门选择——业务类型普通采购——入库类别选择——输入存货名称数量颜色供应商等——保存——审核。
2.产成品入库单—增加-蓝字/红字选择-入库单号,入库日期自动生成-选择仓库-部门-选择产品编码,产品名称,数量,颜色,供应商,保存-审核。
erp系统怎样操作流程ERP系统(Enterprise Resource Planning)是一种集成管理软件,用于帮助企业管理各种业务流程和资源。
ERP系统的操作流程通常包括以下几个步骤:1. 系统登录:用户首先需要输入用户名和密码登录到ERP系统中。
每个用户通常有不同的权限,根据其角色和职责来确定可以访问的功能和数据。
2. 导航菜单:登录后,用户会看到一个导航菜单,其中列出了系统中的各种功能模块,如采购、销售、库存管理、财务等。
用户可以通过点击相应的菜单项来进入不同的功能模块。
3. 数据录入:在进入具体的功能模块后,用户可以开始录入数据。
例如,在采购模块中,用户可以录入采购订单、供应商信息等;在销售模块中,用户可以录入销售订单、客户信息等。
4. 数据处理:ERP系统会根据用户录入的数据进行相应的处理,如生成采购订单、销售订单、发货单等。
系统会自动计算各种数据,如库存数量、销售额、利润等。
5. 数据查询:用户可以通过系统提供的查询功能来查看各种数据。
例如,用户可以查询某个产品的库存数量、销售情况等。
6. 报表生成:ERP系统还可以生成各种报表,如财务报表、销售报表、库存报表等。
用户可以根据需要选择不同的报表模板,并导出为Excel或PDF格式。
7. 数据分析:用户可以通过系统提供的数据分析功能来分析各种数据,如销售趋势、库存周转率等。
用户可以根据分析结果来制定相应的业务策略。
8. 系统设置:管理员可以对系统进行设置,如添加新用户、设置权限、配置系统参数等。
管理员还可以对系统进行备份和恢复操作,以确保数据的安全性。
总的来说,ERP系统的操作流程是一个循序渐进的过程,用户可以根据自己的需要和角色来使用系统中的各种功能,从而实现企业的高效管理和运营。
ERP系统的操作流程虽然复杂,但是通过培训和实践,用户可以逐渐熟悉和掌握系统的使用方法,提高工作效率和管理水平。
ERP系统操作流程(完整版)一、系统登录1. 打开浏览器,输入ERP系统网址。
2. 在登录界面,输入用户名和密码。
3. “登录”按钮,进入ERP系统主界面。
二、基础信息管理1. 客户管理(1)添加客户:填写客户基本信息,如名称、联系方式、地址等,并保存。
(2)修改客户:在客户列表中找到需修改的客户,“编辑”,修改相关信息后保存。
(3)查询客户:输入关键词,如客户名称、联系方式等,“搜索”查看结果。
2. 供应商管理(1)添加供应商:填写供应商基本信息,如名称、联系方式、地址等,并保存。
(2)修改供应商:在供应商列表中找到需修改的供应商,“编辑”,修改相关信息后保存。
(3)查询供应商:输入关键词,如供应商名称、联系方式等,“搜索”查看结果。
3. 产品管理(1)添加产品:填写产品基本信息,如名称、型号、规格、单价等,并保存。
(2)修改产品:在产品列表中找到需修改的产品,“编辑”,修改相关信息后保存。
(3)查询产品:输入关键词,如产品名称、型号等,“搜索”查看结果。
三、采购管理1. 采购申请(1)填写采购申请单:选择供应商、产品、数量、预计到货日期等信息,并提交。
(2)审批采购申请:采购经理对采购申请进行审批,同意后进入采购订单环节。
2. 采购订单(1)采购订单:根据审批通过的采购申请,采购订单。
(2)发送采购订单:将采购订单发送给供应商。
3. 采购入库(1)验收货物:核对供应商送货单与采购订单,确认无误后进行验收。
(2)入库操作:将验收合格的货物入库,并更新库存信息。
四、销售管理1. 销售订单(1)创建销售订单:填写客户、产品、数量、预计发货日期等信息,并保存。
(2)审批销售订单:销售经理对销售订单进行审批,同意后进入发货环节。
2. 发货管理(1)发货单:根据审批通过的销售订单,发货单。
(2)发货操作:按照发货单进行货物出库,并更新库存信息。
3. 销售回款(1)登记回款:输入客户回款金额、日期等信息,并保存。
erp采购流程ERP采购流程。
企业资源计划(ERP)系统是一种集成管理企业内部各种业务流程的信息系统,对于企业的采购流程来说,ERP系统的应用可以极大地提高采购效率和管理水平。
下面我们将详细介绍ERP采购流程的相关内容。
1. 采购需求确认。
首先,采购流程的第一步是采购需求确认。
在ERP系统中,部门或者员工可以通过系统提交采购申请,包括所需物品的种类、数量、规格、用途等信息。
采购申请提交后,相关部门负责人可以通过系统审核并确认采购需求,确保采购需求的合理性和准确性。
2. 供应商选择与评估。
一旦采购需求确认,接下来就是选择合适的供应商进行采购。
在ERP系统中,可以建立供应商数据库,记录各个供应商的基本信息、产品信息、价格信息等。
通过系统可以进行供应商的筛选、比较和评估,以确保选择到具有竞争力的供应商,并与之建立合作关系。
3. 采购订单生成。
在确定了合适的供应商之后,ERP系统可以自动生成采购订单。
采购订单包括了所需物品的具体信息、数量、价格、交货时间等,同时也包括了付款方式、交货地点等相关信息。
通过系统生成采购订单,可以避免人为的错误和漏洞,保证采购订单的准确性和完整性。
4. 采购执行与监控。
采购订单生成后,供应商将按照订单的要求进行物品的供应和交付。
在ERP系统中,可以实时监控采购订单的执行情况,包括供应商的交货情况、物品的质量情况等。
同时,也可以对供应商的绩效进行评估和监控,以便及时调整和改进采购策略。
5. 物品收货与入库。
物品交付后,接收部门可以通过ERP系统进行物品的收货确认,并将物品入库。
系统可以自动更新库存信息,实现对物品流动的实时掌控。
同时,也可以对物品的质量进行检验和记录,确保物品的质量符合要求。
6. 付款与结算。
最后,ERP系统可以实现对采购款项的付款与结算。
系统可以自动生成付款凭证,记录付款的时间、金额等信息,同时也可以对供应商进行结算,实现应付款项的管理和控制。
通过ERP系统的应用,企业可以实现采购流程的自动化、标准化和信息化,提高了采购效率和管理水平,降低了采购成本和风险。
ERP系统操作流程(完整版)一、登录系统1. 打开浏览器,输入ERP系统的网址。
2. 在登录页面,输入您的用户名和密码。
3. “登录”按钮,进入系统首页。
二、数据录入1. 系统首页的“数据录入”菜单。
2. 选择需要录入的数据类型,如采购订单、销售订单、库存信息等。
3. 在数据录入页面,按照提示填写相关信息。
4. 填写完毕后,“保存”按钮,将数据保存到系统中。
三、数据查询1. 系统首页的“数据查询”菜单。
2. 选择需要查询的数据类型,如采购订单、销售订单、库存信息等。
3. 在数据查询页面,输入查询条件,如订单号、日期范围等。
4. “查询”按钮,系统将返回符合条件的查询结果。
四、数据统计1. 系统首页的“数据统计”菜单。
2. 选择需要统计的数据类型,如采购订单、销售订单、库存信息等。
3. 在数据统计页面,选择统计方式和时间范围。
4. “统计”按钮,系统将返回统计结果。
五、数据导出1. 在数据查询或数据统计页面,选择需要导出的数据。
2. “导出”按钮,系统将弹出导出对话框。
3. 选择导出格式,如Excel、CSV等。
4. “确定”按钮,系统将导出数据并保存到本地。
六、系统设置1. 系统首页的“系统设置”菜单。
2. 在系统设置页面,可以修改系统参数、用户权限等。
3. 修改完毕后,“保存”按钮,将设置保存到系统中。
七、退出系统1. 系统首页的“退出”按钮。
2. 系统将弹出退出确认对话框。
3. “确定”按钮,退出系统。
ERP系统操作流程(完整版)八、审批流程1. 当需要审批的订单或任务后,系统会自动将审批请求发送给相应的审批人员。
2. 审批人员登录系统后,可以在“审批任务”菜单中查看待审批的任务。
3. 需要审批的任务,进入审批页面。
4. 在审批页面,审批人员可以查看任务的详细信息,并进行审批操作。
5. 审批操作包括同意、拒绝、退回等,审批人员根据实际情况选择相应的操作。
6. 审批完成后,系统会自动更新任务状态,并将审批结果通知相关人员。
ERP采购管理操作流程采购是企业管理的一个重点对象,因为其关系到企业资金的流出。
所以,采购流程也是ERP管理的一个重点。
但是,很多企业在操作过程中,缺乏总结,今天在这里,我就在这里把这工作给做了,给他们这些“懒人”做点事情,希望对他们有所帮助。
一、采购管理普通操作流程。
各个企业虽然生产的产品千奇百怪,但是,其采购管理流程是类似的。
企业大部分的采购管理流程如下:1、请购。
请购是指需求单位,当有材料需求时,向采购部门提出请购的请求。
一般,在生产企业中,请购作业由计划人员来做,也有的企业设有专门的生管部门,也可以由这个部门负责。
请购单根据来源的不同,可以分为多种。
一是有MRP计划生成而来,这些材料都包括在产品的物料清单中,根据物料清单中的材料用量与销售订单或者生产计划的产品数量,计算出需求;二是根据安全库存模型,计算出来的库存补货单,这一般由仓库人员开立;三是一般请购,即没有来源的临时性物料需求。
一般来说,需求人员在开立请购单时,只需要关心如下问题:一是需要什么物料;二是需要多少;三是什么时候需要。
向谁购买、以什么价格购买一般都不时他们需要关注的问题,这些内容采购员会解决。
2、请购单维护。
在请购单转换成采购单前,采购维护人员需要在进行核对一次。
在请购单维护的过程中,其主要关心的是采购的供应商是否准确、价格是否有错误、及采购数量是否符合相关规则。
供应商可以根据物料基本信息定义处带过来,而且,带出来的是首选供应商。
如一个材料有三个供应商,但是,首选供应商只有一个,即甲供应商。
则该材料的默认供应商即为甲供应商。
若采购员在维护时,发现供应商需要调整时,可以在这里进行调整。
当首选供应商有所变更时,企业用户要及时在基础资料中进行更改,如此,可以减少后期维护的工作量。
价格带出来的也是跟供应商关联的价格。
这里要注意一个问题,就是企业确定的标准价格跟供应商采购的采购价格有区别。
企业确定的材料标准价格,使用来对采购价格进行管理控制的一个参考数据,其往往跟实际采购的价格有一定的差异;企业的标准成本是以标准价格为基础计算的,而实际成本则是以实际采购价格为基础进行计算。
采购系统寻常业务流程采购系统与其她系统关联:1.1.部门职责采购部门寻常工作在ERP系统中重要有:1.对供应商进行询价,做到货比三家,进行供应商资料维护;2.及时依照与供应商之间采购合同或其他采购合同录入采购订单,修改并完善采购订单信息,审核,为生产部门安排采购和生产做根据;3.依照供应商到货状况在采购系统中参照采购订单生成采购入库单;4.采购助理在系统中参照采购入库单生成虚拟采购发票,并做采购结算解决;5.跟踪采购订单、采购发票执行状况;6.作好各种采购记录,为决策层提供分析数据;1.2 寻常操作流程:(1) 采购订单:流程:录入订单→订单审核→关闭订单(即订单执行完毕)采购订单是公司与供应商之间订立一种合同。
重要涉及采购什么货品、采购多少、由谁供货,什么时间到货、到货地点、运送方式、价格、运费等。
(2) 采购入库单:采购入库单是依照采购到货签收实收数量填制单据。
该单据按进出仓库方向划分为:蓝字采购入库单、红字采购入库单。
采购入库单可以直接录入,也可以由采购订单或采购发票产生。
此处建议采购入库单参照采购订单生成,这样能在订单与入库单之间建立关联。
单击选单选取参照1)表头项目中,入库单号由系统自动生成或手工编号,入库日期为实际入库日期,仓库选取实际入库仓库,收发类别选取“采购入库”;2)表体项目中,录入详细“存货编码”,其中填明“单价”、“金额”栏。
注:表头入库类别注意填写对的,入库类别决定着核算模块生成凭证时带出会计科目。
(3)采购发票:采购发票按发票类型分为:专用发票、普通发票、运费发票。
货款结算如果是现结:要整单结清,否则形成应付。
采购发票在复核后会形成应付账款。
(4)采购结算:采购结算对发票进行确认与入库单进行自动结算采购结算也叫采购报账,在手工业务中,采购业务员拿着经主管领导审批过采购发票和仓库确认入库单到财务部门,由财务人员确认采购成本。
采购结算从操作解决上分为自动结算、手工结算两种方式;从单据解决上分为正数入库单与负数入库单结,正数发票与负数发票结,正数入库单与正数发票结,费用发票单独结算等方式。
请购部门采购部门
采购审查
1、
物流部根据《月度采购计划》在ERP 系统上,编制《进货订单》,由部门主管审核,经总经理批准.在系统外按标准格式填制《采购订单》,要求供应商按采购订单发货,批送货数量不得超订单的10%,超出部分,仓
7、具体采购发票流程见上图所示。
(四)、退货流程
库流程".由采购员提示财务人员在ERP系统中就退货与补货在《进货单》中“对等核销”。
4、采购员与供应商协商一致,退货不补,且有未开发票的送货,可直接在送货中抵消开票数量.
5、采购员与供应商协商一致,退货不补,且无未开发票的送货,由采购员填写《退货协商》,列明退货信息资料与相关的采购发票号码,交财务至税务机关办理《开具红字增值税专用发票申请单》,并从税务机关取得《开具红字增值税专用发票通知单》,交采购员签收后,寄给供应商开具红字增值税发票,在ERP系统中的操作流程同“采购发票流程”。
6、具体退货流程见上图所示.。
用友ERP基本操作(仓库)1.委外到货单供应链—委外管理—委外到货—委外到货单—增加—生单委外订单—输入订单号过滤—双击选择你所需的订单号—确认进行到货—根据供应商所带的手工送货单进行到货—到货时无需的料号直接删行—确认无误保存列印出到货单(材料验收入库单),每到货单只能列印8行。
2.采购到货单供应链—采购管理—采购到货—增加—生单采购订单—输入订单号过滤—双击选择你所需的订单号—确认进行到货—根据供应商所带的手工送货单进行到—到货时无需的料号直接删行—确认无误保存列印出到货单(材料验收入库单),每到货单只能列印8行。
备注:1.模具材料的到货单在保存后要在ERP右上角框中选模板,再打印.2.锌板和铝板材打单是输件数,非重量. 3.领料单输入①车间领料供应链—库存管理—出库业务—材料出库单—增加—出库日期—仓别—订单号为生产订单—确认输入工单号—过滤—双击选择你所需的工单号—确定进行领料—领料时无需的料号直接删行—出库类别为车间领用出库(代码20)—实际领料单据号输入—确认无误保存审核—领料完毕②委外领料供应链—库存管理—出库业务—材料出库单—增加—出库日期—仓别—订单号为委外订单—确认输入订单号—过滤—双击选择你所需的订单号—确定进行领料—领料时无需的料号直接删行—出库类别为委外领用出库(代码23)—实际领料单据号输入—确认无误保存审核—领料完毕4.材料验收入库单输入①采购入库供应链—库存管理—入库业务—采购入库单—增加—入库日期—仓别—到货号为采购到货单—确认输入到单据号—过滤—双击选择你所需的单据号—确定进行收料—确认无误码保存审核—收料完毕②委外入库供应链—库存管理—入库业务—采购入库单—增加—入库日期—仓别—到货号为委外到货单—确认输入到单据号—过滤—双击选择你所需的单据号—确定进行收料—确认无误码保存审核—收料完毕5.库存查询作业供应链—库存管理—报表—库存账—现存量查询/出入库流水账/库存台账6.成品入库单(半成品入库)供应链—库存管理—入库作业—产成品入库单—增加—入库日期—仓别(010保税成品仓)—生产订单—输入生产工单号—过滤—双击选择你所需的工单号—进行入库—入库时无需料号删行—入库类别为成品入库(代码12)—实入库单据号—确认无误保存审核—半成品入库完毕7.其他出入库单供应链—库存管理—出库业务—入库业务—增加—出库日期—仓别—出入库类别—备注—实出入库单据号输入—出入库料号、数量手动输入—保存审核—其他出入库完毕8.退库单、退货单①有工单号和订单号分别在材料出库和采购入库里面以红字进行操作②无工单号的退库单在其他出库以红字进行操作9.其它调拨单、形态转换单、盘点单审核后将自动产生其他出库单和其他入库进行审核。
ML单采购流程:
1)双击“请购比价生单”,对请购单生成采购订单
2)弹出过滤条件窗口,建议按日期和请购部门过滤,分部门生单,点击“确定”
3)在如图界面,按照请购物品供应商分行录入“供应商”
4)供应商全部录入完毕后,点击“全选”,“生单”生成采购订单
5)双击打开“采购订单”,查看生成的采购订单
6)对生成的采购订单进行“审核”
注:对采购订单上的物品,无法采购到的,经过同申购部门协商,换成别的物品替代的情况,
在收货时在打印出的采购订单上做出标记,收货结束后,由采购部对采购订单进行修改,收
货部按照修改后的采购订单生成收货记录,录入数量和金额。
PR单采购流程:
1)双击“请购单”打开请购单填制界面
2)增加一张请购单,录入请购物品、申购部门、请购人员、采购类型,将请购单打印出来
由请购人员签字
3)双击打开“供应商存货调价单”录入市场询价结果
4)双击打开“供应商存货价格表”输入需要查询的物品
5)将“供应商存货价格表”打印出来,附在请购单后,走请购单审批流程
6)审批流程完成后,双击“请购比价生单”,对请购单生成采购订单
7)按照请购单号过滤
8)按照审批结果录入供应商,会自动带出供应商存货价格表中的价格
9)供应商全部录入完毕后,点击“全选”,“生单”生成采购订单
10)双击打开“采购订单”,查看生成的采购订单
11)对生成的采购订单进行“审核”