设施、设备分类和编码规定
- 格式:docx
- 大小:80.73 KB
- 文档页数:5
固定资产管理办法及编号方法一、固定资产管理办法1.建立规范的固定资产管理制度:制定固定资产管理的相关规定和流程,明确固定资产的购置、验收、报废等具体事项,并明确各个部门的责任和权限。
2.做好资产登记和核查工作:对企业所有的固定资产进行全面登记,包括名称、型号、品牌、数量、性能、购置日期、价格等详细信息,并定期进行盘点核查,确保资产信息的准确性和完整性。
3.建立固定资产档案:对每一项固定资产建立档案,包括资产的基本信息、购置发票、验收记录、维修记录等,以方便日后资产梳理和查询。
4.加强资产保管和维护:做好固定资产的保管工作,建立固定资产存放区域和存储规范,并定期进行设备设施的保养和维修,以延长使用寿命。
5.做好固定资产报废处理:当固定资产达到报废标准或无法修复时,应及时进行报废处理,包括撤销登记、办理报废手续、公告等,防止资产闲置和浪费。
6.定期进行资产检查和评估:定期进行固定资产的检查和评估,查明资产状况,及时采取措施解决问题,保证资产价值的保持和增值。
二、固定资产编号方法固定资产编号方法是将固定资产进行编码,以便于对资产的管理和追踪,并提高办公效率。
以下是几种常见的固定资产编号方法:1.序号法:根据固定资产的顺序进行编号,比较简单易行,但不够灵活,当资产增多时容易出现重复编号的情况。
2.分类法:按照固定资产所属的类别进行编码,如办公设备、机械设备、电子设备等,可以更好地区分不同类别的资产。
3.部门法:按照固定资产归属的部门进行编码,方便各个部门进行资产管理和查询。
4.混合法:综合运用以上几种方法进行编码,比如将序号法和分类法结合起来,编码可以包含资产所属的类别和编号序号。
5.自动生成法:利用计算机软件自动生成固定资产编号,可根据需要定制不同的编号规则和格式,提高编码的准确性和效率。
以上是关于固定资产管理办法及编号方法的详细介绍,企业在实施固定资产管理时应根据自身情况选择适合的管理办法和编号方法,并结合实际情况不断完善和改进,以提高资产管理的科学性和管控效果。
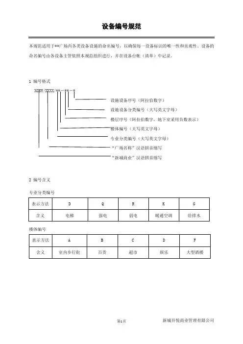
本规范适用于**广场内各类设备设施的命名编号,以确保每一设备标识的唯一性和直观性。
设备的命名编号由各设备主管依照本规范组织进行,并在设备台帐(清单)中记录。
1 编号格式
XCSY/XXXX/**-**-*
设施设备序号(阿拉伯数字)
设施设备分类编号(大写英文字母)
楼层序号(阿拉伯数字,地下室采用负数表示)
楼体编号(大写英文字母)
专业分类编号(大写英文字母)
“新城商业”汉语拼音缩写
2 编号含义
专业分类编号
楼体编号
设施设备分类编号
3 编号举例
QA-2AEP-1表示:强电专业室内步行街二层1号双电源动力配电箱。
特种设备分类及代码编辑整理:尊敬的读者朋友们:这里是精品文档编辑中心,本文档内容是由我和我的同事精心编辑整理后发布的,发布之前我们对文中内容进行仔细校对,但是难免会有疏漏的地方,但是任然希望(特种设备分类及代码)的内容能够给您的工作和学习带来便利。
同时也真诚的希望收到您的建议和反馈,这将是我们进步的源泉,前进的动力。
本文可编辑可修改,如果觉得对您有帮助请收藏以便随时查阅,最后祝您生活愉快业绩进步,以下为特种设备分类及代码的全部内容。
1.1 C601 特种设备种类代码特种设备种类代码说明:国家安全监察机构对特种设备分类的大类代码。
表示:C1编码方法:采用顺序码,用1位数字或大写字母表示。
表1 特种设备种类代码1.2 C602 特种设备分类代码特种设备分类代码说明:国家安全监察机构对特种设备的分类代码。
表示:C4编码方法:采用层次码。
代码共分4层,每层均用1位数字或大写字母表示。
第1层:特种设备种类代码, 第2层:特种设备类别代码,第3层:特种设备品种代码, 第4层:特种设备级别代码。
注:根据需要,可以只使用前1位、前2位或前3位代码。
表2 特种设备分类代码表1.3 C603 特种设备登记代码特种设备登记代码说明:国家对进行安全监察的特种设备的登记代码。
表示:C21编码方法:采用组合码。
代码由4部分组成,共21位数字字母混合码。
第1部分:特种设备分类代码(4位数字字母混合码)第2部分:注册单位代码,采用注册单位的组织机构代码(9位数字字母码)第3部分:注册年份(4位数字)第4部分:顺序号(4位数字,0001—9999)。
XXXX XXXXXXXXX XXXX XXXX顺序号(4位数字)注册年份(4位数字)注册单位代码(9位数字字母)特种设备分类代码(4位数字字母混合码)1.4 C604 特种设备代码特种设备代码说明:特种设备的终身代码。
与登记代码不同的是特种设备代码终身有效。
如果是国产设备,该代码在制造出厂时产生;如果是进口设备,该代码在首次安装时产生.表示: C21编码方法:采用组合码。
民用运输机场工程对象分类编码和标准一、概述民用运输机场工程是指为民用飞机和乘客提供起降、停放、运输和服务等设施的建筑工程。
根据工程的性质和用途的不同,民用运输机场工程可以分为跑道工程、停机坪工程、航站楼工程、配套设施工程等多个分类对象。
二、分类编码根据民用运输机场工程的功能和特点,可以将其划分为以下几个分类对象,并为每个对象分配相应的编码,以便统一管理和设计。
1. 跑道工程跑道工程是指为民用飞机起降提供的场地,包括跑道、滑行道和相关的灯光、标志等设施。
其分类编码为:01。
2. 停机坪工程停机坪工程是指为民用飞机停放和候机的场地,包括停机坪、登机口、飞机滑行道和相关的地面处理、标志等设施。
其分类编码为:02。
3. 航站楼工程航站楼工程是指为旅客提供登机、候机、行李处理和服务等设施的建筑工程,包括航站楼主体建筑、航站楼内部装饰、设备和设施。
其分类编码为:03。
4. 配套设施工程配套设施工程是指为民用运输机场提供服务和支持的设施,包括引导道路、停车场、供电、供水、供暖等设施。
其分类编码为:04。
5. 其他工程除上述分类对象外,还包括跑道、停机坪、航站楼和配套设施的改扩建工程、维护和保养工程等其他工程。
其分类编码为:05。
三、标准为了规范民用运输机场工程的设计、施工和运营管理,制定并执行相应的标准是必不可少的。
以下是关于民用运输机场工程的相关标准:1. 设计标准民用运输机场工程的设计应符合国家相关的规范和标准,包括建筑设计规范、机场工程设计规范、民航机场建设工程施工和验收规范等。
设计标准应考虑工程的功能需求、安全性、经济性和环保要求。
2. 施工标准民用运输机场工程的施工应符合国家相关的建筑工程施工规范和机场工程施工质量验收规范,确保工程达到设计要求,保证施工质量和安全。
3. 运营管理标准民用运输机场工程的运营管理应按照国家相关的规定和标准进行,包括机场设施和设备的使用、维护和管理、安全防护措施、环境保护等方面的标准,以保障机场的安全运营和服务质量。
设备分类管理规定一、目的为进一步推进设备的精细化管理,明确设备管理的责任目标,在设备管理方面分清主次,突出重点,又能兼顾一般,降低企业生产成本,提高企业生产效率,充分发挥现有设备最大效能,提高管理效率,制定本规定。
二、适用范围适用于公司所有在用的生产设备分类,各车间应根据本规定对设备进行分级分类。
三、术语(一)A类设备(关键设备):指设备发生故障后对安全、生产、质量、维修和成本等因素影响重大的设备。
例如:在主装置上不可旁路或无备用、出现故障影响重大必须立即抢修的设备;直接造成一个或多个生产车间(厂)停工、降量、循环的设备;影响全厂稳定运行的公用工程设备。
(二)B类设备(重要设备):指发生故障后对以上安全、生产、质量、维修和成本等因素有一定的影响。
例如:在主装置上可旁路或有备用、出现故障影响较大必须立即抢修的设备;对主生产装置造成局部影响的设备。
(三)C类设备(一般设备):指发生故障后对安全、生产、质量、维修和成本等因素影响较小的设备。
例如:在配套装置上可旁路或有备用、出现故障影响不大,允许在一段时间内修复的设备。
四、设备分类原则(一)直接判定原则凡是以下三种情形时可直接判定为关键设备:1.发生故障后,对安全、生产系统造成重大影响的设备;2.电力系统的高压变电站、高压配电室、高压电机;3.锅炉、压力容器(II、In类)、深冷空分系统。
(二)专业划分原则1.机修专业:机>泵>阀;2.电气专业:100OKW以上电机>250KW以上电机>250KW以下电机;3.仪表自控专业:联锁回路>控制回路>显示回路;4.静设备专业:高压设备>中压设备>低压设备。
(三)按照设备关注程度划分原则1.无备用设备>有备用设备;2.专用设备>通用设备;3.高故障率设备>低故障率设备;4.无维修经验设备>有维修经验设备。
(四)综合评价标准参考设备可靠性、维修性、经济性和备件周期因素综合判定设备分类。
关联A、B、C类设备供电设备、仪表系统对应设备分类级别进行判定。
设备管理区分说明(讨论稿)设备区分是设备管理中很重要的一项工作,为了加强我公司的设备管理,实现公司设备管理的科学化、规范化、智能化,真正实现全员预防维修设备管理体制,追求设备的高运转率、高完好率、生产稳定的目标。
保证设备在适宜的工作环境下受控并满足使用和安全环保要求,特编制设备管理区分表。
该设备管理区分表是在设计研究院编制的初步设计中设备表的基础上进行专业划分的。
该《设备管理区分表》作为今后工作的指导性文件进行试行。
一、专业术语设备:是工业企业中从事生产活动的物质技术装备、设施、装置、仪器、仪表、试验机具等的总称。
设备大分类可分为动设备和静设备。
一般在国际分类中,静设备指非旋转设备,属于工艺设备的范畴。
而动设备指旋转设备,属于机电仪设备范畴。
动设备:是指有驱动机带动的转动设备,如泵、压缩机、风机、电机以及刮板机、打包机、搅拌机等等;动设备可分为机械设备及电仪设备。
例如水泵,以连轴器为界,电机端属电仪设备,联轴器、蜗壳、叶轮属机械设备。
静设备:主要是指炉类、塔类、反应设备类、储罐类、换热设备类、过滤设备类等。
其中,比较特殊的有空冷器等,空冷风机需要按动设备管理,空冷管束按静设备管理;静设备上附属的电机、减速机、风机及仪表等按动设备管理。
二、设备管理区分规则:1、静设备(包括附属管路附件)属工艺设备,静设备上的附属机械及电仪设备按动设备进行管理,属于机电仪设备的范畴。
2、动设备属于机电仪设备范畴。
动设备上附属工艺消耗材料按静设备管理,属于工艺设备范畴。
三、设备管理区分其他情况说明:1、电动阀门和气动阀门属于动设备,其他手动阀门属于静设备。
2、现场压力表包括氧压力表、负压表、真空表、双金属温度计(电接点压力表及带远传温度计除外),按静设备管理。
3、配电室配电箱柜、现场控制箱柜、现场配电箱及柜箱内各种元件、仪表按动设备管理,属于电仪设备。
4、厂区内综合管架管线、埋地管线(包括水道、热工、工艺烟道等所有专业管线)。
附件1:
特种设备注册代码编制规定
注册代码由设备分类码、行政区划代码、注册年份码、顺序码组成(共二十位)。
□□□□ □□□□□□□□□□□□□□□□
设备分类码行政区划代码注册年份码顺序码、设备分类码
设备分类码由四位阿拉伯数字表示,编码方法如下:
1、锅炉
2、压力容器
3、电梯
4、起重机
5、大型游乐设施
、行政区划代码
行政区划代码由六位阿拉伯数字表示,按设备登记机构所在地的行政区划代码分类(注:市局行政区划代码为310000 ),编码方法如下:
三、注册年份码
注册年份码由六位阿拉伯数字表示,以登记日期的年、月表述,其中“年”用四位阿拉伯数字表示,“月”用二位阿拉伯数字表示。
四、顺序码顺序码由四位阿拉伯数字表示,以同类设备在同月内登记的顺
序编排,从‘0001 ” 排到9999 ”
举例:某单位于2006年1月1日到黄浦区质量技术监督局办理一台第二类低压容器的登记手续。
1月份黄浦区质量技术监督局已经办理100台压力容器的登记手续,因此,该台设备的注册代码为:。
*/*** ******************企业标准******—2016设备分类编码规定点击此处添加标准英文译名点击此处添加与国际标准一致性程度的标识(报批稿)(本稿完成日期2016年7月20日)2016-07-25发布2016-08-01实施************院发布********—2016目次前言 (3)1.范围 (4)2.规范性引用文件 (4)3.设备的分类 (4)4.设备编码规则及说明 (4)4.1设备主体编码 (4)4.1.1设备主体编码结构形式: (4)4.1.2设备主体编码结构说明: (5)4.2设备附属设备、附件、专用工具、工装夹具、资料等编码 (6)4.2.1附件码结构形式: (6)4.2.2设备附属设备、附件、专用工具、工装夹具、资料等编码结构说明: (6)4.3部门代码说明 (8)5.设备编码明细 (8)前言本标准依照《行政事业单位国有资产管理办法》、《***市直行政事业单位国有资产处置管理暂行办法》的《***院组织章程》,并参考《固定资产分类与代码》(GB/T 14885-2010)而制定。
本标准的编写要求是根据国家标准GB/T 15498-2003《企业标准体系管理标准和工作标准体系》中的6.3的规定,并结合***院的实际而编制。
本标准按照GB/T 1.1-2009《标准化工作导则第一部分:标准的结构的编写》给出的规则起草。
本标准由北***院提出。
本标准起草单位:***院动力保障部。
本标准主要起草人:***。
设备分类编码规定1.范围本标准规定了***院(以下简称“北大光电院”或“***院”)设备的分类、设备编码规则及说明,并给出***院的设备编码明细表。
本办法适用于***院设备、附属设备及其附件的编码。
2.规范性引用文件下列文件对于本文件的应用是必不可少的。
凡是标注日期的引用文件,仅所注日期的版本适用于本文件。
凡是没标注日期的引用文件,其最新版本(包括所有的修改单)适用于本文件。
正规】工程合同分类编号编制规则详细说明d)设备合同(设备):包括机电设备、电梯、消防、通风空调等设备采购、安装、维修、保养等合同;e)材料合同(材料):包括建筑材料、装饰材料、家具家电等采购合同;f)其他合同(其他):包括与工程建设相关的其他合同。
三级编码按以上六类合同分别为“TD”、“QQ”、“SG”、“SB”、“CL”、“QT”。
4.2.2.4四级编码四级编码为顺序编号,从“0001”开始,每个合同单独编码。
如“XH-01Q-SG-TD-0001”为香湖项目一期施工土地合同第一个合同。
4.2.3销售租赁类合同销售租赁类合同编号方法,下分三级编码。
4.2.3.1一级编码为项目简称中两个汉字的拼音第一个声母(大写),集团公司统一按下表中代码执行。
对各分公司新开发项目的代码,应由各分公司管理合同的职能部门对项目简称代码进行明确规定,并在确定后报集团公司财务中心备案。
4.2.3.2二级编码根据开发期数分为“一期”、“二期”、“三期”、……“跨期”,代码分别为01Q、02Q、03Q、……KQ。
“跨期”指不能确定具体期别列入跨期待分摊。
4.2.3.3三级编码销售租赁类合同共分为两类:销售合同和租赁合同。
三级编码按以上两类合同分别为“XS”、“ZL”,每类合同从“0001”开始顺序编号。
4.2.4管理类合同管理类合同编号方法,下分三级编码。
4.2.4.1一级编码为项目简称中两个汉字的拼音第一个声母(大写),集团公司统一按下表中代码执行。
对各分公司新开发项目的代码,应由各分公司管理合同的职能部门对项目简称代码进行明确规定,并在确定后报集团公司财务中心备案。
4.2.4.2二级编码根据管理类合同的具体内容确定,如:物业管理合同、财务顾问合同、法律顾问合同等。
4.2.4.3三级编码三级编码为顺序编号,从“0001”开始,每个合同单独编码。
如“XH-01Q-WY-0001”为香湖项目一期物业管理合同第一个合同。
5.应用5.1合同编号应在合同签订时确定,由合同管理人员填写在合同正本上,并在复印件上标明“复印件”。
1 目的与适用范围建立设备分类编号管理规程,对设备分类编号规范化管理。
本规程所指的设备范围系指属于固定资产的设备,非固定资产的设备也可参照执行。
管道分类编号也按本规程执行。
2 职责生产技术部、财务部、设备部门、生产车间对本规程的实施负责。
3 内容3.1 设备分类编号原则本规定按设备的安装使用位置和类型进行统一的编号。
3.2 设备分类编号方法3.2.1 分类编号采用层次编码为主的结构。
3.2.2 编号结构为三层,第一层为安装使用位置编号,第二层为设备类型编号,第三层为同型号规格的顺序编号。
3.2.3 编号为9位号码,第一层用两位英语字母加两位阿拉伯数字表示,第二层用三位阿拉伯数字表示,第三层用两位阿拉伯数字表示。
3.2.4 编号中的第一层从“SB01”开始,第二层从“001”开始,第三层编号从“01”开始,按升序排列,可以间断。
3.3 设备安装使用位置划分及编号3.3.1 本公司设备按安装使用位置共分为3大类。
3.3.2 属于公共设施的设备编号为“01”。
3.3.3 属于质量保证部的设备编号为“02”。
3.3.4 属于原料车间的设备编号为“03”。
3.4 设备类型编号见附表。
3.4.1 设备编号示例3.4.2 空气压缩机SB01 001 01第三层次、顺序编号:第一台空气压缩机第二层次、设备类型:空气压缩机第一层次、英语字母SB:设备安装使用位置03:原料车间3.5 计量器具的分类编号原则3.5.1 分类编号采用层次编码为主的结构。
3.5.2 编号结构为三层,第一层为安装使用位置编号,第二层为计量器具类型编号,第三层为同型号规格的顺序编号。
3.5.3 编号为10位号码,第一层用三位英语字母加两位阿拉伯数字表示,第二层用三位阿拉伯数字表示,第三层用两位阿拉伯数字表示。
3.5.4 编号中的第一层从“JLA(B、C)01”开始,第二层从“001”开始,第三层编号从“01”开始,按升序排列,可以间断。
3.6 计量器具安装使用位置划分及编号3.6.1 本公司计量器具按安装使用位置共分为4大类。
危险废物储存设施编码规则危险废物储存设施编码规则是在管理和处理危险废物方面起到关键作用的一项法规。
它旨在规定危险废物储存设施的标识、分类、管理和运输等方面的要求,以确保危险废物的安全储存和处理,减少对环境和人体健康的危害。
首先,我们来了解一下危险废物的概念。
危险废物指的是在生产、加工、储存、使用和废弃活动中,因其物理、化学、毒理和生态特性具有危险性的废弃物。
这些废物可能对人类、动植物和环境造成伤害或潜在的危害。
为了对危险废物进行分类和管理,国际上普遍采用了危险废物编码系统,常见的是欧盟的EWC编码和中国的GB 5085.3编码。
这些编码系统主要根据危险废物的来源、组成和危害程度进行分类。
危险废物储存设施编码规则则是根据这些编码系统来进一步规定储存设施的标识和管理要求。
按照危险废物储存设施编码规则,首先需要对储存设施进行标识。
每个储存设施都应该有一个独特的编码,以便进行跟踪和管理。
这个编码通常由地理位置、设施类型和序号组成,比如"地区-设施类型-序号"的形式。
这种编码方式能够方便地识别不同设施,并提供准确的定位信息。
其次,根据危险废物的分类,需要对储存设施进行合理的分类和划分。
这可以根据储存设施的容量、设施类型和安全性等因素进行考虑。
不同类型的危险废物可能需要不同的储存条件和设施规格,因此进行分类管理是非常重要的。
在储存设施管理方面,危险废物储存设施编码规则提供了一系列的要求和措施。
首先,储存设施应符合相关法规和标准的要求,包括设施建设、运营、维护和更新等方面的规定。
其次,储存设施应具备必要的安全设备和防护措施,以防止危险废物泄漏和事故发生。
此外,储存设施还应定期进行检查和维护,保证其安全可靠性。
另外,危险废物储存设施编码规则还对运输和处置提出了要求。
危险废物运输应符合相关法规和标准,并使用特定的运输容器和包装材料。
处置过程中,应采用合适的技术和方法,确保危险废物得到有效处理,以减少对环境和人体健康的影响。
设备设施分类办法1.目的本规定旨在对公司的设备设施进行分类,方便设备设施的管理。
根据有关法律、法规和其他要求对设备、设施进行管理。
2.适用范围嘉兴市燃气集团有限公司生产设备、设施的分类管理。
3.详细描述本办法主要根据设备的用途及种类,对集团公司范围内的设备设施分为六分类:第一类:特种设备及安全附件,如低温液体贮槽、容器的安全阀等,编码为T第二类:普通生产设备设备,如压力管道等,编码为N第三类:消防、安全类,如消防器材,编码为A第四类:应急专用设备,应急抢修车、应急发电机等,编码为E 第五类:测试设备,真空计、气质分析仪,编码为C3.1设备分类的依据1)法律法规及其他要求明确的;2)相关方关注或要求的;3)行业标准的要求;4)行业单位发生的事故经历。
3.2设备的分类5)特种设备及安全附件根据《特种设备目录》,我公司管理范围内的特种设备及安全附件有:低温液体贮槽、液化石油气储罐、残液罐、储气罐、设计压力大于0.1MPa的燃气管道,及与之相关系的安全阀、金属阀门、压力表等附件。
6)普通生产设备特种设备以外的生产设备。
7)消防、安全设备消防、安全设备,主要指消防器材、设施及安防监控类设备。
8)应急专用设备应急专用设备是指市政公用燃气应急及重大危险源应急的设备。
9)测试设备、器材指检测、测试、检验的仪器或设备。
3.3设备设施清单根据以上描述,我公司设备主要有以下(不限于):设备设施分类办法(二)设备设施分类是指将各种设备和设施按照其功能和用途进行分类整理,便于管理和使用。
本文将介绍一种常用的设备设施分类办法。
设备设施分类办法主要包括以下几个方面:1. 功能分类:按设备设施的功能和用途分类,主要包括生产设备、辅助设备、办公设备、通信设备等几个大类。
其中,生产设备是指用于生产产品或提供服务的设备,如机械设备、工艺设备等;辅助设备是指用于辅助生产设备的设备,如仪器仪表、工具、模具等;办公设备是指用于办公和管理工作的设备,如电脑、打印机、传真机等;通信设备是指用于通信和信息传输的设备,如电话、传呼机、路由器等。
1.0目的为规范物业服务区域内的设施、设备进行统一的分类、编码,使之受到有效控制,特制定本规定。
2.0范围适用于四川万晟物业服务有限公司所管辖各物业服务中心设施设备分类和编码3.0职责3.1工程维护部主管负责按分类和编码规定具体实施设施设备的编码、标识的时间。
3.23.33.44.0设的扩4.2.1各物业服务中心代码按对应物业服务中心汉语拼音简称(一般为2-3个字母):【万晟城·峰景】物业服务中心——FJ【万晟城·峰阁】物业服务中心——FG4.3设备系统类别编号按对应设备系统汉语拼音简称(一般为2-3个字母)4.3.1配电系统:PDGJX—高压进线柜GJL—高压计量柜GPT—高压PT柜GYG—高压配电柜DJX—低压进线柜DJL—低压计量柜DYG—低压配电柜DLL—低压联络柜KZX—电器控制箱PDX—配电箱DRG—电容柜YZM—应急照明箱BYQ—变压器DB—电表柜DBKZ—电表控制柜:GSSHB—生活水泵SX—水箱KZX—电器控制箱:PWPWBFDJXFBMKXYGTSXJXSQ4.44.4.2楼道应急照明:LYMTD—筒灯SD--射灯GD—光带RGD—日光灯SZD—疏散指示灯DJD—地脚灯4.4.3通风系统:TFFA--风阀FJ—风机箱PYJ--排烟机PFJ--排风机JY--加压风机CF--抽风机4.4.4建筑小品:JXPTD—铜雕塑4.5设备(设施)顺序号:4.5.1以设备(设施)在该类别中的自然顺序号(以2-3位自然数排序)编制,如:001、002或01、02。
4.5.2举例:【万晟城·峰景】总坪中编号为001的草坪灯应表示为:FJ-ZM-CP-001【万晟城·峰景】编号为002号消防泵应表示为:FJ-XF-XFB-0025.0相关支撑性文件无6.0设施设备机具台账项目/区域名称:【】()NO.。
CJ 中华人民共和国城镇建设行业标准CJ/T 214—2007代替CJ/T 214—2005城市市政综合监管信息系统管理部件和事件分类、编码及数据要求Urban municipal supervision and management information system——Classification,coding and data requirementsfor urban managed components and events目录前言 (II)引言 (III)1 范围 (1)2 规范性引用文件 (1)3 术语和定义 (1)4 部件分类编码及数据要求 (2)5 事件分类编码及数据要求 (4)6 专业部门编码规则 (6)7 部件和事件类型的增减与处置 (6)附录A (规范性附录)部件分类代码与符号表 (7)附录B (规范性附录)事件分类代码表 (12)附录C (资料性附录)专业部门代码示例 (15)前言为促进城市市政综合监管信息系统建设,加强政府的城市管理和公共服务职能,提高城市管理水平,实现资源的整合与共享,制定本标准。
本标准所涉及的城市市政监督与管理是指:——对市政工程设施和市政公用设施的监督与管理;——对市容环境与环境秩序的监督与管理。
本标准是对CJ/T 214-2005所做的第一次修订。
修订的主要内容包括:——增加和调整了部分管理部件和事件的小类名称、代码及符号,给出了各类管理部件和事件的说明;——设置了扩展部件类和扩展事件类,并给出了管理部件和事件小类扩展原则及备案的要求;——增加和调整了管理部件和事件的基本属性信息;——提出了管理部件数据普查、测绘及成果验收的基本要求;——将原表2合并到表A.1中,并将名称改为“部件分类代码与符号表”;——修改了专业部门的定义、代码结构及附录C。
本标准由建设部标准定额研究所提出。
本标准由建设部标准定额研究所归口。
本标准起草单位:北京市东城区人民政府、建设综合勘察研究设计院、北京数字政通科技有限公司、南京市鼓楼区城市管理监督中心、杭州市人民政府城市管理办公室、上海市卢湾区城市管理监督和指挥中心、北京市朝阳区城市管理监督指挥中心、武汉市江汉区城市管理监督中心、扬州市数字化城市管理监督中心、深圳市城市管理监督指挥中心、烟台市公用事业投诉中心。
水利对象分类及编码总则主要包含以下内容:
1. 水利工程对象:指水利工程建设、运行和维护过程中所涉及的全部以及各类水利工程、设施、构筑物和设备,包括水电站、堤防、垂直坝、过渡工程(渡槽、调节池)、堤坝外(沟渠、渠道、引水工程)、湖泊、库容工程(元池、补给池、导流池、潮坪)、取水口、开阔工程(支灌工程、提水工程、加蓬水库、涵洞)、水利排放口、永久航行水系、水库库闸(大坝、小坝)、河口、叠山、沿线植物等。
2. 水利设施对象:指任何一类介入水利工程中的全部设施以及各种设备,包括水工混凝土结构(桥梁、管涵、截水建筑等)、水工整流墙、水力发电设施、径流设施(沟渠、湖泊、池塘等)、开阔工程(支灌工程、提水工程、加蓬水库等)、水工提升泵站、污水净化处理设施、水利机械(阀门、泵、屏湖、水闸等)、水监测设施(水位计、水质监测站、水文测流设备等)。
《水利对象分类与编码总则》(SL/T 213—2020)是在《水利工程代码编制规范》(SL 213—2012)的基础上修订而成,共7章和3个附录,主要技术内容包括编码原则、水利对象代码结构、水利对象分类代码和水利对象实例代码编码规则等。
以上信息仅供参考,建议查阅专业书籍或咨询专业人士获取更全面和准确的信息。
设施、设备分类和编码规定
编制:日期:年月日
审核:日期:年月日
批准:日期:年月日
1.0目的
为规范物业服务区域内的设施、设备进行统一的分类、编码,使之受到有效控制,特制定本规定。
2.0范围
适用于四川万晟物业服务有限公司所管辖各物业服务中心设施设备分类和编码
3.0职责
3.1工程维护部主管负责按分类和编码规定具体实施设施设备的编码、标识的时间。
3.2工程维护部主管负责对设施设备分类、编码、标识工作进行督导、确认。
3.3工程维护部领班应按设备编码顺序建立《设施设备机具台账》、《设施设备编码标识清单》,并指导工程维护员完成对现场设施设备进行标识。
3.4工程维护员按《设施设备机具台账》、《设施设备编码标识清单》对设施设备进行标识。
4.0工作内容
4.1设施设备编码原则:
4.1.1设备编码必须是唯一。
4.1.2所有设备一次性进行编码,确保编码的统一性和唯一性。
4.1.3设备的编码位数按实际的数量进行编制,并具有可操作性。
4.1.4设备编码应具备可扩展性,一是对设施类别的扩展,二是对设备数量的扩展。
4.1.5设备编码可考虑与楼宇信息管理等计算机系统相连接。
4.2设施设备编码规则:
×—×—×—×设施设备顺序号
设施设备编号
设施设备系统类别编号
物业服务中心代码
4.2.1各物业服务中心代码按对应物业服务中心汉语拼音简称(一般为2-3个字母):【万晟城·峰景】物业服务中心——FJ
【万晟城·峰阁】物业服务中心——FG
4.3设备系统类别编号按对应设备系统汉语拼音简称(一般为2-3个字母)
4.3.1配电系统:PD
GJX—高压进线柜 GJL—高压计量柜 GPT—高压PT柜 GYG—高压配电柜DJX—低压进线柜 DJL—低压计量柜 DYG—低压配电柜 DLL—低压联络柜KZX—电器控制箱 PDX—配电箱 DRG—电容柜 YZM—应急照明箱BYQ—变压器 DB—电表柜 DBKZ—电表控制柜
4.3.2给水系统:GS
SHB—生活水泵 SX—水箱 KZX—电器控制箱
4.3.3排污系统:PW
PWB—排污泵 KZX—电器控制箱
4.3.4机电系统:JD
FDJ—发电机组 DT—电梯 KZX—电器控制箱 LQT—发电机冷却塔4.3.5消防系统:XF
XFB—消防泵 PLB—喷淋泵 MHQ—灭火器 XHS—消火栓MKX—模块箱 XQJ—消防区报机 DH—消防报警电话 XZP—消防火灾控制盘XKX--消防控制箱 SBF—湿式报警阀 SBQ—手动报警器 WGT—温感探头YGT—烟感探头 ZYB--消防增压泵 SC--消防水池
4.3.6弱电系统:RD
SXJ—摄像机 MKJ—门口机 DJ—对讲机 HWD—红外对射器XSQ—显示器 BJY—背景音箱
4.4设施系统类别编号按对应设施系统汉语拼音简称(一般为2-3个字母)
4.4.1外围总坪照明:ZM
CP--草坪灯 SJ--三角路灯 SD--射灯 MT--门厅灯
GG--高杆灯 TJ--庭园灯 SS--射树灯 SX--水下灯
DM--地埋灯 QB--嵌壁灯 GG--高杆灯 HT--花台灯
4.4.2楼道应急照明:LYM
TD—筒灯 SD--射灯 GD—光带 RGD—日光灯SZD—疏散指示灯 DJD—地脚灯
4.4.3通风系统:TF
FA--风阀 FJ—风机箱 PYJ--排烟机 PFJ--排风机
JY--加压风机 CF--抽风机
4.4.4建筑小品:JXP
TD—铜雕塑
4.5设备(设施)顺序号:
4.5.1以设备(设施)在该类别中的自然顺序号(以2-3位自然数排序)编制,如:001、002或01、02。
4.5.2 举例:
【万晟城·峰景】总坪中编号为001的草坪灯应表示为:FJ-ZM-CP-001
【万晟城·峰景】编号为002号消防泵应表示为:FJ-XF-XFB-002
5.0 相关支撑性文件
无
6.0 相关记录
《设施设备机具台账》
《设施设备机具清单/一览表》
《设施设备编码标识清单》
设施设备机具台账
备注:“分类级别”是指设备按重要程度划分级别,共为A、B二个级别,A类设备代表关键设备,B类设备代表次要设备。