设施设备分类和编码规定
- 格式:docx
- 大小:137.93 KB
- 文档页数:5
1.0目的为规范物业服务区域内的设施、设备进行统一的分类、编码,使之受到有效控制,特制定本规定。
2.0范围适用于四川万晟物业服务有限公司所管辖各物业服务中心设施设备分类和编码3.0职责3.1工程维护部主管负责按分类和编码规定具体实施设施设备的编码、标识的时间。
3.23.33.44.0设的扩4.2.1各物业服务中心代码按对应物业服务中心汉语拼音简称(一般为2-3个字母):【万晟城·峰景】物业服务中心——FJ【万晟城·峰阁】物业服务中心——FG4.3设备系统类别编号按对应设备系统汉语拼音简称(一般为2-3个字母)4.3.1配电系统:PDGJX—高压进线柜GJL—高压计量柜GPT—高压PT柜GYG—高压配电柜DJX—低压进线柜DJL—低压计量柜DYG—低压配电柜DLL—低压联络柜KZX—电器控制箱PDX—配电箱DRG—电容柜YZM—应急照明箱BYQ—变压器DB—电表柜DBKZ—电表控制柜:GSSHB—生活水泵SX—水箱KZX—电器控制箱:PWPWBFDJXFBMKXYGTSXJXSQ4.44.4.2楼道应急照明:LYMTD—筒灯SD--射灯GD—光带RGD—日光灯SZD—疏散指示灯DJD—地脚灯4.4.3通风系统:TFFA--风阀FJ—风机箱PYJ--排烟机PFJ--排风机JY--加压风机CF--抽风机4.4.4建筑小品:JXPTD—铜雕塑4.5设备(设施)顺序号:4.5.1以设备(设施)在该类别中的自然顺序号(以2-3位自然数排序)编制,如:001、002或01、02。
4.5.2举例:【万晟城·峰景】总坪中编号为001的草坪灯应表示为:FJ-ZM-CP-001【万晟城·峰景】编号为002号消防泵应表示为:FJ-XF-XFB-0025.0相关支撑性文件无6.0设施设备机具台账项目/区域名称:【】()NO.。
特种设备分类及代码集团标准化工作小组 #Q8QGGQT-GX8G08Q8-GNQGJ8-MHHGN#1.1 C601 特种设备种类代码特种设备种类代码说明:国家安全监察机构对特种设备分类的大类代码。
表示:C1编码方法:采用顺序码,用1位数字或大写字母表示。
表1 特种设备种类代码1.2 C602 特种设备分类代码特种设备分类代码说明:国家安全监察机构对特种设备的分类代码。
表示:C4编码方法:采用层次码。
代码共分4层,每层均用1位数字或大写字母表示。
第1层:特种设备种类代码,第2层:特种设备类别代码,第3层:特种设备品种代码,第4层:特种设备级别代码。
注:根据需要,可以只使用前1位、前2位或前3位代码。
1.3 C603 特种设备登记代码特种设备登记代码说明:国家对进行安全监察的特种设备的登记代码。
表示:C21编码方法:采用组合码。
代码由4部分组成,共21位数字字母混合码。
第1部分:特种设备分类代码(4位数字字母混合码)第2部分:注册单位代码,采用注册单位的组织机构代码(9位数字字母码)第3部分:注册年份(4位数字)第4部分:顺序号(4位数字,0001—9999)。
XXXX XXXXXXXXX XXXX XXXX顺序号(4位数字)注册年份(4位数字)注册单位代码(9位数字字母)特种设备分类代码(4位数字字母混合码)1.4 C604 特种设备代码特种设备代码说明:特种设备的终身代码。
与登记代码不同的是特种设备代码终身有效。
如果是国产设备,该代码在制造出厂时产生;如果是进口设备,该代码在首次安装时产生。
表示: C21编码方法:采用组合码。
代码由4部分组成,共21位数字、字母混合码。
第1部分:特种设备分类代码(4位数字字母混合码)第2部分:制造或安装单位代码(采用组织机构代码,9位数字字母码)国产设备采用设备制造单位的组织机构代码进口设备采用首次安装单位的组织机构代码第3部分:注册年份(4位数字,国产设备为制造年份,进口设备为安装年份)第4部分:顺序号(4位数字,0001—9999)XXXX XXXXXXXXX XXXX XXXX顺序号(4位数字)制造/安装年份(4位数字)制造/安装)单位代码(9位数字)特种设备分类代码(4位数字字母码)。
房建工程施工设备分类编号一、土方设备1. 挖掘机:用于挖掘土方和土石方的设备,常见的有履带式挖掘机和轮式挖掘机。
2. 推土机:用于推动土方和土石方的设备,常见的有履带式推土机和轮式推土机。
3. 铲运机:用于装载、搬运和卸载土石方的设备,常见的有轮式装载机和履带式装载机。
4. 大型土方机械:包括铲斗挖掘机、滚压机、平地机等。
二、混凝土设备1. 搅拌机:用于混合水泥、砂、石等原材料制备混凝土的设备,常见的有双轴混凝土搅拌机和强制式混凝土搅拌机。
2. 混凝土泵:用于输送混凝土的设备,常见的有拖车式混凝土泵和车载式混凝土泵。
3. 混凝土搅拌车:用于在施工现场搅拌和运输混凝土的车辆。
4. 卸料车:用于从混凝土搅拌站或搅拌车上卸料的车辆。
三、起重设备1. 起重机:包括塔式起重机、门式起重机、履带式起重机等,用于吊装和搬运各种建筑材料。
2. 吊车:用于吊装、搬运重型建筑材料的车辆,常见的有货车吊、平板吊等。
3. 非标起重设备:包括吊钩、钢丝绳、起重索等。
4. 起重配件:包括吊钩、安全绳、卷扬机等。
四、装修设备1. 砌筑设备:包括砌墙机、灰浆喷涂机、水泥干粉喷涂机等。
2. 砂浆喷涂机:用于喷涂石膏、水泥砂浆等的设备。
3. 油漆喷枪:用于涂刷油漆的设备。
4. 装修工具:包括电动工具、手动工具等。
五、通风设备1. 风机:用于通风、排气和换气的设备,常见的有箱式风机、管道风机等。
2. 排风扇:用于排除室内污浊空气的设备。
3. 空调设备:用于室内温度、湿度控制的设备,包括中央空调、分体式空调等。
六、照明设备1. 荧光灯:用于照明的设备。
2. LED灯:节能环保的照明设备。
3. 射灯:用于对特定区域进行聚光照明。
七、安全设备1. 安全帽:保护头部安全的装备。
2. 安全鞋:保护脚部安全的装备。
3. 安全绳:用于高空作业时防止坠落的装备。
4. 安全网:用于防止物体坠落的安全设备。
总结:房建工程施工设备的分类编号涵盖了土方设备、混凝土设备、起重设备、装修设备、通风设备、照明设备和安全设备等多个方面,每种设备的功能和用途各有不同,但都是房屋建筑过程中必不可少的工具。
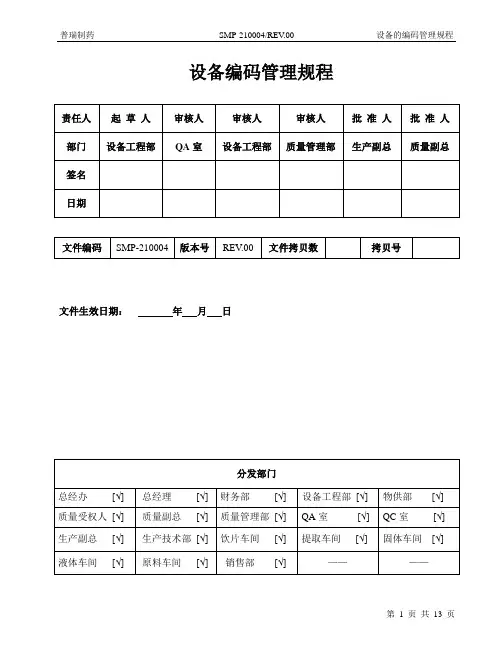
设备编码管理规程文件生效日期:年月日1. 目的建立规范的设备分类编码标准,使设备分类编码有据可依,规范统一。
2.适用范围本规程适用于本公司内用于办公、生产、公共系统及检验相关设备的分类和编号。
3.责任设备工程部:负责组织本规程的起草、审核、修订、培训、执行及监督工作。
文件管理员:负责本文件的保存、归档、复制、分发、变更、回收及销毁QA室主管:负责本文件的审核工作。
生产技术部经理和质量管理部经理:负责本规程的审核工作。
生产副总和质量副总:负责本规程的批准工作。
设备工程部人员:负责本规程的执行。
QA人员:负责监督本规程的执行。
4. 内容4.1编码原则4.1.1 设备的分类是设备管理的基础工作。
统计、分析设备的构成情况和性能,可以更好地实行分级管理和重点维修。
4.1.2设备编码作为设备的唯一性,一经确定,不得更改。
一旦该设备报废、变卖和转出,该编号也随之作废。
4.1.3设备编码主要体现设备所在部门(车间)、车间的房间号、设备类型编号和同型号设备的序号。
4.1.4设备编码必须与设备一一对应。
设备编码由设备工程部统一编定,任何人不得擅自修改。
使用部门负责对本部门设备的标签进行核对、管理,发现标签脱落应及时通知设备工程部,以保证设备编号与设备的唯一对应。
4.2编号方式4.2.1设备编号是由四部分共十三位数字组成,第一部为设备使用部门(车间)代码,第二部分为设备所在车间的房间编号,第三部分为设备分类代码,第四部分为同类设备的数量。
其所带表的含义如下:4.2.1.1第一部分为设备使用部门(车间)代码,以两位阿拉伯数字表示,详见附件1:设备使用部门(车间)代码一览表。
4.2.1.2第二部分为车间房间编号,以三位阿拉伯数字表示。
(整个车间房间编号,不重复)详见车间房间编号图。
4.2.1.3第三部为设备分类代码,以六位阿拉伯数字表示。
详见附件2:医药工业设备分类编号表。
4.2.1.4第四部分为同类设备的数量,以两位阿拉伯数字表示,如01、02……依此累加不重复。
附件1:
特种设备注册代码编制规定
注册代码由设备分类码、行政区划代码、注册年份码、顺序码组成(共二十位)。
□□□□□□□□□□□□□□□□□□□□
设备分类码行政区划代码注册年份码顺序码
一、设备分类码
设备分类码由四位阿拉伯数字表示,编码方法如下:
1、锅炉
2、压力容器
3、电梯
4、起重机
5、大型游乐设施
二、行政区划代码
行政区划代码由六位阿拉伯数字表示,按设备登记机构所在地的行政区划代码分类(注:市局行政区划代码为310000),编码方法如下:
三、注册年份码
注册年份码由六位阿拉伯数字表示,以登记日期的年、月表述,其中“年”用四位阿拉伯数字表示,“月”用二位阿拉伯数字表示。
四、顺序码
顺序码由四位阿拉伯数字表示,以同类设备在同月内登记的顺序编排,从“0001”排到“9999”。
举例:某单位于2006年1月1日到黄浦区质量技术监督局办理一台第二类低压容器的登记手续。
1月份黄浦区质量技术监督局已经办理100台压力容器的登记手续,因此,该台设备的注册代码为:2010101。
企业的设备资产编码在设备资产管理中有着至关重要的作用,是设备资产管理的基础。
企业设备资产代码除了方便设备资产的日常运行维护和资产管理外,还是设备资产管理计算机化首要工作。
多数企业的资产编码方案中会希望通过编码反应出设备资产的类别和重要的属性,但是不同企业的设备资产管理的角度不同,所以分类方法和属性重点对于企业制定编码规则十分重要。
例如离散型制造企业重点在于设备资产清晰的分类和设备重要性的标示,而流程制造业则更关心设备的位置、主辅机之间的关系,对于同一企业不同的管理部门可能各自都有需求,因此编码方案可能会难以确定。
一、设备资产的编码范围主要范围是固定资产和非固定资产设备,有些价值低于2000元,但对生产管理很重要的工具、仪器仪表、计量器具,也需要进行编码管理。
二、设备资产的编码原则1.设备资产编码必须唯一编码若不唯一,计算机系统将无法汇总其全寿命周期的数据。
正泰EAM有编码自动判别功能,如新增数据编码出现重码现象,系统会自动提示。
2.设备资产编码的位数尽量少通常企业设备编码要考虑设备类别和数量,但是为了便于管理所有编码时尽量全面考虑并减少编码位数。
3.设备资产编码应具备可扩展性进行设备资产编码时要留有较相应的扩展余度。
一是对设备类别的扩展;二是对设备数量的扩展。
4.设备资产编码应考虑与其他系统的接口问题企业内部通常还有其他管理系统,如财务、采购、生产计划系统等,它们也可能对设备进行了编码。
这些系统与设备信息系统可能接口,因此要事先了解其他系统的编码体系,在制定设备编码规则时应与其保持一定的统一,方便系统间进行数据时进行视图关联。
总体上讲,通常设备资产的相关编码包括:资产类别、资产编号、标签编号。
要根据管理内容确定设备编码范围。
最好能对所有的设备一次性进行编码,便于保证编码的统一性,过于烦琐过多的编码会影响系统在企业中的应用。
三、设备资产编码规则问题设备资产的编码大多都是企业按照自己的模式来进行组织编排,不过大多会遵循以下规则:1.按设备的组织归属编码的规则。
科学仪器分类标准及编码规则术语与定义本文中,“大型科学仪器设备”指在科学研究、技术开发及其他科技活动中使用的价格在一定数值以上的单台或成套科学仪器设备资源,包括配套附件及软件。
但不包括实验室设备和大科学工程。
大型科学仪器设备的分类标准及编码2.1.分类标准的体系结构及说明大型科学仪器设备的分类标准体系结构包括四个层级:大类、中类、小类和细目。
大类是最高层级,细目是最低层级。
每个层级都有对应的编码。
2.2.分类编码规则及说明大型科学仪器设备的编码规则采用“层级编码法”,即从大类到细目逐级编码。
每个层级的编码采用数字编码,每个数字代表一个层级。
例如,大类编码为“1”,中类编码为“11”,小类编码为“111”,细目编码为“1111”。
2.3.分类标准与编码详述本标准规定了大型科学仪器设备的分类标准和编码规则。
分类标准包括四个层级:大类、中类、小类和细目。
编码规则采用“层级编码法”,从大类到细目逐级编码。
每个层级的编码采用数字编码,每个数字代表一个层级。
本标准不包括实验室设备和大科学工程。
大型科学仪器采用六位数字编码分类,包括大类、中类、小类,每类用两位数字表示,从“01”开始递增。
为了保证编码长度一致,大类编码后面补充四个“0”,中类编码后面补充两个“0”。
而各级“其他”类则采用“99”进行编码。
分类标准及对应编码如下表所示,大类包括分析仪器、电子光学仪器、质谱仪器、X射线仪器、光谱仪器、色谱仪器等。
中类则包括各种仪器的具体类型,如透射电镜、有机质谱仪、X射线衍射仪等。
小类进一步细分,如电子探针、离子探针、圆二色光谱仪等。
大类编码以“”开始,中类编码以“0101”开始,小类编码以“”开始。
其他类则以“99”结尾。
每类的编码长度均为六位数字,便于编码扩展。
图像分析仪、差热分析仪、示差扫描量热计、热天平、导热系数测定仪、热膨胀系数测定仪、热成像仪以及其他是化学分析仪器的一些常见类型。
氨基酸及多肽分析仪、凝胶扫描仪、生物化学发光仪、生化分析仪、酶标仪、 DNA 合成仪、 DNA 测序仪、 DNA样本制备仪、基因导入仪、多肽合成仪、 PCR 仪、流式细胞仪、细胞分析仪、细胞融合仪、生物大分子分析系统、蛋白纯化仪、蛋白测序仪、多参数免疫分析仪、蛋白凝胶系统、生物芯片系统、高通量药物筛选仪、 SNP 遗传多态性分析仪以及其他是生物化学分析仪器的常见类型。
设备管理区分说明(讨论稿)设备区分是设备管理中很重要的一项工作,为了加强我公司的设备管理,实现公司设备管理的科学化、规范化、智能化,真正实现全员预防维修设备管理体制,追求设备的高运转率、高完好率、生产稳定的目标。
保证设备在适宜的工作环境下受控并满足使用和安全环保要求,特编制设备管理区分表。
该设备管理区分表是在设计研究院编制的初步设计中设备表的基础上进行专业划分的。
该《设备管理区分表》作为今后工作的指导性文件进行试行。
一、专业术语设备:是工业企业中从事生产活动的物质技术装备、设施、装置、仪器、仪表、试验机具等的总称。
设备大分类可分为动设备和静设备。
一般在国际分类中,静设备指非旋转设备,属于工艺设备的范畴。
而动设备指旋转设备,属于机电仪设备范畴。
动设备:是指有驱动机带动的转动设备,如泵、压缩机、风机、电机以及刮板机、打包机、搅拌机等等;动设备可分为机械设备及电仪设备。
例如水泵,以连轴器为界,电机端属电仪设备,联轴器、蜗壳、叶轮属机械设备。
静设备:主要是指炉类、塔类、反应设备类、储罐类、换热设备类、过滤设备类等。
其中,比较特殊的有空冷器等,空冷风机需要按动设备管理,空冷管束按静设备管理;静设备上附属的电机、减速机、风机及仪表等按动设备管理。
二、设备管理区分规则:1、静设备(包括附属管路附件)属工艺设备,静设备上的附属机械及电仪设备按动设备进行管理,属于机电仪设备的范畴。
2、动设备属于机电仪设备范畴。
动设备上附属工艺消耗材料按静设备管理,属于工艺设备范畴。
三、设备管理区分其他情况说明:1、电动阀门和气动阀门属于动设备,其他手动阀门属于静设备。
2、现场压力表包括氧压力表、负压表、真空表、双金属温度计(电接点压力表及带远传温度计除外),按静设备管理。
3、配电室配电箱柜、现场控制箱柜、现场配电箱及柜箱内各种元件、仪表按动设备管理,属于电仪设备。
4、厂区内综合管架管线、埋地管线(包括水道、热工、工艺烟道等所有专业管线)。
附件1:
特种设备注册代码编制规定
注册代码由设备分类码、行政区划代码、注册年份码、顺序码组成(共二十位)。
□□□□ □□□□□□□□□□□□□□□□
设备分类码行政区划代码注册年份码顺序码、设备分类码
设备分类码由四位阿拉伯数字表示,编码方法如下:
1、锅炉
2、压力容器
3、电梯
4、起重机
5、大型游乐设施
、行政区划代码
行政区划代码由六位阿拉伯数字表示,按设备登记机构所在地的行政区划代码分类(注:市局行政区划代码为310000 ),编码方法如下:
三、注册年份码
注册年份码由六位阿拉伯数字表示,以登记日期的年、月表述,其中“年”用四位阿拉伯数字表示,“月”用二位阿拉伯数字表示。
四、顺序码顺序码由四位阿拉伯数字表示,以同类设备在同月内登记的顺
序编排,从‘0001 ” 排到9999 ”
举例:某单位于2006年1月1日到黄浦区质量技术监督局办理一台第二类低压容器的登记手续。
1月份黄浦区质量技术监督局已经办理100台压力容器的登记手续,因此,该台设备的注册代码为:。
*/*** ******************企业标准******—2016设备分类编码规定点击此处添加标准英文译名点击此处添加与国际标准一致性程度的标识(报批稿)(本稿完成日期2016年7月20日)2016-07-25发布2016-08-01实施************院发布********—2016目次前言 (3)1.范围 (4)2.规范性引用文件 (4)3.设备的分类 (4)4.设备编码规则及说明 (4)4.1设备主体编码 (4)4.1.1设备主体编码结构形式: (4)4.1.2设备主体编码结构说明: (5)4.2设备附属设备、附件、专用工具、工装夹具、资料等编码 (6)4.2.1附件码结构形式: (6)4.2.2设备附属设备、附件、专用工具、工装夹具、资料等编码结构说明: (6)4.3部门代码说明 (8)5.设备编码明细 (8)前言本标准依照《行政事业单位国有资产管理办法》、《***市直行政事业单位国有资产处置管理暂行办法》的《***院组织章程》,并参考《固定资产分类与代码》(GB/T 14885-2010)而制定。
本标准的编写要求是根据国家标准GB/T 15498-2003《企业标准体系管理标准和工作标准体系》中的6.3的规定,并结合***院的实际而编制。
本标准按照GB/T 1.1-2009《标准化工作导则第一部分:标准的结构的编写》给出的规则起草。
本标准由北***院提出。
本标准起草单位:***院动力保障部。
本标准主要起草人:***。
设备分类编码规定1.范围本标准规定了***院(以下简称“北大光电院”或“***院”)设备的分类、设备编码规则及说明,并给出***院的设备编码明细表。
本办法适用于***院设备、附属设备及其附件的编码。
2.规范性引用文件下列文件对于本文件的应用是必不可少的。
凡是标注日期的引用文件,仅所注日期的版本适用于本文件。
凡是没标注日期的引用文件,其最新版本(包括所有的修改单)适用于本文件。
CJ 中华人民共和国城镇建设行业标准CJ/T 214—2007代替CJ/T 214—2005城市市政综合监管信息系统管理部件和事件分类、编码及数据要求Urban municipal supervision and management information system——Classification,coding and data requirementsfor urban managed components and events目录前言 (II)引言 (III)1 范围 (1)2 规范性引用文件 (1)3 术语和定义 (1)4 部件分类编码及数据要求 (2)5 事件分类编码及数据要求 (4)6 专业部门编码规则 (6)7 部件和事件类型的增减与处置 (6)附录A (规范性附录)部件分类代码与符号表 (7)附录B (规范性附录)事件分类代码表 (12)附录C (资料性附录)专业部门代码示例 (15)前言为促进城市市政综合监管信息系统建设,加强政府的城市管理和公共服务职能,提高城市管理水平,实现资源的整合与共享,制定本标准。
本标准所涉及的城市市政监督与管理是指:——对市政工程设施和市政公用设施的监督与管理;——对市容环境与环境秩序的监督与管理。
本标准是对CJ/T 214-2005所做的第一次修订。
修订的主要内容包括:——增加和调整了部分管理部件和事件的小类名称、代码及符号,给出了各类管理部件和事件的说明;——设置了扩展部件类和扩展事件类,并给出了管理部件和事件小类扩展原则及备案的要求;——增加和调整了管理部件和事件的基本属性信息;——提出了管理部件数据普查、测绘及成果验收的基本要求;——将原表2合并到表A.1中,并将名称改为“部件分类代码与符号表”;——修改了专业部门的定义、代码结构及附录C。
本标准由建设部标准定额研究所提出。
本标准由建设部标准定额研究所归口。
本标准起草单位:北京市东城区人民政府、建设综合勘察研究设计院、北京数字政通科技有限公司、南京市鼓楼区城市管理监督中心、杭州市人民政府城市管理办公室、上海市卢湾区城市管理监督和指挥中心、北京市朝阳区城市管理监督指挥中心、武汉市江汉区城市管理监督中心、扬州市数字化城市管理监督中心、深圳市城市管理监督指挥中心、烟台市公用事业投诉中心。
1 目的与适用范围建立设备分类编号管理规程,对设备分类编号规范化管理。
本规程所指的设备范围系指属于固定资产的设备,非固定资产的设备也可参照执行。
管道分类编号也按本规程执行。
2 职责生产技术部、财务部、设备部门、生产车间对本规程的实施负责。
3 内容3.1 设备分类编号原则本规定按设备的安装使用位置和类型进行统一的编号。
3.2 设备分类编号方法3.2.1 分类编号采用层次编码为主的结构。
3.2.2 编号结构为三层,第一层为安装使用位置编号,第二层为设备类型编号,第三层为同型号规格的顺序编号。
3.2.3 编号为9位号码,第一层用两位英语字母加两位阿拉伯数字表示,第二层用三位阿拉伯数字表示,第三层用两位阿拉伯数字表示。
3.2.4 编号中的第一层从“SB01”开始,第二层从“001”开始,第三层编号从“01”开始,按升序排列,可以间断。
3.3 设备安装使用位置划分及编号3.3.1 本公司设备按安装使用位置共分为3大类。
3.3.2 属于公共设施的设备编号为“01”。
3.3.3 属于质量保证部的设备编号为“02”。
3.3.4 属于原料车间的设备编号为“03”。
3.4 设备类型编号见附表。
3.4.1 设备编号示例3.4.2 空气压缩机SB01 001 01第三层次、顺序编号:第一台空气压缩机第二层次、设备类型:空气压缩机第一层次、英语字母SB:设备安装使用位置03:原料车间3.5 计量器具的分类编号原则3.5.1 分类编号采用层次编码为主的结构。
3.5.2 编号结构为三层,第一层为安装使用位置编号,第二层为计量器具类型编号,第三层为同型号规格的顺序编号。
3.5.3 编号为10位号码,第一层用三位英语字母加两位阿拉伯数字表示,第二层用三位阿拉伯数字表示,第三层用两位阿拉伯数字表示。
3.5.4 编号中的第一层从“JLA(B、C)01”开始,第二层从“001”开始,第三层编号从“01”开始,按升序排列,可以间断。
3.6 计量器具安装使用位置划分及编号3.6.1 本公司计量器具按安装使用位置共分为4大类。
上海市公交线路和站点设施分类、编码规则(试行)1.范围本规范规定了上海市公交线路、站点以及停车场、保养场、枢纽站等基础设施的编码规则。
本规范适用于上海市公交行业内相关行业管理系统、各公交企业和区县公交主管部门信息化系统,以及公交行业外的各类地图服务开发厂商、第三方交通信息发布系统等公交基础数据的使用者,促进公共交通各系统之间数据的交互融合。
本规范也适用于公交站点在提供面向乘客的公交信息服务时,将站点编码和线路编码设置于公交站点的醒目位置,用于乘客使用移动终端设备输入线路编码和公交站点编码,查询实时公交信息。
2.规范性引用文件下列文件中的条款通过本规范的引用而成为本规范的条款。
凡是注日期的引用文件,其随后所有的修改单(不包括勘误的内容)或修改版均不适用于本规范,然而,鼓励使用本规范的各方研究是否可使用这些文件的最新版本。
凡是不注日期的引用文件,其最新版本适用于本规范。
GBT 25529-2010 地理信息分类与编码规则GBT 13923-2006 基础地理信息要素分类与代码GBT 12409-2009 地理格网3.术语和定义下列术语和定义适用于本标准。
3.1公交站址即站点的位置,在50米范围内且处于道路同一侧的站点即认为是一站址,站址编码必须唯一。
站址表现为一个经纬度点。
3.2公交站点在同一站址的站点即认为是同一站点,其站点编码是相同的,即为其站址编码。
不同站点可拥有相同的名称,但站点编码不相同。
同一站点原则上站点名称应相同,但实际上有不相同的情况,但站点编码相同。
公交站点可位于枢纽站内。
3.3城市地图网格化方法用于产生部分编码,定位具体位置,按一定规则将本市地域划分为多个一平方公里网格的方法。
(定义见附录A)4.编码规则公交线路、公交站点、公交停车保养场和枢纽站的编码规则如下:4.1公交线路编码规则4.1.1 说明线路编码采用纯数字编码。
4.1.2 线路名称类型数字类型(20路、21路、911路等);文字类型和文字数字混合型(北安线、青浦1路、浦江1路等)。
1.1 C601 特种设备种类代码特种设备种类代码说明:国家安全监察机构对特种设备分类的大类代码。
表示:C1编码方法:采用顺序码,用1位数字或大写字母表示。
表1 特种设备种类代码1.2 C602 特种设备分类代码特种设备分类代码说明:国家安全监察机构对特种设备的分类代码。
表示:C4编码方法:采用层次码。
代码共分4层,每层均用1位数字或大写字母表示。
第1层:特种设备种类代码,第2层:特种设备类别代码,第3层:特种设备品种代码,第4层:特种设备级别代码。
注:根据需要,可以只使用前1位、前2位或前3位代码。
表2 特种设备分类代码表1.3 C603 特种设备登记代码特种设备登记代码说明:国家对进行安全监察的特种设备的登记代码。
表示:C21编码方法:采用组合码。
代码由4部分组成,共21位数字字母混合码。
第1部分:特种设备分类代码(4位数字字母混合码)第2部分:注册单位代码,采用注册单位的组织机构代码(9位数字字母码)第3部分:注册年份(4位数字)第4部分:顺序号(4位数字,0001—9999)。
XXXX XXXXXXXXX XXXX XXXX顺序号(4位数字)注册年份(4位数字)注册单位代码(9位数字字母)特种设备分类代码(4位数字字母混合码)1.4 C604 特种设备代码特种设备代码说明:特种设备的终身代码。
与登记代码不同的是特种设备代码终身有效。
如果是国产设备,该代码在制造出厂时产生;如果是进口设备,该代码在首次安装时产生。
表示: C21编码方法:采用组合码。
代码由4部分组成,共21位数字、字母混合码。
第1部分:特种设备分类代码(4位数字字母混合码)第2部分:制造或安装单位代码(采用组织机构代码,9位数字字母码)国产设备采用设备制造单位的组织机构代码进口设备采用首次安装单位的组织机构代码第3部分:注册年份(4位数字,国产设备为制造年份,进口设备为安装年份)第4部分:顺序号(4位数字,0001—9999)XXXX XXXXXXXXX XXXX XXXX顺序号(4位数字)制造/安装年份(4位数字)制造/安装)单位代码(9位数字)特种设备分类代码(4位数字字母码)。
建设工程材料设备数据分类及编码标准一、引言建设工程涉及许多不同类型的材料和设备,其数据分类及编码标准对于管理和运营至关重要。
本文将从深度和广度两个方面探讨建设工程材料设备数据的分类及编码标准,帮助读者更全面地了解这一主题。
二、数据分类及编码标准的重要性建设工程领域存在大量不同种类的材料和设备,如钢材、混凝土、电气设备等。
这些材料和设备的规格、用途、生产厂家等信息繁多复杂,如果缺乏统一的分类及编码标准,将会给建设工程的管理和运营带来严重困难。
统一的数据分类及编码标准有助于将各种材料和设备进行系统化管理,提高信息的准确性和及时性,为建设工程提供可靠的数据支持。
良好的分类及编码标准还有利于降低建设工程管理的成本,提高效率。
三、建设工程材料设备数据的分类1.材料分类(1)根据用途不同,可以将材料分类为结构材料、装饰材料、电气材料等。
(2)根据材料类型区分,可以将材料分类为钢材、混凝土、木材等。
(3)根据材料性能,可以将材料分类为抗压材料、绝缘材料、耐磨材料等。
2.设备分类(1)根据功能不同,可以将设备分类为起重设备、施工机械、检测设备等。
(2)根据用途区分,可以将设备分类为挖掘设备、搅拌设备、输送设备等。
(3)根据设备特性,可以将设备分类为自动化设备、智能设备、环保设备等。
以上是建设工程材料设备数据的分类示例,良好的分类有助于管理和利用这些数据。
四、建设工程材料设备数据的编码标准1.编码标准的目的编码标准的制定是为了对建设工程材料设备数据进行统一、规范的管理。
通过统一的编码标准,可以实现对物料的唯一标识和快速识别,提高信息资源的利用率。
2.编码标准的内容(1)基本信息:包括物料名称、规格型号、生产厂家等基本信息。
(2)技术参数:包括物料的力学性能、化学成分、电气性能等技术参数。
(3)应用领域:包括物料的主要应用领域和使用条件等信息。
3.编码标准的设计原则(1)唯一性:每种物料和设备都应具有唯一的编码标识,避免重复和混淆。
设施、设备分类和编码规定
编制:日期:年月日
审核:日期:年月日
批准:日期:年月日
1.0目的
为规范物业服务区域内的设施、设备进行统一的分类、编码,使之受到有效控制,特制定本规定。
2.0范围
适用于四川万晟物业服务有限公司所管辖各物业服务中心设施设备分类和编码
3.0职责
3.1工程维护部主管负责按分类和编码规定具体实施设施设备的编码、标识的时间。
3.2工程维护部主管负责对设施设备分类、编码、标识工作进行督导、确认。
3.3工程维护部领班应按设备编码顺序建立《设施设备机具台账》、《设施设备编码标识清单》,并指导工程维护员完成对现场设施设备进行标识。
3.4工程维护员按《设施设备机具台账》、《设施设备编码标识清单》对设施设备进行标识。
4.0工作内容
4.1设施设备编码原则:
4.1.1设备编码必须是唯一。
4.1.2所有设备一次性进行编码,确保编码的统一性和唯一性。
4.1.3设备的编码位数按实际的数量进行编制,并具有可操作性。
4.1.4设备编码应具备可扩展性,一是对设施类别的扩展,二是对设备数量的扩展。
4.1.5设备编码可考虑与楼宇信息管理等计算机系统相连接。
4.2设施设备编码规则:
×—×—×—×设施设备顺序号
设施设备编号
设施设备系统类别编号
物业服务中心代码
4.2.1各物业服务中心代码按对应物业服务中心汉语拼音简称(一般为2-3个字母):【万晟城·峰景】物业服务中心——FJ
【万晟城·峰阁】物业服务中心——FG
4.3设备系统类别编号按对应设备系统汉语拼音简称(一般为2-3个字母)
4.3.1配电系统:PD
GJX—高压进线柜 GJL—高压计量柜 GPT—高压PT柜 GYG—高压配电柜DJX—低压进线柜 DJL—低压计量柜 DYG—低压配电柜 DLL—低压联络柜KZX—电器控制箱 PDX—配电箱 DRG—电容柜 YZM—应急照明箱BYQ—变压器 DB—电表柜 DBKZ—电表控制柜
4.3.2给水系统:GS
SHB—生活水泵 SX—水箱 KZX—电器控制箱
4.3.3排污系统:PW
PWB—排污泵 KZX—电器控制箱
4.3.4机电系统:JD
FDJ—发电机组 DT—电梯 KZX—电器控制箱 LQT—发电机冷却塔4.3.5消防系统:XF
XFB—消防泵 PLB—喷淋泵 MHQ—灭火器 XHS—消火栓MKX—模块箱 XQJ—消防区报机 DH—消防报警电话 XZP—消防火灾控制盘XKX--消防控制箱 SBF—湿式报警阀 SBQ—手动报警器 WGT—温感探头YGT—烟感探头 ZYB--消防增压泵 SC--消防水池
4.3.6弱电系统:RD
SXJ—摄像机 MKJ—门口机 DJ—对讲机 HWD—红外对射器XSQ—显示器 BJY—背景音箱
4.4设施系统类别编号按对应设施系统汉语拼音简称(一般为2-3个字母)
4.4.1外围总坪照明:ZM
CP--草坪灯 SJ--三角路灯 SD--射灯 MT--门厅灯
GG--高杆灯 TJ--庭园灯 SS--射树灯 SX--水下灯
DM--地埋灯 QB--嵌壁灯 GG--高杆灯 HT--花台灯
4.4.2楼道应急照明:LYM
TD—筒灯 SD--射灯 GD—光带 RGD—日光灯SZD—疏散指示灯 DJD—地脚灯
4.4.3通风系统:TF
FA--风阀 FJ—风机箱 PYJ--排烟机 PFJ--排风机
JY--加压风机 CF--抽风机
4.4.4建筑小品:JXP
TD—铜雕塑
4.5设备(设施)顺序号:
4.5.1以设备(设施)在该类别中的自然顺序号(以2-3位自然数排序)编制,如:001、002或01、02。
4.5.2 举例:
【万晟城·峰景】总坪中编号为001的草坪灯应表示为:FJ-ZM-CP-001
【万晟城·峰景】编号为002号消防泵应表示为:FJ-XF-XFB-002
5.0 相关支撑性文件
无
6.0 相关记录
《设施设备机具台账》
《设施设备机具清单/一览表》
《设施设备编码标识清单》
WSWY•JL•XM•GC-014-1.0
设施设备机具台账
序号设备名称内控编号购置时间数量分类级别责任人
备注:“分类级别”是指设备按重要程度划分级别,共为A、B二个级别,A类设备代表关键设备,B类设备代表次要设备。