(新)GMP文件书写格式
- 格式:doc
- 大小:40.00 KB
- 文档页数:3
药业有限公司GMP管理文件一、目的:制定GMP标准管理文件的编制规程,规范我公司GMP标准管理文件编写格式,制定、初审、会审、批准程序,确定文件格式。
二、适用范围:适用于公司所有的GMP标准管理文件的制定、初审、会审、批准的全过程。
三、责任者:各部门负责人、 GMP标准管理文件编制人员。
四、正文:1、GMP标准管理文件是指我公司实施GMP和GMP认证所形成的技术标准、管理标准、工作标准及记录的统称。
2、文件的编制(修订)、审核、批准程序:2.1技术标准、管理标准、工作标准、记录等,由相应部门的负责人或指定专人编制(修订),跨职能部门的标准管理文件由GMP管理小组指定符合条件的管理人员编制(修订)。
2.2编制(修订)人员根据有关法律法规、法定标准、行业管理文件以及公司的内控标准、规定和要求编制(修订)标准管理文件, 编制人应熟悉与所编制文件有关的基础知识和专业知识,并对所编制的文件负技术责任。
2.3编制(修订)后交本部门或质量管理部进行审核,审核人应具有较高知识水平、对公司已生效文件与国家有关政策、法规比较熟悉的人员,对所审核文件的合法性负责,并不得与已生效的文件相抵触;牵涉部门较多时由GMP认证小组组织会审。
2.3经过审定的文件,凡属重要的、涉及面广的及公司与部门职责条例等应交总经理审阅批准执行;其他文件可根据文件相关内容由分管副总或GMP小组组长审批;其他只涉及部门管理范围的文件也可由部门负责人审批。
2.4 GMP标准管理文件按《药品生产质量管理规范》的规定,定期进行修订;修订前,分管副总或GMP小组组长指定专人对其复审,提出修订意见;2.4.1需要修订的标准管理文件,交由原编写单位按该程序进行修订、审核、批准执行。
2.5下列情况必须及时修订:2.5.1法定标准、法规或其他依据文件更改、更新版本,使标准有改变;2.5.2新设备、新工艺或采用新的设施;2.5.3原辅料的供货厂家变更,使生产工艺变更。
文件分类编号及编写格式管理规程1、目的:为了规范本公司各类生产质量管理文件的分类编号及编写工作,特制定本规程。
2、范围:本规程适用与公司内部各类生产质量管理文件的编号、编写及印刷。
3、责任:公司总工程师、质量部及有关文件的编制人员对本规程的实施负责。
4、内容:4.1 本公司的GMP文件系统由“机构与人员”、“厂房与设施”、“设备”、“物料”、“卫生”、“验证”、“文件”、“生产管理”、“质量管理”、“产品销售与收回”、“投诉与不良反应报告”和“自检”共计十二部分组成,分别与新版《药品生产质量管理规范》(1998年修订)的各有关章节相对应。
4.2 每一部分文件包括“标准”和“记录”两大类,标准包括“技术标准(JB)”、“管理标准(SMP)”和“工作标准(SOP)”三类,记录有原始记录、批生产记录、批检验记录、物料管理记录、设备使用、清洁记录等,以及表、卡、证等凭证。
4.3 本公司文件编号由四部分组成,即: XX/XX(/XX)/XXXXX (括号内的为亚项部分,可为一个亚项或两个亚项,也可以没有亚项)。
4.3.1 编号规则4.3.1.1 采用字母加数字的表示方法,前三部分用字母表示,后一部分用数字表示;4.3.1.2 字母部分除公知的英文缩写(如SMP、SOP)外,其它均为汉语拼音字母词头或字头缩写;4.3.1.3 为易于识记和管理,亚项有时可多于一项;4.3.1.4 内容包含两层意思时,用“.”表示“和”或“与”。
4.3.1.5 数字部分由5位数字组成,其中前三位表示文件所在部分的顺序号,后二位表示文件的版本号,一般用“00”表示未修订,“01”则表示第一次修订。
即:版本号(两位数字)序列号(三位数字)亚项二级分类编号分类例1. J有:J.R/SMP/XXXXX 机构与人员/管理标准/XXXXX J.R/SOP/XXXXX 机构与人员/工作标准/XXXXXJ.R/JB/XXXXX 机构与人员/技术标准/XXXXXJ.R/JL/XXXXX 机构与人员/记录/XXXXX例2. 质量标准文件的编号。
19GMP文件格式模板(布局选择“水平居中”)Documentation No./文件编号:SMP-QA -XXX Version/版本:01Effective Date/执行日期:2019/04/30 Expiry Date/有效期:2022/04/29Initiation Department/文件发起部门:QA Distributing Numbers/分发数量:15份Distributing Dept./收文单位:总经理办公室、人事处、仓管处、采购处、总务处、财务部、工程部、QA、QC、环保部、安全部、生产部、研发和转化部、法规部、商务部Author起草/日期:Checker审阅/日期:Reviewer审核/日期:Approval批准/日期:1. Purpose 目的The SMP is to define the proper procedures for all APRO’s document draft, review, approval, issuance, training, abolish and periodic-review and maintenance for correlative GMP files which include Standard Management Procedures, Standard Operational Procedures. The approval of the SMP will indicate authorization to adhere to the new procedure until the SMP being updated. This SMP also defines the numbering system in APRO.本SMP规定了关于江苏君若医药有限公司相关文件的格式如何设定,在设定前,首先调整页边距“上、下、左、右”均为2cm,设定完毕方可进行内容格式的设定。
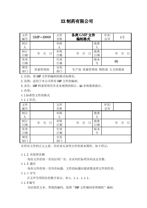
XX制药有限公司1.目的:使GMP文件的编制的格式标准化。
2.范围:适用于本公司所有GMP文件的编制。
3.责任:GMP档案管理员负责本规则的制订,QA审核批准执行。
4.内容:4.1标准性文件的格式4.1.1首页:在所有文件的正文之前,均有表头说明文件的基本属性,如下所示:4.1.2 页眉和页脚每份文件的每一页均注明厂名,在页码栏标明页码及总页数。
4.1.3 题目每份文件的每一页均有标题,文件的标题应能清楚说明文件的性质。
4.1.4 序号正文序号用阿拉伯数字表示,如1、1.1、1.1.1。
4.1.5编号为识别其文本、类别的编码,按照“GMP文件编码管理规程”编制。
XX制药有限公司4.1.6文件的编写人、审核人、批准人按规定的责任人签署姓名及日期后,由批准人签发发布日期及生效日期。
4.1.7输出格式所有文件均用A纸打印,页边距内侧为3cm,外侧为2cm。
字体为宋体,通常字号4为小四。
4.2记录性文件的格式:4.2.1 记录性文件的格式没有统一要求,通常用表格的形式来表示,但也有一定的编写要求;4.2.2 表头:一般用小三号黑题字;4.2.3 内容:一般用小四号宋体字,但若内容较多,也可用五号宋体字;4.2.4 记录的编码:写在记录首页的左上角,用小四号宋体字;4.3文件内容要求:4.3.1目的(简介)4.3.2范围(适用岗位)4.3.3职责4.3.4内容(程序)4.5制订原则4.5.1 所有文件必须内容符合国家法规政策和GMP指导原则,用词确切、易懂;言简意赅,可操作性强。
4.5.2文件中涉及的关键词、专业名词术语、代号、有效数字等,应按国家有关标准规定或国际法规准则书写,避免使用已废弃的术语、代号等。
4.5.3 保密原则文件避免涉及他人专利,防止侵权。
凡涉及本单位保密项目的文件不应归入企业标准操作手册,在工作现场出现。
4.5.4 填写数据时应留有足够的空格。
XX公司标准文件1、目的:使公司 GMP 文件的编制格式化。
2、范围:适用于公司所有GMP文件编制。
3、责任:质量保障部负责本规程的制订、执行。
4、内容:4.1. 标准性文件的格式4.1.1. 首页:在所有文件的正文之前,均有表头说明文件的基本属性,如下所示:表格行间距为0.7 cm ,默认列宽,表头内除题目外,均为五号宋体字。
4.1.2. 页眉和页脚每份文件的第一页页眉处注明公司标志及名称,用小二号加粗宋体字;在每页的页脚处注明文件名称、页码及总页数、文件编码,用五号宋体字且加底纹。
4.1.3.题目每份文件的第一页表头内均有标题,文件的标题应能清楚说明文件的性质,标题用小四加粗宋体字。
4.1.4.序号正文序号用阿拉伯数字表示,如:4 、4.1 、4.1.1 。
4.1.5. 编码为识别其文本、类别的编码,按照“GMP文件编码管理规程”编制。
4.1.6. 文件的制定人、审核人、批准人按规定的责任人签署姓名及日期后,由批准人签发生效日期。
4.2 记录性文件的格式4.2.1 记录性文件的格式没有统一要求,通常用表格的形式来表示,但也有一定的编写要求,如 4.2.2~4.2.5 。
4.2.2 表头:题目一般用小二号加粗宋体字。
4.2.3 内容: 一般用小四号宋体字,但内容较多时,也可用五号宋体字。
4.2.4 记录的编码:写在记录的右上角。
4.2.5 记录性文件计文件页码。
4 .3 文件内容要求:4.3.1目的4.3.2 范围4.3.3 责任4.3.4 内容/程序4.3.4 正文中“1.目的”、“2.范围”、“3.责任”、“4.内容/程序”用加粗字体。
4.4 产品工艺规程、岗位操作法、验证方案、检验操作规程等文件内容较多时,可不受上述规定制约。
4.5 制订原则4.5.1 所有文件必须内容符合国家法规政策和GMP指导原则,用词确切,易懂;言简意赅,可操作性强。
4.5.2文件中涉及的关键词、专业术语、代号、有效数字等,应按国家有关标准规定或国际法规准则书写,避免使用已废弃的术语、代号等。
管理标准----文件管理文件名称GMP文件填写制度编码SMP-WJ-004-01页数2-1 实施日期制订人审核人批准人制订日期审核日期批准日期制订部门办公室分发部门公司各部门目的:本文件规定了各种GMP文件、记录、表格填写数据的方法和要求。
适用范围:本文件适用于公司所有文件和记录的填写及管理。
责任:记录、表格、标记填写人遵守本规定,质管部、生产部承担监督检查责任。
内容:1. 使用的记录应是公司统一批准的现行记录、表格等。
2. 记录要认真及时填写,内容真实、字迹清楚,不得用铅笔、圆珠笔填写,填写记录只能用黑色签字笔。
3. 填写时如实反应情况,边操作边记录,不得写回忆录,不得提前、拖后填写。
数值有效位数保留与标准相符;具体操作按照《数字修约、有效数字的计算标准管理规程》(SMP-WJ-005-00)执行。
4. 按照记录、表格逐项填写,不得缺项、空格,无内容时,若为连续多项空格,则在第一项空格中划一从左下至右上的斜线;若为单项空格,则在空格中央划一横线;若为括号,则在每个括号内打短横线,内容与上项相同时应重复抄写,不得用“〃”、“……”、“同左”或“同上”等字样表示。
5. 除本人签名外,不得使用连笔字,要求使用宋体或楷体字。
6. 签名时应固定字体、书写习惯,不得代签,应填全姓名,不得只写姓或名。
7. 记录填写的任何更改都应签注姓名和日期,并使原有信息仍清晰可辨,必要时,应说明更改的理由。
不得撕毁或随意涂改,需要更改时不得使用涂改液,作废数据应划一条水平线,将正确数据填写在上方,签名并标明日期。
8. 填写物料品名时不得简写。
9. 与其他岗位、班组、车间有关操作记录应做到一致性、连贯性。
10. 写日期一律横写,从左至右依次为年、月、日,标准格式为xxxx年xx月xx日。
数字格式月、日位数不足2位时前面用0补至2位。
如2011年5月5日写做2011年05月05日。
管理标准----文件管理文件名称GMP文件填写制度编码SMP-WJ-004-01 页数2-211. 填写时间采用24小时制,小时、分钟、秒之间用“:”隔开,位数不足2位时前面用0补至2位。
目的:建立GMP文件的制订、修订、审核、批准、印制、分发、培训、执行、撤销、归档和变更的一系列管理工作。
适用范围:所有GMP文件的制订和管理。
责任:参与GMP文件所有管理活动的人员,对实施本规程负责,质管部、总工程师承担监督检查责任。
内容:1.应制定“GMP文件的制订、审核、批准、领发、修订、收回、销毁的程序”。
2. 文件系统的设计与文件的制订。
2.1 根据GMP的要求,结合本企业的实际情况,确立本企业GMP文件系统。
该文件系统由标准类和记录类组成,标准类分技术标准、管理标准和操作标准,其系统和代码表示如下:生产工艺规程(TS-SJ)技术标准(TS)质量标准(TS-ZL)验证方案(SMP-VT)人员机构管理(SMP-RY)厂房设施管理(SMP-FE)文件管理(SMP-WJ)质量管理(SMP-QA)标准管理标准(SMP)质量检验(SMP-QC)物料管理(SMP-WL)生产管理(SMP-SJ)设备管理(SMP-SB)卫生管理(SMP-WS)文件验证管理(SMPVT)系统销售管理(SMP-XS)生产标准操作程序(SOP-SJ)清洁卫生标准操作程序(SOP-WS)操作标准(SOP)设备标准操作程序(SOP-SB)(工作标准)检验标准操作程序(SOP-QC)仓储标准工作程序(SOP-WL)生产类记录(REC-SJ)清洁卫生记录(REC-WS)设备记录(REC-SB)记录(SOR)质量保证记录(REC-QA)质量检验记录(REC-QC)仓储记录(REC-WLM)销售记录(REC-XS)文件记录(REC-WJ)验证记录(REC-VT)2.2 文件的制订:由质量管理部门牵头,组织由各部门专人参加的文件编制小组,该小组由主管质量的企业负责人负责。
各类别的文件由该类别的部门起草制订,由质管部主管审核,由总工程师批准。
3 文件的分发:3.1 控制文件印制份数,其数量按分发部门或班组的数量而定。
3.2 文件一经批准,应在执行之日前发至有关人员或部门。
XXXXXXXXX有限公司一、目的:建立GMP文件格式的规定,规范文件编写格式。
二、范围:本规定适用所有GMP文件的编写。
三、责任:文件起草人、审核人、批准人。
四、内容:1.文件分类公司的GMP文件系统由标准和记录两类组成,其中标准类分为“技术标准”、“管理标准”、“工作标准”三大类。
技术标准包括“工艺规程”、“质量标准”及“外来技术文件”。
2.文件格式说明2.1表头表格格式要求2.1.1一级文件表头格式2.1.xxxx生产区二级文件表头2.1.3xxxx生产区二级文件表头2.1.5xxxx生产区二级文件表头2.2内容字体、格式要求2.2.1企业名称:位于首页页眉,宋体,小二号,居中。
2.2.2 SMP、SOP、JB类文件题目、版本号:位于表头表格内,宋体,小四号,中部两端对齐;除首页外其它页面,位于该页页眉,宋体,五号,两端对齐,文件题目靠左,版本号靠右。
2.2.3文件编号、颁发部门、起草人、起草日期、部门审核、审核日期、质量部门审核、审核日期、审核和批准人、批准日期、执行日期、发往:位于表头表格内,宋体,小四号,中部居中,表内内容,宋体,小四号,靠左;记录类文件,应在相对应的SMP、SOP、JB 文件审核的同时提交审核。
文件编号位于页脚,宋体,五号,靠左。
2.2.4页码:位于页脚,自动图文集格式,“第x页,共x页”,宋体,五号,靠右。
2.2.5表头下空一行后书写正文。
2.3各类型正文格式2.3.1 工作标准(SOP)文件2.3.1.1文件编制目的,书写格式采用“一、目的:……”。
2.3.1.2文件适用范围,书写格式采用“二、范围:本操作规程适用于……”,若为二级文件,书写格式采用“二、范围:本操作规程适用于XXXXX生产区……”。
2.3.1.3责任人,书写格式采用“三、责任:……”,列出本文件涉及的相关人员。
2.3.1.4文件正文内容,书写格式为“四、内容:”,具体正文应另起一行,若工作标准(SOP)文件具有相应的文件附件,正文内容应包括文件附件的编号及名称。
GMP文件书写格式GMP是Good Manufacturing Practice(良好制造规范)的缩写,是医药(或其他)行业中,为保障产品质量而制定的一套规范和标准。
GMP规范涉及到生产全过程中的许多细节,包括原材料选用、配方设计、生产工艺、设备维护、生产环境、员工培训等等。
其中之一也是最为重要的部分是文件书写格式。
文件管理是GMP实施的基础。
合理、严格的规范文件管理,并建立完善的质量控制制度,确保产品符合规定的标准。
因此,文件书写格式必须符合GMP要求,确保文件的准确性和一致性。
以下是GMP文件书写格式的重点内容:1.文件号每个文件都应该有自己的文件号。
文件号可以是一个数字、一串字母,或者是一组数字和字母的组合。
文件号必须唯一,不同的文件号代表不同的文件。
文件号的编制应准确、完整、规范。
2.文件名称文件名称必须简洁、明确。
文件名称应该用词简短,避免使用生僻字和长句子,以方便阅读和理解。
文件名称的命名需要遵循一定的规则,以便于文件分类、检索和管理。
3.文件类型文件类型的标注应该清晰明了,包括文件的性质、作用、级别、用途等等。
文件的类型需要忠实体现文件本身的属性。
例如:操作规程应使用”操作规程“作为文件类型,而不是其他内容。
4.文件日期文件日期应该准确、一致。
文件的日期应包含日期、月份和年份。
这些信息必须按照国际通行的格式书写,以免产生误解。
在每个文件上的日期,需要在文件首部和尾部都写明。
5.文件签字每个文件必须有文件签字,签字之前必须审核和批准。
签字者的姓名和日期应该完整且清晰,以便于日常使用及评审。
6.文档顺序文件的顺序应该清晰、合理。
文档的排列应符合GMP要求,方便检查和阅读。
不同类型的文档应分为不同的目录,并按照制定的顺序进行排列。
7.流程图生产过程中,需要用到制程流程图。
流程图应该清晰简单,避免复杂结构。
需要注意的是,制程流程图上的数据必须准确无误,不得模糊、随意变更。
8.文件存档文件存档方法应当符合国际标准规范、严格管理。
G M P文件书写格式Standardization of sany group #QS8QHH-HHGX8Q8-GNHHJ8-HHMHGN#1 目的对本公司编制的有关“药品生产质量管理规范”文件的主要项目和书写格式进行统一规定,以保证文件的格式统一、内容完整。
2 范围适用于本公司编制的“药品生产质量管理规范”文件。
3 责任所有承担“药品生产质量管理规范”文件编写的人员都有责任按照本文的要求严格执行。
4 文件正文层次的名称和编排4.1 文件层次的名称层次名称编号示例章 1条 1.1条 1.1.1条可根据需要在细分,但应避免过度细分。
段无编号4.2 文件层次的种类4.2.1 章章在文件正文层次中是基本组成部份。
每个文件中的章,一般是将“目的”编为第1章的开始,用阿拉伯数字编号。
编号应延续下去,直对“培训”。
4.2.2 条条是章的有编号的细分单元,第一层次的条可发展进一步细分为第二层次有编号的条,并且这种进一步的细分可以根据需要继续下去,但应避免按此方法过度细分下去。
条应该用阿拉伯数字编号。
除非在同一层次上至少另有一条,否则不应使用编号来分出一条。
如:在第一章的条文中,如果没有1.2条,就不应该标出1.1条。
4.2.3 段是章或条中不编号的层次。
4.3 层次的编排各层次的编号和条文应在页面的左边顶格排列,各层次的编号与其后文字之间一个英文字符间隔;段的条文应在页面左边缩后两个汉字符排列,移行时顶格排列。
5 文字编辑要求5.1 文件的章一般采用加粗小四号字(或黑体四号字),其余文字一般采用宋体小四号字,但正文(包括记录)的标题可采用黑体三号字。
5.2 各章之间空一行。
5.3 文件打印一般采用A4规格纸,有的表格可采用A3规格纸,打印时页顶空3cm,页尾空3cm,保证左右界基本一对致。
5.4 文件采用左侧面装订。
6 文件的项目、表头格式6.1 文件的主要项目:6.1.1 文头(表头)6.1.2 正文6.1.2.1 正文项目:目的、范围、定义、责任、内容、培训等。
GMP文件总目录一、引言GMP(Good Manufacturing Practice,良好生产规范)是一种用于保障药品、食品和化妆品等生产过程中质量和安全的标准。
GMP文件总目录是一个包含所有GMP文件的清单,用于指导和管理GMP文件的编制、审查和更新。
本文将详细介绍GMP文件总目录的标准格式和内容要求。
二、格式要求1. 文件名称:GMP文件总目录2. 文件编号:根据公司或组织的规定进行编号,例如GMP-0013. 版本号:每次更新时进行修改,例如V1.0、V2.0等4. 日期:编制或更新的日期,例如2022年1月1日5. 编制单位:负责编制该文件的部门或个人的名称6. 审核单位:负责审核该文件的部门或个人的名称7. 批准单位:负责批准该文件的部门或个人的名称三、内容要求1. 目录结构:GMP文件总目录应按照一定的层次结构进行组织,以便于查找和管理。
常见的目录结构包括按照功能部门、文件类型或工艺流程进行分类。
2. 文件编号:每个GMP文件应有唯一的编号,以便于识别和管理。
编号可以采用数字、字母或组合的形式,例如GMP-001、GMP-QA-001等。
3. 文件名称:每个GMP文件应有简明扼要的名称,能够准确描述其内容和用途。
文件名称应具有一定的规范性,避免使用模糊或不明确的词语。
4. 文件版本:每个GMP文件应有明确的版本号,以便于追溯和控制。
版本号可以采用数字、字母或组合的形式,例如V1.0、V2.0等。
5. 文件日期:每个GMP文件应有编制或更新的日期,以便于确认文件的时效性和有效性。
日期应按照一定的格式进行书写,例如年月日的形式。
6. 文件编制单位:每个GMP文件应注明负责编制该文件的部门或个人的名称,以便于追溯和沟通。
编制单位应准确填写,避免出现错误或模糊的情况。
7. 文件审核单位:每个GMP文件应注明负责审核该文件的部门或个人的名称,以便于审查和确认文件的准确性和合规性。
审核单位应准确填写,避免出现错误或模糊的情况。
G M P文件范本(共40页) -本页仅作为预览文档封面,使用时请删除本页-药品生产企业 GMP 认证申报材料XXX 公司文件目录第一部分文件(一)管理规程(二)记录表格第二部分机构与人员(一)组织管理(二)记录表格(三)职责药品生产企业 GMP 认证申报材料药品生产企业 GMP 认证申报材料药品生产企业 GMP 认证申报材料第三部分厂房与设施(一)厂房与设施管理(二) 操作程序药品生产企业 GMP 认证申报材料药品生产企业 GMP 认证申报材料(三)记录表格药品生产企业 GMP 认证申报材料药品生产企业 GMP 认证申报材料第四部分设备管理(一)设备管理(二)设备操作药品生产企业 GMP 认证申报材料药品生产企业 GMP 认证申报材料药品生产企业 GMP 认证申报材料(三)记录表格第五部分物料管理 (一)仓库、采购管理(二)记录表格(一)管理规程第六部分卫生(二)操作规程(三)记录表格第七部分验证管理(一)验证管理(二)验证项目秦脉样本秦脉样本秦脉样本第八部分生产管理(一)工艺规程(二)生产管理秦脉样本(三)岗位操作(四)记录表格秦脉样本秦脉样本第九部分质量管理(一)质量管理秦脉样本(二)质量监控(三)检验管理(四)质量标准(五)检验操作秦脉样本秦脉样本秦脉样本秦脉样本(六)质量监测记录秦脉样本(七)质量检验记录秦脉样本(一)管理规程第十部分产品销售与回收(二)记录表格十部分产品销售与回收(一)管理规程(二)记录表格十一部分投诉与不良反应(一)管理规程(二)记录表秦脉样本第十二部分自检(一)管理规程(二)记录表(十一)文件目录 4041。
1 目的对本公司编制的有关“药品生产质量管理规范”文件的主要项目和书写格式进行统一规定,以保证文件的格式统一、内容完整。
2 范围适用于本公司编制的“药品生产质量管理规范”文件。
3 责任所有承担“药品生产质量管理规范”文件编写的人员都有责任按照本文的要求严格执行。
4 文件正文层次的名称和编排4.1 文件层次的名称层次名称编号示例章 1条 1.1条 1.1.1条可根据需要在细分,但应避免过度细分。
段无编号4.2 文件层次的种类4.2.1 章章在文件正文层次中是基本组成部份。
每个文件中的章,一般是将“目的”编为第1章的开始,用阿拉伯数字编号。
编号应延续下去,直对“培训”。
OS- 第 2 页/共 3 页4.2.2 条条是章的有编号的细分单元,第一层次的条可发展进一步细分为第二层次有编号的条,并且这种进一步的细分可以根据需要继续下去,但应避免按此方法过度细分下去。
条应该用阿拉伯数字编号。
除非在同一层次上至少另有一条,否则不应使用编号来分出一条。
如:在第一章的条文中,如果没有1.2条,就不应该标出1.1条。
4.2.3 段是章或条中不编号的层次。
4.3 层次的编排各层次的编号和条文应在页面的左边顶格排列,各层次的编号与其后文字之间一个英文字符间隔;段的条文应在页面左边缩后两个汉字符排列,移行时顶格排列。
5 文字编辑要求5.1 文件的章一般采用加粗小四号字(或黑体四号字),其余文字一般采用宋体小四号字,但正文(包括记录)的标题可采用黑体三号字。
5.2 各章之间空一行。
5.3 文件打印一般采用A4规格纸,有的表格可采用A3规格纸,打印时页顶空3cm,页尾空3cm,保证左右界基本一对致。
5.4 文件采用左侧面装订。
6 文件的项目、表头格式6.1 文件的主要项目:6.1.1 文头(表头)6.1.2 正文6.1.2.1 正文项目:目的、范围、定义、责任、内容、培训等。
6.1.2.2 文件编写人员可根据实际需要选择确定。
制药公司文件格式管理制度1 标准管理规程(SMP )一、目的:统一公司GMP 文件格式,使所有GMP 文件的格式保持一致二、适用范围:要求的GMP 文件三、责任者:起草人、审核人、批准人;GMP 文件管理部门四、内容:1、除表格、记录、验证方案和报告外,公司其他所有的GMP 文件首页必须有一个如下**文件编号:×第×页/共×页次页及后每页须有如下所示的页眉和页脚。
2、文件表头及页眉页脚的格式说明。
2.1表头上的标题“***药业有限公司GMP文件-标准××规程(S×P)”为黑体小三号字,字距为标准,居于首行中间,表头与标题之间行距为1.5倍行距。
2.2 GMP文件表头为:宋体小四号字,字间距为标准;表格指定宽度16.2cm,行指定高度0.9cm,当分发部门栏填写内容较多时自动换行,不作人为调整。
列数及大小按图示,年月日栏用阿拉伯数字填写,其中年一律为4位数,月和日为2位数,当不足2位时首位用0补足。
2.3 页眉页脚字体均为宋体五号字,页眉中“题目”左侧顶格对齐,“文件编号、版本号”右侧顶格对齐。
页脚中编码页数居中,包括总页数和分页数,如第1页/共2页,位数由系统自动生成。
3、文件正文的格式说明。
3.1 正文行距为1.5倍行距。
文本需垂直、水平居中。
页面设置:纵向,上、下均为2.54cm,左为3.17cm,右为2.27cm。
3.2正文文字格式:宋体、小四号字、字间距为标准,3.3 表示文件的各条、款、项、点的阿拉伯数字均在半角英文输入法状态下输入,表示条款的阿拉伯数字之间用小实点分隔。
3.4 正文第1、2、3条各条与本条文字之间用小实点加一个空格分开,第1、2、3条“目的”、“适用范围”、“责任者”和“内容”四条款句末无标点符号。
责任者条下多个责任者间用顿号隔开,如责任者为人和部门的,这该两者之间用分号隔开,以示区别。
第4条“内容”以后再分的款、项、点与文字之间仅用一个空格分开,除总领性的说明外,句末都应有标点符号。
一、目的:建立GMP文件格式规定,规范管理。
二、适用范围:GMP文件按本规定执行。
三、责任者:各部门管理人员对本规定执行负责。
四、内容:
1、GMP标准管理文件的编写格式:
1.1每一份文件编写格式如下:
一、目的:
二、适用范围:
三、责任者:
四、内容:
1、
2、
3、
3.1
五、文件复审:
五、文件复审:
文字距左边为2.5cm,右边为2.0cm,上2.5cm,下2.0cm,文件标题为宋体四号字加粗,文件内容为宋体小四号字。
页眉页脚均为1.5cm,页眉内容统一为:广东五虎山药业有限公司GMP文件及文件名称(楷体小五号字),页脚内容为-1-、-2-(楷体小五号字)。
行距为1.5倍行距。
内容首行缩进2个字符。
目的:简单扼要地说明制定该文件的目的是什么。
适用范围:该文件适用于哪些范围或应用领域。
必要时还应说明不适用的范围和应用领域。
责任者:哪些部门、岗位或人员对贯彻执行该文件负有责任。
产品工艺规程、验证文件、产品质量标准、检验操作规程等技术文件不受此规程制约。
注意点:
——标准类文件中使用的计量单位一律采用法定计量单位;
——标准类文件属厂部机密文件,不得对外泄露。
如发现遗失必须立即向上一级主管报告。
目的:建立文件的起草、审核、批准、颁发、修订、收回、销毁的规程,规范文件管理。
适用范围:所有GMP管理文件。
责任:与本程序有关人员对实施本程序负责,质管部、办公室、总经理承担监督检查责任。
内容:1. GMP文件的格式:由表头、文件名称、正文(或附表)组成。
1.1.表头格式如下表:为方便辨认文件的类型,在公司名称下方标明文件的类型和类别。
表头格式中各项内容释义如下:1.1.1 每一个文件只有一个编码,文件编码按《GMP文件编码管理制度》执行。
1.1.2 文件名称:具体文件的名称。
1.1.3 制订人及制订日期:制订文件者签名盖章和填写制订日期。
1.1.4 审核人及审核日期:文件的审核人签名盖章和填写日期。
1.1.5 批准人及批准日期:文件的批准人签名盖章和填写日期。
1.1.6 制订人、审核人、批准人资格:1.1.6.1 制订人员(1) 经GMP学习和培训、了解、掌握GMP的要求。
(2) 熟悉本专业的技术和管理,实践经验丰富。
(3) 掌握文件撰写基本要求。
1.1.6.2审核人员(1) 经GMP学习和培训、了解、掌握GMP的要求。
(2) 熟悉本专业的技术要求和管理要求,敢于管理、善于协调。
(3) 掌握文件制定的要求。
(4) 有能力对文件的内容和形式审核结果负责。
1.1.6.3批准人(1) 经GMP学习、培训及其他相关学习、培训、熟悉GMP要求。
(2) 懂技术、懂管理、敢管理,勇于承担责任。
(3) 具权威性,有平衡、协调能力。
(4) 具有产品质量稳定及持续改进的观念。
(5) 具有规范化、标准化、科学化管理的概念和不断提高管理水平的观念。
(6) 有能力对批准的文件负责。
1.1.7 实施日期:填写文件的具体实施日期。
1.1.8 制订部门:填写文件的制订部门。
1.1.9 分发部门:填写文件颁发至具体部门或个人。
1.1.10 页数:给出总页数和本页数。
1.2 表头下方写上文件名称。
1.3 文件的正文一般包括如下内容:1.3.1 目的:写出为什么制订该文件,用1-2句话简洁地表达清楚。
1 目的
对本公司编制的有关“药品生产质量管理规范”文件的主要项目和书写格式进行统一规定,以保证文件的格式统一、内容完整。
2 范围
适用于本公司编制的“药品生产质量管理规范”文件。
3 责任
所有承担“药品生产质量管理规范”文件编写的人员都有责任按照本文的要求严格执行。
4 文件正文层次的名称和编排
4.1 文件层次的名称
层次名称编号示例
章 1
条 1.1
条 1.1.1
条可根据需要在细分,但应避免过度细分。
段无编号
4.2 文件层次的种类
4.2.1 章
章在文件正文层次中是基本组成部份。
每个文件中的章,一般是将“目的”编为第1章的开始,用阿拉伯数字编号。
编号应延续下去,直对“培训”。
OS- 第 2 页/共 3 页
4.2.2 条
条是章的有编号的细分单元,第一层次的条可发展进一步细分为第二层次有编号的条,并且这种进一步的细分可以根据需要继续下去,但应避免按此方法过度细分下去。
条应该用阿拉伯数字编号。
除非在同一层次上至少另有一条,否则不应使用编号来分出一条。
如:在第一章的条文中,如果没有1.2条,就不应该标出1.1条。
4.2.3 段是章或条中不编号的层次。
4.3 层次的编排
各层次的编号和条文应在页面的左边顶格排列,各层次的编号与其后文字之间一个英文字符间隔;段的条文应在页面左边缩后两个汉字符排列,移行时顶格排列。
5 文字编辑要求
5.1 文件的章一般采用加粗小四号字(或黑体四号字),其余文字一般采用宋体小四号字,但正文(包括记录)的标题可采用黑体三号字。
5.2 各章之间空一行。
5.3 文件打印一般采用A4规格纸,有的表格可采用A3规格纸,打印时页顶空3cm,页尾空3cm,保证左右界基本一对致。
5.4 文件采用左侧面装订。
6 文件的项目、表头格式
6.1 文件的主要项目:
6.1.1 文头(表头)
6.1.2 正文
6.1.2.1 正文项目:目的、范围、定义、责任、内容、培训等。
6.1.2.2 文件编写人员可根据实际需要选择确定。
6.2 标准文件的表头(文头)格式
6.2.1 首页文头格式
OS- 第 3 页/共 3 页
6.2.2 后续页文头格式
于后续页最上处划一条横线,写上编号及页码。
(文件编号)第页/共页
6.3 记录类文件表头格式
记录表格名称在表格正上方,编号、修订号在右上角,记录表格附在文件中一起发出。
(记录文件编号)
记录文件名称
7 培训
7.1 培训对象:各部门负责人、承担“药品生产质量管理规范”文件编写人员。
7.2 培训时间:二小时。