痰标本采集流程图
- 格式:doc
- 大小:38.00 KB
- 文档页数:1
射洪县人民医院护理专业教学师资备课记录时间:2016.11.3 老师:陈川彤颖课题:痰标本采集课型:操作教学目的:1、正确采集痰标本2、掌握采集痰标本目的3、采集痰标本注意事项教学重点:1痰标本采集的目的2如何评估病人教学难点:1采集痰标本注意事项教学步骤示教:一、介绍监测痰标本采集的目的进行临床检查,为诊断和治疗提供依据。
1.痰常规标本:检查痰液的一般性状,涂片查细胞、细菌、虫卵等,协助诊断某些呼吸系统疾病.2.痰培养标本:检查痰液中的致病菌,为选择抗生素提供依据。
3.24h痰标本:检查24h痰液的量及性状,协助诊断疾病痰培养标本:检查痰液中的致病菌,以确定病菌类型或作药物敏感试验二、操作前准备1、环境:整洁、安静、安全2、护士:(1) 自我介绍(2) 评估病人(3) 核对确认病人、作好操作前准备3、病人:(1) 经解释、病人或家属理解、愿意合作(2) 了解痰标本采集的目的、方法、注意事项及配合要点(3) 取合适体位4、用物准备洗手液、常规痰标本(痰标本杯、化验单)、痰培养标本(漱口液、化验单、无菌容器)、24小时痰标本(化验单、容积约500ml的广口瓶)三、操作步骤1、根据检验目的,选择合适的标本容器,标本容器上注明科别、床号、姓名2、核对病员、化验单、标本瓶上的各项信息,解释操作目的、必要性及注意事项,取得病员合作3、采集方法:(1)痰常规标本:嘱病员晨起醒来未进食前清水漱口深呼吸数次后用力咳出喉部深处的痰液于痰标本瓶中,盖好杯盖(2)24h痰标本:在广口积痰瓶内加少量清水,嘱病员晨起(7am)未进食前漱口后第一口痰开始留取,至次日晨(7am)未进食前漱口后的第一口痰止(3)痰培养标本:嘱病员晨起醒来未进食前用漱口液漱口,再用清水漱口后,深呼吸数次,用力咳出气管深处痰液于无菌容器,盖好杯盖4、再次核对病员、化验单、标本瓶上的各项信息5、确认病员无需要后离开病房四、操作中注意事项1、护士在采集过程中要注意根据检查的目的选择正确的容器2、痰标本容器应加盖,避免痰中微生物播散。
痰标本采集法[相关知识](一)概念痰标本采集是为了协助疾病的诊断及药物的应用,把痰收集起来做检测的方法。
常用的痰标本有常规痰标本,痰培养标本,24h痰标本。
(二)目的1.常规痰标本检查痰液的一般性状,图片检查痰内细胞,细菌,虫卵等,以协助诊断某些呼吸系统疾病。
2.痰培养标本检查痰液内有无致病菌,为选择抗生素提供依据。
(三)常用的标本容器容器要求清洁,透明,有刻度标志。
1.有咳嗽能力的患者:清洁痰盒,无菌痰盒。
2.无咳嗽能力的患者:痰液收集器。
(四)基本原则避免污染,仔细观察,及时送检。
1.采集标本前(1)采集各种标本均应根据医嘱实施。
医生下医嘱申请单,护士及时核准,双人核对无误后才可以执行。
(2)连接检验目的,根据检验要求选择适宜标本容器,贴上注明患者名字,科别,床号,性别,检验目的及送检日期的标签,以便识别。
(3)了解患者病情,向患者解释采集标本的目的,仿佛,要求,以消除患者的顾虑,获取信任与配合。
2.采集标本时(1)再次检查标本容器,容器应无破损,符合检验目的及要求。
(2)采集方法,采集量和采集时间要准确,符合检验要求。
(3)操作规范,避免无菌标本受到污染。
3.采集标本后(1)标本应尽快送检,不应放置太久,以免影响检查结果的准确性。
(2)特殊标本需注明采集时间。
(五)注意事项1.根据检查目的选择适宜容器。
2.痰培养应严格无菌操作并立即送检。
3.查癌细胞时应立即送检(病理科)。
4.尽量避免唾液,漱口水,鼻涕等混入痰中。
收集痰液的时间宜选择在清晨痰液较多,其内细菌量也较多。
5.。
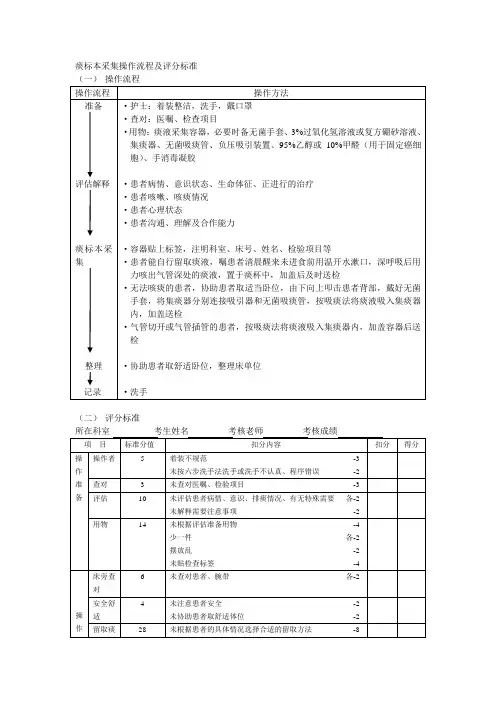
痰标本采集操作流程及评分标准(一)操作流程操作流程准备评估解释痰标本采集整理记录操作方法·护士:着装整洁,洗手,戴口罩·查对:医嘱、检查项目·用物:痰液采集容器,必要时备无菌手套、3%过氧化氢溶液或复方硼砂溶液、集痰器、无菌吸痰管、负压吸引装置、95%乙醇或10%甲醛(用于固定癌细胞)、手消毒凝胶·患者病情、意识状态、生命体征、正进行的治疗·患者咳嗽、咳痰情况·患者心理状态·患者沟通、理解及合作能力·容器贴上标签,注明科室、床号、姓名、检验项目等·患者能自行留取痰液,嘱患者清晨醒来未进食前用温开水漱口,深呼吸后用力咳出气管深处的痰液,置于痰杯中,加盖后及时送检·无法咳痰的患者,协助患者取适当卧位,由下向上叩击患者背部,戴好无菌手套,将集痰器分别连接吸引器和无菌吸痰管,按吸痰法将痰液吸入集痰器内,加盖送检·气管切开或气管插管的患者,按吸痰法将痰液吸入集痰器内,加盖容器后送检·协助患者取舒适卧位,整理床单位·洗手(二)评分标准所在科室考生姓名考核老师考核成绩项目操作准备查对评估310标准分值5扣分内容着装不规范-3未按六步洗手法洗手或洗手不认真、程序错误-2未查对医嘱、检验项目-3未评估患者病情、意识、排痰情况、有无特殊需要各-2未解释需要注意事项-2用物14未根据评估准备用物-4少一件各-2未贴检查标签-4操作床旁查对安全舒适留取痰284未注意患者安全-2未协助患者取舒适体位-2未根据患者的具体情况选择合适的留取方法-86未查对患者、腕带各-2扣分得分操作者步骤标本未保护患者隐私-6未留取足够的量-6污染标本-8送检整理510未及时送检-5未整理床单位-2未协助患者取舒适体位-2污物乱放、遗留用物在病房-2未分类放置-2未按六步洗手法洗手或洗手不认真、程序错误-2整体评价态度沟通整体计划提问总分465100态度不认真-2沟通技巧欠佳-2整体操作不流畅-3无计划性-3累计。