灌注桩基础隐蔽工程签证单填写说明
- 格式:doc
- 大小:25.00 KB
- 文档页数:1
隐蔽工程施工签证单模板工程名称:______________工程地点:______________施工单位:______________项目负责人:______________联系电话:______________建设单位:______________项目经理:______________联系电话:______________施工单位自施工开始之日起至竣工验收结束前,本公司将负责本工程内全部规模实体验收等质量验收任务的实施和完成,并在合约规定期限内对施工过程中发现的任何质量缺陷进行整改,以保证工程完成后交付使用之后,实体验收合格。
现因工程需要开展隐蔽验收工作,需征求建设单位的同意。
根据《建筑工程隐蔽验收规程》,命以"工程验收单"书面形式办理,现提出施工签证单如下:一、隐蔽验收范围:(1)验收项目:1. 结构隐蔽验收:______________2. 土建隐蔽验收:______________3. 给排水隐蔽验收:______________4. 电气隐蔽验收:______________5. 通风空调隐蔽验收:______________6. 防火隐蔽验收:______________(2)验收时间:1. 结构隐蔽验收时间:______________2. 土建隐蔽验收时间:______________3. 给排水隐蔽验收时间:______________4. 电气隐蔽验收时间:______________5. 通风空调隐蔽验收时间:______________6. 防火隐蔽验收时间:______________二、隐蔽验收依据:《建筑工程隐蔽验收规程》GB50203-2002三、签证要求:(1)施工单位应在隐蔽验收开始前至少3个工作日向建设单位申请隐蔽验收。
(2)施工单位应将隐蔽验收工作方案、验收计划和相关材料提交给建设单位。
(3)施工单位应配合建设单位及验收人员进行隐蔽验收工作,如发现问题应及时整改并重新验收。
涉及费用签证的填写要有利于计价,方便结算不同计价模式下填列的内容要注意:如果有签证结算协议,填列内容要与协议约定的计价口径一致;如无签证协议,按原合同计价条款或参考原协议计价方式计价,另外签证的方式要尽量围绕计价依据(如定额)的计算规则办理。
各种合同类型的签证内容可调价格合同至少要签到量,固定价格合同至少要签到量、单价;成本加酬金合同至少要签到工、料(材料规格要注明)、机(机械台班配合人工费用)、费。
如能附图的尽量附图。
另外签证中还要注明税前造价或税后造价。
同时注意以下填写内容的优先次序:1、能直接签总价的最好不要签单价;(金额特别大的除外)2、能够直接签单价的最好不要签工程量;3、能够直接签结果的(包括直接签工程量的)最好不要签事实;4、能够签文字说明的最好不要附图;其它需要填列的内容主要有:何时、何地、何因;工作内容;组织设计(人工、机械);工程量(有数量和计算式必要时附图);有无甲供材料。
签证的描述要求客观、准确,隐蔽签证要以图纸为依据,标明被隐蔽部位、项目和工艺、质量完成情况,如果被隐蔽部位工程量在图纸上不确定,还要标明几何尺寸,并附上简图。
施工以外的现场签证,必须写明时间、地点、事由、几何尺寸和原始数据,不能笼统的签注工程量和工程造价。
签证发生后应根据合同规定及时处理,审核应严格执行国家定额及相关规定。
签证单要分日期和编号分别列入结算。
非一事一签的签证或图纸会审纪要,一张资料中涉及到多个事项,在编制此单结算时,还要注明“第X 条”以便清楚。
低价中标后必须注意勤签证;当发生诸如合同变更,合同中没有具体约定,合同约定前后矛盾,对方违约等情况时,需要及时办理费用签证、工期签证或费用加工期签证。
如何对待业主拒签乙方所填写的签证内容貌应使不在现场的人员能过看签证也能知道具体事件发生的内容,最好使其有一种身临其境的感觉,不会给人造成模糊概念。
在编制签证之前,首先要熟悉合同的有关约定,针对重点问题展开签证理由。
隐蔽工程(基坑验槽)签证记录表工程名称:遂宁城市生活垃圾环保发电项目110kV送出工程隐蔽工程(基坑验槽)签证记录隐蔽工程(基础浇前、支模)签证记录表填写说明:1、签证记录表中填写的桩号应与杆塔明细表中的杆塔桩号一致。
例如:T1、N12等。
2、“基础型”若同一基基础四个腿基础型相同,则填写统一的基础型,反之,如四个腿基础型不一样,应按照设计分别填写A、B、C、D基础型。
如:A:Xk-Z1200L12 B: Xk-Z1200L07 C:Xk-Z1200L02 D: Xk-Z1200L07。
3、日期应填写完整。
例如:2009年4月19日4、“坑深尺寸”栏:标准栏、检查结果栏分别填写不含垫层的基础埋深设计值、实测值。
5、“钢筋保护层厚度”栏:检查结果栏填写偏差值,如:-2,+3等,保留正、负号。
6、“模板支撑质量”栏:检查结果栏填写牢固可靠。
7、“坑口、坑底清理”栏:检查结果栏填写符合要求。
8、“坑中心根开、对角线尺寸”栏:对于平腿基础:设计值栏,填写设计根开值,如:AB: 10244 BC: 10244。
检查结果栏填写实测值。
对于高低腿基础:设计值栏,填写两水平半根开值,如:AB:5006+6005 BC: 6005+5006。
检查结果按照设计值栏填写实测值。
9、监理意见栏:必须手签,填写“合格,同意浇制”。
记录表签字栏,签字人必须亲笔签名,不可用私章代替。
隐蔽工程(基础浇制)签证记录表填写说明:1、签证记录表中填写的桩号应与杆塔明细表中的杆塔桩号一致。
例如:T1、N12等。
2、“基础型号”若同一基基础四个腿基础型相同,则填写统一的基础型,反之,如四个腿基础型不一样,应按照设计分别填写A、B、C、D基础型。
如:A:Xk-Z1200L12 B: Xk-Z1200L07 C:Xk-Z1200L02D: Xk-Z1200L07。
3、日期应填写完整。
例如:2007年6月19日4、“砼配合比”栏:标准栏、检查结果栏分别填写水泥、砂、石、水配合比值、实测值。
隐蔽工程记录填写说明一、隐蔽工程(基础浇前、支模)签证记录表1.工程名称:工程全称,与设计文件一致;2.监理部:与监理部公章一致;3.基础桩号:与设计图纸桩号一致;4.基础型号:与设计图纸一致,不同基础型式时应分别填写;5.降基面:与实际降基面一致,与设计要求降基面高度不一致时应说明情况;6.设计变更:注明设计变更图号;7.项目部专职质检员、施工队质检员、日期:手签;8.表格内容及数据由项目部质检员填写,应手签;9.土质、岩石性能:检查结果填写符合设计要求10.砂、石含泥量:“标准”栏与试验报告数据一致;检查结果填写“符合要求”或不符合内容;11. “坑深尺寸”、“立柱、底板断面尺寸”、“地脚螺栓及钢筋绑扎尺寸”、“钢筋保护层厚度”:设计值与施工图纸一致,检查结果填写实测数据;12.“地脚螺栓或插入角钢、主筋规格、数量、长度”:设计值填写地脚螺栓的规格、数量、长度,如“M42×长度”;检查结果逐一填写该基础腿所有地脚螺栓的规格和长度;13.主筋、箍筋:设计值填写相应的规格和数量;检查结果填写“符合设计和规范要求”或不符合数据;配筋和箍筋规格数量不能漏填;14.地脚螺栓及钢筋绑扎:检查结果栏填写“数量齐全,间隙均匀”;15.地脚螺栓露出顶面高度:检查结果应逐一填写该腿地脚螺栓或主角钢外露高度;16.地脚螺栓小根开:设计值与施工图纸一致;检查结果栏逐一填写该腿地脚螺栓的小跟开和小对角;17.模板支撑质量:检查结果填写牢固可靠或不符合情况;18.钢筋表面质量:检查结果填写“干净、平直”或不符合要求的实际情况;19. 坑口、坑底清理:检查结果填写“符合要求”或不符合要求的实际情况;20.焊接钢筋位置:检查结果填写“符合规范要求”或或不符合要求的实际情况;21.根开、对角线尺寸:设计值与施工图纸一致;高低腿基础“根开、对角线尺寸”设计值栏和检查结果填写半根开值相加或半对角值相加,如:AB:5006+6005 BC:6005+5006。
注:本表由施工单位填写,监理检查合格后签字,一式两份,施工、监理各存一份
注:本表由施工单位填写,监理检查合格后签字,一式两份,施工、监理各存一份
注:本表由施工单位填写,监理检查合格后签字,一式两份,施工、监理各存一份
注:本表由施工单位填写,监理检查合格后签字,一式两份,施工、监理各存一份
注:本表由施工单位填写,监理检查合格后签字,一式两份,施工、监理各存一份
注:本表由施工单位填写,监理检查合格后签字,一式两份,施工、监理各存一份
注:本表由施工单位填写,监理检查合格后签字,一式两份,施工、监理各存一份
注:本表由施工单位填写,监理检查合格后签字,一式两份,施工、监理各存一份。
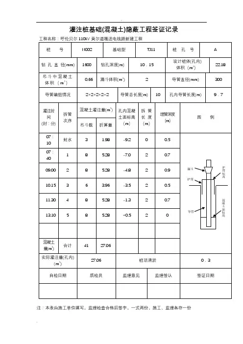
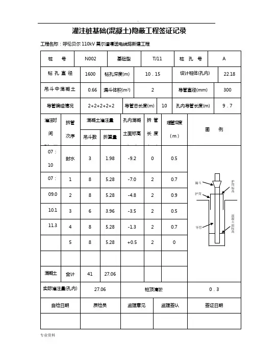
灌注桩隐蔽工程签证单填写说明
1、签证记录表中填写的桩号应与杆塔明细表中的杆塔桩号一致。
例如:T1、N12等。
2、按照设计图纸填写“基础型号”、“腿号”、“桩号”。
3、施工、检查日期应填写完整。
例如:2007年6月19日。
4、“钻机型号”、“钻头类型栏”、“钻头直径”:按照现场实际情况填写。
5、桩长、孔径、标高等设计数值按照设计图纸要求,并按照现场实际施工情况填写相应实测数值。
6、准确填写“钻孔时间、灌注时间、泥浆比重、沉渣厚度、砼距孔口、实灌量”等现场施工实测数据,确保真实、可靠。
7、“地脚螺栓规格及数量”栏:检查结果填写实际值:如M48×4。
8、“主筋规格及数量”栏:填写如5φ28×00000(“5”是主筋数量;“φ28”是主筋规格,应分清I或II级钢;“00000”是主筋长度)
9、“桩深”栏:一般情况下,可填写基面高程以下的桩深设计值和实测值,对于高桩连梁基础,应填写天然地面线以下的桩深设计值和实测值。
10、“桩径”栏:填写桩径设计值和桩径实测最小值。
11、“充盈系数”栏:质量标准栏内计算体积填写“**.**”,**.**为基面高程或天然地面线以下的桩体积,实际灌注量和充盈系数均保留2位小数。
12、“钢筋笼制作”栏:填写符合设计要求。
13、监理意见栏:必须手签,填写“经复核,数据正确,同意进入下道工序。
”。
记录表签字栏,签字人必须亲笔签名,不可用私章代替。
灌注桩基础(混凝土)隐蔽工程签证记录工程名称:呼伦贝尔110kV莫尔道嘎送电线路新建工程
注:本表由施工单位填写,监理检查合格后签字,一式两份,施工、监理各存一份
灌注桩基础(混凝土)隐蔽工程签证记录
工程名称:呼伦贝尔110kV莫尔道嘎送电线路新建工程
注:本表由施工单位填写,监理检查合格后签字,一式两份,施工、监理各存一份
灌注桩基础(混凝土)隐蔽工程签证记录
工程名称:呼伦贝尔110kV莫尔道嘎送电线路新建工程
注:本表由施工单位填写,监理检查合格后签字,一式两份,施工、监理各存一份
灌注桩基础(混凝土)隐蔽工程签证记录
工程名称:呼伦贝尔110kV莫尔道嘎送电线路新建工程
注:本表由施工单位填写,监理检查合格后签字,一式两份,施工、监理各存一份
灌注桩基础(混凝土)隐蔽工程签证记录
工程名称:呼伦贝尔110kV莫尔道嘎送电线路新建工程
注:本表由施工单位填写,监理检查合格后签字,一式两份,施工、监理各存一份
灌注桩基础(混凝土)隐蔽工程签证记录
工程名称:呼伦贝尔110kV莫尔道嘎送电线路新建工程
注:本表由施工单位填写,监理检查合格后签字,一式两份,施工、监理各存一份
灌注桩基础(混凝土)隐蔽工程签证记录
工程名称:呼伦贝尔110kV莫尔道嘎送电线路新建工程
注:本表由施工单位填写,监理检查合格后签字,一式两份,施工、监理各存一份
灌注桩基础(混凝土)隐蔽工程签证记录工程名称:呼伦贝尔110kV莫尔道嘎送电线路新建工程
注:本表由施工单位填写,监理检查合格后签字,一式两份,施工、监理各存一份。
注:本表由施工单位填写,监理检查合格后签字,一式两份,施工、监理各存一份
注:本表由施工单位填写,监理检查合格后签字,一式两份,施工、监理各存一份
注:本表由施工单位填写,监理检查合格后签字,一式两份,施工、监理各存一份
注:本表由施工单位填写,监理检查合格后签字,一式两份,施工、监理各存一份
注:本表由施工单位填写,监理检查合格后签字,一式两份,施工、监理各存一份
注:本表由施工单位填写,监理检查合格后签字,一式两份,施工、监理各存一份
注:本表由施工单位填写,监理检查合格后签字,一式两份,施工、监理各存一份
注:本表由施工单位填写,监理检查合格后签字,一式两份,施工、监理各存一份。
隐蔽工程量现场签证单(总2页) -本页仅作为预览文档封面,使用时请删除本页-
隐蔽工程量现场签证单
签证
单
编号
005
工程名
称
上犹县水岩乡中储粮移民新村防洪工程单位工程名称建筑工程分部工
程名称
提防工程施工单位江西云峰建设工程有限公司序号分项工程名称
单
位
工程量计算说明示意简图与备注
1清淤m3**100+**75+**125=
K0—K100段挖清淤深
K100—K175段挖清淤深
K175-K300段挖清淤深
建设单位监理单位施工单位
建设单位(章):
经手人:
年月日
监理单位(章):
经手人:
年月日
施工单位(章):
经手人:
年月日备注:本表一式三份,建设单位、监理单位、施工单位各一份
2
隐蔽工程量现场签证单签证
单编号007
工程名
称
上犹县水岩乡中储粮移民新村防洪工程
单位工程
名称
建筑工程分部工
程名称
堤防工程施工单位江西云峰建设工程有限公司
序号分项工程名称单
位
工程量计算说明示意简图与备注
1土石方开挖
(场内外运距
自行考虑)
m³【(1+)**+(+)**+*】*300=
干砌石基础开挖K100-K300(单位mm)建设单位监理单位施工单位
建设单位(章):
经手人:
年月日监理单位(章):
经手人:
年月日
施工单位(章):
经手人:
年月日
备注:本表一式三份,建设单位、监理单位、施工单位各一份。
3。
灌注桩隐蔽工程验收记录表范本一、引言灌注桩隐蔽工程验收记录表是在灌注桩施工完成后进行验收工作的重要文件。
本文将详细探讨灌注桩隐蔽工程验收记录表的范本和相关要求,包括验收记录表的格式、内容要求以及验收过程中需要注意的事项。
二、灌注桩隐蔽工程验收记录表范本灌注桩隐蔽工程验收记录表范本如下:验收项目验收内容验收标准验收结果项目名称施工单位验收时间验收人员三、灌注桩隐蔽工程验收记录表要求1. 验收项目验收项目要明确列出所有需要验收的内容,包括项目名称、施工单位、验收时间和验收人员等信息。
2. 验收内容验收内容应包括灌注桩隐蔽工程的各项要求,如桩身的质量、尺寸、混凝土的强度等。
3. 验收标准验收标准是判断灌注桩隐蔽工程是否合格的依据,包括相关规范、标准和技术要求等。
4. 验收结果验收结果应根据实际情况填写,包括合格、不合格或待整改等。
四、灌注桩隐蔽工程验收过程中的注意事项1. 验收前准备在进行灌注桩隐蔽工程验收前,需要做好充分的准备工作,包括查看相关设计文件、施工方案和验收标准等。
2. 验收过程验收过程中需要仔细观察灌注桩的各项指标,如桩身的质量、尺寸是否符合要求,混凝土的强度是否满足标准等。
3. 验收记录在验收过程中,要及时记录验收结果,并将其填写到验收记录表中,确保记录的准确性和完整性。
4. 验收结果处理根据验收结果,如果灌注桩隐蔽工程合格,则可进行下一步工作;如果不合格,则需要及时整改,并重新进行验收。
五、总结灌注桩隐蔽工程验收记录表是灌注桩施工完成后进行验收工作的重要文件,本文对其范本和相关要求进行了详细探讨。
在灌注桩隐蔽工程验收过程中,需要注意验收前的准备工作、仔细观察验收过程中的各项指标、及时记录验收结果以及根据验收结果处理后续工作。
通过严格的验收工作,可以确保灌注桩隐蔽工程的质量和安全。
项目名称及所属工段:XXXXXXXX升级改造工程编号:项目名称工作内容及工程量计算过程雨水沟600*600段一、人工挖沟槽土方,双轮车转运200m归堆,0.6m³反铲挖机挖三类土装车,8t自卸车外运至厂区北侧排土场甲方指定地点,运距6km,沟底土方人工平整、洒水夯实。
1、V=238.29*2*0.9=428.92m³(肆佰贰拾捌点玖贰立方米)二、沟垫层制作安装木模板、木支撑、天泵浇筑C25商砼,随浇随抹,原浆收光。
1、砼垫层V=238.29*1.2*0.1=28.59m³(贰拾捌点伍玖立方米)2、垫层模板S=238.29*0.1*2+1.2*0.1*11=48.98m²(肆拾捌点玖捌平方米)三、沟垫层用环氧煤沥青漆防腐涂刷肆遍,厚度大于500um。
1、S防腐=238.29*1.2+(238.29+1.2)*2*0.1=333.85 m²(叁佰叁拾叁点捌伍平方米)四、沟底、沟壁制作安装胶合板钢支撑、制作绑扎钢筋、天泵浇筑一级配C30 P6抗渗商砼(混凝土水泥使用新疆宜化水泥),随浇随捣,按要求施工,符合规范要求。
1、底板砼V=238.29*1*0.2=47.66m³(肆拾柒点陆陆立方米)2、沟壁砼V=238.29*0.2*0.6*2=57.19m³(伍拾柒点壹玖立方米)3、沟壁模板S=238.29*(0.6+0.8)*2=667.21m³(陆佰陆拾柒点贰壹立方米)4、钢筋质量t=( 2.12*10+1.05*10+1*24)*238.29*0.395/1000=5.24t(伍点贰肆吨)五、水沟每20m增设一道伸缩缝,苯板制作,安装,厚度20mm。
1、V=(0.6+1+0.6)*0.2*0.02*11=0.1m³(零点壹立方米)六、伸缩缝处增设橡胶止水带。
1、止水带长度L=(0.6+0.6+1)*11=24.2m(贰拾肆点贰米)七、沟盖板支垫,制安L50*5镀锌角铁,每2m增加焊接两根C12螺纹钢,每根长度200mm。
资料明细及表格填写要求-3隐蔽工程签证记录隐蔽工程(基坑验槽)签证记录工程名称:xx线路工程XXXXXXXXXXXXX监理部:xx标段XXXX号基础,基础型号(A: XXXX、B: XXXX 、C:XXXX、D:XXXX),降基面(- 0.00m ),现已完成基坑开挖工作,请检查。
A腿项目部专职质检员:XXX(手签) 施工队质检员:XXX(手签) XXXX年XX月XX日B腿项目部专职质检员:XXX(手签) 施工队质检员:XXX(手签) XXXX年XX月XX日C腿项目部专职质检员:XXX(手签) 施工队质检员:XXX(手签) XXXX年XX月XX日D腿项目部专职质检员:XXX(手签) 施工队质检员:XXX(手签) XXXX年XX月XX日以下内容由项目部质检员填写,监理工程师现场检查签证:序号检查项目设计要求检查结果ABCDABCD1地质情况粉质粘土、圆砾、泥岩粉质粘土、圆砾、泥岩粉质粘土、圆砾、泥岩粉质粘土、圆砾、泥岩符合设计要求符合设计要求符合设计要求符合设计要求2坑深尺寸(mm)7000 7000 7000 7000 7020 7010 7020 7010 3基坑放坡(mm)1200 1200 1200 1200 1230 1210 1200 1220 4孔口直径(mm)φ1200 φ1200 φ1200 φ1200 φ1210 φ1208 φ1210 φ12125坑底尺寸(mm)4500*45004500*45004500*45004500*45004600*46004600*46004600*46004600*46006地基混凝土垫层C25 C25 C25 C25 C25 C25 C25 C25A B C D设计代表:XXX(手签) XXXX年XX 月XX 设计代表:XXX(手签)XXXX年XX 月XX设计代表:XXX(手签)XXXX年XX 月XX设计代表:XXX(手签)XXXX年XX 月XX监理意见:经检查,上述项目符合设计及规范要求。
1.隐蔽工程现场签证单该怎么写(格式)隐蔽工程是指地基、电气管线、供水供热管线等需要覆盖、掩盖的工程。
由于隐蔽工程在隐蔽后,如果发生质量问题,还得重新覆盖和掩盖,会造成返工等非常大的损失,为了避免资源的浪费和当事人双方的损失,保证工程的质量和工程顺利完成,承包人在隐蔽工程隐蔽以前,应当通知发包人检查,发包人检查合格的,方可进行隐蔽工程。
实践中,当工程具备覆盖、掩盖条件的,承包人应当先进行自检,自检合格后,在隐蔽工程进行隐蔽前及时通知发包人或发包人派驻的工地代表对隐蔽工程的条件进行检查并参加隐蔽工程的作业。
通知包括承包人的自检记录、隐蔽的内容、检查时间和地点。
发包人或其派驻的工地代表接到通知后,应当在要求的时间内到达隐蔽现场,对隐蔽工程的条件进行检查,检查合格的,发包人或者其派驻的工地代表在检查记录上签字,承包人检查合格后方可进行隐蔽施工。
发包人检查发现隐蔽工程条件不合格的,有权要求承包人在一定期限内完善工程条件。
隐蔽工程条件符合规范要求,发包人检查合格后,发包人或者其派驻工地代表在检查后拒绝在检查记录上签字的,在实践中可视为发包人已经批准,承包人可以进行隐蔽工程施工。
发包人在接到通知后,没有按期对隐蔽工程条件进行检查的,承包人应当催告发包人在合理期限内进行检查。
因为发包人不进行检查,承包人就无法进行隐蔽施工,因此承包人通知发包人检查而发包人未能及时进行检查的,承包人有权暂停施工。
承包人可以顺延工期,并要求发包人赔偿因此造成的停工、窝工、材料和构件积压等损失。
如果承包人未通知发包人检查而自行进行隐蔽工程的,事后发包人有权要求对已隐蔽的工程进行检查,承包人应当按照要求进行剥露,并在检查后重新隐蔽或者修复后隐蔽。
如果经检查隐蔽工程不符合要求的,承包人应当返工,重新进行隐蔽。
在这种情况下检查隐蔽工程所发生的费用如检查费用、返工费用、材料费用等由承包人负担,承包人还应承担工期延误的违约责任。
2.工程签证单怎样填写填写要求2、其次要填写签证内容,包含签证的原因(以区分责任)、签证的工程内容等,个别签证(如零星拆改等)还需要有工程量、单价等,以方便编制造价;3、要几方签字齐全;4、需要发生费用的,要附预算书具体事项涉及费用签证的填写要有利于计价,方便结算不同计价模式下填列的内容要注意:如果有签证结算协议,填列内容要与协议约定的计价口径一致;如无签证协议,按原合同计价条款或参考原协议计价方式计价,另外签证的方式要尽量围绕计价依据(如定额)的计算规则办理。
填写说明
1、签证记录表中填写的桩号应与杆塔明细表中的杆塔桩号一致。
例如:T1、N12等。
2、按照设计图纸填写“基础型号”、“腿号”、“桩号”。
3、施工、检查日期应填写完整。
例如:2007年6月19日。
4、“钻机型号”、“钻头类型栏”、“钻头直径”:按照现场实际情况填写。
5、桩长、孔径、标高等设计数值按照设计图纸要求,并按照现场实际施工情况填写相应实测数值。
6、准确填写“钻孔时间、灌注时间、泥浆比重、沉渣厚度、砼距孔口、实灌量”等现场施工实测数据,确保真实、可靠。
7、“地脚螺栓规格及数量”栏:检查结果填写实际值:如M48×4。
8、“主筋规格及数量”栏:填写如5φ28×00000(“5”是主筋数量;“φ28”是主筋规格,应分清I或II级钢;“00000”是主筋长度)
9、“桩深”栏:一般情况下,可填写基面高程以下的桩深设计值和实测值,对于高桩连梁基础,应填写天然地面线以下的桩深设计值和实测值。
10、“桩径”栏:填写桩径设计值和桩径实测最小值。
11、“充盈系数”栏:质量标准栏内计算体积填写“**.**”,**.**为基面高程或天然地面线以下的桩体积,实际灌注量和充盈系数均保留2位小数。
12、“钢筋笼制作”栏:填写符合设计要求。
13、监理意见栏:必须手签,填写“经复核,数据正确,同意进入下道工序。
”。
记录表签字栏,签字人必须亲笔签名,不可用私章代替。