(完整word版)企业并购文献综述总表
- 格式:doc
- 大小:51.01 KB
- 文档页数:7
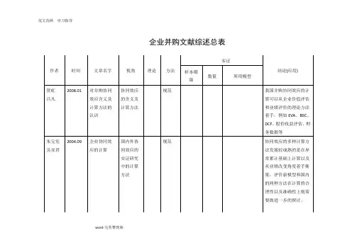
企业并购文献综述总表作者时间文章名字视角理论方法实证结论(应用) 样本期限数量所用模型贺虹吕凡2008.01 对并购协同效应含义及计算方法的认识协同效应的含义及计算方法规范我国并购协同效应的计算可以从企业价值评估和业绩评价的理论方法着手,例如EVA、BSC、DCF、股价收益评估、财务数据等朱宝宪吴亚君2004.09 企业协同效应的计算国内外协同效应的实证研究中的计算方法规范协同效应的多种计算方法发展较成熟的是在异常累计基础上计算以及从业绩改变角度着手衡量,评价新模型和国内的两种方法在计算的合理性以及准确性上则需要做进一步的探讨。
word完美整理版夏新平宋光耀1999.03 企业并购中协同效应的计算内部、外部计算模型对协同效应的计算规范两种模型各有利弊,不能忽视企业的市场价值及交易成本,必须使用正确的折现率和恰当的考察时间点,排除非并购因素对净增加现金流和股票交易价格的影响。
另外,对并购前后的市盈率的变化还有待进一步的研究.董运宝2006年并购的协同效应分析并购协同效应的概念、内容规范并购的协同效应包括了经营、管理、财务、无形资产及产业协同。
我国目前产业结构不合理,公司治理结构不健全,组织管理方式落后,企业资本结构不合理,这些问题都有待于在并购中,通过发挥协同效应的作用加以改善。
word完美整理版张秋生周琳2003.06 企业并购协同效应的研究与发展国内外协同效应理论研究规范研究协同效应的微观运作机理,应用价值评估的理论与方法量化,结合我国企业并购的实际情况,实证检验若干影响协同效应实现的关键因素。
方芳闫晓彤2002年中国上市公司并购绩效与思考上市公司财务和会计数据核心竞争理论实证2000年发生并购公司的1999年-2001年的财务数据80横向并购:46纵向并购:10混合并购:24对每个样本3年选取9个指标:每股现金流量、每股收益、资产负债率、主营业务利润率、净资产收益率、销售净利润率、总资产报酬率、流动比率、速动比率。
关于企业并购的文献综述摘要企业并购已经成为世界范围内一种普遍的现象。
为了更加深入了解企业并购的方方面面,本文尝试对该领域内主要贡献者的观点进行整理、归纳,并梳理其理论逻辑,帮助广大理论和实践工作者不断地去发掘和完善。
本文对文献的综述包括以下三个方面:一、企业并购的动因。
二、企业并购的风险分析。
三、企业并购的会计方法的选择。
本文以对我国企业并购的动机和原因展开,企业并购的动因是多种多样的,各个文献视角不同,但都包括了企业内部因素和社会环境因素。
第二部分分析企业并购面临的风险,各文献从不同角度分析企业并购的风险并试图提出一些防范风险的建议。
第三部分围绕企业并购会计方法的选择展开。
关键词:并购动机;风险分析;风险防范;会计方法引言近年来,受国际金融危机快速蔓延和世界经济增长明显减速的影响,加上目前我国经济尚未解决的深层次矛盾和问题,我国经济生活中运行中的困难增加,经济下行压力加大,企业经营困难增多。
在此背景下,我国经济面临着前所未有的挑战和机遇,行业调整、企业洗牌在全球范围内展开,中国企业并购活动日趋活跃。
事实上自1998年以来,全球企业并购就开始出现新动向,它是国际政治、经济局势变化的反映,也是全球一体化程度加深、国际竞争力加剧、技术进步加决的结果。
企业并购对经济运行有着深刻的影响。
因此人们想了解,企业并购的动因是什么?各个时期的动因相同吗?企业并购会面临什么样的风险?人们该如何防范?企业并购的会计方法又是如何选择的?一企业并购的动机因企业并购动因不尽相同。
1997年,吴永林在《企业并购动因和目的析论》中从宏观和微观两个角度分析了企业并购的动机和原因。
宏观来看:(一)企业并购是我国产业重组的需要(二)企业并购是我国经济增长的需要(三)企业并购是我国市场组织的需要(四)企业并购是我国科技进步的需要。
微观上看,企业并购也有其内在的动机因素导致企业的并购冲动:(一)壮大企业(二)获得技术(三)强化竞争(四)优势互补。
企业并购财务绩效研究文献综述邓雅馨国内外学者对于企业并购财务绩效的研究大致分为四个研究方向:一是并购企业和目标企业的财务绩效;二是企业并购财务绩效的评价方法;三是企业并购财务绩效的影响因素。
下面,笔者将分别对这三个研究方向的国内外研究现状进行归纳总结和评述。
一、并购企业和目标企业财务绩效(一)并购企业财务绩效1.正收益Satish Kumar,Lalit K.Bansal 的研究结果表明,并购活动在大多数情况下能够使并购企业产生长期的协同效应,获得更多的现金流,形成更多的、多元化的业务,获得正的超额收益。
肖晗对2012年8月康恩贝制药并购伊泰药业的案例中并购方公司的绩效进行了研究,结论显示:短期并购交易能为并购方公司带来超额收益,对公司业绩提升有利,但长期绩效有待观察。
冯瀚文研究了2004年至2013年我国上市公司的并购绩效和影响并购绩效的因素,通过对超额累计收益率的显著性检验,认为并购事件能给收购公司的股东带来显著为正的超额累计收益率。
2.负收益Qamar Abbas,Ahmed Imran Hunjra,Rauf I Azam,Muhammad Shahzad Ijaz,Maliha Zahid 研究了巴基斯坦银行并购后的财务绩效,发现巴基斯坦银行并购后的财务绩效变差了。
Ramesh,Deepti,Valk,Vincent 研究了富勒公司收购中国天山新材料技术公司这一并购案例,研究结果表明,富勒公司并购后的财务绩效有所下降。
苏小东选取2008年至2009年间发生的52起国内并购事件为研究对象,运用因子分析法对并购企业的财务指标进行实证分析,研究发现并购活动并未改善并购企业的财务绩效,至少从短期来看,大部分并购企业的财务绩效有所下降。
王婷选取了煤炭行业的4个上市企业的并购活动作为研究样本,运用DEA 模型对企业的并购财务绩效进行评价,得出并购公司的财务绩效下降的结论。
(二)目标企业财务绩效大部分研究学者认为目标企业的财务绩效在并购之后得到了提高,唯一的不同只是提高了多少而已。
本文档包括改专题的:外文文献、文献综述一、外文文献Financial synergy in mergers and acquisitions. Evidence from Saudi ArabiaAbstractBusinesses today consider mergers and acquisitions to be a new strategy for their company's growth. Companies aim to grow through increasing sales, purchasing assets, accumulating profits and gaining market share. Thus; the best way to achieve any of the above-mentioned targets is by getting into either a merger or an acquisition. As a matter of fact, growth through mergers and acquisitions has been a critical part of the success of many companies operating in the new economy. Mergers and acquisitions are an important factor in building up market capitalization. Based on three structured interviews with major Saudi Arabian banks it has been found that mergers motivated by economies of scale should be approached cautiously. Similarly, companies should also approach vertical mergers cautiously as it is often difficult to gain synergy through a vertical merger. Firms should seek out mergers that allow them to acquire specialized knowledge. It has also been found that firms should look for mergers that increase market power whilst avoiding unrelated mergers or conglomerate mergers.Keywords: Synergy, Mergers and Acquisitions, Saudi Arabia1. IntroductionThere is a major difference between mergers and acquisitions. Mergers occur between similarly sized companies and the collaboration is "friendly" between both companies. However, Acquisitions often occur between differently sized companies and the partnership is usually forced and hostile.Wheelen and Hunger (2009) define a merger as a transaction involving two or more corporations in which stock is exchanged but in which only one corporation survives. In other words, the two companies become one and the name for the corporation becomes composite and is derived from the two original names. Furthermore, an acquisition is the purchase of a company that is completely absorbedas an operating subsidiary or division of the acquiring corporation (Wheelen and Hunger, 2009). The authors also state that hostile acquisitions are called takeovers.The main reason for firms entering into mergers and acquisitions (M&A) is to grow, and companies grow to survive (Akinbuli, 201 2). Growth strategies expand the company's activities and add to its value since larger firm have more bargaining power than smaller ones. A firm sustaining growth will always have more opportunities for advancement, promotions and more jobs to offer people (Wheelen and Hunger, 2009). In general, mergers and different types of acquisitions are performed in the hope of realizing an economic gain. For such a business deal to take place, the two firms involved must be worth more together than each was apart.A few of the prospective advantages of M&A include achieving economies of scale, combining complementary resources, garnering tax advantages, and eliminating inefficiencies. Other reasons for considering growth through acquisitions contain obtaining proprietary rights to products or services, increasing market power by purchasing competitors, shoring up weaknesses in key business areas, penetrating new geographic regions, or providing managers with new opportunities for career growth and advancement (Brown, 2005).Many firms choose M&A as a tool to expand into a new market or new area of expertise since it is quicker and cheaper than taking the risk alone. Furthermore, M&A happen when senior executives feel enthusiastic and excited about a potential deal ; the idea of successfully pursuing and taking over another company before the company s competitors are able to do so. Competition in a growing industry drives firms to acquire others. In fact, a successful merger between companies increases benefits for the entire corporation.However, failures also occur in M&A as indicated by Haberbserg and Rieple (2001) and Akinbuli (2012). They showed that 50% of acquisitions are unsuccessful; they increase market power but do not necessarily increase profits. Brown (2005) explains the reasons for the high failure rate of M&A as follows:(a) Over-optimistic assessment of economies of scale. Economies of scale are usually achieved at certain business size. However, expansion beyond the optimumlevel results in disproportionate cost disadvantages that lead to various diseconomies of scale.(b) Inadequate preliminary investigation combined with an inability to implement the amalgamation efficiently. Resistance to change and the inability for the acquired company to manage change well is a main reason for failure due to the resistance of the employees and management of both companies involved.(c) Insufficient appreciation of the personnel problems, which will arise, is due mainly to the differing organizational cultures in each company.(d) Dominance of subjective factors such as the status of the respective boards of directors.Therefore, drafting careful plans before and after the merger is a necessity that should not be overlooked. Some companies find the solution in hiring a change manager who will add value and better manage the transition of the "marriage between both companies" (Brown, 2005).2. Synergy in M&A and financial synergyThis section discusses the literature review in order to identify the importance of acquiring financial synergy in the M&A.2.1 Synergy in M&ASynergy, as defined in the business dictionary, is the state in which two or more agents, entities, factors, processes, substances, or systems work together in a particularly fruitful way that produces an effect greater than the sum of their individual effects. Synergy is the magic force that allows for enhanced cost efficiencies of the new business. Synergy takes the form of revenue enhancement and cost savings (Mergers and acquisitions: Definition, n.d.).Synergy is also expressed as an increase in the value of assets as a result of their combination. Expected synergy is the justification behind most business mergers. For example, the 2002 combination of Hewlett-Packard and Compaq was designed to reduce expenses and capitalize on combining Hewlett-Packard's reputation for quality with Compaq's impressive distribution system (Synergy Business Definition, n.d.).Through research it has been noted that synergy is the concept that twobusinesses will generate greater profits together than they could separately (Wheelen and Hunger, 2009). Synergy is said to exist for a divisional corporation if the return on investment of each division is greater than what the return would be if each division were an independent business (Wheelen and Hunger, 2009). In order to succeed cooperation between the partners is the basic ingredient for achieving growth through synergy (Rahatullah, 201 0). This requires partners to build trust, commitment, and secure consensus, to achieve their targets (Gronroos, 1997; Ring and Van-de-Ven, 1994).Synergy can take several forms. According to Goold and Campbell (1 998) synergy is demonstrated in six ways: benefiting from knowledge or skills, coordinated strategies, shared tangible resources, economies of scale, gaining bargaining power over suppliers and creating new products or services.M8<A result in the creation of synergies, the sharing of manufacturing facilities, software systems and distribution processes. This type of synergy is referred to as operational synergy and is seen mostly in manufacturing industries. Another motive for forming an acquisition is gaining greater financial strength by purchasing a competitor, which increases market share. The aim of mergers and acquisitions is to achieve improvement for both companies and produce efficiency in most of the company's operations. (Haberberg and Rieple, 2001).However, Brown (2005) summarizes the sources of synergy that result from M8<A under the following headlines:1. Operating economies which include:(a) Economies of scale: Horizontal mergers (acquisition of a company in a similar line of business) are often claimed to reduce costs and therefore increase profits due to economies of scale. These can occur in the production, marketing or finance divisions. Note that these gains are not expected automatically and diseconomies of scale may also be experienced. These benefits are sometimes also claimed for conglomerate mergers (acquisition of companies in unrelated areas of business) in financial and marketing costs.(b) Economies of vertical integration: Some acquisitions involve buying outother companies in the same production chain. For example, a manufacturer buys out a raw material supplier or a retailer. This can increase profits through eliminating the middleman in the supply chain.(c) Complementary resources: It is sometimes argued that by combining the strengths of two companies a synergistic result can be obtained. For example, combining a company specializing in research and development with a company strong in the marketing area could lead to gains. Combining the expertise of both firms would benefit each company through the gained knowledge and skills that individually they lack.(d) Elimination of inefficiency: If either of the two companies had been badly managed; its performance and hence its value can be improved by the elimination of inefficiencies through M&A. Improvements could be obtained in the areas of production, marketing and finance.2. Market power; Horizontal mergers may enable the firm to obtain a degree of monopoly power which could increase its profitability. Coordinated strategies between both companies will lead the entire organization in gaining competitive advantage. Gaining bargaining power over suppliers is realized since the company is larger in size after the merger.3. Financial gains; Companies with large amounts of surplus cash may see the acquisition of other companies as the best application for these funds. Shared tangible resources such as sharing a bigger building, more office supplies, equipment, manufacturing facilities and research and design labs will also lead to a reduction in costs translated into better financial performance. McNeil (2012) identifies that the shareholders of a business under M&A process may benefit from the sale of their stocks, this is especially true if the M&A is with a better, bigger and more reputable prospective partner.4. Others; such as surplus management talent, meaning that companies with highly skilled managers can make use of their qualified personnel only if they have problems to solve. The acquisition of inefficient companies allows for maximum utilization of skilled managers. Incorporating the efforts of both management teamswill drive the creation of innovative products or services.The synergy factor prevails in the M&A when the firms produce a greater return than the two individual firms owing to reasons such as improvements in efficiency and an increase in market power for the merged or acquired firms (Berkovitch and Narayana, 1993).2.2 Financial synergyAs defined by Knoll (2008), financial synergies are performance advantages gained by controlling financial resources across businesses of firms. There exist four types of financial synergies, which are:1. Reduction of corporate risk: Reduction of corporate risk is increasing the risk capacity of the overall firm, which means the ability of the firm to bear more risk. Meaning that by increasing the risk capacity the shareholders will invest more in the company and the firm will gain benefits such as coinsurance effects.2. Establishment of internal capital market: Establishing internal capital gains means that the firm will decrease its financing costs and will increase financial flexibility which results in the company having higher liquidity and the ability to pay its creditors easily.3. Tax advantages: Tax advantages by reducing the tax liabilities of the firm using the losses in one business to offset profits in the other business referred to as "profit accounting".4. Financial economies of scale: Financial economies of scale reducing transaction cost in issuing debt and equity securities (Knoll, 2008).3. Methodology and resultsFor this project, the method of interviews was used due to it being the most appropriate way to gather information about the interpretation of events, as to why some mergers produce synergy while others do not; and to understand the reasons why companies enter into mergers. In Saudi Arabia it is difficult to secure responses from senior executives. Approaching such a person is not only difficult protocol wise but there are bureaucratic hurdles. The quantitative analysis is more suitable for large scale data collection (Denzin and Lincoln, 1997). Whereas, qualitative researchprovides the researcher with the perspective of target audience members through captivation and direct interaction with the people under study (Glesne and Peshkin, 1992). These methods help to comprehend what others perceive of a certain phenomenon, postulates Creswell (1994).The planned interview method was to use a structured interview. In a structured interview, the researcher knows in advance what information is needed and asks a predetermined set of questions (Sekaran and Bougie, 2009). The same questions are asked of all interviewees, which allows for better comparison of the responses than unstructured interviews, where the interviewees are asked different questions. The structured interview process does allow the researcher to ask different follow up or probing questions based on the interviewee's response. This allows the interviewer to identify new factors and gain a deeper understanding of the topic (Sekaran and Bougie, 2009).Since the interviewees were located in different parts of Saudi Arabia the interviews were scheduled in advance and conducted face to face. The data was gathered by taking notes during the interviews, which were not recorded as that may have seemed too intrusive.When conducting interviews it is important to conduct them in a manner that is free of bias or inaccuracies. According to Sekaran and Bougie (2009), bias can be introduced by the interviewer, interviewee or the situation. Interviewers can introduce bias by distorting the information that they hear so it aligns with their expected responses to the question or through simple misunderstandings. To prevent this, the respondents' answers were summarized back to them before moving on to the next question. Interviewees can introduce bias if they do not like the interviewer or if they phrase the answers to be biased towards what they think the interviewer wants to hear. Since the interviewees were obtained through referrals, it is highly unlikely that they gave false responses. Also, the basic area of research was discussed with the interviewees, but no hypothesis was advance to them, such that they would skew their answers to what they though the interviewer wanted to hear.Three companies were interviewed and asked a specific set of questions (seeAppendix). There are numerous reasons to interview three companies in Saudi Arabia. These are the following:* The M&A in Saudi Arabia are normally carried out by large size companies.* It is difficult to reach out to the senior managers to discuss such issues.* The officers are also tied by company confidentiality rules to not divulge information.* The number of M&A is also significantly less in comparison with other countries.* The researchers, using diverse resources including personal contacts and formal requests, were able to reach out to three of the major companies of the Kingdom.An interview was conducted with National Commercial Bank (NCB) NCB is an international bank headquartered in Saudi Arabia and engaged in personal, business and private banking, and wealth management (NCB, 2011 ). Another interview was done with Samba Financial Group. Samba is also an international bank headquartered in Saudi Arabia that is engaged in personal and business banking (Samba, 2011). The third company that was interviewed was Savola Holding Company, which is headquartered in Jeddah, Saudi Arabia and is engaged in the food industry. Through subsidiary companies, Savola is engaged in the manufacturing of vegetable oils, dairy products and food retailing operations both in Saudi Arabia and other international markets. Due to strict confidentiality of the companies interviewed, the names of the people will not be mentioned or their titles. This was the most important condition in order to conduct these interviews.Each of the three companies has been involved in significant mergers. NCB's most significant merger was when it acquired a Turkish bank, Turkiye Finans Katilm Bank in 2008. Samba's most significant merger was its acquisition of Cairo Bank in 1 999. Savola's most significant acquisition was its acquisition of Al-Marai in 1 991.NCB has engaged in four mergers overall and three international mergers. In addition to its acquisition of the Turkish bank, it acquired Estate Capital Holdings, The Capital Partnership Group Limited and NCB Capital. The acquisitionoftheTurkish bank was considered its most successful acquisition because it allowed NCB to expand into a new international market with strong growth.While NCB does not consider any of its acquisitions to be a failure, it has recognized losses through goodwill impairment, even in the Turkish bank acquisition. Samba's most prominent M8<A has been with Cairo bank of Egypt.Savola has engaged in about 10 mergers including a few international mergers. It considers its acquisition of Panda (a supermarket chain) in 1998 to be its most successful because it allowed Savola to gain a major presence in the food retailing market and increases revenues significantly. Savola has had a couple of mergers that it considered to be failures. One such example was when it acquired a real estate company in Jordan. This company was outside Savola's core business and outside its home country. Savola's learning from this failure was not to invest outside its core business in a foreign country as there was no ability to create any value through this merger and it was investing in a country that it did not know as well as its home country. Another failed merger occurred when it acquired an edible oil company in Kazakhstan. This merger failed because even though the acquired company had good fundamentals, the value creation mechanisms were quite different between the two companies.Strategic motivations for mergers were discussed with the companies and Samba provided details. One motivation is to increase lines of business. Another motivation is to move into a new geographic area. In many cases when expanding into a new country, it is easier to acquire an existing business than try to start a new one. Another motivation is to increase market share.Particularly in a mature industry, a company can gain market share quickly through an acquisition, while it is usually a slow process to gain market share organically in an incremental manner.All the companies tried to achieve company growth and synergy in their mergers.The criteria and selection process for mergers were also discussed with the companies. Savola worked with financial institutions to identify acquisition target companies. Savola looked for companies that were among the leaders in theirrespective markets. Savola believed that companies that were leaders generally had good processes and were well managed, so their operations would be good to acquire. After the failed merger with the real estate company, Savola looked to acquire companies related to its core food manufacturing and sales business. All companies obviously reviewed financial statements closely to assess the financial condition of the acquired firm. Samba noted that sometimes in the banking and financial industry, strong banks will acquire banks that are in a weak financial condition in a rescue operation, often due to political reasons. In reviewing candidates for a merger, Savola engages its operations and technical team to assess the target company's operation, processes and potential fit into the business group.The three interviewed companies use various metrics to evaluate the success of the merger. Savola evaluates the revenue growth of the sector where the acquisition occurred along with the market share and operating cost. The goals are to increase revenue, increase market share or reduce operating cost. Samba evaluated similar metrics of market share and operating cost.Samba noted that it usually takes until the second year after a merger to evaluate its success. In the first year, there are onetime costs associated with integration costs of the merger. It usually takes until the second year to see reduced operating costs from activities such as closing and consolidating branches.The different ways to obtain synergy in a merger were discussed with the companies. Savola looked to obtain synergy through economies of scale, as acquisitions would add to the company's shipment volume, which would allow the company to reduce freight and distribution costs. Samba also looked to obtain synergy through economies of scale and eliminating the duplication of activities. When it acquired Cairo bank, which had previously acquired United Saudi Commercial Bank, Samba was able to cut costs in Saudi Arabia by reducing the number of bank branches and ATMs. NCB was able to gain financial synergies in its mergers by developing a more diversified and lower risk portfolio of investments.From the responses to the questions included in the structured interview, the following findings can be highlighted:A. Mergers to Expand to International Markets:One finding is that firms undertake some mergers to expand into new international markets. In doing so they are gaining the synergy of the acquired firm's knowledge of the market. In these cases, the acquiring firm saves the costs of starting up a business in the new country, gaining the necessary approvals, learning how to do business successfully in the market and building a brand in the country. This is especially true in the bank and finance industry, where the industry is closely regulated. It can be easier to acquire a company that already has all of the necessary regulatory approvals as opposed to trying to gain all of the necessary approvals to conduct business legally in the selected market. Also, building a brand is important in the banking industry, as consumers and commercial customers prefer to do business with a trusted firm. In these mergers, synergy can be gained through the acquired firm's knowledge of the market and the acquiring firm's capital. The new infusion of capital can often allow the acquired firm to grow in the market. The NCB acquisition of the Turkish bank is a good example of this type of synergy.Even when a firm acquires a company within their own market there is the chance to create synergies through knowledge gained and transferred. In many cases, the acquired firm has certain processes in some areas that are better than the acquiring firm, so selecting the best process allows the merged firm to improve its overall processes. Also, the acquiring company usually has some processes that are better than the acquired firm's processes in some areas, which allows the company to improve the newly acquired operations. As noted by Samba in its interview, the goal is to utilize the optimum processes from both companies to produce synergy from the merger.B. Mergers to Gain Economies of Scale:Firms also seek and gain synergies through economies of scale. Larger businesses can often gain economies in certain business activities including manufacturing, distribution and sales. One of the goals of Samba's mergers was to gain synergies through economies of scale. In their mergers, Savola hoped to gain economies of scale in shipping and distribution activities. Economies of scale can alsobe achieved in the banking industry since the cost of processing checks or issuing credit cards is likely to decline on a per unit basis with increasing volume; therefore the fixed cost associated with these activities can be spread over a larger volume. The result is reduced costs, which makes the merged firm more profitable and more competitive in the market.C. Eliminating Inefficiencies:Another way to achieve synergy is through elimination of inefficiencies. Removing the duplication of resources can eliminate inefficiencies. In horizontal mergers, it is common for the merged company to consolidate operations, close offices and reduce staff. Samba mentioned that reducing the number of bank branches, ATMs and staff was one of the ways that they drove cost efficiencies after acquiring Cairo Bank. Samba also provided the insight that there is a delay for these cost efficiencies to show up in financial performance, since it takes time to remove the duplication of resources involved and there are one-time costs associated with removing the duplication of resources. The official also pointed out that the success or failure of a merger should not be evaluated until at least two years after the merger.D. Gain More Market Power:Firms also try to achieve synergies through an increase in market power, by controlling a larger share of the market. Discussions with all respondents implied increasing market share to be one of the motivations to enter into a merger. Savola and Samba both mentioned increasing market share as a way to judge the success of a merger. Greater market power can improve profitability through a couple of mechanisms. One such mechanism is greater monopoly pricing power in the market, which allows firms to increase prices due to reduced competition. This is one reason that major mergers have to be approved by government regulators who s objective is to maintain a competitive market. A second mechanism is increased buyer power over suppliers. Since the merged firm represents a greater portion of an industry's business, suppliers to the industry want the merged firm's business more, which gives the merged firm better negotiating power over suppliers. This allows the merged firm to reduce its costs and increase it profits. However, a strategic perspective could be onthe supplier side as Porter (1 998) identifies that the stronger the company becomes the weaker the supplier becomes thus reducing their bargaining power.E. Gain Growth:Growth is one of the main reasons that firms undertake mergers, as this was mentioned by all of the companies interviewed. Companies seek growth through mergers because it can allow them to gain market power, which generally leads to increased profits. Mergers are also a way to satisfy investors'/shareholders' expectations for growth. In many cases, it is difficult to grow a business in a mature market organically, so mergers are often the best way to achieve growth.Samba provided a perspective on the use of acquisitions as a growth strategy. Samba believed that within the same industry organic growth was less expensive than growth through acquisition because a premium had to be paid for another company's operations in the same industry. Samba believed that when trying to expand into a different industry, growth through acquisition was less expensive than organic growth because the firm had no knowledge or expertise in the new industry. Samba used this philosophy when formulating their strategic growth plans. If the company simply wanted to expand within their current industry, the focus would be on organic growth initiatives, whereas if the company wanted to grow by expanding into new industries, the focus would be on acquisitions.F. Reducing RisksFirms can gain synergies by reducing their overall risk through diversification and reducing their cost of capital. Generally, this is a weak form of synergy and prone to failures because it often entails firms moving into businesses outside of their core competencies. The businesses are then run without the knowledge of how to run a business successfully in that market. This leads to operational losses or subpar performance in the industry, which negates any synergistic gains from reducing the company's overall risk.This was experienced by Savola, who acquired a real estate company, which was outside its core business of the food market. Consequently, the acquired real estate business produced subpar performance and losses, which negated any gains from。
国内外企业并购动因理论文献综述国内外企业并购是指企业为了实现经济效益和战略目标,通过购买或兼并其他企业的资产、股权或业务来实现的行为。
企业并购是一个复杂的决策过程,涉及到多个因素和变量。
本文将对国内外企业并购动因理论进行综述。
1.经济效益理论经济效益理论是企业并购决策中最为重要的理论之一。
这一理论认为,企业并购的主要目标是通过合并和整合资源,实现规模经济、范围经济和壁垒经济,从而提高企业的效益、降低成本并增强竞争力。
企业通过并购可以实现资源的互补性,提高生产效率和市场份额,进而获得更高的利润和回报。
2.战略目标理论战略目标理论认为,企业并购的动因主要源于企业战略目标的实现需要。
企业在制定并购策略时,通常会考虑到自身现有资源能力与目标市场的差距,通过并购可以快速获取所需的资源和能力,并加快实现战略目标的进程。
企业并购的战略目标包括国际化、多元化、垂直一体化等。
3.经验学习理论经验学习理论认为,企业并购行为受到企业经验积累的影响。
企业通过一系列并购行为,积累了丰富的经验和知识,从而能够更好地应对并购决策所面临的不确定性和风险。
企业在并购决策中会参考过去的并购经验,评估风险和机会,并选择最合适的并购战略和实施方式。
4.交易成本理论交易成本理论认为,企业进行并购的动因主要是为了降低交易成本。
交易成本包括信息获取成本、谈判成本、合同监管成本、交易执行成本等。
通过并购可以消除市场不完全性和信息不对称性,降低交易成本,提高资源配置效率和经济效益。
5.市场势力理论市场势力理论认为,企业进行并购行为主要受到市场势力的影响。
市场势力包括市场竞争、市场需求、市场结构等因素。
企业通过并购可以扩大市场份额,增强市场地位,改变市场结构,从而增强企业在市场中的竞争力和议价能力。
6.机会成本理论机会成本理论认为,企业进行并购的动因主要是为了避免错失市场机会。
企业在制定并购决策时会考虑自身发展的机会成本,即如果不进行并购,可能会错失的机会。
并购阶段概况的文献综述并购是指一个公司通过收购或合并方式,获得另一个公司或若干个公司或其业务或财产。
并购是企业实现战略转型的常用手段之一,对于企业增强竞争力,拓展市场和资源优化具有重要意义。
但是,由于并购涉及到多方面利益的博弈,因此并购过程中的风险和挑战也不容忽视。
一、并购过程1. 收购要约阶段收购要约是指收购方向被收购方的股东发出收购要约,要约方向被收购方的股东提出自愿性收购。
2. 反应期被收购方的股东可以接受要约、拒绝要约、暂缓回应、要求交涉等。
3. 交涉期双方进行交涉,如被收购方接受要约则双方进入签约阶段。
双方签订合同进行交易。
5. 执行期完成合同的履行。
二、并购风险剖析1. 经营风险包括被收购方的经营收入增长停滞、利润下降等经营风险。
2. 市场风险包括被收购方市场结构的变化、市场风险等。
3. 财务风险包括被收购方的财务风险和融资问题等,可能会给收购方造成财务上的损失。
4. 法律风险包括被收购方遗留的法律纠纷、侵权诉讼等法律上的风险。
三、优化措施1. 组建专业团队由于并购涉及到多方面的因素,因此应该组建专业的团队对并购项目进行评估、财务分析和风险评估等工作。
2. 制定完备的并购方案应该制定完备的并购方案,包括对被收购方公司的财务、市场、业务和人员等方面进行评估和分析,以保证并购成功。
在并购前应该进行彻底的法律尽职调查工作,以充分了解被收购方公司的法律情况,避免法律争端。
4. 建立合适的融资方案建立合适的融资方案可以帮助收购方有效地应对资金不足的情况,确保并购顺利完成。
五、结论并购是企业发展中的常见手段,它可以提高企业的竞争力和市场份额,但同时也存在一定的风险挑战。
企业应该制定完备的并购方案,组建专业团队进行评估和风险评估,并严格检测法律风险。
通过合适的融资方案确保并购资金充足,既确保并购顺利完成,又有效避免并购风险和挑战的出现。
并购阶段概况的文献综述
并购是企业间合并的一种重要方式,具有促进竞争、拓展市场等多种优势。
对于并购
阶段的管理与控制,学者们进行了多次研究和讨论。
首先,一些学者关注并购的成功因素。
他们认为,合适的目标企业选择、合理的定价、协调的整合计划,以及顺畅的组织文化融合等因素是实现并购成功的关键。
其中,组织文
化融合是不可或缺的一步,要通过妥善安排交流机制、建立统一的文化价值观等方式消除
企业间文化障碍。
同时,一些学者还提出,对于跨国并购而言,政府的政策、法律的规定
等外部因素也可能会对并购的结果产生影响。
其次,另一些学者关注并购阶段的风险控制。
他们指出经济环境的不确定性,如市场
波动、金融风险等,是导致并购失败的原因之一。
他们认为,要通过合理的风险规避策略,如收购前的尽职调查、再保险、风险转移等措施,来降低风险水平。
此外,学者们还建议,在一个并购交易的不同阶段,应该采取相应的风险管理和控制策略。
最后,有些学者研究并购后的绩效评价。
他们认为,对于并购后的绩效评价,需要对
交易前后的企业财务状况、管理能力、组织文化等多个领域进行评估。
在具体的评价指标
方面,学者们提出了许多不同的方法,如财务表现、市场表现、员工满意度和顾客满意度等。
此外,由于绩效评价可能对未来并购拓展产生影响,学者们强调了绩效评价的重要性,同时建议,制定合理的绩效评价需要考虑到企业的独特性。
综上所述,对于并购阶段的管理与控制,学者们研究的重点涵盖了成功因素、风险控
制和绩效评价等方面。
他们提出了许多理念和方法,以指导企业在并购过程中取得成功。
企业并购绩效及影响因素文献综述一、引言企业并购是指两个或多个公司之间通过收购或合并等方式,以实现规模经济、资源整合和市场扩展为目的的一种商业活动。
在全球化和市场竞争日益激烈的今天,企业并购已成为企业发展战略中不可或缺的一部分。
并购活动并非总能带来预期的效果。
很多并购案例以失败告终,给相关公司和投资者带来了严重的损失。
研究企业并购绩效及其影响因素对于理解并购活动的成功与否,具有重要的理论和实践意义。
本文将综述国内外学者对企业并购绩效及其影响因素的研究成果,以期为相关领域的学术研究和实际操作提供参考。
二、企业并购绩效评价企业并购的绩效评价是一个复杂的课题,绩效评价的结果将直接影响并购的成败。
在学术研究和实际操作中,对企业并购绩效的评价多从财务绩效和战略绩效两个方面展开。
1. 财务绩效评价企业并购后的财务绩效是最直观的表现,也是衡量企业并购成败的重要指标之一。
而对企业并购的财务绩效评价主要体现在企业的收益能力、资本结构、市场价值和现金流量等方面。
对于并购后企业的收益能力,通常通过销售收入、净利润、息税前利润(EBIT)等指标来反映。
而资本结构方面,则主要关注企业的财务杠杆、偿债能力和股权结构等情况。
市场价值和现金流量也是企业并购绩效评价的重要方面。
2. 战略绩效评价企业并购的战略绩效主要关注企业战略目标的实现情况,包括市场份额的扩大、产品创新、技术升级和品牌价值等方面。
通过对市场份额、市场渗透率、产品销售情况和品牌影响力等指标的分析可以评估企业并购后的战略绩效情况。
三、影响企业并购绩效的因素企业并购绩效的成败受多种因素的影响,其中包括公司内部因素、外部市场因素和并购过程中的管理决策因素等。
1. 公司内部因素公司内部因素包括企业规模、企业业绩、企业文化、管理制度和团队合作等。
研究表明,企业规模较大、业绩稳定、管理制度健全、企业文化相近、团队协作良好的企业,进行并购后的绩效往往更好。
2. 外部市场因素外部市场因素主要包括宏观经济环境、行业竞争环境、市场需求和法规政策等方面。
企业并购动因文献综述【摘要】本文对企业并购动因进行了文献综述。
在概述了企业并购的重要性和研究现状。
在介绍了企业并购的定义与特点、主要动因、经典理论以及不同学者研究动因的观点。
最后分析了企业并购的影响因素。
结论部分总结了文献综述的主要发现,探讨了未来研究方向和实践意义。
通过本文的研究,可以更好地理解企业并购的动因,为相关研究提供参考和借鉴。
【关键词】企业并购、动因、文献综述、定义、特点、动因、理论、影响因素、研究、总结、未来研究方向、实践意义1. 引言1.1 企业并购动因文献综述引言在过去的几十年里,关于企业并购动因的研究呈现出多样化和复杂化的趋势。
学者们通过从不同角度和方法论出发,对企业并购动因进行深入研究和讨论,取得了丰硕成果。
企业并购动因既包括内部因素,如经营绩效和资源配置,也涉及外部因素,如市场竞争和产业环境。
通过对企业并购动因的全面梳理和综合分析,可以更好地理解企业并购的逻辑和实质,为企业管理者和决策者提供决策支持和战略指导。
未来的研究方向将更加关注企业并购动因的多样性和复杂性,探讨不同类型企业并购的动因差异和影响机制。
结合实证分析和案例研究,深入挖掘企业并购动因的内在逻辑和外部影响,为企业并购实践和战略制定提供更加有效的建议和指导。
企业并购动因文献综述的意义和价值在于为企业并购研究和实践提供前沿信息和思路,促进学术和商业界的互动与交流,推动企业并购领域的进一步发展和深化。
2. 正文2.1 企业并购的定义与特点企业并购是指一家企业通过收购或合并其他企业来实现快速扩张或实现战略目标的行为。
在当今全球化和竞争激烈的市场环境下,企业并购已成为企业发展的重要战略选择之一。
企业并购具有以下几个特点:1.战略性:企业并购通常是为了实现企业的长期发展战略目标而进行的,可以帮助企业快速进入新的市场、获得核心技术、打造全球化布局等。
2.风险与回报共存:企业并购的过程中存在一定的风险,包括整合风险、文化冲突风险等,但成功的并购也可以为企业带来丰厚的回报。
并购阶段概况的文献综述并购,即合并和收购,已成为企业扩张和增强竞争力的重要手段之一。
本文主要对并购阶段概况相关的文献进行综述。
据市场研究公司Statista发布的报告显示,2018年全球并购完成了4.6万宗交易,总金额达到了3.9万亿美元。
并购是公司实现扩张、增强市场竞争力、优化资源配置的有效途径。
按照交易规模的不同,可以把并购分为几个阶段。
一般而言,最形式化的一般为五个阶段:准备阶段、目标寻找阶段、尽职调查阶段、谈判和交易结构阶段和后并购整合阶段。
二、并购阶段的具体内容1. 准备阶段并购前的准备工作是进行并购之前必须完成的阶段。
在这个阶段,企业需要认真评估自己的经营状况和未来成长的潜力,制定可行的并购计划。
在制定计划的过程中,需要考虑组织架构、人才、技术和其他方面的需求或者问题。
准备阶段还包括确定并购目标的标准和标准,以及对公司的定位和策略的调整等。
2. 目标寻找阶段在寻找合适的并购目标时,企业需要从多个方面进行考虑,如竞争环境、市场趋势等。
对于并购目标的筛选,需要考虑以下因素:(1)目标公司是否符合企业的扩张要求;(2)目标公司是否有可持续的盈利模式;(3)目标公司是否有卓越的管理团队和专业人才;(4)目标公司是否有完整的产品或服务线。
3. 尽职调查阶段尽职调查阶段是并购中最重要的步骤之一。
这个阶段主要是了解目标公司的真实情况和风险因素,以便在交易中减少不确定性并规避风险。
尽职调查的内容包括财务、法律、税务、人力资源等方面的审核。
4. 谈判和交易结构阶段在谈判和交易结构阶段,企业需要考虑如何使并购交易达到最佳效果。
交易结构应该合理,并且前期的工作应该充分考虑。
在这个阶段,尤其需要考虑交易的价格问题,并且还需要注意协议表述和保密等事项。
5. 后并购整合阶段后并购整合阶段是实际操作的步骤,企业需要在这个阶段进行组织和平衡。
这包括整合资产和人员、处理有关的贷款、审计和法律问题、合并制度、服务和保留顾客等方面的问题。
并购阶段概况的文献综述并购(Mergers and Acquisitions)是指一家公司通过收购另一家公司的股权或资产,或者与另一家公司合并来实现业务战略目标的行为。
并购活动的频繁发生使其成为了现代商业中的重要现象。
本文将对并购阶段概况进行文献综述,以探讨并购活动在不同阶段的特点和影响。
一、并购活动的阶段1. 策略规划阶段并购活动通常始于公司的战略规划阶段。
在这个阶段,公司会通过分析市场和竞争环境、评估自身资源和优势,并制定相应的发展战略。
公司会考虑自身的业务领域、市场定位和未来发展方向,从而确定是否需要通过并购来实现战略目标。
2. 目标筛选阶段一旦公司决定通过并购来实现战略目标,下一步就是确定适当的并购目标。
在这个阶段,公司会对潜在的目标公司进行充分的调研和分析,包括财务状况、商业模式、市场地位和管理团队等方面的情况。
公司还会考虑目标公司与自身的业务互补性和整合难度,从而筛选出最适合的并购目标。
3. 谈判阶段一旦确定了并购目标,公司就会开始与目标公司展开谈判。
在谈判阶段,公司需要就价格、交易结构、股权转让和员工待遇等方面与目标公司进行协商。
公司还需要与监管部门和股东进行沟通,确保交易的合规性和顺利性。
4. 尽职调查阶段一旦双方达成初步协议,就需要进行尽职调查。
在这个阶段,公司会对目标公司的全部资产、负债、法律事务和商业情况进行全面的调查和审核。
通过尽职调查,公司可以更全面地了解目标公司的实际情况,规避潜在的风险和问题。
5. 合同签署阶段在完成尽职调查之后,双方可以签署正式的并购协议。
并购协议通常包括交易价格、交易结构、股权转让和员工待遇等方面的内容。
通过签署并购协议,交易正式落实,双方开始筹备后续的交易流程。
6. 政府批准阶段在协议签署之后,公司需要向相关监管部门提交并购申请,并等待政府的批准。
在一些情况下,特别是涉及行业垄断和国家安全的并购案例中,政府可能会对并购进行调查和评估,以确保交易不会对市场和国家利益产生不利影响。
企业并购理论文献综述企业并购理论文献综述一、引言企业并购作为一种重要的企业发展战略,已经在全球范围内得到广泛的关注与研究。
它不仅对企业自身发展具有重要影响,还对整个市场格局、资源配置以及经济增长产生显著的影响。
本综述将系统地总结和梳理企业并购的理论研究,以期为企业并购各方面的决策提供理论依据和启示。
二、企业并购的概念与形式1. 企业并购的定义及特点企业并购是指通过一定的合并、收购与联营方式,将两个或多个企业整合为一个新的实体,以达到资源整合、规模优势、市场拓展等战略目标的过程。
它具有资源整合、规模效应、风险分散、市场拓展、创新能力提升等特点。
2. 企业并购的基本形式企业并购可以分为水平并购、纵向并购、集中并购、跨界并购等不同的形式。
水平并购是在同一产业中同属一个层次的企业之间进行的并购;纵向并购是在同一产业的不同层次的企业之间进行的并购;集中并购是在同一产业中的不同细分领域企业之间进行的并购;跨界并购是指在不同产业之间进行的并购。
三、企业并购的动因与动力1. 企业并购的动因企业并购的动因是推动并购行为发生的原因,主要包括经济因素、战略因素、市场因素、金融因素等。
经济因素主要是由于成本压力、规模效应、资源整合等经济相关的因素;战略因素主要是企业为了实现战略目标、提升核心竞争力等而进行的并购;市场因素主要包括市场变化、市场份额占有、市场拓展等;金融因素主要是包括资本市场的运作和资金融通等。
2. 企业并购的动力企业并购的动力是推动实施并购行为的动力源泉,主要包括资源动力、市场动力、技术动力和运营动力。
资源动力是指企业通过并购获取新的资源,以实现资源整合和规模效应;市场动力是指企业通过并购扩大市场份额,提升市场竞争能力;技术动力是指企业通过并购获取新的技术、知识和专利等,以提升自身技术创新能力;运营动力是指通过并购改善企业运营状况,提高企业效率和盈利能力。
四、企业并购的效应与影响1. 企业并购的效应企业并购对参与者和整个市场都产生了重要的效应。
并购阶段概况的文献综述并购是企业之间合并或收购的过程,是企业扩张的一种重要手段之一。
并购分为多个阶段,包括前期规划、尽职调查、谈判和结算等。
本文将从多个角度对并购阶段概况进行文献综述。
一、前期规划阶段前期规划是并购的第一阶段,其重点是确定并购目标、制定并购计划和评估目标企业的价值。
而该阶段的成功与否将直接影响着后续的尽职调查和交易谈判。
在文献中,有几篇研究探讨了前期规划阶段的重要性。
资本市场环境、行业发展趋势以及企业战略目标等因素都会影响并购的前期规划。
一篇研究指出,业内专业人士应该集中精力对目标公司进行深入的研究,包括对其营销战略、重要客户和资产负债表的分析,并在这个过程中考虑如何降低风险和最大化投资回报。
另一篇研究强调了需制定一个可行的商业计划,以确定并购是否符合企业近期和长期的战略目标。
因此,前期规划的重要性在于确保企业选择正确的并购目标并为后续步骤打下良好的基础。
二、尽职调查阶段尽职调查是并购的核心阶段。
在这个阶段,目标公司的各个方面将受到评估和审查,以确保交易的合法性和合理性。
尽职调查通常涉及法律、财务、商业等多个方面,因此要充分准备。
对目标公司的尽职调查可以提供有关其管理和金融状态的信息,并揭示风险和机会。
尤其是在财务和税务方面,调查的要求更严格。
也因此,许多文献集中讨论了尽职调查阶段的有效性和必要性。
在尽职调查中,法律团队通常会关注合同和法律要求、机构结构、业务和财务状况,以及任何已存在的诉讼或争议等。
这些信息对于保护购买方的利益至关重要。
在财务方面,公司的财务声明和会计准则会受到广泛审查。
通过对财务状况、核心指标和市场趋势等的评估,购买方可能会获得更全面的信息,以帮助其制定决策。
此外,对目标公司的商业战略和目标进行分析也是重要的尽职调查程序之一。
通过细致的尽职调查,企业可以更好地了解潜在目标公司的价值和潜在风险,最终影响后续谈判和交易。
三、谈判阶段进行谈判是并购的关键阶段之一,也是整个交易的决定性阶段。
企业并购动因、并购绩效及并购风险文献综述企业并购动因、并购绩效及并购风险文献综述一、引言企业并购作为一种重要的发展策略,被广泛应用于各行各业。
并购的动因、绩效和风险一直是学术界关注的焦点。
本文旨在综述相关文献,探讨企业并购的动因、绩效和风险。
二、企业并购动因2.1 资源整合资源整合是企业并购的主要动因之一。
通过并购,企业可以实现资源的共享、优化配置和提高效率。
例如,某公司通过收购具备核心技术的企业,实现了技术优势的整合,推动了产品创新和市场竞争力的提升。
2.2 市场扩张市场扩张是另一个常见的并购动因。
通过收购或兼并具有相同或相似业务的企业,企业可以迅速扩大自身的市场份额,提高市场竞争力。
例如,某公司通过收购竞争对手,在某一特定市场实现了市场份额的快速增长。
2.3 创新能力增强创新能力增强也是企业并购的动因之一。
通过收购具备或强化创新能力的企业,企业可以获得技术、人才和知识等方面的优势,提高自身的创新能力。
例如,某公司通过收购具有创新技术的初创企业,加速了自身产品线的研发和市场推广。
2.4 品牌与声誉品牌与声誉也是一些企业进行并购的重要动因。
通过收购具有知名品牌和良好声誉的企业,企业可以借助品牌影响力和口碑,拓展新的市场,提高自身品牌价值。
例如,某公司通过收购知名品牌,将品牌影响力扩展到新的市场领域。
三、企业并购绩效3.1 经济绩效经济绩效是衡量企业并购成功与否的重要指标之一。
根据研究,有论文显示,相比独立经营,企业并购在一定程度上可以提高企业的财务绩效,如增加销售收入、降低成本和提高盈利能力等。
3.2 管理绩效管理绩效是另一个衡量企业并购绩效的重要指标。
通过并购,企业可以引入优秀的管理团队,提升企业的管理水平和组织能力,从而进一步提高企业的综合竞争力。
3.3 市场绩效市场绩效是衡量企业并购绩效的另一个重要指标。
通过并购,企业可以扩大市场份额、提高市场地位和增强市场竞争力。
当市场绩效显著提高时,可以认为企业并购取得了成功。
关于国内外对企业并购动因研究的文献综述胡云枫M01114234摘要:20世纪以来,并购已经成为企业快速扩张和整合的重要手段之一。
为了探究企业并购的动因,国内外学者从不同角度做了大量研究。
本文对有关国内外企业并购的动因研究的文献做了总结与综述。
关键词:企业并购动因文献综述一、国外对企业并购动因的研究企业并购动因理论解释促成企业并购发生的影响因素。
1. 经营协同假说( operming synergy hypothesis)该假说假定存在着规模经济, 并且在并购之前, 企业的经营活动达不到实现规模经济的潜在要求, 包括横向降低成本费用的生产规模经济、纵向降低交易费用的规模经济和特定管理职能方面的规模经济。
通过并购可以对企业规模进行扩充和调整, 达到最佳规模经济或范围经济, 这可能是对企业并购最经典的经济学答案。
2. 管理协同假说( management synergy hypothesis)该假说认为优势企业并购劣势企业, 管理者作为一个团队被转移时, 能够将被收购公司的非效率性的组织资本与收购公司过剩的管理资本结合从而产生较好的协同效应。
3. 财务协同假说( finance synergy hypothesis)该假说认为并购是将目标企业所在行业中的投资机会内部化, 将企业外部融资转化为内部融资, 由于内部融资比外部融资成本更低, 从而增加了财务协同,降低了融资风险。
4. 市场力量假说( market power hypothesis)认为公司间的并购可以增加对市场的控制力。
首先, 通过并购同行业企业, 以减少竞争者, 扩大了优势企业的规模, 优势企业增加了对市场的控制能力, 从而导致市场垄断。
其次, 即使不形成垄断, 由于并购扩大的规模效应也将成为市场进入的壁垒。
5. 战略动机假说( strategy motive hypothesis)企业并购战略动机在于通过并购活动实现多样化经营,企业并购可以通过实现业务多样化, 降低经营风险, 保护组织资本和声誉资本。
国内外企业并购研究文献综述近年来,国内外企业并购成为了全球经济领域中的一种重要趋势。
企业并购是指两个或多个公司通过合并或收购来达到资源整合和企业集中的目的。
这种方式可以帮助企业实现规模效益、进一步扩大市场份额、获取新技术和资源等。
企业并购研究的文献综述,可以为我们提供对于这一话题的深入理解,并为未来的研究和实践提供指导。
首先,国内外的研究文献就企业并购的动因进行了广泛的探讨。
Wernerfelt(1984)认为,企业并购的动因主要包括资源获得、市场拓展和技术学习等。
此外,Datta等(1992)提出了企业并购的实施路径,包括同业竞争、新技术入侵和产业逆境等。
对于企业并购的动因研究,可以帮助企业更好地理解并购的目的和动机,从而更好地制定并购策略。
其次,国内外研究文献对于企业并购的影响进行了深入的分析。
Khanna和Yafeh(2024)的研究表明,企业并购可以促进企业绩效的提高和盈利能力的增加。
并且,通过并购可以提高企业的创新能力和竞争力,从而进一步提高企业的市场地位。
此外,Kruse等人(2024)的研究发现,企业并购还可以降低企业的运营成本和提高生产效率。
这些研究结果为企业在进行并购决策时提供了重要的理论依据。
此外,国内外研究文献还对企业并购的风险与挑战进行了详细的讨论。
企业并购的失败可能导致企业财务困境、管理混乱和员工流失等问题。
Seth et al. (2024)的研究发现,文化冲突、组织整合和信息不对称等因素是企业并购失败的主要原因。
此外,Brouthers等人(2024)的研究指出,政治因素、法律环境和经济不确定性等也是企业并购面临的风险和挑战。
对于并购风险与挑战的研究,可以帮助企业更好地评估并购交易的潜在风险,并采取相应的措施来降低风险。
最后,国内外的研究文献对于企业并购的影响因素进行了分析。
企业并购涉及到许多因素,如企业规模、技术水平、行业竞争程度等。
Malmendier和Tate(2024)的研究发现,企业文化和管理团队的素质也对并购的成功与否起到重要作用。
作者时间文章名字贺虹2008.01对并购协同吕凡效应含义及计算方法的认识朱宝宪2004.09企业协同效吴亚君应的计算企业并购文献综述总表实证视角理论方法样本期结论 (应用 )数量所用模型限协同效应规范我国并购协同效应的计的含义及算可以从企业价值评估计算方法和业绩评价的理论方法着手,例如 EVA、 BSC、DCF、股价收益评估、财务数据等国内外协规范协同效应的多种计算方同效应的法发展较成熟的是在异实证研究常累计基础上计算以及中的计算从业绩改变角度着手衡方法量,评价新模型和国内的两种方法在计算的合理性以及准确性上则需要做进一步的探讨。
夏新平1999.03企业并购中内部、外部宋光耀协同效应的计算模型计算对协同效应的计算董运宝2006 年并购的协同并购协同效应分析效应的概念、内容规范两种模型各有利弊,不能忽视企业的市场价值及交易成本,必须使用正确的折现率和恰当的考察时间点,排除非并购因素对净增加现金流和股票交易价格的影响。
另外,对并购前后的市盈率的变化还有待进一步的研究.规范并购的协同效应包括了经营、管理、财务、无形资产及产业协同。
我国目前产业结构不合理,公司治理结构不健全,组织管理方式落后,企业资本结构不合理,这些问题都有待于在并购中,通过发挥协同效应的作用加以改善。
张秋生2003.06企业并购协周琳同效应的研究与发展方芳2002 年中国上市公闫晓彤司并购绩效与思考国内外协规范研究协同效应的微观运同效应理作机理,应用价值评估论研究的理论与方法量化,结合我国企业并购的实际情况,实证检验若干影响协同效应实现的关键因素。
上市公司核心实证2000 年80对每个样本 3 年选横向并购的绩效明显优财务和会竞争发生并横向并取 9 个指标:每股于纵向和混合并购。
并计数据理论购公司购: 46现金流量、每股收购作为提高企业竞争力的 1999纵向并益、资产负债率、和产业整合手段正在发年 -2001购: 10主营业务利润率、挥着巨大的作用。