PCB外观检验标准
- 格式:doc
- 大小:288.00 KB
- 文档页数:12
印制电路板检验标准印制电路板(PCB)的检验标准是确保PCB的质量和性能满足特定要求的关键。
这些标准通常涵盖了从原材料检验到成品检验的各个环节。
以下是一些常见的PCB检验标准和考核要点:1. 外观检查◆焊点质量:焊点应无冷焊、虚焊或短路等现象。
◆印刷线路:线路宽度、间距是否符合设计要求,无断路、短路、蚀刻不良等。
◆孔位准确性:钻孔是否准确,无偏移或缺陷。
◆表面处理:表面无划痕、污染、氧化等。
2. 尺寸检查◆板厚和尺寸:检查PCB板的厚度和尺寸是否符合规格要求。
3. 电气性能测试◆绝缘电阻:检测PCB板的绝缘性能是否合格。
◆导通测试:确保所有导电路径均未断开。
4. 力学性能测试◆抗弯曲能力:PCB在一定力度下的弯曲不应造成损坏。
◆耐热性能:PCB应能承受特定的温度范围。
5. 环境适应性测试◆湿热测试:检验PCB在高湿高热环境下的性能稳定性。
◆温度循环测试:测试PCB在温度变化下的可靠性。
6. 化学和物理性能◆耐腐蚀性:PCB材料和涂层应具有良好的耐腐蚀性。
◆材料成分:确认使用的材料符合环保和安全标准。
7. 符合国际标准◆IPC标准:IPC(国际电子工业联合会)提供了一系列关于PCB设计、制造和检验的标准。
◆UL认证:某些应用可能需要PCB满足UL(Underwriters Laboratories)认证标准。
8. 特定应用要求◆高频应用:对于高频信号传输的PCB,需特别关注信号完整性。
◆汽车、医疗等领域:这些领域的PCB可能有额外的质量和安全要求。
PCB检验是一个全面的过程,涉及多个方面的考量。
正确的检验流程和严格的标准对于确保PCB产品的可靠性和安全性至关重要。
pcb质量检测标准
PCB(Printed Circuit Board,印刷电路板)质量检测标准是确保PCB产品的质量和可靠性的一项重要工作。
以下是一些常见的PCB质量检测标准:
1. 外观检测:检查PCB的表面是否光滑、干净,无明显划痕、污渍、气泡和杂质。
电路线条应清晰、光滑,无断路或短路现象。
2. 尺寸检测:测量PCB的尺寸是否符合要求,包括厚度、长度、宽度等。
检查PCB 的孔径和孔距是否符合设计要求。
3. 材质检测:检查PCB所使用的材料是否符合要求,如铜箔、绝缘层、保护层等。
确保所使用的材料具有良好的电气性能和机械性能。
4. 焊盘检测:检查焊盘的位置、大小和形状是否符合设计要求。
确保焊盘表面光滑、无氧化,以便焊接时能够牢固地连接电子元件。
5. 导线检测:检查导线的走向、弯曲半径和间距是否符合设计要求。
确保导线表面光滑、无损伤或断裂现象。
6. 镀层检测:检查PCB表面的镀层是否均匀、连续,无气泡或杂质。
镀层应具有良好的导电性和耐腐蚀性。
7. 可靠性检测:进行环境试验、寿命测试等可靠性检测,以评估PCB产品的可靠性和稳定性。
8. 电气性能检测:测试PCB的电气性能,如电阻、电容、电感等元件的值是否符合要求,以及电路的传输特性、频率响应等是否符合设计要求。
9. 安全性检测:检查PCB产品是否符合相关安全标准,如防火、防电击等。
总之,PCB质量检测标准涵盖了外观、尺寸、材质、焊盘、导线、镀层、可靠性、电气性能和安全性等多个方面。
通过执行这些标准,可以确保PCB产品的质量和可靠性,以满足客户的需求。
pcb板检验及接收标准
PCB板的检验及接收标准主要包括以下几个方面:
1. 外观检查:检查PCB板的尺寸精度、位置精度、表面处理以及电气安全。
尺寸精度应符合设计要求,如孔径、线宽、线距等。
位置精度应准确,无偏差,如元件间距、焊盘位置等。
表面处理应符合要求,如是否有划痕、氧化、油污、裂纹、凹陷、变色、腐蚀等。
电气连接应可靠,无短路、开路现象。
2. 允收条件:零件有损坏,但本体保持良好,内部金属部分未受损,且满足生产和设计需求。
3. 工艺质量:符合生产工艺要求,无明显的工艺缺陷,如开路、短路、锡珠、毛刺等。
4. 性能测试:按照设计要求进行性能测试,确保PCB板的功能和性能符合
标准。
5. 环境测试:进行环境测试,如温度循环测试、湿度测试等,确保PCB板
能在预期的环境条件下正常工作。
6. 可靠性测试:进行可靠性测试,如寿命测试、振动测试等,以评估PCB
板的可靠性和稳定性。
7. 安全测试:进行安全测试,如绝缘电阻测试、耐压测试等,确保PCB板
在使用过程中不会对人员和设备造成安全风险。
8. 文件资料:提供完整的生产记录、检验报告等文件资料,以便后续的质量追溯和问题解决。
在检验及接收PCB板时,需综合考虑以上各个方面,确保所采购或生产的PCB板符合质量要求和设计标准。
pcb外观检验标准PCB外观检验标准。
PCB(Printed Circuit Board)即印刷电路板,是电子产品中不可或缺的重要组成部分。
在电子制造过程中,PCB外观检验是非常关键的一环,它直接关系到电子产品的质量和可靠性。
因此,建立一套科学、严谨的PCB外观检验标准对于保障产品质量至关重要。
首先,我们需要关注的是PCB外观检验的标准内容。
PCB外观检验标准主要包括以下几个方面,外观质量、尺寸精度、焊接质量、表面处理、印刷标识等。
在外观质量方面,我们需要检查PCB板面是否有划痕、变形、氧化等情况;在尺寸精度方面,需要检查PCB板的尺寸是否符合设计要求;在焊接质量方面,需要检查焊点是否完整、焊盘是否有虚焊、漏焊等现象;在表面处理方面,需要检查PCB板的防腐蚀处理是否到位;在印刷标识方面,需要检查PCB板上的标识是否清晰、完整。
其次,我们需要明确PCB外观检验的标准方法。
PCB外观检验可以采用目视检查和辅助工具检查相结合的方式。
在目视检查中,操作人员需要仔细观察PCB板的各个细节,发现问题及时标记并处理;在辅助工具检查中,可以借助放大镜、显微镜等工具对PCB板进行更加细致的检查,以确保检验的全面性和准确性。
此外,我们还需要注意PCB外观检验的标准要求。
首先,检验人员需要具备一定的专业知识和丰富的实践经验,以确保检验的准确性和可靠性;其次,检验设备需要保持良好的状态,确保检验结果的准确性;最后,检验过程需要严格按照标准操作,不得随意更改或省略检验步骤。
总之,建立科学、严谨的PCB外观检验标准对于保障产品质量具有重要意义。
只有通过严格的外观检验,才能确保PCB板的质量达到要求,从而保障电子产品的可靠性和稳定性。
希望各电子制造企业能够高度重视PCB外观检验工作,不断完善和提升检验标准,为电子产品的质量提供有力保障。
电子元器件评价检验标准物料类别名称PCB文件号:QW/Q3-QA-05-22共2页第1页序号类别检验项目技术要求检验方法检验工具抽样判定检验水平1外观包装质量1.采用真空塑料薄膜包装,包装无破损,密封良好;2.塑料薄膜中有防潮处理;3.外箱有明显的产品标识,包括:型号、数量、厂家、生产日期等。
4.附有供应商的出厂检验报告,报告内容必须与实物一致。
5.外包装及最小包装要求贴有RoHS标记,并提供合格RoHS报告。
目测CAQL=1.0Ⅱ外观质量1.PCB板无损伤、断裂等不良现象;2.PCB板应注明材料类型。
如“ZD”或“KB”料,且注明为阻燃料。
(红色字体表示为阻燃料,UL号码及型号符合UL网上证书要求)内销要求通过CQC认证并提供有效证书3.PCB板元件孔径无堵塞,4.PCB板丝印面丝印应清晰,各元件表示符号图形文字应正确完整、无缺画5.PCB板应注明板号规格6.PCB板铜箔面焊盘完整,无氧化、赃物;7.PCB板铜箔面无短路、开路现象8.PCB板铜箔面绿油喷涂均匀,颜色一致2尺寸尺寸检验1.测量PCB长、宽、厚度(厚度标准为1.6mm±0.14mm)2.孔径尺寸参照《pcb板孔径检验标准》,用塞针测试3.V-CUT深度无特别说明则为PCB厚度的三分之一游标卡尺塞针BAQL=0.4S-44.将铜箔剥离后展开,用千分尺测量铜箔厚度,厚度必须大于33um;(注:1盎司的铜箔厚度为35µm);针对2盎司的铀箔厚度大于70µm千分尺/显微镜A(1;0,1)特殊3安全试验★耐压PCB板丝印面与铜箔面承3750V/5mA/1min高压无拉弧、击穿耐压测试仪B(5;0,1)特殊★绝缘电阻PCB板丝印面与铜箔面的绝缘电阻大于20MΩ(DC500V)绝缘电阻测试仪4阻燃试验★灼热丝试验试验温度750℃(出口产品850℃),试验时间30±1s,样品起燃后10秒内能熄灭且不能引燃箱内铺底绢纸。
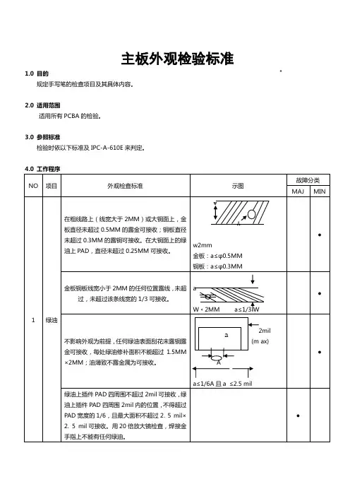
主板外观检验标准1.0 目的规定手写笔的检查项目及其具体内容。
2.0 适用范围适用所有PCBA的检验。
3.0 参照标准检验时依以下标准及IPC-A-610E来判定。
2 凹陷或凸点1、在粗线路上(线宽大于2MM),每100 m㎡的面积内,其凹陷或凹点的数量不能多过一个,面积不超过0.5×0.5 m㎡W xt aw≥2mm txa≤0.5×0.5 m㎡/面且100 m㎡内最多一个●在幼线路上(线宽小于2 mm),每100 m㎡的面积内,其凹点的长度不超过1 mm,及宽度不超过线宽的1/2。
Wt aw﹤2 mm a≤1 mm t≤1/2w●在金手指上,凹陷或凹点的直径不能超过0.1MM,且每面不可超过3处且不超过金手指宽度的1/6,不能露底金属。
●3 线路崩线不可超过线宽的1/3,线路凸起不能超过线宽1/3。
●在线路上,砂孔的存在以不超过线宽1/3为标准。
●孔壁上,每个孔不可超过3个砂孔,砂孔的面积不可超过孔铜面积的10%,其砂孔任何方向之长度总和,不可超过孔长。
●4 线路刮花在粗线路上(线宽大于2MM),不影响外观为前提每100 m㎡的面积内,刮痕不能多过一个,长度不能超过5 MM;在金手指上,刮花宽度不可超过0.1 MM,且每面不可超过3个金手指刮痕;刮花最长不超过5MM,最深不影响线厚要求,每面不超过3处刮花,不能有影响功能的。
●5 白字白字允许模糊,但必须保证字符可辨认。
●6 异物1、脏污,毛毛物至影响外观(即面积超过3 MM×3 MM)不能接收;2、线宽小于0.5 MM的线路上不允许有异物。
●SWWabb≤1 / 3wa≤1 / 3SLWa ≤0.8mma3、两条线之间的基材上有异物,异物的直径不能超过线间距的1/3,长度不能超过0.8 MM 。
●4、焊接引脚上不能有任何异物(绿油、白油,毛毛物,板黄、胶泽等)●7孔镀通孔允许崩PAD1/5(45°),只要连接位保持完好即可。
pcb外观检验ipc标准PCB外观检验IPC标准。
PCB(Printed Circuit Board)是电子产品中不可或缺的一部分,其外观质量直接影响着整个电子产品的质量和性能。
为了确保PCB的外观质量符合标准,IPC (Association Connecting Electronics Industries)制定了一系列的标准和规范,以便对PCB进行外观检验。
本文将介绍PCB外观检验的IPC标准,以便帮助大家更好地了解和掌握这一重要的质量管理知识。
首先,IPC标准对PCB外观的检验主要包括以下几个方面,表面质量、外观尺寸、印刷质量、焊接质量、防护层和标识等。
其中,表面质量是指PCB表面的平整度、光洁度和无损伤等情况;外观尺寸则是指PCB的尺寸精度和公差范围;印刷质量包括文字、图案和标识的清晰度和准确性;焊接质量是指焊点的均匀度、牢固度和无虚焊、漏焊等情况;防护层和标识则是指PCB的防护层涂覆情况和标识的准确性和完整性。
这些方面的检验都是非常重要的,任何一项出现问题都可能影响整个PCB的质量和可靠性。
其次,IPC标准对PCB外观的检验方法和标准也进行了详细的规定。
例如,对于表面质量的检验,IPC规定了使用肉眼、放大镜或显微镜进行检查,以确保表面平整、光洁,无划痕、氧化和异物等;对于外观尺寸的检验,IPC规定了使用测量工具进行尺寸测量,并根据设计图纸和公差范围进行判定;对于印刷质量和焊接质量的检验,IPC规定了使用光源照明、放大镜观察和焊接质量标准样品比对等方法进行检验。
这些检验方法和标准的制定,有利于统一PCB外观检验的标准和要求,保证检验结果的准确性和可靠性。
此外,IPC标准还对PCB外观缺陷的分类和判定进行了详细的规定。
例如,IPC-A-600标准对PCB外观缺陷进行了A级、B级和C级的分类,分别对应于不同的外观质量要求和接受标准。
在实际的PCB外观检验中,根据IPC标准对外观缺陷进行分类和判定,可以更加客观地评估PCB的外观质量,为后续的质量控制和改进提供重要依据。
pcb成品检验标准一、外观检查1.外观无瑕疵,表面光滑整洁,无划痕、毛刺、气泡等缺陷。
2.各种标志清晰易读,符合设计要求,包括产品型号、规格、厂家标识等。
3.外观颜色和材质符合设计要求,无明显色差和材质不符现象。
4.PCB板边平整,无翘曲、变形、开裂等现象。
二、尺寸检查1.PCB板的尺寸误差在规定范围内,符合设计要求。
2.PCB板的厚度、重量符合标准,无明显偏差。
3.PCB板上的元件排列整齐,间距合理,元件中心线统一。
4.PCB板边缘切割整齐,无毛边现象。
三、材质检查1.PCB板材质符合国家标准,采用环保材料。
2.PCB板的颜色、味道、手感等符合设计要求。
3.镀层厚度、材质搭配合理,满足使用要求。
4.PCB板表面光滑度符合标准,无颗粒、凹凸等缺陷。
四、功能性测试1.PCB板电路性能稳定,符合设计要求。
2.PCB板抗干扰能力强,能在恶劣环境下正常工作。
3.PCB板符合安全规范,无安全隐患。
4.PCB板上的元件焊接质量良好,无虚焊、漏焊等现象。
五、安全性测试1.PCB板绝缘性能好,无短路、断路等现象。
2.PCB板耐热、耐冲击、耐臭氧等性能符合标准。
3.PCB板上的元件和线路布局合理,无安全隐患。
4.PCB板通过相关安全认证,符合国家及国际安全标准。
六、耐久性测试1.PCB板上的绝缘材料寿命长,性能稳定。
2.PCB板电路稳定性高,长时间使用无故障。
3.PCB板通过相关耐久性测试,如高温、低温、湿度等环境试验。
4.PCB板的维护周期长,维护成本低。
七、可靠性测试1.对PCB板进行全面的电路性能检验,确保性能稳定可靠。
2.测试PCB板的各项功能是否完善,如电源供电、信号输入输出等。
3.对PCB板进行抗干扰能力检验,确保在恶劣环境下能正常工作。
4.对PCB板进行长时间运行测试,以验证其稳定性和可靠性。
5.在可靠性测试过程中,对发现的问题及时进行整改和优化。
八、环保性测试1.选择环保材料制作PCB板,减少对环境的影响。
精心整理
本司所有PCB板供应商均适用。
三、职责:
3.1IQC:负责执行PCB来料外观检验动作,及时反馈异常信息,做相关PCB来料记录。
3.2QE:负责协助IQC对异常现象确认及验证,追踪异常处理进度。
3.3品质主管:负责与各相关部门沟通协调,并给出最终异常处理方案。
四、验收分级:
5.1
顺序:
5.2
,主要
要求是印制板功能的产品。
5.2.2第二级(Class2):DedicatedServiceElectronicProduc(专用性电子产品)
此级包括:通信设备,复杂商务机器,仪器与军用品等,此级在品质上已讲究高性能及长
寿命,同时希望能够不间断地工作,但不严格,允许有某些外观缺陷。
5.2.3第三级(Class3):HighReliabilityEletronicsProductsg(高可靠度电子产品)
本级包括:要求连续工作或应急运行的设备或产品.对这些设备来说,不允许出现故障
停机,并且一旦需要就必须正常工作(例如生命支持系统或飞机控制系统),这一等级
的印制板适用于那些要求高级保障且正常运行时最根本属性的产品。
5.6相关图片说明
断开
目视检查板面局部线路粗细同其它区
域不同
出现。
pcb外观检验标准PCB外观检验标准。
PCB外观检验是PCB生产过程中非常重要的一环,它直接关系到PCB产品的质量和稳定性。
良好的外观检验标准能够有效地提高PCB产品的质量,减少不良品率,保证产品的可靠性和稳定性。
本文将介绍PCB外观检验的标准和要点,希望对PCB生产厂家和质量检验人员有所帮助。
首先,外观检验应该从PCB的整体外观开始。
PCB的外观应该整洁、平整,表面不应该有凹凸不平、划痕、氧化等现象。
PCB的边缘应该整齐,没有毛刺或者碎裂现象。
同时,PCB的颜色应该均匀一致,没有色差或者斑点。
这些都是PCB外观检验的基本要求,也是保证产品质量的重要因素。
其次,在具体的检验过程中,需要重点关注PCB的焊盘、线路、印刷字迹等部分。
焊盘应该完整,没有破损或者氧化现象,焊盘与线路之间的连接应该牢固。
线路应该清晰、无断裂、无短路,印刷字迹应该清晰可见、无模糊或者缺失。
这些部分是PCB功能正常运行的关键,也是PCB外观检验的重点内容。
另外,PCB的孔内连接也是外观检验的重点之一。
孔内连接应该完整,没有残渣或者氧化物,连接应该牢固可靠,没有虚焊或者漏焊现象。
孔内连接的质量直接关系到PCB的可靠性和稳定性,因此在外观检验中需要格外重视。
最后,外观检验还需要关注PCB的边缘处理和防护层。
PCB的边缘处理应该整齐、无毛刺,防护层应该完整、无缺失,确保PCB 在使用过程中不易受损或者受潮。
这些部分是PCB外观检验的细节内容,但同样重要。
总的来说,PCB外观检验标准需要从整体外观、焊盘线路、孔内连接和细节处理等多个方面进行全面检查。
只有严格按照标准进行检验,才能保证PCB产品的质量和稳定性。
希望PCB生产厂家和质量检验人员能够重视PCB外观检验,不断提高产品质量,满足客户的需求。
PCB板检验标准
一、检验规范:
1、抽样标准:按MIL-STD-105E Ⅱ进行单次抽样。
2、允收水准:CRI=0 MAJ=0.25 MIN=1.0
二、外观检验:
1、线路,文字,阻焊须与我司样板或研发文件一致。
2、外形尺寸公差±0.13mm。
3、整个板面不允许有刮伤露铜、沾锡、氧化、异色现象等。
4、板面不允许有织物、麻点和擦花,擦花不得露出底材,且长度不超过8mm,宽度同不大于0.2mm,一面不可超过2处(两面不可超过3处)。
5、DIP元件孔内不允许进油或其它异物,而影响焊接和装配,螺丝孔不允许沾锡
及其它杂物。
6、阻焊不允许出现气泡,水波纹、起趋和发黑,经热冲击试验不得脱落或变色。
7、基材内杂物,离最近导体距离大于0.2mm,杂物长度不超过0.8mm,并不得超
过两处。
8、不允许焊盘锡面粗糙,锡面厚度要求均匀,不允许有缺口、凹洞、露铜、压
扁等现象。
9、板曲控制在0.7%以内,不允许板边不良(如毛边、PCB本体破损和裁边不良
等现象)。
10、过孔必须全部塞孔。
(除我司有特殊要求产品除外)
11、板面补油面积不得超过1mm*8mm,不得超过2处,补油厚度均匀,并颜色
与板面颜色一致。
12、绿油凸珠低于或等于SMD PAD。
度锡超压良。
PCB板外观检验标准有哪些?「鹰眼科技」
1.包装:无色气珠袋真空包装,内有干燥剂,包装紧密
2.丝印:PCB表面的字符和符号的丝印必须是清楚,明显,颜色符合规定,没有重复印刷,漏印刷,多印刷,位置偏位,错印。
3.板边板面:检查PCB表面是否有污渍、杂物、凹坑、锡渣残留;板面是否划伤露底材;边缘是否有洗边后留下的毛刺、缺口;多层板是否会有分层、等。
4.导线:不能出现短路、开路、导线露铜、铜箔浮离、补线等。
焊盘:焊盘应均匀上锡,不能露铜、损伤、脱落、变形等。
金手指:光泽,凸点/起泡,污点,铜箔浮离,表面镀层,毛头,镀附着力等。
5.孔:检查时对照上一批次好的PCB进行对照,检查有没有漏钻孔、多钻孔,堵孔, ,孔偏。
阻焊膜:检查时可使用洗板水进行擦拭,检查其着附性,检查是否会脱落,有没有气泡、是否有修补的现象等,阻焊膜的颜色必须符合规定。
6. 标记:字符,基准点,型号版本,防火等级/UL.标,电气测试章,厂商名牌,生产日期等。
7.尺寸测量:测量来料PCB实际尺寸是否为订单所规定的。
翘曲度或弯曲度检验:
8.可焊性测试:抽取部分PCB进行实际焊接,检查能否很容易的将零件焊接上。
pcb板外观检验标准PCB板外观检验标准。
PCB板(Printed Circuit Board,印刷电路板)是电子产品中不可或缺的一部分,它承载着电子元器件并提供电气连接。
在PCB制造过程中,外观检验是非常重要的一环,它直接关系到PCB的质量和可靠性。
因此,建立一套科学、严谨的PCB板外观检验标准对于提高产品质量和生产效率具有重要意义。
一、外观检验项目。
1. 表面质量检查,包括外观、颜色、光泽、平整度等。
2. 孔内质量检查,包括孔壁质量、镀铜质量等。
3. 焊盘质量检查,包括焊盘的平整度、焊盘与线路板的连接质量等。
4. 印刷质量检查,包括字符、线条的清晰度、位置是否准确等。
5. 边缘质量检查,包括边缘的平整度、无毛刺等。
二、外观检验标准。
1. 外观,PCB板表面应平整光滑,无明显凹凸、气泡、裂纹、划痕等缺陷。
2. 颜色,PCB板颜色应均匀一致,无色差、污渍等现象。
3. 孔内质量,孔壁应光滑,无氧化、露铜等情况,镀铜均匀牢固。
4. 焊盘质量,焊盘应平整,无起焊、虚焊、焊盘与线路板连接牢固。
5. 印刷质量,字符线条应清晰,无模糊、漏墨、偏移等现象。
6. 边缘质量,边缘平整,无毛刺、碎屑等。
三、外观检验方法。
1. 目视检查,通过肉眼直接观察PCB板的外观质量,包括表面质量、孔内质量、焊盘质量、印刷质量、边缘质量等。
2. 使用工具检查,可借助放大镜、显微镜等工具对PCB板进行细致的检查,以确保发现微小缺陷。
3. 使用检测设备,如表面粗糙度仪、镀铜厚度测量仪等专业设备进行定量检测,以确保PCB板的质量符合标准要求。
四、外观检验标准的意义。
1. 提高产品质量,通过严格的外观检验标准,可以有效避免因外观缺陷导致的性能问题,提高产品的可靠性和稳定性。
2. 降低生产成本,及早发现外观缺陷,可以及时纠正和改进生产工艺,避免因外观问题导致的废品率增加和重复生产。
3. 提升客户满意度,优质的外观质量可以提升产品的整体形象,增加客户的信任和满意度。
本司所有PCB板供应商均适用。
三、职责:
3.1IQC:负责执行PCB来料外观检验动作,及时反馈异常信息,做相关PCB来料记录。
3.2QE:负责协助IQC对异常现象确认及验证,追踪异常处理进度。
3.3品质主管:负责与各相关部门沟通协调,并给出最终异常处理方案。
四、验收分级:
良好(ACC):能满足标准规定要求和客户要求.
拒收(Rej):表示无法满足产品的使用性和可靠性.
五、工作内容:
5.1所依据之标准优先顺序:当产品验收标准所需有关要求发生冲突时,则采用下列文件优先顺序:
5.1.1客户检验规范
5.1.2参考IPC相关规范
5.1.3厂内PCB外观检验标准
5.2用途分类:根据印制板的产品用途,按以下分类定级,不同类别的印制板,则
按不同的验收标准进行验收.
5.2.1第一级(Class1):GeneralElectronicProducts(一般电子产品)
此级包括:消费类产品某些电脑与电脑周边产品,适用于那些对外观缺陷并不重要,主要
要求是印制板功能的产品。
5.2.2第二级(Class2):DedicatedServiceElectronicProduc(专用性电子产
品)
此级包括:通信设备,复杂商务机器,仪器与军用品等,此级在品质上已讲究高性能及长
寿命,同时希望能够不间断地工作,但不严格,允许有某些外观缺陷。
5.2.3第三级(Class3):HighReliabilityEletronicsProductsg(高可靠度电子产品)
本级包括:要求连续工作或应急运行的设备或产品.对这些设备来说,不允许出现故障
停机,并且一旦需要就必须正常工作(例如生命支持系统或飞机控制系统),这一等级
的印制板适用于那些要求高级保障且正常运行时最根本属性的产品。
3.外包装标签需标示生产厂商,生产日期,PCB 料号,型号等相关信息。
目视O
4.每批来料必须核对出货报告,供应商出货检验报告放在尾数箱中。
目视O
文字丝印1.对照样板或GERBER资料:零件面之文字、型号字符、LOGO、UL、FCC、
CE或无铅标记等文字不能有缺损,刮伤,漏失,不可辨认或错误之现象。
目视O
2.丝印偏位不超过0.5mm,并不影响焊接组装为良品。
目视O
3.周期:厂商必须将制造期,以印刷或蚀刻方式注明于基板上。
目视O
4.规格型号要与BOM描述相符。
目视O
重点
检测项目1.核对出货报告。
2.检查焊盘是否有氧化现象.3.规格是否与BOM相符。
4.UL/ROHS等认证标示。
5.湿度卡。
6.PCB尺寸,丝印。
7.外观
类别缺点图片及相关说明规格/标准检验工具
线路
开路
一完整导电线路出现一处或多处
断开
不允许接受目视短路
两条或两条以上本应互相不连通的导
电线路连在一起
不允许接受目视
线粗线
细、粗糙、
针孔、缺
口
目视检查板面局部线路粗细同其它区
域不同
1.导线边远粗糙等
任意组合的不良使
导线间距的缩减未
超过规定的最小线
宽的30%.2.板边粗
糙,缺口等的总长度
未超过导线长度的
20%或
25mm(0.984in),两
者中取较小值.
1.导线边远粗糙
等任意组合的不
良使导线间距的
缩减未超过规定
的最小线宽的
20%.2.板边粗
糙,缺口等的总
长度未超过导线
长度的20%或
13mm(0.512in),
两者中取较小
值.
菲林,目视,
放大镜,线宽
量测仪
沉镍/金(Ni/Au) 跳镀
板面需要沉上Ni/Au的位置未
有上Ni/Au
不允许接受目视
沉镍/金(Ni/Au)
渗镀
线路边缘/NPTH孔发生本不应
该沉上Ni/Au的地方有Ni/Au
出现
不允许接受目视
甩Ni/Au 金属层之间出现分离现象不允许接受目视金面污染板面粘附有其它异常外来杂物不允许接受目视金面异色
金层表面的颜色及光泽有异常现
象,如发红、发白、发暗、发黑、
白雾等
不允许接受目视金面刮伤
镀层表面露铜、露镍、露基材
不允许接受
目视
喷锡不上锡不允许接受目视
喷锡缩锡不良在导电层和接地层
上或其它导体上出
现缩锡不良情形,
缩锡面积未超过用
来焊锡连接的每个
焊垫面积的15%.
在导电层和接地层
上或其它导体上出
现缩锡不良情形,缩
锡面积未超过用来
焊锡连接的每个焊
垫面积的5%.
放大
镜
蓝胶蓝胶不良NA 1.蓝胶玻璃、松动、脱落或经过加热制程后
不可完全剥离,均不允收;2.直径大于1.5mm
的孔,蓝胶掩盖90%可允收;3.蓝胶覆盖线
路图形(PAD、金手指)部分覆盖不全不允收;
4.蓝胶偏移上PAD不允许;
5.蓝胶不能出现
直径≥0.2mm的破铜,金手指上蓝胶不能出
现破铜;
放大
镜。