m10水泥砂浆配合比设计总说明书
- 格式:doc
- 大小:33.00 KB
- 文档页数:3
M10砂浆配合比设计计算书一、设计依据1、《砌筑砂浆配合比设计规程》(JGJ98-2000)二、设计要求1、强度等级:M102、砂浆稠度:30-50mm3、砂浆分层度:10-30mm三、使用部位挡墙、护坡、水沟四、原材料1、1、水泥:冀东海德堡(泾阳)水泥有限公司盾石牌P.O42.5级水泥,密度ρc=3090Kg/m3,其技术指标经试验结果为表1。
水泥技术指标表12、细集料:山西省临县克虎镇大桥沟砂场,其技术指标经试验结果见表2砂技术指标表23、水:当地的饮用水, 密度ρw =1000Kg/m3五、配制强度计算1、f m,o=f2+0.645σ根据《砌筑砂浆配合比设计规程》(JGJ98-2000)、选取σ=2.50,由此可得:f m,o=f2+0.645σ=10+0.645×2.50=11.6Mpa;2、计算单位水泥用量Q c=1000(f m,o-β)/(α×f ce)其中α=3.03,β=-15.09f ce=γ×f ce,k=1.0×42.5=42.5Mpa;由此可得:Q c=207kg;根据《砌筑砂浆配合比设计规程》(JGJ98-2000)、施工工艺和以往经验,单位水泥用量确定为300kg;M co=300kg;3、计算单位砂用量根据《砌筑砂浆配合比设计规程》(JGJ98-2000)中的要求,每立方米砂浆中的砂用量,宜用干燥状态的堆积密度作为计算值,结合经验取M so=1450kg;4、确定单位用水量根据《砌筑砂浆配合比设计规程》(JGJ98-2000),且砂浆设计稠度为30-50mm。
因此,单位用水量M wo选定为230kg;则:M wo=230kg;5、确定初步配合比由以上计算可得出砂浆的初步配合比为:C : S : W=300:1450:230=1:4.83:0.77六、试拌1、根据计算出的初步配合比C : S : W=300:1450:230进行试拌,得出砂浆稠度为45mm;分层度为25mm,砂浆稠度符合设计满足施工要求。
M10砌筑砂浆配合比设计一、 试配强度,0210*1.2512.5m f kf Mpa ===(系数取值表5.1.1)二、 设计依据(一)使用部位皖赣四电房屋墙体砌筑(二)砌筑砂浆配合比设计技术条件项目 表观密度(kg/m 3)稠度(mm )保水率(%)材料用量(kg/m 3) 砌筑砂浆≥190050-70≥80≥200设计稠度50~70mm ,采用机械拌合。
(三)设计依据标准 1.设计图纸2.《建筑砂浆基本性能试验方法》JGJ/T70-20093.《砌筑砂浆配合比设计规程》TGJ/T98-20104.《铁路混凝土与砌体工程施工质量验收标准》TB10424-2003 三、 原材料1.水泥:白马山水泥P.C32.5 2.细骨料:宣城堆积密度为1530kg/m 33.水:饮用水四、 砂浆配合比的确定与要求1. 砂浆的试配强度计算:,02m f f κ==12.5(MPa) ,0m f —砂浆的试配强度(MPa)κ—系数κ=1.25强度等级 施工水平 强度标准差a(MPa) KM5 M7.5 M10 M15 M20 M25 优良 1.00 1.5 2.00 3.00 4.5 6.00 1.15 一般1.251.882.53.75 7.57.501.202. 水泥用量的计算,*ce c ce k f f γ==32.5(MPa )ce f —水泥强度等级值(MPa )c γ—水泥强度等级的富余系数,取c γ=1.0,01000()/(*)c m ce Q f f βα=-=280c Q —每立方米砂浆中的水泥用量(Kg ) ce f —水泥的实测强度(MPa )α、β—砂浆的特征系数,α=3.03,β=-15.09.根据经验,取每方水泥用量为280kg ,用水量取310kg 。
3.砂干燥状态堆积密度为1530kg/m 3。
五、 砌筑砂浆配合比试配、调整1. 根据砂浆配合比各种材料用量确定砌筑砂浆理论表观密度为ρ=2120kg/m 3得基准配合比:试配拌制9L ,各材料用量如下:原材料kg/m 3水泥 砂 水280 1530 310kg/9L2.8813.722.52水泥用量为280kg/m 3时,稠度65mm ,保水率为>80%,实测表观密度为32120/kg m ρ=,粘聚性良好,保水性良好,工作性满足施工要求。
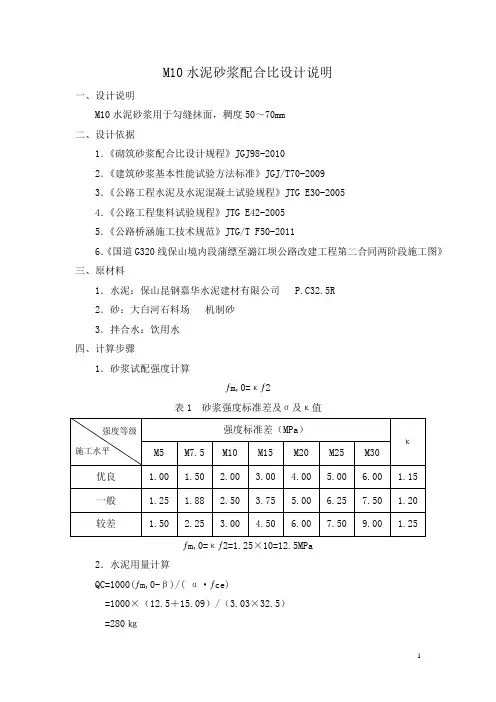
M10水泥砂浆配合比设计说明一、设计说明M10水泥砂浆用于勾缝抹面,稠度50~70mm二、设计依据1.《砌筑砂浆配合比设计规程》JGJ98-20102.《建筑砂浆基本性能试验方法标准》JGJ/T70-20093.《公路工程水泥及水泥混凝土试验规程》JTG E30-20054.《公路工程集料试验规程》JTG E42-20055.《公路桥涵施工技术规范》JTG/T F50-20116.《国道G320线保山境内段蒲缥至潞江坝公路改建工程第二合同两阶段施工图》三、原材料1.水泥:保山昆钢嘉华水泥建材有限公司 P.C32.5R2.砂:大白河石料场机制砂3.拌合水:饮用水四、计算步骤1.砂浆试配强度计算ƒm,0=κƒ2表1 砂浆强度标准差及σ及κ值ƒm,0=κƒ2=1.25×10=12.5MPa2.水泥用量计算QC=1000(ƒm,0-β)/( α·ƒce)=1000×(12.5+15.09)/(3.03×32.5)=280㎏根据经验适当调整,初步确定水泥用量为340Kg。
式中ƒce-水泥实测强度(MPa),精确至0.1Mpa;此处取32.5MPaα、β-为砂浆的特征系数,其中α取3.03,β取-15.093.每立方米砂浆中的砂用量,按干燥状态(含水率小于0.5%),的堆积密度作为计算值;砂的实测自然堆积密度值1605kg/m3。
4.每立方米砂浆中的水用量,可根据砂浆稠度等要求选用270~330kg;此处根据砂浆细度模数及石粉含量取317kg。
五、经初步计算和调整水泥用量后的每方材料用量表2 M10砌筑水泥砂浆材料用量(kg/m3)六、计算试6L水泥砂浆的材料用量表3 6L水泥砂浆拌合物的材料用量七、经试配后水泥砂浆拌合物性能表4 试配砂浆的基本性能注:表观密度精确到10Kg/ m3。
八、水泥砂浆力学性能试验表5 砂浆的抗压强度(MPa)七、通过试验确定基准配合比为水泥270kg,砂1605kg,水270kg。
M10砂浆配合比设计说明一、设计说明M40压降配合比主要用于预应力锚索压浆,稠度选用14~18s 二、设计依据:JTJ041—2000《公路桥涵施工技术规范》;JGJ/T 70—2009《公路工程水泥及水泥混凝土试验规程》;GB/T1346-2001《水泥标准稠度用水量、凝结时间、安定性检验方法》;GB175-2001《硅酸盐水泥》。
三、原材料:水泥:义煤集团水泥有限公司拌合水:拌合水为饮用水外加剂:山东华伟NOF-2C缓凝高效减水剂原材料均检验合格,详见附后试验报告。
四、设计步骤:1、确定适配强度RpRp= R+1.645σ=40+1.645×2.5=44.1(MPa)②计算水泥用量: Qc= 1000(f m.0-β)/(α×f ce)砂浆特征系数α=3.03,β=-15.09,无统计资料,水泥富余系数取1;=1000[11.9-(-15.09)]/3.03×(32.5×1)=274水泥用量满足规范要求。
③砂用量:堆积密度为1738 kg/m3;④用水量:根据所需砂浆稠度,选取用水量280kg⑤确认基准配合比编号为S2-A水泥:砂:水=274:1738:280实测拌和物性能良好,稠度65mm可以满足施工需求。
该配合比可不做调整。
b、调整配合比(S2-B)水泥用量增加10%,则水泥:砂:水=298:1650:280c、调整配合比(S2-C)水泥用量减少10%,则水泥:砂:水=244:1650:280d、试拌校正(均按36L试拌)确定理论配合比:确定设计编号为005—A的配合比为C15混凝土的理论配合比,则:水泥:砂:碎石:水231 : 893 : 1091 :1851 :3.87 : 4.72 :0.80水灰比W/C=0.80,砂率βs0=43%;。
M10砂浆配合比设计书一、设计依据:1、设计图纸2、招标文件3、JTG/T 98-2010《砌筑砂浆配合比设计规程》4、JTG E30-2005《公路工程水泥及水泥混凝土试验规程》5、JTG/T F50-2011《公路桥涵施工技术规范》6、JTG E42-2005《公路工程集料试验规程》二、设计说明:1、设计强度等级:M10。
2、设计施工稠度:50~70mm。
3、水泥:海螺水泥P.O 32.5。
细集料:选用策底坡石料厂0~4.75mm砂。
拌合水:饮用水。
4、原材料主要技术指标及试验结论(1:水泥)材料名称规格主要试验检测项目备注细度80μm筛余标准稠度凝结时间安定性抗压强度MPa 抗折强度MPa水泥P.O42.5 初凝终凝试饼法雷式夹法3 d强度28d强度3 d强度28d强度后附检测报告规定值≤10%/ ≥45min≤600min 无弯曲无裂缝<5 ≥17 ≥42.5 ≥3.5 ≥6.5实测测 3.3 142.5g 140 170 合格 1.0 23.6 42.2 4.8 8.1(4:细集料)材料名称规格主要试验检测项目备注细集料0-4.75mm 细度模数表观密度堆积密度空隙率含泥量压碎值后附检测报告规定值 2.3-3.0 >2500kg/m³>1350kg/m³<47% <3.0% <30%实测测 2.76 2521 1492 40.8 2.7 26.6三、砂浆初步配合比设计1、计算配制强度砂浆设计强度: 0,m f =10MPa砂浆配制强度:(k 值取施工水平一般1.20)0,m f =2kf 10×1.20=12MPa2、水泥用量计算:γc----水泥强度等级值的富余系数,取1.0)0(1000Q c β-=,fm /(αfce ⨯)=1000×[12-(-15.09)]/(3.03×32.5)=275kgα,β—砂浆的特征系数,其中α取3.03,β取-15.09 3、计算水用量:依据JTG/T 98-2010《砌筑砂浆配合比设计规程》表5.1.2及试拌情况取用水量240kg 4、计算砂用量依据JTG/T 98-2010《砌筑砂浆配合比设计规程》表4.0.2 取值为≧1900kg砂用量=1900-275-240=1385kg5、计算配合比:配合比:水泥:砂:水 :=275:1385:240比例为:1:5.04:0.871、根据砂浆配合比选定要求,以基准配合比为基础,另选配两个调整配合比,其用水量与基准配合比相同,胶凝材料较基准配合比分别增加或减少10%,计算配合比材料用:序号水泥(kg ) 砂(kg ) 水(kg ) 假定容重(kg/m3) 7d 强度 28d 强度配 合 比 C :S :W基准 275 1385 240 1900 13.8 21.8 1:5.04:0.87 参照1303 1357 240 1900 16.6 23.3 1:4.48:0.79 参照22481402240190011.218.61:5.65:0.972、根据各选定配合比混凝土拌合物工作性能及抗压强度值,假定容重与实测容重之差少于2%,结合工地施工实际情况,拟选用申报配合比: 配合比:水泥:砂:水 :=275:1380:240比例为:1:5.02:0.89。
M10水泥砂浆配合比设计说明书一、砂浆质量要求根据《砌体结构设计规范》和《砖石工程及验收规范》的规定,砌筑砂浆强度等级用70。
7mm试件,经20C±3C及湿度60%~80%条件下养护28天的6块试件抗压强度算术平均值来确定。
砂浆分M20、M15、M10、M7。
5共6个等级。
拌和的砂浆应达到设计要求的种类和..一、砂浆质量要求根据《砌体结构设计规范》和《砖石工程及验收规范》的规定,砌筑砂浆强度等级用70.7mm× 70.7mm×70.7mm试件,经20C±3C及湿度60%~80%条件下养护28天的6块试件抗压强度算术平均值来确定。
砂浆分M20、M15、 M10、M7.5、M5、M 2.5共6个等级。
拌和的砂浆应达到设计要求的种类和强度等级,满足规定的稠度、保水性能良好和拌合均匀等要求。
受震动和层高超过6M以上的墙、柱所用的砂浆强度等级不应小于M2.5。
处于严寒地区及地面以下潮湿环境的砌体砂浆强度等级一般提高一级。
二、影响砂浆强度的因素各地区情况不同,砂浆的单位水泥用量有很大的差异,致使砂浆的离散性较大。
施工过程中,水泥用量往往超过规定的规定值。
气候条件、运输过程中产生的泌水现象对砂浆质量有很大的影响,使其和易性差。
砂浆的流动性降低,铺抹操作困难。
同时操作过程中分离出来的水分容易被砖所吸收,失水果多不能保证水泥的正常硬化,砂浆会降低强度。
因此,在砂浆中掺入塑性剂,可提高砂浆的保水性,从而保证灰分厚度和灰缝砂浆的饱满度。
水泥砂浆的流动性和保水性比同水灰比下的水泥混合砂浆差,在运输和存放过程中容易产生沉淀,操作中难以摊铺均匀,砌体灰缝砂浆饱满度不易得到保证,从而影响砌体强度。
施工规范规定:施工中用水泥砂浆代替水泥混合砂浆,应按设计规定的砂浆强度等级提高一级。
所以,施工中不能任意用同强度水泥砂浆来代替水泥混合砂浆。
配制砂浆时,材料用量是否准确,也是影响砂浆强度的重要因素。
M10砂浆配合比设计说明书
一、设计依据
JGJ98-2000
二、设计要求
砂浆强度等级:M10
使用部位:浆砌工程砌筑、勾缝、抹面
设计稠度:30-50 mm
三、所用原材料
1 、水泥:湖北华新堡垒牌P.O32.5水泥,经试验,各项技术指标符合规范要求。
2 、砂:狮形河中砂,经试验,各项技术指标符合规范要求。
3 、水:饮用水
四、配合比设计
1 、计算砂浆试配强度f m,o:
砂浆现场强度标准差б经查JGJ98-2000表5.1.3,б取值2.50MPa
f m,o= f2 +0.645σ=10+0.645×2.50=11.6MPa
2 、M10水泥砂浆配合比选用:
经试验,所用砂子堆积密度值为1370kg/m3,根据JGJ98-2000表5.2.1,M10水泥砂浆配合比每方用量(㎏/m3)选取为水泥:砂:水=477:1370:310 质量比为1:2.87:0.65
3 、试配调整:
试拌10L材料用量:水泥=477×0.010=4.77kg
砂=1370×0.010=13.7kg
水=310×0.010=3.10kg
经试拌,测得砂浆拌合物稠度为50mm,分层度为20mm均满足设计要求,又测砂浆拌合物密度为2180kg/m3,实测值与设计值之差的绝对值未超过设计值得2%,则不必进行校正。
4 、M10砂浆基准配合比即为:
1m3砂浆材料用量(kg/m3)水泥:砂:水=477:1370:310 质量比为1:2.87:0.65。
M10砌筑水泥砂浆配合比设计说明
一、设计说明
M10水泥砂浆用于砌体、勾缝、抹面,稠度70-90mm
二、设计依据
1. 《砌筑砂浆配合比设计规程》JGJ 98-2010
2. 《公路工程水泥及水泥混凝土试验规程》JTG E30-2005
3. 《公路工程集料试验规程》JTG E42-2005
5.二阶段施工设计图纸
三、原材料
1. 水泥:毕节赛德水泥有限公司P.O4
2.5
2. 砂:青场砂石厂机制砂
3. 拌合水:自来水
四、计算步骤
1.砂浆试配强度计算
K?
,0=
K?= 1.2*10 = 12.0 MPa
,0=
2 •水泥用量计算
QC= 1000(? m,0- ®/( a ?ce)
=210 Kg
根据经验适当调整,初步确定水泥用量为260Kg
式中?ce-水泥实测强度(MPa),精确至0.1 Mpa;此处取42.5 MPa
a、+为砂浆的特征系数,其中a取3.03,3取15.09
3•每立方米砂浆中的砂用量,按干燥状态,的堆积密度作为计算值;砂的实测自然堆积密度值1631kg/m3
4•每立方米砂浆中的水用量,根据砂浆稠度(70〜90mm)小于70mm;
取水用量260kg.
五、经初步计算和调整水泥用量后的每方材料用量
3
六、计算试5L水泥砂浆的材料用量
表3 5L水泥砂浆拌合物的材料用量
七、经试配后水泥砂浆拌合物性能
表4试配砂浆的基本性能
八、水泥砂浆力学性能试验
表5砂浆的抗压强度(MPa)
九、结果分析:
经检验,从耐久性、强度和经济性综合考虑选定:
水泥:砂:水=260:1631:260为设计配合比。
M10水泥砂浆配合比设计总说明书一、试验所用仪器设备及试验环境试验过程中使用的仪器设备精度、规格、准确性等均符合规范要求,且均通过某省计量测试所检定合格,试验室、标养室,温度、湿度符合规范要求。
二、材料的选用1、水泥:选用分宜海螺牌复合硅酸盐水泥,依据GB/T17671-1999、GB/T1346-2001及GB/T1345-1991试验,各项指标均符合GB175-1999规范要求,详见下表表12、细骨料:选用金凤砂石厂河砂,依据JTJ058-2000试验,其各项指标均符合JTJ041-2000规范要求,详见下表表23、水:饮用水,符合JTJ041-2000规范砼用外加剂要求,其各项性能指标详见厂家产品说明书及外委试验报告。
三、配合比的设计与计算依据JGT98-2000及公路工程国内招标文件范本2003版下册,结合工地实际情况对水泥砂浆进行设计与计算,具体过程如下:1、计算试配强度:f m,o=f2+δ=2、计算每立方米砂浆水泥用量:Qc=1000*(fm,o-β)/( a* f ce )=1000*(9+/*=274 Kg 取水泥用量为444Kg3、选用每立方米砼用水量:m wo=280Kg/m34、计算水灰比:W/C=280/444=5、每立方米砂浆中的砂子用量:采用砂的堆积密度1476 Kg/m36、计算每立方米水泥砂浆用量:Qc=444 Kg m wo=280 Kgm so=1476Kgm co:m so:m wo=444:1476:280=1::四、通过上述(三)的计算,以上计算配合比为基准配合比,另外分别增减水泥用量10%,进行试拌,对其拌和物稠度、分层度分别进行检测,均能满足设计要求,并分别将拌和物制件,标准养护,进行7d和28d的抗压强度检验,详见下表表4试验编号设计强度水灰比砂率(%)试配强度(Mpa)各项材料用量(Kg/m3)设计稠度(mm)实测稠度(mm)7d抗压强度(Mpa)28d抗压强度(Mpa)水泥砂子卵石水外加剂H-064M10/4881476/280/50-7050 H-065M10/4441476/280/50-7060 H-066M10/4001476/280/50-7063五、根据经济合理,保证工程质量,方便施工的原则,拟订表4中试样编号为H-065的配合比为M10水泥砂浆的配合比,具体用于砂浆勾缝、抹面。
M10砌筑水泥砂浆配合比设计说明1.引言M10是一种常用的水泥砂浆,用于砌筑墙体、地面、地下室等建筑结构中。
本文将详细介绍M10砌筑水泥砂浆的配合比设计,包括水泥、砂和水的配比,以及具体操作方法。
2.水泥选择3.砂选择4.配合比设计4.1水胶比:M10水泥砂浆的水胶比一般为0.5-0.6,可根据实际情况适当调整。
4.2物料配比:根据水泥和砂的重量比例确定配比。
一般来说,M10水泥砂浆的配合比为1:3-4,即1份水泥与3-4份砂。
4.3水量确定:根据水胶比和物料配比确定所需的水量。
一般来说,水量约为水泥重量的50%-60%。
5.操作方法5.1材料准备:将所需的水泥、砂和水按照配合比准备好。
5.2水泥砂浆制备:将水泥和砂进行干拌,然后逐渐加入适量的水,搅拌均匀。
搅拌时间应控制在3-5分钟,使得砂浆具有良好的可塑性和均匀性。
5.3搅拌验证:将制备好的水泥砂浆放置静置5-10分钟,观察其流动性和分层情况,确保搅拌质量满足要求。
5.4施工操作:将搅拌好的水泥砂浆用刮板或大铲铺在需要砌筑的表面上,然后用砌筑工具进行砌筑。
在墙体砌筑时,要注意砂浆的均匀涂抹和墙体砌筑的垂直度、水平度。
6.总结M10砌筑水泥砂浆配合比设计是保证砌筑质量的重要环节。
通过选择合适的水泥和砂,并根据配合比进行搅拌和施工,可以得到具有良好可塑性和均匀性的水泥砂浆。
在实际施工操作中,要注意控制水泥砂浆的质量和施工的垂直度和水平度,以确保砌筑结构的强度和稳定性。
以上是关于M10砌筑水泥砂浆配合比设计的说明,供参考。
具体的配合比设计应根据实际情况和建筑要求进行调整。
M10砂浆配合比设计说明书
一、设计要求
1.砂浆设计强度等级为M10
2.要求砂浆稠度30mm-50mm。
3.砂浆保水率≥80%。
二、设计依据
1.砌筑砂浆配合比设计规程JGJ/T 98-2010
2.建筑砂浆基本性能试验方法标准 JGJ/T 70-2009
3.公路工程集料试验规程JTG E42-2005
4. 公路工程水泥及水泥混土试验规程JTG E30-2005
5.泉州湾跨海大桥A5合同段项目经理部施工图纸
三、使用部位:防护工程等
四、选用材料
1.水泥:建福P.C3
2.5。
批号:, 报告编号:
2.砂:II区中砂,产地:漳州砂, 报告编号:S-12-144。
3.水:饮用自来水,报告编号:11501894
四、配合比计算书:
1、设计条件
配合比使用部位:防护工程等。
设计标号:M10
稠度:30mm ~50mm
砂浆保水率≥80%
2、确定试配强度:f m.o= k*f2=12.5Mpa
3
① (为保证质量取② 计算砂子用量:砂的干燥状态堆积密度为1500 kg/m 3
m so =1500 kg
③ 每立方砂浆用水量:查表取280kg
④ 每立方基准砂浆配合比材料用量:
Q c =330kg m w =280kg m so =1500 kg
以基准砂浆配合比水泥用量分别增加及减少10%试拌,见下表:。
建鸡高速公路虎林至鸡西段工程建设项目(K156+400-K174+004)M10水泥砂浆配合比设计施工单位:大庆建筑安装集团有限责任公司监理单位:黑龙江华龙公路工程咨询监理公司目录1、参考文献2、材料的选择3、砂浆配合比基本参数(稠度)的选择4、砂浆配合比所用水泥量的确定5、砂浆水灰比的确定6、砂浆骨料-砂重量的确定7、砂浆配合比试配、选择与确定8、附录1、参考文献1.1国内公路招标文件范本《技术规范》1.2《砌筑砂浆配合比设计规程》JGJ98-2000(J65-2000);1.3《公路桥梁施工技术规范》JTJ041-2000;1.4《公路工程水泥及水泥混凝土试验规程》JTG E30-2005。
2、所用材料的选择根据建鸡公路招标文件、技术规范的要求及实际料源供应情况(附试验、检测报告资料),我项目部选择材料为(表-1)表-13、基本参数(稠度)的选择,根据检测规范及规范施工要求,选择砂浆稠度为50mm.4、M10砂浆,所用水泥量的确定由公式:Qc=(fm,o-β)×1000/(α×fce)其中fm,o-砂浆试配强度,取fm,o=f2+0.645*σ=10+0.645*2.50=11.6MPafce-水泥实际强度,取42.5MPaα、β-砂浆特征系数,取α=3.03、β=-15.09由此通过计算得M10砂浆所用水泥重量见(表-2)表-25、M10砂浆的砂用量确定根据附表,砂实测堆积密度为1591kg/m3表-36、砂浆配合比的试配、选择与确定根据规范及经验,调整配合比时,增加水泥用量10%、20%,即水泥用量分别为270 kg,297kg,324kg,配合比见(表-4)表-4从表统计数据可见既经济又符合规范的配比见(表-5)表-57、附录7.1水泥物理性能试验报告7.2细集料筛分试验记录表7.3细集料技术性能试验记录表7.4水泥(砂)浆配合比试验报告7.5水泥(砂)浆抗压强度试验记录表建三江至鸡西高速公路虎林至鸡西段建设项目监理单位黑龙江华龙公路工程咨询监理公司编号水泥砂浆配合比试验报告D—63水泥砂浆配合比试验监理单位黑龙江华龙公路工程咨询监理公司编号水泥混凝土(砂浆)抗压强度试验D—13监理单位黑龙江华龙公路工程咨询监理公司编号水泥砂浆配合比试验报告D—63水泥砂浆配合比试验试验监理单位黑龙江华龙公路工程咨询监理公司编号水泥混凝土(砂浆)抗压强度试验D—13。
M10水泥砂浆配合比设计说明一、配合比设计依据:1.《xxx路面工程施工招标文件》;2.《xxx路面工程施工设计文件》;3.《砌筑砂浆配合比设计规程》(JGJ/T98―2010);4.《建筑砂浆基本性能试验方法》(JGJ70-2009);5.《公路工程集料试验规程》(JTJE42-2005);6.《公路工程水泥及水泥混凝土试验规程》(JTG E30-2005);7.《公路桥涵施工技术规范》(JTJ041-2000)。
二、设计要求:1、设计砂浆强度等级:10.0Mpa;2、设计砂浆稠度要求:30~50mm。
三、拟使用工程项目和部位:用于中央分隔带。
四、原材料技术要求:1、水泥厂家:xx水泥制造有限公司,品种标号:P·F32.5级;2、砂产地:xxx河沙销售有限公司;3、水:生活用水。
五、配合比设计过程:1.计算砂浆试配强度f m,0f m,0=kf2=1.20×10=12(Mpa)式中:f m,0—砂浆的试配强度(Mpa);f2—砂浆强度等级值(Mpa);k—系数,按《砌筑砂浆配合比设计规程》(JGJ/T98-2010)表5.1.1,取k=1.20。
2.每立方米砂浆中水泥用量按《砌筑砂浆配合比设计规程》(JGJ/T98-2010)表5.1.2-1及公式5.1.1-3:Q c=1000(f m,0-β)/α*fce=1000*(12+15.09)/(3.03*32.5)=275kg/m3α=3.03 β=-15.09 fce—水泥实测强度取32.5 MPa取Q c=275kg/m3。
3、每立方米砂浆中砂用量按《砌筑砂浆配合比设计规程》(JGJ/T98-2010)表5.1.2-1,取砂的堆积密度值作为每立方米水泥砂浆砂的用量Q s=1515 kg/m3。
4、每立方米砂浆中水用量按《砌筑砂浆配合比设计规程》(JGJ/T98-2010)表5.1.2-1,并根据稠度要求,取Q w=250 kg/m3。
M10水泥砂浆配合比设计说明一、设计资料及依据:1、设计强度:ƒ2=10MPa2、设计用途:砌石工程。
3、设计砂浆稠度:H=50-70mm,分层度<30mm。
4、《施工图设计》、《公路工程集料试验规程》、《砌筑砂浆配合比设计规程》等。
二、原材料:1、水泥:安丘担山产“恒日”牌P.C32.5级水泥。
2、砂:安丘汶河中砂。
3、水:采用洁净的饮用水。
三、配合比设计1、确定砂浆的试配强度ƒm,o查表取:强度标准差σ为2.50Mpa,试配强度ƒm,o= ƒ2 +0.645σ=10+0.645×2.50=11.6Mpa。
2、确定砂浆用水量、水泥用量及砂子用量根据《砌筑砂浆配合比设计规程》表5.2.1及现场施工经验选取:Q W=300kg,Q C=380kg,Q S=14503、确定配合比:水泥:砂子:水W/C=0.79 380 :1450 :3001 :3.82 :0.79将水泥用量上下各调10%,并制作试件两组测其强度。
根据2、3计算步骤,得出配合比为:水泥:砂子:水W/C=0.88 342 :1450 :3001 :4.24 :0.88水泥:砂子:水W/C= 0.72 418 :1450 :3001 : 3.47 :0.724、根据上述三组配合比进行试拌,测得稠度均在设计稠度范围内,分层度满足要求且和易性好,用7.07*7.07*7.07的标准试模进行制件,测其28天抗压强度,最终确定配合比。
5、从强度结果看,试验室建议采用水灰比为0.79这组配合比进行现场施工,即:水泥:砂子:水380 :1450 :300质量比: 1 :3.82 :0.79。
M10砌筑水泥砂浆配合比设计说明一、设计说明M10水泥砂浆用于勾缝、抹面,稠度50-70mm二、设计依据1.《砌筑砂浆配合比设计规程》JGT/T98-20102.《建筑砂浆基本性能试验方法标准》JT G/T70-20093.《公路工程水泥及水泥混凝土试验规程》JTG E30-20054.《公路工程集料试验规程》JTG E42-20055.《公路桥涵施工技术规范》JTG/T F50-20116.《国横道12普立(滇黔界)至宣威高速公路第十合同段二阶段施工图设计》三、原材料2.砂:落水花椒山砂石厂机制砂3.拌合水:虎头山拌合水源四、计算步骤1.砂浆试配强度计算ƒm,0=κƒ2表1 砂浆强度标准差及σ及κ值ƒm,0=κƒ2= =MPa2.水泥用量计算QC=1000(ƒm,0-β)/(α·ƒce)==根据经验适当调整,初步确定水泥用量为Kg。
式中ƒce-水泥实测强度(MPa), Mpa;此处取 MPaα、β-为砂浆的特征系数,其中α取3.03,β3.每立方米砂浆中的砂用量,按干燥状态(含水率小于0.5%),的堆积密度作为计算值;砂的实测自然堆积密度值kg/m34.每立方米砂浆中的水用量,可根据砂浆稠度等要求选用210~310kg;此处根据砂浆细度模数及石粉含量取262kg。
五、经初步计算和调整水泥用量后的每方材料用量表2 M10砌筑水泥砂浆材料用量(kg/m3)六、计算试6L水泥砂浆的材料用量表3 6L水泥砂浆拌合物的材料用量七、经试配后水泥砂浆拌合物性能表4 试配砂浆的基本性能注:表观密度精确到10 Kg/ m3。
八、水泥砂浆力学性能试验表5 砂浆的抗压强度(MPa)九、通过试验确定基准配合比为水泥kg,砂kg,水kg。
表6 基准配合比确定。
M10砂浆配合比设计说明书一、试验所用仪器设备及试验环境:试验过程中所进行各项试验项目用的仪器设备精度、规格、标准性等均符合规范要求,且均通过江西东华计量测试研究所检定合格;水泥试件、水泥砂浆试件进行标准养护,温度及环境均符合要求。
二、材料的选用:1、水泥:选用江西瑞金万年青水泥有限公司P.O42.5水泥,依据JTG E30—2005GB/T1346-2011 GB/T 208-2014 GB/T 8074-2008试验,各项指标均符合GB/175—2007要求,详见下表表12、河砂:选用会昌砂场,依据JTG E42—2005试验,各项指标均符合JTG/TF50-2011要求,详见下表表2三、配合比的设计与计算:本配合比设计强度为M10,主要用于浆砌抹面施工,设计施工稠度为70-90mm。
(一)配合比计算1、计算试配强度:f m.o=Kf2 =10*1.2=12Mpa1(注:б选用施工水平一般:1.20)2、计算f ce值:f ce=r c*f ce,K=1.0*42.5=42.5(注:r c为水泥富余系)3、计算水泥用量:C=1000*(f mo-β)/(α*f ce)=1000*(12+15.09)/(3.03*42.5)=210Kg/m3根据施工需要水泥用量选用:300Kg/m34、计算河砂用量:经试验河砂堆积密度为1504kg/ m3,因此确定河砂用量为1504kg/ m3。
5、计算每立方米砂浆用水量:根据砂浆的设计稠度和现场施工条件经试验确定用水量为316 kg/ m3。
6、每立方米砂浆各种材料用量:水泥:河砂:水=300:1504:316(二)检验强度,确定试验室配合比根据以上提出的基准砼配合比,另外两个配合比分别±10%水泥用量。
通过水泥砂浆配合比拌和试验,对其拌合物分别进行了检测,各项数据见下表:表3由上表可知,水灰比1.05的水泥砂浆试件28天抗压强度为13.8/14.0Mpa,完全满足试配强度。
M7.5砂浆配合比设计说明书一、设计依据1、JGJ/T98-2010 《砌筑砂浆配合比设计规程》2、JTG/T F50-2011 《公路桥涵施工技术规范》3、JTG E42-2005 《公路工程水泥及水泥混凝土试验规程》4、JTG E30-2005 《公路工程集料试验规程》二、设计指标该砂浆用于路基桥涵等砌筑工程施工,设计标号M7.5,设计稠度30~50mm。
三、原材料品种规格及质量1、原材料品种规格及产地水泥: P.O 42.5,产地:舟山宇锦细集料:淡化砂产地:马岙砂厂细砂。
水:自来水无杂质2、细集料试验汇总细集料各项指标试验结果汇总表(表二)试验项目细度模数含泥量(%)试验结果 1.90 0.63、水泥试验汇总p.o42.5级水泥各项指标试验结果汇总表(表三)试验项目细度(%)标准稠度(%)凝结时间(min)安定性抗折强度(Mpa)抗压强度(Mpa)初凝时间终凝时间3d 28d 3d 28d试验结果/ 28.0 185 260合格6.0 8.2 26.9 52.0四、配合比计算与确定1、计算砂浆配制强度fm,o 查表选σ=1.88,K=1.20F m,o =kf2=1.20×7.5=9.0Mpa2、计算水泥用量QCQ C =1000(Fm,o-β)/(αfce)=1000(9.0+15.09)/(3.03×42.5)=187kg,式中水泥富余系数fce 取1.0,,,fce=42.5×1.0=42.5Mpa,α=3.03,β=-15.09。
根据计算结果结合以往的经验,选定水泥用量为280kg。
3、确定每立方米砂子用量实测砂子的堆积密度为1378kg/cm3。
4、确定用水量为340 kg/cm3。
五、确定基准配合比:按照计算确定的配合比试拌,试验检测砂浆稠度为45mm。
砂浆的保水性和粘聚性等工作性符合要求。
据此确定基准配合比为:水泥:砂:水280 :1350 :340水灰比为1.21。
M10水泥砂浆配合比设计总说明书
一、试验所用仪器设备及试验环境
试验过程中使用的仪器设备精度、规格、准确性等均符合规范要求,且均通过某省计量测试所检定合格,试验室、标养室,温度、湿度符合规范要求。
二、材料的选用
1、水泥:选用分宜海螺牌复合硅酸盐水泥,依据GB/T17671-1999、GB/T1346-2001及GB/T1345-1991试验,各项指标均符合GB175-1999规范要求,详见下表
表1
2、细骨料:选用金凤砂石厂河砂,依据JTJ058-2000试验,其各项指标均符合JTJ041-2000规范要求,详见下表
表2
3、水:饮用水,符合JTJ041-2000规范砼用外加剂要求,其各项性能指标详见厂家产品说明书及外委试验报告。
三、配合比的设计与计算
依据JGT98-2000及公路工程国内招标文件范本2003版下册,结合工地实际情况对水泥砂浆进行设计与计算,具体过程如下:
1、计算试配强度:
f m,o=f2+δ=
2、计算每立方米砂浆水泥用量:
Qc=1000*(fm,o-β)/(a* f ce)=1000*(9+/*=274 Kg 取水泥用量为
444Kg
3、选用每立方米砼用水量:
m wo=280Kg/m3
4、计算水灰比:
W/C=280/444=
5、每立方米砂浆中的砂子用量:
采用砂的堆积密度1476 Kg/m3
6、计算每立方米水泥砂浆用量:
Qc=444 Kg m wo=280 Kg
m so=1476Kg
m co:m so:m wo=444:1476:280=1::
四、通过上述(三)的计算,以上计算配合比为基准配合比,另外分别增减水
泥用量10%,进行试拌,对其拌和物稠度、分层度分别进行检测,均能满足设计要求,并分别将拌和物制件,标准养护,进行7d和28d的抗压强度检验,详见下表
表4
试验编号设计
强度
水
灰
比
砂率
(%)
试配强
度(Mpa)
各项材料用量(Kg/m3)
设计稠
度
(mm)
实测
稠度
(mm)
7d抗压
强度
(Mpa)
28d抗压
强度
(Mpa)
水
泥
砂子
卵
石
水
外
加
剂
H-064M10/48
8
1476/280/50-7050
H-065M10/44
4
1476/280/50-7060
H-066M10/4001476/280/50-7063
五、根据经济合理,保证工程质量,方便施工的原则,拟订表4中试样编号
为H-065的配合比为M10水泥砂浆的配合比,具体用于砂浆勾缝、抹面。
六、附件
1、水泥砂浆设计配合比试验记录
2、水泥物理力学性能试验记录
3、砂子试验记录。