司炉工岗位说明书范例(动力车间)
- 格式:doc
- 大小:39.50 KB
- 文档页数:2
司炉工岗位职责(优秀6篇)司炉工岗位职责篇一一、在总值班和带班班长的领导下,根据规定的供热指标和时间进行司炉操作,必须服从分配,应严格执行各项规章制度和操作规程。
二、司炉工以下程序进行操作:起火前首先检查循环水泵入口处的静压在2.2-2.5㎏,否则应及时补水。
然后起动循环水泵,引风机、鼓风机,适当调整风量、风压,使炉膛内的煤引燃后,再起动炉排。
注意观察煤的`燃烧情况,适时调节煤层厚度及进风量,使炉排上煤层充分燃烧,且使炉排尾部留有0.4米长燃尽区,含碳量不高于壹五%。
锅炉动迁过程中,应密切注意各项温度值与压力表的显示情况,注意防止炉排前段预热区直接燃烧,防止煤斗引燃。
随时观察炉排的工作情况,发现有跑偏、卡信、漏火、断火现象发生,在采取紧急措施的同时,应立即报告带班人员。
压火时必须先停鼓风机、后停引风机,而且应使炉排继续推出未烯煤层0.8-1米后,再停炉排。
然后关闭炉门、打开灰门。
待给水温度降到40℃以下时,方可停循环水泵。
三、锅炉运行过程中,司炉人员必须认真监护供热系统的标准水压,及时补水,保持水压稳定。
严禁正压或者强负压运行。
一旦发生水压骤降时,必须立即停炉,马上报告主管人员。
四、当班司炉工,工作中要坚守岗位,集中精力,严格操作,严禁擅自脱离岗位,当班时不看书、不看报、不打瞌睡,严禁做与工作无关的事情。
严格执行交接班制度,认真记好司炉值班记录。
五、锅炉运行中,必须坚守哦,随时监护炉内燃烧情况,进风量大小,适时调节炉排温度,尽量保证主燃段满火,前区预热,后区燃尽、严防烧煤斗。
应随时监护各种仪表指示情况。
六、当班司炉工应负责:锅炉房二层的防火、防盗及安全卫生工作,并负责锅炉对流管束,水冷壁积灰的清理工作,做到每班清掏一次。
七、对锅炉及辅助设备定期进行检查,确保锅炉安全动迁。
八、努力学习专业知识,精通业务,钻研技术,不断提高操作水平,确保锅炉安全经济进行。
九、在停炉检修或间歇时,完成领导临时交办的工作。
司炉工工作职责范文一、监督和操作锅炉设备:1.根据生产计划和工艺要求,准确掌握锅炉设备的运行参数,监测锅炉水位、压力和温度等指标,保持正常运行状态;2.负责调整锅炉的燃烧器和风机的工作状态,确保燃烧效果良好,烟尘排放符合环保标准;3.定期巡视锅炉设备,检查炉膛、烟道和燃烧系统等部件的损坏情况,及时进行维修和更换;4.掌握各种安全保护装置的工作原理,确保锅炉设备的安全运行。
二、维护和保养锅炉设备:1.根据锅炉设备的维护计划,定期进行设备的清洗、检修和保养,保持设备的正常运转;2.清理锅炉内部的积尘和沉渣,保证锅炉设备的热传导效果;3.定期检查锅炉设备的密封件和各种管道的连接情况,及时进行维修和更换;4.保持锅炉设备的清洁卫生,防止外界杂质进入设备并影响正常运行;5.参与锅炉设备的改造和升级工作,提高设备的效率和安全性能。
三、控制燃料和能源消耗:1.合理控制燃料的投放量和燃烧速度,确保锅炉设备的热效率达到最佳状态;2.监测燃料的库存情况,做好燃料的储备和供应计划;3.提醒上级和使用部门及时采购燃料,避免因燃料不足而影响生产;4.监控能源的消耗情况,寻找降低能源消耗的方法和措施;5.定期检查锅炉设备的节能措施,提出改进意见和建议,降低能源浪费。
四、故障排除和应急处理:1.及时发现锅炉设备的运行故障,并准确判断故障原因;2.根据故障的性质和情况,采取相应的修理措施和应急处理方法;3.配合维修人员进行设备的维修和更换,确保设备迅速恢复正常;4.做好故障的记录和分析,总结故障发生的原因,提出防止类似故障的改进措施。
五、安全生产和职业健康:1.严格遵守安全操作规程,确保锅炉设备的安全运行;2.参与安全检查和评估工作,及时发现和排除安全隐患;3.参与应急演练和事故处理工作,做好事故预防和应急救援准备工作;4.关注并执行相关的职业健康和安全培训,提高自身的职业素养。
六、团队合作和工作协调:1.与其他工作人员沟通协调,确保生产任务的顺利完成;2.共同参与团队内的工作分配和协作,完成上级交给的其他相关工作;3.积极参与工作例会和培训,提升工作技能和知识水平;4.主动向上级汇报工作进展和问题,寻求上级的指导和支持。
司炉工人的职责范本司炉工人的职责是负责炉膛的运行和维护,以保证炉膛正常运转,同时确保生产过程的安全和高效。
一、安全职责:1. 遵守公司和国家安全规定和操作程序,确保工作安全;2. 熟悉并掌握炉膛的结构、运行原理及相关操作规程,做到安全操作;3. 负责炉膛的日常检查、保养和维修工作,及时排除设备故障;4. 配合相关部门做好安全生产考核和事故应急响应工作;5. 严格执行防火、防爆、防毒等安全操作。
二、操作职责:1. 根据生产计划准确安排炉膛使用,在炉膛内进行物料装载、点火、加温等操作;2. 控制燃烧过程中的温度、压力、氧气含量、流量等参数,确保炉膛稳定运行;3. 配合其他部门进行设备间的物料输送、转运及相关设备的使用;4. 协助质检部门进行产品质量检验,确保产品达到标准要求;5. 记录相关生产数据和技术参数,及时填写相关操作记录。
三、维护职责:1. 定期对炉膛设备进行巡检,如发现异常情况及时处理或上报;2. 负责炉膛设备的日常保养,定期对设备进行润滑、清洁和检修;3. 向上级汇报炉膛设备的运行情况及问题,并提出改进建议;4. 指导新员工进行炉膛设备的操作、保养和维修,确保工作效果;5. 协助工程部门进行设备改造和维修,确保炉膛设备的可靠性和稳定性。
四、团队合作:1. 积极配合其他部门的工作,共同完成生产任务;2. 建立良好的团队合作关系,互相尊重和支持;3. 参与公司内部培训和交流,提升自身专业技术水平;4. 向上级提供改进建议,优化炉膛运行和生产流程;5. 与同事分享工作经验,共同提高工作效率和质量。
以上即是司炉工人的职责范本,根据具体工作场景和要求,还可以进一步细化和完善。
司炉工工作职责范本一、监督和操作锅炉设备:1.根据生产计划和工艺要求,准确掌握锅炉设备的运行参数,监测锅炉水位、压力和温度等指标,保持正常运行状态;2.负责调整锅炉的燃烧器和风机的工作状态,确保燃烧效果良好,烟尘排放符合环保标准;3.定期巡视锅炉设备,检查炉膛、烟道和燃烧系统等部件的损坏情况,及时进行维修和更换;4.掌握各种安全保护装置的工作原理,确保锅炉设备的安全运行。
二、维护和保养锅炉设备:1.根据锅炉设备的维护计划,定期进行设备的清洗、检修和保养,保持设备的正常运转;2.清理锅炉内部的积尘和沉渣,保证锅炉设备的热传导效果;3.定期检查锅炉设备的密封件和各种管道的连接情况,及时进行维修和更换;4.保持锅炉设备的清洁卫生,防止外界杂质进入设备并影响正常运行;5.参与锅炉设备的改造和升级工作,提高设备的效率和安全性能。
三、控制燃料和能源消耗:1.合理控制燃料的投放量和燃烧速度,确保锅炉设备的热效率达到最佳状态;2.监测燃料的库存情况,做好燃料的储备和供应计划;3.提醒上级和使用部门及时采购燃料,避免因燃料不足而影响生产;4.监控能源的消耗情况,寻找降低能源消耗的方法和措施;5.定期检查锅炉设备的节能措施,提出改进意见和建议,降低能源浪费。
四、故障排除和应急处理:1.及时发现锅炉设备的运行故障,并准确判断故障原因;2.根据故障的性质和情况,采取相应的修理措施和应急处理方法;3.配合维修人员进行设备的维修和更换,确保设备迅速恢复正常;4.做好故障的记录和分析,总结故障发生的原因,提出防止类似故障的改进措施。
五、安全生产和职业健康:1.严格遵守安全操作规程,确保锅炉设备的安全运行;2.参与安全检查和评估工作,及时发现和排除安全隐患;3.参与应急演练和事故处理工作,做好事故预防和应急救援准备工作;4.关注并执行相关的职业健康和安全培训,提高自身的职业素养。
六、团队合作和工作协调:1.与其他工作人员沟通协调,确保生产任务的顺利完成;2.共同参与团队内的工作分配和协作,完成上级交给的其他相关工作;3.积极参与工作例会和培训,提升工作技能和知识水平;4.主动向上级汇报工作进展和问题,寻求上级的指导和支持。
司炉工岗位职责范文一、岗位概述司炉工作是指在工业企业中负责炉窑的操作和维护工作。
司炉工需要掌握炉窑的操作技术,负责燃料的供给和燃烧控制,同时还要负责炉窑设备的维护和修理工作。
二、岗位职责1. 炉窑操作1.1 根据生产计划,掌握炉窑操作的时间和温度要求,合理安排生产进度;1.2 负责炉窑的开启、关闭以及正常运行过程中的操作控制;1.3 熟悉各种炉窑的操作要点,严格按照操作规程进行操作,确保产品质量符合要求;1.4 根据炉窑运行状态和产品要求,及时调整燃烧控制参数,确保炉温稳定。
2. 燃料供给和燃烧控制2.1 根据炉窑的燃烧系统和产品产量要求,合理计算燃料的供给量;2.2 负责炉窑燃烧设备的点火和燃烧控制,确保炉窑内的燃烧过程正常进行;2.3 监控燃烧过程中的温度和压力变化,及时调整燃烧参数,保持炉窑内的温度和气氛稳定。
3. 设备维护和修理3.1 负责炉窑设备的日常维护工作,包括润滑、清洁、紧固等;3.2 及时发现设备故障并进行维修,确保设备能够正常运行;3.3 参与设备的大修和检修工作,执行维修计划,进行设备的拆卸、检修和组装。
4. 生产记录和报告4.1 记录炉窑的开启、关闭时间以及操作参数等关键信息;4.2 记录炉窑的运行状态和产品质量情况,及时上报相关部门;4.3 准确填写炉窑的保养维修记录,为设备维护和技术改进提供依据。
5. 安全生产负责5.1 遵守企业的安全生产制度和操作规程,严格执行安全操作程序;5.2 定期检查炉窑设备的安全装置和防护设施,确保其正常运行;5.3 发现安全隐患和事故隐患时,立即上报相关部门,并采取有效措施进行处理。
6. 技术培训和学习6.1 参加企业组织的相关培训和学习,提升自己的专业技能;6.2 关注炉窑设备的最新技术和发展趋势,及时了解并应用新技术。
三、任职要求1. 具备相关炉窑操作和维护经验,熟悉炉窑的运行原理和操作规程;2. 具备一定的电气知识和机械基础,能够进行简单的设备维修和故障处理;3. 具备良好的安全意识和责任心,遵守安全生产规定,能够正确处理紧急情况;4. 具备团队合作精神和沟通能力,能够与其他部门和人员配合工作;5. 具备良好的学习能力和自我提升意识,能够不断学习新知识和技能;6. 具备良好的抗压能力和应变能力,能够适应工作压力和变化。
司炉人员岗位责任制模版一、岗位概述司炉人员是负责驾驶蒸汽锅炉、热水锅炉和压力容器等相关设备的运行、维护和管理,确保设备的正常运行和生产安全的专业人员。
岗位要求具备一定的技术、管理和安全意识,在工作中能够熟练操作锅炉设备,并负责设备的日常维护和保养。
二、岗位职责1. 遵守公司的各项规章制度和安全操作规程,确保锅炉设备的正常运行和生产安全;2. 负责设备的启动、停机和调试,并按照操作规程进行操作,确保设备运行稳定;3. 负责设备的日常维护和保养,包括清洗、检查、润滑等工作,确保设备的正常运行;4. 做好设备的日常巡检工作,及时发现并处理设备故障,确保设备的安全可靠运行;5. 负责设备的安全保护工作,包括温度、压力等的监控和调节,确保设备运行的安全性;6. 参与设备的维修和大修工作,配合维修人员进行设备的维修和更换工作;7. 参与设备的安全培训和考核工作,不断提高自身的技术和安全意识;8. 完成上级交办的其他工作。
三、任职条件1. 熟悉锅炉设备的操作原理和维护知识,具备相关的操作证书;2. 具备一定的机械、电气维修能力和知识;3. 具备安全操作意识和应急处理能力,能够在紧急情况下快速应对和处理;4. 具备团队合作意识和良好的沟通能力,能够与其他岗位人员协作配合;5. 具备一定的学习能力和适应能力,能够适应高压、高温和高负荷的工作环境;6. 有相关工作经验者优先。
四、工作时间和工作条件1. 工作时间:正常工作时间为8小时,根据工作需要有可能需要加班或轮班工作;2. 工作条件:工作环境可能存在高压、高温等危险条件,需要穿戴相关的防护装备;3. 薪资待遇:根据公司规定,结合个人工作经验和能力给予合理薪资待遇。
五、工作绩效考核1. 完成工作目标:根据岗位职责要求,按时、按质、按量完成工作任务;2. 工作安全:严格遵守安全操作规程,防范和避免设备故障和事故的发生;3. 维护维修工作:按时检修设备,预防和排除设备故障,确保设备的正常运行;4. 合作协调:积极与其他相关岗位人员协作,共同完成团队任务;5. 学习成长:参加相关培训和学习,提高自身的技术和管理能力。
你若盛开,蝴蝶自来。
司炉工岗位职责说明文司炉工岗位职责说明文一、在总值班和带班班长的领导下,依据规定的供热指标和时间进行司炉操作,必需听从安排,应严格执行各项规章(制度)和操作规程,司炉工岗位职责说明文。
二、司炉工以下程序进行操作:起火前首先检查循环水泵入口处的静压在2.2-2.5㎏,否则应准时补水。
然后起动循环水泵,引风机、鼓风机,适当调整风量、风压,使炉膛内的煤引燃后,再起动炉排。
留意观看煤的燃烧状况,适时调整煤层厚度及进风量,使炉排上煤层充分燃烧,且使炉排尾部留有0.4米长燃尽区,含碳量不高于15%。
锅炉动迁过程中,应亲密留意各项温度值与压力表的显示状况,留意防止炉排前段预热区直接燃烧,防止煤斗引燃。
随时观看炉排的工作状况,发觉有跑偏、卡信、漏火、断火现象发生,在实行紧急措施的同时,应马上报告带班人员。
压火时必需先停鼓风机、后停引风机,而且应使炉排连续推出未烯煤层0.8-1米后,再停炉排。
然后关闭炉门、打开灰门。
待给水温度降到40℃以下时,方可停循环水泵,资料共享平台《司炉工岗位职责说明文》(https://.unjs)。
三、锅炉运行过程中,司炉人员必需仔细监护供热系统的'标准水压,准时补水,保持水压稳定。
严禁正压或者强负压运行。
一旦发生水压骤降时,必需马上停炉,立刻报告主管人员。
四、当班司炉工,工作中要坚守岗位,集中精力,严格操作,严禁擅自脱离岗位,当班时不看书、不看报、不打瞌睡,严禁做与工作无关的事情。
严格执行交接班制度,仔细记好司炉值班记录。
第1页/共2页千里之行,始于足下。
五、锅炉运行中,必需坚守哦,随时监护炉内燃烧状况,进风量大小,适时调整炉排温度,尽量保证主燃段满火,前区预热,后区燃尽、严防烧煤斗。
应随时监护各种仪表指示状况。
六、当班司炉工应负责:锅炉房二层的防火、防盗及平安卫生工作,并负责锅炉对流管束,水冷壁积灰的清理工作,做到每班清掏一次。
七、对锅炉及帮助设备定期进行检查,确保锅炉平安动迁。
司炉工岗位描述
【操作环境】领导好!欢迎光临!这里是锅炉房。
本房有DZL4-1.25型锅炉2台(4指锅炉额定蒸发量每小时4吨,1.25指额定出口蒸汽压力1.25兆帕),全自动271型锅炉控制装置2台,LGG-5X 锅炉给水泵4台。
【主要任务】我的主要任务是:坚守岗位,监视各种仪表运行,做好打气、供暖工作。
【岗位风险】我的岗位风险有:保护失灵,事故停炉。
【操作要领】我的操作要领是:启动观察,及时补水,仔细检查各部件。
司炉工手指口述法
1、【立正敬礼】报告领导!我是司炉工×××!
2、【手指口述】接班后,我对工作地点进行了安全确认,没有发现安全隐患。
一切正常(发现×××问题,进行了×××的处理,消除了安全隐患)。
3、【立正敬礼】报告完毕,请领导指示!。
司炉工岗位安全生产职责模版一、岗位背景司炉工是指在燃煤锅炉燃烧系统运行过程中,负责锅炉炉膛内的燃烧管理和监控,以确保锅炉运行的稳定性和安全性。
司炉工在燃煤锅炉的运行过程中具有重要的职责和作用,必须具备一定的技术和职业素养。
二、岗位职责1. 熟悉锅炉炉膛内的燃烧系统,了解炉膛结构、燃烧设备和操作规程,能够准确判断燃烧状态和调整操作参数。
2. 负责炉膛内的燃烧管理,包括燃烧温度、燃料供给、风量调节等操作,确保炉膛内的燃烧稳定和高效。
3. 监控锅炉运行过程中的各项参数,如水位、压力、温度等,及时发现异常情况并采取相应的措施进行处理。
4. 配合锅炉操作人员进行锅炉启停、调试和维护,确保锅炉的正常运行和设备的安全性。
5. 负责对锅炉烟气进行监测和处理,确保排放的烟气符合环保要求。
6. 参与锅炉事故应急处置工作,按照应急预案采取相应的措施,防止和减少事故的发生和扩大。
7. 负责锅炉设备的日常巡检和维护,检查燃烧设备的运行状态和维修情况,并及时报告和处理异常情况。
8. 参与安全培训和教育活动,提高安全意识和技能水平,掌握应急救援措施和技术知识。
9. 遵守相关的法律法规和安全制度,执行公司和工地的安全操作规程,严禁违章作业和违规行为。
10. 提出安全改进建议,参与安全管理工作,积极配合安全主管和安全监督人员的工作。
11. 处理上级交办的其他与安全生产相关的工作。
三、工作条件1. 工作环境:司炉工在工作过程中需要进入锅炉炉膛内进行操作和维护,因此需要在高温、高压和脏乱的环境中工作。
2. 工作时间:司炉工需要按照工地和公司的工作时间安排进行工作,包括早班、中班和晚班轮班制。
3. 职业技能:司炉工需要具备一定的职业技能,包括熟悉锅炉燃烧系统的操作和维护,了解锅炉的工作原理和技术参数。
四、工作安全注意事项1. 在进入锅炉炉膛内工作时,必须佩戴相应的防护装备,如耐高温手套、防火服、防护眼镜等。
2. 在进行锅炉操作时,必须按照标准操作规程进行,严禁违章作业和违规行为。
岗位职务说明书模版部 门:xx 部 岗位名称:xxx经理 岗位人员:上级岗位:xxx 总监上级姓名:任期: 批准:岗位定位(岗位存在的理由,限度和目标)工作关系图:素质要求:(履行本岗位职责必须的教育程度、经验、特殊知识、技能)教育程度:经 验:特殊知识:技 能:其他要求:部门内部公司内部公司外部部门内部人责任和工作《岗位职务说明书》的内容和填写方法:1、基本情况描述:在《岗位职务说明书》最上端。
“部门名称”填写所在部门的名称(如营销管理中心品牌推广部、财务管理中心、鞋业研发中心内销部等),“岗位名称”, 填写指示岗位工作性质和内容的名称;“岗位人员”,由岗位人员签字;“任期”,填年/月/日- 年/月/日; “上级岗位”,填考核人的职位; “上级姓名”,填考核人的姓名; “批准”,由上一级经理签字。
2、岗位定位:描述岗位存在的理由、限度和目标。
存在的理由,即为什么而设此岗;限度,工作的依据是什么;目标,应该达到一个什么样的目标。
模式如下:为了……在……达到……目标例: 为了满足公司人才需求, 在公司人力资源政策指导下, 招聘、选拔人材,做好试用期员工的服务与管理工作。
3、工作关系图:图示岗位的工作对象。
包括三部分,“公司外部”,填公司外部的工作对象;“公司内部”,填公司内部非本部门的工作对象;“部门内部”,填“定一级, 看一级”图示,填入直接上级和间接上级,或直接下级和间接下级,没有的不填。
4、素质要求:描述完成目前岗位工作的最低要求,既任职资格教育程度:要求填写最低要求的专业和学历经验:要求填最低经历过的工作性质和年限等特殊知识:指与业务紧密联系的业务和专业知识技能:指完成工作必须的管理能力和业务能力等5、工作与责任:描述岗位的职责和工作内容。
分项填写工作内容、责任范围二个方面。
工作内容:包括三个要素,标题,工作行为的顺序排列,所要达到的结果责任范围:表示是独立负责,还是与人合作,还是协助别人。
岗 位 说 明 书 Job Description岗位报告与督导关系 Reporting Line and Directing Line岗位主要协调关系 Main Coordinative Relationship of the Position部 门协 调内部协调部门:班组人员、设备信息部、安全管理科与班组人员沟通,监控好锅炉,保证安全生产;发现安全隐患及设备故障要及时上报 外部协调部门:无 无职责与任务Responsibilities根据生产生活的需求,监控锅炉系统。
通过正确的司炉操作和水质化验工作,确保锅炉的安全运行,保障蒸汽能源的供应,满足生产对蒸汽的工艺指标的要求。
通过正确的使用和保存水质化验试剂,防止对环境的污染和对人体的危害。
岗位安全职责 Responsibilities Of Safety岗位名称 Position Name 司炉工所属部门 Department 动力部岗位等级 Position Grade六岗 岗位编码 Position Code岗位概述 Position Summary严格按照操作规程,对设备进行操作与监护,确保设备的安全运行,并满足生产工艺指标。
运转班长司炉工1、执行部门和班组的各项安全要求。
2、实施运转操作日常安全检查,及时发现设备的不安全状态,制止和纠正生产现场的不安全行为。
3、及时整改部门下达的隐患通知,不能自行及时解决的安全隐患和重大隐患要及时上报部门管理人员进行整改,并对隐患整改进行过程监控。
4、按照安全要求定期接受班组安全培训与教育。
5、对使用和管理的设备设施的维护保养工作进行及时跟踪检查,保证其满足正常使用要求。
6、严格执行作业文件中的环保、安全要求,确保锅炉、水处理操作等特种作业的安全。
7、在作业活动中按要求正确使用安全防护用品。
任职资格Requirements1.学历与专业要求初中以上学历2.职业资格要求持有锅炉水处理证、司炉证3.工作经验要求熟悉配送汽相关要求4.行业经验要求了解烟草制造的基本工艺与流程5.职位经验要求6.培训经历要求培训内容√= 要求目标管理项目管理专业知识√7.综合能力要求能力要求能力种类1=一定2=较好3=良好4=较强决策能力√分析判断能力√组织计划能力√沟通谈判能力√学习创新能力√应变能力√文字表达能力√承受压力能力√考核目标Objective of Responsibilities1、部门各项管理制度的执行情况。
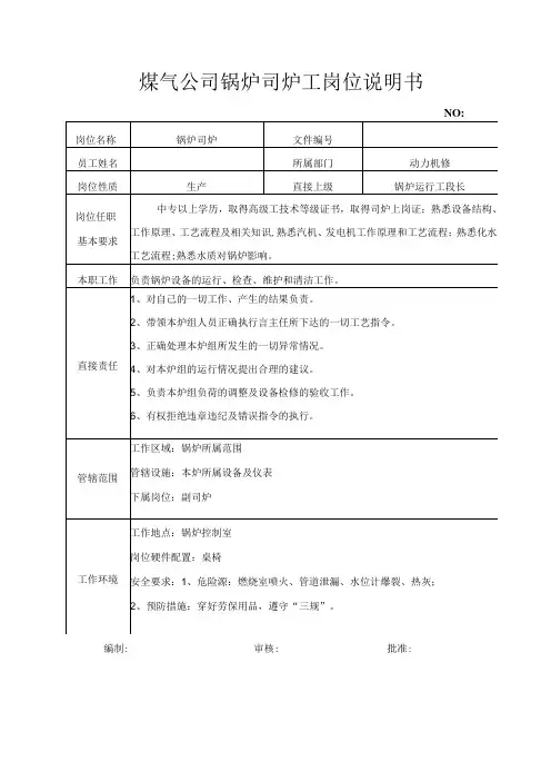
司炉工岗位说明书
一、 基本资料:
1、岗位名称:司炉工,岗位编号:DLCJ —W004
2、直接主管领导:车间主任。
3、所属部门: 动力车间。
4、现有定员: 10人。
5、重要程度:
—— ISO9000质量体系: 重要□
主要□ 一般□—— EHS 管理体系:
重要□
主要□ 一般□ 二、 岗位职责
(一)岗位主要职责
1、根据本岗位作业指导书、操作规程等进行规范操作。
2、负责操作水处理设备并对水质进行化验,满足锅炉安全运行对水质的要求。
3、负责对锅炉、分汽缸及其附件进行操作和日常保养、维护,保证全厂蒸汽供应,实现安全送汽。
4、根据生产实际需要,及时调整锅炉设备,避免不必要的浪费,达到节能降耗的目的。
5、随时留意锅炉设备运行状况,及时发现及处理异常情况,确保锅炉设备及其附件处于安全动作状态。
6、保持现场卫生秩序及设备清洁。
7、严格遵守工厂和动力车间制定的各项规章制度。
(二)主要业务流程:
1、查看上一班《设备维修记录》、《设备运行检查记录》、《水质化验记录》及《交接班记录》等,并解决上一班遗留问题。
2、做好生产前的准备工作,检查设备是否正常,保证生产正常进行。
3、生产中,按照《作业指导书》及《操作规程》进行规范操作。
4、维修结束,按要求清洁设备与现场卫生。
5、填写《设备维修记录》、《设备运行检查记录》及《交接班记录》等。
6、上下班时严格执行交接班制度。
√ √
三、考核标准:
1、设备无故障率
四、岗位要求:
(一)生理要求:
1、年龄:不限
2、性别:不限
3、健康状况:健康。
4、其他:
(二)知识和技能要求:
1、学历:初中以上学历
2、工作经验:
3、持证上岗:司炉工职业资格证书
4、相关知识:相关工艺、设备知识
5、必需的培训:岗位职责要求的相关培训;
(三)综合素质:
1、职业道德:责任心强
2、理解判断能力:较强
3、组织协调能力:一定
4、学习和创新能力:一定
(四)特殊才能要求:具有良好的品行、安全生产法律法规意识和企业忠诚度。
2。