各种沥青技术指标
- 格式:doc
- 大小:136.00 KB
- 文档页数:4
沥青沥青混合料技术全参数沥青混合料技术是指将矿料、沥青和填料按一定比例混合而成的道路铺设材料。
它具有良好的抗水性、抗久久性、耐候性和抗疲劳性。
在道路建设中,沥青混合料被广泛应用于路面铺设和修复。
沥青混合料技术的参数包括矿料配合比、沥青质量、填料比例和混合料工艺等。
下面是沥青混合料技术的一些常见参数:1.矿料配合比:矿料配合比是指在单位体积沥青混合料中,各种矿料的质量比例。
通常使用干容重或湿容重表示。
矿料配合比的选择应根据路面使用的要求和施工条件进行考虑。
2.沥青质量:沥青是沥青混合料的胶结材料,对混合料的性能有着重要影响。
沥青的质量参数包括软化点、延度、针入度等。
根据不同的路面要求和气候条件,可以选择不同质量的沥青。
3.填料比例:填料是指用于填充矿料之间的空隙和提高混合料的密实性的颗粒材料。
常用的填料有砂石、矿渣、粉煤灰等。
填料的比例根据混合料的要求进行选择,过多的填料会降低沥青的黏着性,而过少的填料会影响混合料的密实性。
4.混合料工艺:混合料的制备过程中,需要进行一系列的操作,包括矿料的筛分、干湿拌合、沥青的加入和充分混合等。
混合料的工艺参数包括拌合时间、拌合温度、拌合速度等。
这些参数的选择应根据材料的特性和施工条件进行优化。
除了上述参数,还有一些与沥青混合料相关的技术参数也值得关注,如抗剪强度、抗压强度、顶面平整度等。
这些参数对于确保沥青混合料在使用过程中的稳定性、耐久性和平整度具有重要意义。
总之,沥青混合料技术的参数决定了混合料的性能和质量,对于道路建设具有重要的指导作用。
在实际应用中,应根据工程要求和施工条件选择合适的参数,并严格按照标准要求进行控制和调整,以确保沥青混合料的质量和稳定性。
沥青材料沥青材料是由一些极其复杂的高分子碳氢化合物和这些碳氢化合物的非金属(氧、硫、氮)衍生物所组成的黑色或黑褐色的固体、半固体或液体的混合物,憎水性材料,结构致密,几乎完全不溶于水、不吸水,具有良好的防水性,因此广泛用于土木工程的防水、防潮和防渗;沥青属于有机胶凝材料,与砂、石等矿质混合料具有非常好的粘结能力,所制得的沥青混凝土是现代道路工程最重要的路面材料。
石油沥青的组成与结构1.元素组成石油沥青是由多种碳氢化合物及非金属(氧、硫、氮)衍生物组成的混合物,其元素组成主要是碳(80%~87%)、氢(10%~15%);其余是非烃元素,如氧、硫、氮等(<3%);此外,还含有一些微量的金属元素。
2.组分组成通常将沥青分离为化学性质相近、与其工程性能有一定联系的几个化学成分组,这些组就称为“组分”。
我国现行规程中有三组分分析法和四组分两种分析法两种。
石油沥青的三组分分析法将石油沥青分离为油分、树脂和沥青质三个组分。
1)油分为淡黄色透明液体,赋予沥青流动性,油分含量的多少直接影响着沥青的柔软性、抗裂性及施工难度。
我国国产沥青在油分中往往含有蜡,在分析时还应将油、蜡分离。
蜡的存在会使沥青材料在高温时变软,产生流淌现象;在低温时会使沥青变得脆硬,从而造成开裂。
由于蜡是有害成分,故常采用脱蜡的方法以改善沥青的性能。
2)树脂为红褐色粘稠半固体,温度敏感性高,熔点低于100℃,包括中性树脂和酸性树脂。
中性树脂使沥青具有一定塑性、可流动性和粘结性,其含量增加,沥青的粘结力和延伸性增加;酸性树脂含量不多,但活性大,可以改善沥青与其它材料的浸润性、提高沥青的可乳化性。
3)沥青质为深褐色固体微粒,加热不熔化,它决定着沥青的粘结力、粘度和温度稳定性,以及沥青的硬度、软化点等。
沥青质含量增加时,沥青的粘度和粘结力增加,硬度和温度稳定性提高。
石油沥青的技术性质1、粘滞性粘滞性是反映沥青材料内部阻碍其相对流动的一种特性。
各种石油沥青粘滞性的变化范围很大,与沥青组分和温度有关。
沥青技术指标沥青是一种常见的道路材料,其质量和性能直接影响着道路的使用寿命和安全性。
沥青技术指标对于道路建设和维护至关重要。
本文将围绕沥青的物理性质、化学性质、工程性质等方面,详细介绍沥青的技术指标。
一、物理性质1. 密度:沥青的密度是指单位体积下的质量,通常以克/立方厘米表示。
沥青的密度直接影响着道路表层的稳定性和耐久性。
一般来说,密度越大,则沥青的耐久性和承载能力就越强。
2. 黏度:沥青的黏度是指其抵抗外力变形的能力,通常以单位时间内单位面积内层间剪切应力与变形速率的比值来表示。
黏度越高,沥青的裂缝和变形能力越强,同时也有利于提高道路表层的抗水性能。
3. 软化点:沥青的软化点是指其在一定条件下软化变形的温度。
软化点的高低直接影响着沥青在高温环境下的稳定性。
一般来说,软化点越高,则沥青在高温环境下的变形性能越好。
二、化学性质1. Pen值:Pen值是沥青常用的物理指标,是指在一定温度下,100g试样被50g标准滑块质量作用于试样25°C的温度下,标准滑块向下试样滑动5mm的时间,以0.1s为单位的数值。
Pen值越高表明沥青的渗透性越好,对于路面的抗老化性能和耐久性能也有着一定的影响。
2. DSR参数:DSR (Dynamic Shear Rheometer) 是常用的沥青动态剪切试验设备,可以通过测试沥青的复杂剪切模式来获得其动态剪切性能参数,如复位模量、相位角等。
DSR参数可以反映沥青在不同温度和频率下的性能表现,是评价沥青耐久性和耐高温性能的关键指标。
三、工程性质1. 粘附力:粘附力是指沥青与骨料之间的结合力,直接影响着路面的抗水性能和抗反射裂缝性能。
适当的粘附力有助于提高沥青混凝土层的强度和耐久性。
2. 抗老化性能:沥青的抗老化性能是指其在长期受到紫外线、氧化、水分等因素侵蚀后的性能表现。
良好的抗老化性能可以延长道路的使用寿命,减少维护成本。
3. 热稳定性:热稳定性是指沥青在高温环境下的稳定性能,包括耐高温龟裂、抗变形等指标。
京博70沥青指标摘要:1.京博70沥青简介2.京博70沥青技术指标3.京博70沥青的应用领域4.京博70沥青的优缺点分析5.总结正文:京博70沥青是一种高性能的的道路沥青,其在道路建设和维护中有着广泛的应用。
本文将对京博70沥青的各项技术指标进行详细解读,并分析其应用领域、优缺点,以期帮助读者更好地了解和运用这种优质沥青。
一、京博70沥青简介京博70沥青是由我国知名企业京博石化生产的一种道路沥青,其特点是粘度适中、抗裂性能优良、耐磨性好。
京博70沥青符合我国道路沥青的相关标准,适用于各种类型的道路工程。
二、京博70沥青技术指标1.针入度:京博70沥青的针入度在25℃时为70±5(0.1mm),表明其具有良好的流动性和延展性。
2.软化点:京博70沥青的软化点在80℃±2℃范围内,表明其耐热性能良好。
3.延度:京博70沥青的延度在25℃时为>100cm,说明其具有较好的韧性和抗裂性能。
4.闪点:京博70沥青的闪点高于230℃,确保了其使用安全性。
5.密度:京博70沥青的密度在1.05-1.15g/cm之间,有利于提高路面结构的稳定性。
三、京博70沥青的应用领域京博70沥青因其优良的性能,广泛应用于以下领域:1.高速公路、城市快速路、主干道的建设和维护。
2.桥梁、隧道、机场跑道的铺装。
3.停车场地、厂房地面、市政工程等场所的硬化。
4.沥青混凝土、沥青碎石、沥青混合料等材料的制备。
四、京博70沥青的优缺点分析优点:1.优良的抗裂性能,降低了路面裂缝的产生。
2.良好的耐磨性,提高了路面的使用寿命。
3.粘度适中,便于施工和混合料的拌合。
4.较高的安全性,降低了火灾风险。
缺点:1.施工过程中对温度要求较高,施工难度较大。
2.相对较高的成本,可能影响部分项目的经济效益。
五、总结京博70沥青作为一种高性能的道路沥青,其优良的抗裂性能、耐磨性能和安全性使其在道路建设和维护领域得到了广泛应用。
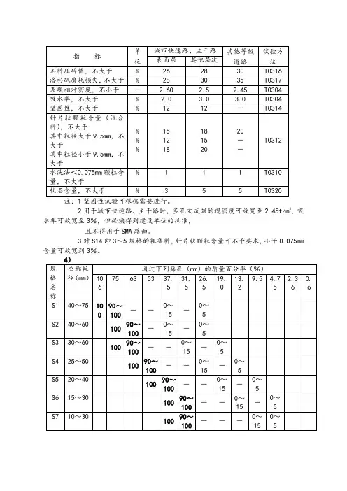
道路石油沥青技术要求
注【1】:30号沥青仅用于沥青稳定基层。
130号和160号沥青除寒冷地区可直接在中低级公路上直接应用外,通常用作乳化沥青、稀释沥青、改性沥青的基质沥青。
注【2】:经建设单位同意,PI值、60℃动力粘度、10℃延度可作为选择性指标,也可不作为施工质量检验指标。
注【3】:70号沥青可根据需要要求供应商提供针入度范围为60~70或70~80的沥青,50号沥青可要求提供针入度范围为40~50或50~60的沥青。
注【4】:用于仲裁试验求取PI时的5个温度的针入度关系的相关系数不得小于0.997.
聚合物改性沥青技术要求
注【1】:135℃运动粘度可采用布什旋转粘度。
注【2】:贮存稳定性指标适用于工厂生产的成品改性沥青。
现场制作的改性沥青对贮存稳定性指标可不作要求,但必须在制作后,保持不间断的搅拌或泵送循环,保证使用前没有明显的离析。
稀浆封层和微表处混合料技术要求。
注:1坚固性试验可根据需要进行。
2用于城市快速路、主干路时,多孔玄武岩的视密度可放宽至2.45t/m3,吸水率可放宽至3%,但必须得到建设单位的批准,且不得用于SMA路面。
3对S14即3~5规格的粗集料,针片状颗粒含量可不予要求,小于0.075mm 含量可放宽到3%。
1)含泥量,对城市快速路、主干路不得大于3%;对次干路及其以下道路不得大于5%。
2)与沥青的粘附性小于4级的砂,不得用于城市快速路和主干路。
求。
8.1.9 沥青混合料配合比设计应符合国家现行标准《公路沥青路面施工技术规范》JTG F40的要求,并应遵守下列规定:1各地区应根据气候条件、道路等级、路面结构等情况,通过试验,确定适宜的沥青混合料技术指标。
2开工前,应对当地同类道路的沥青混合料配合比及其使用情况进行调研,借鉴成功经验。
3各地区应结合当地自然条件,充分利用当地资源,选择合格的材料。
基层施工透层油或下封层后,应及时铺筑面层。
8.5.1 热拌沥青混合料面层质量检验应符合下列规定:主控项目1 热拌沥青混合料质量应符合下列要求:1)道路用沥青的品种、标号应符合国家现行有关标准和本规范第8.1节的有关规定。
检查数量:按同一生产厂家、同一品种、同一标号、同一批号连续进场的沥青(石油沥青每100t为1批,改性沥青每50t为1批)每批次抽检1次。
检验方法:查出厂合格证,检验报告并进场复检。
2)沥青混合料所选用的粗集料、细集料、矿粉、纤维稳定剂等的质量及规格应符合本规范第8.1节的有关规定。
检查数量:按不同品种产品进场批次和产品抽样检验方案确定。
检验方法:观查、检查进场检验报告。
3)热拌沥青混合料、热拌改性沥青混合料、SMA混合料,查出厂合格证、检验报告并进场复检,拌合温度、出厂温度应符合本规范检查数量:全数检查。
检验方法:查测温记录,现场检测温度。
4)沥青混合料品质应符合马歇尔试验配合比技术要求。
检查数量:每日、每品种检查1次。
检验方法:现场取样试验。
石油沥青的四大技术指标1.引言1.1 概述概述石油沥青是一种常用的建筑材料,广泛应用于道路、停车场和人行道等建设中。
作为一种复杂的材料,石油沥青具有多个技术指标,这些指标对于确定沥青的质量和适用性至关重要。
本文将介绍石油沥青的四大技术指标,包括粘度、软化点、针入度和残留物含量。
石油沥青的粘度是指其在规定温度下的黏稠程度。
粘度越高,代表沥青的黏稠度越大,对于道路建设而言,可以提供更好的粘附力和耐久性。
然而,粘度过高会影响施工性能,因此,粘度的控制是石油沥青生产中的一个重要指标。
软化点是指石油沥青在受热作用下开始软化的温度。
这个指标可以反映沥青的变形特性和承载能力。
较高的软化点通常意味着更高的耐高温性和更好的抗车辙性能。
针入度是用来确定石油沥青的硬度和稳定性的指标。
它是指在规定条件下,一个标准试验针在一定时间内穿透沥青的深度。
针入度越小,表示沥青的硬度越大,稳定性越好。
这对于保证道路的平整度和耐久性至关重要。
最后一个指标是残留物含量,它是石油沥青中未挥发部分的含量。
残留物含量通常被认为是一个质量指标,可以预测沥青的耐久性和稳定性。
较低的残留物含量通常意味着更高的沥青品质。
综上所述,石油沥青的四大技术指标包括粘度、软化点、针入度和残留物含量。
这些指标不仅对于沥青的质量评估和品控至关重要,也对于确保建设工程的平稳进行和长期使用具有重要意义。
在接下来的文章中,我们将详细介绍每个技术指标的意义、测试方法以及对沥青性能的影响。
1.2文章结构文章结构部分的内容应包括对整篇文章的框架和组成部分进行说明。
可以按照以下方式编写:文章结构本文将对石油沥青的四大技术指标进行深入探讨。
文章分为引言、正文和结论三个部分。
引言部分引言部分将对石油沥青及其技术指标进行概述,并介绍本文的目的。
正文部分正文部分将详细讨论石油沥青的四大技术指标。
技术指标1在这一部分,将介绍第一个技术指标,并说明其定义、重要性以及所涉及的相关领域。
技术指标2在这一部分,将介绍第二个技术指标,并说明其定义、重要性以及所涉及的相关领域。
沥青技术指标引言沥青作为一种常见的建筑材料,广泛应用于道路铺设、屋顶防水等领域。
为了保证沥青材料的质量和性能,需要进行一系列的技术指标测试。
本文将介绍沥青技术指标的相关内容,包括测试方法、常见指标以及其在工程中的应用。
沥青技术指标的分类沥青技术指标主要可以分为物理指标、化学指标和工程指标三个方面。
1. 物理指标物理指标是对沥青材料的物理性质进行测试和评估的指标。
常见的物理指标包括:•密度:沥青的密度是指单位体积沥青的质量。
该指标可以通过测量沥青的质量和体积来获得。
密度的大小直接影响到沥青的坚固程度和耐久性。
•黏度:沥青的黏度是指沥青流动的阻力。
黏度的测试方法有多种,常见的是使用黏度计进行测试。
黏度的大小与沥青的温度密切相关,通常以温度为参数来描述沥青的黏度。
•软化点:沥青的软化点是指沥青在受热时开始软化变形的温度。
软化点的测试方法有多种,常见的是使用软化点仪进行测试。
软化点的大小与沥青的温度稳定性和抗变形性能有关。
2. 化学指标化学指标是对沥青材料的化学性质进行测试和评估的指标。
常见的化学指标包括:•含沥青量:含沥青量是指沥青在混合料或沥青混凝土中的质量占比。
含沥青量的大小直接影响到混合料或沥青混凝土的性能。
•飞灰含量:飞灰是指在燃烧过程中产生的固体颗粒。
沥青中的飞灰含量是指沥青中固体颗粒的质量占比。
飞灰含量的大小与沥青的纯净度和燃烧性能有关。
•溶解度:沥青的溶解度是指沥青在特定溶剂中的溶解性。
溶解度的测试方法有多种,常见的是使用溶解度试验进行测试。
溶解度的大小与沥青的分散性和可溶性有关。
3. 工程指标工程指标是对沥青材料在实际工程中的性能进行测试和评估的指标。
常见的工程指标包括:•抗剪强度:沥青的抗剪强度是指沥青在受剪载荷作用下的抵抗能力。
抗剪强度的测试方法有多种,常见的是使用剪切试验进行测试。
抗剪强度的大小与沥青的强度和稳定性有关。
•疲劳性能:沥青的疲劳性能是指沥青在交通荷载下的耐久性能。
疲劳性能的测试方法有多种,常见的是使用疲劳试验进行测试。
沥青技术指标一、引言沥青是一种常用的道路建设材料,其品质对道路的性能和耐久性具有重要影响。
沥青技术指标对于道路材料的质量控制和工程施工至关重要。
本文将重点介绍沥青技术指标及其在道路工程中的应用。
二、沥青的基本概念沥青是一种由烃类物质组成的黑色胶状物质,通常采用渣油、原油等石油产品作原料。
它在室温下处于半固态状态,但在受热后可以流动,因此被广泛应用于道路铺设和防水工程中。
沥青主要用于路面、路基和路肩的铺设,以提高道路的耐久性和稳定性。
三、沥青技术指标1. 粘度沥青的粘度是指它在一定温度下的流动性,通常以尺度为单位进行测量。
粘度是衡量沥青是否适合于特定的道路工程的重要参数之一。
在道路建设中,通常需要根据实际施工条件,选择合适的粘度等级的沥青。
2. 软化点沥青的软化点是指在一定条件下,沥青开始软化变形的温度。
软化点对沥青材料在高温环境下的稳定性有着重要的意义。
根据不同的施工环境和气候条件,需要选择适合的软化点范围的沥青,以保证道路在高温条件下的使用寿命。
3. 高温稳定性高温稳定性是指沥青在高温条件下的抗变形能力,主要包括抗软化和抗流失能力。
一般来说,高温稳定性好的沥青能够在高温状况下保持较好的抗变形能力,并且不易流失。
高温稳定性较好的沥青在炎热夏季能够有效保护道路,并延长其使用寿命。
4. 低温抗裂性低温抗裂性是指沥青在低温环境下的抗裂性能,该指标对于寒冷地区的道路建设尤为重要。
低温抗裂性良好的沥青能够在低温环境下保持较好的弹性,有效防止路面出现开裂和龟裂。
5. 粘结性沥青的粘结性是指其与骨料的黏附能力,也是衡量沥青是否能够有效地附着在路面骨料上的重要参数。
粘结性好的沥青能够有效地保持路面的稳定性和耐久性,减少路面破损和磨损。
6. 耐水性耐水性是指沥青材料在受水冲击时的稳定性和耐久性。
沥青道路在雨水冲刷下易出现龟裂、剥落等问题,因此需要选择具有良好耐水性的沥青材料。
7. 可再生性可再生性是指沥青材料的可回收利用性,随着资源回收再利用的重要性日益凸显,这一指标在沥青材料的选择上也逐渐成为一项重要考量因素。
沥青技术指标沥青是一种常用的建筑材料,它在道路建设和其他工程中扮演着非常重要的角色。
为了确保沥青材料的质量和性能,人们需要对其进行严格的技术指标控制。
本文将就沥青的技术指标进行详细介绍,内容包括沥青的物理性质、化学特性、工程应用要求等方面,希望可以对读者有所启发。
一、物理性质1.密度:沥青的密度是指其单位体积内所含质量的大小。
通常情况下,沥青的密度在1.0~1.1g/cm3之间,而不同类别的沥青密度会有所不同。
2.粘度:粘度是衡量沥青流动性能的重要参数,沥青的粘度会受到温度、剪切速率等因素的影响。
一般来讲,采用温度黏度曲线来描述沥青的粘度特性。
3.柔度:沥青的柔度代表了其在不同温度条件下的变形性能。
通过动态剪切测试可以得到沥青在不同温度下的柔度值,用于评价其耐久性和适用范围。
二、化学特性1.组成成分:沥青主要由碳、氢、氧等元素组成,同时还含有少量的硫、氮等杂质。
不同来源的原油会导致沥青成分的差异,因此需要对其成分进行分析和控制。
2.老化特性:沥青的老化特性包括氧化稳定性、变性程度等参数,这些特性对沥青的使用寿命和性能影响非常大,因此需要进行严格的测试和评价。
三、工程应用要求1.稳定性:沥青在路面铺装中需要具有良好的稳定性,不易受到外界因素影响而发生变形或损坏。
2.附着性:沥青与路面基层的附着性直接影响着道路的使用寿命和安全性,因此需要对其附着性能进行检测和评价。
3.耐久性:沥青在长期使用过程中需要具有良好的耐久性,包括抗老化能力、耐热性、耐寒性等指标。
以上就是关于沥青技术指标的一些基本内容,通过对这些指标的详细了解和控制,可以有效提高沥青的质量和性能,保障工程的可靠性和安全性。
希望本文对读者有所帮助。
沥青技术指标沥青技术指标是指在道路建设和维护等领域中,评价和确定沥青质量以及其适用性的一系列标准和要求。
沥青作为道路铺装材料的主要组成部分,其质量直接影响着道路的耐久性、抗压性、抗老化性等指标。
了解沥青技术指标对于工程师、施工单位和相关行业从业者来说至关重要。
一、常见沥青技术指标1. 道路用沥青的黏度沥青的黏度是衡量其流动性和粘附性的重要指标。
一般来说,黏度越高的沥青,其抗流动性越强,有利于在高温下不易变形,而黏度较低的沥青则有利于在低温下不易开裂。
对于道路用沥青来说,其黏度需要保证在不同温度下都能满足道路的使用要求。
2. 软化点沥青的软化点是指在一定外加负荷和升温速率下,沥青从硬变软的温度。
软化点可用来判断沥青的耐高温性和变形性能,软化点越高,沥青的高温稳定性越好。
3. 抗拉强度沥青的抗拉强度是指其抵抗拉伸变形的能力,直接影响着沥青在道路使用中的抗裂性能。
在道路用沥青规范中,往往对其抗拉强度有明确的要求,以确保沥青在交通负荷下不易出现开裂现象。
4. 道路用沥青的稳定性稳定性是指沥青混合料在受到外界作用力时不易发生变形或破坏的性能。
道路用沥青的稳定性一般包括抗沉降和抗脆碎性能的要求,以保证道路使用寿命。
5. 密度和空隙率沥青混合料的密度和空隙率直接关系到道路的耐久性和承载能力。
通常要求的沥青混合料密度要求较高,空隙率较低,以提高路面的质量和使用寿命。
6. 抗老化性能沥青在长期使用过程中可能会受到氧化、紫外线辐射等因素的影响而发生老化。
沥青的抗老化性能也是一个重要的技术指标,要求沥青在长期使用过程中不易变质、裂纹和变形。
以上列举了一些常见的沥青技术指标,具体的指标和要求在不同的地区和道路规范中可能会有所不同。
这些指标都是为了提高道路使用性能和延长路面使用寿命服务的。
通过科学的检测和控制沥青技术指标,可以保证道路的质量和安全,也为公众出行提供保障。
沥青技术指标沥青是一种常见的道路建筑材料,在道路建设和维护中发挥着重要作用。
沥青技术指标对于保障道路质量、延长道路使用寿命、提高道路性能具有重要意义。
本文将就沥青的物理指标、化学指标和工程性能等方面展开叙述。
一、物理指标1. 密度沥青的密度是指单位体积的质量,常用单位是克/立方厘米。
沥青密度的测试可以通过密度计来进行,通常要求其在一定的范围内,以保证沥青的质量和性能。
2. 黏度沥青的黏度是指其流动性,也是其最重要的物理指标之一。
黏度的测试方法有多种,如锥形温度黏度法、旧培黏度法、机械搅拌式黏度法等。
黏度对于沥青在不同温度下的性能具有重要的指导意义。
二、化学指标1. 酸值沥青的酸值是指其中的酸性物质含量,通常以毫克氢氧化钾/克沥青的质量作为计量单位。
高酸值会导致沥青的老化加速,从而影响其使用寿命和性能。
2. 可溶物含量沥青中的可溶物含量是指其中可以溶解于特定溶剂中的物质含量。
该指标反映了沥青的纯度和稳定性,通常要求其含量低于一定的标准值,以保证沥青的质量和性能。
三、工程性能1. 抗剪强度沥青的抗剪强度是指其在受到剪切作用时的抵抗能力,是其工程性能的重要指标之一。
通过加热试验、压实试验等方法来测试其抗剪强度,以保证其在道路施工和使用中的稳定性和耐久性。
2. 粘结性沥青的粘结性是指其与其他材料的粘结能力,包括与骨料的粘结、与基层的粘结等。
保证沥青具有良好的粘结性可以有效提高道路的使用寿命和抗水平。
沥青技术指标涉及到密度、黏度、酸值、可溶物含量、抗剪强度、粘结性等多个方面,这些指标的合理控制和测试对于道路施工和维护具有重要意义。
希望通过本文的讲解,读者能够更深入地了解沥青技术指标,并在实际工作中加以应用。
沥青技术指标有:
•密度:是指沥青的单位体积质量,影响着沥青的耐久性和稳定性。
•粘度:是指沥青的流动性,直接影响着沥青在施工过程中的涂布性能。
•软化点:是指沥青在一定条件下软化的温度,它反映了沥青的高温稳定性。
•塑性:指在外力作用下,产生变形而不破坏,除去外力后,仍能保持变形后形状性质。
•大气稳定性(也称抗老化性):指石油沥青在热、阳光、氧气、温度和潮湿等因素长期综合作用下抵抗老化性能。
•施工安全性:石油沥青在使用时必要加热,当加热到一定温度时,沥青材料中挥发油分蒸汽与周边空气构成混合气体,此混合气体遇火焰则易发生闪火。
•防水性:石油沥青是憎水性胶凝材料,自身构造致密,不溶于水。