ZP041隧道明洞回填分项工程质量检验评定表
- 格式:xls
- 大小:30.50 KB
- 文档页数:1
明洞回填检验批质量验收记录表
主控项目
I.墙背回填应符合下列规定:
(1)自墙顶起坡开挖时,墙背超挖回填应用与边墙强度等级相同的混凝土一次灌筑,超挖较大部位应用浆砌片石回填。
(2)自墙底起坡开挖,或在已成路堑增建明洞或偏压及单压式明洞靠山侧墙背回填应符合设计要求。
检验数量:施工单位、监理单位全部检查。
检验方法:查对设计图、工程检查证、施工记录,观察。
2.洞顶回填高度、坡度、回填材料应符合设计要求。
检验数量:施工单位、监理单位全部检查。
检验方法:查对设计图、工程检验证、观察。
一般项目
1.墙背回填时应与墙后排水设施同时施工,并保证能使渗水顺畅排出。
检验数量:施工单位全部检查。
检验方法:查施工记录,观察。
2.拱背回填应对称分层夯实,每层厚度不宜大于0∙3m,其两侧回填的土面高差不得大于0.5m。
检验数量:施工单位全部检查。
检验方法:观察。
分项工程质量检验评定表范本
1. 项目基本信息,包括项目名称、工程地点、施工单位、监理
单位、检验单位、检验日期等基本信息。
2. 检验依据,列出本次质量检验的依据文件,如相关的标准、
规范、图纸、合同等。
3. 检验内容,具体列出本次质量检验的内容,包括工程的各个
分项、构件或部位的检验项目,例如混凝土工程、钢结构工程、电
气工程等。
4. 检验方法,说明本次质量检验采用的方法和标准,包括检验
过程中所采用的具体手段和设备。
5. 检验结果,对每个检验项目进行评定,包括合格、不合格、
待复验等评定结果,并且对于不合格的项目需要详细描述问题所在。
6. 处理意见,针对不合格或待复验的项目,提出整改要求和建议,并确定整改责任单位和整改期限。
7. 检验人员签字,列出参与本次质量检验的检验人员名单,并要求相关人员在评定表上签字确认。
8. 监理单位意见,监理单位对于本次质量检验结果的意见和评定。
以上是一个典型的分项工程质量检验评定表的基本内容范本,具体的评定表内容可能会根据不同的工程项目和实际情况有所调整和变化。
希望这些信息能够对你有所帮助。
隧洞回填灌浆单孔及单元工程施工质量验收评定表
填表说明
1、单元工程划分:隧洞回填灌浆单元工程以施工形成的区段划分,
宜按50m一个区段划分为一个单元工程。
本工程以50m为一个
单元工程。
2、单元工程量:填写回填灌浆数量(m2)。
3、单位工程名称,分部工程名称及单元工程名称、部位应以正式
批复文件上的名称和代码为准。
施工日期填写为范围值,起始
时间以本单元工程开始施工时间为准,终止时间以本单元工程
涉及的所有试验报告的最晚日期为准。
4、单元工程(或实体质量)效果检查填写钻孔注浆后的检查效果。
5、单孔及单元工程质量标准:
单孔施工质量验收评定标准:
⑴工序施工质量验收评定全部合格,该单元工程评定合格。
⑵工序施工质量验收评定全部合格,其中灌浆工序达到优良,该孔评定优良。
单元工程施工质量验收评定标准:
⑴在单元工程回填灌浆效果检查符合设计和规范要求,灌区封堵密实不露浆的前提下,灌浆孔100%合格,优良率小于70%,单元工程评为合格。
⑵在单元工程回填灌浆效果检查符合设计和规范要求,灌区封堵密实不露浆的前提下,灌浆孔100%合格,优良率不小于70%,单元工程评为优良。
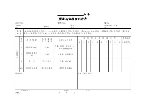
12345678910平均值、代表值合格率(%)权值得分
1
≤300
2
2
≤500
2
3
不大于设计1
4△压实质量符合设计要求3 检验负责人: 检测: 记录: 复核: 年 月 日实测项目项次规定值或允许值 高速公路工程建设项目检验项目监 理意 见工程质量等级评定 评分:质量等级:外观鉴定减分:质量保证资料减分:回填层厚(mm)两侧回填高差(mm)坡度回填压实质量层厚及碾压遍数符合要求
合 计
隧道明洞回填分项工程质量检验评定表
分项工程名称:明洞回填 所属分部工程名称: 所属建设项目:
工程部位: 承包单位: 监理单位:
基 本
要 求
经检查:墙背回填两侧同时进行;明洞粘土隔水层与边坡、仰坡搭接良好,封闭紧密。
检验结果质 量 评 定
ZP041