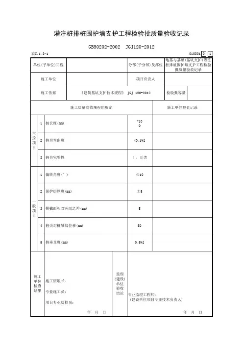
混凝土灌注桩工程检验批质量验收记录表
- 格式:doc
- 大小:62.50 KB
- 文档页数:5
1
2345678910D≤1000mm
D>1000mm D≤500mm
D>500mm 3混凝土护壁
钢套管护壁
67端承桩
摩擦桩水下灌注
干施工
101112混凝土灌注桩工程检验批质量验收记录(表二)
1.1.9地基-19-2
一般项目589施工单位检查评定结果
监理(建设)单位验收结论
注:本表由施工项目专业质量检查员填写,监理工程师(建设单位项目技术负责人)组织项目专业质量检查员等进行验收。
桩 径 偏
差
泥浆比重(粘土或砂性土中)泥浆面标高(高于地下水位)沉渣厚度
混凝土坍落度
钢筋笼安装深度混凝土充盈系数桩顶标高
124泥浆护壁钻孔桩
套管成孔灌注桩千成孔灌注桩人工挖孔桩
-20mm
+50mm +50mm 1.15~1.20
规范规定
±50mm ±50mm -20mm 70mm~100mm ±100mm
>1
+30mm
-50mm 0.5mm~1.0mm
≤50mm ≤150mm
160mm~220mm 施工单位检查评定记录
6401192
项目专业质量检查员:
监理工程师(建设单位项目技术负责人):
年 月 日年 月 日。
混凝土灌注桩工程检验批质量验收记录表GB50202—2002(Ⅱ)说明(Ⅱ)010405主控项目:1、桩位。
桩位允许偏差和桩的位置及成孔方法不同而不同。
尺量检查。
2、入孔深。
+300mm。
只能深不能浅,测钻杆、套管长度或重锤测。
嵌岩桩应确保进入设计要求的嵌岩深度。
3、桩体质量检查。
应用动力法检测,或钻芯取样至桩尖下50cm。
符合设计要求,按设计要求方法检测。
设计为甲级地基或地质条件复杂,成桩质量可靠性低的灌注桩,抽检数量为总数的30%,且不少于20根;其他桩不少于总数的20%,且不少于10根;对混凝土预制桩及地下水位以上且终孔后经过核查的灌注桩。
检查不少于总数10%。
且不少于10根。
每个柱子承台下不少于1根。
4、混凝上强度。
每50m3取(不足50m3)取一组试块,每根柱必须有一组试块。
强度符合设计要求。
5、承载力。
设计等级为甲级或地质条件复杂,成桩质量可靠性低的灌注桩,应采用静载荷试验,数量不少于总桩数1%,且不少于3根。
总桩数少于50根时,为2根。
其它桩应用高应变动力检测。
对地质条件、桩型,成桩机具和工艺相同、同一单位施工的桩基。
检验桩数不少于总桩数的2%,且不少于5根。
静载荷试验,高应变动力检测方法。
检查检测报告。
一般项目:1、垂直度。
除人工挖孔混凝土护壁桩为<0.5%;其它桩为<1%。
检查套筒、钻杆的垂直度或吊垂球检查。
2、桩径。
套管成孔、干成孔的桩径为-20mm;泥浆护壁钻孔为+50mm;人工挖孔为+50mm。
用井径仪、尺量检查。
3、泥浆比重(粘土、砂性土中)。
1.15~1.20。
用比重计测量。
4、泥浆面标高(高于地下水位)。
0.5~1.0m。
观察检查5、沉渣厚度:端承桩≤50mm。
用沉渣仪或吊锤测量。
磨擦桩≤150mm。
用沉渣仪或吊锤测量。
6、混凝土坍落度:水下灌注160~220mm,灌注前坍落度仪测量。
干施工70~100mm。
灌注前坍落度仪测量。
7、钢筋笼安装深度:±100mm,尺量检查。
混凝土施工工程检验批质量验收记录二、建设单位:________三、工程名称:________四、施工单位:________五、工程地点:________六、工程规模及内容:________七、施工周期:____年___月___日至____年___月___日八、检验期:____年___月___日至____年___月___日一、检验批编号:_____二、本批施工工程主要项目:1.工程进度按照合同约定进行。
2.工程质量按照国家相关标准进行控制。
3.构筑物的混凝土强度等级为____。
4.施工现场安全管理符合国家相关要求。
5.相关材料符合国家相关标准。
三、检验结果1.检验人员及资格:_______;_______;_______。
2.检验方法:符合相关国家标准。
3.检验地点:_______。
4.检验日期:____年___月___日。
四、检验项目及结论1.混凝土原材料:1)水泥项目:外观、硫酸盐含量、标号、包装、生产厂家等。
结论:______。
2)砂项目:颗粒分析、含水率、杂质含量等。
结论:______。
3)石子项目:颗粒分析、强度、杂质含量等。
结论:______。
4)水项目:外观、浊度、酸碱度等。
结论:______。
2.混凝土配合比:项目:水灰比、砂率、粗细配合、坍落度等。
结论:______。
3.施工工艺:1)浇注前准备项目:模板安装、钢筋绑扎、通风、浇注前的清场等。
结论:______。
2)浇注过程项目:泵送机设备状况、混凝土浇注方式、掺合料的使用等。
结论:______。
3)浇注后处理项目:养护期、养护温度、养护湿度等。
结论:______。
4.混凝土强度:项目:试块制作、试块养护、试块试验等。
结论:______。
五、质检工程师意见:_______。
六、结论:经检验,本批施工工程质量符合相关标准和要求。
七、备注:_______。
附:检测报告、试验原始记录、试验设备校准证书、质量证明文件等。
注:本记录一式两份,建设单位、施工单位各保存一份。
0011/##2/##3/305/1/##2/##3/##4/##端承桩(mm)/##摩擦桩(mm)/水下灌注(mm)/##干施工(mm)/7/##8/##9/##混凝土 坍落度:施工单位 检查结果合格监理单位 验收结论混凝土强度设计要求C 试验合格,报告编号XXX √沉渣厚度: 年 月 日主 控项目一般项目 456项目专业质量检查员:年 月 日专业监理工程师:桩顶标高(mm)+30,-50共10处,检查10处,全部合格100%专业工长:钢筋笼安装深度(mm)±100共10处,检查10处,全部合格100%混凝土充盈系数>1共10处,检查10处,全部合格100%160~220共10处,检查10处,全部合格100%70~100//≤50共10处,检查10处,全部合格100%≤150//泥浆比重(黏土或砂性土中)1.15~1.20共10处,检查10处,合格9处90.0%泥浆面标高(高于地下水位)(m)0.5~1.0共10处,检查10处,全部合格100%垂直度见本规范表5.1.4共10处,检查10处,全部合格100%桩径见本规范表5.1.4共10处,检查10处,全部合格100%桩体质量检验设计要求试验合格,报告编号XXX √承载力设计要求试验合格,报告编号XXX √/桩位见本规范表5.1.4共10处,检查10处,全部合格√孔深(mm)300共10处,检查10处,全部合格√施工依据《建筑基坑支护技术规程》 JGJ120-2012验收依据《建筑地基基础工程施工质量验收规范》GB50202-2002验收项目设计要求及规范规定最小/实际抽样数量检查记录检查结果分包单位分包单位项目负责人检验批部位1施工单位广东电白建设集团有限公司项目负责人吴全科检验批容量10根单位(子单位)工程名称商住楼(和平碧桂园二标段)分部(子分部)工程名称地基与基础分部-基坑支护子分部分项工程名称灌注桩排桩围护墙分项混凝土灌注桩检验批质量验收记录GD-C5-71118。
泥浆护壁成孔灌注桩检验批质量验收记录
注:D为设计桩径(mm);H为桩基施工面至设计桩顶的距离(mm)。
填表说明:
1、检验批容量填写:写出该检验批的根数。
2、最小/实际检查数量栏中,实际检查数量:按实填写;最小数量填写:按根数算的为1。
3、表头中“施工依据”栏目应依照实际的施工操作依据填写,如施工企业的操作规程、工法、施工工艺标准等。
干作业成孔灌注桩检验批质量验收记录
注: H为桩基施工面至设计桩顶的距离(mm)。
填表说明:
1、检验批容量填写:写出该检验批的根数。
2、最小/实际检查数量栏中,实际检查数量:按实填写;最小数量填写:按根数算的为1。
3、表头中“施工依据”栏目应依照实际的施工操作依据填写,如施工企业的操作规程、工法、施工工艺标准等。
《混凝土灌注桩检验批质量验收记录》表格示例及填写说明【规范名称及编号】《建筑地基基础工程施工质量验收规范》(GB50202- 2002)【条文摘录】摘录一:5.1一般规定5.1.1桩位的放样允许偏差如下:群桩:20mm;单排桩:10mm。
5.1.2桩基工程的桩位验收,除设计有规定外,应按下述要求进行:1当桩顶设计标高与施工场地标高相同时,或桩基施工结束后,有可能对桩位进行检查时,桩基工程的验收应在施工结束后进行。
2当桩顶设计标高低于施工场地标高,送桩后无法对桩位进行检查时,对打入桩可在每根桩桩顶沉至场地标高时,进行中间验收,待全部桩施工结束,承台或底板开挖到设计标高后,再做最终验收。
对灌注桩可对护筒位置做中间验收。
5.1.3打(压)入桩(预制混凝土方桩、先张法预应力管桩、钢桩)的桩位偏差,必须符合表5.1.3 的规定。
斜桩倾斜度的偏差不得大于倾斜角正切值的15%(倾斜角系桩的纵向中心线与铅垂线间夹角)。
5.1.4灌注桩的桩位偏差必须符合表5.1.4的规定,桩顶标高至少要比设计标高高出0.5m,桩底清孔质量按不同的成桩工艺有不同的要求,应按本章的各节要求执行。
每浇注50m3必须有1组试件,小于50m3的桩,每根桩必须有1组试件。
5.1.5工程桩应进行承载力检验。
对于地基基础设计等级为甲级或地质条件复杂,成桩质量可靠性低的灌注桩,应采用静载荷试验的方法进行检验,检验桩数不应少于总数的1%,且不应少于3根,当总桩数少于50根时,不应少于2根。
5.1.6桩身质量应进行检验。
对设计等级为甲级或地质条件复杂,成检质量可靠性低的灌注桩,抽检数量不应少于总数的30%,且不应少于20根;其他桩基工程的抽检数量不应少于总数的20%,且不应少于10根;对混凝土预制桩及地下水位以上且终孔后经过核验的灌注桩,检验数量不应少于总桩数的10%,且不得少于10根。
每个柱子承台下不得少于1根。
5.1.7对砂、石子、钢材、水泥等原材料的质量、检验项目、批量和检验方法,应符合国家现行标准的规定。
混凝土灌注桩钢筋笼检验批质量验收记录一、项目概况项目名称:混凝土灌注桩钢筋笼检验批项目编号:项目地点:日期:二、工程概述该项目是为了确保混凝土灌注桩钢筋笼的质量达到设计要求而进行的检验批工作。
本次检验批主要包括钢筋笼材质、规格、数量、尺寸、加工工艺及表面质量的检验。
三、检验内容及方法1.钢筋笼材质的检验检验方法:抽查取样检测检验内容:钢筋笼材质符合设计要求,具有足够的强度和韧性,以确保整体的稳定性和持久性。
2.钢筋笼规格、数量及尺寸的检验检验方法:抽查检测检验内容:-钢筋笼规格:检查钢筋笼是否符合设计要求,包括直径、长度、周长等。
-钢筋笼数量:检查钢筋笼的数量是否满足设计要求。
-钢筋笼尺寸:检查钢筋笼的尺寸是否符合设计要求,包括直径、长度等。
3.钢筋笼加工工艺检验检验方法:现场观察、抽查检测检验内容:检查钢筋笼的加工工艺是否符合规范要求,包括钢筋的焊接、连接、排列是否牢固、整齐等。
4.钢筋笼表面质量检验检验方法:目测检查、触摸检测检验内容:检查钢筋笼表面是否有裂纹、锈蚀、变形等缺陷,以确保钢筋笼无损伤,并符合设计要求。
四、检验结果1.钢筋笼材质检验结果:符合设计要求,具有足够的强度和韧性。
2.钢筋笼规格、数量及尺寸检验结果:钢筋笼规格、数量及尺寸符合设计要求。
3.钢筋笼加工工艺检验结果:钢筋笼加工工艺符合规范要求,钢筋焊接、连接、排列牢固、整齐。
4.钢筋笼表面质量检验结果:钢筋笼表面无裂纹、锈蚀、变形等缺陷,符合设计要求。
五、质量问题及处理经过检验批的检测,未发现任何质量问题。
六、结论本次混凝土灌注桩钢筋笼检验批的质量验收结果符合设计要求,可以正常使用。
七、质量记录1.检验批工程量清单(详细列出钢筋笼的规格、数量、尺寸等信息)2.检验批工程的抽样记录描述每个被检验的钢筋笼的编号、数量、采样方法及结果。
3.检验批工程的检查记录描述每个被检验的钢筋笼的检查内容、方法、结果。
4.检验批工程的质量问题记录描述出现的质量问题及处理过程。
1
234567891012桩基垂直于中心线方向和群基沿中心线方向和群桩基础
D≤1000mm D/6,且不大于100D/4,且不大于150
D>1000mm 100+0.01H(mm)150+0.01H(mm)
D≤500mm 70mm 150mm
D>500mm 100mm 150mm
370mm 150
混凝土护壁50150
钢套管护壁100200
45671
2345678910
123D≤1000mm
D>1000mm
D≤500mm
D>500mm
分包单位主控项目混凝土强度
承载力
混凝土灌注桩工程检验批质量验收记录(表一)
1.1.9地基-19-1
工程名称
施工单位
施工执行标准名称及编号
套管成孔灌注桩3一般项目4主筋间距长度桩 位
偏 差孔深桩体质量检验
千成孔灌注桩人工挖孔桩
钢筋材质检验
箍筋间距直径垂 直 度 偏
差12泥浆护壁钻孔桩±10mm
±100mm
+300mm
检查项目1
24泥浆护壁钻孔桩套管成孔灌注桩
规范规定
规范规定
(设计要求)分包项目经理施工单位检查评定记录±20mm
±10mm
<1mm
<1mm
施工单位检查评定记录6401191验收部位项目经理专业工长施工班组长
3混凝土护壁
钢套管护壁千成孔灌注桩
直 度 偏 差4人工挖孔桩
<1mm
<1mm <0.5mm
理(建设)单位验收记。