机械设计减速器设计说明书范本(doc 40页)
- 格式:doc
- 大小:669.00 KB
- 文档页数:40
减速器设计说明书目录第一节设计任务书................................................................................. 错误!未定义书签。
第二节传动装置总体设计方案............................................................. 错误!未定义书签。
第三节选择电动机................................................................................. 错误!未定义书签。
3.1电动机类型的选择....................................................................... 错误!未定义书签。
3.2确定传动装置的效率................................................................... 错误!未定义书签。
3.3选择电动机容量........................................................................... 错误!未定义书签。
3.4确定传动装置的总传动比和分配传动比................................... 错误!未定义书签。
3.5动力学参数计算........................................................................... 错误!未定义书签。
第四节V带传动计算............................................................................. 错误!未定义书签。
机械设计减速器设计说明书系别:专业:学生姓名:学号:指导教师:职称:目录第一部分设计任务书 (4)第二部分传动装置总体设计技术方案 (5)第三部分电动机的选择 (5)3.1 电动机的选择 (5)3.2 确定传动装置的总传动比和分配传动比 (6)第四部分计算传动装置的运动和动力参数 (7)第五部分齿轮传动的设计 (9)5.1 高速级齿轮传动的设计计算 (9)5.2 低速级齿轮传动的设计计算 (16)第六部分开式齿轮传动的设计 (23)第七部分传动轴和传动轴承及联轴器的设计 (27)7.1 输入轴的设计 (28)7.2 中间轴的设计 (32)7.3 输出轴的设计 (38)第八部分键联接的选择及校核计算 (44)8.1 输入轴键选择与校核 (44)8.2 中间轴键选择与校核 (44)8.3 输出轴键选择与校核 (44)第九部分轴承的选择及校核计算 (45)9.1 输入轴的轴承计算与校核 (45)9.2 中间轴的轴承计算与校核 (46)9.3 输出轴的轴承计算与校核 (46)第十部分联轴器的选择 (47)10.1 输入轴处联轴器 (48)10.2 输出轴处联轴器 (49)第十一部分减速器的润滑和密封 (49)11.1 减速器的润滑 (49)11.2 减速器的密封 (50)第十二部分减速器附件及箱体主要结构尺寸 (51)设计小结 (53)参考文献 (54)第一部分设计任务书一、初始数据设计展开式二级斜齿圆柱齿轮减速器,初始数据F = 15000 N,V = 0.26m/s,D = 450mm,设计年限(寿命):10年,每天工作班制(8小时/班):2班制,每年工作天数:300天,三相交流电源,电压380/220V。
二. 设计步骤1. 传动装置总体设计技术方案2. 电动机的选择3. 确定传动装置的总传动比和分配传动比4. 计算传动装置的运动和动力参数5. 齿轮的设计6. 开式齿轮的设计7. 轴的设计8. 滚动轴承和传动轴的设计9. 键联接设计10. 箱体结构设计11. 润滑密封设计12. 联轴器设计第二部分传动装置总体设计技术方案一. 传动技术方案特点1.组成:传动装置由电机、减速器、开式齿轮和工作机组成。
机械设计减速器设计说明书系别:专业:学生姓名:学号:指导教师:职称:目录第一部分拟定传动技术方案 (4)第二部分电机动机的选择传动比的分配 (5)2.1 电动机的选择 (5)2.2 确定传动装置的总传动比和分配传动比 (6)第三部运动和动力分析........................... 第四部分齿轮设计计算.. (13)4.1 高速级齿轮传动的设计计算 (13)4.2 低速级齿轮传动的设计计算..............................第五部分传动轴和传动轴承及联轴器的设计 (25)5.1 输入轴的设计 (25)5.2 中间轴的设计 (30)5.3 输出轴的设计 (35)第六部分齿轮的结构设计及键的计算 (41)6.1输入轴齿轮的结构设计及键选择与校核 (41)6.2中间轴齿轮的结构设计及键选择与校核 (41)6.3 输出轴齿轮的结构设计及键选择与校核 (41)第七部分轴承的选择及校核计算 (42)7.3 输出轴的轴承计算与校核 (43)设计小结 (49)参考文献 (50)第一部分拟定传动技术方案1.1.初始数据1.工作要求;设计一带式运输机上的传动装置,工作中有轻微振动,经常满载工作,空载启动,单向运转,单班制工作(每天8小时)运输带运输带容许误差为5%。
减速器为小批量生产,使用年限为5年。
2.工况数据:F=2000N D=300mm V=1m/s1.2. 传动技术方案特点1.组成:传动装置由电机、减速器、工作机组成。
2.特点:齿轮相对于轴承不对称分布,故沿轴向载荷分布不均匀,要求轴有一定的刚度。
3.确定传动技术方案:考虑到电机转速较高采用二级直齿圆柱齿轮减速器,。
备选技术方案技术方案一:对场地空间有较大要求,操作较为便捷技术方案二:对场地要求较小,操作不便1.3技术方案分析技术方案一的场地空间有着较大要求,操作较为便捷。
技术方案二对场地要求较小,但操作不便。
由设计要求可知场地不收限制,故选择技术方案一。
机械设计课程设计说明书设计题目:带式运输机的一级减速器设计。
选题说明:按照教师要求,请在机械设计课程设计任务书中选题进行设计。
学院德州学院专业机械制造与自动化班级09机专一学号200911704132姓名文宝指导教师(签字)年月日机电工程系(盖章)目录1.机械设计课程设计任务书 (1)2.电动机选择 (2)3.计算总传动比及分配各级的伟动比 (3)4.运动参数及动力参数计算 (3)5.传动零件的设计计算 (3)6.轴的设计计算 (6)7.滚动轴承的选择及校核计算 (10)8.键联接的选择及校核计算 (11)9.减速器的润滑 (12)心得与体会 (14)参考文献 (14)1.机械设计课程设计任务书一、设计题目:带式传输机的传动装置题目数据:F=1150N,v=1.6m/s,D=260m/s二、运输机工作条件工作时不逆转,载荷有轻微冲击;工作年限为10年,二班制;设计任务1进行二级斜齿圆柱齿轮减速器传动方案的设计(已拟定完成)2 电动机功率及传动比分配,3 主要传动零件的参数设计标准件的选用.4 减速器结构、箱体各部分尺寸确定,结构工艺性设计。
5 装配图的设计要点及步骤等。
6 设计和绘制零件工作图7 整理和编写设计说明书三、设计成果要求1.二级圆柱齿轮减速器装配图1张;2.零件工作图2张;3.设计计算说明书1份。
设计正文:1.电动机选择(F=1150N,v=1.6m/s,D=260m/s)1、电动机类型的选择:Y系列三相异步电动机2、电动机功率选择:(1)传动装置的总功率:η总=η带×η2轴承×η齿轮×η联轴器×η滚筒=0.96×0.982×0.97×0.99×0.96=0.85(2)电机所需的工作功率:P工作=FV/1000η总=1150×1.6/1000×0.85=2.18KW3、确定电动机转速:计算滚筒工作转速:n筒=60×1000V/πD=60×1000×1.6/π×260=117.52r/min按手册P7表1推荐的传动比合理范围,取圆柱齿轮传动一级减速器传动比范围I’a=3~6。
减速器设计说明书系别:专业班级:姓名:学号:指导教师:职称:目录一设计任务书11.1设计题目11.2设计步骤1二传动装置总体设计技术方案12.1传动技术方案12.2该技术方案的优缺点1三选择电动机23.1电动机类型的选择23.2确定传动装置的效率23.3选择电动机容量23.4确定传动装置的总传动比和分配传动比3 四计算传动装置运动学和动力学参数44.1电动机输出参数44.2高速轴的参数44.3中间轴的参数44.4低速轴的参数54.5工作机的参数5五普通V带设计计算5六减速器低速级齿轮传动设计计算96.1选定齿轮类型、精度等级、材料及齿数96.2按齿面接触疲劳强度设计96.3确定传动尺寸126.4校核齿根弯曲疲劳强度126.5计算齿轮传动其它几何尺寸146.6齿轮参数和几何尺寸归纳总结14七减速器高速级齿轮传动设计计算157.1选定齿轮类型、精度等级、材料及齿数157.2按齿面接触疲劳强度设计167.3确定传动尺寸187.4校核齿根弯曲疲劳强度197.5计算齿轮传动其它几何尺寸217.6齿轮参数和几何尺寸归纳总结21八轴的设计228.1高速轴设计计算228.2中间轴设计计算288.3低速轴设计计算34九滚动轴承寿命校核409.1高速轴上的轴承校核409.2中间轴上的轴承校核419.3低速轴上的轴承校核42十键联接设计计算4310.1高速轴与大带轮键连接校核4310.2高速轴与小齿轮键连接校核4410.3中间轴与低速级小齿轮键连接校核4410.4中间轴与高速级大齿轮键连接校核4410.5低速轴与低速级大齿轮键连接校核4410.6低速轴与联轴器键连接校核45十一联轴器的选择4511.1低速轴上联轴器45十二减速器的密封与润滑4512.1减速器的密封4512.2齿轮的润滑4612.3轴承的润滑46十三减速器附件4613.1油面指示器4613.2通气器4613.3放油塞4713.4窥视孔盖4713.5定位销4813.6起盖螺钉48十四减速器箱体主要结构尺寸48十五设计小结49参考文献49一设计任务书1.1设计题目同轴式二级斜齿圆柱减速器,扭矩T=900N•m,速度v=0.75m/s,直径D=300mm,每天工作小时数:16小时,工作年限(寿命):15年,每年工作天数:300天,配备有三相交流电源,电压380/220V。
目录机械设计课程设计任务书............................................................ 错误!未定义书签。
1绪论.. (2)1.1 选题的目的和意义 (2)2确定传动方案 (3)3机械传动装置的总体设计 (3)3.1 选择电动机 (3)3.1.1 选择电动机类型 (3)3.1.2 电动机容量的选择 (3)3.1.3 电动机转速的选择 (4)3.2 传动比的分配 (5)3.3计算传动装置的运动和动力参数 (5)3.3.1各轴的转速: (5)3.3.2各轴的输入功率: (6)3.3.3各轴的输入转矩: (6)3.3.4整理列表 (6)4 V带传动的设计 (7)4.1 V带的基本参数 (7)4.2 带轮结构的设计 (10)5齿轮的设计 (I)5.1齿轮传动设计(1、2轮的设计) (10)5.1.1 齿轮的类型 (10)5.1.2尺面接触强度较合 (11)5.1.3按轮齿弯曲强度设计计算 (14)5.1.4 验算齿面接触强度 (16)5.1.5验算齿面弯曲强度 (17)5.2 齿轮传动设计(3、4齿轮的设计) (14)5.2.1 齿轮的类型.......................................................... 错误!未定义书签。
5.2.2按尺面接触强度较合........................................... 错误!未定义书签。
5.2.3按轮齿弯曲强度设计计算................................... 错误!未定义书签。
5.2.4 验算齿面接触强度.............................................. 错误!未定义书签。
5.2.5验算齿面弯曲强度............................................... 错误!未定义书签。
减速器设计说明书系别:专业班级:姓名:学号:指导教师:职称:目录第1部分设计任务书 (1)1.1设计题目 (1)1.2设计步骤 (1)第2部分传动装置总体设计方案 (1)2.1传动方案 (1)2.2该方案的优缺点 (1)第3部分选择电动机 (2)3.1电动机类型的选择 (2)3.2确定传动装置的效率 (2)3.3选择电动机容量 (2)3.4确定传动装置的总传动比和分配传动比 (3)第4部分计算传动装置运动学和动力学参数 (4)4.1电动机输出参数 (4)4.2高速轴的参数 (4)4.3低速轴的参数 (4)4.4工作机的参数 (4)第5部分链传动设计计算 (5)第6部分减速器齿轮传动设计计算 (6)6.1选定齿轮类型、精度等级、材料及齿数 (6)6.2按齿面接触疲劳强度设计 (6)6.3确定传动尺寸 (8)6.4校核齿根弯曲疲劳强度 (9)6.5计算齿轮传动其它几何尺寸 (10)6.6齿轮参数和几何尺寸总结 (11)第7部分轴的设计 (12)7.1高速轴设计计算 (12)7.2低速轴设计计算 (16)第8部分滚动轴承寿命校核 (21)8.1高速轴上的轴承校核 (21)8.2低速轴上的轴承校核 (22)第9部分键联接设计计算 (23)9.1高速轴与联轴器键连接校核 (23)9.2低速轴与大齿轮键连接校核 (23)9.3低速轴与链轮键连接校核 (23)第10部分联轴器的选择 (24)10.1高速轴上联轴器 (24)第11部分减速器的密封与润滑 (24)11.1减速器的密封 (24)11.2齿轮的润滑 (24)11.3轴承的润滑 (25)第12部分减速器附件 (25)12.1油面指示器 (25)12.2通气器 (25)12.3放油孔及放油螺塞 (25)12.4窥视孔和视孔盖 (26)12.5定位销 (27)12.6启盖螺钉 (27)12.7螺栓及螺钉 (27)第13部分减速器箱体主要结构尺寸 (28)第14部分设计小结 (29)参考文献 (29)第1部分设计任务书1.1设计题目一级直齿圆柱减速器,拉力F=1800N,速度v=1.1m/s,直径D=350mm,每天工作小时数:16小时,工作年限(寿命):10年,每年工作天数:300天,配备有三相交流电源,电压380/220V。
机械设计减速器设计说明书一、减速器概述减速器是一种将高速旋转运动转化为低速旋转运动的机械设备,广泛应用于各种工业领域。
它通常由多个齿轮组成,通过齿轮之间的啮合传递扭矩,从而实现减速的目的。
二、设计目标与参数本次设计的减速器旨在满足以下目标:1. 减速比:减速器的减速比为30:1。
2. 输入转速:输入转速为1400转/分钟。
3. 输出转速:输出转速为46.67转/分钟。
4. 输入扭矩:输入扭矩为100牛·米。
5. 输出扭矩:输出扭矩为3333牛·米。
6. 安装方式:减速器采用卧式安装方式。
三、减速器结构与工作原理减速器主要由输入轴、齿轮箱、输出轴等部分组成。
具体结构如下:1. 输入轴:输入轴上安装有主动齿轮,与电机连接,将电机的动力传递给齿轮箱。
2. 齿轮箱:齿轮箱内安装有多组齿轮,包括主动齿轮、从动齿轮等。
通过主动齿轮与从动齿轮的啮合,实现减速作用。
3. 输出轴:输出轴上安装有从动齿轮,将从动齿轮的动力传递给负载。
工作原理:当电机带动输入轴转动时,主动齿轮将动力传递给齿轮箱内的从动齿轮。
由于齿轮之间的啮合关系,从动齿轮的转速降低,从而实现减速效果。
最后,输出轴将动力传递给负载。
四、材料选择与强度计算1. 材料选择:齿轮采用高强度铸铁材料,具有良好的耐磨性和抗冲击性能;轴采用45号钢,具有较好的强度和刚度。
2. 强度计算:根据设计参数和材料性能,对齿轮和轴进行强度计算,确保减速器的可靠性。
五、减速器装配图与零件清单1. 减速器装配图:附图1为减速器的装配图,展示了各部件的相对位置和连接方式。
2. 零件清单:列出减速器所需的所有零件清单,包括齿轮、轴、轴承、箱体等。
具体零件规格和数量根据设计参数确定。
六、减速器性能测试与评估对减速器进行性能测试,以验证其是否符合设计要求。
测试内容包括但不限于以下方面:1. 减速比测试:通过测量输入和输出转速,计算实际减速比是否符合设计要求。
2. 扭矩测试:通过测量输入和输出扭矩,验证减速器的扭矩传递能力是否满足设计要求。
机械设计课程设计计算说明书设计题目______________减速器设计_____________ _农业机械_院(系) _07级3 __ 班设计者______________ ________________指导老师____________________________________2009______年____06____月____29____日________ KMUST________目录第一部分设计任务书----------------------------------------------------------------3第二部分电传动方案的分析与拟定---------------------------------------------------5第三部分电动机的选择计算----------------------------------------------------------6第四部分各轴的转速、转矩计算------------------------------------------------------7第五部分联轴器的选择-------------------------------------------------------------9第六部分锥齿轮传动设计---------------------------------------------------------10第七部分链传动设计--------------------------------------------------------------12第八部分斜齿圆柱齿轮设计-------------------------------------------------------14第九部分轴的设计----------------------------------------------------------------17第十部分轴承的设计及校核-------------------------------------------------------20第十一部分高速轴的校核---------------------------------------------------------22第十二部分箱体设计---------------------------------------------------------------23第十三部分设计小结---------------------------------------------------------------24第一部分设计任务书1.1 机械设计课程的目的机械设计课程设计是机械类专业和部分非机械类专业学生第一次较全面的机械设计训练,是机械设计和机械设计基础课程重要的综合性与实践性教学环节。
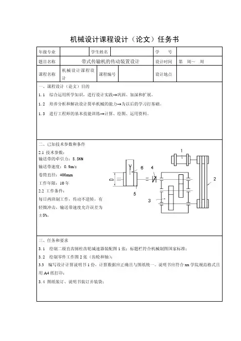
机械设计课程设计(论文)任务书年级专业学生姓名学号题目名称带式传输机的传动装置设计设计时间第周~周课程名称机械设计课程设计课程编号设计地点一、课程设计(论文)目的1.1 综合运用所学知识,进行设计实践→巩固、加深和扩展。
1.2 培养分析和解决设计简单机械的能力→为以后的学习打基础。
1.3 进行工程师的基本技能训练→计算、绘图、运用资料。
二、已知技术参数和条件2.1技术参数:输送带的牵引力:5.5KN输送带速度:0.9m/s卷筒直径:400mm工作年限:10年2.2工作条件:每日两班制工作,传动不逆转,有轻微冲击,输送带速度允许误差为±5%。
三、任务和要求3.1 绘制二级直齿圆柱齿轮减速器装配图1张;标题栏符合机械制图国家标准;3.2 绘制零件工作图2张(齿轮和轴);3.3 编写设计计算说明书1份,计算数据应正确且与图纸统一。
说明书应符合xx学院规范格式且用A4纸打印;3.4 图纸装订、说明书装订并装袋;四、参考资料和现有基础条件(包括实验室、主要仪器设备等)4.1 《机械设计》教材4.2 《机械设计课程设计指导书》4.3 《减速器图册》4.4 减速器实物;4.5 《机械设计手册》4.6 其他相关书籍五、进度安排序号 设计内容 天数1 设计准备(阅读和研究任务书,阅读、浏览指导书) 12 传动装置的总体设计 33 各级传动的主体设计计算 54 减速器装配图的设计和绘制 55 零件工作图的绘制 36 编写设计说明书 47 总计 21六、教研室审批意见教研室主任(签字):年月日七|、主管教学主任意见主管主任(签字):年月日八、备注指导教师(签字):学生(签字):注:1.此表由指导教师填写;2.此表1式3份。
目录课程设计(论文)评阅表 (Ⅰ)课程设计(论文)任务书 (Ⅱ)1、 系统总体方案设计 (1)1.1、 电动机选择 (1)1.2、 传动装置运动及动力参数计算 (1)2、 V带传动的设计与计算 (3)3、 传动零件的设计计算 (4)3.1、 高速级齿轮的设计 (4)3.2、 低速级齿轮的设计 (8)4、 轴的设计 (12)4.1、 高速轴的设计 (12)4.2、 中间轴的设计 (14)4.3、 低速轴的设计 (17)5、 键的设计与校核 (20)6、 滚动轴承的选择与校核 (22)7、 箱体及各部位附属零件的设计 (24)设计总结与参考文献 (27)效率0.99 0.97 0.97 0.982、V 带传动的设计与计算(1) 确定计算功率Pca由表8-7查得工作情况系数K A =1.1,故 Pca=KAP=1.1×7.5kw=8.25kw (2)选择V 带的型号 根据Pca、Ιn 由图8-10选用B 型。
机械设计减速器设计说明书范本1. 引言本设计说明书旨在提供一个机械设计减速器的设计范本,以指导工程师们设计、制造和使用减速器。
本文将按照以下部分进行介绍:背景、设计目标、设计要求、设计流程、设计计算、结构设计、选材和制造工艺、安装要求、运维与维修等内容。
2. 背景在机械设备中,减速器是一种重要的传动装置,它通过减速运动的转矩和速度,提供给其它部件适当的运动状态,以满足特定的工作需求。
减速器设计的好坏将直接影响到整个机械设备的性能和可靠性。
因此,设计一个优秀的减速器是机械工程师的重要任务之一。
3. 设计目标本次减速器设计的目标主要有以下几点:1.实现传动装置的速度减小。
2.提供给工程师一个可靠且高效的减速器设计范本。
3.最小化噪音和振动。
4.满足设备的使用寿命要求。
5.考虑制造成本和维修成本。
4. 设计要求为了实现设计目标,以下是本次减速器设计的具体要求:1.输出轴的转速降为输入轴的1/10。
2.承受的最大径向负载应不超过X N。
3.承受的最大轴向负载应不超过Y N。
4.预计使用寿命不低于Z 小时。
5.减速器的噪音应低于A 分贝。
6.减速器的振动应小于B mm/s²。
5. 设计流程减速器的设计流程可以按照以下步骤进行:1.确定输入轴和输出轴的参数(直径、材料等)。
2.计算减速比和传动比。
3.确定齿轮传动方案(行星齿轮、圆柱齿轮等)。
4.进行设计计算和验证(齿轮强度、轴承支撑等)。
5.进行减速器的结构设计(选用齿轮、轴承的型号等)。
6.确定选材和制造工艺。
7.设计减速器的安装要求(运动配合、振动隔离等)。
8.运维与维修要求(润滑、检修周期等)。
6. 设计计算在减速器设计过程中,需要进行多个计算以确保设计的可靠性和满足设计要求。
这些计算包括但不限于:1.输入轴的扭矩计算。
2.输出轴的扭矩计算。
3.齿轮的模数和齿数计算。
4.齿轮的强度计算。
5.轴承的选择和计算。
7. 结构设计根据设计要求和计算结果,进行减速器的结构设计。
机械设计减速器设计说明书系别:专业:地质工程(T)学生姓名:学号:指导教师:职称:目录第一部分设计任务书。
.....。
.。
..。
.。
.。
..。
.。
..。
.。
.。
.。
.。
4第二部分传动装置总体设计方案。
.。
...。
.。
...。
...。
.。
..。
.。
.5 第三部分电动机的选择。
....。
.。
...。
..。
.。
..。
.。
..。
.。
...。
..。
.。
..5 3。
1 电动机的选择。
.。
.。
....。
.。
...。
.。
..。
.。
.....。
.。
..。
.。
53。
2 确定传动装置的总传动比和分配传动比..。
..。
.。
..。
..。
.。
.。
6第四部分计算传动装置的运动和动力参数...。
.。
..。
.。
.。
.。
.。
.7 第五部分齿轮传动的设计.。
..。
.。
.。
.。
..。
.....。
.......。
.。
....。
8第六部分传动轴和传动轴承及联轴器的设计...。
.。
...。
..。
....。
18 6。
1 输入轴的设计。
.。
....。
..。
....。
.。
.。
..。
....。
.。
....。
.18 6.2 输出轴的设计...。
.。
....。
......。
...。
.。
..。
...。
2 3 第七部分键联接的选择及校核计算.。
..。
.。
.....。
.。
...。
..。
.29 7.1 输入轴键选择与校核。
...。
..。
...。
..。
.。
..。
....。
.。
.。
.。
29 7.2 输出轴键选择与校核。
.。
.。
..。
...。
.。
.。
.。
..。
..。
.29第八部分轴承的选择及校核计算.。
....。
....。
.。
.。
.。
.。
.。
.....。
.30 8.1 输入轴的轴承计算与校核。
.。
..。
..。
.。
...。
..。
...。
.。
30 8。
2 输出轴的轴承计算与校核。
.。
.。
.。
.。
....。
..。
.。
.。
..。
.。
.。
30 第九部分联轴器的选择.。
..。
.。
.。
...。
...。
...。
...。
.........。
..31 第十部分减速器的润滑和密封。
.。
.。
目录摘要------------------------------------------------------2 第一部分传动方案的拟定----------------------------------3 第二部分电动机的选择及传动装置的运动和动力参数计算------3 第三部分传动零件的设计计算------------------------------5 第四部分主要尺寸及数据----------------------------------12第五部分润滑油及润滑方式的选择--------------------------13 第六部分轴的设计及校核----------------------------------13 结论------------------------------------------------------29 参考文献--------------------------------------------------29摘要机械设计课程设计是在完成机械设计课程学习后,一次重要的实践性教学环节。
是高等工科院校大多数专业学生第一次较全面的设计能力训练,也是对机械设计课程的全面复习和实践。
其目的是培养理论联系实际的设计思想,训练综合运用机械设计和有关先修课程的理论,结合生产实际分析和解决工程实际问题的能力,巩固、加深和扩展有关机械设计方面的知识。
本次设计的题目是带式运输机的减速传动装置设计。
根据题目要求和机械设计的特点作者做了以下几个方面的工作:①决定传动装置的总体设计方案,②选择电动机,计算传动装置的运动和动力参数,③传动零件以及轴的设计计算,轴承、联接件、润滑密封和联轴器的选择及校验计算,④机体结构及其附件的设计和参数的确定,⑤绘制装配图及零件图,编写计算说明书。
关键词:减速器机械设计带式运输机。
目录目录 (1)设计原始数据 (1)第一章传动装置总体设计方案 (1)1.1 传动方案 (1)1.2 该方案的优缺点 (1)第二章电动机的选择 (3)2.1 计算过程 (3)2.1.1 选择电动机类型 (3)2.1.2 选择电动机的容量 (3)2.1.3 确定电动机转速 (3)2.1.4 二级减速器传动比分配 (4)2.1.5 计算各轴转速 (4)2.1.6 计算各轴输入功率、输出功率 (5)2.1.7 计算各轴的输入、输出转矩。
(5)2.2 计算结果 (6)第三章带传动的设计计算 (7)3.1 已知条件和设计内容 (7)3.2 设计步骤 (7)3.3 带传动的计算结果 (9)第四章齿轮传动的设计计算 (10)4.1高速级齿轮传动计算 (10)4.2低速级齿轮传动计算 (14)第五章轴的结构设计 (19)5.1 初步估算轴的直径 (19)5.2 初选轴承 (19)5.3 轴的各段直径和轴向尺寸 (20)5.4 联轴器的选择 (21)第六章轴、轴承及键联接的校核计算 (22)6.1 轴强度的校核计算 (22)6.1.1 轴的计算简图 (22)6.1.2 弯矩图 (22)6.1.3 扭矩图 (23)6.1.4 校核轴的强度 (23)6.2 键联接选择与强度的校核计算 (24)第七章箱体的结构设计以及润滑密封 (25)7.1 箱体的结构设计 (25)7.2 轴承的润滑与密封 (26)设计小结 (27)参考文献 (28)设计原始数据第一章传动装置总体设计方案1.1 传动方案传动方案已给定,外传动为V带传动,减速器为二级展开式圆柱齿轮减速器。
方案简图如1.1所示。
图 1.1 带式输送机传动装置简图展开式由于齿轮相对于轴承为不对称布置,因而沿齿向载荷分布不均,故要求轴有较大的刚度。
1.2 该方案的优缺点该工作机有轻微振动,由于V带有缓冲吸振能力,采用 V带传动能减小振动带来的影响,并且该工作机属于小功率、载荷变化不大,可以采用V 带这种简单的结构,并且价格便宜,标准化程度高,大幅降低了成本。
机械设计基础课程设计题目题目名称:设计两级圆柱齿轮减速器说明:此减速器用于热处理车间零件清洗传送带的减速。
此设备两班制工作,工作期限十年,户内使用。
传送简图如下:技术参数已知条件数据号1 2 3 4 5 6 7 8鼓轮直径(mm)300 330 350 350 380 300 360 320传送带运行速度(m/s)0.63 0.75 0.85 0.8 0.8 0.7 0.84 0.75传送带从动轴所需扭矩(N﹒m)700 670 650 950 1050 900 660 900机械设计课程设计任务书一、本任务书发给班学生二、请按计划书指定数据组号 4 的第 5 个数据进行设计(见附页)。
三、本任务规定的设计计算包括下列各项:1、传动装置总体设计计算;2、各传动零件的设计计算;3、一根轴设计计算;4、一对轴承的设计计算;5、各标准零件的选择;四、本任务书要求在答辩前完成1、主要部件的总装配图一张(A1);2、典型零件图2张(≥A3);3、20页左右的设计设计说明一份;五、答辩时间:2013年9月28 日目录一,传动方案分析———————————————————2 二,选择电动机————————————————————2 三,计算传动装置的运动及动力参数———————————4 四, V带传动的设计计算————————————————5 五,斜齿轮圆柱齿轮传动设计——————————————7 (一)高速级—————————————————————8 (二)低速级—————————————————————13 六,轴的设计—————————————————————18 (一)中间轴—————————————————————18 (二)输出轴—————————————————————19 (三)主动轴—————————————————————21 七,轴的校核—————————————————————23 八,计算轴承寿命———————————————————25 九,键的设计和计算——————————————————26 十,箱体的设计————————————————————27 十一,润滑、密封装置的选择及设计———————————30 十二,设计小结————————————————————30 十三,参考资料————————————————————30一,传动方案分析为了估计传动装置的总传动比范围,以便选择合适的传动机构和拟定传动方案,可先由已知条件计算其驱动传送带主动轴鼓轮的转速n I ,即min 50360100060100060n r D v ≈⨯⨯=⨯=ππⅠ 一般常选用同步转速为1000r /min 或1500r /min 的电动机作为原动机,因此传动装置总传动比约为11或16。
机械设计减速器设计说明书系别:专业:学生姓名:学号:指导教师:职称:目录第一部分拟定传动方案 (4)第二部分电机动机的选择传动比的分配 (5)2.1 电动机的选择 (5)2.2 确定传动装置的总传动比和分配传动比 (6)第三部运动和动力分析........................... 第四部分齿轮设计计算.. (13)4.1 高速级齿轮传动的设计计算 (13)4.2 低速级齿轮传动的设计计算..............................第五部分传动轴和传动轴承及联轴器的设计 (25)5.1 输入轴的设计 (25)5.2 中间轴的设计 (30)5.3 输出轴的设计 (35)第六部分齿轮的结构设计及键的计算 (41)6.1输入轴齿轮的结构设计及键选择与校核 (41)6.2 中间轴齿轮的结构设计及键选择与校核 (41)6.3 输出轴齿轮的结构设计及键选择与校核 (41)第七部分轴承的选择及校核计算 (42)7.3 输出轴的轴承计算与校核 (43)设计小结 (49)参考文献 (50)第一部分拟定传动方案1.1.初始数据1.工作要求;设计一带式运输机上的传动装置,工作中有轻微振动,经常满载工作,空载启动,单向运转,单班制工作(每天8小时)运输带运输带容许误差为5%。
减速器为小批量生产,使用年限为5年。
2.工况数据:F=2000N D=300mm V=1m/s1.2. 传动方案特点1.组成:传动装置由电机、减速器、工作机组成。
2.特点:齿轮相对于轴承不对称分布,故沿轴向载荷分布不均匀,要求轴有一定的刚度。
3.确定传动方案:考虑到电机转速较高采用二级直齿圆柱齿轮减速器,。
备选方案方案一:对场地空间有较大要求,操作较为便捷方案二:对场地要求较小,操作不便1.3方案分析方案一的场地空间有着较大要求,操作较为便捷。
方案二对场地要求较小,但操作不便。
由设计要求可知场地不收限制,故选择方案一。
第二部分 电动机的选择及传动比的分配2.1电机的选择1.带轮的转速:min /r 66.63100060n w =⨯⨯=DVπ2.工作机的功率kw 21000120001000w =⨯=⨯=V F P3. 计算传动装置总效率891.097.099.0993.0242242=⨯⨯=⨯⨯=齿轴联总ηηηη电机功率:kw 2.2891.0kw2===ηWP P 4.电机的选择查电机类型适用Y 型电机,同步转速为1000/min ,满载转速为940r/min ,功率为2.2kw 的电机型号为Y112M-6.2.2传动比的分配1.总传动比的计算:15.7min/63.66r r/min1000n n i w ===电总 2.传动比的分配结合课程设计指导书推荐公式:总)(i 1.5~1.3i 1=,此处取1.4计算,可算得3.35i4.69i 21==,,符合齿轮单级传动比6~3的规定。
第三部分 运动及动力分析经计算可得各轴的速度与受力:第四部分 齿轮传动的设计4.1 高速级齿轮传动的设计计算1.齿面接触疲劳强度计算初选齿数:小齿轮数z1=19大齿数z2=19×3.35=63.65取64 压力角α = 20°初选螺旋角β=14°按齿面接触疲劳强度计算:试选载荷系数K Ht =1.3 计算小齿轮传递的转矩T 1 =20.65N ·m选取齿宽系数φd = 1;由图查取区域系数Z H =2.433;传动比u=2.433切向压力角αt=arctan(tan αn /cos β)=arctan(tan20°/cos140°)=20.562° αa1 = arccos[z 1cos α/(z 1+2h a *)] = arccos[19×cos 20.562°/(19+2×1×cos14°)]= 31.84°αa2 = arccos[z 2cos α/(z 2+2h a *)] = arccos[64×cos 20.562°/(64+2×1×cos14°)]= 24.668°端面重合度εα = [z 1(tan αa1-tan α)+z 2(tan αa2-tan α)]/2π=1.60069 切面重合度εβ=φd Z1tan β/π=1.5079 重合度系数Z ε =αββαεεεε+)(-13-4=0.732;Z β=985.014cos cos =︒=β 查得小齿轮和大齿轮的接触疲劳极限分别为σHlim1 = 600 MPa 、σHlim2 = 550 MPa查取接触疲劳寿命系数:K HN1 = 1.03、K HN2 = 1.1小齿轮应力循环次数N 1= 60nkt h =60×1000×1×300×5×8=7.2×108 大齿轮应力循环次数N 2 =N 1/u =7.2×108/3.35=2.149×108[σH ]1 = K HN1σ Hlim1S =618MPa;[σH ]2 = K HN2σ Hlim2S =605MPa取[σH ]1和[σH ]2中的较小者作为该齿轮副的接触疲劳许用应力,即 [σH ] = [σH ]2 =605Mpa 试算小齿轮分度圆直径d1t≥ 32K Ht T 1ψ d ×u±1u ×⎝ ⎛⎭⎪⎪⎫Z H Z E Zε[σ H ]2=32605985.0732.08.189433.235.3135.3165.203.12)(⨯⨯⨯⨯+⨯⨯⨯=59.55mm调整小齿轮分度圆直径 计算实际载荷系数前的数据准备圆周速度v =πd 1t n 160×1000=3.118m/s;齿宽b = φ d d1t =59.55mm计算实际载荷系数K H由表查得使用系数K A =1.25;根据v=3.118m/s;7级精度 由图查得动载系数K V =1.12齿轮的圆周力F t1 = 2T 1/d 1t =693.53N ;K A F t1/b =1.25×693.53/59.55=14.56 查表得齿间载荷分配系数K H α =1.4;K H β =1.42 K H = K A K V K H αK H β =1.25×1.12×1.4×1.42=2.783 可得按实际载荷系数算的的分度圆直径 d 1 = d 1t3K HK Ht=59.55×33.1783.2=76.749mm及相应的齿轮模数m α = d 1cos β/z 1 =3.919mm 2.齿面弯曲疲劳应力校核按齿轮弯曲疲劳强度设计K Ft =1.3;βb =arctan(tan βcos αt )=13.14° εαv =εα/cos 2βb =1.688;Y=0.25+0.75/εαv =0.694 Y β=1-εβ︒120β=0.824;Y ε=0.25+0.75/εα=0.07185由齿数,查图得齿形系数和应力修正系数Y Fa1 =2.84 Y Fa2 =2.25 Y Sa1 =1.55 Y Sa2 =1.76 计算][Y sa a F Y F σZ v1=z1/cos 3β=20.8同理Z v2=70.06查得小齿轮和大齿轮的弯曲疲劳极限分别为σFlim1 = 500 MPa 、σFlim2 = 380 MPa K FN1=0.85;K FN2=0.88取安全系数S=1.4,得[σF ]1 = K FN1σFlim1S = 303.57 MPa[σF ]2 = K FN2σFlim2S=238.86MPa][Y sa1a1F Y F σ=0.0145;][Y sa2a2F Y F σ=0.0166取][Y saa F Y F σ=0.0166 试算模数m t mm Y K F F 21.1F][Y z Y T 23saa 1d 1t 2=•≥σφε计算实际载荷系数前的数据准备圆周速度v =πd 1t n 260×1000=1.204m/s;d1=m 1z 1=22.99mm齿宽b = φ d d1t =22.99mm宽高比h=(2ha*+c*)m t =2.7225;b/h=22.99/2.7225=8.44计算实际载荷系数K F 根据v=1.204m/s 7级精度查表Kv=1.08 由F t1=2T1/d1=2×20.65/22.99=1.796×103NK A F t1/b=1.25×1.796×103/22.99=97.65N/mm ﹤100N/mm 查表得K F α=1.4由差值法K H β=1.372结合b/h=8.44查表得K F β=1.26;K F = K A K v K F αK F β =1.25×1.08×1.4×1.26=2.381 按实际载荷算得齿轮模数m=mm K K Ft F 638.13.1381.221.1m t =⨯= 取标准值m=2mm按接触疲劳强度算得分度圆直径d1=76.749mm算得小齿轮齿数z1=d1cos β/m=37.23取z1=37则z2=uz1=3.35×37.23=123.95取z2=124z1和z2互质 新传动比i=z2/z1=3.351 3.几何尺寸计算计算中心距a = (d 1+d 2)/2 =165.925mm 中心距圆整为165mm 修正后螺旋角β=arccos︒=+64.122)21(amz z 大小齿轮分度圆半径d1=mm m z 84.75cos 1=β;d2=mm mz 16.254cos 2=β齿宽b=φd d1=75.84mm 取b2=76mm;b1=80mm 调整后强度校核4.齿面接触疲劳强度校核Ft 1=2T1/d1=516.25N;K A F t1/b=1.25×516.25/80=8.066<100 查10-3表K H α=1.39;K H =K A K V K H αK H β=2.76T1=20.65N ·m;Φd=1;d1=75.84mm;u=3.351;Z H =2.45;ZE=189.8MPa 21Z ε=0.64;Z β=0.99 σH =MPa Z Z Z Z uu d T K E H H 6.17111d 123=•+•βεφ<[σH ] 齿根弯曲疲劳校核K F =2.4;T1=20.65N ·m;Y Fa1=2.81;Y Fa2=1.74;Y sa1=1.50 Y sa2=2.22;Y ε=0.715;Y β=0.82;β=12.64°;Φd=1;m=2mm;z1=37 σF1 = 2K F T 2Y Fa Y Sa Y εφ d m 3n z 23 =21.29MPa ≤ [σF ]1σF2 = 2K F T 2Y Fa Y Sa Y εφ d m 3n z 23=11.26MPa ≤ [σF ]2压力角α=20°;螺旋角β=12.64°变位系数x1=x2=0;中心距a=165mm;齿宽b1=65mm;b2=60mm小齿轮选用40Cr(调制),大齿轮选用45钢(调制),7级精度5.齿轮参数总结和计算6.2 低速级齿轮传动的设计计算1.初选数据斜齿圆柱齿轮传动,压力角α=20°选择小齿轮材料为40Cr(调质),齿面硬度280HBS,大齿轮材料为45钢(调质),齿面硬度为240HBS初选小齿轮齿数z1=20大齿轮z2=93;u=4.65初选β=14°2.齿面接触疲劳强度计算按齿面接触疲劳强度计算:试选载荷系数K Ht =1.2;选取齿宽系数φd = 1;由图查取区域系数Z H =2.433切向压力角αt=arctan(tan αn /cos β)=20.562° αa1 = arccos[z 1cos α/(z 1+2h a *)] =31.408° αa2 = arccos[z 2cos α/(z 2+2h a *)] =23.486°端面重合度εα = [z 1(tan αa1-tan α)+z 2(tan αa2-tan α)]/2π=1.629 切面重合度εβ=φd Z1tan β/π=1.587;重合度系数Z ε =αββαεεεε+)(-13-4=0.714 Z β=βcos =0.985;T1=66.41×103N·mm 查表得材料影响系数Z E =189.8Mpa 21查得小齿轮和大齿轮的接触疲劳极限分别为σHlim1 = 600 MPa 、σHlim2 = 550 MPa 查取接触疲劳寿命系数:K HN1 = 1.13、K HN2 = 1.18 小齿轮应力循环次数N 1= 60nkt h =2.15×108 大齿轮应力循环次数N 2 =N 1/u =4.6×107[σH ]1 = K HN1σ Hlim1S =452MPa;[σH ]2 = K HN2σ Hlim2S=432.68Mpa取[σH ]1和[σH ]2中的较小者作为该齿轮副的接触疲劳许用应力,即[σH ]=432.68MPa 试算小齿轮分度圆直径d1t≥ 32KHt T 1ψ d ×u±1u ×⎝ ⎛⎭⎪⎪⎫Z H Z E Zε[σ H ]2= 47.81mm 调整小齿轮分度圆直径 计算实际载荷系数前的数据准备圆周速度v =πd 1t n160×1000=0.747m/s;齿宽b = φ d d1t =47.81mm计算实际载荷系数K H由表查得使用系数K A =1.25;根据v=0.747m/s;7级精度 由图查得动载系数K V =1.03齿轮的圆周力F t1 = 2T 1/d 1t =2.79×103;K A F t1/b =72.94<100N·m 查表得齿间载荷分配系数K H α =1.4;K H β =1.511K H = K A K V K H αK H β =2.724可得按实际载荷系数算的的分度圆直径 d 1 = d 1t3K HK Ht=62.83mm 及相应的齿轮模数m α = d 1cos β/z 1 =3.05mm 3.按齿轮弯曲疲劳强度设计4.K Ft =1.2;βb =arctan(tan βcos αt )=13.14° εαv =εα/cos 2βb =1.718;Y=0.25+0.75/εαv =0.687 Y β=1-εβ︒120β=0.815;Y β=1-εβ︒120β=0.815由齿数,查图得齿形系数和应力修正系数Y Fa1 =2.75;Y Fa2 =2.157 Y Sa1 =1.57;Y Sa2 =1.81 计算][Y saa F Y F σ Z v1=z1/cos 3β=21.89同理Z v2=101.81查得小齿轮和大齿轮的弯曲疲劳极限分别为σFlim1 = 500 MPa 、σFlim2 = 380 MPa K FN1=0.83;K FN2=0.95取安全系数S=1.4,得[σF ]1 = K FN1σFlim1S = 310MPa[σF ]2 = K FN2σFlim2S=240.67MPa][Y sa1a1F Y F σ=0.0139;][Y sa2a2F Y F σ=0.0162取][Y saa F Y F σ=0.0139 试算模数m t mm Y K F F 429.1F][Y z Y T 23saa 1d 1t 2=•≥σφε计算实际载荷系数前的数据准备圆周速度v =πd 1t n 260×1000=0.46m/s;d1=m 1z 1=29.45mm齿宽b = φ d d1t =29.45mm宽高比h=(2ha*+c*)m t =3.125mm;b/h=9.16计算实际载荷系数K F 根据v=0.46m/s;7级精度查表Kv=1.02 由F t1=2T1/d1=4.51×103;K A F t1/b=183.769N/mm>100N/mm 查表得K F α=1.2;查表得K H β=1.51结合b/h=9.16由差值法K H β=1.4 K F = K A K v K F αK F β =2.056 按实际载荷算得齿轮模数m=71.1m t=FtFK K 取标准值m=2mm 按接触疲劳强度算得分度圆直径d1=62.83mm 算得小齿轮齿数z1=d1cos β/m=30.48取z1=31 则z2=uz1=146;d2=292mm 4.几何尺寸计算计算中心距a = (d 1+d 2)/2 =182.419mm 取180mm 修正后螺旋角β=arccos︒=+475.102)21(amz z 大小齿轮分度圆半径d1=mm m z 63cos 1=β;d2=mm mz 95.296cos 2=β齿宽b=φd d1=63.05mm 取b2=60;b1=65 调整后强度校核 齿面接触疲劳强度校核 K H =K A K V K H αK H β=2.587T1=6.41×103N ·m;d1=65mm;u=4.709;Z H =2.46;ZE=189.8MPa 21Z ε=0.657;Z β=0.992σH =MPa Z Z Z Z uu d T K E H H 47.36511d 123=•+•βεφ<[σH ] 齿根弯曲疲劳校核K F =2.2;T1=66.41×103N·mm ;Y Fa1=2.52;Y Fa2=2.157 Y sa1=1.64;Y sa2=1.83;Y ε=0.689;Y β=0.82 σF1 = 2K F T 2Y Fa Y Sa Y εφ d m 3n z 23 =137.64MPa ≤ [σF ]1σF2 = 2K F T 2Y Fa Y Sa Yεφ d m 3n z 23 =76MPa ≤ [σF ]25.主要设计结论齿数z 3 = 31、z 4 =143 ,模数m = 2mm ,压力角α = 20°,中心距a = 187.5 mm ,齿宽b 3 = 60 mm 、b 4 = 65mm 。