东风7G型内燃机车检修手册7-第七部分空气系统
- 格式:doc
- 大小:2.61 MB
- 文档页数:25
DF7G型内燃机车空气制动系统阀类安装技术改进现场经验文章编号:1007.6o34(2o06J05-0041-113DF7G型内燃机车空气制动系统阀类安装技术改进文晓玲,周学良(中国北车集团北京二七机车厂,北京100072)摘要:通过展示DF7.型内燃机车空气制动系统阀类安装技术改进的整个过程,提出了一种非常实用而且有效的工业设计改进模式一工艺反推法,再通过完善工艺来巩固改进成果.关键词:工艺反推法;DF7.型机车;阀类安装中图分类号:U260,351文献标识码:BO前言我国铁路内燃机车普遍采用Jz一7型空气制动机,通过它控制全列车和机车单机的制动,缓解.制动机安装除了司机室操纵台上的自动制动阀和单独制动阀外,还包括分配阀,作用阀,中继阀,遮断阀等各种阀类和辅件.DF.型机车是在DF7型机车基础上进行模块化改进设计的车型,它的主要设计思想是尽可能使各机组部件集中安装,形成一个单独模块.在这种思想的指导下,对制动机安装也进行了模块化改进设计,分配阀的主阀部,副阀部,紧急部以及作用阀被集中安装在一个内部有通路的大阀板上,成为一个大阀板模块,称为"制动控制装置";中继阀和遮断阀被集中安装在一个内部有通路的小阀板模块上,称为"中继阀集成安装".这2个阀板模块和监控装置各阀,机车无动力装置以及风缸装配等装置被集中安装到一个钢结构上,整个模块被称为"阀类安装",布置在司机室后端的制动室内.由于受制动室空间限制,阀类安装整个装置的外形尺寸受到限制,原设计为980mm×630mm×1300mm,在这个局限的空间内要安装各种阀类,管件,管路等300多件,只能密集布置,由于管路数量和层次多,采用三维CAD图也难以完整反映空间关系,给设计带来一定的难度.按照常规程序,设计收稿日期:2006—06—23作者简介:文晓玲(1973一),女,四川高县人,工程师,1994年毕业于西南交通大学内燃机专业,工学学士,现主要从事铁路机车设计工作. 了DF,型机车阀类安装,然后按图纸进行生产.在几台车的试制过程中,暴露出管路,电气线路庞杂繁乱,整体不美观,产品一致性差,组装,检修不方便等问题.虽然从设计源头进行过一些改进,但实际效果并不太理想,管路及电气线路不规范等问题始终没有得到根本解决.为了彻底解决DF,型机车阀类安装存在的问题,提高机车整体质量,工厂改变过去做法,确立以工艺为突破口进行技术改进,采用以实物工艺反推对设计结构进行改进,再通过完善工艺来巩固改进成果的方法(本文中将其简称为实物工艺反推法).经过在140台机车上验证,DF7型机车阀类安装改进取得了很好的效果,实践证明了这种实物工艺反推法简单实用,效果明显,质量稳定.1存在的问题及原因分析技术改进之前的DF7型机车阀类安装如图1,图2所示,存在的主要问题及其原因如下.(1)对直接影响保养检修的部件,给定的拆装空间和接近性不足.由于部分配件位置不合理,造成联接制动控制装置和中继阀集成安装的13个接口被外层管路遮挡(如图2),导致接口处滤尘网不便于拆装,以至于用户不能按规定及时清洗滤尘网,成为影响制动性能的隐患;工作一作用风缸,紧急一降压风缸,风笛及撒砂电空阀均安装在阀类安装架的左侧面(如图1),使阀类安装架较宽,安装到车上后检修接近性不41现场经验机车车辆工艺第5期2006年10月图1阀类安装改进前照片(正面)各接口滤尘网位置(13处)图2阎类安装改进前j!{{片(背回)好;接线盒放在阀类安装架一侧,装上车后,接线盒被制动室侧门掩去一半,使接线,检修不便.(2)管路数量多,布置不规范,互换性差.由于冗余设计的截门过多,管路数量多达43根,再加上布局不合理,造成管路层次多,重叠交叉处多(如图2);阀类安装架上各管引出接口(如图1) 分2排布置,尤其是靠司机室一侧的管接头,检修时必须先将外侧的管路拆下,待内侧的接头紧固后才能把外侧的接头紧固,如果在试风过程中发现泄漏,还要重新拆装一遍;监控装置的CZDF3电空阀, CZDF1—8电空阀无法固定,导致向外延伸的6根管也无法固定,难以规范管路组装,造成一台车一个样;部分管路现场配制,互换性差.(3)电气线路走向不规范.由于在设计中没有对机械,电气部分统筹考虑,阀类安装上车后现场确定电气线路走向,现场焊接走线管和绑线架,不仅造成电气线路走向随意,散乱,而且造成钢结构进行二次焊接,油漆.422改进过程(1)优化结构,制作模型.阀类安装实物模型制作完成后,组织人员对实物质量进行评价,然后根据评委提出的改进意见,现场修改实体模型.经过3轮改进,不断完善,最后一个实物模型见图3,图4,以其简洁美观,便于检修得到一致认可.图3阀类安装改进后照片(正面)图4阀类安装改进后照片(背面)(2)方案实施.阀类安装实物模型经评价得到认可后,组织召开了评审会,确定了最终的实施方案,主要内容如下:①调整布局,便于拆装.调整CZDF3电空阀,DF7.型内燃机车空气制动系统阀类安装技术改进CZDF1—8电空阀,无动力装置,涂油器阀的安装位置,使布局更加合理,连接制动控制装置,中继阀集成安装的13个接口不再被外层管路遮挡,方便于接口处滤尘网的拆装清洗,杜绝影响制动性能的安全隐患(如图4);将工作一作用风缸,紧急~降压风缸位置由安装架左侧改到安装架顶部放置(如图1,图3),充分利用了高度空间从而缩减了阀类安装的宽度尺寸,提高了检修接近性;风笛及撒砂电空阀安装位置调转90.,使钢结构外形更加紧凑美观,同时便于拆装检修;把接线盒安装座的位置由阀类安装架一侧改在上部中间位置(如图1,图4),既美观又便于接线操作.②简化,规范管路.在保证功能,性能和可靠性的原则下,去掉多余的冗余设计,精简管路数量;合理布局,减少管路层次,将各管引出接口由双排布置改为单排布置(如图1,图3),既简洁美观又方便组装和检修;为了减少交叉,在直角接头上焊接TB/T333—3Ⅲ型接头体(如图4),以减少管子上的三通接头体,既容易焊接又美观;列车管和闸缸管压力传感器安装由06管联接改为管座直接安装.取消管.减少一种管径规格.③规范电气线路走向.在阀类安装钢结构的设计中,把接线盒,走线管,绑线架等电气安装部分一并考虑进去,制造钢结构时连同走线管,绑线架一起焊接,既规范电气线路走向,解决电气线路随意,松散的问题,又能避免钢结构二次焊接,油漆.(3)装车验证,确认.为了确认技术方案的可行性,将最佳方案的实物模型在OF7型5127号机车上试装,经试验证明机车空气制动性能完全满足要求,装车效果良好,改进成果得到确认.(4)完善工艺.为了巩固技术改进成果,保证批量生产中质量稳定性,提高产品一致性,实现标准化,模块化的目标,以工艺为基础,在完善装备,方法,规程上做了一些工作:①采用先进的数控弯管机进行钢管预制,保证了管路尺寸和角度的准确性,达到管路全部预制成形,取消现场配焊;②每根管预制成形后,采用样板进行检查,保证管路的一致性;③制作胎形,保证钢结构焊接定位准确;④在管路,电气线路规范化和钢结构焊接质量得到保证的前提下,对工艺流程进行调整,取消了管路现场配焊和电气线路现场固定,实现先组焊,油漆,后组装,使阀类安装整个装置全部在车下完成组装,作为一个模块整体吊装上车;⑤完善工艺规程.按照DF型5127号机车阀类安装实体模型,编制了2005版阀类安装工艺规程.为了让工艺规程真正发挥指导操作者的作用, 在编制工艺时注重其可读性,可操作性.3改进效果图1,图2分别是技术改进前的DL型机车阀类安装正面,背面照片.图3,图4分别是经技术改进后的DL型机车阀类安装正面,背面照片.将图3,图4分别与图1,图2对比可以看出技术改进的实物效果.(1)简化了结构.在保证功能,性能,可靠性的原则下,去掉多余的冗余设计,简化联接结构,合理布局,从而简化了管路.阀类安装原设计有43根连接管路,改进后精简为32根,管路数量减少了25.6%.从明细表统计可见,原阀类安装明细表中有83项,共360件,改进后明细表中只有66项,共328件.(2)方便了组装,检修,生产效率提高了一倍.通过合理调整布局,优化结构,提高了检修接近性, 解决了滤尘网,接线盒,管路引出接口不便于组装和检修的问题,降低了劳动强度,生产周期由原来的3 天缩短到1.5天.(3)实现了模块化,标准化的目标.管路全部预制成形,提高了管路的互换性.通过预设走线管,绑线架,使电气线路走向规范化.管路,线路的标准化水平大大提高.工艺流程调整后,阀类安装钢结构做到了一次组焊完成,油漆涂装一次完成,阀类安装整个装置全部在车下完成组装,作为一个模块整体吊装上车.(4)从2004年6月至2005年10月,阀类安装改进成果经过在路内120台,路外20台机车上装车验证,实现了既定目标,质量良好.■(编辑:施翠燕)43。
东风7型(DF7)调车内燃机车东风7型(DF7)调车内燃机车东风7型调车内燃机车代号DF7,北京二七机车厂1982年设计,1985年正式生产制造,目前已经停产。
DF7调机型内燃机车主要担当调车以及小运转任务。
此车为外走廊式设计。
柴油机装车功率为1470KW,最大速度为100km/h,车长17800mm,轴式C0-C0,传动方式为交-直流电传动。
适用于大型枢纽编组站场调车及工矿小运转作业,可根据用户需要加装低恒速装置。
机车起动加速快,燃油消耗率低、噪音小、运转性能优良,作业效率高,运行安全可靠,操纵和维修方便,曾经深受用户欢迎。
东风7型内燃机车主要技术参数轴列式 C0-C0轨距 1435mm装车功率 1470kw轴重 22.5t计算整备重量 135t轮径 1050mm最大速度 100km/h起动牵引力 428kN通过最小曲线半径 100m机车全长 18800mm机车高度 4750mm机车宽度 3344mm燃料箱容积 5400L东风7G型(DF7G)调车内燃机车东风7G型(DF7G)调车内燃机车东风7G型内燃机车是一种交—直流电传动内燃调车机车,主要用于大、中型编组站的编组及调车作业。
该机车是南车四方机车车辆股份有限公司在吸取了NJ1型交流传动内燃调车机的经验后,研制和生产的全新交流传动内燃调车机。
齿轮箱底部距轨面高147mm,可保证轮对全磨耗下顺利通过驼峰。
机车采用外走廊式车体,主车架承载的模块化结构,上部设有冷却室、动力室、辅助室、电气室、司机室和制动室六个模块。
目前该型机车的主要生产单位是北车集团北京二七轨道交通装备有限责任公司。
柴油机:装用12V240ZJ型柴油机,增压系统采用脉冲增压,部分工况性能较好。
主要零部件可与东风4型机车的柴油机通用互换。
柴油机辅助系统:进气滤清系统采用二级滤清,粗滤采用多旋流管式空气滤清器,细滤采用圆筒式纸质空气滤清器,设有动力引射除尘装置,负压报警装置。
高温水及机油系统设有恒温阀,油、水管路采用不锈钢阀门。
产品说明:东风7G型内燃机车相对同类型的调车机车,对于有许多优势,现总结如下:1.工矿企业与国铁机车保持同步或更新略迟于国铁,可得到广泛的技术支持,配件可得到灵活互换,售后服务不会受到某一个厂家影响。
东风7G型机车于2003年第四季度开始向国铁供货,是国铁从事调车和小运转的大功率机车,秉承了东风7C机车成熟的柴油机技术,和设计合理的机车结构.目前业绩180台,同东风7C一样将分布在我国14个铁路局,未来几年内,预计每年向国铁供货100台.与同类车型相比,铁路保有量大,不会每年生产10-20台,或者产销量更低,无法形成生产规模,日后运用配件、服务,将是一个潜在的威胁。
2.独特的脉冲增压技术. 本机车柴油机设计上采用脉冲增压,与铁路机车柴油机普遍运用的定压增压或MPC增压比较,其原理、结构均不相同。
当柴油机工作在增压压力不高的部分工况时,脉冲增压的废气能量利用率高,柴油机性能参数优于其它增压方式。
东风7系列机车柴油机装用ZN250(或ZN270)系列增压器,为追求经济、高效的增压系统,对增压器通流元件进行特定设计,拓宽压气机高效区,并整体向部分工况偏移,以充分适应调车作业。
通过参数优化和试验调整,柴油机运行线穿越压气机高效区。
进、排气系统设计借鉴我厂与A VL合作技术,经二次开发,增压器布置在柴油机两端的布置型式,简称“端置脉冲增压”,该系统增压器的涡轮采用双口进气,每三个气缸合成一组,通过排气管与涡轮进口连接。
排气管管径适中,弯曲半径大,流程损失小。
排气管内废气压力、温度随工况变化迅速,促成增压器良好的跟随性能,表现在柴油机加载提速反应快,冒黑烟少,减载降速增压器不易喘振。
另外,在特定柴油机发火顺序下,通过优化组合各缸排气管,使排气干扰降至最低水平,柴油机性能进一步提高。
“端置脉冲增压”不仅工作可靠,且增压效率高。
经增压配套、负荷特性、运用特性等性能试验验证,在标定工况各项参数满足设计要求的条件下,柴油机部分工况性能得到较大改善。
东风7g型内燃机车检修手册第二部分第一章总则1.1 本手册的适用范围此手册适用于东风7g型内燃机车的检修工作,包括常规检修、大修、改造等内容。
1.2 检修的目的东风7g型内燃机车是铁路机车牵引车辆的重要组成部分,保障其正常运行,确保安全、可靠、经济地使用,是本手册编写的目的。
第二章检修前的准备工作2.1 工作场所准备在进行内燃机车的检修工作之前,必须确保工作场所的清洁、整洁,并具备必要的检修设备和工具。
2.2 人员准备检修人员必须具备相关的技术知识和操作技能,严格遵守操作规程,确保检修工作的安全和有效进行。
2.3 检修资料准备相关的检修资料必须齐全,包括内燃机车的技术手册、图纸、保养记录等内容。
第三章常规检修3.1 外观检查3.1.1 车体外观检查车体外表面是否有损坏、腐蚀、漏油等情况,确保车辆外观的完好。
3.1.2 车轮及轴箱对车轮进行检查,查看是否有裂纹、变形等情况,对轴箱进行润滑并检查其磨损情况。
3.1.3 车架及悬挂检查车架和悬挂部件,保证其牢固可靠,无松动、破损等情况。
3.2 动力系统检查3.2.1 发动机对发动机进行检查,包括机油、冷却液、燃油等液体的检查和更换,以及气缸压力、供油系统、点火系统等的检验。
3.2.2 变速箱检查变速箱的油液是否充足,齿轮是否磨损,联接件是否松动等情况。
3.2.3 起动系统检查起动机、电池等起动系统的工作情况。
第四章大修4.1 发动机大修4.1.1 拆解根据技术规程,对发动机进行分解,清洗各零部件,检查磨损情况。
4.1.2 更换根据检查结果,对磨损严重或损坏的零部件进行更换。
4.1.3 装配对清洁过的零部件进行装配,注意安装时的配合间隙、紧固扭矩等要求。
4.2 变速箱大修4.2.1 检查对变速箱进行全面的检查,包括各齿轮的磨损情况、联接件的松动情况等。
4.2.2 调整对检查结果不良的部分进行调整,确保其工作正常。
4.2.3 检测对大修后的变速箱进行静态和动态的测试,确保其性能符合要求。
东风7G型内燃机车大修规程(四方生产)铁道部机车车辆大修规程管理研究室2012年12月目录1 总则..................................................................................... -2 - 2管理...................................................................................... -3 -3 柴油机................................................................................. - 5 -4 辅助及预热装置 .............................................................. - 15 -5 车体................................................................................... - 18 -6 制动及空气系统 .............................................................. - 22 -8 电器及电气线路 .............................................................. - 39 -9 辅助传动装置................................................................... - 43 - 10齿轮及轴承...................................................................... - 44 - 11 机车总装、负载试验及试运 ........................................ - 45 - 12大修限度表...................................................................... - 50 - 13 大修零件探伤范围 ........................................................ - 62 -1 总则1.1机车大修必须贯彻为铁路运输服务的方针。
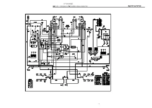
东风7G型内燃机车检修手册7-第七部分空气系统精品文档空气制动装置EQJ27B-18A-00-000图1空气制动装置系统图1 明细表2 工作原理和主要技术参数2.1 工作原理东风7G型内燃机车的空气管路系统包括风源装置、空气制动装置、辅助用风装置。
由它们来完成机车的制动、缓解、撒砂、鸣笛、自动控制和一些辅助功能。
空气制动装置是机车减速、停车的装置,本车采用的是JZ-7型(双端)操纵的机车空气制动机。
主要部件包括自动制动阀、单独制动阀、中继阀、分配阀、作用阀和各种容积风缸。
控制关系是:a) 自动制动阀-均衡风缸-中继阀-列车管压力---机车分配阀-作用阀-机车制动缸;--车辆分配阀-车辆制动缸;b) 单独制动阀-作用阀-机车制动缸。
辅助用风装置是由减压阀、低压风缸、电空阀等组成,来完成机车的撒砂、鸣笛、自动控制和一些辅助功能。
空气压缩机是机车的供风装置,空气压缩机压出的压缩空气经散热、油水分离、干燥处理后进入总风缸备用。
两台空气压缩机、双塔干燥器安装在辅助室内,散热器、油水分离器安装在辅助室右上方,油水分离器的排污管引到车下。
两个总风缸都安装在车下,燃油箱的前后端各一个。
在司机室两个操纵台上,各装有一套自动制动阀和单独制动阀。
两套自动制动阀共用一个中继阀,共用一个过充风缸,各有一个均衡风缸,其中一个均衡风缸与过充风缸为一体,安装在主操纵台下,另一个均衡风缸在副操纵台下;中继阀、分配阀和作用阀以及其它制动附件均组装在阀类安装架上,阀类安装架安装在制动室。
车体内的总风管、列车管主管安装在左侧纵梁内。
转向架制动缸管安装在车体右侧下方,每个转向架配置一个截门,主、副台上的制动缸管压力表分别显示两个转向架的制动缸管压力。
低压风缸安装在司机室副台座椅后方地板下,分别向窗刮雨器、电器柜内提供用风;另外在冷却室下安装了一个3.6L的小风缸,供风扇和百页窗操纵用风。
后撒砂电磁阀和后风笛电磁阀安装在阀类安装架上。
前撒砂电磁阀和前风笛电磁阀安装在辅助室侧墙上。
东风7g内燃机车中修工艺流程1.卸下内燃机车的主机装置并进行检查。
Remove the main engine unit of the internal combustion locomotive and inspect it.2.对车辆的底盘进行检查和清洁。
Inspect and clean the chassis of the vehicle.3.检查燃油系统和供油系统,确保正常运转。
Inspect the fuel system and fuel supply system to ensure proper operation.4.检查车辆的冷却系统,清洁并更换冷却液。
Inspect the vehicle's cooling system, clean and replace the coolant.5.对车辆的润滑系统进行检查和维护。
Inspect and maintain the lubrication system of the vehicle.6.检查并更换车辆的空气滤清器。
Inspect and replace the vehicle's air filter.7.对车辆的传动系统进行检查和调整。
Inspect and adjust the vehicle's transmission system.8.检查车辆的排气系统,确保无泄漏和正常运转。
Inspect the vehicle's exhaust system to ensure no leaks and proper operation.9.对车辆的制动系统进行检查和维护。
Inspect and maintain the vehicle's braking system.10.检查车辆的电气系统,确保电路连接良好。
Inspect the vehicle's electrical system to ensure proper circuit connection.11.清洗和更换车辆的火花塞。
机车总图EQJ27B-00A-00-0002 工作原理及性能参数2.1 工作原理柴油机的起动是由一台ZQF-80(或ZQF412)型启动发电机拖动。
该发电机在柴油机起动时由蓄电池供电,待起动后断开电源由柴油机带动,电动机状态转成发电工况,并由充电监控器(或电压调整器)控制其输出励磁电流,使发电电压为110±2V,用来向低压用电设备及控制电路供电。
柴油机转速的控制是通过微机装置,根据司机控制器发出的指令,控制调速器步进电机,实现对柴油机的无级调速。
牵引发电机是一台JF208A型无刷励磁同步电机。
它产生的三相交流电经硅整流柜三相桥式全波整流后,输送给六台并联的牵引电动机,再由它通过牵引齿轮驱动车轮旋转。
从硅整流柜到牵引电动机之间,设有六个主接触器分别控制六台牵引电动机的通断。
另外,还设有一个反向器,用它转换牵引电动机励磁电流的方向,改变牵引电动机的转向,从而控制机车的前进或后退。
当微机控制系统发生故障时,还可使用故障励磁调节器,维持机车运行。
牵引电动机全磁场工作。
机车辅助传动装置采用辅助交流传动,由一台JQF409A2型交流辅助发电机发出交流电,分别为两个驱动冷却风扇的JD358型异步电动机和两个驱动牵引电动机通风机的JD307A型异步电动机供电。
机车辅助系统由燃油系统、机油系统、进气系统、水系统和空气系统等部分组成。
燃油系统由燃油箱、燃油粗滤器、燃油泵组、燃油预热器、阀类和管路等组成,通过设在柴油机上的燃油精滤器向柴油机输送足够数量、具有一定压力的、清洁的燃油。
机油系统包括柴油机油底壳、主机油泵、板式热交换器、机油滤清器、柴油机内部润滑系统、机油离心精滤器、辅助机油泵组、油压继电器和仪表以及阀类、管件等组成。
主机油泵工作时,将机油从油底壳吸出,经过冷却和滤清后,向柴油机供给具有一定压力、一定温度和清洁的机油,对柴油机的轴承和受热零部件进行润滑和冷却。
柴油机起动时,由辅助机油泵从油底壳吸油送入主循环管路中,注入各润滑表面。
空气制动装置EQJ27B-18A-00-0001 明细表2 工作原理和主要技术参数2.1 工作原理东风7G型内燃机车的空气管路系统包括风源装置、空气制动装置、辅助用风装置。
由它们来完成机车的制动、缓解、撒砂、鸣笛、自动控制和一些辅助功能。
空气制动装置是机车减速、停车的装置,本车采用的是JZ-7型(双端)操纵的机车空气制动机。
主要部件包括自动制动阀、单独制动阀、中继阀、分配阀、作用阀和各种容积风缸。
控制关系是:a) 自动制动阀-均衡风缸-中继阀-列车管压力---机车分配阀-作用阀-机--车辆分配阀-车辆制动缸;b) 单独制动阀-作用阀-机车制动缸。
辅助用风装置是由减压阀、低压风缸、电空阀等组成,来完成机车的撒砂、鸣笛、自动控制和一些辅助功能。
空气压缩机是机车的供风装置,空气压缩机压出的压缩空气经散热、油水分离、干燥处理后进入总风缸备用。
两台空气压缩机、双塔干燥器安装在辅助室内,散热器、油水分离器安装在辅助室右上方,油水分离器的排污管引到车下。
两个总风缸都安装在车下,燃油箱的前后端各一个。
在司机室两个操纵台上,各装有一套自动制动阀和单独制动阀。
两套自动制动阀共用一个中继阀,共用一个过充风缸,各有一个均衡风缸,其中一个均衡风缸与过充风缸为一体,安装在主操纵台下,另一个均衡风缸在副操纵台下;中继阀、分配阀和作用阀以及其它制动附件均组装在阀类安装架上,阀类安装架安装在制动室。
车体内的总风管、列车管主管安装在左侧纵梁内。
转向架制动缸管安装在车体右侧下方,每个转向架配置一个截门,主、副台上的制动缸管压力表分别显示两个转向架的制动缸管压力。
低压风缸安装在司机室副台座椅后方地板下,分别向窗刮雨器、电器柜内提供用风;另外在冷却室下安装了一个3.6L的小风缸,供风扇和百页窗操纵用风。
后撒砂电磁阀和后风笛电磁阀安装在阀类安装架上。
前撒砂电磁阀和前风笛电磁阀安装在辅助室侧墙上。
2.2 主要技术参数制动机型号 JZ-7(双端)总风缸压力 900kPa空压机型号 NPT5、螺杆空压机列车管压力 500kPa空压机电机型式直流电机控制风缸压力 600kPa空气干燥器型号 JKG1 总风缸容积500L×2=1000L空气制动装置系统图见图1。
2005年第一次铁道部东风7G 型内燃机车投标标书检修手册空气制动装置EQJ27B-18A-00-000 图1空气制动装置系统图1 明细表2 工作原理和主要技术参数2.1 工作原理东风7G型内燃机车的空气管路系统包括风源装置、空气制动装置、辅助用风装置。
由它们来完成机车的制动、缓解、撒砂、鸣笛、自动控制和一些辅助功能。
空气制动装置是机车减速、停车的装置,本车采用的是JZ-7型(双端)操纵的机车空气制动机。
主要部件包括自动制动阀、单独制动阀、中继阀、分配阀、作用阀和各种容积风缸。
控制关系是:a) 自动制动阀-均衡风缸-中继阀-列车管压力---机车分配阀-作用阀-机车制动缸;--车辆分配阀-车辆制动缸;b) 单独制动阀-作用阀-机车制动缸。
辅助用风装置是由减压阀、低压风缸、电空阀等组成,来完成机车的撒砂、鸣笛、自动控制和一些辅助功能。
空气压缩机是机车的供风装置,空气压缩机压出的压缩空气经散热、油水分离、干燥处理后进入总风缸备用。
两台空气压缩机、双塔干燥器安装在辅助室内,散热器、油水分离器安装在辅助室右上方,油水分离器的排污管引到车下。
两个总风缸都安装在车下,燃油箱的前后端各一个。
在司机室两个操纵台上,各装有一套自动制动阀和单独制动阀。
两套自动制动阀共用一个中继阀,共用一个过充风缸,各有一个均衡风缸,其中一个均衡风缸与过充风缸为一体,安装在主操纵台下,另一个均衡风缸在副操纵台下;中继阀、分配阀和作用阀以及其它制动附件均组装在阀类安装架上,阀类安装架安装在制动室。
车体内的总风管、列车管主管安装在左侧纵梁内。
转向架制动缸管安装在车体右侧下方,每个转向架配置一个截门,主、副台上的制动缸管压力表分别显示两个转向架的制动缸管压力。
低压风缸安装在司机室副台座椅后方地板下,分别向窗刮雨器、电器柜内提供用风;另外在冷却室下安装了一个3.6L的小风缸,供风扇和百页窗操纵用风。
后撒砂电磁阀和后风笛电磁阀安装在阀类安装架上。
东风7G型(DF7G)内燃机车故障处理说明:1、DF7G机车故障判断顺序:首先看微机屏的显示,检查是否有输入,没有输入应检查开关、输入信号、接线等,没有输出为微机故障,微机显示输入、输出均正常应检查电器、联锁、保险、脱扣开关等。
2、DF7G机车的固态继电器A1-A6、B1-B3处理故障应首先观察指示灯是否亮,同时注意固态继电器接线以及换向器接线容易松动,应加强检查。
3、检查故障应注意电器动作顺序:开关—PLC输入—-PLC输出—固态继电器—电器线圈—电器动作。
4、本故障处理方法未全部上车检验,仅供判断故障参考。
一、机车PLC故障:现象:1)微机不工作,微机屏显示。
检查处理:1、如果控制输出脱扣开关(QFDV)脱扣,可恢复。
现象:2)微机不工作,微机屏不显示。
检查处理:1、检查24V电源(VC1)输出、输入是否良好,保险管是否烧损,插座是否接触良好;可更换保险管或者换另一套。
2、检查微机箱POWER 3001F和3000F接线是否松脱,电源指示灯是否工作。
接线松脱时,紧固接线。
3、检查微机输入脱扣开关(QFLV)是否脱扣。
4、检查控制输出脱扣开关(QFDV)是否脱扣。
二、不单打滑油现象:合滑油泵开关,滑油泵不转。
检查处理:1)微机屏无输入。
(IR013:14)滑油泵开关(1-2SALP)接线断线或者接触不良。
处理:整修不良处所。
现象:2)微机屏有输入,有输出(IR102:01)。
检查处理:1、检查固态继电器A1接线2004#(输入)203#(输出)是否良好,指示灯是否正常。
2、滑油泵脱扣开关(QFLP)是否脱扣。
3、滑油泵接触器(KMLP)是否吸合到位。
三、不打燃油现象:合燃油泵开关,燃油泵不工作。
现象:1)微机屏无输入。
(IR013:13)燃油泵开关(1-2SAFP)开关接线是否断线或者接触不良。
现象:2)微机屏有输入,有输出(IR102:00)。
检查处理:1、检查固态继电器A1接线2002#(输入)201#(输出)是否良好,指示灯是否正常。
中南大学网络教育毕业论文论文题目东风七型内燃机车柴油机常见故障分析及处理姓名周渠丰学号 13031070016189专业机械设计制造及其制动化(铁道机车方向)层次专升本学习中心太原学习中心指导教师宁俊学2015年 4 月23 日中南大学网络教育毕业论文(设计)任务书[1] 题目类型:①理论研究,②实验研究,③工程设计,④工程技术研究,⑤软件开发。
[2] 题目来源:①工作任务题,②生产实际题,③模拟或虚构题,④学生自选题。
本任务书必须网上报送学院,学院审批通过后,下载放置在学生论文首页。
目录摘要 (6)第一章、绪论 (7)1.1 阐述柴油机的作用及其发展状态 (7)1.1.1 柴油机的作用 (7)1.1.2 柴油机的发展状态 (7)第二章、东风7 内燃机车柴油机的构造与工作原理 (8)2.1 柴油机的概述 (8)2.2 柴油构造及其主要部件 (8)2.2.1东风7型柴油机的构造 (8)2.2.2东风7型柴油机的主要部件 (9)2.3柴油机的工作原理 (9)第三章、柴油机常见的故障简介 (9)3.1柴油机部件容易产生的故障简介 (9)3.1.1主要固定件 (9)3.1.2运动件 (10)3.1.3 配气机构 (11)3.1.4 调速控制装置 (11)3.2柴油机各系统容易产生的故障简介 (11)3.2.1 燃油系统 (11)3.2.2润滑系统(机油系统) (12)3.2.3冷却水系统 (12)3.2.4增压系统....................................... (12)第四章、东风7型柴油机常见的故障的判断与处理方法 (13)4.1柴油机启动时的故障判断与处理方法 (13)4.1.1柴油机启动时曲轴转动,但不爆发 (13)4.1.2柴油机飞车,但超速停车装置起作用 (13)4.1.3柴油机爆发声音不对,排气温度上升 (14)4.1.4柴油机不停机 (14)4.1.5柴油机机油压力低 (14)4.2 运行中柴油机的故障判断与处理方法 (15)4.2.1柴油机功率不稳 (15)4.2.2柴油机功率不足 (15)4.2.3柴油机突然停机 (16)4.2.4燃油系统排气不止 (16)4.2.5柴油机机油压力突降 (16)4.2.6柴油机机油有水 (17)4.2.7柴油机冒黑烟 (17)4.2.8柴油机冒白烟 (17)4.2.9柴油机排气,冒蓝烟 (18)第五章、总结与展望 (18)参考文献 (19)致谢 (20)摘要本论文首先对机车柴油机的作用以及当前的发展形势作了基本的简介,再次对东风七型柴油机基本工作原理、主要部件及其构造进行了阐述,同时对柴油机的各系统的作用及容易发生的故障部件、系统作简要叙述,然后结和我段所配属机车柴油机的实际情况对机车柴油机运行故障原因、判断方法、处理方法进行研究。
东风7g内燃机车中修工艺流程
东风7G内燃机车中修工艺流程
1. 机车入厂检查
- 对机车进行全面检查,确定维修项目和范围
- 检查发动机、变速箱、车架、制动系统等关键部件状况
2. 拆卸
- 根据维修项目要求,对需要维修或更换的部件进行拆卸
- 严格遵守拆卸顺序和要求,避免损坏其他部件
3. 清洗
- 使用专用清洗设备对拆下的零部件进行彻底清洗
- 确保无污垢和残留物,为后续检测和装配做好准备
4. 检测
- 对关键零部件如发动机缸体、曲轴、凸轮轴等进行无损检测 - 检查磨损、裂纹、变形等缺陷,判断是否需要修复或更换
5. 修理
- 对可修复的零部件进行维修,如磨缸、磨瓦、补焊等
- 采用先进的修理工艺和设备,确保修理质量
6. 装配
- 依据装配顺序和要求,将修复后的零部件逐一装配
- 严格控制装配质量,确保各部件间配合良好
7. 调试
- 对装配后的机车进行全面调试,包括发动机、变速箱、制动系统等 - 检查各系统工作状态,确保性能满足要求
8. 测试
- 在测试场地对修理后的机车进行综合性能测试
- 模拟实际工况,全面检查机车运行表现
9. 出厂检验
- 全面检查机车各方面性能,确保达到出厂标准
- 输出检验报告,完成整个修理工艺流程
10. 交付使用
- 经检验合格后,将修理完毕的机车交付用户使用
- 提供相应的技术资料和使用说明
以上是东风7G内燃机车中修工艺的基本流程,具体操作细节和要求需遵循相关技术规范。
全过程严格把控质量,确保修理后的机车性能可靠、安全高效。
第一部分:概述1.1 介绍东风7g型内燃机车东风7g型内燃机车是我国铁路使用的一种重要机车,具有动力强、运行稳定等特点。
为了确保机车的安全运行和延长机车的使用寿命,对机车进行定期检修是至关重要的。
1.2 检修手册的重要性机车的检修手册是对机车进行正确检修的重要参考资料,它包含了机车的各项技术参数、检修标准和方法,对于机车检修人员来说具有非常重要的指导作用。
第二部分:机车检修手册的组成2.1 内容概述东风7g型内燃机车检修手册是根据机车的实际情况编写而成,包括了机车的技术要求、检修流程、注意事项等内容。
2.2 主要章节机车检修手册主要包括以下章节:机车总体、动力装置、牵引装置、传动装置、制动装置、辅助装置、电气设备、车体及外观、保养、故障诊断与排除等。
第三部分:机车检修手册的使用方法3.1 基本原则在使用机车检修手册时,检修人员要遵循正确的操作流程和方法,严格按照手册规定的标准进行检修,确保机车的安全运行。
3.2 注意事项在检修过程中,除了要掌握正确的检修技术外,还要注意安全防护措施,确保自身和他人的安全。
第四部分:机车检修手册的更新与维护4.1 更新内容随着科技的不断进步和机车技术的更新换代,机车检修手册也需要不断更新和完善,以适应新的机车型号和技术要求。
4.2 维护方法为了确保机车检修手册的准确性和可靠性,需要对手册进行定期维护和更新,修订内容需要经过严格的审核和验证。
第五部分:总结5.1 检修手册的重要性机车检修手册是机车检修工作的重要依据,它为检修人员提供了标准、规范的操作指南,是确保机车安全运行的重要保障。
5.2 提高检修质量严格遵照机车检修手册进行操作,可以有效提高检修质量,减少操作失误,确保机车的安全运行和延长使用寿命。
5.3 对机车检修手册的建议建议在编写和更新机车检修手册时,加强技术研究,借鉴国际先进经验,不断提高机车检修手册的质量和水平。
结语东风7g型内燃机车检修手册的编制对于提高机车检修质量、确保机车安全运行具有重要意义。
东风7G型内燃机车检修手册7-第七部分空气系统用心整理的精品word 文档,下载即可编辑!!空气制动装置EQJ27B-18A-00-000图1空气制动装置系统图1 明细表2 工作原理和主要技术参数2.1 工作原理东风7G型内燃机车的空气管路系统包括风源装置、空气制动装置、辅助用风装置。
由它们来完成机车的制动、缓解、撒砂、鸣笛、自动控制和一些辅助功能。
空气制动装置是机车减速、停车的装置,本车采用的是JZ-7型(双端)操纵的机车空气制动机。
主要部件包括自动制动阀、单独制动阀、中继阀、分配阀、作用阀和各种容积风缸。
控制关系是:a) 自动制动阀-均衡风缸-中继阀-列车管压力---机车分配阀-作用阀-机车制动缸;--车辆分配阀-车辆制动缸;b) 单独制动阀-作用阀-机车制动缸。
辅助用风装置是由减压阀、低压风缸、电空阀等组成,来完成机车的撒砂、鸣笛、自动控制和一些辅助功能。
空气压缩机是机车的供风装置,空气压缩机压出的压缩空气经散热、油水分离、干燥处理后进入总风缸备用。
两台空气压缩机、双塔干燥器安装在辅助室内,散热器、油水分离器安装在辅助室右上方,油水分离器的排污管引到车下。
两个总风缸都安装在车下,燃油箱的前后端各一个。
在司机室两个操纵台上,各装有一套自动制动阀和单独制动阀。
两套自动制动阀共用一个中继阀,共用一个过充风缸,各有一个均衡风缸,其中一个均衡风缸与过充风缸为一体,安装在主操纵台下,另一个均衡风缸在副操纵台下;中继阀、分配阀和作用阀以及其它制动附件均组装在阀类安装架上,阀类安装架安装在制动室。
车体内的总风管、列车管主管安装在左侧纵梁内。
转向架制动缸管安装在车体右侧下方,每个转向架配置一个截门,主、副台上的制动缸管压力表分别显示两个转向架的制动缸管压力。
低压风缸安装在司机室副台座椅后方地板下,分别向窗刮雨器、电器柜内提供用风;另外在冷却室下安装了一个3.6L的小风缸,供风扇和百页窗操纵用风。
后撒砂电磁阀和后风笛电磁阀安装在阀类安装架上。
前撒砂电磁阀和前风笛电磁阀安装在辅助室侧墙上。
2.2 主要技术参数制动机型号 JZ-7(双端)总风缸压力 900kPa空压机型号 NPT5、螺杆空压机列车管压力 500kPa空压机电机型式直流电机控制风缸压力 600kPa空气干燥器型号 JKG1 总风缸容积 500L×2=1000L 空气制动装置系统图见图1。
3 空气压缩机组空气制动、辅助用风和控制用风的风源均来自空气压缩机,两台压缩机为两个型号。
一台为NPT5活塞式压缩机,一台为螺杆式压缩机。
左侧安装活塞式压缩机,右侧安装螺杆式压缩机。
NTP5空气压缩机组成见图2。
NTP135喷油螺杆空气压缩机组成见图3。
3.1 NPT5空气压缩机与电机连接装配技术要求:a) 两半联轴节的径向跳动不应超过0.15,允许加垫调整;b) 两半联轴节联接面的平行度不应超过0.4;c) 第一次使用螺杆空压机之前一定要熟读维护使用说明书。
NPT5空气压缩机与螺杆压缩机均备有使用与检修说明书。
3.2 空气压缩机附件配置3.2.1 总风缸总风缸是由钢板焊接成的圆柱形压力容器,两个总风缸容积相等。
第一总风缸装于燃油箱前,第二总风缸装于燃油箱后,下部均设有排水塞门,须经常开放以排泄积存的油水。
在干燥器正常工作状态下,总风缸内不应有积水。
3.2.2 止回阀止回阀采用内燃机车通用件NT113-00 Rc1 1/4止回阀,安装在空压机的出风管上。
一台空压机配置一个,防止两台空压机之间互相串风。
当空压机不工作时,防止总风缸压力空气倒流。
见图4。
3.2.3 保安阀保安阀分为高压保安阀和低压保安阀,高压保安阀装于总风缸之前的风泵出风管上,当压力继电器失灵,压缩空气压力超过950kPa,空压机仍不停止工作时,安全阀开启泄压,因安装位置关系,总风缸压力不会明显下降,这样可防止因安全阀不能及时关闭造成总风压力下降过多的问题。
低压保安阀装于空气压缩机的散热器上,两者外形尺寸及构造完全相同,都是内燃机车通用件。
当管路内压力高于调整弹簧工作压力时,阀被顶起,压力空气从阀体上的一圈小孔排向大气。
两者的区别仅在于调整弹簧开启压力不同。
高压保安阀(NT2-00-75)的开启压力为(950±20)kPa,低压保安阀(NT3-00-75)的开启压力为450±10kPa。
高压保安阀见图5。
3.2.4 压力继电器采用YKW-50-C型压力继电器,安装在动力室立管式预热锅炉旁。
共有两个,其中一个调整压力为(750~900)kPa,允许误差为20kPa。
当总风缸内压力高于900kPa 时,压力继电器动作切断电源,空气压缩机停止工作;当总风缸内压力降低到750kPa时,压力继电器动作接通电源,空气压缩机重新起动。
压力继电器外形如图6。
通过调整螺钉和微调螺母可以调整空压机的工作压力。
另一个继电器调整压力为500kPa。
当总风压力不足500kPa 时,它切断电路,此时柴油机不能提挡,当总风压力达到500kPa 时,继电器接通电路,才能提挡,起安全保护作用。
图2 N P T 5 型空气压缩机组成1-直流电机;2-冷却风扇;3-散热器;4-高压气缸;5-低压气缸;6-气缸盖;7-气阀;8-活塞;9-连杆;10-加油堵;11-润滑油泵;12-油压弹簧;13-放油堵;14-机组安装座;15-窥油窗;16-吸油管滤网;17-曲轴;18-连轴器;19-电机接线盒;20-滑油压力表;21-低压保安阀;22-空气滤清器图3 N P T 135 喷油螺杆空气压缩机组成1-油气精分离器;2-压缩空气、油冷却器;3-空滤器;4-直流电机;5-安全阀;6-底盘架;7-隔振器;8-风扇;9-连轴器;10-注油口;11-最小压力阀;12-油窗;13-温控阀;14-主机图7干燥器工作原理图4 空气干燥器为提高机车制动机的可靠性,防止管路和配件锈蚀,延长使用寿命和检修周期,本机车加装了JKG1型空气干燥器,该装置由高效油水分离器、干燥器、排泄电磁阀和电气控制器等组成,是一种无热再生干燥装置。
其工作原理见图7。
使用与检修另有说明书。
5 空气制动装置东风7G型内燃机车的空气制动装置是双端操纵的JZ-7型制动机。
总风定压900kPa。
均衡风缸和列车管的定压为500kPa。
5.1 制动机的组成制动机主要由自动制动阀、单独制动阀、中继阀、分配阀、作用阀、制动辅件等配件组成。
5.2 自动制动阀自动制动阀用以操纵全列车的制动、保压、缓解。
其设有过充位、运转位、最小减压位、最大减压位、过量减压位、手柄取出位和紧急制动位七个工作位置,如图8所示。
自动制动阀的最小减压位至最大减压位之间为常用制动区,其减压量在(50~140)kPa之间。
a) 过充位:此位置可加快列车管的充气速度,一般用于初充气或连续坡道制动后的缓解,能使列车管高出定压(30~40)kPa,均衡风缸的压力可保持定压;b) 运转位:是列车运行或制动后需缓解时放置的位置;c) 制动位:是对运行中的列车实行正常制动停车或调节速度时所用的位置。
从最小减压位到最大减压位可有效地实施三次阶段制动;d) 过量减压位:当制动缓解频繁、缓解充气不足、又需制动时所用的位置。
此位置可使列车管的减压量达到(240~260)kPa。
但车辆制动缸的压力要视副风缸的压力而定;e) 手柄取出位:机车非操纵端、重联补机和无动力回送机车自动制动阀放置的位置,并取出手柄;f) 紧急制动位:列车运行时发生意外必须立即停车时所用的位置。
5.3 单独制动阀单独制动阀用于操纵机车的单独制动。
其设有单独缓解位、运转位、全制动位三个工作位置,如图9所示。
单独制动阀的运转位至全制动位称为制动区。
单独缓解位不是自由停放位,实施单独缓解后,松开手柄,可自动回到运转位。
手柄可从运转位取出。
a) 单独缓解位:此位置是自动制动阀施行列车制动后单独缓解机车所用的位置;b) 运转位:是单机制动后缓解或机车运行时放置的位置;c) 制动区:是单机运行时,使机车正常制动所用的位置。
5.4 中继阀中继阀由管座、中继阀、总风遮断阀三部分组成。
它接受自动制动阀的控制,控制它的4号管、7号管、8号管均来自自动制动阀,直接操纵列车管压力变化。
中继阀能向列车管充气增压,又能排气减压,还可保持列车管压力不变,从而能使全列车得到充气缓解、制动和保压作用。
通过7号管的控制,可实现列车管压力过充,及过充压力的消除。
5.5 分配阀它由主阀部、副阀部、紧急部和管座组成,由管座将其连成一体,此外还附有四个风缸,即工作风缸(用来控制主阀的制动、缓解和保压作用)、作用风缸、紧急风缸、降压风缸。
紧急风缸和降压风缸是连在一起的,工作风缸和作用风缸是连在一起的。
分配阀的主要作用是根据列车管压力变化而动作,用以控制作用风缸的供气、保压和排气。
5.6 作用阀作用阀通过14号管受分配阀或单独制动阀的控制,从而使机车制动缸充气或排气,产生制动或缓解作用。
作用阀分三个作用位置,即制动位、保压位、缓解位。
5.7 切换阀本车的两个自动制动阀共用一个中继阀,换端操纵时,利用两端均衡风缸管(1#)的压差实现切换阀自动转换,改变中均管(4#)和总风遮断阀管(8#)的通向,使操纵端的制动阀和中继阀联接,实现换端操纵。
切换阀结构原理如图10。
当用A端操纵时, A端自动制动阀手柄放置运转位,B端自动制动阀手柄放置手柄取出位,A端的均衡风缸管(1#)达到500kPa, B端的均衡风缸管(1#)降至250kPa,切换阀柱塞被推向B端,使A端的中均管(4#)和总风遮断阀管(8#)通向中继阀,控制中继阀的动作。
换端操纵时A端自动制动阀手柄放置手柄取出位,B端自动制动阀手柄放置运转位,A端的均衡风缸管(1#)降至250kPa,B端的均衡风缸管(1#)达到500kPa,切换阀柱塞被推向A端,使B端的中均管(4#)和总风遮断阀管(8#)通向中继阀,控制中继阀的动作。
5.8 双向阀亦称换向阀,本机车装有四个。
一个在两个单独作用管之间的交汇处,一个在分配阀处。
它们的作用是一次只能有一个单独制动阀或分配阀操纵作用阀的动作。
另外,一个在两个过充管之间的交汇处,换端操纵时也要通过双向阀转换通路。
另一个在切换阀处。
见另外,本车的阀类安装采用板式集中安装,每个进口处均有滤网,检查各阀时要同时清洗滤网。
5.9 JZ-7型制动机的使用在机车运行之前,根据机车运用状态对制动装置作适当处理。
5.9.1 运转机车乘务员必须对两端操纵台的制动阀手柄进行妥善处理,确认无误后才能动车。
操纵端自动制动阀和单独制动阀手柄置于运转位,非操纵端从手柄取出位取出。
自动制动阀上的客货车转换阀根据所联挂列车的制动机缓解形式来决定:一次缓解型的放在货车位;阶段缓解型的放在客车位(本车应将客货车转向阀置于货车位)。