东风7G型内燃机车检修手册6-第六部分转向架
- 格式:docx
- 大小:3.49 MB
- 文档页数:62
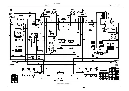
2005年第一次铁道部东风7G 型内燃机车投标标书检修手册空气制动装置EQJ27B-18A-00-000 图1空气制动装置系统图1 明细表2 工作原理和主要技术参数2.1 工作原理东风7G型内燃机车的空气管路系统包括风源装置、空气制动装置、辅助用风装置。
由它们来完成机车的制动、缓解、撒砂、鸣笛、自动控制和一些辅助功能。
空气制动装置是机车减速、停车的装置,本车采用的是JZ-7型(双端)操纵的机车空气制动机。
主要部件包括自动制动阀、单独制动阀、中继阀、分配阀、作用阀和各种容积风缸。
控制关系是:a) 自动制动阀-均衡风缸-中继阀-列车管压力---机车分配阀-作用阀-机车制动缸;--车辆分配阀-车辆制动缸;b) 单独制动阀-作用阀-机车制动缸。
辅助用风装置是由减压阀、低压风缸、电空阀等组成,来完成机车的撒砂、鸣笛、自动控制和一些辅助功能。
空气压缩机是机车的供风装置,空气压缩机压出的压缩空气经散热、油水分离、干燥处理后进入总风缸备用。
两台空气压缩机、双塔干燥器安装在辅助室内,散热器、油水分离器安装在辅助室右上方,油水分离器的排污管引到车下。
两个总风缸都安装在车下,燃油箱的前后端各一个。
在司机室两个操纵台上,各装有一套自动制动阀和单独制动阀。
两套自动制动阀共用一个中继阀,共用一个过充风缸,各有一个均衡风缸,其中一个均衡风缸与过充风缸为一体,安装在主操纵台下,另一个均衡风缸在副操纵台下;中继阀、分配阀和作用阀以及其它制动附件均组装在阀类安装架上,阀类安装架安装在制动室。
车体内的总风管、列车管主管安装在左侧纵梁内。
转向架制动缸管安装在车体右侧下方,每个转向架配置一个截门,主、副台上的制动缸管压力表分别显示两个转向架的制动缸管压力。
低压风缸安装在司机室副台座椅后方地板下,分别向窗刮雨器、电器柜内提供用风;另外在冷却室下安装了一个3.6L的小风缸,供风扇和百页窗操纵用风。
后撒砂电磁阀和后风笛电磁阀安装在阀类安装架上。
东风7型内燃机车故障处理一、运行中柴油机突然停机运行中的应急处理:1、司机首先确认差示红灯和燃油压力,副司机迅速到电气间确认ZK12(XK处)、机械间手摸DLS(A型LC)线圈、确认复原手柄的位置、检查差示压力计。
2、差示压力计或J3误动作,检查差示压力计和J3后,重新启机。
3、ZK12跳开恢复:再次启机时,若闭合某个开关后, ZK12跳开,为该条电路短路。
注:启机过程中检查DLS后是否吸合,不吸合为相关电路断路或DLS本身故障。
如果松手释放:如油压正常为油压继电器及相关电路故障。
4、超速停车装置误动作,恢复复原手柄。
5、调速器故障时,二人联系好,可人为扳供油拉杆启机,维持运行。
(无母表防飞车)6、DLS线圈故障:检查其防缓母、座螺丝、线圈接线和Rdls,做相应的处理,机油压力正常时,可顶死DLS维持运行。
二、闭合辅助发电开关AK5不发电的原因及处理1、FLC不吸合应急处理:(控制电路)⑴.直接顶死FLC(转固定发电时立即撤除)。
⑵.有时间查找AK5、J10反、GFC反、RBC正和FLC主触头。
2、FLC吸合查辅助电路。
⑴.脱扣开关ZK2跳开或故障,闭合ZK2故障时短接。
⑵.F LC主触头接触不良:打磨。
⑶.电压调整器故障或插头松脱:检查插头锁紧。
(两套装置时,断A5K倒备用)⑷.Rdt1和Rdt2接线断或烧损,接好线或倒备用电阻。
(移动卡环时,应向两接线之间移动)。
⑸.QD接线盒及电机接线松脱时坚固。
3、使用固定发电维持运行。
三、不泵风第一步:更换另一泵第二步:手按AN2。
第三步:顶死YC(若有YRC时,首先顶死YRC,然后手动顶YC),风满后撤下YC。
第四步:检查4、5RD保险:不良时更换。
四、运行中柴油机不调速1、驱动器故障或插头不良时:更换驱动器插件。
2、司机控制器触指不良:打磨。
3、J1正联锁不良:打磨调整。
4、步进电机故障:断步进电机电源,手拧齿轮人为调速。
五、主回路接地处理方法运行中的应急处理:主手柄回零,恢复DJ,提手柄加载,副司机盯紧6个牵引电机电流表,(不接地时,为瞬间接地,维持运行)再次接地的瞬间,如某台电机的电流表指针异常,可甩掉该电机,并将DK打至负端,回段修理。
产品说明:东风7G型内燃机车相对同类型的调车机车,对于有许多优势,现总结如下:1.工矿企业与国铁机车保持同步或更新略迟于国铁,可得到广泛的技术支持,配件可得到灵活互换,售后服务不会受到某一个厂家影响。
东风7G型机车于2003年第四季度开始向国铁供货,是国铁从事调车和小运转的大功率机车,秉承了东风7C机车成熟的柴油机技术,和设计合理的机车结构.目前业绩180台,同东风7C一样将分布在我国14个铁路局,未来几年内,预计每年向国铁供货100台.与同类车型相比,铁路保有量大,不会每年生产10-20台,或者产销量更低,无法形成生产规模,日后运用配件、服务,将是一个潜在的威胁。
2.独特的脉冲增压技术. 本机车柴油机设计上采用脉冲增压,与铁路机车柴油机普遍运用的定压增压或MPC增压比较,其原理、结构均不相同。
当柴油机工作在增压压力不高的部分工况时,脉冲增压的废气能量利用率高,柴油机性能参数优于其它增压方式。
东风7系列机车柴油机装用ZN250(或ZN270)系列增压器,为追求经济、高效的增压系统,对增压器通流元件进行特定设计,拓宽压气机高效区,并整体向部分工况偏移,以充分适应调车作业。
通过参数优化和试验调整,柴油机运行线穿越压气机高效区。
进、排气系统设计借鉴我厂与A VL合作技术,经二次开发,增压器布置在柴油机两端的布置型式,简称“端置脉冲增压”,该系统增压器的涡轮采用双口进气,每三个气缸合成一组,通过排气管与涡轮进口连接。
排气管管径适中,弯曲半径大,流程损失小。
排气管内废气压力、温度随工况变化迅速,促成增压器良好的跟随性能,表现在柴油机加载提速反应快,冒黑烟少,减载降速增压器不易喘振。
另外,在特定柴油机发火顺序下,通过优化组合各缸排气管,使排气干扰降至最低水平,柴油机性能进一步提高。
“端置脉冲增压”不仅工作可靠,且增压效率高。
经增压配套、负荷特性、运用特性等性能试验验证,在标定工况各项参数满足设计要求的条件下,柴油机部分工况性能得到较大改善。
东风7g型内燃机车检修手册第二部分第一章总则1.1 本手册的适用范围此手册适用于东风7g型内燃机车的检修工作,包括常规检修、大修、改造等内容。
1.2 检修的目的东风7g型内燃机车是铁路机车牵引车辆的重要组成部分,保障其正常运行,确保安全、可靠、经济地使用,是本手册编写的目的。
第二章检修前的准备工作2.1 工作场所准备在进行内燃机车的检修工作之前,必须确保工作场所的清洁、整洁,并具备必要的检修设备和工具。
2.2 人员准备检修人员必须具备相关的技术知识和操作技能,严格遵守操作规程,确保检修工作的安全和有效进行。
2.3 检修资料准备相关的检修资料必须齐全,包括内燃机车的技术手册、图纸、保养记录等内容。
第三章常规检修3.1 外观检查3.1.1 车体外观检查车体外表面是否有损坏、腐蚀、漏油等情况,确保车辆外观的完好。
3.1.2 车轮及轴箱对车轮进行检查,查看是否有裂纹、变形等情况,对轴箱进行润滑并检查其磨损情况。
3.1.3 车架及悬挂检查车架和悬挂部件,保证其牢固可靠,无松动、破损等情况。
3.2 动力系统检查3.2.1 发动机对发动机进行检查,包括机油、冷却液、燃油等液体的检查和更换,以及气缸压力、供油系统、点火系统等的检验。
3.2.2 变速箱检查变速箱的油液是否充足,齿轮是否磨损,联接件是否松动等情况。
3.2.3 起动系统检查起动机、电池等起动系统的工作情况。
第四章大修4.1 发动机大修4.1.1 拆解根据技术规程,对发动机进行分解,清洗各零部件,检查磨损情况。
4.1.2 更换根据检查结果,对磨损严重或损坏的零部件进行更换。
4.1.3 装配对清洁过的零部件进行装配,注意安装时的配合间隙、紧固扭矩等要求。
4.2 变速箱大修4.2.1 检查对变速箱进行全面的检查,包括各齿轮的磨损情况、联接件的松动情况等。
4.2.2 调整对检查结果不良的部分进行调整,确保其工作正常。
4.2.3 检测对大修后的变速箱进行静态和动态的测试,确保其性能符合要求。
东风7G型内燃机车大修规程(四方生产)铁道部机车车辆大修规程管理研究室2012年12月目录1 总则..................................................................................... -2 - 2管理...................................................................................... -3 -3 柴油机................................................................................. - 5 -4 辅助及预热装置 .............................................................. - 15 -5 车体................................................................................... - 18 -6 制动及空气系统 .............................................................. - 22 -8 电器及电气线路 .............................................................. - 39 -9 辅助传动装置................................................................... - 43 - 10齿轮及轴承...................................................................... - 44 - 11 机车总装、负载试验及试运 ........................................ - 45 - 12大修限度表...................................................................... - 50 - 13 大修零件探伤范围 ........................................................ - 62 -1 总则1.1机车大修必须贯彻为铁路运输服务的方针。
可编辑修改精选全文完整版转向架一. DF7C转向架东风7C型机车转向架属于两系悬挂、外拉杆牵引、轴悬式的无导框三轴转向架。
主要由构架装配、轮对轴箱装置、旁承装置、牵引装置、基础制动装置、砂箱、牵引电动机悬挂装置、手制动装置和轮轨润滑装置等组成。
牵引电动机采用ZQDR410型,齿轮罩底面距轨面高度仅能满足不小于120mm的要求,在这种情况下,当轮径小于1016mm时,该齿轮罩将侵入下部限界[铁辆术石(59)第1410部令规定为103mm],运用中应予以注意。
1.2.构架组成构架是转向架的主体,是安装转向架所有零部件的骨架,也是承载和传递各种力的基体。
因此,构架是一个受力复杂的结构部件。
它由两根侧梁、两根横梁、前后端梁组焊成“目”字形框架,各梁均为Q235A材质的钢板组焊成封闭式箱形结构,强度大、刚性好、重量轻。
在其基础上分别焊有旁承座、拉杆座、外侧弹簧座、牵引拐臂座、电机吊杆座、水平杠杆座、横向止挡、制动座、制动缸座及砂箱座等,组成一个完整的构架。
3.轮对轴箱装置轮对轴箱采用拉杆式定位,具有较小的横向刚度。
包括轮对、轴箱及组件、一系悬挂圆弹簧装置、轴箱拉杆和垂向油压减振器等部件。
轴箱装用552732QT、652732QT和752732QT新型轴箱轴承。
垂向油压减振器设置在1、3、4、6位轮对轴箱的两端。
机车速度表传感器装在5位轮对轴箱两端。
轮对主要由车轴、长毂轮心、短毂轮心、从动齿轮和轮箍等组成。
轮对内侧距为1353mm,轮箍踏面外形采用JM磨耗型踏面,以利于减少轮缘磨耗。
从动齿轮与长毂轮心的热装应在短毂轮心热装之前进行。
它的加热温度不大于180℃,其材质为42CrMo,芯部硬度为HB280~320,齿面硬度为HRC55~60,齿廓硬化层深度为2~4mm。
齿面磨削后应探伤检查。
主动齿轮材质为20CrMnMo,芯部硬度为HRC35~40,齿面硬度HRC60以上,渗碳层深度为1.3~1.9mm。
齿面磨削后应探伤检查。
东风7g内燃机车中修工艺流程1.卸下内燃机车的主机装置并进行检查。
Remove the main engine unit of the internal combustion locomotive and inspect it.2.对车辆的底盘进行检查和清洁。
Inspect and clean the chassis of the vehicle.3.检查燃油系统和供油系统,确保正常运转。
Inspect the fuel system and fuel supply system to ensure proper operation.4.检查车辆的冷却系统,清洁并更换冷却液。
Inspect the vehicle's cooling system, clean and replace the coolant.5.对车辆的润滑系统进行检查和维护。
Inspect and maintain the lubrication system of the vehicle.6.检查并更换车辆的空气滤清器。
Inspect and replace the vehicle's air filter.7.对车辆的传动系统进行检查和调整。
Inspect and adjust the vehicle's transmission system.8.检查车辆的排气系统,确保无泄漏和正常运转。
Inspect the vehicle's exhaust system to ensure no leaks and proper operation.9.对车辆的制动系统进行检查和维护。
Inspect and maintain the vehicle's braking system.10.检查车辆的电气系统,确保电路连接良好。
Inspect the vehicle's electrical system to ensure proper circuit connection.11.清洗和更换车辆的火花塞。
机车总图EQJ27B-00A-00-0002 工作原理及性能参数2.1 工作原理柴油机的起动是由一台ZQF-80(或ZQF412)型启动发电机拖动。
该发电机在柴油机起动时由蓄电池供电,待起动后断开电源由柴油机带动,电动机状态转成发电工况,并由充电监控器(或电压调整器)控制其输出励磁电流,使发电电压为110±2V,用来向低压用电设备及控制电路供电。
柴油机转速的控制是通过微机装置,根据司机控制器发出的指令,控制调速器步进电机,实现对柴油机的无级调速。
牵引发电机是一台JF208A型无刷励磁同步电机。
它产生的三相交流电经硅整流柜三相桥式全波整流后,输送给六台并联的牵引电动机,再由它通过牵引齿轮驱动车轮旋转。
从硅整流柜到牵引电动机之间,设有六个主接触器分别控制六台牵引电动机的通断。
另外,还设有一个反向器,用它转换牵引电动机励磁电流的方向,改变牵引电动机的转向,从而控制机车的前进或后退。
当微机控制系统发生故障时,还可使用故障励磁调节器,维持机车运行。
牵引电动机全磁场工作。
机车辅助传动装置采用辅助交流传动,由一台JQF409A2型交流辅助发电机发出交流电,分别为两个驱动冷却风扇的JD358型异步电动机和两个驱动牵引电动机通风机的JD307A型异步电动机供电。
机车辅助系统由燃油系统、机油系统、进气系统、水系统和空气系统等部分组成。
燃油系统由燃油箱、燃油粗滤器、燃油泵组、燃油预热器、阀类和管路等组成,通过设在柴油机上的燃油精滤器向柴油机输送足够数量、具有一定压力的、清洁的燃油。
机油系统包括柴油机油底壳、主机油泵、板式热交换器、机油滤清器、柴油机内部润滑系统、机油离心精滤器、辅助机油泵组、油压继电器和仪表以及阀类、管件等组成。
主机油泵工作时,将机油从油底壳吸出,经过冷却和滤清后,向柴油机供给具有一定压力、一定温度和清洁的机油,对柴油机的轴承和受热零部件进行润滑和冷却。
柴油机起动时,由辅助机油泵从油底壳吸油送入主循环管路中,注入各润滑表面。
DF7G型内燃调机大修技术研究与优化改进摘要:针对DF7G型机车在运用和大修中存在的问题,从部件可靠性改进、控制系统优化和检修方案方面进行了系统性改进,大幅提高了DF7G型机车的运用稳定性和检修后的安全可靠性。
关键词:DFDF7G型机车;检修规程;方案优化前言本文所述调车机车为青岛四方机车有限股份公司生产的DF7G型机车(包括后期戚墅堰机车有限公司生产),该车是一种交直流电传动内燃调车机车,适用于大、中型编组站的编组及调车作业。
东风7G型内燃机车是在东风5型机车的基础上进行了通用化、系列化、模块化、标准化的改进。
机车装用12V240ZJ型柴油机,装车功率为2000kW,柴油机采用无级调速装置;主传动系统采用PLC恒功励磁及功调电阻原励磁两套励磁系统;机车辅助系统采用交流技术,冷却风扇、牵引电机通风机采用交流电机驱动;控制系统设有彩色液晶显示器,具有数据显示、故障诊断、检测、记录等功能。
1大修模式及内容东方7G型内燃机车检修周期结构仍是按:大修(新造)——中修——大修模式执行,大修间隔周期年限为7——9年,与一般调车机车相当。
整个机车大修按系统分为:柴油机、辅助及预热装置、车体及转向架、制动机空气系统、电机电气、辅助传动装置、总装、负载试验及试运八个部分。
1.1柴油机部分机车柴油机因使用年限较长,须整机下车解体,对机体、连接箱、稳压箱、机座支承、油底壳、曲轴箱防爆门、盘车机构、曲轴、轴瓦、联轴节、减震器、连杆、水套、、气缸盖及其附件、凸轮轴、齿轮传动装置及泵传动装置、机油系统、冷却水系统、燃油系统、中冷器、增压系统、各滤清器、调控系统等进行检修及试验,并更新橡胶减震元件、活塞组(活塞销除外)、气缸套、排气门导管、气门座、气门、增压器及各密封、橡胶件等。
整机严格按照组装技术要求组装,并进行台性能试验,使各项参数满足设计要求。
1.2辅助及预热装置整车辅助系统部分全部下车检修:油水管路按要求清洗,并随所在系统进行压力试验。
东风7G型(DF7G)内燃机车故障处理说明:1、DF7G机车故障判断顺序:首先看微机屏的显示,检查是否有输入,没有输入应检查开关、输入信号、接线等,没有输出为微机故障,微机显示输入、输出均正常应检查电器、联锁、保险、脱扣开关等。
2、DF7G机车的固态继电器A1-A6、B1-B3处理故障应首先观察指示灯是否亮,同时注意固态继电器接线以及换向器接线容易松动,应加强检查。
3、检查故障应注意电器动作顺序:开关—PLC输入—-PLC输出—固态继电器—电器线圈—电器动作。
4、本故障处理方法未全部上车检验,仅供判断故障参考。
一、机车PLC故障:现象:1)微机不工作,微机屏显示。
检查处理:1、如果控制输出脱扣开关(QFDV)脱扣,可恢复。
现象:2)微机不工作,微机屏不显示。
检查处理:1、检查24V电源(VC1)输出、输入是否良好,保险管是否烧损,插座是否接触良好;可更换保险管或者换另一套。
2、检查微机箱POWER 3001F和3000F接线是否松脱,电源指示灯是否工作。
接线松脱时,紧固接线。
3、检查微机输入脱扣开关(QFLV)是否脱扣。
4、检查控制输出脱扣开关(QFDV)是否脱扣。
二、不单打滑油现象:合滑油泵开关,滑油泵不转。
检查处理:1)微机屏无输入。
(IR013:14)滑油泵开关(1-2SALP)接线断线或者接触不良。
处理:整修不良处所。
现象:2)微机屏有输入,有输出(IR102:01)。
检查处理:1、检查固态继电器A1接线2004#(输入)203#(输出)是否良好,指示灯是否正常。
2、滑油泵脱扣开关(QFLP)是否脱扣。
3、滑油泵接触器(KMLP)是否吸合到位。
三、不打燃油现象:合燃油泵开关,燃油泵不工作。
现象:1)微机屏无输入。
(IR013:13)燃油泵开关(1-2SAFP)开关接线是否断线或者接触不良。
现象:2)微机屏有输入,有输出(IR102:00)。
检查处理:1、检查固态继电器A1接线2002#(输入)201#(输出)是否良好,指示灯是否正常。
新产品介绍DF 7G 型内燃机车的研制姚林强(四方机车车辆股份有限公司,山东青岛266031)摘要:对DF 7G 型机车的主要特点以及各主要系统、零部件的情况进行了综述。
DF 7G 型机车是四方机车车辆股份有限公司机车系统的主力产品。
根据现状,从各方面就该机车的进一步发展进行了探讨。
关键词:DF 7G 型机车;参数;结构;性能;原理;特点中图分类号:U260.9+3 文献标识码:A 文章编号:1003-1820(2005)12-0001-07收修回稿日期:2005-10-08作者简介:姚林强(1965)),男,福建浦城人,高级工程师。
1 前言2000年以来,按照通用化、系列化、模块化、标准化的原则,南车集团四方机车车辆股份有限公司(以下简称四方)研制开发了DF 7G 型机车。
在完成了该机车技术升级的基础上,四方又对机车的可靠性进行了全面的提升。
在设计、工艺和综合运用性能方面,该机车均有了新的提高。
2003年初,DF 7G 型内燃机车在铁道部技术评比会上,受到铁道部的领导和用户的一致好评。
该车所采用的各系统技术方案和各主要部件与经铁道部定型的DF 5型内燃调车机车均完全相同。
该车目前是四方生产的主力产品,也是铁道部定点招标采购的车型。
DF 7G 型机车采用交-直流电传动,适用于大、中型编组站的编组及调车作业。
2 机车总体布置机车总体布置如图1所示。
机车采用中梁承载的外走廊式车体,分上、下两部分。
上部为车体及安装在车体上的设备,机车(面向主操纵台,前方为机车前部,主操纵台侧为左侧)由前至后依次为冷却室、动力室、辅助室、电气室、司机室及制动室。
机车整个上部结构通过8个橡胶旁承落在两台三轴转向架上。
转向架中间为吊装在车体上的燃油箱。
燃油箱的前、后端安装有2个总风缸,燃油箱左、右两侧为蓄电池箱。
2.1 冷却室冷却室前端放置有2台NPT5型空气压缩机。
前端墙上布置有JKG2F 型双塔空气干燥器、空气压缩机的冷却管、风笛电磁阀、百叶窗电磁阀、轮缘润滑电磁阀等设备。
转向架EQZ7-00-00-000 1. 明细表:2 转向架的作用:2.1 承受车体上部全部重量,包括车体、车架、动力装置以及各种辅助装置和电机、电器设施等。
2.2 保证必要的轮轨间粘着,使轮轨接触处产生轮周牵引力和制动力,以达到牵引列车运行和制动停车。
2.3 缓和线路对机车的冲击,机车在线路上运行时,保持机车具有良好的垂向和横向运行平稳性。
2.4 保证机车能顺利通过曲线和侧线。
2.5 机车在线路运行时,使轮轨在牵引力或制动力以及各种外力作用下,保证安全可靠。
3 转向架的结构特点:东风7G型内燃机车转向架为两系悬挂、轴箱拉杆定位、外拉杆牵引、独立式单侧制动、牵引电机抱滚动轴承轴悬的三轴转向架。
主要由构架装配、轮对轴箱、旁承装置、牵引装置、基础制动装置、砂箱组装、侧挡装配、牵引电动机悬挂装置、手制动装置、轮轨润滑装置及扫石器等组成。
4 转向架主要技术参数:用途调车/小运转轨距(mm) 1435限界GB146.1-83、车限-3轴式C0-C0最大速度(km/h) 100轮径(mm) 1050轴重(t) 23轴距(mm) 2×1800转向架中心距(mm) 10940通过最小曲线半径(m) 100每轴簧下质量(t) 4.4牵引电动机:型号ZD109J型/ZD124型/ZD109BG型额定功率(kW) 530最大转速(r/min) 2385悬挂形式轴悬传动齿轮:模数m 10传动比 4.176(71/17)弹簧悬挂参数:总静挠度(mm) 104一系螺旋弹簧静挠度(mm)90橡胶垫(mm) 3二系橡胶弹簧静挠度(mm)11轮对与轴箱间自由横动量(mm) ±1 ±8 ±1轴箱与构架间横动量(mm) ±8转向架与车体间横动量:自由横动量(mm) ±20弹性横动量(mm) ±5总横动量(mm) ±25旁承装置型式:橡胶堆牵引装置型式:牵引拉杆式牵引中心距轨面高度(mm) 725基础制动装置:型式单侧、单闸瓦独立作用式制动倍率 6.78鞲鞴行程(mm) 50~90每块闸瓦压力:常用制动(350kPa)(kN) 65.2紧急制动(450kPa)(kN) 88.7制动率(%):常用制动57.9紧急制动78.8手制动装置:制动倍率1836制动率(%)20.8砂箱容量(kg) 4×85装砂量(kg) 4×75垂向油压减振器型号CZ01-00-00A工作行程(mm) ±50上下连接部中心距(mm) 371阻尼系数(kN·s/m) 80±10横向油压减振器型号 HZ02-00-000工作行程(mm)±50阻尼系数(kN·s/m) 130±10转向架重量(包括牵引电动机重量)(t) 23.9转向架外形尺寸(长×宽×高)(mm) 5900×3140×14335 转向架的拆卸:专用工具和设备,例如吊车(或架车机)、地沟、千斤顶等必需具备。
5.1 从车体下面拆卸转向架a. 将机车停放在具备地沟和起重设备的轨道厂房内。
b. 拆开转向架与车体之间的空气、电气和机械联接。
c. 在每个轴箱弹簧组的工艺销上穿上扁销。
d. 用吊车或架车将车体抬起并推出转向架。
5.2 构架分解5.2.1从构架上拆卸零件a. 卸下轴箱拉杆与构架之间的联结螺栓。
b. 拆开牵引电动机的吊杆与构架横梁上吊杆座之间的联结。
c. 调整闸瓦与车轮之间的间隙至最大。
d. 拆下中间轴轴箱前盖上的测速传感器。
e. 拆下橡胶旁承和构架间联结螺栓,取下旁承并记录旁承位置调整垫片的厚度(重装时需放上相同厚度的调整垫片)。
f. 拆下油压减振器。
g. 用千斤顶将电机抬至水平位置,拆下电机吊杆下的螺母。
h. 拆下构架上的电机安全托。
i. 拆下扫石器、轮轨润滑装置。
j. 吊起转向架构架。
所有拆下的零件送至检查修理场所。
5.2.2 从轮对上拆卸电机a. 拆下齿轮箱分箱面处的联结螺栓。
b. 拆下牵引电动机与抱轴承箱体之间的联结螺栓。
c. 吊起电机并送至专门的检查修理场所。
5.2.3 从轮对上拆卸轴箱a. 拆下轴箱弹簧组和调整垫,必须保证再次组装时装回原位。
b. 拆下轴箱拉杆的联接螺栓,从轴箱体的梯形槽口拆下轴箱拉杆。
c. 拆下轴箱前盖和压盖。
d. 轻轻吊起轴箱体,起吊力应大约等于轴箱体自重的重量,用铜锤敲打轴箱体,使它连同轴承外圈和滚柱从轴上移出。
e. 需要时用加热的方法将轴承内圈或防尘圈从轴颈上拆下。
f. 将轮对包括抱轴承箱体送至专门检查场所,经检查后确定修理范围。
5.2.4 从构架上拆卸基础制动装置a. 拆下制动缸,如有漏气,则进一步分解,或更换某些零件。
b. 拆下制动杆件和闸瓦间隙调节器,竖杠杆和销子应进行电磁探伤。
6. 检查与检修:6.1 在机车上施行电焊作业时,应在作业处所附近接地线,防止电流从轴承滚子与滚道接触点处通过而电蚀轴承。
6.2 当起车及推出转向架时,轴箱弹簧工艺销下部扁孔内应插入扁销,机车落车后还须将扁销取出,以免机车运行时影响弹簧的性能,6.3 转向架整体吊装前,应将圆销(φ22×140×120)插入构架各横向止挡与轴箱顶部铰接销孔内,机车落车后,此圆销必须取出。
6.4 机车长期存放时,每月至少动车一次,防止轴承腐蚀。
6.5 车体与转向架构架间侧挡的间隙(自由间隙20+弹性间隙5)为25mm,当自由间隙超差,需加垫进行调整,其原则为两侧平均加垫,一般按两侧自由间隙之和为40±3mm掌握。
当侧挡球面磨耗深度大于2mm时应更换。
注意侧挡体不许过度磨耗,否则,机车轮对容易脱轨。
6.6 车体与转向架间设置侧挡间隙是为限制车体的侧摆量和曲线上的摇头角在安全范围内,运用中出现轮对偏磨时,切忌以改变此间隙而误认为可以抑制转向架偏靠,反而也易造成脱轨。
6.7 油压减振器要每6~9个月(或运行6~7万km)卸下来作示功图试验检查。
测得的示功图应符合标准规定,阻尼系数超差(垂向80±10kN.s/m、横向130±10kN.s/m),或有漏油缺油等现象时,均需调整或整修,合格后再装车使用。
6.8在运用或检修中,如果将转向架互相调换或更换备用转向架时,为保证车体上八个旁承座面处在同一平面内,被更换下来的转向架四个旁承座面上或橡胶弹簧上所增加的调整垫,应原封不动地加到将要更换的转向架相对应的旁承上。
6.9 运用机车若发现前后转向架轮对对角偏磨,允许前后转向架调换使用,但装速度表传感器的5位轮对轴端须与2位轮对轴端换装,装在前端梁上的手制动滑轮座或栓结钢丝绳的水平杠杆也须同时调换。
6.10 运用中要经常注意观察转向架构架所有焊缝是否发生裂纹现象,也要注意观察牵引装置的状态,一旦发现异常,要及时处理。
7 转向架重装:7.1 轴箱重装至轮对上a. 清洗轮对轴颈和轴箱零件。
b. 将防尘圈在电炉中加热,然后将它热套至轴颈上。
c. 将轴承内圈在电炉中加热后热套在轴颈上,然后自然冷却至环境温度。
d. 将已经装好的后盖,轴承外圈和滚柱,中隔圈并涂好油脂的轴箱装到轴承内圈上。
e. 拧紧轴承压盖上的 3个螺栓,并用钢丝锁紧。
f. 装前盖并拧紧螺栓。
轴箱在轮对上应摆动灵活。
g. 将两根轴箱拉杆装入轴箱体的梯形槽内,拧紧螺栓并用钢丝锁紧。
检查拉杆芯轴斜面和梯形槽应紧密接触,局部间隙不大于0.08mm,深度不大于10mm,芯轴顶面与槽口底面之间的间隙为2~6mm。
7.2 电机与轮对的重装a. 将轮对与牵引电动机组装,把紧联结螺栓。
b. 齿轮箱组装,将上、下箱体合在一起,罩住从动齿轮和主动齿轮,拧紧上下箱体之间的联结螺栓。
然后紧固齿轮箱与电机之间的联结螺栓。
7.3 基础制动装置重装到构架上a. 将制动缸、竖杠杆、闸瓦及其调整器安装到转向架上,安装前在各销子上涂油脂。
b. 将闸瓦与轮子之间的间隙调整至最大。
7.4 转向架构架的重装a. 将组装后的轮对轴箱和牵引电机总成吊至备有地沟的轨道上,以便安装构架。
b. 调整轮距为2×1800mm,并用木楔止住轮子。
c. 将轴箱弹簧组、轴箱拉杆装在轴箱上。
d. 用千斤顶将电机抬至水平位置,注意电机必须放置稳固,防止发生安全事故。
e. 水平地吊起转向架构架至三个轮对的上方并缓慢的落下,同时对准拉杆芯轴与构架上的梯形槽,弹簧组的定位销与构架上弹簧的定位销孔。
f. 安装构架后轻轻地用铜锤把拉杆芯轴打入构架的梯形槽内,并把紧螺栓,检查和确认芯轴和槽的配合面接触紧密,然后用钢丝锁紧螺栓。
g. 安装轴箱与构架之间的垂向油压减振器。
7.5 旁承装置的重装安装橡胶堆旁承,并紧固螺栓,在橡胶堆顶面上放上原有的调整片或相同厚度的垫片。
7.6 其他零件的安装a. 安装制动管路,撒砂管路。
b. 安装轮轨润滑器的油脂罐,喷头及管路。
c. 安装扫石器,横向油压减振器等。
8 装配技术要求:8.1 转向架整体吊装时,应将圆销插入构架与各轴箱铰接销孔内,机车落车后应将此圆销及弹簧工艺扁销取出。
8.2 轮对装入构架后施行电焊作业时,禁止电流通过轴承。
8.3 轮对相对构架的横动量(包括轮对与轴箱及轴箱与构架间的总和) 1、3、4、6位±9mm;2、5位±16mm。
9 转向架大修限度表:构架EQZ6-10-00-000构架EQZ6-10-00-000 1. 明细表:2 构架的作用构架是转向架的骨架,用以联系转向架各组成部分和传递各方向的力,并用来保持车轴在转向架内的位置。
它由两根侧梁、两根横梁、前后端梁组焊成“目”字形框架。
在其基础上分别焊有旁承座、拉杆座、外侧弹簧座、牵引拐臂座、电机吊杆座、水平杠杆座、横向止挡、制动座、制动缸座及砂箱座等。
3 检查与检修:3.1构架在大修进行碱煮清洗时,须将箱型梁透孔用特制的工艺用橡胶堵塞住,以防止碱水侵入构架内腔,腐蚀构架内壁,影响强度和安全可靠性。
3.2 检查构架各处焊缝,不得有裂纹。
如发现裂纹必须焊修处理后方可继续运用。
3.3 拉杆座1:10斜度的切口与轴箱拉杆装配中的芯轴接触面应密贴,允许有局部间隙,用0.08mm塞尺检查,其深度不大于10mm,芯轴与槽底面间隙为1~6mm。
4. 装配技术要求:气体保护焊工艺守则”的规定。
4.1 焊接应按TB/T2447-93和工厂“CO24.2 焊接应用CO气体保护焊,也可用牌号E4315或机械性能不低于此牌号的焊条焊接。
24.3 组焊后进行低温退火处理,消除焊接应力。
4.4 退火后划线检查,允许有下列变形:a. 侧梁在铅垂方向不许下挠,允许上挠≤5mm,水平弯曲≤4mm。
b. 在侧梁和端梁中心线交点处测量,四角高度差≤5mm。