LCD1602液晶显示实验(DOC)
- 格式:doc
- 大小:520.06 KB
- 文档页数:15
实验三 LCD1602 液晶显示实验姓名专业学号成绩一、实验目的1.掌握 Keil C51 软件与 proteus 软件联合仿真调试的方法;2.掌握 LCD1602液晶模块显示西文的原理及使用方法;3.掌握用 8 位数据模式驱动 LCM1602液晶的 C 语言编程方法;4.掌握用 LCM1602液晶模块显示数字的 C 语言编程方法。
二、实验仪器与设备1.微机一台 C51 集成开发环境仿真软件三、实验内容1.用 Proteus 设计一 LCD1602液晶显示接口电路。
要求利用 P0口接 LCD1602液晶的数据端, ~做 LCD1602液晶的控制信号输入端。
~口扩展 3 个功能键 K1~K3。
参考电路见后面。
2.编写程序,实现字符的静态和动态显示。
显示字符为第一行:“ 1. 姓名全拼”,第二行:“ 2. 专业全拼 +学号”。
3.编写程序,利用功能键实现字符的垂直滚动和水平滚动等效果显示。
显示字符为:“1. 姓名全拼 2.专业全拼+学号EXP8DISPLAY ”主程序静态显示“ My information!”四、实验原理液晶显示的原理:采用的 LCD显示屏都是由不同部分组成的分层结构,位于最后面的一层是由荧光物质组成的可以发射光线的背光层,背光层发出的光线在穿过第一层偏振过滤层之后进入包含成千上万水晶液滴的液晶层,液晶层中的水晶液滴都被包含在细小的单元格结构中,一个或多个单元格构成屏幕上的一个像素。
当 LCD中的电极产生电场时,液晶分子就会产生扭曲,从而将穿越其中的光线进行有规则的折射,然后经过第二层过滤层的过滤在屏幕上显示出来。
1.LCD1602采用标准的 14 引脚(无背光)或 16 引脚(带背光)接口,各引脚接口说明如表:编号符号引脚说明编号符号引脚说明1VSS电源地9D2数据2VDD电源正极10D3数据3VL液晶显示偏压11D4数据4RS数据/命令选择12D5数据5R/W读/写选择13D6数据6E使能信号14D7数据7D0数据15BLA背光源正极8D1数据16BLK背光源负极2. 1602 液晶模块内部的控制器共有11 条控制指令,如表所示:3.芯片时序表:4. 1602LCD的一般初始化 ( 复位 ) 过程(1)延时 15ms。
实验11:1602液晶显示屏显示(字符型液晶显示器)字符型液晶显示器用于数字、字母、符号并可显示少量自定义符号。
这类液晶显示器通常有16根接口线,下表是这16根线的定义。
字符型液晶接口说明编号符号引脚说明编号符号引脚说明1 Vss 电源地 9 D2 数据线22 Vdd 电源正 10 D3 数据线33 VL 液晶显示偏压信号 11 D4 数据线44 RS 数据/命令选择端 12 D5 数据线55 R/W 读/ 写选择端 13 D6 数据线66 E 使能信号 14 D7 数据线77 D0 数据线0 15 BLA 背光源正极8 D1 数据线1 16 BLK 背光源负极(本学习板配的内部已经接地)下图是字符型液晶显示器与单片机的接线图。
这用了P0口的8根线作为液晶显示器的数据线,用P20、P21、P22做为3根控制线。
字符型液晶显示器与单片机的接线图字符型液晶显示器的使用,字符型液晶显示器一般采用HD44780芯片做为控制器的。
1.字符型液晶显示器的驱动程序这个驱动程序适用于1602型字符液晶显示器,1) 初始化液晶显示器命令(RSTLCD)设置控制器的工作模式,在程序开始时调用。
参数:无。
2) 清屏命令(CLRLCD)清除屏幕显示的所有内容参数:无3) 光标控制命令(SETCUR)用来控制光标是否显示及是否闪烁参数:1个,用于设定显示器的开关、光标的开关及是否闪烁。
4) 写字符命令(WRITECHAR)在指定位置(行和列)显示指定的字符。
参数:共有3个,即行值、列值及待显示字符,分别存放在XPOS、YPOS和A中。
其中行值与列值均从0开始计数,A中可直接写入字符的符号,编译程序自动转化为该字符的ASCII值。
5) 字符串命令(WRITESTRING)在指定位置显示指定的一串字符。
参数:共有3个,即行值、列值和R0指向待显示字符串的内存首地址,字符串须以0结尾。
如果字符串的长度超过了从该列开始可显示的最多字符数,则其后字符被截断,并不在下行显示出来。
LCD1602液晶显示实验报告实验报告:LCD1602液晶显示实验实验目的:1.了解LCD1602液晶显示的工作原理和基本结构;2.掌握LCD1602液晶显示的驱动控制方法;3.能够通过Arduino控制LCD1602液晶显示。
实验材料:1.Arduino UNO开发板2.LCD1602液晶显示屏3.面包板4.杜邦线实验步骤:1.将Arduino UNO开发板与面包板连接,确保连接正确并牢固;2.将LCD1602液晶显示屏与面包板连接,连接时应注意引脚的对应关系,确保连接正确;3.将杜邦线的一端连接到Arduino UNO开发板的数字引脚上,另一端连接到对应的液晶显示屏引脚上;4.编写Arduino代码,实现液晶显示屏的控制功能;5.将编写好的代码上传到Arduino UNO开发板上,运行程序,观察LCD1602液晶显示屏上的显示结果。
实验结果:通过实验,我们成功实现了对LCD1602液晶显示屏的控制。
在液晶显示屏上可以显示出我们想要的文字、数字或符号。
通过控制液晶显示屏的引脚电平,可以控制液晶显示出不同的字符。
实验总结:通过本次实验,我们了解了LCD1602液晶显示的工作原理和基本结构。
液晶显示屏通过控制引脚电平来控制液晶分子的排列,从而实现文字、数字或符号的显示。
我们还掌握了LCD1602液晶显示的驱动控制方法,通过编写Arduino代码,我们能够实现对液晶显示屏的控制。
在实验中,我们还学习到了Arduino的使用,它是一款开放源代码的电子原型平台,由硬件和软件组成。
通过编写Arduino代码,我们可以控制与Arduino连接的各种外设,包括LCD1602液晶显示屏。
通过本次实验,我们不仅加深了对LCD1602液晶显示的理解,还学会了使用Arduino控制液晶显示屏。
这对我们的电子制作和嵌入式系统开发有重要意义。
在日常生活中,我们对液晶显示器并不陌生。
液晶显示模块已作为很多电子产品的通过器件,如在计算器、万用表、电子表及很多家用电子产品中都可以看到,显示的主要是数字、专用符号和图形。
在单片机的人机交流界面中,一般的输出方式有以下几种:发光管、LED数码管、液晶显示器。
发光管和LED数码管比较常用,软硬件都比较简单,在前面章节已经介绍过,在此不作介绍,本章重点介绍字符型液晶显示器的应用。
在单片机系统中应用晶液显示器作为输出器件有以下几个优点:显示质量高由于液晶显示器每一个点在收到信号后就一直保持那种色彩和亮度,恒定发光,而不像阴极射线管显示器(CRT)那样需要不断刷新新亮点。
因此,液晶显示器画质高且不会闪烁。
数字式接口液晶显示器都是数字式的,和单片机系统的接口更加简单可靠,操作更加方便。
体积小、重量轻液晶显示器通过显示屏上的电极控制液晶分子状态来达到显示的目的,在重量上比相同显示面积的传统显示器要轻得多。
功耗低相对而言,液晶显示器的功耗主要消耗在其内部的电极和驱动IC上,因而耗电量比其它显示器要少得多。
10.8.1 液晶显示简介①液晶显示原理液晶显示的原理是利用液晶的物理特性,通过电压对其显示区域进行控制,有电就有显示,这样即可以显示出图形。
液晶显示器具有厚度薄、适用于大规模集成电路直接驱动、易于实现全彩色显示的特点,目前已经被广泛应用在便携式电脑、数字摄像机、PDA移动通信工具等众多领域。
②液晶显示器的分类液晶显示的分类方法有很多种,通常可按其显示方式分为段式、字符式、点阵式等。
除了黑白显示外,液晶显示器还有多灰度有彩色显示等。
如果根据驱动方式来分,可以分为静态驱动(Static)、单纯矩阵驱动(Simple Matrix)和主动矩阵驱动(Active Matrix)三种。
③液晶显示器各种图形的显示原理:线段的显示点阵图形式液晶由M×N个显示单元组成,假设LCD显示屏有64行,每行有128列,每8列对应1字节的8位,即每行由16字节,共16×8=128个点组成,屏上64×16个显示单元与显示RAM区1024字节相对应,每一字节的内容和显示屏上相应位置的亮暗对应。
单片机LCD显示实验报告实验目的:本实验旨在通过使用单片机控制LCD进行显示,掌握单片机与外围设备的交互操作,学习并理解LCD显示原理。
实验器材:1. 单片机开发板2. LCD1602液晶显示屏3. 杜邦线若干4. 电阻若干实验原理:液晶显示原理是在液晶材料施加电场的作用下,通过改变传输光的偏振状态来实现图像显示。
本实验使用的LCD1602是一种16×2的字符型液晶显示模块,其中每个字符由5×8的点阵构成。
实验步骤:1. 连接电路:将LCD1602与单片机开发板通过杜邦线连接。
一般来说,液晶显示屏的引脚布局如下:- VSS: 接地- VDD: 供电(一般为5V)- V0:对比度控制端(通过电位器调节)- RS:数据/指令选择端(通常连接到单片机的I/O口)- RW:读写选择端(连接至地)- E:使能端(通常连接到单片机的I/O口)- D0-D7:数据线(连接到单片机的I/O口)- A:背光灯正极(连接5V)- K:背光灯负极(连接至地)2. 编写程序:根据实验要求,使用相应的单片机编程语言编写程序。
在程序中,需要调用相关的LCD1602命令来实现字符的显示。
3. 烧录程序:使用相应的烧录工具将编写好的程序下载到单片机开发板中。
4. 实验验证:将开发板上电,通过观察LCD1602的显示情况来验证程序的正确性。
实验结果与分析:在本次实验中,我使用单片机控制LCD1602成功实现了字符的显示。
实验结果表明,编写的程序能够正确地将字符显示在液晶屏上,并且显示效果良好。
实验中遇到的问题及解决方法:在实验过程中,我遇到了一些问题,例如LCD1602无显示、乱码或显示异常等情况。
针对这些问题,我采取了以下解决方法:1. 检查接线是否正确:确保LCD1602的引脚与单片机开发板之间的连接准确无误。
2. 检查电源供应:确认LCD1602的电源供应是否正常,电源电压是否稳定。
3. 调整对比度:通过旋转电位器调整LCD1602的对比度,以适应不同环境下的显示效果要求。
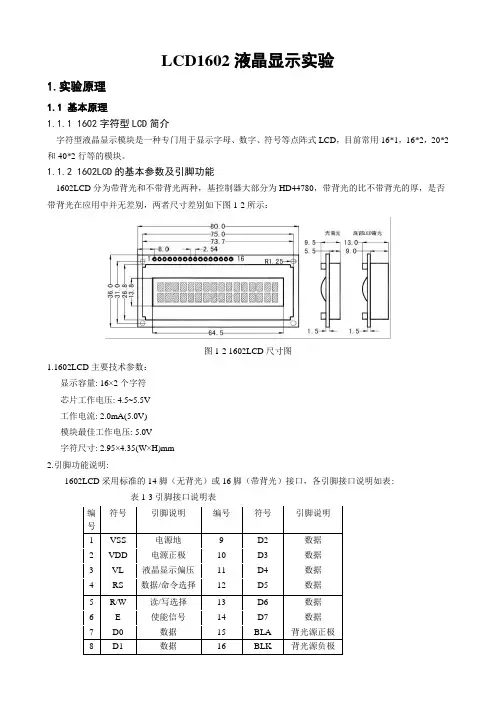
LCD1602液晶显示实验1.实验原理1.1 基本原理1.1.1 1602字符型LCD简介字符型液晶显示模块是一种专门用于显示字母、数字、符号等点阵式LCD,目前常用16*1,16*2,20*2和40*2行等的模块。
1.1.2 1602LCD的基本参数及引脚功能1602LCD分为带背光和不带背光两种,基控制器大部分为HD44780,带背光的比不带背光的厚,是否带背光在应用中并无差别,两者尺寸差别如下图1-2所示:图1-2 1602LCD尺寸图1.1602LCD主要技术参数:显示容量: 16×2个字符芯片工作电压: 4.5~5.5V工作电流: 2.0mA(5.0V)模块最佳工作电压: 5.0V字符尺寸: 2.95×4.35(W×H)mm2.引脚功能说明:1602LCD采用标准的14脚(无背光)或16脚(带背光)接口,各引脚接口说明如表:表1-3引脚接口说明表编符号引脚说明编号符号引脚说明号1 VSS 电源地9 D2 数据2 VDD 电源正极10 D3 数据3 VL 液晶显示偏压11 D4 数据4 RS 数据/命令选择12 D5 数据5 R/W 读/写选择13 D6 数据6 E 使能信号14 D7 数据7 D0 数据15 BLA 背光源正极8 D1 数据16 BLK 背光源负极1.1.3 1602LCD的指令说明及时序1602液晶模块内部的控制器共有11条控制指令,如表1-4所示:表1-4 控制命令表序号指令RS R/W D7 D6 D5 D4 D3 D2 D1 D01 清显示0 0 0 0 0 0 0 0 0 12 光标返回0 0 0 0 0 0 0 0 1 *3 置输入模式0 0 0 0 0 0 0 1 I/D S4 显示开/关控制0 0 0 0 0 0 1 D C B5 光标或字符移位0 0 0 0 0 1 S/C R/L * *6 置功能0 0 0 0 1 DL N F * *7 置字符发生存贮器地址0 0 0 1 字符发生存贮器地址8 置数据存贮器地址0 0 1 显示数据存贮器地址9 读忙标志或地址0 1 BF 计数器地址10 写数到CGRAM或DDRAM)1 0 要写的数据内容11 从CGRAM或DDRAM读数1 1 读出的数据内容1602液晶模块的读写操作、屏幕和光标的操作都是通过指令编程来实现的。
功能完整的1602LCD时钟实验摘要本设计基于单⽚机技术原理,以单⽚机芯⽚STC89C52作为核⼼控制器,通过硬件电路的制作以及软件程序的编制,设计制作出⼀个多功能数字时钟系统。
单⽚机扩展的LCD显⽰器⽤来显⽰年、⽉、⽇、时、分、秒计数单元中的值。
整个设计包括两⼤部分: 硬件部分和软件部分,以单⽚机为核⼼, 配以⼀定的外围电路和软件。
硬件是整个系统的基础, 软件部分则要合理、充分地⽀持和使⽤系统的硬件, 从⽽完成系统所要完成的任务。
本设计采⽤LCD液晶显⽰,电路简单使⽤⼴泛。
该时钟系统主要由时钟模块、闹钟模块、液晶显⽰模块、键盘控制模块以及信号提⽰模块组成。
能够准确显⽰时间(显⽰格式为年:⽉:⽇:时时:分分:秒秒,24⼩时制),可随时进⾏时间调整,具有闹钟时间设置、闹钟开/关、⽌闹功能。
设计以硬件软件化为指导思想,充分发挥单⽚机功能,⼤部分功能通过软件编程来实现,电路简单明了,系统稳定性⾼。
单⽚机在这种情况下诞⽣了基于单⽚机电⼦时钟。
关键词:单⽚机 LCD1602 数字钟This design based on the single chip microcomputer principle, taking single-chip chip STC89C52 as core controller, through the hardware circuit and software production procedure formulation, designed and produced a multi-function digital clock system. SCM extended LCD display used to display date and time, minutes and seconds counting unit of values. The whole design includes two parts, hardware and software of, based on singlechip, match with certain peripheral circuit and software. Hardware is based in the whole system, the software part then be reasonable and fully support and use the system hardware, thus completing system to complete the task. This design USES the LCD, simple circuit is widely used. This clock system mainly by the clock module, alarm module, LCD module, keyboard control module and signal hint module. To accurately display the time (display format for years: month: day: always: component: seconds seconds, 24-hour system), available for time to adjust, with alarm time setting, alarm clock on/off, stop joking function. Design with hardware and software into guiding ideology, give full play to the SCM functions, most functions through software programming realize, circuit straightforward, stability of the system is high. SCM in this case was born based on single-chip electronic clock. Keywords: SCM LCD1602 digital clock前⾔数字钟是采⽤数字电路实现对时,分,秒数字显⽰的计时装置,⼴泛⽤于个⼈家庭,车站, 码头办公室等公共场所,成为⼈们⽇常⽣活中不可少的必需品,由于数字集成电路的发展和⽯英晶体振荡器的⼴泛应⽤,使得数字钟的精度,远远超过⽼式钟表, 钟表的数字化给⼈们⽣产⽣活带来了极⼤的⽅便,⽽且⼤⼤地扩展了钟表原先的报时功能。
LCD1602液晶显示屏幕时序图分析
这段时间里回头看看所学的单片机知识,发现一个很严重的问题看不懂时序图!研究了一上午说说自己的结果,欢迎各位拍砖和指点!
图7.2.2是1602液晶写的时序,时序图从上到下看、从左到右看。
先说说时序图的规则:
高低电平上面的线是高电平,下面的线是低电平,如果高低交叉可能会产生高电平或低电平。
电平的走向看到低电平和高电平交叉产生电平的变化,
看到红圈花的部分,竖线那里有条横线,代表着这个选用的是高电平。
还有一种情况这种情况是高低电平一起变化,看图中横线标出了电平的变化。
现在我们了解完了规则,现在分析时序图
原图我进行了标号。
时序图从上往下看,从左往右看
1 rs 为高电平 rw 为低电平
2 载入数据db
3 始能e由低电平变为高电平
4和5 始能e由高电平转化为低电平最后数据写完。
这个就是我的理解,如果有错误或不对的地方欢迎指正。
LCD1602液晶显示实验实验报告及程序一、实验目的本次实验的主要目的是熟悉并掌握 LCD1602 液晶显示屏的工作原理和编程方法,能够成功实现字符在液晶屏幕上的显示和控制。
二、实验原理LCD1602 是一种工业字符型液晶,能够显示 16x2 个字符,即每行16 个字符,共 2 行。
它的工作原理是通过控制液晶分子的偏转来实现字符的显示。
LCD1602 有 16 个引脚,主要引脚功能如下:1、 VSS:接地。
2、 VDD:接电源(通常为+5V)。
3、 V0:对比度调整引脚,通过外接电位器来调节屏幕显示的对比度。
4、 RS:寄存器选择引脚,高电平时选择数据寄存器,低电平时选择指令寄存器。
5、 RW:读写选择引脚,高电平时进行读操作,低电平时进行写操作。
6、 E:使能引脚,下降沿触发。
7、 D0 D7:数据引脚,用于传输数据和指令。
LCD1602 的指令集包括清屏、归位、输入方式设置、显示开关控制、光标或显示移位、功能设置、CGRAM 和 DDRAM 地址设置以及读忙标志和地址等。
三、实验设备与材料1、单片机开发板2、 LCD1602 液晶显示屏3、杜邦线若干4、电脑四、实验步骤1、硬件连接将 LCD1602 的 VSS 引脚接地。
将 VDD 引脚接+5V 电源。
将 V0 引脚通过一个 10K 的电位器接地,用于调节对比度。
将 RS、RW、E 引脚分别连接到单片机的三个 I/O 口。
将 D0 D7 引脚连接到单片机的 8 个 I/O 口。
2、软件编程包含必要的头文件。
定义与 LCD1602 连接的 I/O 口。
编写初始化函数,包括设置显示模式、清屏、输入方式等。
编写写指令函数和写数据函数,用于向LCD1602 发送指令和数据。
编写显示字符串函数,实现字符在屏幕上的显示。
3、编译下载程序使用编译软件对编写的程序进行编译,生成可执行文件。
将可执行文件下载到单片机开发板中。
4、观察实验结果给开发板上电,观察 LCD1602 液晶显示屏上是否正确显示预设的字符。
电子科技大学中山学院学生实验报告学院:机电工程专业:课程名称:单片机原理与接口技术实验3、芯片时序表:4、LCD数据存储器地址LCD内置了DDRAM,用来寄存待显示的字符代码。
其地址与屏幕的对应关系如下:也就意味着想要在LCD1602的第一行第一列显示一个“A”字符,就要向DDRAM的00H地址写入“A”,但是在实际写入时,还必须将00H加上80H,即0X80+0X00。
以此类推,如果想要在LCD1602的第二行的第二列显示字符内容,则实际写入地址应该为0X80+0X41。
5、1602LCD的一般初始化(复位)过程(1) 延时15ms。
(2) 写指令38H(不检测忙信号)。
(3) 延时5ms。
(4) 写指令38H(不检测忙信号)。
(5) 延时5ms。
(6) 写指令38H(不检测忙信号)。
(7) 以后每次写指令、读/写数据操作均需要检测忙信号。
(8) 写指令38H:显示模式设置。
(9) 写指令08H:显示关闭。
(10) 写指令01H:显示清屏。
(11) 写指令06H:显示光标移动设置。
(12) 写指令0CH:显示开及光标设置。
6、LCD1602与单片机直接连接典型示意图如图8.1所示。
图8.1 LCD1602液晶显示。
三、实验内容和步骤1、用Proteus设计一LCD1602液晶显示接口电路。
参考实验指导书上的参考程序,编写程序,实现字符的静态显示。
显示字符为:第一行:“姓名全拼(居中)”,第二行:“专业全拼+学号(后3位)”。
将LCD显示截图以及相应的程序保存在下方。
#include<reg51.h>#define uchar unsigned char#define uint unsigned intuchar code table[]=" xuzhulin ";uchar code table1[]="zidonghua 031";sbit lcden=P2^7;sbit lcdrw=P2^6;sbit lcdrs=P2^5;uchar num;for(num=0;num<12;num++){write_data(table[num]); //写数据,LCD的第一行显示delay(200);}write_com(0x02); //光标返回write_com(0x80+0x40); //设置数据地址指针,LCD第二行显示for(num=0;num<16;num++){write_data(table1[num]);delay(200);}while(1);}}2、在上一题的基础上,增加两个外部中断,实现不同内容的显示。
LCD1602液晶显示实验要点一、液晶显示原理液晶显示屏是一种电场调制显示器件,通过激励电场使液晶分子的排列状态发生变化,从而控制光的透过程度,实现图像显示。
液晶显示器的基本结构是两块平行的玻璃基板夹层液晶,上面由导电涂层构成的液晶单元。
在液晶单元上方有一块透明电极玻璃,根据控制信号排列液晶分子,形成图像。
二、LCD1602液晶显示屏三、实验器材1. Arduino开发板2.LCD1602液晶显示屏3.面包板4.杜邦线等四、实验步骤1. 接线:将LCD1602液晶显示屏与Arduino开发板通过杜邦线连接。
将VCC接到5V电源、GND接到地、SCL接到A5口、SDA接到A4口。
2. 编写程序:打开Arduino开发环境,编写程序代码,实现液晶显示功能。
3. 初始化:使用LiquidCrystal库,编写代码进行液晶显示屏的初始化设置。
4. 显示字符:通过调用lcd.print(函数,将指定字符显示在液晶屏上。
5. 光标控制:调用lcd.setCursor(函数,设置光标所在位置。
6. 清屏:调用lcd.clear(函数,清除液晶屏上的字符。
7. 控制显示:通过调用lcd.noDisplay(和lcd.Display(函数,控制液晶屏的显示和关闭。
8. 自定义字符:通过调用lcd.createChar(函数,创建自定义字符并显示在液晶屏上。
五、实验注意事项1.液晶显示屏的类型应与编程语言库文件匹配。
2.接线时要确保正确连接,以免损坏LCD1602显示屏。
3.初始化液晶显示屏时,要设置液晶屏的列数和行数。
4.控制液晶显示屏时,要注意操作指令的执行顺序,以免出现误操作。
六、实验结果展示通过编写相应的程序,可以实现在液晶显示屏上显示指定字符、自定义字符,以及控制光标的移动和屏幕的清除等功能。
实验成功时,可以在液晶显示屏上看到所期望的字符和效果。
七、实验应用液晶显示屏广泛应用于各种电子设备和仪器仪表,如电子体温计、电子秤、数码相册、电视机等。
lcd1602液晶屏显示原理(一)LCD1602液晶屏显示LCD1602液晶屏是一种基于液晶技术的显示器件,它可以用于图形、文本等信息的显示。
以下将从显示原理、基本接口、驱动程序及使用注意事项四个方面介绍LCD1602液晶屏。
显示原理LCD1602液晶屏由16列2行的字符组成,每个字符由 5x7个像素组成。
液晶显示器的显示原理是利用液晶分子随电场的变化而改变其各向异性,从而控制光的透过程度实现显示。
基本接口LCD1602液晶屏基本接口共有16个引脚,其中8个为数据引脚(D0-D7),剩下8个为控制引脚(RS、EN、RW、D0-D3不用接)。
以下是各个引脚的具体作用:•VSS:电源负极•VDD:电源正极•VO:液晶显示器偏置电压,可调整亮度•RS:寄存器选择,0为命令,1为数据•RW:读写选择,0为写入,1为读取•EN:使能信号,表示读写已准备好•D0-D7:数据口,用于发送指令或数据驱动程序LCD1602液晶屏的驱动程序通常使用C语言编写,涉及到的主要函数包括初始化、写入数据、写入指令等。
以下是一份简单的驱动程序:#include <reg51.h>#define LCD_DB P0 //定义LCD接口sbit LCD_RS = P1^0; //定义RS、RW、EN引脚sbit LCD_RW = P1^1;sbit LCD_EN = P1^2;void delay_us(unsigned int us) //延时函数{while(us--);}void write_com(unsigned char com) //写入指令{LCD_RS = 0;LCD_RW = 0;LCD_EN = 0;LCD_DB = com;delay_us(5);LCD_EN = 1;delay_us(5);LCD_EN = 0;}void write_data(unsigned char dat) //写入数据{LCD_RS = 1;LCD_RW = 0;LCD_EN = 0;LCD_DB = dat;delay_us(5);LCD_EN = 1;delay_us(5);LCD_EN = 0;}void LCD_init() //初始化{write_com(0x38); //16X2显示,5X8点阵,8位数据接口write_com(0x0c); //显示开,光标隐藏write_com(0x06); //写入光标即向右移动write_com(0x01); //清屏}int main(){LCD_init(); //调用初始化函数write_data('H'); //显示字符“H”write_data('e');write_data('l');write_data('l');write_data('o');write_data(',');write_data('W');write_data('o');write_data('r');write_data('l');write_data('d');}使用注意事项LCD1602液晶屏连接必须正确,如VSS与COM接在一起,否则会造成芯片损坏。
1602字符液晶(2009-04-29 15:12:37)标签:杂谈1602字符液晶在实际的产品中运用的也比较多了,最近发现自动售水机就是采用的1602液晶进行显示的。
而且对于单片机的学习而言,掌握1602的用法是每一个学习者必然要经历的过程。
在此,我将使用1602过程中遇到的问题以及感受记录下来,希望能够给像我一样的初学者带来一点指导,少走一点弯路。
呵呵呵简单的总结所谓1602是指显示的内容为16*2,即可以显示两行,每行16个字符。
目前市面上字符液晶绝大多数是基于HD44780液晶芯片的,控制原理是完全相同的,因此基于HD44780写的控制程序可以很方便地应用于市面上大部分的字符型液晶。
1602液晶的正面(绿色背光,黑色字体)1602液晶背面(绿色背光,黑色字体)另一种1602液晶模块,显示屏是蓝色背光白色字体字符型LCD1602通常有14条引脚线或16条引脚线的LCD,多出来的2条线是背光电源线VCC(15脚)和地线GND(16脚),其控制原理与14脚的LCD完全一样,引脚定义如下表所示:HD44780内置了DDRAM、CGROM和CGRAM。
DDRAM就是显示数据RAM,用来寄存待显示的字符代码。
共80个字节,其地址和屏幕的对应关系如下表:也就是说想要在LCD1602屏幕的第一行第一列显示一个"A"字,就要向DDRAM 的00H地址写入“A”字的代码就行了。
但具体的写入是要按LCD模块的指令格式来进行的,后面我会说到的。
那么一行可有40个地址呀?是的,在1602中我们就用前16个就行了。
第二行也一样用前16个地址。
对应如下:DDRAM地址与显示位置的对应关系(事实上我们往DDRAM里的00H地址处送一个数据,譬如0x31(数字1的代码)并不能显示1出来。
这是一个令初学者很容易出错的地方,原因就是如果你要想在DDRAM 的00H地址处显示数据,则必须将00H加上80H,即80H,若要在DDRAM的01H处显示数据,则必须将01H加上80H即81H。
计算机科学与工程系实验报告实验题目:制作一个采用LCD1602显示的电子钟班级:姓名:学号:日期:一、实验目的掌握单片机使用定时器/计数器控制字符型液晶显示器LCD1602的设计与软件编程二、实验要求在LCD上显示当前的时间。
显示格式为“时时:分分:秒秒”。
设有4个功能键k1~k4,功能如下:(1)k1——进入时间修改。
(2)k2——修改小时,按一下k2,当前小时增1。
(3)k3——修改分钟,按一下k3,当前分钟增1。
(4)k4——确认修改完成,电子钟按修改后的时间运行显示。
三、实验要求提交的实验报告中应包括:电路原理图、实验设计思路、C51源程序(含注释语句)、运行效果(含运行截图与说明)、实验小结三、硬件电路原理图的设计四、编程思路及C51源程序编程思路:1、实现当按下K1之后,使中断T0停止计数2、实现当按下K2之后,使小时加一3、实现当按下K3之后,使分钟加一4、实现当按下K4之后,使中断T0恢复计数源程序:#include<reg51.h>#ifndef LCD_CHAR_1602_2005_4_9#define LCD_CHAR_1602_2005_4_9#define uchar unsigned char#define uint unsigned intsbit lcdrs = P2^0;sbit lcdrw = P2^1;sbit lcden = P2^2;void delay(uint z)//延时函数,此处使用晶振为11.0592MHz {uint x,y;for(x=z;x>0;x--){for(y=110;y>0;y--){;}}}void write_com(uchar com) //写入指令数据到lcd{lcdrw=0;lcdrs=0;P3=com;delay(5);lcden=1;delay(5);lcden=0;}void write_data(uchar date) //写入字符显示数据到lcd{lcdrw=0;lcdrs=1;P3=date;delay(5);lcden=1;delay(5);lcden=0;}void init1602()//1602液晶初始化设定{lcdrw=0;lcden=0;write_com(0x3C);write_com(0x0c);write_com(0x06);write_com(0x01);write_com(0x80);}/*void write_string(uchar *pp,uint n)//采用指针的方法输入字符,n为字符数目{int i;for(i=0;i<n;i++)write_data(pp[i]);}*/void write_sfm(uchar add,uchar date)//向指定地址写入数据{uchar shi,ge;shi=date/10;ge=date%10;write_com(0x80+add);write_data(0x30+shi);write_data(0x30+ge);}#endif#define uchar unsigned char#define uint unsigned intsbit Key1 = P1^0;sbit Key2 = P1^1;sbit Key3 = P1^2;sbit Key4 = P1^3;uchar int_time;//定义中断次数计数变量uchar second;//秒计数变量uchar minute;//分钟计数变量uchar hour;//小时计数变量uchar code date[]=" H.I.T. CHINA ";//LCD第1行显示的内容uchar code time[]=" TIME 23:59:55 ";//LCD第2行显示的内容uchar second=55,minute=59,hour=23;void clock_init(){uchar i,j;for(i=0;i<16;i++){write_data(date[i]);}write_com(0x80+0x40);for(j=0;j<16;j++){write_data(time[j]);}}void clock_write( uint s, uint m, uint h){write_sfm(0x47,h);write_sfm(0x4a,m);write_sfm(0x4d,s);}void Keyscan1(){if(Key1==0) {delay(10);if(Key1==0) while(!Key1); TR0=0;}if(Key4==0) {delay(10);if(Key4==0) while(!Key4); TR0=1;}if(Key3==0){delay(10);if(Key3==0)while(!Key3);minute++;if(minute==60)minute=0;} if(Key2==0){delay(10);if(Key2==0)while(!Key2);hour++;if(hour==24)hour=0;}}void main(){init1602();//LCD初始化clock_init();//时钟初始化TMOD=0x01;//设置定时器T0为方式1定时EA=1; // 总中断开ET0=1; // 允许T0中断TH0=(65536-46483)/256;//给T0装初值TL0=(65536-46483)%256;TR0=1;int_time=0;//中断次数、秒、分、时单元清0second=55;minute=59;hour=23;while(1){clock_write(second ,minute, hour);Keyscan1();}}void T0_interserve(void) interrupt 1 using 1 //T0中断服务子程序{int_time++;//中断次数加1if(int_time==20) //若中断次数计满20次{int_time=0; //中断次数变量清0second++;//秒计数变量加1}if(second==60)//若计满60s{second=0; //秒计数变量清0minute ++;//分计数变量加1}if(minute==60)//若计满60分{minute=0;//分计数变量清0hour ++;//小时计数变量加1}if(hour==24){hour=0;//小时计数计满24,将小时计数变量清0 }TH0=(65536-46083)/256;//定时器T0重新赋值TL0=(65536-46083)%256;}五、仿真运行效果展示仿真初始状态按下k1键,进入修改模式六、实验小结通过本次实验,我掌握了LCD1602编程的方法,将所学知识运用到实践中,这是一件慢慢的过程,首先要把理论知识理解透彻,然后就是例题看懂,弄懂举一反三。
LCD1602原理与显示程序首先,液晶显示屏是由液晶分子填充在两块平行的玻璃基板之间组成的。
每个液晶分子都是一个由长链有机分子构成的棒状结构,其中的双键允许分子在电场的作用下进行旋转。
液晶分子通过平行阵列技术排列,使得液晶屏幕变为一个有序的结构,可以透过光束。
在液晶显示屏的基板上有多个透明电极排列,它们分别与控制芯片连接。
控制芯片通过对这些电极施加电压,调整液晶的扭曲程度。
当没有电压施加在液晶上时,液晶分子处于平行排列的状态,光线经过液晶屏会发生旋转,从而可以通过另一边的透光板透过。
当电压施加到液晶上时,液晶分子会以一定的角度旋转,光线经过时则发生偏波而无法穿过。
这样就实现了液晶显示屏的亮暗变化。
为了实现文字和图形的显示,我们需要通过控制芯片向液晶屏发送指令和数据。
控制芯片和液晶显示屏之间的连接是通过并行通信实现的,常用的通信方式是使用4位或8位并行数据线。
在发送指令和数据之前,我们需要将控制芯片配置为指令或数据模式。
指令模式下,控制芯片接收的数据被视为设定控制参数,比如清屏、光标移动等;数据模式下,控制芯片接收的数据被视为要显示的字符或图形。
液晶显示屏的显示程序可以使用任意的微控制器或单片机来编写。
程序的基本思路是通过对控制芯片发送指令和数据来控制液晶屏的显示。
首先,我们需要初始化液晶显示屏,这包括设置通信参数、清屏、光标重置等操作。
然后,我们可以通过写入数据寄存器来显示字符或图形。
通过控制芯片提供的指令,可以实现光标的位置移动、屏幕的滚动、光标的显示和隐藏等功能。
在程序中,我们可以定义字符和图形的数据,然后通过写入数据寄存器将其显示在液晶屏上。
有些控制芯片还提供了自定义字符的能力,可以通过修改字符发生器生成字符的模式来实现。
总结起来,LCD1602的原理是通过调整液晶的光透过性来实现显示,显示程序通过控制芯片向液晶屏发送指令和数据来控制显示内容。
程序的基本思路是初始化液晶显示屏,然后通过写入数据寄存器来显示字符或图形,通过发送指令来实现其他功能。
EDA技术课程设计题目 LCD1602显示控制器设计系 (部)班级姓名学号指导教师2014 年06 月 30 日至 07 月 06 日共 1 周2014年07月02日课程设计成绩评定表目录目录 (3)1 引言 (4)2 VHDL/ QuartusII简介 (5)3 系统设计 (6)3.1 整体功能 (6)3.2 各模块功能设计 (6)3.2.1 功能 (6)3.2.2 模块引脚 (6)3.2.3 程序 (7)3.2.4 仿真图 (12)4 系统调试及下载......................................................................................... 错误!未定义书签。
5 设计总结 (14)1 引言通过对LCD1602/LCD12864显示模块控制时序和指令集的对比分析,利用Verilog HDL描述语言完成了多功能LCD显示控制模块的IP核设计,所设计的LCD显示控制器具有很好的可移植性,只需通过端口的使能参数配置便可以驱动LCD1602/LCD12864模块实现字符或图形的实时显示,并且该多功能LCD控制器的可行性也在CycloneⅡ系列的EP2C5T144C8 FPGA芯片上得到了很好的验证。
基于FPGA设计 LCD显示控制器,关键在于采用硬件描述语言设计有限状态机(FSM)来控制LCD模块的跳转,文献中就是使用FSM实现了对LCD模块的显示控制,但是它们都是针对一种类型LCD模块的某种显示模式,不具有多模式的显示控制能力。
因此,多功能LCD显示控制器的有限状态机就需要设置更多的条件转换,来实现多种控制模式。
系统上电后,首先完成持续大约0.1 s(根据时钟频率配置)的自动复位,然后才根据模块的端口参数选择不同显示模式所对应的初始化命令,在状态机中设置有初始化命令、起始行地址和屏显示数据3条转换路径来适应LCD屏的工作状态,同时也在关键转换路径上设置有可以配置的延时循环,这样既能方便LCD模块的工作调试,又能使LCD模块一直工作在写屏模式(RW=0)。
实验报告实验名称: [LCD1602液晶显示实验]姓名:学号:指导教师:实验时间: [2013年6月15日]信息与通信工程学院LCD1602液晶显示实验1.实验原理1.1 基本原理1.1.1 1602字符型LCD简介字符型液晶显示模块是一种专门用于显示字母、数字、符号等点阵式LCD,目前常用16*1,16*2,20*2和40*2行等的模块。
1.1.2 1602LCD的基本参数及引脚功能1602LCD分为带背光和不带背光两种,基控制器大部分为HD44780,带背光的比不带背光的厚,是否带背光在应用中并无差别,两者尺寸差别如下图1-2所示:图1-2 1602LCD尺寸图1.1602LCD主要技术参数:显示容量: 16×2个字符芯片工作电压: 4.5~5.5V工作电流: 2.0mA(5.0V)模块最佳工作电压: 5.0V字符尺寸: 2.95×4.35(W×H)mm2.引脚功能说明:1602LCD采用标准的14脚(无背光)或16脚(带背光)接口,各引脚接口说明如表:表1-3引脚接口说明表编符号引脚说明编号符号引脚说明号1 VSS 电源地9 D2 数据2 VDD 电源正极10 D3 数据3 VL 液晶显示偏压11 D4 数据4 RS 数据/命令选择12 D5 数据5 R/W 读/写选择13 D6 数据6 E 使能信号14 D7 数据7 D0 数据15 BLA 背光源正极8 D1 数据16 BLK 背光源负极1.1.3 1602LCD的指令说明及时序1602液晶模块内部的控制器共有11条控制指令,如表1-4所示:表1-4 控制命令表序号指令RS R/W D7 D6 D5 D4 D3 D2 D1 D01 清显示0 0 0 0 0 0 0 0 0 12 光标返回0 0 0 0 0 0 0 0 1 *3 置输入模式0 0 0 0 0 0 0 1 I/D S4 显示开/关控制0 0 0 0 0 0 1 D C B5 光标或字符移位0 0 0 0 0 1 S/C R/L * *6 置功能0 0 0 0 1 DL N F * *7 置字符发生存贮器地址0 0 0 1 字符发生存贮器地址8 置数据存贮器地址0 0 1 显示数据存贮器地址9 读忙标志或地址0 1 BF 计数器地址10 写数到CGRAM或DDRAM)1 0 要写的数据内容11 从CGRAM或DDRAM读数1 1 读出的数据内容1602液晶模块的读写操作、屏幕和光标的操作都是通过指令编程来实现的。
(说明:1为高电平、0为低电平)读写操作时序如图1-5和1-6所示:图1-5 读操作时序图1-6 写操作时序1.1.4 1602LCD的RAM地址映射及标准字库表液晶显示模块是一个慢显示器件,所以,在执行每条指令之前,一定要确认模块的忙标志为低电平,表示不忙,否则此指令失效。
要显示字符时,要先输入显示字符地址,也就是告诉模块在哪里显示字符,图1-7是1602的内部显示地址。
图1-7 1602LCD内部显示地址例如,第二行第一个字符的地址是40H,那么是否直接写入40H就可以将光标定位在第二行第一个字符的位置呢?这样不行,因为写入显示地址时要求最高位D7恒定为高电平1,所以实际写入的数据应该是01000000B(40H)+10000000B(80H)=11000000B(C0H)。
在对液晶模块的初始化中,要先设置其显示模式,在液晶模块显示字符时光标是自动右移的,无需人工干预。
每次输入指令前都要判断液晶模块是否处于忙的状态。
1602液晶模块内部的字符发生存储器(CGROM)已经存储了160个不同的点阵字符图形,这些字符有:阿拉伯数字、英文字母的大小写、常用的符号、和日文假名等,每一个字符都有一个固定的代码,比如大写的英文字母“A”的代码是01000001B(41H),显示时模块把地址41H中的点阵字符图形显示出来,我们就能看到字母“A”因为1602识别的是ASCII码,试验可以用ASCII码直接赋值,编程中还可以用字符型常量或变量赋值,如“A”。
1602通过D0~D7的8位数据端传输数据和指令。
1.1.5 1602LCD的一般初始化(复位)过程延时15mS写指令38H(不检测忙信号)延时5mS写指令38H(不检测忙信号)延时5mS写指令38H(不检测忙信号)以后每次写指令、读/写数据操作均需要检测忙信号写指令38H:显示模式设置写指令08H:显示关闭写指令01H:显示清屏写指令06H:显示光标移动设置写指令0CH:显示开及光标设置1.2 任务1及其原理任务1:更改lcd上显示的字符。
通过更改wire [127:0] row1_val,wire [127:0] row2_val的赋值即可,注意保证“”内的字符数包括空格共16位。
1.3 任务2及其原理任务2:将“LCD1602驱动模块”文件与“LCD1602驱动测试模块”文件合并成为一个verilog文件。
首先,新建一个顶层VerilogHDL文件,将两个文件的输入,内容合并,调试新的模块,然后将管脚连接在一起,从而完成合并。
1.4 任务3及其原理任务3:实现液晶屏的某一位完成0~9的循环变换,并且设置复位键,在循环过程中按下复位键循环可从0重新开始。
完成本次的实验想法是将“LCD1602驱动测试模块”文件中wire [127:0] row1_val,wire [127:0] row2_val变量进行改动,将row1_val原本赋予的字符替换为一个变量,设定新的时钟,即循环变换的间隔时间,再通过条件语句控制循环。
使能键的控制原理是通过对循环变换的条件进行操作实现的,即当按键使能时循环开始,反之,则从0开始。
2.实验流程图0~9循环变换流程图开始定义输入输出变量及类型lcd 液晶屏初始化是否有按键按下?复位键是否启动?定义a=8'h30;i=0将a 赋值给row1_val 低8位是否是时钟输入上升沿?i<=8a=a+1; i=i+1;结束显示定义字符是是否否否是否3.实验程序3.1 任务1程序程序更改部分:wire [127:0] row1_val = " liu wupeng "; wire [127:0] row2_val = " 2009081206 ";3.2 任务2程序将测试模块中的驱动部分,两个文件的对应命名只留其一,合并两文件,即以下部分// 例化LCD1602驱动lcd1602_drive u0(.clk(CLOCK_50M),.rst_n(Q_KEY),.row1_val(row1_val),.row2_val(row2_val),.lcd_data(LCD1602_DATA),.lcd_e(LCD1602_E),.lcd_rs(LCD1602_RS),.lcd_rw(LCD1602_RW));完整程序请参见附件:13.3 任务3程序改动模块:LCD1602驱动测试模块,加重处为修改、添加部分module lcd1602_test(input CLOCK_50M, // 板载时钟25MHzinput Q_KEY, // 板载按键RSToutput [7:0] LCD1602_DATA, // LCD1602数据总线output LCD1602_E, // LCD1602使能output LCD1602_RS, // LCD1602指令数据选择output LCD1602_RW, // LCD1602读写选择output SEL0, // LCD1602读写选择output SEL1, // LCD1602读写选择output SEL2 // LCD1602读写选择input key, //使能控制键);reg [127:0] row1_val; //将原本的wire型改为reg型,保证其可变wire [127:0] row2_val = " ";//将第二行赋值都是空格,实验时显示为空reg [7:0] a; //a变化控制reg [127:0] row1_valreg [3:0] i;reg [25:0] cnt; //分频用reg en; //使能控制assign SEL0 = 1'b0;assign SEL1 = 1'b0;assign SEL2 = 1'b1;always @ (posedge CLOCK_50M,negedge Q_KEY)if (!Q_KEY) cnt <= 0;else cnt <= cnt + 1'b1;wire lcd_clk = cnt[25]; //分频模块always @(a)beginrow1_val[7:0]<=a;end //将a赋给 row1_val[7:0]的低8位always @(negedge key)beginif (en==0) en<=1;elseen<=0;end //使能控制模块,下降沿有效always @(posedge lcd_clk)if (en)if(i<=8)begina=a+1;i=i+1;endelsebegini=0;a=8'h30;endelsea=8'h30; //通过条件控制语句实现0~9的循环变换// 例化LCD1602驱动lcd1602_drive u0(.clk(CLOCK_50M),.rst_n(Q_KEY),// LCD1602 Input Value.row1_val(row1_val),.row2_val(row2_val),// LCD1602 Interface.lcd_data(LCD1602_DATA),.lcd_e(LCD1602_E),.lcd_rs(LCD1602_RS),.lcd_rw(LCD1602_RW));endmodule4.管脚分配4.1 任务2管教分配4.2 任务3管教分配5.实验结果5.1 任务1实验结果修改程序后,液晶屏第一行显示" liu wupeng ",第二行显示" 2009081206 "。
5.2 任务2实验结果文件合并后,显示内容仍与原始程序相同。
5.3 任务3实验结果液晶屏第一行最后一位可实现0~9的循环变换,拨动复位键,计数从0重新开始。
6.实验心得通过本次实验,我了解了LCD-1602的构成及使用方法,能够通过编程显示字符。
在完成课堂任务“实现某一位0~9循环变换”时,起初由于没有掌握LCD的工作原理,出现了问题,即0~9快速变化,无法控制其速度,经过对程序及实验原理的研究,最后完成了任务。