普通型钢悬挑脚手架技术交底
- 格式:doc
- 大小:85.50 KB
- 文档页数:3
一、工程概况1. 工程名称:________________________2. 施工单位:________________________3. 施工部位:________________________4. 施工内容:________________________5. 交底日期:________________________二、安全技术交底1. 人员资质要求- 搭设人员必须持有国家规定的特种作业操作资格证书。
- 未经专业培训的人员严禁进行悬挑脚手架的搭设与拆除作业。
2. 材料设备检查- 所有材料设备必须符合国家标准,不得使用不合格产品。
- 钢管、扣件、脚手板等材料应进行严格检查,确保无裂纹、变形等缺陷。
3. 搭设前的准备工作- 搭设前应对施工现场进行安全检查,确保场地平整、排水畅通。
- 搭设区域应设置明显的安全警示标志,并设置安全通道。
4. 搭设顺序与要求- 按照设计图纸和搭设方案进行搭设,确保结构稳定。
- 立杆间距、横杆间距、脚手板铺设等应符合设计要求。
- 搭设过程中应严格控制施工荷载,不得超载使用。
5. 悬挑脚手架结构要求- 悬挑脚手架应采用型钢或钢管搭设,确保结构强度和稳定性。
- 悬挑梁、悬挑柱应与主体结构可靠连接,防止发生位移。
- 悬挑脚手架的底部应设置支撑结构,确保整体稳定性。
6. 安全防护措施- 悬挑脚手架外侧应设置防护栏杆,并挂设密目安全网。
- 搭设过程中应设置安全警示标志,提醒作业人员注意安全。
- 作业人员必须佩戴安全帽、安全带等个人防护用品。
7. 拆除作业- 拆除作业前应制定详细的拆除方案,并经相关部门审批。
- 拆除过程中应逐步减小悬挑脚手架的荷载,防止发生坍塌。
- 拆除作业人员必须具备相关资质,并严格按照操作规程进行。
三、注意事项1. 搭设过程中应密切关注天气变化,遇有大雨、大风等恶劣天气时应立即停止作业。
2. 严禁在悬挑脚手架上进行超荷载作业,如电焊、切割等。
3. 作业人员应定期进行安全教育培训,提高安全意识。
悬挑脚手架脚手架安全技术交底一、工程概况在开始进行悬挑脚手架的施工前,有必要向大家介绍一下本工程的基本情况。
本工程为_____,建筑高度为_____米,结构形式为_____。
悬挑脚手架将用于_____部位的施工,为施工人员提供安全的作业平台。
二、悬挑脚手架的构造及要求1、悬挑梁悬挑梁采用具体型号工字钢,长度根据建筑物的外形和施工需要确定。
悬挑梁的外端应设置钢丝绳进行斜拉,以增强其稳定性。
2、立杆立杆纵向间距为具体数值米,横向间距为具体数值米。
立杆应垂直于地面,偏差不得超过规定值。
3、横杆横杆步距为具体数值米,上下横杆的接头应错开布置在不同的立杆纵距中。
4、剪刀撑剪刀撑应沿脚手架外立面连续设置,角度为具体角度。
剪刀撑的搭接长度不应小于具体数值米。
5、脚手板脚手板应铺满、铺稳,不得有探头板。
6、防护栏杆脚手架外侧应设置两道防护栏杆,高度分别为具体数值米和具体数值米。
三、悬挑脚手架的安装流程1、准备工作在安装悬挑脚手架前,应先清理施工现场,确保场地平整、无障碍物。
同时,准备好所需的材料和工具,如工字钢、钢管、扣件、脚手板等。
2、安装悬挑梁按照设计要求,将悬挑梁固定在建筑物上。
悬挑梁的固定端应采用不少于具体数量个锚固螺栓与建筑物连接牢固。
3、搭设脚手架从悬挑梁的外端开始,依次搭设立杆、横杆、剪刀撑等。
搭设过程中,应严格按照规范要求进行操作,确保脚手架的稳定性和安全性。
4、铺设脚手板在脚手架上铺设脚手板,并将其固定牢固,防止滑动。
5、安装防护栏杆在脚手架的外侧安装防护栏杆,并挂设安全网。
四、悬挑脚手架的拆除流程1、拆除准备拆除前,应对脚手架进行全面检查,确保其不存在安全隐患。
同时,清理脚手架上的杂物和材料。
2、拆除顺序应遵循先搭后拆、后搭先拆的原则,依次拆除防护栏杆、脚手板、剪刀撑、横杆、立杆等。
3、材料运输拆除下来的材料应及时运输至指定地点,分类堆放整齐。
五、安全注意事项1、施工人员必须经过专业培训,取得特种作业操作资格证书后,方可上岗作业。
技术、安全交底记录施工单位:年月日14)悬挑式脚手架类型:双排脚手架;15)纵向水平杆接长采用对接连接;16)脚手架类型为封闭型;17)连墙件布置采用2步3跨。
连墙件连接方式为双扣件;18))U型螺栓:I级φ20mm。
3.搭设和拆卸施工流程1)搭设流程:预埋吊环→安装支架梁→立杆→纵向水平杆→横向水平杆→二等分护栏杆→连墙拉结→剪刀撑→搁楞→脚手板→踢脚板→安全网张挂→三步隔离2)拆卸流程与搭设流程相反一步一清。
4. 施工方法悬挑钢梁定距定位,悬挑梁间距应按悬挑架架体立杆纵距1.5m设置。
1 水平悬挑梁1)水平悬挑梁采用16号工字钢,主次梁部位悬挑梁采用16#工字钢,次梁采用16#工字钢,预埋直径20mm U型螺栓与楼板固定,保证有足够的锚固强度和截面抗屈曲能力,水平悬挑梁的纵向间距与上部脚手架立杆的纵向间距相同,立杆直接支承在悬挑梁上。
上部脚手架立杆与挑梁支承结构应有可靠的定位连接措施,以确保上部架体的稳定。
通常采用在挑梁或纵向钢粱上焊接150-200mm三级25钢筋的脚头,焊缝厚度不小于4mm,以便立柱直接插在钢筋脚头内,起稳定作用。
并同时在立杆下部设置扫地杆。
见下图钢筋头悬挑梁示意图2)钢梁挑出外墙面1.2米,阳台部位从主体结构墙开始计算悬挑,相应增加内置长度,具体尺寸及悬挑位置见悬挑钢梁平面布置图。
3)悬挑梁通过阳台或其它悬挑结构时,在悬挑构件根部加设垫块以防止悬挑构件受力。
2 悬挑梁末端由两道预埋U型螺栓固定,(双螺母),端部距后边的锚环等于200mm,两锚环距离200mm,预埋U型螺栓的直径为20mm,宽度为160mm,高度不小于400mm;螺栓丝扣采取机床加工并冷弯成型,不得使用板牙套丝机或挤压滚丝,长度不小于120mm;U型螺栓宜采用冷弯成型。
预埋U型螺栓锚时附加2根1.5m 长的直径18mm的三级钢用于承受悬挑锚固端作用引起负弯矩。
如图1,悬挑钢梁楼面和穿墙时参照图2、3施工。
悬挑脚手架技术交底技术交底记录日期:年月日工程名称:分项工程名称:交底内容:一、施工准备1.施工前准备在悬挑脚手架搭设前,公司工程技术部应组织项目部管理人员向脚手架搭设和使用人员进行技术交底。
进场的钢管、扣件、脚手板等需要进行检查验收,不合格产品不得使用。
同时,合格构配件应按品种、规格分类堆放整齐,堆放场地不得有积水。
2.悬挑外架搭设要求钢管类型采用φ48*3.0,双排脚手架立杆采用单立管,立杆纵距1.5米,立杆横距0.85米,横杆步距1.8米,外排1.8米中部(0.9米高处)增加设置一根横杠,作为栏杆以保证外架施工人员的安全。
施工均布荷载为3.0KN/M2,同时施工2层,脚手板共铺设2层。
悬挑水平钢梁采用16号工字钢,其中建筑物外悬挑段长1.2米,建筑物内锚固段长度1.8米,锚固压环钢筋采用φ16一级钢预埋在梁板内。
悬挑水平钢梁采用拉杆与建筑物拉结,最外面支点距离建筑物1.35米。
拉杆采用直径14mm钢丝绳和20号拉环连接。
二、工艺流程1.做好搭设的准备工作。
2.按房屋的平面形状放线。
3.预埋吊环、卡环。
4.安置型钢。
5.按立杆间距排放底座。
6.放置纵向扫地杆。
7.逐根树立立杆,随即与纵向扫地杆扣牢。
8.安装第一步小横杆(与各立杆扣牢)。
9.安装第一步大横杆。
10.安装第二步小横杆。
11.安装第二步大横杆。
12.加设临时抛撑(上撑与第二步大横杆扣牢,在装设两道连墙杆后可拆除)。
13.安装第三、四步小横杆和大横杆。
14.设置连墙杆。
15.接立杆。
16.加设剪力撑。
17.铺脚手板。
18.绑护身栏和挡脚板。
19.挂安全网。
20.悬挑脚手架采用封闭式防护外侧满挂密目安全网,每层设通长200高踢脚板。
21.悬挑脚手架必须配合施工进度搭设,一次搭设高度不应超过相邻连墙件以上二步。
22.每搭设完一步脚手架后,应检查其步距、纵距、横距及立杆垂直度是否符合要求。
三、悬挑脚手架材质及规格要求1.钢管脚手架钢管应采用现行国家标准《直缝电焊钢管》(GB/T -2008)或《低压流体输送用焊接钢管》(GB/T 3091-2008)中规定的3号普通钢管,其质量应符合现行国家标准《碳素结构钢》(GB/T 700-2006)中Q235-A级钢的规定。
型钢悬挑脚手架技术交底记录一、悬挑脚手架的构成部分及材料要求1.悬挑脚手架的构成部分主要包括立杆、横杆、斜杆、连接件等。
2. 立杆材料要求为优质角钢,尺寸为50*50*4mm,长度根据实际需要进行切割。
3. 横杆材料要求为优质管道,直径为48mm,壁厚为3.5mm,长度根据实际需要进行调整。
4. 斜杆材料要求为优质管道,直径为48mm,壁厚为3.5mm,长度根据实际需要进行切割。
5. 连接件材料要求为优质钢板,厚度为4mm,连接方式采用螺栓连接。
二、悬挑脚手架的组装及使用注意事项1.组装悬挑脚手架时,首先要选择合适的位置进行搭建,保证地基承载能力良好,要求地基平整牢固。
2.悬挑脚手架的组装一般由两人同步进行,确保操作安全可靠。
3.安装立杆时,要将立杆垂直插入地基孔洞,并用水平仪进行调整,确保立杆垂直度。
4.安装横杆时,要将横杆与立杆连接,并用螺栓进行固定,确保连接牢固可靠。
5.安装斜杆时,要将斜杆连接件与立杆连接,并用螺栓进行固定,确保斜杆与立杆连接紧密。
6.组装完成后,要对悬挑脚手架进行负荷测试,确保其承载能力符合要求。
7.在使用悬挑脚手架时,要严格按照相关规定进行操作,避免超载使用,确保操作安全。
三、悬挑脚手架的维护及检修要求1.悬挑脚手架的维护工作主要包括清洁、防锈、定期涂漆等。
2.悬挑脚手架使用完毕后,要进行清洁工作,清除脚手架表面的灰尘和污渍,保持整体清洁。
3.悬挑脚手架的材料为钢材,易受潮湿气候的影响,因此应定期进行防锈处理,保证脚手架的使用寿命。
4.定期涂漆是悬挑脚手架保养的重要环节,通过涂漆可以保护脚手架表面,防止氧化和腐蚀。
5.悬挑脚手架在使用过程中,如果发现有松动、变形等情况,应及时进行检修和维护,确保脚手架的稳定性。
四、悬挑脚手架的安全注意事项1.悬挑脚手架的使用人员必须经过专业培训,并持有合格证书。
2.使用人员在操作悬挑脚手架时,必须佩戴安全帽、防滑鞋等个人防护装备。
3.悬挑脚手架在使用过程中,禁止随意拆卸或改变构件连接方式。
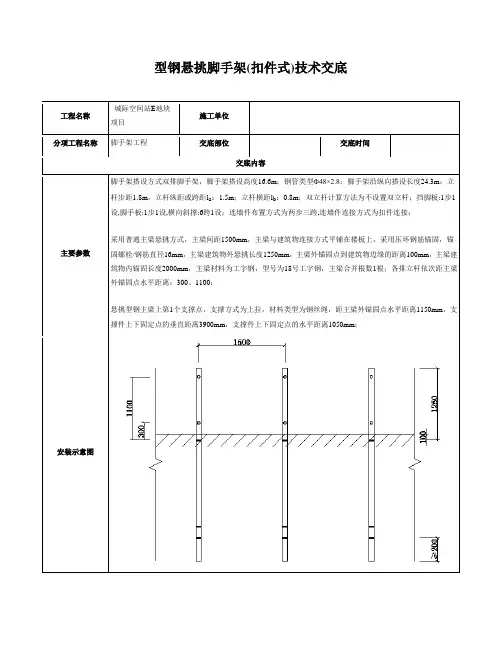
型钢悬挑脚手架(阳角B)技术交底工程名称 1 施工单位分项工程名称脚手架工程交底部位交底时间2020-10-01交底内容主要参数阳角处主梁悬挑方式:普通主梁悬挑;建筑物阳角处角度β(°):90;横向立杆排数:2;阳角型钢主梁采用10号工字钢;主梁外锚固点离建筑物距离c(mm):250;悬挑主梁1:主梁锚固方式为压环钢筋;压环钢筋直径为16mm;主梁自内锚固点伸出长度L为3m;设置上拉下撑杆件,上拉杆件材料类型为钢丝绳,钢丝绳型号为6×19(a),距主梁外锚固点的水平距离为1500mm,支撑件上下固定点的垂直距离为3000mm,支撑件上下固定点的水平距离为1146mm;悬挑主梁2:主梁锚固方式为压环钢筋;压环钢筋直径为16mm;主梁自内锚固点伸出长度L为2.7m;设置上拉下撑杆件,上拉杆件材料类型为钢丝绳,钢丝绳型号为6×19(a),距主梁外锚固点的水平距离为1500mm,支撑件上下固定点的垂直距离为3000mm,支撑件上下固定点的水平距离为1195mm;悬挑主梁3:主梁锚固方式为压环钢筋;压环钢筋直径为16mm;主梁自内锚固点伸出长度L为2.5m;设置上拉下撑杆件,上拉杆件材料类型为钢丝绳,钢丝绳型号为6×19(a),距主梁外锚固点的水平距离为1400mm,支撑件上下固定点的垂直距离为1500mm,支撑件上下固定点的水平距离为1111mm;悬挑主梁4:主梁锚固方式为压环钢筋;压环钢筋直径为16mm;主梁自内锚固点伸出长度L为2.3m;设置上拉下撑杆件,上拉杆件材料类型为钢丝绳,钢丝绳型号为6×19(a),距主梁外锚固点的水平距离为1400mm,支撑件上下固定点的垂直距离为1500mm,支撑件上下固定点的水平距离为1146mm;悬挑主梁5:主梁锚固方式为压环钢筋;压环钢筋直径为16mm;主梁自内锚固点伸出长度L为2.2m;设置上拉下撑杆件,上拉杆件材料类型为钢丝绳,钢丝绳型号为6×19(a),距主梁外锚固点的水平距离为1400mm,支撑件上下固定点的垂直距离为3000mm,支撑件上下固定点的水平距离为1150mm;安装示意图施工工艺流程阳角型钢与预埋件焊接→支撑上拉下撑杆件连接→立杆→横向扫地杆→小横杆→大横杆(搁栅)→剪刀撑→连墙件→铺脚手板→扎防护栏杆→扎安全网质量要求材料性能和规格符合设计要求;焊缝饱满,支杆或拉绳应尽量对称设置,以保证受力均匀;支杆或拉绳与建筑物预埋件可靠连接;质量保证措施1、脚手架的各种材料,在进入施工现场时,应进行检查验收,经检查验收不合格的材料应及时清除出场;2、主要受力杆件的规格、杆件设置应符合专项施工方案的要求;3、地基应符合专项施工方案的要求,应平整坚实,垫板必须铺放平整,不得悬空;4、连墙件应设置牢固;5、剪刀撑、斜撑等的加固杆件应设置齐全,连接可靠;6、搭设过程中门洞、转角等部位的构造应符合《建筑施工扣件式钢管脚手架安全技术规程》JGJ130-2011的规定7、在使用过程中,应对竹脚手架经常性的检查与维护,并应及时清理架体上的垃圾和杂物。
悬挑脚手架技术交底悬挑脚手架是建筑施工中常用的一种脚手架类型,它能够为施工人员提供安全可靠的工作平台,保证施工的顺利进行。
为了确保悬挑脚手架的施工质量和安全,特进行本次技术交底。
一、悬挑脚手架的基本构造悬挑脚手架主要由悬挑梁、立杆、横杆、剪刀撑、脚手板、防护栏杆等组成。
1、悬挑梁悬挑梁通常采用工字钢或槽钢,其前端通过预埋在建筑物结构中的锚固螺栓固定,后端则通过压环或螺栓与建筑物连接,以承受脚手架的荷载。
2、立杆立杆是脚手架的主要竖向受力构件,间距应根据设计要求进行设置,一般不大于 15 米。
3、横杆横杆包括纵向横杆和横向横杆,用于连接立杆,增强脚手架的稳定性。
4、剪刀撑剪刀撑是保证脚手架整体稳定性的重要构件,应按照规定的角度和间距设置。
5、脚手板脚手板是施工人员的工作平台,应铺满、铺稳,不得有探头板。
6、防护栏杆防护栏杆设置在脚手架的外侧,高度不低于 12 米,以保证施工人员的安全。
二、悬挑脚手架的施工准备1、技术准备施工前,应熟悉施工图纸和相关规范,编制专项施工方案,并经审批通过。
同时,对施工人员进行技术交底,使其了解施工工艺和质量要求。
2、材料准备(1)悬挑梁:选用符合设计要求的工字钢或槽钢,其材质和规格应符合国家标准。
(2)钢管:选用外径 48mm,壁厚 35mm 的焊接钢管,其质量应符合国家标准。
(3)扣件:采用可锻铸铁制作的扣件,其质量应符合国家标准。
(4)脚手板:选用竹笆脚手板或木脚手板,其材质应符合相关标准。
(5)安全网:选用密目式安全网,其质量应符合国家标准。
3、现场准备(1)清理施工现场,确保施工场地平整、畅通。
(2)在建筑物上准确预留锚固螺栓的孔洞。
三、悬挑脚手架的安装流程1、安装悬挑梁(1)将悬挑梁按照设计要求放置在预留的孔洞中,并用锚固螺栓固定牢固。
(2)在悬挑梁的后端设置压环或螺栓,将其与建筑物连接牢固。
2、搭设脚手架(1)按照设计要求,在悬挑梁上设置立杆,并与悬挑梁固定牢固。
悬挑脚手架安全技术交底一、架子工施工安全要求1.登高作业人员(架子工)必须经过安全技术培训并通过考核,持证上岗。
架子工学徒工必须办理学习证,在技工带领、指导下操作,高处作业人员,不得患有高血压、心脏病、贫血、癫痫病、恐高症、眩晕等禁忌证。
非架子工不得单独进行作业。
2.脚手架搭设前应清除障碍物、平整场地、夯实基土、作好排水,应符合脚手架专项施工组织设计(施工方案)和技术措施交底的要求,基础验收合格后,放线定位。
支搭脚手架作业前应对杆、扣件及其配件进行检查,包括杆件及其配件是否存在焊口开裂、严重锈蚀、扭曲变形情况,配件是否齐全,符合要求后方可使用。
3.作业中严格执行施工方案和技术交底,分工明确,听从指挥,协调配合。
4.严禁赤脚、穿拖鞋、穿硬底鞋作业。
严禁在架子上打闹、休息,严禁酒后作业。
正确使用安全防护用品,必须系安全带,着装灵便,穿防滑鞋。
作业时精力集中,团结合作,互相呼应,统一指挥,不得走“过档”和跳跃架子。
5.架子组装、拆除作业必须3人以上配合操作,必须按照程序支搭、组装和拆除脚手架。
严禁擅自拆卸任何固定扣件、杆件及连墙件。
6.班组接受任务后,必须组织全体人员认真领会脚手架专项施工组织设计和技术措施交底,研讨搭设方法,明确分工,由一名技术好、有经验的人员负责搭设技术指导和监护。
7.脚手架要结合进度搭设,搭设未完的脚手架、在离开作业岗位时,不得留有未固定的构件和不安全隐患,确保架子稳定。
8.作业场地应平整、坚实,无杂物。
夜间作业时,作业场所必须有足够的照明。
9.风力六级以上(含六级)、高温、大雨、大雪、大雾等恶劣天气,应停止露天高处作业。
风、雨、雪后应对架子进行全面检查,发现倾斜、下沉、脱扣、崩扣等现象必须进行处理,经验收合格后方可使用。
10.在带电设备附近搭、拆脚手架时,宜停电作业。
在外电架空线路附近作业时,脚手架外侧边线与外电架空线路的边线之间的距离不得小于下表中的数值。
未经供电部门批准,严禁在高压线下作业。
悬挑脚手架搭设技术交底悬挑脚手架是目前建筑安全作业中常用的工具之一,能够为工人提供一个安全、稳定的工作平台,方便高空施工。
但是,如果悬挑脚手架搭设不当,就会给工作人员的生命安全带来巨大的威胁。
因此,在悬挑脚手架搭设之前,必须进行技术交底,确保每一个环节都经过周密的规划和实践。
悬挑脚手架搭设前的准备工作在悬挑脚手架搭设之前,需要做好以下准备工作:1.实地勘察:了解工作地点的具体情况,包括建筑结构、地形、交通、气象条件等。
2.测量设计:根据勘察结果,进行悬挑脚手架的详细测量设计,包括悬挑脚手架的高度、长度、承重能力等。
3.材料准备:根据设计方案,准备好需要的材料,包括支架、架子、钢管、脚轮、安全防护装置等。
4.人员培训:为参与悬挑脚手架搭设的人员进行培训,包括安全基本知识、各部位的功能作用、操作方法和安全操作要求等。
悬挑脚手架搭设时的注意事项在悬挑脚手架搭设时,需要注意以下几个方面:1.搭设顺序:悬挑脚手架的搭设需要按照预定的顺序进行,不能超过安全承载标准。
2.合理布局:悬挑脚手架的搭设需要合理布置,保证各部位的平衡,使悬挑脚手架保持稳定状态。
3.加强安全措施:悬挑脚手架在搭设和使用过程中,必须严格按照安全操作规程进行,加强安全措施,避免出现意外伤害。
4.检查维护:悬挑脚手架的使用寿命不宜过长,需要定期进行检查维护,确保各项安全保障措施处于完好状态。
悬挑脚手架搭设技术交底要点为了确保悬挑脚手架搭设工作的质量与安全,悬挑脚手架搭设技术交底的要点如下:1.悬挑脚手架搭设的设计方案和搭设顺序,包括支架和架子的选择与确定。
2.悬挑脚手架上下升降系统的操作方法与安全要求,包括绳索、卷扬机、防坠安全钩等。
3.悬挑脚手架的安全措施和规定,包括防护栏杆、安全网、安全带等。
4.悬挑脚手架搭设中的各项风险评估和应急预案,包括安装故障、风力等突发情况的处理。
悬挑脚手架是一个重要的建筑安全设施,使用前必须进行技术交底,确保每一项操作都符合安全规程和施工要求。
(精选)悬挑式脚手架技术交底悬挑式脚手架技术交底1. 简介1.1 脚手架的定义和作用1.2 悬挑式脚手架的特点2. 脚手架的组成部分2.1 悬挑式脚手架的基本构造2.2 悬挑式脚手架的支撑和连接材料3. 设计要求和注意事项3.1 悬挑式脚手架的承载力计算3.2 悬挑式脚手架的稳定性要求3.3 悬挑式脚手架的施工安全措施4. 悬挑式脚手架的安装步骤4.1 地基准备及支撑点的设定4.2 悬挑式脚手架主体的组装和安装4.3 悬挑式脚手架的调整和固定5. 使用和维护要求5.1 使用悬挑式脚手架的注意事项5.2 定期检查和维护悬挑式脚手架的要求5.3 悬挑式脚手架的拆除和储存6. 附件6.1 相关图纸和施工图6.2 相关规范和标准7. 法律名词及注释7.1 悬挑式脚手架:一种在施工现场用于支撑工人和材料的临时结构设备。
7.2 承载力:脚手架结构能够承受的最大力量。
7.3 稳定性:脚手架结构不发生倾覆或倒塌的能力。
7.4 施工安全措施:为了保障施工现场工人的人身安全而采取的措施。
7.5 调整和固定:调整脚手架结构使其平衡稳定,并用钢筋等材料固定。
7.6 拆除和储存:脚手架使用完毕后,将其拆除并安全地储存在指定区域。
悬挑式脚手架技术交底1. 脚手架的定义和作用1.1 脚手架的基本概念1.2 悬挑式脚手架的作用和适用领域2. 悬挑式脚手架的特点2.1 支撑结构的选择2.2 便于组装和调整2.3 适用于高层施工3. 悬挑式脚手架的组成部分3.1 主体支撑结构3.2 连接和固定材料4. 设计要求和注意事项4.1 承载力和稳定性要求4.2 悬挑式脚手架的安全设计4.3 施工现场环境条件5. 悬挑式脚手架的安装步骤5.1 地基准备和支撑点的设置5.2 主体结构的组装和安装5.3 调整和固定6. 使用和维护要求6.1 使用悬挑式脚手架的注意事项6.2 定期检查和维护的要求6.3 拆除和储存7. 附件7.1 相关图纸和施工图纸7.2 相关规范和标准8. 法律名词及注释8.1 悬挑式脚手架:一种用于支撑工人和材料的临时结构设备。
悬挑脚手架技术交底悬挑脚手架是一种常用于高层建筑施工的搭设工具,在建筑施工中扮演着至关重要的角色。
它被用于提供工人在施工期间的安全工作平台,以便他们能够进行高空作业。
本文将对悬挑脚手架的技术细节进行交底,包括其组成部分、安装过程和注意事项。
一、悬挑脚手架的组成部分悬挑脚手架主要由以下组成部分构成:1. 承重横杆:负责承载工人和施工材料的横向悬挑部分;2. 支撑杆:用于支撑横杆的垂直支撑杆,维持脚手架的稳定性;3. 吊杆:连接横杆和支撑杆的杆件,将横杆固定在正确的位置;4. 脚手架底座:用于支撑脚手架的基座,保证其稳定性;5. 手拉螺杆:通过调节手拉螺杆的高低来调整脚手架的高度。
以上组成部分是悬挑脚手架中最基本的部分,用于构建稳定、安全的工作平台。
二、悬挑脚手架的安装过程悬挑脚手架的安装需要经过以下步骤:1. 确定悬挑脚手架的使用位置和高度要求,并制定详细的施工方案;2. 在建筑物外壁或结构上安装脚手架底座,确保其稳固;3. 安装支撑杆,将其垂直插入脚手架底座,并用手拉螺杆进行固定;4. 根据实际需要确定横杆的长度,并安装吊杆将横杆固定在支撑杆上;5. 对横杆和支撑杆进行加固,确保脚手架的稳定性;6. 检查脚手架的平整度和稳定性,确保其符合安全要求;7. 根据需要调节手拉螺杆的高低,以达到适当的工作高度。
安装悬挑脚手架是一项关键的工作,需要经验丰富的人员进行指导和操作。
在安装过程中,必须严格按照施工方案和安全要求进行操作,以确保工人的安全和施工质量。
三、悬挑脚手架的注意事项在使用悬挑脚手架时,需要注意以下事项:1. 施工人员必须穿戴防护装备,包括安全帽、安全带和防滑鞋等;2. 定期检查脚手架的稳定性和连接件的紧固情况,必要时进行维护和修理;3. 在施工过程中,禁止随意改动或移动脚手架的组件;4. 在施工现场设置明显的警示标识,提醒他人注意施工作业;5. 在悬挑脚手架上进行高空作业时,必须牢固固定工人和材料,防止意外坠落;6. 避免超载,根据脚手架的承载能力合理安排工人和施工材料的分布;7. 在恶劣天气条件下,暴风雨、雷电等天气应停止使用悬挑脚手架,以免因天气原因造成意外伤害。