04报警阀安装前外观检查—密封性能水压试验记录GD3070304
- 格式:wps
- 大小:180.50 KB
- 文档页数:2
阀门自我检查记录一、检查日期_____年_____月_____日二、检查人员_____三、检查目的确保阀门的正常运行,预防潜在的故障和安全隐患,保障生产过程的顺利进行。
四、检查范围本次检查涵盖了工厂内所有的阀门,包括但不限于:1、工艺管道上的截止阀、球阀、闸阀等。
2、消防系统中的阀门。
3、蒸汽系统的调节阀和安全阀。
五、检查内容及结果(一)外观检查1、阀门的阀体、阀盖、手轮等部件无明显的腐蚀、磨损和变形。
工艺管道上的大部分阀门外观良好,仅有少数阀门表面存在轻微的锈迹,已进行标记并计划后续处理。
消防系统阀门外观整洁,无异常。
蒸汽系统的阀门外观正常,未发现腐蚀和磨损情况。
2、阀门的标识清晰,包括阀门的型号、规格、编号以及流向指示等。
检查中发现有个别阀门的标识模糊不清,已记录并安排重新标识。
(二)密封性能检查1、采用水压试验的方法对部分阀门进行了密封性能测试。
大部分阀门在规定的压力下无泄漏现象,密封性能良好。
但有两个截止阀存在轻微泄漏,初步判断为阀瓣与阀座密封面磨损,需进一步检修或更换。
2、对气体管道上的阀门进行了气密试验。
所有气体阀门气密性能均符合要求,未发现泄漏。
(三)操作灵活性检查1、手动操作阀门,检查其开启和关闭的灵活性。
绝大部分阀门操作顺畅,无卡涩现象。
有一处球阀在操作时感到较为沉重,可能是由于阀杆润滑不足,已添加润滑油并再次测试,操作恢复正常。
2、检查电动和气动阀门的远程操作功能。
电动和气动阀门的远程控制响应准确,动作灵敏。
(四)内部部件检查1、对于部分可拆卸的阀门,拆开检查了其内部的阀瓣、阀座、阀杆等部件。
发现有一个闸阀的阀瓣磨损较为严重,需要更换。
阀杆的螺纹部分无损伤,螺母配合良好。
(五)安全阀检查1、校验安全阀的整定压力。
所有安全阀的整定压力均在规定范围内,符合安全要求。
2、检查安全阀的排放管道是否畅通。
排放管道无堵塞,畅通无阻。
六、问题及处理措施(一)发现的问题1、部分阀门表面有轻微锈迹。
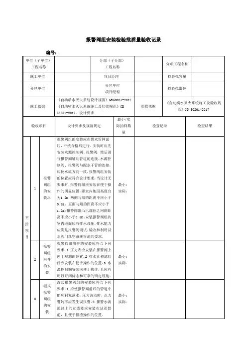
报警阀组安装检验批质量验收记录编号:
填表说明:
1、检验批容量填写:写出该检验批的设备的台数。
2、最小/实际检查数量栏中,实际检查数量:全数检查
3、表头中“施工依据”栏目应依照实际的施工操作依据填写,如施工企业的操作规程、工法、施工工艺标准等。
其他组件检验批质量验收记录
填表说明:
1、检验批容量填写:写出该检验批的设备的台数。
2、最小/实际检查数量栏中,实际检查数量:全数检查
3、表头中“施工依据”栏目应依照实际的施工操作依据填写,如施工企业的操作规程、工法、施工工艺标准等。
17报警阀安装前外观检查密封性能水压试验记录
3070304
1.外观检查
在安装报警阀之前,首先对其外观进行了详细检查。
检查了报警阀的材料、外观缺陷和表面处理等方面。
报警阀的材料为不锈钢,表面光洁,无明显划痕或氧化现象。
制造商的标志和产品型号清晰可见。
报警阀的外观无任何毛刺、裂纹或变形现象。
连接口螺纹完好,无漏焊和漏漆。
2.密封性能水压试验
对报警阀的密封性能进行了水压试验,以确保其密封可靠。
首先使用导管将水压装置和报警阀连接,并紧固好螺纹。
确认所有连接处无渗漏。
开启水压装置,逐渐增加水压,记录下不同压力下的泄漏情况。
在0.6MPa的水压下,报警阀无泄漏现象。
在1.0MPa的水压下,报警阀无泄漏现象。
在1.5MPa的水压下,报警阀无泄漏现象。
水压测试结束后,关闭水压装置,拆除导管,并清理工作现场。
系统阀门 ( 配件 ) 安装前外观检查 / 压力试验记录单位 ( 子单位 ) 工程名称所属子分部 ( 系统 ) 工程名称/ 分项 ( 子系统 ) 工程名称相关的施工部位( 层、区、段、房、室)总承包施工单位项目负责人专业承包安装单位项目负责人施工执行的技术标准 ( 含企业的工艺规程、工法等)阀门 ( 配件 ) 用途类别阀门(配件)名称/ 型号/ 规格本批进货数量 ( 个) 本批试验数量抽试率 (%) ( 个)检查试验起止日期: 年月日起年月日止至检查结果试验前外观检查项目( 符合 / 不符合要求)铭牌 ( 表达商标、型号、规格、公称压力、制造厂、生产日期等)是否齐全清晰、完好安全操作标志和介质流向永久性标志是否齐全、清晰、完好型号、规格、公称压力和其它功能( 性能 ) 是否符合设计文件的要求是否有加工缺陷、机械损伤和其它质量缺陷对强度和严密性压力试验阀门阀门强度试验的实际参数与结果严密性试验的实际参数与结果要( 配( 配件)求的标准 (或设计 )依据(标件) 试试验结果公称压试验试验持结果试验准或设计文件名称、编号验持续( 符合/力介质压力续时间(符合/不介质压力、的自编时间不符合(MPa) (MPa) (min) 符合要求) (MPa)章节、条目、参数指标选号(min) 要求)专业工长(施工员)签名检查测试负责人签名专业承包安装单位检查评定结果项目专业质量检查员 ( 签名 ): 年月日监理 ( 建设)专业监理工程师(签名):单位验收结论年月日( 建设单位项目专业技术负责人签名):注:1、本表每张只能填写同一生产厂家的同一型号、规格的一种阀门( 配件) 。
2、“阀门 ( 配件) 用途类别”是指:在主干管上起切断作用的闭路阀门、在支管上安装的阀门或其它功能的阀门 ( 配件) 等。
3.本表“对强度和严密性压力试验要求的标准 ( 或设计 ) 依据”栏中,试验要求依据所采用相关的计算公式及其计算结果,可随本表之后附页表达。
注:1、本表每张只能填写同一生产厂家的同一型号、规格的一种阀门(配件)。
注:1、本表每张只能填写同一生产厂家的同一型号、规格的一种阀门(配件)。
注:1、本表每张只能填写同一生产厂家的同一型号、规格的一种阀门(配件)。
注:1、本表每张只能填写同一生产厂家的同一型号、规格的一种阀门(配件)。
注:1、本表每张只能填写同一生产厂家的同一型号、规格的一种阀门(配件)。
注:1、本表每张只能填写同一生产厂家的同一型号、规格的一种阀门(配件)。
注:1、本表每张只能填写同一生产厂家的同一型号、规格的一种阀门(配件)。
注:1、本表每张只能填写同一生产厂家的同一型号、规格的一种阀门(配件)。
注:1、本表每张只能填写同一生产厂家的同一型号、规格的一种阀门(配件)。
注:1、本表每张只能填写同一生产厂家的同一型号、规格的一种阀门(配件)。
注:1、本表每张只能填写同一生产厂家的同一型号、规格的一种阀门(配件)。
注:1、本表每张只能填写同一生产厂家的同一型号、规格的一种阀门(配件)。
注:1、本表每张只能填写同一生产厂家的同一型号、规格的一种阀门(配件)。
注:1、本表每张只能填写同一生产厂家的同一型号、规格的一种阀门(配件)。
注:1、本表每张只能填写同一生产厂家的同一型号、规格的一种阀门(配件)。
注:1、本表每张只能填写同一生产厂家的同一型号、规格的一种阀门(配件)。
注:1、本表每张只能填写同一生产厂家的同一型号、规格的一种阀门(配件)。
注:1、本表每张只能填写同一生产厂家的同一型号、规格的一种阀门(配件)。
注:1、本表每张只能填写同一生产厂家的同一型号、规格的一种阀门(配件)。
注:1、本表每张只能填写同一生产厂家的同一型号、规格的一种阀门(配件)。
注:1、本表每张只能填写同一生产厂家的同一型号、规格的一种阀门(配件)。
注:1、本表每张只能填写同一生产厂家的同一型号、规格的一种阀门(配件)。
注:1、本表每张只能填写同一生产厂家的同一型号、规格的一种阀门(配件)。
报警阀安装前外观检查/密封性能水压试验记录
GD3070304
单位(子单位)工程名
称
所属子分部(系统)
工程名称 / 分项
(子系统)工程名称
相关的施工部位
(层、区、段、房、室)
总承包施工单位项目负责人
专业承包安装单位项目负责人
施工执行的技术标准
(含企业的工艺规程、
工法等)名称及编号
检查试验起止日期: 年月日起至年月日止
安装前的现场外观检查项目检查结果(符合/不符合要求)型号、规格应符合设计要求,且附件配备齐全
商标、型号、规格标志及水流方向永久性标志齐全
表面不得有加工缺陷和机械损伤
阀瓣及操作机构动作灵活,无卡涩现象;阀体内应清洁、无异物堵塞
阀门试验的自编号(所有报警阀全数逐个试验并记录) 报警阀名
称/型号/
规格
额定工
作压力
(MPa)
密封性能(即渗漏)试验试验结果
(试验过程中阀瓣
标准(或设计)要求实际试验及
试验压力保压时间试验压力保压时间
(MPa) (min) (MPa) (min)
其它部位渗漏状况
)
专业工长(施工员)签名检查测试负责人签名
专业承包安装单
位检查评定结果
项目专业质量检查员(签名):年月日监理(建设)
单位验收结论专业监理工程师(签名):
(建设单位项目专业技术负责人签名): 年月日。