火灾自动报警系统探测器安装检查记录 (最新版)
- 格式:xlsx
- 大小:18.28 KB
- 文档页数:1
火灾自动报警系统检测记录表测检测项目检测内容和要求检测方法子项评定重要程度是否合格探测器报警功能,符合消防技术标准和消防设计文件要求测试其报警功能A 设置位置符合消防技术标准和消防设计文件要求查看设置位置C 规格、选型,符合消防技术标准和消防设计文件要求查看规格、选型B 同区域数量,符合消防技术标准和消防设计文件要求核对同区域数量B 1、点型感烟探测器:应在试验烟气作用下动作,向火灾报警控制器输出火警信号,并启动探测器报警确认灯;探测器报警确认灯应在手动复位前予以保持。
1、采用发烟装置向探测器施放烟气,查看探测器报警确认灯、以及火灾报警控制器的火警信号显示。
2、消除探测器内及周围烟雾,报警控制器手动复位,观察探测器报警确认灯在复位前后的变化情况。
A2、线型光束感烟探测器:当对射光束的减光值达到1.0d B~10d B时,应在30s内向火灾报警控制器输出火警信号,启动探测器报警确认灯。
1、按照G B14003-92《线型光束感烟火灾探测器技术要求及试验方法》附录A中表A1选用滤光片:减光值<1.0d B~10.0d B之间依次变换滤光片减光值大于10d B。
2、分别将上述不同减光值的滤光片,置于相向的发射与接收器件之间、并尽量靠近接收器的光路上,同时用秒表开始计时,在不改变滤光片设置位置的情况下,查看30s内火灾报警控制器的火警信号、探测器报警确认灯的动作情况。
A补充记录和说明:检测部位单项评定检测单位被检测单位人测检测项目检测内容和要求检测方法子项评定重要程度是否合格火灾探测器3、点型、线型感温探测器:应在试验热源作用下动作,向火灾报警控制器输出火警信号;点型探测器报警应启动探测器报警确认灯,并应在手动复位前予以保持。
1、可复位点型感温探测器,使用温度不低于54C的热源加热,查看探测器报警确认灯和火灾报警控制器火警信号显示;移开加热源,手动复位火灾报警控制器,查看探测器报警确认灯在复位前后的变化情况。
火灾自动报警系统验收检查记录时间:XXXX年XX月XX日地点:XXXXX大厦参与人员:1.验收单位代表:XXXX公司:XX先生2.施工单位代表:XXXX公司:XX先生3.监理单位代表:XXXX公司:XX先生4.使用单位代表:XXXX公司:XX先生一、检查目的和范围本次验收检查旨在确认火灾自动报警系统在施工单位的安装、调试是否按照设计要求完成,并确保其功能正常、可靠,满足使用单位的需求。
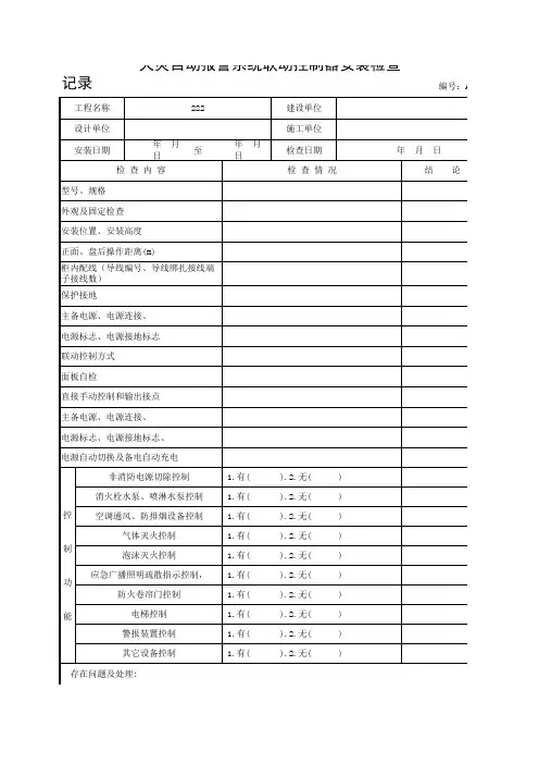
二、检查内容和步骤1.检查火灾自动报警系统的安装情况a.检查各个探测器、报警装置的安装位置是否符合设计要求,并进行必要的调整。
b.检查电缆敷设情况,包括固定方式和走向是否合理,是否存在搭接、挤压等问题。
c.检查主控板、报警控制器等设备的安装固定情况和接线是否正确。
2.检查火灾自动报警系统的电气性能a.对各个探测器、报警控制器进行电气连接测试,确认其与主控板的连接是否稳定、可靠。
b.检查火灾自动报警系统的电源供应情况,确认其工作电压是否符合设计要求。
测试系统在正常工作和断电后的备用电源是否正常切换。
3.检查火灾自动报警系统的功能性能a.对各个探测器进行感烟、感温测试,确认其报警信号的灵敏度和准确性。
b.模拟真实火灾场景,测试火灾自动报警系统的报警和联动控制功能,并确认其可靠性和及时性。
4.检查火灾自动报警系统的声光报警装置a.对声光报警装置进行测试,确认其声音和光线是否符合设计要求,保证能够在火灾发生时有效地吸引人们的注意。
三、检查结果和结论经过细致的检查,火灾自动报警系统经受住了验收检查,其安装、调试和功能性能均符合设计要求,并能够满足使用单位的需求。
四、待完善和改进的问题在检查过程中,我们还发现了以下问题,需要由施工单位进行完善和改进:1.电缆敷设不规范:部分电缆存在搭接、挤压等问题,需要进行重新敷设。
2.探测器安装高度不一致:需要统一探测器的安装高度,确保其能够及时准确地探测到火灾信号。
3.火灾自动报警系统的维护和保养:使用单位应该建立完善的维护保养制度,并定期对火灾自动报警系统进行维护和保养,以保证其长期稳定运行。