设备生命周期管理流程初稿
- 格式:docx
- 大小:62.76 KB
- 文档页数:13
设备全周期管理流程1. 引言本文档旨在详细阐述设备全周期管理流程,包括设备采购、设备维护、设备升级和设备报废等各个阶段。
通过实施全周期管理,我们能够确保设备在整个生命周期内的高效运行,降低运营成本,提高设备使用率。
2. 设备采购2.1 需求分析在设备采购之前,首先需要进行需求分析。
由业务部门提出设备需求,包括设备类型、性能指标、数量等,并提交至设备管理部门。
2.2 供应商选择设备管理部门负责收集供应商信息,对供应商进行评估,包括供应商资质、设备质量、价格、售后服务等。
根据评估结果,选择合适的供应商。
2.3 设备采购与选定的供应商进行商务谈判,确定设备价格、交货期等合同条款,并签订采购合同。
2.4 设备验收设备到达后,由设备管理部门组织验收。
验收内容包括设备外观、性能、数量等,确保设备符合采购要求。
3. 设备维护3.1 预防性维护根据设备特点和运行情况,制定预防性维护计划。
预防性维护包括日常巡检、定期保养、设备调试等。
3.2 故障处理设备发生故障时,及时进行维修。
设备管理部门应建立故障处理流程,包括故障报修、故障诊断、维修方案制定、维修实施、维修验收等。
3.3 备品备件管理设备管理部门负责备品备件的采购、存储、领用等工作。
确保备品备件的供应,降低设备停机时间。
4. 设备升级根据业务发展需要,对设备进行升级。
设备升级包括硬件升级、软件升级、系统集成等。
4.1 升级方案制定设备管理部门负责制定设备升级方案,包括升级内容、升级时间、升级成本等。
4.2 升级实施按照升级方案,对设备进行升级。
升级过程中,确保业务不中断。
4.3 升级验收设备升级完成后,进行验收。
验收内容包括设备性能、业务运行情况等,确保设备升级达到预期效果。
5. 设备报废设备达到使用寿命末端或无法满足业务需求时,进行报废处理。
5.1 报废申请设备管理部门负责提交设备报废申请,包括报废原因、报废设备清单等。
5.2 报废审批报废申请提交至相关部门进行审批。
设备全生命周期管理制度1.目的传统的设备管理主要侧重于设备的维修阶段,具有相当的局限性。
现代意义上的设备管理贯穿于设备的规划、设计、制造、选型。
购置、安装、使用、检测、维修、改造以及拆除报废。
为了规范公司的设备管理,以设备可靠性的角度为出发点,降低设备故障率,使设备稳定可靠地运行,从而保障生产地顺利进行,本厂依据《企业安全生产标准化基本规范》以及相关设备管理经验,特制订本制度。
2.范围本制度适用于本厂所属各部室、车间、班组。
3.内容设备的全生命周期包含三个方面:一是在三维空间上的全生命周期管理;二是突出在浴盆曲线上不同阶段的不同管理特色;三是全生命周期的费用管理。
本制度以安全生产的角度着重规定三维空间管理、设备的阶段性管理、设备的浴盆曲线管理和全生命周期闭环管理。
3.1 三维空间管理三维空间上的全生命管理涉及空间维、资源维和功能维,加上全生命周期本身的时间维,就形成四维系统,空间维即从生产环境、车间、生产线、设备、总成(部件),直到零件,由表及里,步步深入,涉及空间维上的各个要素。
资源维是涉及与设备相关各种资源,包含信息、人力、材料、备件、动力能源、水、气、汽等要素,这都是设备和管理上不可或缺的资源要素。
功能维指管理功能,即计划、组织、实施、控制、评价、反馈等内容,这也是广义的PDCA循环过程。
从这种意义上说,设备管理是典型的系统工程。
因而,三维空间管理需要部门车间的负责人和设备操作人员做到以下几个方面:3.1.1 车间生产环境应保持整洁,无大面积积水、积料,落实“5S”。
3.1.2 生产设备应做到“定置管理”,用统一定制线明确。
3.1.3 生产设备应标明设备责任人,设备的责任人负责对设备进行日常维护、检修。
3.1.4 采购设备时采购部和部门车间设备部门对设备信息进行评估研究,符合生产作业需求的方予以采购。
3.1.5 设备的相关操作人员须熟练设备操作规程并进行岗位培训,合格后持证上岗。
3.1.6 设备系统的燃油、润滑油、冷却水和空气要定期进行“滤清处理”,有效控制设备性能劣化。
设备全生命周期的管理方法1. 引言设备全生命周期的管理是指从设备选购、安装、使用到维修、升级直至报废的整个过程的管理。
有效的设备全生命周期管理能够提高设备的使用效率,延长设备使用寿命,降低企业运营成本。
本文将详细介绍设备全生命周期的管理方法。
2. 设备选购管理在设备选购阶段,应充分考虑设备的技术参数、性能、质量、价格等因素,确保选购的设备能够满足企业的需求。
2.1 需求分析进行详细的需求分析,明确设备的功能、性能、质量等要求。
2.2 市场调研对市场上的设备供应商进行调研,了解设备供应商的信誉、服务、技术支持等方面的情况。
2.3 设备选型根据需求分析和市场调研的结果,选择适合的设备。
2.4 采购谈判与设备供应商进行采购谈判,确定设备的采购价格、交货期、售后服务等事项。
3. 设备安装与调试管理设备安装与调试是设备正常运行的基础,应确保设备安装稳定,调试到位。
3.1 安装计划制定详细的设备安装计划,包括安装时间、人员、工具等。
3.2 安装过程管理监督设备安装过程,确保安装质量。
3.3 设备调试对设备进行调试,确保设备性能达到预期。
3.4 验收设备安装调试完成后,进行验收,确保设备满足生产需求。
4. 设备使用与维护管理设备使用与维护是保证设备正常运行的关键,应制定合理的设备使用与维护制度。
4.1 设备使用培训对设备操作人员进行培训,确保其熟练掌握设备操作技能。
4.2 设备操作规程制定详细的设备操作规程,确保设备安全、稳定运行。
4.3 设备维护计划制定设备维护计划,包括维护时间、内容、人员等。
4.4 设备维护执行按照维护计划执行设备维护工作,确保设备处于良好状态。
5. 设备升级与维修管理随着技术的发展,设备可能需要升级以满足生产需求,同时设备在使用过程中可能出现故障,需要进行维修。
5.1 设备升级评估对设备升级的必要性进行评估,确定升级方案。
设备全生命周期维护与管理制度简介本文档旨在制定设备全生命周期维护与管理制度,以确保设备的稳定运行和有效管理。
该制度涵盖设备的选购、采购、安装、运行、维护和报废等全过程,旨在提高设备的可靠性、延长其使用寿命,并促进设备管理的规范化和科学化。
目标1. 确保设备的正常运行和稳定性。
2. 提高设备的可靠性和使用寿命。
3. 规范设备的维护和管理流程。
4. 降低设备维修和更换的成本。
5. 提高设备管理效率和工作效益。
主要内容1. 设备选购与采购- 制定设备选购标准,明确设备性能和质量要求。
- 与供应商保持良好的合作关系,确保设备的供应和及时交付。
- 进行设备采购前的充分调研和比较,选择最适合的设备。
2. 设备安装与验收- 制定设备安装指南,确保设备的正确安装和调试。
- 进行设备验收前的全面检查,确保设备符合预期要求。
- 完善设备验收报告,记录设备安装情况和验收结果。
3. 设备运行与维护- 建立设备运行记录,定期检查设备运行状态。
- 制定设备维护计划,定期进行设备维护和保养。
- 配备专业维护人员,确保设备维护工作的及时性和质量。
4. 设备报废与更新- 制定设备报废标准,明确设备报废的条件和程序。
- 定期评估设备使用情况,提前规划设备更新计划。
- 确保设备报废和更新工作符合相关法律法规和环保要求。
责任与监督1. 设备管理员负责设备的日常管理和维护工作。
2. 相关部门负责设备的选购、采购和安装工作。
3. 定期进行设备管理评估,发现问题及时进行整改和改进。
4. 设备管理制度由管理部门负责监督和执行。
结论设备全生命周期维护与管理制度的制定和执行,对于确保设备的稳定运行和有效管理至关重要。
通过规范设备的选购、采购、安装、运行、维护和报废等全过程,可以提高设备的可靠性和使用寿命,降低维修和更换成本,提高设备管理效率和工作效益。
管理部门应加强对该制度的监督和执行,确保其有效实施。
设备全生命周期维护与管理制度1. 引言本文档旨在制定一份设备全生命周期维护与管理制度,以确保设备在使用过程中得到有效的维护和管理。
该制度适用于公司内部所有设备的维护和管理工作。
2. 责任与权限2.1 设备维护人员应负责设备的定期检查、保养和维修工作,确保设备的正常运行和延长使用寿命。
2.2 设备管理员应负责设备的购买、部署、安装和报废等管理工作,确保设备的合理配置和安全使用。
2.3 部门主管应负责监督和管理设备的维护与管理工作,确保各项工作按照制度要求执行。
2.4 公司高层管理人员应提供必要的资源和支持,确保设备维护与管理工作的顺利进行。
3. 设备维护流程3.1 设备定期检查:设备维护人员应按照制定的计划进行设备的定期检查,包括外观、功能、安全等方面的检查。
3.2 设备保养:设备维护人员应根据设备的保养手册或制定的保养计划进行设备的保养工作,包括清洁、润滑、更换易损件等。
3.3 设备维修:设备维护人员应及时进行设备的维修工作,修复设备的故障或损坏,确保设备的正常运行。
3.4 设备报废:设备管理员应定期评估设备的使用情况,对老化、损坏或无法修复的设备进行报废处理,并记录相关信息。
4. 设备管理制度4.1 设备购买:设备管理员应根据实际需求制定设备购买计划,并选择合适的供应商进行采购,确保设备的质量和性能符合要求。
4.2 设备部署与安装:设备管理员应根据设备规格和要求进行设备的部署和安装工作,确保设备能够正常运行并符合安全标准。
4.3 设备台账管理:设备管理员应建立设备台账,记录设备的购买信息、维护记录、报废信息等,方便对设备进行跟踪和管理。
4.4 设备安全管理:设备管理员应制定设备安全管理制度,包括设备的定期检查、防护措施、安全培训等,确保设备的安全使用。
5. 制度执行与监督5.1 制度执行:各相关人员应按照制度要求执行设备的维护与管理工作,确保工作的有序进行。
5.2 制度监督:部门主管应对设备的维护与管理工作进行监督,核查工作的执行情况,并及时提出改进意见和建议。
1.设备全生命周期管理1.1基本概念传统的设备管理(Equipment management)主要是指设备在役期间的运行维修管理,其出发点是设备可靠性的角度出发,具有为保障设备稳定可靠运行而进行的维修管理的相关内涵。
包括设备资产的物质运动形态,即设备的安装,使用,维修直至拆换,体现出的是设备的物质运动状态。
资产管理(Asset management)更侧重于整个设备相关价值运动状态,其覆盖购置投资,折旧,维修支出,报废等一系列资产寿命周期的概念,其出发点是整个企业运营的经济性,具有为降低运营成本,增加收入而管理的内涵,体现出的是资产的价值运动状态。
现代意义上的设备全寿命周期管理,涵盖了资产管理和设备管理双重概念,应该称为设备资产全寿命周期管理(Equipment-Asset life-cycle management)更为合适,它包含了资产和设备管理的全过程,从采购,(安装)使用,维修(轮换)报废等一系列过程,即包括设备管理,也渗透着其全过程的价值变动过程,因此考虑设备全寿命周期管理,要综合考虑设备的可靠性和经济性。
1.2.设备全寿命周期管理的任务以生产经营为目标,通过一系列的技术,经济,组织措施,对设备的规划,设计,制造,选型,购置,安装,使用,维护,维修,改造,更新直至报废的全过程进行管理,以获得设备寿命周期费用最经济、设备综合产能最高的理想目标。
1.3.设备全生命周期管理阶段设备的全寿命周期管理包括三个阶段(1. 前期管理设备的前期管理包括规划决策,计划,调研,购置,库存,直至安装调试,试运转的全部过程。
(1) 采购期:在投资前期做好设备的能效分析,确认能够起到最佳的作用,进而通过完善的采购方式,进行招标比价,在保证性能满足需求的情况下进行最低成本购置。
(2) 库存期:设备资产采购完成后,进入企业库存存放,属于库存管理的范畴。
(3) 安装期:此期限比较短,属于过渡期,若此阶段没有规范管理,很可能造成库存期与在役期之间的管理真空。
全生命周期设备管控体系1. 引言本文档旨在详细阐述全生命周期设备管控体系,该体系致力于实现对设备从选型、采购、安装、运行、维护到报废的全方位、全过程管理,以确保设备安全、高效、稳定运行,提高企业核心竞争力。
2. 体系概述全生命周期设备管控体系涵盖设备管理的各个阶段,通过建立健全的管理制度、优化流程、规范操作、强化监督,实现设备管理的全闭环,降低设备故障率,延长设备使用寿命,降低企业运营成本。
3. 体系架构全生命周期设备管控体系分为以下几个层级:- 战略规划层:根据企业发展战略,制定设备管理策略和规划。
- 采购选型层:根据生产需求,选型采购适合的设备。
- 安装调试层:确保设备安装到位,并进行调试以确保设备正常运行。
- 运行维护层:对设备进行日常巡检、保养、维修,确保设备安全运行。
- 性能优化层:通过技术改造、工艺优化,提高设备性能。
- 报废处置层:对达到使用寿命的设备进行报废处理,确保环保、安全。
4. 关键环节管控措施4.1 战略规划层- 制定设备管理战略,明确设备管理目标、方向。
- 结合企业生产需求,制定设备采购、改造、更新计划。
4.2 采购选型层- 建立设备选型标准,包括性能、价格、售后服务等。
- 开展市场调研,筛选优质设备供应商。
- 采用招投标等方式,确保采购过程公开、公平、公正。
4.3 安装调试层- 制定详细的设备安装方案,确保安装过程安全、高效。
- 设备安装完成后,进行调试,确保设备性能达到预期。
- 对操作人员进行培训,确保熟练掌握设备操作技能。
4.4 运行维护层- 建立设备日常巡检、保养、维修制度,确保设备正常运行。
- 定期对设备进行故障排查,降低故障率。
- 建立设备档案,记录设备运行状态、维修历史等信息。
4.5 性能优化层- 开展设备技术改造,提高设备性能、效率。
- 优化生产工艺,降低能耗,提高产品品质。
4.6 报废处置层- 建立设备报废标准,明确报废条件、流程。
- 设备报废后,及时进行环保、安全处理。
医疗设备的生命周期流程管理医疗设备的生命周期流程管理一、医疗设备的机房建设保证医疗设备正常运行的好首要条件是功能齐全、和的机房,这对于大型医疗设备尤为重要。
大型医疗设备机房的设计施工要求很高,经费投入非常高,在设备位置确定、设备安装完成之后如果出现了问题,再对机房进行改动是非常困难的。
所以,做好大型医疗设备机房建造工作具有特别重要的意义。
例如,购入一套先进的智能·全网络·一体化手术室,购置过程中要选择优秀的供货商、合格上市的产品等,购入后,应要求供应商安排专业工程师到现场进行实时指导跟进或代理设计施工、安装,同时安排己方人员跟进并接受培训。
防止意外事故发生。
安装完毕后,还要做好实时与供应商联系汇报试用情况、操作细则和后期管理与维护等工作。
(一)机房的规则大型医疗设备的建造要根据医院的实际情况出发,以满足设备使用要求,方便患者诊疗为目的,充分考虑人流、物流、医疗功能布局和医院的长远发展需要,积极听取设备制造商、使用科室和有关主管部门的意见,在充分调动和论证的基础上,制订出切实可行的规划方案。
在机房的规划过程中,我们可以从机房的合理性、机房的规范性两方面去考虑。
(二)机房的设计和施工1.建筑空间要求2.电源要求3.接地要求4.电磁屏蔽要求5.射线防护要求6.温度、湿度和洁净度要求7.施工要求8.验收要求二、医疗设备的点验与安装医疗设备是各级医院每年资金投入和产出的重点,也是临床、教学和研究三个方面结合的必备条件。
(一)医疗设备验收前准备接收到医疗设备后,使用单位要安排专人或培训专职技术人员,熟悉厂商提供的技术资料。
必要时要求厂商安排人员到现场指导跟进。
对于精密贵重仪器和大型设备,医院要派专人按照所购仪器设备对环境条件的要求,做好试机天剑的前期准备工作。
在搬运到指定位置时,相关人员要做好管理和监督工作,防止搬运过程中发生不必要的意外。
(二)内外包装检查接收到设备时与厂商核对包装上是否有相关的标志、名称、型号,并且要仔细核对是否与采购的品牌相同,同时还要检查包装是否完整,有无报损变形,碰撞损害、雨水侵湿等情况。
设备全寿命期管理手册1. 引言设备全寿命期管理(Total Equipment Life Cycle Management,TELCM)是一种集成的管理方法,旨在通过综合考虑设备从选型、采购、安装、运行、维护、改造到报废的整个生命周期,以实现设备性能最优化、成本最小化和风险可控化。
本手册旨在为设备管理人员提供一套系统、全面的设备全寿命期管理指南,以确保设备在整个生命周期内的高效运行和价值最大化。
2. 设备全寿命期管理原则设备全寿命期管理应遵循以下原则:1. 预防为主,防治结合:提前识别和预防潜在故障,降低故障率,延长设备使用寿命。
2. 全寿命周期成本最优:综合考虑设备采购、安装、运行、维护、改造和报废等各个阶段的成本,实现全寿命周期成本最小化。
3. 风险可控:对设备运行过程中可能出现的风险进行识别、评估和控制,确保设备安全可靠运行。
4. 持续改进:不断总结和积累设备管理经验,优化设备管理流程,提高设备管理水平。
3. 设备全寿命期管理流程3.1 设备选型与采购1. 需求分析:明确设备用途、性能要求、技术参数等。
2. 市场调研:了解国内外设备供应商,对比设备性能、价格、售后服务等。
3. 选型决策:根据需求分析和市场调研,确定设备型号、供应商。
4. 采购合同:签订采购合同,明确设备交付时间、质量要求、售后服务等。
3.2 设备安装与调试1. 设备验收:验收设备外观、性能、配件等。
2. 设备安装:按照安装图纸和规范进行设备安装。
3. 调试与验收:调整设备参数,确保设备达到设计要求。
4. 培训与移交:对操作人员进行培训,完成设备移交。
3.3 设备运行与维护1. 操作规程:制定设备操作规程,明确操作要求、安全注意事项等。
2. 日常巡检:定期进行设备巡检,记录设备运行状态。
3. 定期保养:按照保养计划,对设备进行保养,更换易损件。
4. 故障处理:及时处理设备故障,分析故障原因,制定预防措施。
3.4 设备改造与升级1. 改造需求:根据设备运行情况,提出设备改造需求。
设备全周期管理流程1. 引言设备全周期管理是指在设备的整个生命周期中,对设备进行全面、系统的管理和维护。
它包括设备的采购、安装、使用、维修和报废等各个阶段。
本文将介绍设备全周期管理的流程,并提供简单的策略以避免法律纠纷。
2. 流程概述设备全周期管理的流程可以分为以下几个主要步骤:2.1 设备采购- 确定设备需求:根据实际业务需要,确定所需设备的规格、功能和数量。
- 选择供应商:通过评估供应商的信誉、产品质量和售后服务等方面,选择合适的供应商。
- 签订采购合同:与供应商签订正式的采购合同,明确设备的技术参数、交付时间和支付方式等条款。
2.2 设备安装与调试- 安装设备:按照设备的安装要求,进行设备的安装和调试工作。
- 进行测试:对安装完成的设备进行测试,确保其正常工作和符合要求。
2.3 设备使用与维护- 设备操作培训:为使用设备的员工提供必要的操作培训,确保其能正确、安全地操作设备。
- 定期维护:制定设备定期保养和维护计划,定期进行设备的检查、保养和维修工作,以延长设备的使用寿命和确保其正常运行。
2.4 设备报废与更新- 设备报废评估:对设备进行定期的评估,判断其是否需要报废或更新。
- 设备报废处理:根据评估结果,对需要报废的设备进行合规的处理,包括销毁、回收或出售等方式。
- 设备更新:根据业务需求和设备的技术发展状况,及时进行设备的更新和替换。
3. 简单策略为避免法律纠纷和复杂的法律问题,我们建议在设备全周期管理中采取以下简单策略:3.1 合规采购- 确保采购合同明确设备的技术参数、交付时间和支付方式等重要条款。
- 对供应商进行充分的评估和尽职调查,选择信誉良好、产品质量可靠的供应商。
3.2 定期维护与保养- 制定设备定期保养和维护计划,并按计划进行设备的检查、保养和维修工作。
- 建立设备使用记录,及时记录设备的维护情况和操作人员,以备查证。
3.3 设备报废处理- 遵守相关法律法规,对需要报废的设备进行合规的处理,确保环保和信息安全。
1、目的:建立生命周期管理流程规范设备管理。
2、适用范围:公司各部门。
3、责任人:设备管理员。
4、 流程图设备购置申请用户需求URS非标设备 标准设备1-1设备生命周期管理图4.1、设备购置计划4.1.1、职责归属:公共系统归保障部,检验设备归质检部,生产辅助设备归生产部门提出申购需求。
4.1.2、填写设备申购单应写明设备购置原因,例:生产需要?研发?生产效率?设备更新?4.1.3、对于设备投资计划,由相应职能部门根据需求发起项目。
项目立项需纳入变更控制程序以评估GMP风险并跟踪实施过程,经批准立项。
4.2、用户需求(URS)4.2.1、职责归属4.2.1.1、设施、设施支持系统、公共工程系统的URS由保障部负责编写。
4.2.1.2、生产工艺设备的URS由负责该项工作分属的生产部、设备部专业经理和直接操作人员编写。
4.2.1.3、实验室检测仪器的URS由负责该项工作分属的生产部、和质量部专业经理和直接操作人员编写。
4.2.2、用户需求内容要求4.2.2.1、工艺设备情况介绍此项应由编写用户需求(URS)人员根据需求的设备/设施的项目进行详细描述。
主要涉及所需求的设备/设施的目的、功能、用途和所处环境等方面。
4.2.2.2、文件的范围和目的供应商应该提供商品的标准技术性文件证明。
尤其是供货的设备及控制系统,与标准文件和该用户需求的异同之处。
非标设备除外。
例:①工艺方面的用户需求工艺过程流程图产量规格型号工作环境主要特点②机械方面的用户需求概述设备/设施机械部分系统图配套公用设施材质要求表面处理电器设备设备/设施布局图工艺设备接口③交货范围等方面的需求自动控制方面的用户需求,供应商必须提供设备自动控制过程的工艺描述和功能标准和操作的详细说明书和方案,以证明所提供的自动控制系统是符合GMP和相关国外GMP及专业规范的要求。
④安全报警、运行参数、与设备的接口、技术系统要求、可编程控制器、人机界面、贮存、打印等。
设备全生命周期的管理方法简介设备全生命周期管理是指从设备的采购、安装、使用到报废,全程对设备进行有效管理和维护,以确保设备的正常运行和延长使用寿命。
本文将介绍设备全生命周期的管理方法。
采购阶段- 在采购阶段,应根据实际需求进行设备选型,并严格遵循公司的采购流程和规定。
- 在与供应商洽谈时,应明确设备的规格、性能、价格、交付时间等关键信息,并签订正式的采购合同。
- 在采购设备之前,应进行充分的市场调研,了解设备的质量和可靠性,并参考其他用户的评价和推荐。
安装与调试阶段- 在设备安装前,应制定详细的安装计划和流程,并由专业的技术人员进行安装和调试。
- 在安装过程中,要确保设备与其他设备和系统的兼容性,避免出现冲突或故障。
- 完成安装后,应进行全面的功能测试和性能验证,确保设备可以正常运行,并记录相关数据和结果。
使用与维护阶段- 在设备投入使用后,应建立完善的设备档案和台账,记录设备的基本信息、维修记录、保养计划等。
- 定期对设备进行维护和保养,包括清洁、润滑、更换易损件等,确保设备的良好状态和稳定性。
- 对设备进行定期检查和维修,及时发现并解决设备故障和问题,避免其对工作造成影响。
报废与处置阶段- 当设备达到预定的使用寿命或无法修复时,应制定相应的报废计划,并按照相关法律法规进行设备的处置。
- 在报废前,要进行设备的彻底清理和注销,确保设备中的敏感信息不会泄露。
- 对于可以回收利用的设备部件和材料,应进行分类处理,尽量减少对环境的影响。
结论设备全生命周期的管理方法是确保设备正常运行和延长使用寿命的重要手段。
通过采购阶段的精选、安装与调试阶段的认真工作、使用与维护阶段的规范操作以及报废与处置阶段的合规处理,可以最大程度地保证设备的可靠性和稳定性。
设备生命周期管理系统流程Managing the lifecycle of equipment is crucial for businesses in order to ensure efficient operations and maintain assets in good working condition. 设备生命周期管理对企业来说至关重要,以确保高效运营并保持资产的良好工作状态。
The first step in the equipment lifecycle management process is the acquisition stage. This involves identifying the need for new equipment, conducting research, and evaluating potential options. Once a decision has been made on the specific equipment to be acquired, the procurement process begins. 设备生命周期管理流程的第一步是获取阶段,这涉及确定新设备的需求,进行研究和评估潜在的选项。
一旦确定了要获取的具体设备,采购过程就开始了。
After the acquisition stage, the next phase is the deployment and installation of the equipment. During this stage, it is important to ensure that the equipment is installed correctly and according to specifications to prevent any issues or malfunction. It is also crucial to train employees on how to use the equipment properly. 获取阶段之后,下一个阶段是设备的部署和安装。
单体设备的全寿命周期管理处理流程全文共5篇示例,供读者参考单体设备的全寿命周期管理处理流程篇1一、设备基础技术管理制度加强设备技术管理,为设备管理提供管理资料、技术信息和考核依据,特制定本制度。
本设备的技术基础管理主要包括设备标准化、设备管理定额、设备技术档案、设备技术台帐图纸资料等工作。
二、设备标准1.设备标准包括技术标准和管理标准。
设备的设计、制造、安装、使用、维护、检修和报废等环节,我厂应认真贯彻执行国家标准和行业标准。
2.设备技术管理标准,应根据设备用、管、修、造的需要,制定出设备操作规程、设备维护保养规程设备检修规程、设备制造工艺规程以及相应的安全技术等规程。
设备管理标准,应根据设备管理工作内容制定工作程序,并根据各级责任制,制定相应的工作标准。
我厂制定标准时,应该认真总结我厂工人,技术人员的实践与吸收国内先进经验相结合,经过充分讨论,最后交厂部批准颁发实施。
三设备管理定额1.设备管理定额主要有设备设备检修周期定额、检修工期定额、检修工时定额、维修费用定额,流动资金定额和备品配件、材料的消耗、贮备定额。
我厂应保持定额的严肃性,定额的制定和修改需严格执行有关审批程序。
2.我厂应建设执行定额和严格考核定额标准制度。
对执行结果应有记载并定期进行综合分析。
四设备技术档案1.设备技术动力科要有全厂主要设备的技术的档案,车间要有本车间全部的设备技术档案。
设备技术档案内容包括:(1)目录(2)安装使用说明书。
设备制造合格证及压力容器质量证明书、设备调试记录等。
(3)设备履历卡片。
设备编号、名称、主要规格、安装地点、投产日期、附属设备的名称与规格、操作运行条件、设备变动记录等。
(4)设备结构及易损件图纸。
(5)设备运行时间累计。
(6)设备检修、试验与鉴定记录。
(7)历年设备缺陷及设备事故记录。
(8)设备评级记录。
(9)设备润滑记录。
2.基础建设、技术措施、安全措施等项目投产后,安装试车记录、说明书、检验证、试验记录等技术文件应归入设备技术档案。
自动化设备的生命周期管理一、引言随着科技的不断进步和社会的快速发展,自动化设备在各个行业中的应用越来越广泛。
然而,随之而来的是对设备生命周期管理的需求日益增长。
本文将探讨自动化设备的生命周期管理,包括设备采购、安装调试、运行维护和退役报废等方面的内容,并提出相关的建议和措施,以实现自动化设备的有效管理和优化运营。
二、设备采购设备采购是自动化设备生命周期管理的第一步。
为了满足企业的生产需求,采购部门需要根据项目需求、技术要求和预算限制,选择适合的自动化设备供应商。
在采购过程中,需要特别关注以下几个方面:1.技术评估:根据自动化设备的功能、性能和可靠性要求,对供应商的技术实力进行评估,并选择具备相应实力的供应商。
2.价格与成本:除了设备采购费用外,还需要考虑后期的运维成本、维修费用和更新升级的成本等,以综合成本为考量标准,选择符合企业实际情况的供应商。
3.售后服务:供应商需要提供完善的售后服务,包括设备安装指导、调试培训、设备保修和技术支持等,以保障设备运行的稳定性和可靠性。
三、安装调试设备采购完成后,需要进行设备的安装和调试。
在安装调试阶段,需注意以下几点:1.合理规划:根据设备的规格和工艺要求,合理规划设备的布局和安装位置,确保设备之间的协同工作,并方便后期的维护和保养。
2.操作手册:提供详细的设备操作手册,包括设备的安装说明、调试步骤和操作方法等,以帮助操作员快速掌握设备的使用技巧。
3.安全检查:在设备安装完成后,进行全面的安全检查,确保设备符合相关法规和标准要求,防止安全隐患和事故的发生。
四、运行维护设备正常运行需要进行定期维护和保养。
以下是一些关键的运行维护步骤:1.设备巡检:定期对设备进行巡检,检查设备的运行状态、传感器的准确度、阀门的密封性等,及时发现问题并进行修复。
2.设备润滑:根据设备的要求和操作手册,定期给设备进行润滑,保证设备的正常运转和延长使用寿命。
3.备件管理:建立完善的备件管理体系,及时补充设备所需的备件和易损件,以应对突发故障和设备故障的修复。
设备全周期管理流程1. 简介设备全周期管理是指对设备从购置到报废的整个生命周期进行有效管理的流程。
本文档旨在介绍设备全周期管理的流程,并提供简单而无法律复杂性的策略。
2. 流程概述设备全周期管理包括以下主要流程:2.1 设备购置- 确定设备需求和规格- 寻找合适的供应商- 进行设备采购和交付2.2 设备使用- 对设备进行安装和调试- 进行设备操作和维护- 定期进行设备检查和保养2.3 设备维修- 设备故障时及时维修- 确保设备维修记录的完整和准确性- 定期进行设备维修保养2.4 设备报废- 制定设备报废标准和程序- 对不再能够正常使用的设备进行报废处理- 确保设备报废记录的准确性和合规性3. 策略建议为了简化设备全周期管理流程并避免法律复杂性,以下是策略建议:- 确保设备采购合同明确规定设备规格、数量、价格和交付时间等关键信息。
- 建立设备使用手册和操作规范,以确保设备正确使用和维护。
- 定期检查设备运行状态,及时发现并修复故障,避免设备停机造成的生产损失。
- 建立设备维修记录和保养计划,保证维修和保养工作的及时性和规范性。
- 制定明确的设备报废标准和程序,确保报废的设备符合相关法律法规要求。
4. 注意事项在设备全周期管理流程中,需要注意以下事项:- 遵守相关法律法规,确保设备采购、使用、维修和报废的合规性。
- 保护设备信息安全,防止设备数据泄露和丢失。
- 定期评估设备管理流程的有效性和改进空间,持续优化设备管理效果。
以上为设备全周期管理流程的简要介绍和策略建议,通过遵循简单策略和避免法律复杂性,可以有效管理设备的整个生命周期。
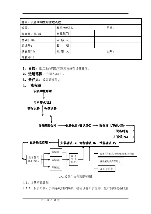
题目:设备周期生命管理流程编号:起草/修订人: 日期: 版本号:第 版审核部门 生效日期:审 核 人 原编号:日 期颁发部门:批 准 人 日期: 分发部门 1、目的:建立生命周期管理流程规范设备管理。
2、适用范围:公司各部门 。
3、责任人:设备管理员。
4、 流程图设备购置申请用户需求URS非标设备 标准设备设备采购合同 设备设计/确认(DQ) 设备设计/确认(DQ)设备制造工厂验收FAT设备验收启用1-1设备生命周期管理图4.1、设备购置计划4.1.1、职责归属:公共系统归保障部,检验设备归质检部,生产辅助设备归生设备使用维护维修 设备停用 设备转移 设备改造 设备变更控 制 安装确认IQ 运行确认 OQ 性能确认 PQ 设备技术信息/预防维修/仪表校验 备件采购及库存计划 设备资料归产部门提出申购需求。
4.1.2、填写设备申购单应写明设备购置原因,例:生产需要?研发?生产效率?设备更新?4.1.3、对于设备投资计划,由相应职能部门根据需求发起项目。
项目立项需纳入变更控制程序以评估GMP风险并跟踪实施过程,经批准立项。
4.2、用户需求(URS)4.2.1、职责归属4.2.1.1、设施、设施支持系统、公共工程系统的URS由保障部负责编写。
4.2.1.2、生产工艺设备的URS由负责该项工作分属的生产部、设备部专业经理和直接操作人员编写。
4.2.1.3、实验室检测仪器的URS由负责该项工作分属的生产部、和质量部专业经理和直接操作人员编写。
4.2.2、用户需求内容要求4.2.2.1、工艺设备情况介绍此项应由编写用户需求(URS)人员根据需求的设备/设施的项目进行详细描述。
主要涉及所需求的设备/设施的目的、功能、用途和所处环境等方面。
4.2.2.2、文件的范围和目的供应商应该提供商品的标准技术性文件证明。
尤其是供货的设备及控制系统,与标准文件和该用户需求的异同之处。
非标设备除外。
例:①工艺方面的用户需求工艺过程流程图产量规格型号工作环境主要特点②机械方面的用户需求概述设备/设施机械部分系统图配套公用设施材质要求表面处理电器设备设备/设施布局图工艺设备接口③交货范围等方面的需求自动控制方面的用户需求,供应商必须提供设备自动控制过程的工艺描述和功能标准和操作的详细说明书和方案,以证明所提供的自动控制系统是符合GMP和相关国外GMP及专业规范的要求。
④安全报警、运行参数、与设备的接口、技术系统要求、可编程控制器、人机界面、贮存、打印等。
4.2.3、功能要求和质量标准描述工艺设备需达到的性能功能的需求和相应的质量标准。
例如:轧盖机的性能功能需求和质量标准。
无瓶止盖:100%轧盖成功率:99%轧盖破损率:≤0.01%轧盖效果:平滑、平整无毛刺轧盖气密性测试:100%4.2.4、技术规范的要求与工艺设备相关的法律法规和合规性的要求、工艺设备的备品备件、易耗品的要求、与工艺设备配套计量仪器(计数器)要求、对工艺设备噪音水平的要求、工艺设备文件要求、用户应该根据需求的质量要求列出变更完成时应提供的文件包清单,包括:图纸清单、数据清单、备品备件清单、使用和维护手册清单、验证方案和验证报告清单、证明文件清单等。
同时约定提供文件的时间。
4.2.5供货、现场安装及售后服务要求(此项目在验证中IQ实现)4.2.6应提供项目完善的资料档案4.2.7测试的要求应在需求中提出是否有对工厂生产地接受测试(IQ-FAT)的项目和安装地接受测试(IQ-SAT);4.2.8提供完整的验证文件设计确认、安装确认和运行确认方案及记录、现场操作和维护保养的培训要求、工艺设备的清洗消毒要求、对工艺设备购置合同的信息要求在签订购置合同中至少要求供应商提供以下信息:工艺流程图/安装操作图;设备部件规格;标有设备部件位置和主要尺寸的布局图;材料的标准和处理标准(若供应商不自生产应提供第三方加工者提供的相关标准);主要部件的尺寸和重量;交货时间;测试时间(FAT、SAT)计划表;操作培训;电源和其它配套公用设施参数等。
4.3、设备采购4.3.1、职责归属,设备采购归采购部门负责组织相关人员商讨采购。
4.3.2、设备采购流程图1-2采购流程图4.4设备设计、确认。
4.4.1职责归属生产部、保障部起草,设计确认方案。
质量部,审核确认方案、组织确认方案实施。
质量主任,批准方案,批准确认报告。
4.4.2确认内容4.4.2.1阐述设备基本作用4.4.2.2设计确认目的确认供应商对本设备设计符合中国GMP标准,技术性能参数、主要功能和结构特征符合本公司制定的URS。
符合国家,行业,企业标准与同类产品相比有明显技术性能和质量优势。
4.4.2.3确认人员培训内容本次确认的内容及GMP对其的要求,本公司URS的要求,确认依据的规范和标准,确认方法及实施步骤和进度计划安排。
4.4.2.确认设备的基本工艺参数描述,对设备设计的功能,技术特点,性能参数确认;对设备的材质和光滑度的确认;对设备的部件及配置的确认;对工艺流程图的设计确认;对安装平面布置图的设计确认;对设备结构设计详细说明,制造商质量控制标准的确认;对动力能耗指标确认,设计确认最终的结果与偏差。
4.5设备制造,工厂验收测试(FAT)4.5.1职责归属,双方派有经验的工程师共同参与。
4.5.2 FAT包括指定的系统功能测试、稳定性测试、可能性测试。
FAT按双方在设计联络会上确定的时间进行。
4.5.3在FAT时,卖方应提供用于检测、维护测量试验和记录等必要的设备。
4.5.4FAT时,卖方应提供全部场地设施和模拟的现场环境。
4.5.5卖方负责系统的安装和调试。
4.5.6买卖双方均应派有经验的工程师参与FAT。
工厂验收测试(FAT)具体应包括一下内容:①检测系统与相关系统的通信组态功能;检测设备的外观、喷漆、电缆的外壳和接头;检测所有的设备是否完整,是否按照设备清单打上标记,是否按照图纸布置机柜和端子,检测出厂流水号;确认所有的量程、图表、铭牌等是否正确;检测所有的连接电缆、插头和插座、接线端子、印刷电路板等是否有清晰的标记;检测电源单元接线是否正确,标记是否清楚,电源输入电压是否正确。
②根据图纸检查电源和接地情况;断开交流电源,检查直流输出端与机柜是否为开路;检查机柜是否牢固接地,检查本安接地;接上交流电源,检查各直流电压是否正确;检查所有的冷却风扇的功能;通过模拟各种故障检查系统自珍功能;运行系统诊断程序,检查诊断功能;各子系统之间的通讯功能及协议;检查系统的组态功能,如画面生成、控制回路生成、报表生成、数据库生成等。
4.6设备验收安装确认4.6.1职责归属,保障部:①负责编写安装确认方案和总结报告,合同约定安装确认方案由供应商负责编写,则协助供应商编写安装确认方案和总结报告;②责执行安装确认方案,根据需要提供测试数据,供有关部门审查;③负责收集工程文件(图纸)、数据收集到报告中,并上报批准;④负责核对将来工艺所需的设备关键参数,协调各个部门;生产部:①负责配合保障部完成确认,检查验证项目是否完成;②负责参与安装确认方案的编写、提供相关数据;质量部:①负责审核安装确认方案;②负责审核最终报告,确保全部验收标准应得到满足;③负责监督全过程,确保安装确认全程及所有文件合规。
总工程师,质量授权人:负责确认方案,确认报告和偏差报告的批准。
供应商职责:①负责按合同约定提供安装确认草案;②负责按合同约定提供安装确认所需的相关技术文件和图纸资料;③负责按合同约定实施检查、安装、调试工作;4.6.2设备验收确认SAT4.6.2.1设备配置检查检查设备的所有配置元件是否与订货一致,应能满足机器性能要求的配置,是否符合配置清单要求;检查设备的配件、附件、模具是否完备,是否与订货和清单一致。
测量机器外形尺寸,内部结构是否与订货合同一致。
(特别是己方提出特定的要求);检查所有资料是否符合上述要求;4.6.2.2外观结构及材质检查机器上的标牌和表示是否齐全,触摸屏界面是否与合同要求一致,语种必须为中英对照或者其它。
整机所有部件必须安装完整齐全,内、外表面抛光一致,平整光滑、易于清洁、不脱落微粒、不隐藏污染物、不污染药品,无毛刺锈蚀、划痕、凹凸焊缝平整光滑,无焊点、黑疤,涂漆表面完整、均匀、光亮,无色斑、滴挂、脱落现象,安装整齐美观,无变形,开关灵活,包括控制箱门四周加硅胶垫,箱内无焊点、四周无毛刺,整机清洁靓丽。
所有操作按钮、开关、指示灯部件标示必须清楚,所有旋转部件如电机、手轮、转盘、调节旋钮必须标示方向,所有外接介质如电源、控制线路插头,进出水管、压缩空气真空必须标识并注明规格要求,如电压、压缩空气压力、真空度及用量等。
机器上有醒目的电气接地标识和其它运行安全警告,如谨防烫伤,小心轧手等等。
机器各运转、传动部分调试前必须按规定加润滑油,机器润滑部位必须油润滑点标识。
机器表面非不锈钢部分必须做防锈处理,各传动、紧固件必须定位准确、牢固,无松动。
设备各部分材质必须符合要求,与药品直接接触的部件应为316L不锈钢制作,采用氩弧焊,焊接后必须抛光处理,盛装物料的容器、设备必须抛光,硅胶、布袋等材料应符合GMP要求。
整机电气线路、工艺管路必须布局合理、安装有序,各线孔需要有橡胶护套,电线需穿线管,接头须符合电气要求,线路需有标号,各电气件需贴标识。
各种规格的附件、备件、模具必须标明规格,且材质必须符合各自质量要求,装箱前检查验收后清洁上油,包装后有名称、规格、数量明细表。
4.6.3安装确认内容IQ4.6.3.1场地、环境、公用设施确认确认设备、设施安装地点,所处的厂房的洁净级别,温度和相对湿度要求,通风和除尘要求,可以根据这些要求来确认安装环境的合适性,还需要检查使用中所排放的废弃物,有毒有害气体是否符合环保要求,检查相应的公用设施和建筑设施的配套(如房间层高,地面承压的要求),检查公用工程系统(主要是水电气系统)与设备设施是否匹配,辅助配套设施是否完备,能否支持设施设备的正常运行。
4.6.3.2技术资料确认检查确认到货的实物与订货单、发货单及安装确认文件描述一致:审核供应商提供的图纸、设备清单、证书、说明书或手册(安装手册、维护手册、操作说明和排障手册等)及所有安装的相关的记录(包括安装、培训人员资质证明材料),如果适用,还包括工厂验收测试(FAT)的结果;检查是否有材质、压力容器、阀门、钝化等合格证明。
①部件、备件确认列出必须部件清单和备件清单,或附上该设备、设施的备件清单复印件,确认所有用户需求说明中提及的部件、备件与实物及发货单相符。
②与药物直接接触面材料确认应要求制造商递交说有材质证明书,并可追溯至原制造商,通过文件对比确认该设备与药品直接接触的表面所用的材料及润滑剂使用符合设计标准和适于预期用途。