电气接地电阻测试记录(统表)
- 格式:doc
- 大小:156.00 KB
- 文档页数:37
接地电阻测验记录1. 背景与目的接地电阻测验是建筑物、设备、机械等电气设施的检查维护中必不可少的一项内容。
在日常使用中,建筑物、设备的接地会因为各种原因(如氧化、老化等)导致接地电阻值增加,导致接地效果不好,甚至存在安全隐患。
因此,接地电阻测验的目的是检测接地电阻值是否符合标准要求,及时发现和排查安全隐患,保证构筑物及设备的运行安全。
2. 测验设备与方法2.1 设备•电源:20V直流电源;•万用表:正负极测量精度为1mΩ;•测试线:2根红黑线,长度大于1.5m;•夹具:电极直径小于10mm,夹勾长度大于50mm,接触面积大于1平方厘米;2.2 方法•选择测试点:确保测试点与设备的接地电源有电气绝缘,测试点连接地线后,地线不能与其他线路连接;•清洁测试点:使用擦拭工具除去表面氧化物或者灰尘等污垢;•测量电阻值:将电源的正负极连接到测试点和地线,将万用表连接到夹具上面,测量出接地电阻值;•重复测量:每个测试点至少测量三次,取平均值,排除不合格的测量值;3. 测验记录测验点测试时间接地电阻测量(Ω)测量人员1号测试点2022-10-10 09:00:00 0.25 张三2号测试点2022-10-10 09:30:00 0.23 李四3号测试点2022-10-10 10:00:00 0.22 王五4. 结论与建议经过以上的测试,可以得出以下结论:•测试结果表明,所有测试点的接地电阻值都符合标准要求,没有发现安全隐患;•但是,为了进一步提升安全保障效果,建议每半年或一年对设备和机械等电气设施进行一次接地电阻测验,对发现的问题及时逐一解决,确保设备和机械的安全运行。
5. 参考文献•GB50057-2010 工业建筑地基基础设计规范•JGJ/T162-2019 外观检查、设备运行试验和检验规程•DL/T 936-2004电力建设工程接地工程验收规程6. 结语以上是本文的接地电阻测验记录,希望可以帮助到有需要的人,确保建筑物和设备的安全运行,避免因接地电阻不良导致的安全事故发生。
附件:工程施工现场应急预案及安全保证措施一、编制原则1、以人为本,安全第一原则。
把保障人民群众生命财产安全,最大限度地预防和减少突发事件所造成的损失作为首要任务。
2、统一领导,分级负责原则。
在本项目部领导统一组织下,发挥各职能部门作用,逐级落实安全生产责任,建立完善的突发事件应急管理机制。
3、依靠科学,依法规范原则。
科学技术是第一生产力,利用现代科学技术,发挥专业技术人员作用,依照行业安全生产法规,规范应急救援工作。
4、预防为主,防止结合原则。
认真贯彻安全第一,预防为主,综合治理的基本方针,坚持突发事件应急与预防工作相结合,重点做好预防、预测、预警、预报和常态下风险评估、应急准备、应急队伍建设、应急演练等项工作。
确保应急预案的科学性、权威性、规范性和可操作性。
二、编制目的1、应急预案应针对那些可能造成企业、系统人员死亡或严重伤害、设备和环境受到严重破坏的突发性灾害,如触电事故、泥石流灾害、火灾、环境破坏等。
2、应急预案是对日常安全管理工作的必要补充,应急预案应以完善的预防措施为基础,体现“安全第一、预防为主”的方针。
3、应急预案应以努力保护人身安全、防止人员伤害为第一目的,同时兼顾设备和环境的防护,尽量减少灾害的损失程度。
4、应急预案应结合实际,措施明确具体,具有很强的可操作性。
5、应急预案应经常检查修订,以保证先进科学的防灾、减灾设备和措施被采用。
三、应急组织机构及职责1、应急组织机构为加强安全领导,进行系统化、网络化管理,项目部成立应急预案管理领导小组,项目经理任组长,项目总工程师、常务副经理、安全总监、项目副经理为副组长,各职能部门负责人、安全环保部安全员、各施工队专职安全员、施工队队长为组员,负责日常的安全管理工作。
2、应急领导小组职责负责重、特大事故的现场应急抢险救援指挥,对施工现场突发性情况进行技术、资金和设备支持,在施工现场发生重特大事故时以最快的时间达到现场,分析紧急状态和确定风险事故级别,负责分部和有关地方管理部门、组织、机构联络和报告事故情况,制定抢险救援的方案措施,领导现场应急抢险救援工作,确定紧急状态的解除,协助事故原因的调查和处理工作。
燃气发电-电气接地电阻测试记录
1. 测试信息
- 测试日期:[填写测试日期]
- 测试地点:[填写测试地点]
- 测试仪表:[填写测试仪表型号]
2. 测试目的
本次测试旨在确认燃气发电设备的电气接地电阻是否符合相关安全规范标准。
3. 测试步骤
1. 确保燃气发电设备处于停止运行状态,并断开电源。
2. 将测试仪表的电极接地线连接到燃气发电设备的接地点。
3. 将测试仪表正确连接到燃气发电设备的测量端口。
4. 打开测试仪表,根据仪表指示进行电阻测试。
5. 记录测试结果,并与规范标准进行比对。
4. 测试结果
- 测试结果:[填写测试结果,包括电气接地电阻值]
- 结果判定:[填写测试结果是否符合规范标准]
5. 结论
根据本次测试结果,燃气发电设备的电气接地电阻符合/不符合相关安全规范标准。
6. 建议与改进
- 如果测试结果符合规范标准,建议进行定期检测,以确保电气接地电阻的稳定性。
- 如果测试结果不符合规范标准,建议采取适当的措施,如修复或更换接地装置,以提升电气接地电阻的有效性。
以上为燃气发电-电气接地电阻测试记录。
---
> 注意:本测试记录仅为参考,具体内容需根据实际情况进行调整与完善。
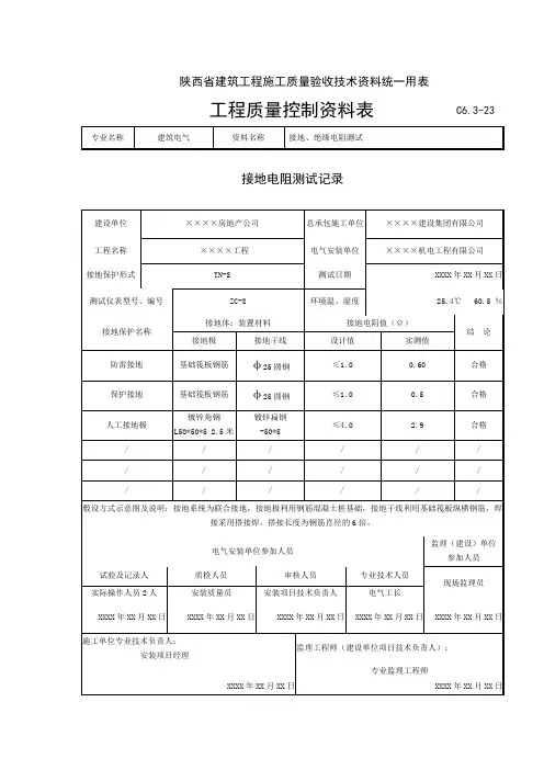
接地电阻测试记录表 E5-1编号:工程名称1#楼仪表型号ZC-8测试日期年月日计量单位Ω(欧姆)天气情况晴气温25℃□防雷接地□计算机接地□工作接地接地□保护接地□防静电接地□逻辑接地类型重复接地√综合接地□医疗设备接地□设计□≤10Ω□≤4Ω√≤ 1Ω要求□≤Ω?□≤Ω测试结论:经测试计算,接地电阻为Ω,符合设计要求和《建筑电气工程施工质量验收规范》(GB50303-2002)规定。
参施工单位加监理(建设)单位人技术负责人质检员施工员员签字本表由施工单位填写,建设单位、施工单位、城建档案馆各保存一份。
电气绝缘电阻测试记录表 E5-2工程名称计量单位仪表型号试验内容一层层数1AL3-1、路支路 1别、支路 2名称支路 3、支路 4编号支路 5测试结论:编号:1# 楼测试日期2015 年月日Ω( 欧姆 )天气状况晴ZC-7电压220V气温25℃相间相对零相对地零对地L 1-L 2L 2-L 3L 3-L 1L 1-N L 2-N L 3-N L1-PE L2 -PE L 3-PE N-PE750700700700 600650700700 700750750700 700700700700 750600650700经测试:线路绝缘良好,符合设计要求和(建筑电气工程质量验收规范)(GB50303-2002)的规定参施工单位加监理(建设)单位人技术负责人质检员施工员员签字本表由施工单位填写,建设单位、施工单位、城建档案馆各保存一份。
配电箱、插座、开关、灯具接线(接地)通电检查记录表 E5-3编号:工程名称1#楼施工单位系统名称(编号)检查时间年月日或层段序号检查项目型号安装数量检查数量检查情况或编号住宅总配电+2+B1-AL01 2 台 2 台配箱1电箱配电箱AL,ALa182 台182 台AP86KSGY110N520 个520 个照明器具开关KG31/1/2BY40 个40 个2空调控制开关单相二极KG426/10uS66 个66 个插单相三极3座三相四极或三相五极灯吸顶灯、442 盏442 盏YJD356-1X224安全出口270 盏270 盏具YJD201-1X8W标准灯检查结论参施工单位加监理(建设)单位人技术负责人质检员施工员员签字本表由施工单位填写,建设单位、施工单位、城建档案馆各保存一份。
如何填写电气接地电阻测试记录和电气绝缘电阻测试记录电气接地电阻测试记录是用于记录电气设备接地电阻测试过程中的测试数据和结果的一种记录表格。
下面我将以填写电气接地电阻测试记录为例,给出一个详细的步骤。
1.表头填写在表格的最上方填写测试记录的相关信息,包括:-项目名称:填写被测试设备或系统的名称;-测试日期:填写测试的具体日期;-测试人员:填写进行测试的人员姓名;-测试地点:填写进行测试的具体位置。
2.测试设备准备准备测试仪器和设备,包括:-接地电阻仪:确保它的电源充足,可以正常工作;-电源供给:确认试验电源的电压和频率符合要求;-测试线和夹具:确保测试线缆与夹具清洁、无损坏;-环境准备:确保测试环境安全和整洁。
3.接地电阻测量根据被测设备的不同,选择合适的测试方法,包括:-精确接地电阻法:适用于小地网、小接地体和低电阻值的测试。
-四线法和三线法:适用于大地网和高电阻值的测试。
对于每个测点,按照以下步骤进行接地电阻测量:-将测量仪器的测试线接入被测设备的接地线缆;-在测量仪器上选择相应的测试方法;-按下测量按钮开始测量,并等待测量结果稳定;-将测量结果记录在相应的表格中。
4.测量结果记录根据测量的数据,填写电气接地电阻测试记录表格的具体内容,包括:-测量序号:按照测点的顺序给测试数据编号;-测点名称:填写测点的具体位置或名称;-测量数值:将测到的接地电阻数值填写在表格中;-测量日期:记录该测点的测量日期;-测试人员:记录该测点的测量人员。
5.结果分析根据测量结果,对接地电阻的值进行分析,包括:-比较与标准值的差异:将实测值与标准值进行比较,判断是否符合要求;-分析异常值:对于异常值需要进行排查和维修。
6.完成表格完成所有测点的测试记录后,仔细核对数据的准确性和完整性,确保表格填写无误。
7.测试报告将填写完整的电气接地电阻测试记录整理成测试报告,包括:-报告标题:简明扼要地概括测试的目的和内容;-测试概述:对测试的整体结果进行总结和描述;-测试数据:将填写完整的电气接地电阻测试记录作为测试数据的展示;-结果分析:对测试结果进行详细的分析和解释;-结论和建议:根据测试结果提出相应的结论和建议。
填写说明
一、测试范围
1、联合接地、人工接地极、模块接地体
2、防雷接地
3、总等电位接
4、局部等电位接地
5、配电室内的接地系统
6、竖井内的接地干线
7、电缆的支架接地干线8、插接母线本体及支架的接地干线
9、电缆桥架支架的接地干线10、其他类型的接地系统
二、资料填写说明
1、所有的接地测试记录均应附简图,做出接地测试点的具体位置标识,并做简要说明。
2、“接地电阻值”应填写基础接地或联合接地的设计要求值。
3、“配电室的地极”填写“柱内主筋”“接地干线”填写敷设的一圈镀锌扁钢及规格;
在说明中注明如何连接及其可靠性,距地高度和距墙距离等。
4、“实测值”每一点均应有实测值,应逐一记录。
5、“测试仪表”按照工程实际使用的接地测试仪表的型号填写。
6、必须记录当天环境的温、湿度。
二、相关要求:
1、电气接地电阻测试仪表一般选用ZC-8型接地电阻测量仪。
2、接地电阻应及时进行测试,应在底板钢筋绑扎完成后进行测试。
3、利用人工接地体作为接地装置时,应在回填土前进行测试。
若阻值达不到设计规范
要求时应补做人工接地极。
4、防雷装置的接地电阻值,是指每年雨季以前开春以后测量的电阻值。
用所测的接地电阻值,乘以季节系数,所得结果即为实测接地电阻值。
接地电阻季节系数表。
电气工程接地电阻测试记录电气工程中的接地电阻测试是确保电设备的安全可靠运行的重要环节。
下面是一份接地电阻测试记录,供参考:一、测试概述接地电阻测试是用来测量工业和住宅电力系统的接地系统的电阻值,以确认其符合安全标准要求。
本次测试范围包括变电站、电缆线路、电力设备等。
二、测试仪器和设备1.接地电阻测试仪:型号XYZ-123,测量范围0.1Ω-200Ω。
2.测试线:标准测试线一套。
3.温度测量仪:型号ABC-456三、测试对象1.变电站接地系统:测试范围包括变电站主体结构的接地系统以及辅助设备(发电机、变压器等)的接地系统。
2.电缆线路接地系统:测试范围包括负荷电缆和备用电缆两部分的接地系统。
3.电力设备接地系统:测试范围包括发电机、变压器、断路器等设备的接地系统。
四、测试方法1.变电站接地系统测试:选择变电站主体结构中的2个测试点,测试线与地面保持水平放置,测试间距控制在10m以内,测量接地电阻值。
2.电缆线路接地系统测试:选择负荷电缆和备用电缆的不同截面位置,测试线与地面保持水平放置,测试间距控制在10m以内,测量接地电阻值。
3.电力设备接地系统测试:测试发电机、变压器、断路器等设备的接地电阻值,测试线与地面保持水平放置,测试间距控制在2m以内。
五、测试结果记录测试地点:XXX变电站测试日期:XXXX年XX月XX日1.变电站接地系统:测试点1:接地电阻值为0.5Ω测试点2:接地电阻值为0.3Ω2.电缆线路接地系统:负荷电缆:位置1:接地电阻值为0.6Ω位置2:接地电阻值为0.8Ω备用电缆:位置1:接地电阻值为0.4Ω位置2:接地电阻值为0.5Ω3.电力设备接地系统:发电机:接地电阻值为0.2Ω变压器:接地电阻值为0.2Ω断路器:接地电阻值为0.3Ω六、测试结论根据测试结果,变电站接地系统、电缆线路接地系统和电力设备接地系统的接地电阻值均符合安全标准要求,并且在合理的范围内。
无需进行进一步处理。
七、测试人员签名测试人员1:_______________测试人员2:_______________。
电气接地电阻测试记录1.实验目的本实验旨在测试电气接地电阻,以确保安全地使用电力设备。
2.实验仪器和材料(1)电缆测试仪(2)接地电极(3)测试线缆(4)计算机3.实验步骤(1)准备工作a.将接地电极埋设于地下,确保电极与土壤良好接触。
b.连接测试线缆至接地电极。
(2)连接电缆测试仪a.将测试线缆连接至电缆测试仪。
b.将测试线缆的另一端连接至接地电极。
(3)开始测试a.打开电缆测试仪,选择接地电阻测试功能。
b.根据测试仪的指示,选择合适的测试电流。
c.按下测试按钮,开始测试电阻。
d.等待测试结果显示在仪器上。
(4)记录测试结果a.将每次测试的结果记录在表格中。
b.包括测试日期、时间、测试地点等相关信息。
c.确保准确记录每次测试的数值。
(5)分析结果a.将测试结果转换为标准计量单位。
b.对测试结果进行分析,判断接地电阻是否符合安全标准。
c.如果接地电阻超出标准范围,需要采取措施改善接地系统。
(6)报告编写a.根据实验结果撰写实验报告。
b.报告应包括实验目的、仪器和材料、测试步骤、测试结果和分析。
4.实验注意事项(1)在实施测试前,确保测试仪器的准确性。
(2)使用合适的测试电流,不要超过设备承受范围,以免造成损坏。
(3)在测试过程中,确保测试线缆连接牢固,避免接触不良导致测试结果不准确。
(4)根据实际情况,选择合适的测试点进行测试。
(5)测试环境应保持清洁、干燥,避免测试结果受到影响。
5.实验结果分析根据测试结果我们可以分析接地电阻的情况,判断是否需要对接地系统进行改善。
符合安全标准的接地电阻范围通常在1欧姆以下,如果测试结果超出了这个范围,说明接地系统存在问题,可能导致电击、漏电等安全隐患。
6.结论通过电气接地电阻测试,我们可以及时了解接地系统的情况,并采取相应措施确保设备和人员的安全。
在测试过程中,我们需要注意测试仪器的准确性、测试电流的选择、测试线缆的连接等细节。
实验报告应包括实验目的、仪器和材料、测试步骤、测试结果和分析等内容,以便后续参考和改善。
电气接地电阻测试记录(统表)
电气接地电阻测试报验申请表
工程名称:安徽颖州经济开发区现代·翰林苑安置区1#楼编号:
电气接地电阻测试报验申请表
工程名称:安徽颖州经济开发区现代·翰林苑安置区2#楼编号:
电气接地电阻测试报验申请表
工程名称:安徽颖州经济开发区现代·翰林苑安置区3#楼编号:
电气接地电阻测试报验申请表
工程名称:安徽颖州经济开发区现代·翰林苑安置区4#楼编号:
电气接地电阻测试报验申请表
工程名称:安徽颖州经济开发区现代·翰林苑安置区6#楼编号:
电气接地电阻测试报验申请表
工程名称:安徽颖州经济开发区现代·翰林苑安置区6#楼编号:
电气接地电阻测试报验申请表
工程名称:安徽颖州经济开发区现代·翰林苑安置区7#楼编号:
电气接地电阻测试报验申请表
工程名称:安徽颖州经济开发区现代·翰林苑安置区8#楼编号:
电气接地电阻测试报验申请表
工程名称:安徽颖州经济开发区现代·翰林苑安置区9#楼编号:。