接地电阻测试记录表.doc
- 格式:doc
- 大小:147.50 KB
- 文档页数:4
接地电阻测试记录接地电阻测试记录工程名称:播州时代中心测试仪器型号:ZC一8测试仪器名称:电阻测试仪监测人:接地类别及要求:工作接地≤4Ω大型机械重复接地≤10Ω保护接地PE≤4Ω接地类别及标准阻值:工作接地≤4Ω大型机械重复接地≤10Ω保护接地PE≤4Ω编号接地位置或设备名称实测阻值(Ω)季节系数测试结果测试日期备注1 1#总电室 1.3 1.2 合格 2017年12月20日2 2#总电室 1.35 1.2 合格 2017年12月20日3 2#塔吊4 1.2 合格 2017年12月20日4 3#塔吊 3.9 1.2 合格 2017年12月20日5 4#塔吊 3.8 1.2 合格 2017年12月20日6 1号楼施工电梯 3.9 1.2 合格 2017年12月20日7 季节系数测试结果 3.5 1.2 合格 2017年12月20日8 2号楼施工电梯 3.8 1.2 合格 2017年12月20日9 3号楼施工电梯 3.6 1.2 合格 2017年12月20日10 4号楼施工电梯 3.5 1.2 合格 2017年12月20日13 4#塔吊 4.9 1.2 合格 2017年12月20日14 1号楼施工电梯 4.6 1.2 合格 2017年12月20日15 3 4.5 1.2 合格 2017年12月20日16 3.1 1.2 合格 2017年12月20日17 1.2 1.2 合格 2017年12月20日18 1.2 1.2 合格 2017年12月20日20 1.2 1.2 合格 2017年12月20日21 1.2 1.2 合格 2017年12月20日22 22#分箱 1.1 1.2 合格 2017年12月20日23 2号楼施工电梯 1.2 1.2 合格 2017年12月20日24 3号楼施工电梯 1.3 1.2 合格 2017年12月20日25 4号楼施工电梯 1.2 1.2 合格 2017年12月20日26 6号楼施工电梯 1.3 1.2 合格 2017年12月20日192#塔吊 1.4 1.2 合格 2017年12月20日备注:删除明显有问题的段落,改写了部分表格中的内容,使其更加清晰易读。
附件:工程施工现场应急预案及安全保证措施一、编制原则1、以人为本,安全第一原则。
把保障人民群众生命财产安全,最大限度地预防和减少突发事件所造成的损失作为首要任务。
2、统一领导,分级负责原则。
在本项目部领导统一组织下,发挥各职能部门作用,逐级落实安全生产责任,建立完善的突发事件应急管理机制。
3、依靠科学,依法规范原则。
科学技术是第一生产力,利用现代科学技术,发挥专业技术人员作用,依照行业安全生产法规,规范应急救援工作。
4、预防为主,防止结合原则。
认真贯彻安全第一,预防为主,综合治理的基本方针,坚持突发事件应急与预防工作相结合,重点做好预防、预测、预警、预报和常态下风险评估、应急准备、应急队伍建设、应急演练等项工作。
确保应急预案的科学性、权威性、规范性和可操作性。
二、编制目的1、应急预案应针对那些可能造成企业、系统人员死亡或严重伤害、设备和环境受到严重破坏的突发性灾害,如触电事故、泥石流灾害、火灾、环境破坏等。
2、应急预案是对日常安全管理工作的必要补充,应急预案应以完善的预防措施为基础,体现“安全第一、预防为主”的方针。
3、应急预案应以努力保护人身安全、防止人员伤害为第一目的,同时兼顾设备和环境的防护,尽量减少灾害的损失程度。
4、应急预案应结合实际,措施明确具体,具有很强的可操作性。
5、应急预案应经常检查修订,以保证先进科学的防灾、减灾设备和措施被采用。
三、应急组织机构及职责1、应急组织机构为加强安全领导,进行系统化、网络化管理,项目部成立应急预案管理领导小组,项目经理任组长,项目总工程师、常务副经理、安全总监、项目副经理为副组长,各职能部门负责人、安全环保部安全员、各施工队专职安全员、施工队队长为组员,负责日常的安全管理工作。
2、应急领导小组职责负责重、特大事故的现场应急抢险救援指挥,对施工现场突发性情况进行技术、资金和设备支持,在施工现场发生重特大事故时以最快的时间达到现场,分析紧急状态和确定风险事故级别,负责分部和有关地方管理部门、组织、机构联络和报告事故情况,制定抢险救援的方案措施,领导现场应急抢险救援工作,确定紧急状态的解除,协助事故原因的调查和处理工作。
接地电阻测试记录表
注:(1)测试结果=实测阻值×季节系数;
(2)接地电阻应定期(至少每季一次)进行测试;
(3)测试人为电工,监测人可以是施工员、安全员等施工管理人员。
接地电阻测试记录表
注:(1)测试结果=实测阻值×季节系数;
(2)接地电阻应定期(至少每季一次)进行测试;
(3)测试人为电工,监测人可以是施工员、安全员等施工管理人员。
接地电阻测试记录表
注:(1)测试结果=实测阻值×季节系数;
(2)接地电阻应定期(至少每季一次)进行测试;
(3)测试人为电工,监测人可以是施工员、安全员等施工管理人员。
接地电阻测试记录表
注:(1)测试结果=实测阻值×季节系数;
(2)接地电阻应定期(至少每季一次)进行测试;
(3)测试人为电工,监测人可以是施工员、安全员等施工管理人员。
接地电阻测试记录表
注:(1)测试结果=实测阻值×季节系数;
(2)接地电阻应定期(至少每季一次)进行测试;
(3)测试人为电工,监测人可以是施工员、安全员等施工管理人员。
接地电阻测试记录表
注:(1)测试结果=实测阻值×季节系数;
(2)接地电阻应定期(至少每季一次)进行测试;
(3)测试人为电工,监测人可以是施工员、安全员等施工管理人员。
精彩文档。
接地电阻测试记录表 E5-1编号:工程名称1#楼仪表型号ZC-8测试日期年月日计量单位Ω(欧姆)天气情况晴气温25℃□防雷接地□计算机接地□工作接地接地□保护接地□防静电接地□逻辑接地类型重复接地√综合接地□医疗设备接地□设计□≤10Ω□≤4Ω√≤ 1Ω要求□≤Ω?□≤Ω测试结论:经测试计算,接地电阻为Ω,符合设计要求和《建筑电气工程施工质量验收规范》(GB50303-2002)规定。
参施工单位加监理(建设)单位人技术负责人质检员施工员员签字本表由施工单位填写,建设单位、施工单位、城建档案馆各保存一份。
电气绝缘电阻测试记录表 E5-2工程名称计量单位仪表型号试验内容一层层数1AL3-1、路支路 1别、支路 2名称支路 3、支路 4编号支路 5测试结论:编号:1# 楼测试日期2015 年月日Ω( 欧姆 )天气状况晴ZC-7电压220V气温25℃相间相对零相对地零对地L 1-L 2L 2-L 3L 3-L 1L 1-N L 2-N L 3-N L1-PE L2 -PE L 3-PE N-PE750700700700 600650700700 700750750700 700700700700 750600650700经测试:线路绝缘良好,符合设计要求和(建筑电气工程质量验收规范)(GB50303-2002)的规定参施工单位加监理(建设)单位人技术负责人质检员施工员员签字本表由施工单位填写,建设单位、施工单位、城建档案馆各保存一份。
配电箱、插座、开关、灯具接线(接地)通电检查记录表 E5-3编号:工程名称1#楼施工单位系统名称(编号)检查时间年月日或层段序号检查项目型号安装数量检查数量检查情况或编号住宅总配电+2+B1-AL01 2 台 2 台配箱1电箱配电箱AL,ALa182 台182 台AP86KSGY110N520 个520 个照明器具开关KG31/1/2BY40 个40 个2空调控制开关单相二极KG426/10uS66 个66 个插单相三极3座三相四极或三相五极灯吸顶灯、442 盏442 盏YJD356-1X224安全出口270 盏270 盏具YJD201-1X8W标准灯检查结论参施工单位加监理(建设)单位人技术负责人质检员施工员员签字本表由施工单位填写,建设单位、施工单位、城建档案馆各保存一份。
精心整理
(一)、接地电阻测试记录表
表 3-15
单位名称工程名称
测试类别
测试仪表接地电阻
(防雷接测试对象测试人 / 存在问题及
(接地电阻值
地或重复所在位置测试日期处理方法
测试仪)型号(Ω)
接地)
(二)用电设备、电线电缆绝缘电阻测试记录表
表 3-16
单位名称工程名称
测试对象名测试对测试类别
绝缘测试绕组 - 测试仪表
称象电阻人存在问题及
绕组 / 外壳(兆欧
(设备名称所在位值( M / 测试处理方法
相线 - 表)型号
或电线电缆)置Ω)日期
相线 / 零线
(三)电工巡视维修工作记录卡
表 3-17
班组名
单位名称
称
工程名称编号
维修内容
序
维修项目及部位设备名称维修人验收人维修日期号
(四)漏电保护装置试跳记录表
施工单位:工程名称:表 3-18
检查安装所在位动作动作试跳
处理方
型号是否动试跳人日期置电流时间式
作。
接地电阻测试记录表填写范本
接地电阻测试记录表
测试单位:测试地点:测试日期:
测试人员:测试仪器型号:测试依据:
序号测试点编号测试点位置联络面标志(颜色)测试结果(Ω)备注
1 红色
2 黄色
3 绿色
4 蓝色
5 紫色
测试结论:
根据接地电阻测试结果,测试结果均在规定范围内(一般为<10Ω),符合相关安全规定要求。
接地系统电阻良好,能够有效保护人员和设备安全。
测试人员签字:日期:
备注:
1. 测试点位置应尽可能选在接近设备的周边区域,一般选择与设备相连的金属部件作为测试点位置,以获得更准确的测试结果。
2. 每个测试点的测试结果应记录在相应的序号后,并在备注栏中注明具体测试点的位置,以便后续维护和管理。
3. 如果测试结果超出规定范围,应及时采取相应的措施进行修复和维护,确保接地系统的正常运行。
4. 记录表中的测试结果仅供参考,具体测试时应根据实际情况和安全规定来确定接地系统的合格标准。
5. 在填写记录表时,应注明测试单位、测试地点、测试日期、测试人员、测试仪器型号和测试依据等重要信息,以便进行后续的追踪和查询工作。
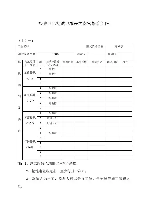
注:1、测试结果=实测阻值Χ季节系数;
2、接地电阻应定期(至少每季度一次)进行测试;
3、测试人为电工,监测人可以是施工员、安全员等施工管理人员。
2、接地电阻应定期(至少每季度一次)进行测试;
3、测试人为电工,监测人可以是施工员、安全员等施工管理人员。
2、接地电阻应定期(至少每季度一次)进行测试;
3、测试人为电工,监测人可以是施工员、安全员等施工管理人员。
注:1、测试结果=实测阻值Χ季节系数;
2、接地电阻应定期(至少每季度一次)进行测试;
3、测试人为电工,监测人可以是施工员、安全员等施工管理人员。